Розробка ультразвукового вимірювача рівня рідини

  • Вид работы:
    Курсовая работа (т)
  • Предмет:
    Информатика, ВТ, телекоммуникации
  • Язык:
    Украинский
    ,
    Формат файла:
    MS Word
    1,44 Мб
  • Опубликовано:
    2013-12-16
Вы можете узнать стоимость помощи в написании студенческой работы.
Помощь в написании работы, которую точно примут!

Розробка ультразвукового вимірювача рівня рідини

ВСТУП

Комп'ютерна схемотехніка - це технічний напрямок, зв'язаний із розробкою, налагоджуванням, обслуговуванням цифрових комп'ютерних, комп'ютеризованих та інтегрованих систем.

Ці знання необхідні фахівцям, зв'язаним з інтенсивним використанням комп'ютерної техніки, автоматизованих систем обробки даних і керування, спеціалістам з електроніки та радіотехніки, цифрових автоматів і робототехніки.

Знання комп'ютерної схемотехніки потрібно також всім тим, хто зв'язаний із створенням програмного забезпечення автоматизованих систем і комп'ютерів, що визначається тісною взаємодією апаратних й програмних засобів. Програміст, що добре знає апаратну частину завжди має перевагу перед іншими, його програми будуть більш ефективнішими та досконалішими.

 

1. ЗАГАЛЬНИЙ РОЗДІЛ

 

.1 Призначення пристрою


В залежності від встановленого режиму роботи на індикатор виводиться відстань від поверхні рідини до закріпленого над нею датчика або від поверхні до днища резервуара.

Встановлені пороги включення і виключення насосів, відкривання і закривання кранів або заслінок не змінюються при вимиканні і наступному включенні приладу. Однак при необхідності вони можуть бути оперативно змінені в процесі його роботи. Все це дозволяє з успіхом використовувати прилад в системах автоматичного керування технологічними процесами.

Слід зазначити, що на поверхні рідини не повинні плавати великі сторонні предмети, що змінюють характер відображення ультразвукової хвилі. Наприклад, дуже погано відображає ультразвук пориста поверхня, рівень відбитого від неї сигналу може стати недостатнім для роботи приладу.

 

.2 Структура пристрою


Рисунок 1 Структурна схема пристрою

Блок управління - складається з мікроконтролера DD1 PIC16F628A-IP, який керує усією схемою.

Блок посилення складається з транзисторів VT1та VT2.

Контакти реле - це ключі реле K2.1 та K2.2.

Блок живлення складається з елементу живлення, який повинен видавати стабілізовану напругу +5В та нестабілізовану +9В.

Регулятор чутливості складається з підстроювального резистора R17.

Блок випромінювання-приймання ультразвуку складається з п’єзокерамічного випромінювача-приймача ультразвуку BQ1.

Блок індикації складається з рідкокристалічного індикатора HG1.

Регулятор рівня рідини складається з реле K1 та K2.

Блок посилення сигналів є мікросхема DA2 uPC1490HA.

Блок перетворення напруги побудована на мікросхемі DA1 MC33063A.

 

.3 Принцип роботи пристрою


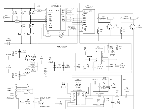
Принципова схема ультразвукового вимірювача рівня рідини дана на рисунку 2.

Рисунок 2 Принципова схема ультразвукового вимірювача рівня рідини

Мікроконтролер DD1 програмно формує на своєму виході RB3 пачки імпульсів. Тривалість пачки - близько 400 мкс, період повторення - 500 мс. Частота імпульсів, що утворюють пачку, в програмі задана рівною резонансній частоті датчика (п’єзокерамічного випромінювача-приймача ультразвуку BQ1) - 33 або 40 кГц в залежності від його типу.

Щоб забезпечити необхідну потужність випромінювання, підсилювач на транзисторах VT1 та VT2 доводить розмах імпульсів до 80 В, що подаються на датчик BQ1. Цей підсилювач живиться двох-полярною напругою +/- 40 В, одержуваним за допомогою перетворювача постійної напруги в постійне на мікросхемі DA1. Датчик з’єднують з блоком коаксіальним кабелем з хвильовим опором 50 або 75 Ом.

Одночасно з початком пачки запускається внутрішній лічильник мікроконтролера. Випромінена ультразвукова хвиля (зондуючий імпульс) достигає кордону розділу повітря-рідина і, відбившись від неї, повертається назад до датчика, який тепер служить приймачем ультразвуку.

Прийнятий відбитий сигнал надходить на вхід мікросхеми DA2. Обмежувач на діодах VD5 і VD6 захищає його від значно більш потужного зандуючого імпульсу. Мікросхема DA2 підсилює сигнали, фільтрує їх, виділяє обвідну і перетворює її в прямокутні імпульси амплітудою близько 5 В, які показані на рис. 3.

Рисунок 3 Перетворені прямокутні імпульси

Тут tn - період повторення зондувальних імпульсів; t3 - затримка між випроміненим зондуючим і прийнятим відбитим від контрольованої поверхні імпульсами. Вона може бути обчислена за формулою


де L - відстань між датчиком і поверхнею, що відбиває імпульс;

Vзв - швидкість звуку.

Якщо вважати Vзв = 333 м/с, а час - у мікросекундах, то відстань датчик-поверхня в сантиметрах дорівнює


Мікроконтролер за допомогою вбудованого лічильника-таймера вимірює інтервал t3, переводить результат в сантиметри і виводить його на РКІ HG1. Хоча фактична швидкість звуку в реальних умовах може відрізнятися від зазначеного вище значення, це призводить до похибки вимірювання рівня рідини не більше 2%, що для описуваного приладу цілком припустимо.

При відстані датчик-поверхня менше 40 см нормальна робота приладу порушується. У кожному періоді повторення зондувальних імпульсів він приймає два і більше відображених сигналів, а обчислене значення відстані сильно відрізняється від істинного. У зв’язку з цим в програмі мікроконтролера накладено заборону на обробку відбитих сигналів, що приходять із затримкою менше 2,4 мс, і зона 0…40 см “закрита” для вимірювання.

У разі тимчасової відсутності відбитих сигналів на РКІ виводиться напис “no SEnSor”. Якщо їх немає більше 50 секунд, від напруги високого логічного рівня на виході RB4 мікроконтролера включається світлодіод HL1. З відновленням прийому відбитих сигналів вимірювання тривають.

У виготовленому приладі в першу чергу необхідно перевірити роботу перетворювача напруги 5 В в +40 В і -40 В. Цю перевірку слід виконувати до установки на плату транзисторів VT1 і VT2. Подавши напругу 5 В, вимірюють вольтметром напругу -40 В на конденсаторі C13 і +40 В на конденсаторі C16. У разі невідповідності необхідно підібрати резистор R20. Потім остаточно збирають прилад і підключають до нього датчик.

Осцилографом перевіряють наявність пачок імпульсів на виведення 9 (RB3) мікроконтролера. На вході підсилювача (в точці з’єднання резисторів R9, R10) і датчику BF1 розмах цих імпульсів повинен бути близько 80 В. Датчик повинен видавати добре чутні клацання, повторювані з частотою 2 Гц.

Подальше регулювання зводиться до встановлення чутливості приймальної частини приладу підстроювальним резистором R17. Осцилограма напруги на виході (вивід 1) мікросхеми DA2 повинна бути подібна зображеної на рис.3. У кожному періоді повинні спостерігатися один зондуючий і один відбитий імпульси. Якщо відбитих імпульсів видно більше, необхідно підстроювальним резистором R17 зменшити чутливість приладу. Для збільшення інтенсивності відбитого сигналу необхідно подбати про те, щоб вертикальна вісь датчика (напрямок найбільших інтенсивності випромінювання і чутливості) була направлена строго перпендикулярно поверхні рідини.

При включенні живлення рівнеміра на його РКІ на 1 секунду з'являється напис "StArt", потім він зникає і починається вимірювання рівня рідини. Його результат в сантиметрах займає на РКІ знакомісця з сьомого по дев'яте зліва і оновлюється два рази на секунду. Для переходу в режим установки параметрів необхідно натиснути на кнопку SB1 і утримувати її протягом приблизно 8 секунд. На РКІ повинна з'явитися на 1 секунду напис "----". Потім почнеться автоматичний перебір параметрів в наступному порядку:- вибір виведеного на РКІ відстані (0 - поверхня-датчик, 1 - поверхня-дно резервуара);- відстань від датчика до дна резервуара (тільки в режимі SEt = 1, при SEt = 0 цей параметр пропускається);1 - рівень відпускання реле К1;1 - рівень спрацьовування реле К1;2 - рівень відпускання реле К2;2 - рівень спрацювання реле К2;- ширина зони гістерезису.

Кожен з них залишається на індикаторі 7 секунд. По закінченні циклу перебору прилад повертається в робочий режим. Фактично завжди вимірюється відстань датчик-поверхня. Але при SEt = 1 перед використанням і виведенням на РКІ воно віднімається з введеного користувачем значення параметра LEU.

Щоб змінити значення будь-якого параметра, під час його присутності на РКІ натискають на кнопку SB1 (збільшення) або SB2 (зменшення). Параметру SEt натисканням на кнопку SB1 привласнюють значення 1, а на кнопку SB2 - 0. На час утримання будь-якої кнопки натиснутою рахунок часу переривається. Якщо відведеного інтервалу часу на установку потрібного значення не вистачило, її можна продовжити, повторно увійшовши в режим перегляду параметрів. Оскільки встановлені значення параметрів зберігаються в незалежній пам'яті мікроконтролера, вони не змінюються при вимиканні і наступному включенні живлення приладу.

Всі рівні задають в сантиметрах. Слід дотримуватися таких умов:1<OFF1, On 2<OFF2 (при SEt=0);1>OFF1, On 2>OFF2 (при SEt=1).

Гістерезис необхідний для захисту від помилкових спрацьовувань. Наприклад, таке спрацьовування може відбутися при появі імпульсу перешкоди в інтервалі між рівнями спрацьовування і відпускання реле. Щоб цього не сталося, програма мікроконтролера порівнює кожен новий відлік рівня з попереднім. Новий відлік вважається істинним і виводиться на РКІ, якщо він відрізняється від попереднього не більше, ніж на задане значення HYSt. Наприклад, при попередньому відліку 150 см і HYSt = 10 допустимим буде вважатися новий відлік в межах від 140 до 160 см. Результати, що не потрапили в цей інтервал, будуть проігноровані. А якщо перешкода таки потрапить в нього, вона внесе незначну похибку.

При дуже швидкій зміні рівня рідини або при хвилюванні на її поверхні рекомендується задати HYSt = 10, в іншому випадку достатньо 5-7.

Натисканням і утриманням протягом 5 секунд кнопки SB2 можна перезапустити мікроконтролер. Після цього робота його програми почнеться з самого початку, як при включенні живлення, а на висновках 11 і 12 буде встановлено низький логічний рівень, що знеструмить обмотки реле К1 і К2.

Розглянемо роботу приладу на прикладі. Нехай встановлені наступні значення параметрів: SEt = 0, On 1 = 150, OFF 1 = 250, поточний рівень рідини - 180 см, рідина прибуває. Коли відстань від датчика до поверхні рідини стане рівним або менше 150 см, на виведення 11 мікроконтролера буде встановлений високий логічний рівень і спрацює реле К1. Сигналізуючи про це, у другому зліва знакомісці індикатора з'явиться цифра 1. В результаті включення керованого за допомогою реле К1 виконавчого пристрою (насоса або крана) кількість рідини в резервуарі стане зменшуватися, а відстань між її поверхнею і датчиком збільшуватися. Коли це відстань стане рівним або більше 250 см, високий логічний рівень напруги на виведення 11 мікроконтролера зміниться низьким, обмотка реле К1 буде знеструмлена, а виконавчий пристрій вимкнено. У друге знакомісце індикатора буде виведена цифра 0.

Аналогічним чином, але в залежності від параметрів On 2 і OFF 2, керує своїм виконавчим пристроєм реле К2. Його стан відображають цифри 0 або 2 на четвертому знакомісці індикатора. Процедури управління реле К1 і К2 працюють незалежно одна від іншої.

При необхідності можна проінвертувати логіку роботи цих процедур - зробити так, щоб при досягненні рівня, заданого параметром On 1 (On 2), відповідне реле відпускало якір, а при досягненні рівня, заданого параметром OFF1 (OFF2), - спрацьовувало. Для цього досить поміняти місцями коди в парах осередків програмної пам'яті мікроконтролера, адреси яких вказані в таблиці.

Таблиця 1 Адреси кодів в осередках програмної пам'яті

Реле

адреси пар осередків (HEX) для варіанту програми


UZU_33_7

UZU_40_7

K1

330, 334

331, 335

K2

338, 33D

339. 33E


Найпростіше це зробити, відкривши відповідний Нех-файл у програмі управління програмуванням, наприклад ICProg. На рис.4 показаний фрагмент вікна буфера програмної пам'яті мікроконтролера цієї програми із завантаженим файлом UZU_33_7.HEX. Відзначені комірки, підлягають зміні.

Рисунок 4 Вікно буфера програмної пам’яті

Встановивши курсор на таку комірку, потрібно подвійним клацанням лівої кнопки миші перейти в режим редагування її вмісту і ввести нове значення. Наприклад, щоб змінити логіку роботи реле К1, потрібно код 1686Н з комірки 32FH перенести в клітинку 333Н, а наявний у ній раніше код 1286Н записати в комірку 32FH. Відкориговану програму необхідно завантажити в мікроконтролер.

 

.4 Конструкція і деталі пристрою


Креслення друкованих провідників плати приладу показані на рис.5, а розташування деталей на двох її сторонах - на рис.6

Рисунок 5 Друкована плата

Рисунок 6 Розташування деталей

Застосовано реле AZ943-1C-9D з обмоткою на 9 В опором 22 Ом і контактами, здатними комутувати кола змінного струму до 10 А при напрузі до 277 В.

Блок живлення, що підключається до контактів 1-3 колодки XT1, повинен видавати дві напруги: стабілізовану 5 В (струм навантаження 40 мА) для живлення мікроконтролера та інших пристроїв приладу, не стабілізована 9 В (струм навантаження 100 мА) для живлення реле. При використанні реле на іншу напругу слід подбати про наявність потрібної напруги в блоці живлення.

Мікросхему DA2 і всі пов’язані з нею елементи необхідно екранізувати, щоб виключити вплив перешкод. Екран, контури якого показані на рис.4 штриховими лініями, складається з двох обичайок з тонкої лудженої жерсті, накритих кришками з того самого матеріалу. Розміри екрану 35х30х5 мм з боку друкованих провідників і 35х30х10 мм з протилежної їм сторони. Частини екрана кріпляться пайкою до урізків дроту діаметром 1 мм, вставленим в призначені для цього отвори друкованої плати. З боку друкованих провідників над підстрійним резистором R17 для його регулювання в кришці екрану просвердлити отвір діаметром 4 мм.

Датчик BF1 - від ультразвукового рівнеміра “ECOMAX LM 04M” українського виробництва. Його резонансна частота - 33 кГц. Можна застосовувати і ультразвукові капсулі серії MA40 фірми muRata (з резонансною частотою 40 кГц). Хоча ці капсулі випускаються роздільно, як випромінювачі ультразвуку (наприклад, MA40E7S) і як його приймачі (наприклад, MA40E7R), всі вони мають властивість оборотності.

У разі використання датчика з резонансною частотою 40 кГц необхідно зменшити до 150 кОм опір резистора R22, від якого залежить частота настройки внутрішнього смугового підсилювача мікросхеми DA2.

Графік цієї залежності показаний на рис.7. У мікроконтролер повинна бути завантажена програми, відповідна резонансній частоті датчика (файл UZU_33_7.HEX або UZU_40_7.HEX).

Рисунок 7 Графік залежності частоти настройки від опору резистора

Необхідно мати на увазі, що від датчика при інших умовах залежить максимальна дальність дії приладу. Тому остаточне рішення про тип цього елемента слід приймати тільки після ретельного вивчення його характеристик і, бажано, експериментальної перевірки його придатності.

 

2. СПЕЦІАЛЬНИЙ РОЗДІЛ

 

.1 Обґрунтування елементної бази


При розробці даного пристрою застосовувалися наступні елементи:

·        діоди: BAS32L, SM4007;

·        світлодіод: АЛ307БМ;

·        конденсатори;

·        мікросхеми: MC33063A(DA1), MPC1490HA(DA2);

·        мікроконтролер: PIC16F628A-IP(DD1);

·        резистори: 1206, C5-16T, ACP CA6V;

·        транзистори: KT502E, KT3102A;

·        п’єзокерамічний ультразвуковий випромінювач-приймач;

·        рідкокристалічний індикатор;

·        реле AZ943-IC-9D;

·        ключі реле;

·        дросель ДПМ-0,1;

·        кнопки;

·        колодка.

 

.1.1 Інтегральні мікросхеми

Інтегральна (engl. Integrated circuit, IC, microcircuit, microchip, silicon chip, or chip), (мікро.) схема (ІС, ІМС, м/сх), чіп, мікрочіп (англ. chip - тріска, уламок, фішка) - мікроелектронний пристрій - електронна схема довільної складності, виготовлена на напівпровідниковому кристалі (або плівці), і поміщена в нерозбірний корпус. Часто під інтегральною схемою (ІС) розуміють власне кристал або плівку з електронною схемою, а під мікросхемою (МС) - ІС, ув'язненого в корпус. В той же час вираження «чіп компоненти» означає «компоненти для поверхневого монтажу» на відміну від компонентів для традиційного паяння в отвори на платі. Тому правильніше говорити «чіп мікросхема», маючи на увазі мікросхему для поверхневого монтажу.

         Рівні проектування:

·        фізичний - методи реалізації одного транзистора (або невеликої групи) у вигляді легованих зон на кристалі;

·        електричний - принципова електрична схема (транзистори, конденсатори, резистори і т. п.);

·        логічний - логічна схема (логічні інвертори, елементи АБО-НЕ, І-НЕ і т. п.);

·        схемо- і системотехнический рівень - схемо- і системотехническая схеми (тригери, компаратори, шифратори, дешифратори, АЛУ і т. п.);

·        топологічний - топологічні фотошаблони для виробництва;

·        програмний рівень (для мікроконтроллерів і мікропроцесорів) - команди асемблера для програміста.

Технологія виготовлення:

Напівпровідникова мікросхема - всі елементи і міжелементні з'єднання виконані на одному напівпровідниковому кристалі (наприклад, кремнію, германію, арсеніду галію).

Плівкова мікросхема - всі елементи і міжелементні з'єднання виконані у вигляді плівок:

·        товстоплівкова інтегральна схема;

·        тонкоплівкова інтегральна схема.

Гібридна мікросхема - окрім напівпровідникового кристала містить декілька безкорпусних діодів, транзисторів і(або) інших електронних компонентів, поміщених в один корпус.

При виготовленні мікросхем використовується фотопроцес, при цьому схему формують на підкладці, зазвичай з діоксиду кремнію, отриманою термічних оксидуванням кремнію. Зважаючи на крихту розміру елементів мікросхем, від використання видимого світла і навіть ближнього ультрафіолету при засвіченні давно відмовилися. Як характеристика технологічного процесу виробництва мікросхем вказують ширину смуги фотоповторювача і, як наслідок, розміри транзисторів (і інших елементів) на кристалі. Цей параметр, проте, знаходиться у взаємозалежності з рядом інших виробничих можливостей: чистотою отримуваного кремнію, характеристиками інжекторів, методами витравлення і напилення.

У даному курсовому проекті було використано такі мікросхеми як:

·        MC33063A;

·        MPC1490HA(КР1054ХП1);

·        PIC16F628A-IP

Мікроконтролер PIC16F628A-IP

Абревіатура PIC означає Peripheral Interface Controller. Дуже часто виникає необхідність в невеликому дешевому мікропроцесорі, з нескладними математичними обчисленнями, здатному здійснювати уведення-виведення сигналів з великою швидкістю, що володіє низьким споживанням і розвиненою периферією. PIC-контролери випускаються як у великих, так і малих корпусах і мають невелику вартість.

Таблиця 2 Основні параметри PIC16F628A-IP

Ядро

PIC16FXX

Розрядність

8

Тактова частота, МГц

20

Обсяг ROM-пам'яті

Обсяг RAM-пам'яті

224

Внутрішній АЦП, кількість каналів

немає

Внутрішній ЦАП, кількість каналів

немає

Температурний діапазон, C

-40…+85

Тип корпусу

DIP18


Рисунок 8 Розташування виводів мікроконтролера PIC16F628

Рисунок 9 Корпуси PIC16F628

Рисунок 10 Зовнішній вигляд мікросхеми PIC16F628A

Мікросхема MC33063A

Призначена для побудови підвищуючих, знижувальних і інвертуючих полярність напруги імпульсних DC конвертерів.

Основні можливості мікросхеми MC33063A:

·        напруга від 3 до 40V

·        низький струм споживання в черговому режимі

·        обмеження струму

·        вихідний струм ключа до 1,5 A

·        регулювання вихідної напруги

·        частота перетворення до 100Khz

·        точність 2%

Рисунок 11 Внутрішня схема і розташування виводів MC33063A

Таблиця 3 Виходи мікросхеми

Вихід

Призначення

1

колектор ключа

2

емітер ключа

3

задаючий час конденсатор

4

загальний

5

інвертуючий вхід компаратора

6

живлення

7

датчик

8

колектор драйвера


Рисунок 12 Зовнішній вигляд мікросхеми MC33063A

Мікросхема КР1054ХП1 - приймач ІЧ-діапазону для дистанційного керування.

·        напруга живлення 5 В

·        струм споживання 5 мА

·        мінімальне вихідна напруга 0,3 В

Рисунок 13 Розташування виводів мікросхеми КР1054ХП1

2.1.2 Конденсатори

Електричний конденсатор є системою з двох електродів (обкладань), розділених діелектриком, і володіє здатністю накопичувати електричну енергію.

Місткість конденсатора - електрична місткість між електродами конденсатора, визначувана відношенням накопичуваного в ньому електричного заряду до прикладеної напруги. Місткість конденсатора залежить від матеріалу діелектрика, форми і взаємного розташування електродів.

Питома місткість конденсатора - відношення ємкості до маси (або об'єму) конденсатора.

Номінальна місткість конденсатора - місткість, яку повинен мати конденсатор відповідно до нормативної документації. Фактична місткість кожного екземпляра конденсатора відрізняється від номінальної, але не більше ніж на відхилення, що допускається. Значення номінальної ємкості всіх типів конденсаторів постійної ємкості встановлені стандартом СЕВ 1076-78 згідно рекомендаціям МЕК.

Допустиме відхилення ємкості від номінальної (допуск) характеризує точність значення ємкості. Значення цих відхилень встановлені ДСТУ 9661-73 у відсотках для конденсаторів місткістю 10 пф і більш і в пікофарадах для конденсаторів з меншому місткістю.

Номінальна робоча напруга (або проста номінальна напруга) конденсатора - максимальна напруга, при якій конденсатор може працювати протягом мінімального напрацювання в умовах, вказаних і технічної документації (ДСТУ 21415-75). Значення номінальних напруг конденсаторів постійної ємкості встановлені ГОСТ 9665-77.

Електричний опір ізоляції конденсатора - електричний опір конденсатора постійному струму, визначуване співвідношенням R=U/I, де U - напруга, прикладена до конденсатора, I - струм витоку, або провідності. Опір ізоляції конденсаторів всіх видів, окрім електролітичних і напівпровідникових, вельми великий і виражається в мегаомах, гігаомах і навіть тераомах. Його вимірюють за нормальних кліматичних умов (температура 25- 10 °С, відносна вологість 45...75%, атмосферний тиск 86...106 кПа). З підвищенням температури опір ізоляції зменшується.

Частотні властивості. Місткість конденсатора залежить від частоти прикладеної змінної напруги. При зміні частоти змінюються діелектрична проникність діелектрика і ступінь впливу паразитних параметрів - власної індуктивності і опору втрат.

Допустима амплітуда змінної напруги на конденсаторі Um доп. - амплітуда змінної напруги, при якій втрати енергії в конденсаторі не перевищують допустимих.

Стабільність параметрів конденсатора. Електричні властивості і термін служби конденсатора залежать від умов експлуатації (дія тепла, вологості, радіації, вібрацій, ударів і ін.). Вплив тепла виявляється в зміні ємкості і добротності конденсатора, а також електричної міцності.

Температурний коефіцієнт ємкості характеризує оборотні зміни ємкості конденсатора із зміною температури. Він є відношенням похідної від ємкості по температурі до ємкості конденсатора. Практично ТКЄ визначають як відносну зміну ємкості конденсатора при зміні температури на 1 °С.

Залежно від розмірів конденсатора застосовуються повні або скорочені (кодовані) позначення.

Таблиця 4 Види конденсаторів

Позначення по ГОСТ 2.728-74

Опис

 <#"697966.files/image017.gif"> <#"697966.files/image018.gif"> <#"697966.files/image019.gif"> <#"697966.files/image020.gif">

Рисунок 14 Зовнішній вигляд діода BAS32L

Характеристики діода:

·        тип діода……………імпульсний діод;

·        максимальна постійне зворотне напруга, В………………..75;

·        максимальний прямий (випрямлений за напівперіод) струм, А 0.2;

·        максимальний час зворотного відновлення, мкс…………0.004;

·        максимальна імпульсна зворотна напруга, В……..100;

·        максимально допустимий прямий імпульсний струм, А..0.45;

·        максимальний зворотний струм, мкА 25гр……………….5;

·        максимальна пряме напруга, В при 25гр………………0.75;

·        при Іпр., А……………………………………………….0.005;

·        загальна ємність Сд, пФ……………………………2;

·        робоча температура, С……………………….-65 ... 200;

·        корпус…………………………………………….SOD80C;

·        спосіб монтажу……………………………………SMD;

·        виробник…………………………………………Philips.

Діод SM4007

Рисунок 15 Зовнішній вигляд діода SM4007

Таблиця 5 Характеристики діода SM4007

Матеріал

Кремній

Максимальна постійна зворотна напруга, В

1000

Максимальна імпульсна зворотна напруга, В

1200

Максимальний прямий (випрямлений за напівперіод) струм, А

1

Максимально допустимий прямий імпульсний струм, А

30

Максимальний зворотний струм, мкА 25гр

5

Максимальна пряма напруга, В при 25гр

1.1

при Іпр., А

1

Робоча температура, С

-65…150

Спосіб монтажу

SMD

Корпус

SM-1


2.1.4 Світлодіоди

Світлодіоди перетворюють енергію електричного поля в нетеплове оптичне випромінювання. При протіканні струму через діод з арсеніду галію рекомбінація носіїв заряду супроводжується не тільки виділенням тепла, як, наприклад, у кремнієвого діода, а ще й квантів світла.

Світлодіод АЛ307БМ

Рисунок 16 Зовнішній вигляд світлодіода АЛ307БМ

Таблиця 6 Характеристики світлодіода АЛ307БМ

Колір світіння

Червоний

Довжина хвилі, нм

655

Мінімальна сила світла Iv хв., мКд

0.9

Максимальна сила світла Iv макс., мКд

0.9

при струмі I пр., мА

10

Відомий тілесний кут, град

20

Колір лінзи

Червоний

Форма лінзи

кругла

Розмір лінзи, мм

5

Максимальна пряма напруга, В

2

Максимальна зворотна напруга, В

2

Максимальний імпульсний прямий струм, мА

100

Робоча температура, С

-60…70


2.1.5 Біполярні транзистори

Біполярні транзистори - це напівпровідникові елементи, що мають три зони провідності, які утворюють два р-n-переходи. Ці зони називають: емітерна (виділяє носії заряду), база (має властивість керувати цими зарядами) і колекторна (збирає носії заряду). Відповідно, кожна з зон має свій вивід, який маркується: К-колектор; Б-база; Е-емітер. Залежно від типу вільних носіїв заряду в цих зонах, транзистори поділяються за типом на р-n-р чи n-р-n.

Наявність p-n-переходів визначає два стани транзистора: відкритий і закритий. У відкритому транзисторі струм проходить від емітера та колектора. Для цього в транзисторі типу p-n-p до кожного p-n-переходу потрібно прикласти напругу певної полярності, а саме: між емітером і базою - в прямому напрямку, тобто до емітера «+», а до бази «-»;між колектором і базою - в зворотному - до колектора «-», до бази «+». Для транзисторів n-p-n-типу полярність прикладених напруг протилежна.

У даному пристрої застосували транзистори серій:

·        KT502E;

·        KT3102A.

Транзистор KT502E

Рисунок 17 Зовнішній вигляд транзистора KT502E

Таблиця 7 Характеристики транзистора KT502E

Структура

PNP

Макс. напр. к-б при заданому зворотному струмі к. і розімкнутого ланцюга е. (Uкбо макс), В

90

Макс. напр. к-е при заданому струмі к. і заданому опору в ланцюзі б-е. (Uкэr макс), В

70

Максимально допустимий струм к. (Ік макс, А)

0.15

Статичний коефіцієнт передачі струму h21э хв

40

Гранична частота коефіцієнта передачі струму fгр, МГц

5.00

Максимальна потужність, що розсіюється к. (Рк, Вт)

0.35

Корпус

KT-26


Транзистор KT3102A

Рисунок 18 Зовнішній вигляд транзистора KT3102A

Таблиця 8 Характеристики транзистора KT3102A

СтруктураPNP


Макс. напр. к-б при заданому зворотному струмі к. і розімкнутого ланцюга е. (Uкбо макс), В

50

Макс. напр. к-е при заданому струмі к. і заданому опору в ланцюзі б-е. (Uкэr макс), В

50

Максимально допустимий струм к. (Ік макс, А)

0.1

Статичний коефіцієнт передачі струму h21э хв

100

Гранична частота коефіцієнта передачі струму fгр, МГц

150.00

Максимальна потужність, що розсіюється к. (Рк, Вт)

0.25

корпус

KT-1-7


2.1.6 Резистори

Резистори призначені для перерозподілу і регулювання електричної енергії між елементами схеми. Принцип дії резисторів заснований на здатності радіоматеріалів чинити опір електричному струму, що протікає через них. Особливістю резисторів є те, що електрична енергія в них перетворюється в тепло, що розсіюється в навколишнє середовище. Параметри резисторів характеризують експлуатаційні можливості застосування конкретного типу резистора в конкретній електричній схемі.

Резистори класифікуються по характеру зміни опору (постійні, змінні регульовані), за призначенням (загального призначення, високочастотні, високовольтні і ін.), за матеріалом резистивного елементу (дротяні, недротяні).

Недротяні резистори залежно від матеріалу струмопровідного шару підрозділяються на металодіелектричні, металоокісні, вуглецеві, на провідній пластмасі і ін.

Номінальними параметрами резистора є номінальна потужність розсіяння Рном, номінальний опір R, відхилення опору, або допуск, що допускається, температурний коефіцієнт опору (ТКО), який показує відносну оборотну зміну опору при зміні температури резистора на 1º С. Чим менше ТКО, тим більшою температурною стабільністю володіє резистор. Номінальну потужність резистора можна впізнати по маркуванню на корпусі або залежно від розмірів.

На корпус резистора наноситься маркуванню, якщо дозволяють його розміри, яка містить скорочене позначення, номінальну потужність, номінальний опір, допуск.

У даному курсовому проекті було використано такі резистори як:

·        резистори типорозміру 1206;

·        ACP CA6V;

·        C5-16T.

Резистори типорозміру 1206

Безкорпусні товстоплівкові резистори (чіп-резистори, smd-резистори) призначені для роботи в колах постійного, змінного та імпульсного струму. Використовуються для поверхневого монтажу.

Номінальна потужність: 0.25 Вт (тип 1206).

Діапазон номінальних опорів: 1 Ом - 10 MOм, ряд 24.

Точність: ± 1% (F).

Діапазон робочих температур: -55 ... + 125 ° C.

Рисунок 19 Зовнішній вигляд резисторів типорозміру 1206

Таблиця 9 Характеристики резисторів типорозміру 1206

Тип

Чіп

Номінальний опір

1

Одиниця виміру

кОм

Точність,%

1

Номінальна потужність, Вт

0.25

Максимальна робоча напруга, В

200

Монтаж

SMD 1206

Довжина корпусу L, мм

3.2

Ширина (діаметр) корпусу W (D), мм

1.6


Резистор підстроювальний ACP CA6V

·        ступінь захисту IP5 (пилозахищені)

·        спеціалізований конструктив корпусу і висновків забезпечує легкий монтаж (ручний або автоматизований) на друковану плату

·        висока довговічність рухомих контактів

·        металізоване підстава - висока розсіює потужність

·        луджені виводи

Застосування: будь-яке електрообладнання потребує пусконалагоджувальної (постійної) настройці: вимірювальна техніка, телекомунікаційне обладнання, побутова техніка

Рисунок 20 Зовнішній вигляд резистора ACP CA6V

Таблиця 10 Характеристики резистора ACP CA6V

Тип

Підстроювальний

Модель

CA6V

Тип провідника

Металічний керамічний

Номінальний опір

1

Одиниця виміру

кОм

Функціональна характеристика

A

Кількість оборотів

Менше 1


Резистор C5-16T

Виконані в герметичному пожежобезпечному корпусі, призначені для роботи в колах постійного, змінного та імпульсного струму з максимальною напругою 350 В.

Рисунок 21 Зовнішній вигляд C5-16T

 

.1.7 Дросель

Дросель (нім. Drossel) - обмежник, регулятор.

Дросель електричний - котушка індуктивності, що володіє високим опором змінному струму і малим опором постійному. Зазвичай включається в електричний ланцюг постійного струму для придушення або обмеження змінної складової і пульсацій струму. Дроселі зазвичай мають сердечник (електротехнічна сталь або ферит). Застосовуються переважно у фільтрах вузлів електроживлення.

Рисунок 22 Зовнішній вигляд електричного дроселя

Дросель ДПМ-0,1

Рисунок 23 Зовнішній вигляд дроселя ДПМ-0,1

Таблиця 11 Характеристики дроселя ДПМ-0,1

Серія

ДПМ

Номінальна індуктивність, мкГ

100

Допуск номінальної індуктивності,%

10

Максимальний постійний струм, мА

100

Добротність, Q

40

Робоча температура, С

-60…+85

спосіб монтажу

в отвір

Особливості

дротові з покриттям

Довжина корпусу, мм

11.5

Діаметр (ширина) корпусу, мм

3

Активний опір, Ом

9.5

 

.2 Аналоги використаних елементів


Всі резистори, крім R14 і R17, типорозміру 1206 для поверхневого монтажу. Резистор R14 - C5-16T потужністю 1 Вт, але можна застосувати і імпортні аналоги. Виводи підстроювального резистора R17 (ACP CA6V) встановленого з боку друкованих провідників, зігнуті і припаяні до відповідних контактних площадок. Всі інші резистори - типорозміру 1206 для поверхневого монтажу. Дросель L1 - ДПМ-0,1.

Транзистори КТ502Е і КТ503Е можуть бути замінені іншими транзисторами середньої потужності відповідної структури з допустимою напругою колектор-емітер не менше 80 В. Заміну транзисторам КТ3102А слід підбирати з числа транзисторів структури p-n-p з допустимим струмом колектора не менше 100мА і напругою колектор-емітер не менше робочої напруги використовуваних реле.

Заміна РКІ MT10T7-7 індикатором іншого типу (навіть якщо він рідкокристалічний) можлива лише при зміні відповідальної за вивід інформації частини програми мікроконтролера.

 

3. РОЗРАХУНКОВИЙ РОЗДІЛ

 

.1 Розрахунок надійності роботи пристрою


Надійність це властивість виробу виконувати задані функції зберігаючи свої характеристики у встановлених межах в перебігу певного часу, при певних режимах і умовах ви користування, технічного обслуговування, режиму зберігання і транспортування. Надійність є складною властивістю і включає такі поняття як безвідмовність, довговічність, відновлюваність. Найважливішим є безвідмовність, тобто здатність пристрою безперервно зберігати працездатність в перебігу деякого часу.

Очевидно, що чим складніше прилад і чим більше елементів входить в його склад, тим більше вірогідність відмови. Використовуючи формулу при розрахунку інтенсивності відмови беруться до уваги всі елементи схеми, включаючи паяння і перемикачі. Природньо, береться до уваги і кількість цих елементів. Ймовірність безвідмовної роботи - ймовірність того, що в межах завдання відмова напрацювання об’єкту не виникне.

Інтенсивністю відмови називається умовна густинна ймовірність виникнення збою виробу за умови, що в певний момент часу відмова не виникне. Загальна інтенсивність відмови елементів пристрою обчислюється за формулою:


лзаг - загальна інтенсивність відмов елементів схеми. Одиницею вимірювання є 1/годину

n - кількість типів елементів

Ni - кількість елементів даного типу

лi - інтенсивність відмов елементів даного типу

Середня година напрацювання на відмову обчислюється по формулі:


Час безвідмовної роботи:


Результати розрахунку загальної інтенсивності відмов приведені нижче в таблиці:

Таблиця 12 Загальна інтенсивність відмов пристрою

Найменування елементу

Інтенсивність відмов елементу 1/год*10-6

Кількість елементів в схемі

Інтенсивність відмов елементів 1/год*10-6

Резистор

0,40

14

5,6

Транзистор

0,20

4

0,8

Конденсатор

0,30

16

4,8

Мікросхема

0,01

3

0,039

Паяння

0,01

76

0,76

Діод

0,20

11

2,2

Друкарська плата

0,10

1

0,1

Батарея

1,40

1

1,4

Дросель

0,34

1

0,34

Світлодіод

2,50

1

2,5

Випромінювач-приймач

4,70

1

4,7

Рідкокристалічний індикатор

1,00

1

1

Реле

0,25

2

0,5

Ключ реле

0,25

2

0,5

Кнопка

0,25

2

0,5

Колодка

0,30

1

0,3

лзаг

26,039


лзаг = 5,6+0,8+4,8+0,039+0,76+2,2+0,1+1,4+0,34+2,5+4,7+1+0,5+0,5+0,5+0,5+0,3= =26,039 (1/год*10-6)

Середній час працювання на відмову, годин:в=1/26,039*10-6=38403,93 годин

Ймовірність безвідмвної роботи визначається для окремих проміжків часу по формулі:


Результати обчислень ймовірної безвідмовності роботи для окремих проміжків часу записано в таблицю 13

Таблиця 13 Ймовірність безвідмовної роботи

Інтервал часу годин

Ймовірність безвідмовної роботи

1000

0,97

5000

0,88

10000

0,77

15000

0,68

20000

0,59

25000

0,52

30000

0,46

35000

0,40

40000

0,35

45000

0,31

50000

0,27


Рисунок 24 Ймовірність роботи пристрою

Висновок: як показує графік, чим більше працює прилад, тим вище ймовірність виходу з ладу електронних компонентів, час його безвідмовної роботи буде складати 18403,93 годин або 4,4 року.

3.2 Розрахунок споживаної потужності


Потужність - фізична величина, що характеризує енергію, віддану або отриману об’єктом в одиницю часу. Відповідно, потужність буває що виділяється (вихідна) і поглинається (споживана).

Потужність, як і енергія, буває різних видів (механічна, електрична, теплова, акустична, електромагнітна, хвилева і тому подібне), які, у свою чергу, пов’язані з природою цієї енергії.

Як відомо з шкільного курсу фізики, потужність P [Вт] для схеми постійного струму прямо пропорційна напрузі U [В] і силі струму I [A] в ділянці ланцюга:

P=I*U

Потужність споживання цифрового пристрою з однією з важливих експлуатаційних характеристик і складається з потужності споживання всіх його елементів.

У першому наближенні Pзаг розраховується як сума максимальних потужностей, споживаних мікросхемами.


де Pмс - потужність споживання всіх мікросхем пристрою, мвт;

N - кількість мікросхем;

In - струм споживання мікросхемою, мА;

Un - напруга живлення, В;

ni - кількість IMC і-го номіналу;

M - число різних типономіналов IMC, що входять в схему.

Потужність споживання транзисторів:


Де: U0 - напруга повністю відкритого транзистора, В;

Imax - максимальний струм транзистора, мА;

n - кількість однотипних транзисторів.

Потужність споживання діодів:


Де: U - падіння напруги на діоді, В;

I - струм діода, мА.

Потужність споживання резисторами:


Де: I - струм, що проходить через резистор, мА;

R - опір резистора.

Результати розрахунків потужності споживання елементами принципової схеми пристрою зведені в таблицю 14

Таблиця 14 Потужність споживання пристрою

Найменування елементу

Струм споживання, мА

Напруга живлення (падіння) В

Кількість елементів шт.

Потужність споживання мВт

Світлодіод





АЛ307БМ

100

2

1

200

Діоди





BAS32L

450

75

9

303750

SM4007

1000

1,1

2

2200

Мікросхеми





PIC16F628A

300

6,5

1

1950

MC33063A

1500

40

1

60000

MPC1490HA

5

5

1

25

Резистори





1206

0,00125

200

22

5,5

C5-16T

0,01

100

1

1

ACP CA6V

0,001

100

1

0,1

Транзистори





KT502E

150

70

2

21000

KT3102A

100

50

2

10000

Дросель





ДПМ-0,1

100

0,001

1

0,1


З урахуванням радіоелементів блоку живлення загальна потужність споживання складає:

Pзаг = 399131,7мВт~399100мВт=399,1Вт

Висновок: виходячи з розрахунків даний пристрій має потужність 399,1 Вт.

4. ОХОРОНА ПРАЦІ ТА ТЕХНІКА БЕЗПЕКИ


4.1 Охорона праці


Однією з головніших задач є охорона праці, тобто забезпечити працюючих умовами праці, при яких немає впливу жодних шкідливих факторів.

До пристроїв допускаються тільки ті користувачі, які ознайомилися з документацією всіх пристроїв і пройшли інструктаж з техніки безпеки. При проведенні робіт по монтажу, наладці й регулюванню необхідно виконувати правила техніки безпеки.

Правила техніки безпеки:

·        при ремонті мікропроцесорних систем та електричних ланцюгів необхідно попередньо вимкнути струм й за допомогою вольтметра перевірити відсутність напруги;

·        елементи конструкції пристрою повинні бути надійно заземлені;

·        металеві корпуси при роботі необхідно заземлювати.

·        забороняється виконувати паяльні роботи без вентиляції;

·        забороняється користуватися паяльником з напругою живлення більше 36В без заземлення;

·        забороняється користуватися несправною апаратурою та інструментами.

Працівники, які обслуговують пристрій, повинні мати навики по наданні першої медичної допомоги. Бо при ремонті чи обслуговуванні можливе ураження електричним струмом, опіки, отруєння газами. Щоб цього не сталося треба виконувати правила техніки безпеки. Струм, який проходить крізь тіло людини, викликає небажану дію, порушуючи при цьому нормальну діяльність всього організму. Результат ураження залежить від величини та роду струму, площі та поверхні контакту, фізичного і психічного стану людини, а також від величини опору організму. В результаті враження електричним струмом в організмі людини можуть відбутися термічні, хімічні, психологічні та біологічні порушення.

4.2 Техніка безпеки при виконанні монтажних робіт


Основним видом праці при монтажних роботах є пайка, так як майже всі електромагнітні з'єднання радіоелектронної апаратури здійснюється пайкою.

При виконанні пайки на працівника можуть впливати небезпечні фактори:

·        незадовільне освітлення робочої зони;

·        запиленість інфрачервоного випромінювання від розплавленого припою;

·        запиленість та загазованість робочого місця;

·        потрапляння крапель розплавленого припою на тіло працівника.

Для забезпечення достатньо сприятливих умов праці необхідно провести наступні дії:

·        дільниці, на яких зосереджені операції пайки, віддалити в окремі приміщення;

·        в приміщенні повинна бути вентиляція;

·        всі інструменти повинні бути на своїх місцях;

·        при пайці обережно торкатися до паяльника і остерігатися розплавлення припою.

4.3 Санітарно-гігієнічні вимоги


Необхідною умовою для нормальної роботи є естетичне оформлення приміщень та окремих робочих місць. Так як колір являється психологічним фактором, то не бажано фарбувати стіни, меблі і корпуси різних пристроїв в яскраві кольори, тому що вони швидко втомлюють очі і розслаблюють організм. Найбільш підходящими кольорами е салатовий, перламутровий, синій, зелений, голубий і білий.

Освітлення приміщення є одним з важливих факторів для нормальної роботи. Освітлення лабораторії повинно бути м'яким, без блиску. В світлий час доби бажано користуватися тільки природним освітленням, якщо його не вистачає, тоді добавити штучний, але не сильно - так, щоб він не заважав роботі.

Для підтримки здоров'я працюючих необхідно підтримувати кліматичні умови, такі як: відносна вологість повітря, температура, запиленість, також ці умови повинні підходити для нормальної роботи всіх пристроїв. Для створення відповідного мікроклімату є батареї парового опалення, за допомогою яких у холодний період року опалюються приміщення. Для нормального повітрообміну використовується кватирка та встановлюються кондиціонери, які підтримують постійний мікроклімат у теплий період року. Для боротьби з запиленістю в кінці робочого дня проводиться вологе прибирання приміщення.

4.4 Протипожежний захист


При роботах з електронагрівальними пристроями та струмом, треба бути обачним та дотримуватись правил проти пожежної безпеки. Виконання протипожежних заходів полягає на адміністрацію. Перевірку та інструктажі протипожежної безпеки необхідно проводити регулярно з усім персоналом. Також проводять планову перевірку приміщень, в яких розміщені протипожежні засоби, доступ до них та належний стан засобів.

Працівники повинні знати засоби гасіння пожежі в електронних пристроях, та вміти правильно і вчасно їх застосовувати. Загорання яких-небудь електричних пристроїв може відбуватися за декількома причинами: коротке замикання погано ізольованих проводів та кабелів, непрацездатність деяких елементів схем і пристроїв, невиконання техніки безпеки та протипожежного захисту.

Для запобігання пожежі під час короткого замикання необхідно встановлювати електричні щити з запобіжниками, до яких підключаються усі електричні пристрої, виконувати ремонтні роботі в спеціально відведених і обладнаних для цього робочих місцях, використовувати негорючі матеріали з великими межами вогнестійкості, зберігати горючі та легкоспалавні матеріали в спеціально відведених місцях.

Для гасіння пожежі необхідно мати порошкові вогнегасники, бо пінно створюючи та вуглекислотні вогнегасники забороняється використовувати поблизу струмоведучих схем, пристроїв та ланцюгів. Всі приміщення лабораторії необхідно обладнати автоматичною системою сповіщення про пожежу.

Для евакуації людей під час пожежі у кожному приміщенні мають бути стенди по евакуації людей та більш безпечні виходи з приміщення, які повинні бути оголошені при інструктажі. Виходи не повинні бути засміченні або закриті.

4.5 Охорона навколишнього середовища


При виготовлені будь якої електронної продукції використовується багато речовин останки яких попадаючи в атмосферу забруднюють оточуюче середовище.

В нашій країні екологічна проблема прийняла страшні розміри: стічні води підприємств несуть в собі шкідливі речовини, солі тяжких металів. Викид шкідливих речовин в атмосферу досягає сотень мільйонів тон.

На Україні, також як і в усьому світі, йде поступове застосовування безвідхідних технологій, виробництво якісної продукції.

Постійне збільшення об'ємів виробництва, збільшення використання природних ресурсів приводить до їх збіднення. Крім того, збільшується з року в рік викид шкідливих речовин в атмосферу, від недостатнього очищення стічної води - забруднюються водоймища. Для рішення цих проблем передбачено ряд заходів. Всі вони групуються за такими напрямками:

·        охорона і раціональне використання водних ресурсів;

·        охорона повітряного басейну;

·        охорона і раціональне використання мінеральних ресурсів і корисних копалин.

При виготовленні печатної плати мікропроцесора існують різного роду шкідливі з'єднання - це пара при нагріванні флюсу, свинцю, олова, солей тяжких металів і каніфолі, а також за барвників, розчинів, лаків та інших. Вихід цих речовин в зовнішнє середовище дуже шкідливе для природи і людини. Для запобігання забруднення навколишнього середовища застосовують фільтри, очисні споруди і проводяться інші природо зберігаючи заходи.

Пайку необхідно проводити в спеціально відведених місцях з використанням витяжок та фільтрів.

ВИСНОВОК


Для свого проекту я вибрав простий ультразвуковий прилад для безконтактного вимірювання рівня рідини в резервуарі. Він потрібний не всім, але якщо й знадобиться, то можна не турбуватися щодо його збереження, оскільки навіть агресивна рідина не зможе зіпсувати прилад.

До переваг розглянутого ультразвукового рівнеміра можна віднести малі розміри і споживану потужність, можливість вимірювання рівня агресивних рідин, швидко призводять в непридатність занурені в них металеві електроди звичайних кондуктивних датчиків, тому цей прилад має велику перевагу в порівнянні зі звичайними рівнемірами.

Виходячи з розрахунків моє пристрій має потужність 399,1 Вт і час безвідмовної роботи складає 4,4 року.

Виходячи з усього вищевикладеного цей пристрій можна зібрати в домашніх умовах, але це вийде дорого і не доцільно, тому що дома вимірювати нічого!

ЛІТЕРАТУРА

ультразвуковий вимірювач схема пристрій

1 ДСТ 2.105-79 «ЄСКД. Загальні вимоги до текстових документів».

ДСТ 2.106-68 «ЄСКД. Текстові документи».

ДСТ 19.008-80 «ЄСПД. Схеми алгоритмів і програм. Позначення умовні графічні».

ДСТ 2.001-70 «ЄСКД. Загальні положення».

ДСТ 2.105-79 «ЄСКД. Вимоги до текстових документів».

ДСТ 3.120-73 «ЄСКД. Технічний проект».

ДСТ 2.301-68 «ЄСКД. Формати».

ДСТ 2.302-68 «ЄСКД. Масштаби».

ДСТ 2.303-68 «ЄСКД. Лінії».

ДСТ 2.316-68 «ЄСКД. Шрифти».

ДСТ 2.304-81 «ЄСКД. Нанесення написів».

Куска А., Снігур В. Ультразвуковий вимірювач рівня рідини - Радіо, 2012, №6, с. 40.

http://eandc.ru/

http://www.chipdip.ru/

http://tec.org.ru/

http://platan.ru/

Похожие работы на - Розробка ультразвукового вимірювача рівня рідини

 

Не нашли материал для своей работы?
Поможем написать уникальную работу
Без плагиата!
Без нейросетей!