Розробка таймера прямої ходи
МІНІСТЕРСТВО
ОСВІТИ ТА НАУКИ УКРАИНЫ
ДОНЕЦЬКИЙ
НАЦІОНАЛЬНИЙ ТЕХНІЧНИЙ УНІВЕРСИТЕТ
Кафедра
АТ
Пояснювальна
записка
до
курсової роботи з дисципліни
«Мікропроцесорні
системи»
Виконав:т.гр.
СУА-10а
Маслєннікова
С.В.
Перевірив:
Яремко І.М.
Воропаєва
А.О.
Донецьк
2013
Завдання до курсового проекту
Завдання: розробити таймер прямої
ходи на базі мікроконтролера AT90S8515. Час відображається за допомогою
чотирьох восьмисегментних індикаторів, керування здійснюється за допомогою
клавіатури (3х4 - 12 кнопок). Програмування та прошивка МК здійснюється за
допомогою програми Algorithm Builder.
При подачі живлення включається
режим введення часу при якому
послідовно задаються години і
хвилини і після введення останньої цифри
починається хід таймера від нуля до
вказаного часу. При цьому повинна блимати точка другого розряду індикатора з
періодом 1с (0.5с горить, 0.5с не горить). При натисненні кнопки "*"
також включається режим введення часу. При введенні часу повинна здійснюватися
перевірка на некоректне введення (наприклад при введенні першої цифри можна
ввести тільки "0", "1" або "2" інших кнопок
повинні ігноруватися).
При прямому відрахунку часу крапки
на лінійці блимають по черзі - парні та непарні.
Реферат
Курсовая работа стр. 34, рис. 32
У процесі виконання курсової роботи
був реалізований таймер на базі мікроконтролера AT90S8515. Програма розділена
на кілька підпрограм, для спрощення розробки та налагодження. Основна програма
виконує необхідні для роботи встановити, після чого очікує переривань по
переповнення восьмибітних таймер-лічильників Timer0 і Timer1, при обробці яких
реалізуються виконання всіх інших дій.S8515, мікроконтролери,
таймер-лічильники, підпрограма, переривання, відладка
Зміст
Вступ
.
ОПИС ПРИНЦИПОВОЇ ЕЛЕКТРИЧНОЇ СХЕМИ
.
ОПИС АЛГОРИТМА ПРОГРАМИ
.1
ВИКОРИСТАННЯ РЕСУРСІВ
.2
ОСНОВНА ПРОГРАМА
.3
ПІДПРОГРАМА ОБРОБКИ ПЕРЕРИВАННЯ ТАЙМЕРА
.4
ПІДПРОГРАМА ОБРОБКИ ПЕРЕРИВАННЯ ТАЙМЕРА 0. РЕЖИМИ РОБОТИ ПРИСТРОЇ
.5
ПІДПРОГРАМА ІНДИКАЦІЇ
.6
ПІДПРОГРАМА РАХУНКУ ЧАСУ
.7
ОПИТУВАННЯ КЛАВІАТУРИ
.
ДОДАТКОВЕ ЗАВДАННЯ
ВИСНОВОК
СПИСОК
ВИКОРИСТАНОЇ ЛІТЕРАТУРИ
ДОДАТОК
А
Вступ
Поява інтегральних схем стало
значною подією в області автоматизації, так як будь-яка інтегральна схема має
набагато меншим розміром в порівнянні з аналогами , виконаними на базі простих
транзисторів. Подальший розвиток вони отримали у вигляді мікропроцесорів , що
поєднують в собі можливості безлічі різних інтегральних схем усередині одного
невеликого корпусу. Їх поява ознаменувала масовий розвиток цифрової техніки і
автоматизацій на її основі. Наступним кроком стало виготовлення
мікроконтролерів , які є ще більш складним пристроєм , що представляє собою
міні-комп'ютер зі своєю власною внутрішньою пам'яттю і деякими периферійними
пристроями , при збереженні настільки ж малих розмірів , простоти використання
і збільшенні функціональності в порівнянні з мікропроцесорами . Володіючи таким
поєднанням і порівняно не високою вартістю , мікроконтролери швидко набули
великої популярності в області автоматики: практично всі сучасні побутові або
промислові пристрої сконструйовані на їх основі.
1. Опис принципової електричної
схеми
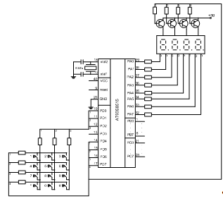
Принципова електрична схема пристрою
зображена на рис. 1.1
Рис . 1.1 - Принципова електрична
схема блоку клавіатури і індикації
На малюнку представлена принципова
електрична схема годинника. Мікроконтролер є основною і єдиною мікросхемою ,
використовуваної у даній розробці . Для завдання тактової частоти контролера
використовується кварцовий резонатор на 8 МГц. В якості пристрою відображення
використані чотири індикатори червоного кольору світіння із загальним анодом ,
кожен індикатор містить 8 сегментів. Індикація поточного часу здійснюється
динамічно, в даний конкретний момент часу відображається лише одна цифра, що
дозволяє значно знизити апаратні витрати. Аноди кожної з чотирьох цифр є
роздільними, що дозволяє в даний момент часу підключити до джерела живлення
тільки один анод і відобразити одну цифру. Для цього годинник має чотири
транзисторних ключа. Ключі управляються мікроконтролером, причому відповідний
ключ відкритий, якщо на виведенні контролера присутній логічний нуль.
Однойменні сегменти всіх чотирьох цифр з'єднані разом і через струмообмежуючі
резистори підключені до висновків порту " А" ( висновки PА.0 ... PА.7
) . Керуюча програма один за іншим підключає розряди індикатора до джерела
живлення і одночасно на відповідні висновки порту "А" виставляється
код відображуваного числа. Оскільки сканування індикатора відбувається дуже
швидко, мерехтіння цифр стає непомітним. Як видно зі схеми, лінії сканування
клавіатури і індикації загальні, що дозволяє зменшити число використовуваних
висновків. Живиться годинник від стабілізованого джерела живлення напругою 5В.
Відразу після включення таймера програма дозволяє переривання, налаштовує порти
контролера відповідним чином і встановлює покажчик стека на старші адреси
внутрішньої пам'яті даних. Далі програма переводить пристрій в режим годинника
і запускає цикл сканування клавіатури, індикатора і цикл відліку часу. Основою
програми є обробник переривань від таймера.
2 . Опис алгоритма програми
Програма організована з
використанням переривань за таймером 0 , який тактується системної частотою
поділеної на 256. Таймер попередньо завантажується числом 100, що задає період
генерації переривань по переповненню таймера кожні 5 мс, забезпечуючи високу
точність ходу годинника, за умови використання якісного кварцового резонатора.
При використанні кварцового резонатора 8 Мгц тривалість циклу інструкції
дорівнює 0.125 мкс. З урахуванням цього, при записі числа n в регістр таймера 0
TCNT0 період його переповнення визначається за виразом:
(256-n)*256*0,125 мкс
Таким чином запис числа 100
забезпечить період переповнення 5мс з високою для рахунку реального часу
точністю :
(256-100)*256*0,125*
=4,992мс.
Вся програма розбита на
кілька частин - це основна програма і підпрограми переривання по переповнення
таймера / лічильника, рахунки часу, виведення на індикацію, сканування
клавіатури і аналізу натиснутої клавіші. В основній програмі налаштовується МК
і очікується переривання по переповнення таймера-лічильника де нарощується
лічильник спрацьовувань (коли його значення стане рівним 200, то це значить, що
пройшла 1сек і викликається підпрограма рахунки часу), викликаються підпрограми
виводу на індикацію і сканування (яка в свою чергу викликає підпрограму аналізу
натиснутої клавіші), а також реалізується механізм мигання вводиться сегмента
при установці початкового часу.
2.1 Використання ресурсів
Використання периферійних
пристроїв :
Таймер/ лічильник0 -
лічильник імпульсів з періодом 5мс;
ліній порту D - підключення
клавіатури 3х4 і керування анодами цифрових індикаторів;
ліній порту A - сегментні
лінії індикаторів;
ліній порту С - лінійка світлодіодів;
Використовувані регістри :-
використовується при роботі з таблицею даних, в ньому міститься лічену значення
з таблиці даних за адресою Z;- число секунд ;- число хвилин;- число годин;,
r27, r28 - використовується для брязкоту в підпрограмі для сканування
клавіатури;- лічильник таймера;- мінлива кнопки;, r11 - використовуються в
підпрограмі для сканування клавіатури;, r15 - використовується в підпрограмі
Klav, несуть в собі інформацію про хвилини і години;- число заданих хвилин;-
число заданих годин;- прапор першого запуску програми;- рядок світлодіодів;-
прапор завершення відліку заданого часу;- режим роботи таймера;- несе в собі
інформацію про місцеположення введення числа на індикаторі., r17, r30 -
використовуються в якості допоміжних.
Рис. 2.1.1 - Таблиця робочих
регістрів
.2 Основна програма
При подачі живлення і
виконанні умов скидання виконується процедура скидання (Reset) для
ініціалізації системних пристроїв. В якості зовнішнього переривання використовується
переривання Int1, яке дозволяє відстежувати зміну сигналу на виведення PD.3.
Стандартне ім'я переривання - External_1. Для дозволу цього переривання
необхідно встановити в "1" сьомий біт ("int1") регістра
маски переривання GIMSK. Біти управління видом сигналу переривання 1 (Interrupt
Sense Control - ISC11 і ISC10) в регістрі управління процесора MCUCR
визначають, чи активізується зовнішнє переривання по зрізу (фронту) імпульсу
або за рівнем на контакті PD.3. У даній роботі переривання активізується по
фронту сигналу, тобто біти ISC11 і ISC10 встановлені в "1" (так
фіксується факт віджимання кнопки). При виникненні події, що викликає
переривання, в регістрі основних прапорів переривання GIFR встановлюється в
логічну одиницю біт INTF1. Лінії портів налаштовуються на потрібні рівні. Порт
А необхідно налаштувати на вихід, старшу тетраду порту D на вихід і молодшу на
вхід. Старша тетрада порту D використовується і для реалізації індикації. Тобто
подаючи на один з цих виходів логічний "0" сканується клавіатура і
одночасно запалюється потрібний індикатор. Порт С налаштовується на вихід.
Висновок PD3 налаштовується на введення з підтяжкою. Далі обнуляються
використовувані в програмі регістри або заносяться до них потрібні значення.
Налаштовуються таймери і заносяться потрібні значення в регістри управління МК.
Переривання по переповненню таймера стає активним після дозволу глобальних
переривань. Далі програма зациклюється, і в цьому випадку вся обробка буде
відбуватися по перериванню таймера 0.
.3 Підпрограма обробки
переривання таймера
У Algorithm Builder це
підпрограма з ім'ям Timer_0_Overflow (ріс.2.4.1). Виклик цієї підпрограми
здійснюється при переповненні таймера/лічильника. В якості таймера в даному
випадку може бути використаний наявний в мікроконтролері AT90S8515 таймер_0.
При виборі частоти тактування CK/256, де СК - частота тактового генератора
рівна 8 МГц, період переповнення дорівнює 8.192 мс. Для отримання часу
переповнення в 5 мс необхідно в регістр TCNT0 занести число $ 64 (100),
виходячи з таких міркувань:
Тпереп = 256×(256-N)×
=256×(256-100)
×
»5 мс.
При вході в цю підпрограму
необхідно реалізувати збереження важливих змінних і регістра прапорів SREG в
стеку, а при виході з неї відновити ці значення. Тепер можна організувати
лічильник, який фіксуватиме число входів в дану п /п. Коли цей лічильник стане
рівним 200, це означатиме, що пройшла 1с ( 200 * 5мс = 1с ) і при цьому
необхідно збільшити поточне значення секунд на 1. Даний лічильник можна
використовувати в п/п рахунку часу. Потім необхідно реалізувати виклик
підпрограм рахунку часу , якщо ми знаходимося не в режимі введення, сканування
клавіатури і виведення на індикацію.
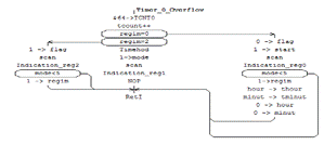
.4 Підпрограма обробки
переривання таймера 0. Режими роботи пристрою
У Algorithm Builder це
підпрограма з ім'ям Timer_0_Overflow. Виклик цієї підпрограми здійснюється при
переповненні таймера/лічильника 0, в нашому випадку кожні 5мс. Роботу пристрою
можна розділити на 3 режиму:
Рис . 2.4.1 - Підпрограма
Timer_0_Overflow
Кожні 5 мс лічильник tcount
інкримінується. Режим 0 - введення часу годин, блимають розряди по черзі в
залежності від змінної mode . При mode = 1 блимає 1 розряд, очікується введення
десятків годин, mode = 2 - введення одиниць годин, mode = 3 - введення десятків
хвилин, mode = 4 - введення одиниць хвилин.
Режим 1 - годинник працює ,
блимає 8-й сегмент 2-го розряду.
Режим 2 - Таймер закінчив
відлік часу. Блимають всі 4 розряду і строка світлодіодів.
. ПІДПРОГРАМИ ІНДИКАЦІЇ
Динамічна індикація
здійснюється наступним чином: спочатку в порт А виводиться код, який запалює
сегменти індикатора, при яких світиться необхідна цифра (0 , 1 , 2 ...) і
відкривається перший транзисторний ключ, шляхом посилки 0 в PORTD.4. При цьому
буде відображатися тільки перший розряд індикатора. Через 5 мс необхідно
закрити перший транзисторний ключ, вивести в порт А код, який відповідає цифрі,
виведеної на другий розряд і відкрити другий розряд індикатора. Далі ця
процедура транзисторний ключ. При цьому буде відображатися тільки повторюється
для кожного розряду і після відображення четвертого розряду знову виводиться
перший розряд. Таким чином, час оновлення кожного розряду становить 5мс * 4 =
20 мс, при такій частоті відновлення людське око не помічає мерехтіння і
сприймає індикацію як статичну.
Для виконання цих дій
доцільно використовувати вже налаштований раніше таймер на 5 мс. Тому в
підпрограмі обробника переривання по переповненню таймера будемо викликати
функцію, яка і буде виконувати всі перераховані вище дії.
Для режимів існує 3
підпрограми для виведення на індикатор.
Рис.2.5.1-Підпрограма
Indication_reg1
Рис.2.5.2-Масив codetable
Розглянемо підпрограму
Indication_reg1. Використовується для режиму 1. Виводить на всі розряди
індикатора значення десятків і одиниць хвилин і годин, а також кожну секунду
блимає 8-й сегмент 2- го розряду. Робота з масивом codetable (рис. 2.5.2)
здійснюється за допомогою наступноі послідовності команд.
Спочатку визначаться адреса
пам'яті, за якою розташований масив. Для цього використовується регістр Z, який
виступає в якості індексу масиву. Потім знаходиться індекс необхідного елемента
з масиву шляхом складання з регістром Z робочого регістра r16 або r17 (залежно
одиниці вводяться або десятки), в якому записано номер натиснутої клавіші. За
допомогою команди LPM в регістр r0 завантажиться байт з програмної пам'яті за
адресою Z. Тобто в r0 запишеться елемент масиву, відповідно до індексу.
Наприкінці записується інформація з регістра r0 в клітинку активного розряду.
Визначення осередку оперативної пам'яті, яку необхідно вивести на активне
знакомісце, здійснюється наступним чином. Усього ми маємо 4-ри осередки, які
відповідають 4 - м розрядам індикатора. Тому якщо активний перший розряд,
необхідно виводити першу клітинку, другий - другу і т.д. Це досягається
наступним: в регістр Х записується адреса нульової комірки масиву indktr. До
нього додається номер поточного активного знакомісця stroka. Номер має значення
від 0 до 3, що дозволяє безпосередньо його використовувати у визначенні адреси
комірок (додавши до адресою 0, що відповідає першому активному знакомісцю,
отримаємо адресу першого значення в масиві, 1 - друге і т.д.). Далі отримуємо
безпосереднє значення, збережене в масиві, і переписуємо його в порт А.
Рис.2.5.3-Підпрограма
Indication_reg0.
Розглянемо підпрограму
Indication_reg0. Використовується для режиму 0, при введенні значень годин воно
виводить його на індикатор , з миготливим знакомісцем. У цій підпрограмі все
відбувається також , як і в попередній, тільки додаються умови на миготіння
знакомісця кожну секунду.
Умови полягають у тому, що
залежно від активного знакомісця (йому відповідає своє значення регістра mode)
блимає число для запису: 200 циклів підпрограми Timer_0_Overflow лічильник
tcount обнуляється, для мигання активного знакомісця на індикаторі (коли 101
< tcount <200, то нічого не горить на індикаторі, якщо 0 < tcount <
101 то горить те число, яке було записано в цю змінну).
Рис. 2.5.4-Підпрограма
Indication_reg2
Розглянемо підпрограму
Indication_reg2. Використовується для режиму 2. При завершенні відліку часу
таймером, починають мигати всі 4 знакомісця кожну секунду. Блимає 8-ий сегмент
2-го розряду. Так само блимає рядок світлодіодів. Миготіння відбувається
аналогічним чином як і в підпрограмі Indication_reg0. Миготіння триває до переходу
в інший режим.
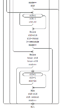
2.6. Підпрограми рахунку часу
Рис.2.6.1 - Підпрограма
рахунки часу Timehod
таймер
мікроконтролер клавіатура регістр
У цій підпрограмі в регістрі
r1 (seconds) міститься число секунд , в r2 (minut) - число хвилин і в r3 (hour)
- число годин. r9 (tcount) - це лічильник, який інкриментується щоразу при
виклику підпрограми по переповненню таймера 0, тобто r9 збільшується кожні 5
мс. Таким чином, коли r9 досягає 200 (проходить 1 сек) відбувається збільшення
поточного числа секунд на 1. Також виконується перевірка секунд на рівність 60
і, якщо необхідно, збільшуються хвилини та години. Так само відбувається
перевірка на досягнення таймера заданого часу. Якщо заданий час досягнуто, то
відбувається перехід в 2-ий режим.
При організації індикації
існує наступна проблема: у r3 зберігається поточне число годин у двійковому
вигляді. А необхідно окремо виводити число десятків і число одиниць на перший і
другий розряди індикатора. Щоб розділити десятки і одиниці числа r3 потрібні
дві наступні підпрограми.
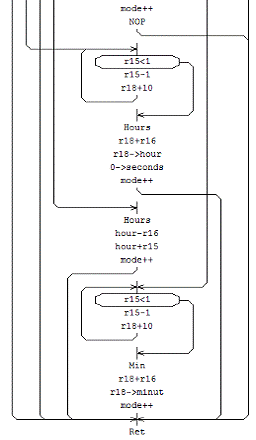
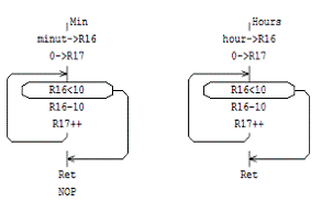
Рис.2.6.2 - підпрограми
поділу десятків і одиниць Hours and Min
У даних підпрограмах
використовуються допоміжні регістри r16 і r17. У r17 будуть міститися десятки,
а в r16-одиниці. У r3 (hour) вихідне число годин, в r2 (minut) вихідне число
хвилин.
.7 Опитування клавіатури
Клавіатура сканується за
допомогою логічного "0", який подається на відповідну лінію при
виведенні на індикацію . Далі потрібно опитати 3 молодших розряди порту D, і
якщо один з них дорівнює "0", то це є ознакою натиснення відповідної
кнопки. У цій підпрограмі також потрібно реалізувати процедуру антибрязкіту.
На рис. 2.7.1 зображений
брязкіт контактів при натисканні на кнопку. Як видно з малюнка в результаті брязкоту
контактів кнопки відбувається імітація її багаторазового натискання. Для того
щоб уникнути неправильного декодування, зчитування скан-коду проводиться через
деякий час після фіксації факту зміни стану .
Рис. 2.7.1 - Брязкіт
контактів
Рuс.2.7.2 - Підпрограма scan
На рuc.2.7.2 зображена
підпрограма scan. Ця підпрограма викликається кожні 5 мс. Робота її полягає в
тому, щоб посилати на кожний рядок клавіатури ( 1-2-3 , 4-5-6 , 7-8-9 , * -0 -
# ) сигнал, а потім підпрограма Oproskl буде сканувати стовпець клавіатури, і в
залежності від того з якого номера прийде сигнал програма буде знати, що в
такому-то стовпці і в такому-то рядку натиснута кнопка. Кожні 5 мс значення
регістра r10 (stroka) збільшується на 1 поки не дійде до значення 4, потім він
дорівнюватиме нулю. Щоразу перевіряється, якщо значення r10 (stroka) дорівнює
0, то посилається сигнал на перший рядок клавіатури, якщо 1, то на другий рядок
і т.д.
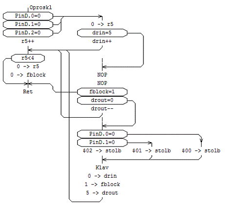
Рис.2.7.3 - Підпрограма
Oproskl
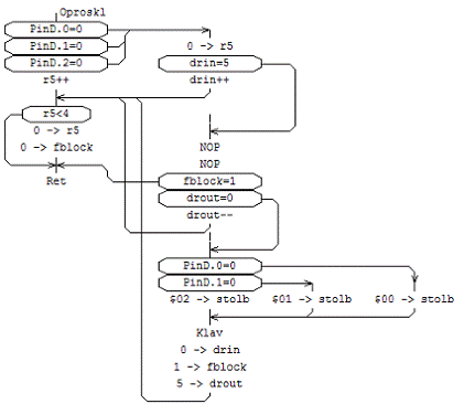
На ріс.2.7.3 зображена
підпрограма Oproskl . У цій підпрограмі перевіряється порти D.0, D.1, D.2 (чи
натиснута кнопка на клавіатурі ). Якщо натиснута, то 0 записується в r5, це
означає, що одна з клавіш була натиснута. Далі ми робимо умову, щоб регістр r6
(drin) чотири рази збільшився на 1 це дасть нам час в 20 мс - перевірка на
брязкіт. Далі йде перевірка не натиснута чи ще якась кнопка - регістр r28
(fblock). Йде перевірка на віджаття. Це займає ті ж 20мс. Якщо всі ці перевірки
пройдуть, то ми записуємо значення в регістр r11 (stolb) відповідне до номера
опитуваного порту. Тобто в програмі scan ми знаходили рядок клавіатури, а тут
стовпець, так ми можемо визначити: на яку клавішу натиснули. Викликаємо підпрограму
Klav, присвоюємо регістрам потрібні значення. Наприкінці підпрограми йде
перевірка на натискання більше 1 кнопки. І так для кожного опитуваного порту.
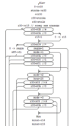
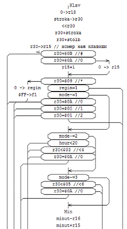
Рис.2.7.4-Підпрограма Klav
У підпрограмі Klav спочатку в
r30 записується значення натиснутою клавіші. Потім перевіряємо на натискання
«0», якщо він натиснутий то присвоюємо r15 = 0, інакше додаємо до r15 одиницю.
Після перевірки на натискання нуля йде перевірка на натискання на «*». Якщо
натиснута «*», то r25 (regim) присвоюється 0. Далі йде перевірка регістра r29
(mode): залежно від того в якій розряд індикатора вводиться значення з
клавіатури. Якщо в даний момент вводяться десятки годин, то ми можемо ввести
тільки 0, 1, 2. Тому варто умова на перевірку натискання цих клавіш. Якщо
натиснуті вони, то до r18 додається потрібну кількість разів число 10, і, після
виділення підпрограмою HOURS одиниць (r16), додаємо до r18 регістр r16, і
записуємо r18 в r3 (hour), обнуляється r1 (secund), інкриментується r29 (mode).
Після збільшення r29, коли в підпрограму заходимо вдруге, то працюємо з
одиницями годин. Далі йде робота з десятками хвилин і з одиницями хвилин.
3. Додаткове завдання
Додаткове завдання
реалізовано у вигляді підпрограми, яка виконує поставлене завдання.
Рис.3.1 - Підпрограма
блимання точок
Виведення сигналу на лінійку
світлодіодів у виконуваній роботі запропоновано виробляти по перериванню
таймера/лічильника1. Зарезервоване ім'я підпрограми обробки переривання по
переповненню таймера/лічильника 1 - Timer_1_Overflow. Блимання точок-парних і
непарних-на лінійці світлодіодів відбувається через кожні 0,5 с.
Висновок
У результаті даної курсової
роботи була розроблена програма для роботи таймера прямого рахунку з режимом введення
на базі мікроконтролера AT90S8515 за допомогою графічної середовища розробки
Algorithm Builder. У роботі були використані методи динамічної індикації,
механізм переривань і невелика кількість підпрограм, для спрощення компонування
програми.
В ході написання програми, її
було розділено на окремі блоки. Це дає змогу більш простіше аналізувати роботу
розробленої програми та вносити корегування або зміни.
Використання універсального
мікроконтроллера при реалізації електронного таймеру істотно спростило його
схемотехнічну реалізацію. За рахунок цього знижується вартість, розміри
пристрою, стає простішим процес модернізації пристрою.
Список використаної
літератури
1.
Методичні вказівки по курсовому МК;
.
Евстіфеев А.В. Мікроконтролери AVR сімейства Classic фірми Atmel, М.-2006;
.
AT90S8515 datasheet.
Додаток А
Лістинг програми в Algorithm Builder

