Расчет основных параметров коммутируемой сети
Содержание
Введение
Задача 1
Задача 2
Задача 3
Задача 4
Задание 5
Заключение
Список
литературы
Введение
Целью работы является расчет основных параметров коммутируемой сети:
разработка схем организации связи коммутационных станций, каналов, децентрализованных
и централизованных систем сигнализации и синтез модулей цифровой коммутации.
Задача курсовой работы заключается в закреплении навыков расчета основных
параметров коммутируемой сети. Кроме того, в процессе выполнения изучается
справочная литература по теории коммутируемой телекоммуникационной сети,
закрепляются навыки выполнения технических расчетов с использованием
персональных ЭВМ. Также имеет место и отработка, таких необходимых в
инженерской деятельности навыков, как изложение результатов технических
расчетов, составление и оформления технической документации и др.
Задача 1
Разработать схему организации связи двух зон, присвоить коды зонам и
местным сетям в составе зон. Привести примеры структуры сети и планов нумерации
для одной из ГТС и одной из СТС, указав местные и междугородные номера
абонентов. Пояснить структуру местных и междугородных номеров. Составить
структурную схему соединительного тракта между двумя абонентами ГТС разных зон.
Пояснить распределение адресной информации. Перечислить возможные варианты
установления соединения между абонентами разных зон.
Исходные данные:
|
Вариант
|
Количество ГТС в зоне
|
Количество СТС в зоне
|
|
08
|
3
|
4
|
Решение задачи:
. Разработка схемы организации связи зон ГТС и СТС.
Согласно указанию, в зоне ГТС 3 станций, в зоне СТС - 4
Сеть ГТС построена по принципу районированная ГТС со связью РАТС по
принципу «каждая с каждой», являющихся коммутируемыми узлами для концентрации
нагрузки. В данном случае зона делится на узловые районы, каждый из которых
имеет свою нумерацию. Внутри узлового района РАТС связываются по принципу
«каждая с каждой».
Сеть СТС построена по радиальному принципу. Основой сети СТС является
центральная станция (ЦС), в которую включаются линии от вышестоящей АМТС и
оконечных станций (ОС). Оконечные станции включаются в ЦС. Оконечная станция
предназначена для подключения абонентов.
В целом, две сети образуют внутризоновую телефонную сеть. Коммутационным
центром сети является автоматическая междугородная телефонная станция (АМТС),
через которую осуществляется выход на другие внутризоновые сети, а также связь
внутри зоны между местными станциями.
В АМТС включается центральная станция (ЦС) сельской сети и РАТС городской
сети. РАТС соединяются с АМТС через узлы городской сети (УВС). Между местными
сетями и АМТС имеются соединительные линии:
- исходящие - заказно-соединительные линии (зсл) в направлении
к АМТС;
- входящие - соединительные линии междугородные линии (слм) от
АМТС к местным сетям.
Также возможны другие варианты построения сети ГТС, такие как
районированная, с узлами исходящих и входящих сообщений (УИС и УВС).
Что касается сетей СТС, то возможны также радиальный-узловой способ
построения и комбинированный.
Выбор варианта сети зависит от абонентской емкости и размеров
обслуживаемой территории, а также количества затрат на линейные сооружения.
Проектируемая схема связи приведена на рисунке 1.
Рисунок 1 - Схема организация связи на ГТС и СТС
. Разработка планов нумерации
Приведем планы нумерации для одной из ГТС и одной из СТС, указав местные
и междугородные номера абонентов.
|
План нумерации для РАТС на ГТС
|
РАТС 33
|
|
Шаблон
|
Х2
|
Х3
|
Х4Х5Х6Х7
|
Х2 - код УВС; Х3 - номер РАТС в УВС; Х4 Х5 Х6 Х7 - номер
АЛ.
|
|
РАТС33
|
3
|
3
|
0000-9999
|
1 - код УВС; 3 - номер РАТС в УВС; 0000 - 9999 - номер АЛ.
|
|
ОС45
|
|
|
Шаблон
|
Х2Х3
|
Х4Х5Х6
|
Х2 Х3- код ЦС; Х4 Х5 Х6 - номер АЛ.
|
|
|
ОС45
|
45
|
000-999
|
45 - код ЦС; 000 - 999 - номер АЛ.
|
|
|
|
|
|
|
|
|
|
|
|
|
План нумерации междугородняя
|
РАТС 33
|
|
|
Шаблон
|
8
|
АБВ
|
Х1
|
Х2Х3Х4Х5Х6 Х7
|
8 - Выход на междугороднюю АТС А Б В - код зоны; Х1- код
местной сети; ХХХХX - номер
абонента на местной сети.
|
|
РАТС 33
|
8
|
343
|
4
|
130000-139999
|
|
|
|
|
|
|
|
|
|
План нумерации междугородняя
|
ОС45
|
|
|
Шаблон
|
8
|
АБВ
|
Х1Х2
|
Х3Х4Х5Х6Х7
|
8 - Выход на междугороднюю АТС А Б В - код зоны; Х1Х2- код
местной сети; ХХХХX - номер
абонента на местной сети.
|
|
ОС45
|
8
|
343
|
44
|
45000- 45999
|
8 - Выход на междугороднюю АТС; 343 - код зоны 44 - код
местной сети; 45 00 0-45 99 9 - номер абонента на местной сети.
|
|
|
|
|
|
|
|
|
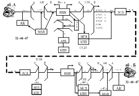
. Структурная схема соединительного тракта
Приведем структурную схему соединительного тракта между двумя абонентами
ГТС разных зон.
Если абонент вызывает станцию, то сработавшее в АК линейное реле создает
цепь занятия маркера блока АВ и последний осуществляет свободное искание. В
результате вызывающая АЛ через блок АВ подключается к свободному ИШК. Затем
маркер блока МРИА выбирает свободный абонентский регистр АРБ, откуда абонент
получает сигнал «Ответ станции» и приступает к набору номера.
В процессе приема номера анализируется код станции с применением АКС
(анализаторы кода станции), и, поскольку в данном случае он соответствует своей
АТС, соединение начинается только после фиксации всех цифр номера. При этом к
регистру с помощью маркера кодовых приемников МКП подключается один из КПП,
обслуживающих статив регистров. Затем АРБ через ИШК отмечает плюсом вход блока
I ГИ, по которому устанавливается соединение.
Эта адресная информация принимается МГИ и используется для включения,
соответствующего реле направления. Последнее подключает для пробы 20 исходящих
линий к ступени II ГИ своей станции. Из комплекта РСЛ создается цепь занятия
маркера II ГИ, который посылает в АРБ частотный сигнал запроса «Передать следующую
цифру частотным способом». Получив цифру тысяч, маркер блока II ГИ выбирает
требуемое направление к тысячной абонентской группе и свободному доступному ВШК
(или РСЛ, если выбрано направление к подстанции ПСК или УПАТС. Цифра сотен
используется для выбора нужного сотенного блока АВ, а цифры десятков и единиц
передаются из МСД в МАВ многопроходным способом кодом «1 из 10» для выбора
вызываемой АЛ. Линейное искание на ступени АИ осуществляется совместно маркером
МСД и МАВ.
Если АЛ свободна, то полностью устанавливается соединение на ступени АИ,
освобождаются все управляющие устройства, а информационные сигналы посылки
вызова и КПВ посылаются из ВШК. После ответа вызываемого абонента
устанавливается разговорный тракт.
Структурная схема разговорного тракта приведена на рисунке 2.
Рисунок 2 - Схема организации связи в узле РАТС 31
4. Возможные варианты установления соединения
Для соединения между абонентами разных зон сети возможны варианты:
· РАТС-АМТС-УВС-РАТС;
· РАТС-РАТС;
· РАТС-АМТС-ЦС-ОС;
· ОС-ЦС- ОС;
· ОС- ЦС-АМТС- РАТС.
Задача 2
Разработать фрагмент федеральной сети, показав подключение заданной СПС.
Составить план нумерации для абонентов СПС, если известна точка доступа MSC (MTX) к ТФОП. Указать местные и полные номера абонентов
сети СПС.
Исходные данные:
|
Вариант
|
Стандарт
|
Статус сети СПС
|
Радиус, R (км)
|
Повторяемость ячеек, С
|
|
08
|
NMT
|
УПАТС
|
1,4
|
4
|
Решение задачи:
Разработанная сеть СПС приведена на рисунке 3.
Рисунок 3 - Фрагмент схемы организации связи на базе местной сети
Сотовые сети имеют радиальный или радиально-узловой принцип построения, в
их состав входят три вида станций:
1. ТФОП - телефонная сеть общего пользования ;
2. MSC- (Mobile Service Switching Sentre) - Центральная
коммутационная станция СПС;
. АМТС - автоматическая междугородняя телефонная станция;
. АТС - автоматическая телефонная станция;
. УПАТС - учрежденческо - производственная автоматическая
телефонная станция;
. Параметры сети СПС
При создании сети СПС важным вопросом является определение оптимальных
размеров ячейки, т.е. размеры зоны обслуживания одной BS. Этот вопрос связан с
выбором частот для ячейки. Для исключения взаимного влияния BS в смежных ячейках
устанавливаются разные диапазоны рабочих частот. Для двух BS может быть
установлен один и тот же частотный диапазон, если они удалены друг от друга на
расстояние D, называемое защитным интервалом. Количество BS, для которых
установлены разные диапазоны различных частот и которые являются смежными,
называется повторяемостью использования ячеек и обозначается через С.
Соотношение между С и D зависит от формы ячейки, которая определяется способом
размещения антенны на BS ее видом. Оптимальным считается соотношение при
шестиугольной форме. Группа ячеек с различными наборами частот называется
кластером.
. План нумерации
В соответствии с принципами создания ВСС России и рекомендациями МСЭ и ETSI нумерация абонентов сотовой сети
должна входить в план нумерации ТФОП.
Полный номер абонента сотовой сети должен иметь стандартную форму:
DEFx1x2x3x4x5
На федеральной сети подвижной связи за сетями стандарта NMT - 450 закреплен код 901, GSM - код 902.
Знаки DEF - негеографический код, определяющий
принадлежность к сети определенного стандарта.
Нумерация абонентов региональных сетей назначается из номерной емкости
местных телефонных сетей, в пределах которых создается СПС.
В данной задаче так как сеть NMT то код DEF = 901.
Выносной блок на несколько тысяч номеров имеет следующую нумерацию:
-901-33-40000
-901-33-43999
Структура: DEFx1x2x3x4x5
. Расчёт величины защитного интервала
В зависимости от радиуса и повторяемости ячеек величина защитного
интервала определяется по формуле
Где R - радиус зоны обслуживания БС (км),
Подставим значения и произведем вычисления
Для городов с высокой плотностью населения уменьшение радиуса ячейки
увеличивает количество прерываний связи при перемещении АС из одной ячейки в
другую (длительность одного прерывания от 300 - 800 мс, на один вызов в среднем
приходится от 2 до 4 прерываний). Для телефонной связи такие прерывания
практически не заметны. Однако при передаче данных они приводят к значительным
потерям информации.
Задача 3
Разработать схему организации связи сети ОКС № 7 для заданной ГТС и
рассчитать потребное число звеньев для одного из оконечных пунктов
сигнализации. Привести пример этикетки маршрутизации MSU для одного из сигнальных соединений в сети ОКС.
Исходные данные:
|
Вариант
|
08
|
|
Ёмкость ГТС, тыс. ном.
|
360
|
|
Кол-во АТСЭ емкостью 10 000 номеров
|
22
|
|
Кол-во MSU
для одного соединения
|
10
|
|
Длина MSU
|
12
|
|
Среднее время распространения сигналов по ОКС, мс
|
10
|
|
Среднее время обработки сообщений на стороне SPB(SPA), мкс
|
60
|
|
Суммарная нагрузка в одном направлении связи, Эрл
|
54
|
|
Средняя продолжительность занятия Информационного канала, с
|
110
|
Решение задачи:
. Разработка схем организации ОКС № 7
Исходя из заданной емкости городской телефонной сети 360 000 номеров и
максимальной емкости АТС в 10 000 номеров следует, что для построения данной
сети требуется 36 АТС. Из них по условию 22 АТС электронные. Остальные 14 АТС
координатной системы.
При емкости сети в 360000 номеров сеть строится с УВС. Для данного случая
сеть будет разделена на 4 узловых района. По возможности в узловые районы
объединяют АТС одной системы и для УВС применяется оборудование той же системы.
Электронные системы всегда образуют самостоятельные узловые районы со своими
УВСЭ. Поэтому будет 4 узловых района по 5 и 6 электронных АТС в каждом
соответственно , и 2 узловых района по 7 координатных АТС в каждом При емкости
сети в 360000 номеров будет использоваться 6-ти значная нумерация:
Х2Х3Х4Х5Х6 Х7
Где Х2Х3 - индекс АТС.
При построении сети ОКС №7 на ГТС следует иметь ввиду, что сеть ОКС №7
должна быть в основном связанной. Квазисвязанный способ должен быть
предназначен для работы в аварийном режиме или при перегрузках, поэтому всегда
должны предусматриваться альтернативные сигнальные маршруты. На ГТС с
узлообразованием, внутри каждого узлового района, между электронными АТС должны
быть организованы прямые звенья сигнализации. Прямые звенья ОКС № 7 могут быть
организованы и между электронными АТС разных узловых районов при наличии
достаточной нагрузки.
Схема организации связи сети ОКС № 7 приведена на рисунке 4.
Рисунок 4 - Схема организации связи сети ОКС № 7
Система сигнализации ОКС №7 используется на электронных АТС.
Координатные АТС данную систему сигнализации не поддерживают. Поэтому
сеть связи ОКС №7 будет строиться только в 1,2 и 3 узловых районах. Между
электронными станциями внутри каждого узлового района должны быть организованы
прямые сигнальные маршруты. Необходимо предусмотреть альтернативные сигнальные
маршруты на случаи аварии или перегрузок.
Схема организации связи сети ОКС № 7 для заданной ГТС будет иметь вид,
приведенный на рисунке 4.
. Расчет времени передачи одной значащей СЕ (MSU) заданной длины и
одной заполняющей СЕ (FISU) длиной 7 байт.
Расчет времени передачи MSU и FISU производить для канала со скоростью
передачи 64 Кбит/с:

Где V- скорость передачи 64 Кбит/с;- длина заполняющей сигнальной единицы
в байтах;- длина значащей сигнальной единицы в байтах.
. Расчёт времени передачи заданного числа MSU для одного
соединения в случае отсутствия искажений:
Тп = Мзп×(2×Тзп + 2×Тзп + 2×Тр + 2×То)
Где Мзп - количество значащих СЕ для одного соединения;
Тзп,Тзп - соответственно время передачи одной заполняющей СЕ;
Тр- время распространения сигналов по ОКС;
То- время обработки сообщений на стороне SPB (SPA).
Подставим значения и произведем вычисления:
Тп = 10×2·(1,5·10-3
+ 0,854·10-3 + 10·10-3 + 60·10-6) = 248,6мс.
. Расчёт интенсивности MSU:
5.
. Расчёт числа сигнальных сообщений в направлении
Где yi - суммарная исходящая и входящая нагрузка направления;- средняя
продолжительность занятии информационного канала;
Мзп - число MSU, передаваемых для одного соединения.
Подставим значения и произведем вычисления:
. Расчёт числа звеньев сигнализации (SL) для одного из оконечных
пунктов (SPi)
Подставим значения и произведем вычисления
Произведен расчёт числа звеньев сигнализации сети ОКС №7 и разработана
схема организации связи сети ОКС №7.
. Этикетка маршрутизации MSU для направления STP17 - АМТС в междугороднем направлении
Код пункта сигнализации на междугородной сети РФ состоит из двух полей:
- КСЗ - Код Сигнальной Зоны (8 бит),
- КПЗ - Код Пункта в Зоне (6 бит).
Сигнальные зоны, а соответственно и КСЗ, закреплены за МЦК
(международными центрами коммутации).
Рисунок 5 - Формат этикетки MSU в направлении SP17 -
АМТС
Задача 4
Выполнить синтез модуля пространственной коммутации (МПК) с
использованием заданной элементной базы. Пояснить работу МПК при коммутации
заданных каналов.
|
Вариант
|
Метод декомпозиции
|
Параметры МПК NxM
|
Тип избирательной схемы
|
Коммутация Ys
|
|
08
|
По входам
|
16х32
|
1x32
|
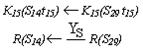
K15(S14,t15) K15(S29,t15)
|
Решение задачи:
1. Каждому
входному тракту поставим в соответствие логическую переменную
, а исходящему -
;
. Введём
обобщенную переменную
определяющую адрес коммутации канала.
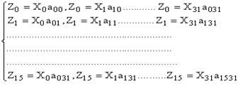
. Функция
пространственной коммутации:
Матрица
множества логических уравнений
Это
множество используется как основа для синтеза МПК различных структур. Наиболее
распространенные структуры получены методом декомпозиции по выходам и по входам
(в рассматриваемом случае - по входам). Каждый столбец определяет функции
выходов от переменной
входа. Разбиение производится по столбцам,
декомпозиция по входам .
Каждому
столбцу соответствует субмодуль, имеющий 16 входов и 32 выхода. При
декомпозиции по входам выбираем функции пространственной коммутации
. Содержащие переменные
одноименными индексами j.
Для
любого исходящего тракта можно записать
Это равенство справедливо для любого тракта, поэтому модуль можно описать
системой:
Структурный
эквивалент МПК строится в соответствии с уравнением (1). Функция
каждого тракта реализуется своим сибмодулем, поэтому
их число равно число исходящих трактов.
Реализацию
МПК при декомпозиции по входам осуществим посредством демультиплексора типа
1х32, который осуществляет коммутацию входного сигнала на тридцать два
выходных.
Длина
адреса равна
Следовательно
адрес является пятиразрядным.
Рис.6
Для укрепления МПК при декомпозиции по входам используем адресную
управляющую память (АЗУ), в которой каждый массив закреплен за одним
коммутатором.
В соответствии с исходными данными
Рисунок 7
Для демультиплексора адрес коммутации определяется по номеру входящего
тракта. Длина адреса равна
Следовательно
адрес является пятиразрядным.
Рисунок
8
Управляющее устройство, произведя выбор временных каналов, заполняет
ячейки адресных ЗУ. Запись адресов управления производится в ациклическом
режиме. Число строк (ячеек) управляющей памяти для МПК может быть определено из
выражения:
= 32·K
где
32 - объем одного массива;
К
- количество коммутаторов в блоке пространственной коммутации (количество
массивов в АЗУ).
=32·16 =
512
Если
соединительный путь через систему коммутации с общим управлением найден, то
устройство управления коммутационной схемой передает в систему информацию,
необходимую для выбора соответствующей точки коммутации. В нашем случае
управление организуется по входам коммутационной схемы. Коммутация заданных
каналов сводится к коммутации трактов в заданном временном интервале, адрес а =
11101(S29 ; 29=24 +23 +22 +20) подаётся на входы во временном интервале
, поэтому кодовая группа канала 15 - 0 входящего
тракта выставляется в четырнадцатый временной канал тринадцатого исходящего
тракта.
Задание 5
Выполнить синтез модуля временной коммутации (МВК) с использованием
заданной элементной базы. Рассчитать количество каналов, которое может
обслужить МВК при заданном быстродействии ЗУ и сделать вывод о возможности
использования указанной элементарной базы для реализации МВК.
Исходные данные:
|
Вариант
|
Параметры микросхемы ОЗУ
|
Параметры МВК NxM
|
|
Информационная емкость
|
Время обращения, нс
|
|
|
8
|
8192х1
|
150
|
512х512
|
Решение:
Временная
коммутация осуществляется в модуле временной коммутации МВК, который при
поступлении управляющей информации выполняет коммутацию канала
входящего тракта с любым каналом
исходящего тракта.
Существует
несколько вариантов организации МВК, но во всех случаях в его состав входят два
вида запоминающих устройств ЗУ.
1) информационное (речевое)
2) адресное (управляющее)
ЗУ реализуется на микросхеме полупроводниковых ОЗУ с произвольным
доступом.
Объём информационного ЗУ
- ячейки
где
N- число входящих трактов, n- число каналов
в тракте приёма.
Таким
образом, для реализации временной коммутации необходимо использовать 2 модуля 8
микросхем.
Адрес
ячейки ИЗУ соответствует порядковому номеру канала приёма.
ИЗУ
работает в двух режимах:
ИЗУ
последовательной
(циклической) записи и произвольного ?
(ациклического) чтения.
Объём
адресного ЗУ
Где
М- число исходящих трактов,
m- число каналов
в тракте передачи.
ячейки
Длина
адреса АЗУ
Разрядность
ячеек
Для
реализации временной коммутации необходимо использовать 2 модуля
Количество
микросхем 14
1 в одном модуле
Работа
блока временной коммутации заключается в циклической записи всех информационных
слов в порядке их поступления (т.е. в порядке следования каналов)и в считывании
этих слов во временном интервале, заданном управляющей программой с помощью адресной
памяти. УУ после выбора исходящего канала для дальнейшего установления
соединения в режиме (
?) заносит в ячейку АЗУ исходящего канала адрес ячейки
ИЗУ входящего канала, с которым производится коммутация.
Ячейки
ИЗУ заполняются информацией входящих каналов в режиме (
). Ячейки АЗУ «просматриваются» УУ в режиме (
). Если при обращении к ячейке АЗУ в ней
обнаруживается адрес , то по нему происходит обращение к ИЗУ и содержимое
ячейки ИЗУ выставляется в исходящую линию. Таким образом, информация входящего
канала выставляется в нужный исходящий канал.
Перенос
информации из канала приёма в канал передачи производится циклически до тех
пор, пока из ячейки АЗУ исходящего канала не будет стерт адрес ячейки ИЗУ
входящего канала.
Требования
к быстродействию МВК являются достаточно жесткими и для их удовлетворения
необходимо выбирать соответствующую элементную базу с высокими показателями по
быстродействию, либо применять структурные методы.
Одним
из основных требований к микросхемам ОЗУ, на которых строятся МВК, является
время обращения к памяти, определяющее частоту работы ЗУ. Реализация процесса
временной коммутации требует двух обращений к памяти в течении одного
временного интервала для каждого входящего и исходящего канала.
Тогда
время обращения к ЗУ (длительность цикла).
,
Где
- длительность цикла
n- количество
каналов в цикле
По
известному типу микросхемы можно определить количество каналов, обслуживаемых
при заданном быстродействии ЗУ:
каналов
Необходимо
построить МВК для обслуживания 8192 каналов.
Время обращения к ЗУ:
Этому
требованию не удовлетворяет заданная микросхема, поскольку при заданном
быстродействии способна обслуживать только 417 каналов.
Рисунок 9 - Структурная схема ИЗУ МВК.
Рисунок 10 - Структурная схема АЗУ МВК.
Заключение
Были рассчитаны основные параметры коммутируемой сети; разработаны схемы
организации связи коммутационных станций, каналов; децентрализованных систем
сигнализации и синтез модулей цифровой коммутации.
Выполнена основная задача курсовой работы - закрепление навыков расчета
основных параметров коммутируемой сети. Кроме того, в процессе ее выполнения
было продолжено знакомство с учебной и справочной литературой по теории
коммутируемой телекоммуникационной сети, закреплены навыки выполнения
технических расчетов с использованием персональных ЭВМ. А также имела место
отработка навыков изложения результатов технических расчетов, составления и
оформления технической документации.
цифровой
схема канал сигнализация
Список литературы
1. Абилов
А.В, Сети связи и системы коммутации -М: Радио и связь 2004
2. Бакланов
И.Г. NGN: принципы построения и организации.
- М.: ЭКО -ТРЕНДЗ, 2008
. Букрина
Е.В. Сети связи и системы коммутации /Учебное пособие. - Екатеринбург: УрТИСИ
ГОУ ВПО»СибГУТИ», 2007.
. Башлы
П.Н. Современные сетевые технологии. Учебное пособие. - М.: Горячая линия
-Телеком, 2006.
. Ромашова
Т.И. Система Si 2000 MSAN /Учебное пособие. - Новосибирск: СибГУТИ, 2008.
. Росляков
А.В. и др. Сети следующего поколения NGN - М.: ЭКО -ТРЕНДЗ, 2009.
. Баркун
М.А. Цифровые системы синхронной коммутации. - М.: ЭКО-ТРЕНДЗ, 2001.
. Булдакова
Р. А. Принципы построения цифровых коммутационных полей. Учебное пособие. -
Екатеринбург: УрТИСИ - СибГУТИ, 2002.
. Потаскуева
Л.П., Сети связи и системы коммутации. Методические указания по изучению
дисциплины и выполнению курсовой работы - Екатеринбург: УрТИСИ ГОУ ВПО
«СибГУТИ», 2007. - 61 с.