Разработка трёхчастотного генератора когерентных сигналов

  • Вид работы:
    Дипломная (ВКР)
  • Предмет:
    Информатика, ВТ, телекоммуникации
  • Язык:
    Русский
    ,
    Формат файла:
    MS Word
    1,21 Мб
  • Опубликовано:
    2014-03-12
Вы можете узнать стоимость помощи в написании студенческой работы.
Помощь в написании работы, которую точно примут!

Разработка трёхчастотного генератора когерентных сигналов



Разработка трёхчастотного генератора когерентных сигналов

1. Устройство для измерения абсолютных комплексных коэффициентов передачи и отражения СВЧ-устройств с преобразованием частоты

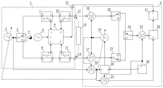
Для создания, испытания и настройки устройств, содержащих гетеродинные преобразователи частоты - смесители СВЧ широкое распространение получили радиоизмерительные приборы, состоящие из двухчастотного источника испытательных (зондирующих) сигналов СВЧ, имитирующих его входной сигнал и сигнал гетеродина, и двухканального супергетеродинного приёмника [10]. Схема подобного радиоизмерительного прибора, основанного на использовании анализатора цепей и двухканального супергетеродинного приемника для измерения параметров устройств с преобразованием частоты [9] изображена на рисунке 1:

Устройство для измерения параметров преобразователей частоты на рисунке 1 состоит из измерителя параметров четырехполюсников СВЧ 1 и двухканального супергетеродинного приёмника 2. В состав измерителя параметров четырёхполюсников СВЧ 1 входят: генератор испытательных СВЧ-сигналов 3, первый переключатель 4 и связанная с ним согласованная нагрузка 5, СВЧ-гетеродин 6, первый направленный ответвитель 7, второй направленный ответвитель 8, векторный вольтметр 9, третий направленный ответвитель 10, четвёртый направленный ответвитель 11, выходной контакт 12 векторного вольтметра 9, первый порт 13, второй порт 14. Между измерителем параметров четырёхполюсников 1 и двухканальным супергетеродинным приёмником 2 расположен испытуемый СВЧ-четырехполюсник 15. В состав двухканального супергетеродинного приемника 2 входят испытуемый СВЧ-смеситель 16, опорный СВЧ-смеситель 17, смеситель фазовой автоподстройки частоты 18, СВЧ-генератор 19, фазовый детектор 20, первый смеситель промежуточной частоты 21, второй переключатель 22, третий переключатель 23, четвертый переключатель 24, второй смеситель промежуточной частоты 25, генератор опорных частот 26, компьютер 27, компаратор 28.

Устройство на рисунке 1 работает следующим образом. Испытательный СВЧ-сигнал с частотой  от генератора испытательных СВЧ-сигналов 3 через переключатель 4 в первом положении его подвижного контакта, через основные каналы направленных ответвителей 7 и 10 и первый порт 13 подают на первый (сигнальный) вход испытуемого смесителя 16, на второй (гетеродинный) вход которого поступает СВЧ-сигнал с частотой  от СВЧ-генератора 19, выполняющего функцию гетеродина. Образованный в результате гетеродинного преобразования частоты сигнал разностной первой промежуточной частоты , в испытуемом СВЧ-смесителе 16 с его выхода три через переключатели 22 и 23 во втором положении их подвижных контактов, подают на выход три используемый как вход, опорного СВЧ-смесителя 17. В опорном СВЧ-смесителе 17, в результате сложения сигнала первой промежуточной частоты  с сигналом от СВЧ-генератора 19 с частотой , поступающим на второй вход опорного СВЧ-смесителя 17, получают сигнал, равный по частоте испытуемому СВЧ-сигналу , где на первом входе, используемом как выход СВЧ-смесителя 17. Этот сигнал с частотой  подают через второй порт 14 и основные каналы направленных ответвителей 11 и 8 на второй неподвижный контакт переключателя 4, к которому присоединяют согласованную нагрузку 5. На основании того, что испытуемый СВЧ-смеситель 16, имеющий фазовый сдвиг , и опорный СВЧ-смеситель 17, имеющий фазовый сдвиг , соединены последовательно, их фазовые сдвиги складываются. В результате чего получают общий фазовый сдвиг  между первым 13 и вторым 14 портами измерителя параметров четырёхполюсников СВЧ 1.

Рисунок 1 - Устройство для измерения абсолютных комплексных параметров СВЧ-смесителей

Аналогично перемножают коэффициенты передачи испытуемого СВЧ-смесителя 16,  и опорного СВЧ-смесителя 17, .

В результате этого получают общий коэффициент передачи (общие потери преобразования). Величину общего сдвига фаз  и общих потерь преобразования между первым 13 и вторым 14 портами регистрируют по разности сдвигов фаз и отношению амплитуд сигналов, поступающих со вторичных каналов первого направленного ответвителя 7 и четвёртого направленного ответвителя 11 на первый и четвертый векторного вольтметра 9. Результаты измерений общего коэффициента передачи  и общего сдвига фаз  с выхода векторного вольтметра 9, через контакт 12 подают на первый вход компьютера 27, где их фиксируют (записывают в его память).

Затем определяют отношение коэффициентов передачи и разность фазовых сдвигов испытуемого 16 и опорного 17 СВЧ-смесителей. Для этого измерения производят путем сравнения амплитуды и фазы испытательного сигнала с выхода три второго смесителя промежуточной частоты 25, образованного в результате двойного преобразования частоты испытательного СВЧ-сигнала сначала от испытуемого 16, а затем опорного 17 СВЧ-смесителей, с опорным сигналом третьей промежуточной частоты  в компараторе 28, с последующим вычислением отношения коэффициентов передачи и разности фазовых сдвигов испытуемого 16 и опорного 17 СВЧ-смесителей в компьютере 27. Двойное преобразование частоты применяют для того, чтобы сигнал первой переменной промежуточной частоты  преобразовать в сигнал третьей постоянной промежуточной частоты  и сравнение сдвигов фаз и разности амплитуд, с целью уменьшения погрешности измерений, проводить на постоянной, относительно низкой промежуточной частоте. Опорный сигнал третьей промежуточной частоты  получают из испытательного СВЧ-сигнала, с выхода генератора испытательных СВЧ - сигналов 3, путём двойного преобразования его частоты, сначала в первую промежуточную частоту  в смесителе фазовой автоподстройки частоты 18, а затем в третью промежуточную частоту  в первом смесителе промежуточной частоты 21, сигнал которой подают на второй вход компаратора 28. Для определения отношения коэффициентов передачи и разности фазовых сдвигов испытуемого 16 и опорного 17 СВЧ-смесителей испытательный сигнал первой переменной промежуточной частоты  подают сначала с выхода три испытуемого СВЧ-смесителя 16 на первый вход второго смесителя промежуточной частоты 25 в первом положении подвижного контакта третьего переключателя 22 и первом положении подвижного контакта четвертого переключателя 24, при измерении коэффициента передачи и сдвига фаз испытуемого СВЧ-смесителя 16. Затем испытательный сигнал первой переменной промежуточной частоты  с выхода три опорного СВЧ-смесителя 17 на первый вход второго смесителя промежуточной частоты 25, в первом положении подвижного контакта третьего переключателя 23 и втором положении подвижного контакта четвертого переключателя 24, при измерении коэффициента передачи и сдвига фаз опорного СВЧ-смесителя 17. Подвижные контакты второго 22 и третьего 23 переключателей переводят в первое положение. Учитывая, что после калибровки измерителя комплексных параметров СВЧ четырехполюсников 1 уровни амплитуд и разности фаз между его портами 13 и 14 равны между собой приписывают порту 13 амплитуду сигнала , а порту 14 амплитуду сигнала  и . Обозначают модуль коэффициента передачи испытуемого СВЧ-смесителя , его истинный сдвиг фаз , модуль коэффициента передачи опорного СВЧ-смесителя , его истинный сдвиг фаз , модуль коэффициента передачи смесителя промежуточной частоты    , а его истин-ный сдвиг фаз . Тогда амплитуда сигнала от порта 13, пришедшая к первому входу компаратора 28 в первом положении подвижного контакта переключателя 24, будет составлять , а сдвиг фаз . Аналогично амплитуда сигнала от порта 14, пришедшая к первому входу компаратора 28 во втором положении подвижного контакта переключателя 24, будет составлять , а сдвиг фаз . В компараторе 28 сравнивают по амплитуде и фазе сигналы, поступающие отдельно от первого порта 13 и отдельно от второго порта 14, на первый вход компаратора 28, преобразованные во втором смесителе промежуточной частоты 25 в третью промежуточную частоту  с постоянным по амплитуде и фазе опорным сигналом третьей промежуточной частоты , подаваемым с выхода три первого смесителя промежуточной частоты 21 на второй вход компаратора 28. В результате в компараторе 28 получают отношение произведения амплитуды сигнала первого порта 13  и коэффициентов передачи испытуемого смесителя 16  и второго смесителя промежуточной частоты 25  к постоянному опорному уровню сигнала  третьей промежуточной частоты , ; отношение произведения амплитуды сигнала второго порта 14  и коэффициентов передачи опорного смесителя 17  и второго смесителя промежуточной частоты 25  к постоянному опорному уровню сигнала  третьей промежуточной частоты , . Для сдвигов фаз, в компараторе 28 получают значения разности между суммой сдвигов фаз испытуемого смесителя 16  и второго смесителя промежуточной частоты  и фазой опорного сигнала третьей промежуточной частоты , . Аналогично получают значения разности между суммой сдвигов фаз опорного смесителя 17  и второго смесителя промежуточной частоты  и фазой опорного сигнала третьей промежуточной частоты , . Полученные значения , , ,  с выхода компаратора 28 поступают на второй вход компьютера 27 и фиксируются в его памяти. В компьютере 27 вычисляют отношение коэффициентов (1) передачи испытуемого смесителя 16 и опорного смесителя 17 (учитывая, что ):



И разность сдвигов фаз (2) между испытуемым 16 и опорным 17 смесителями:


Значения  и  фиксируются в памяти компьютера 27.

После измерения суммы и разности коэффициентов передачи и сдвигов фаз испытуемого 16 и опорного 17 СВЧ-смесителей вычисляют абсолютные коэффициенты передачи и фазовые сдвиги испытуемого СВЧ-смесителя 16 Расчёты производят следующим образом.

В памяти компьютера 27 имеется ранее измеренное произведение коэффициентов передачи  в результате последовательного включения испытуемого 16 и опорного 17 СВЧ-смесителей. А также отношение коэффициентов передачи , полученное в результате параллельных измерений испытуемого 16 и опорного 17 СВЧ-смесителей. В компьютере 27 решается система уравнений (3):


Находят действительные значения модулей коэффициентов передачи испытуемого и опорного смесителей (4) соответственно:

, .

В памяти компьютера 27 имеется полученное в результате последовательного включения испытуемого 16 и опорного 17 СВЧ-смесителей значение суммы их сдвигов фаз . А также значение разности их сдвигов фаз , полученное в результате параллельных измерений испытуемого 16 и опорного 17 СВЧ-смесителей. В компьютере 27 решается система уравнений (5):


Находят действительные значения фазового сдвига (6) испытуемого 16 и опорного 17 СВЧ-смесителей соответственно:

, .

Полученные абсолютные значения модуля и фазы комплексного коэффициента передачи испытуемого СВЧ-смесителя 16 выводятся на экран компьютера 27, для выбранной частотной точки рабочего диапазона генератора испытательных СВЧ-сигналов 3, на выбранной с помощью генератора опорных частот 20 первой промежуточной частоте  и в виде амплитудно-частотной и фазочастотной характеристик этого СВЧ смесителя в панорамном режиме его испытаний, при автоматическом качании генератора испытательных СВЧ сигналов 3 в его рабочем диапазоне частот.

Величину первой промежуточной частоты  в процессе измерений поддерживают постоянной с помощью системы фазовой автоподстройки частоты. Величина первой переменной промежуточной частоты  задаётся с помощью генератора опорных частот 26 и может быть выбрана любой в пределах рабочего диапазона генератора опорных частот 26, который в свою очередь определяется условиями эксплуатации. Генератор опорных частот 26 одновременно с сигналом первой переменной промежуточной частоты  вырабатывает сигнал второй промежуточной частоты , постоянно сдвинутый относительно сигнала первой промежуточной частоты на величину третьей постоянной промежуточной частоты , когерентной с сигналом первой и второй промежуточной частоты и равной , величина которой стабилизирована кварцевым резонатором (на фиг. не показано), являющимся неотъемлемой частью генератора опорных частот 26. Система фазовой автоподстройки частоты работает следующим образом. На первый вход смесителя фазовой автоподстройки частоты 18 подают часть испытательного СВЧ-сигнала с частотой  от генератора испытательных СВЧ-сигналов 3, а на второй вход этого смесителя 18 поступает сигнал с выхода генератора СВЧ-сигналов 19. Сигнал с выхода смесителя фазовой автоподстройки частоты 18, равный разности частот генератора испытательных СВЧ-сигналов 3 и генератора СВЧ 19 подают на первый вход фазового детектора 20, на второй вход которого поступает сигнал с первого выхода генератора опорных частот 26. Сигнал ошибки с выхода фазового детектора 20 подают на вход СВЧ-генератора 19, в результате чего его частота  следует за изменениями частоты  испытательного СВЧ-сигнала генератора испытательных СВЧ-сигналов 3 так, что разность между частотами  и  с точностью до фазы равна выбранной первой промежуточной частоте . Даже при качании генератора испытательных СВЧ-сигналов 3 в диапазоне частот разность между его частотой и частотой СВЧ-генератора 19 благодаря системе фазовой автоподстройки частоты будет оставаться постоянной и равной выбранной первой промежуточной частоте .

2. Структурная схема блока опорных частот

Традиционно генераторы качающейся частоты строятся на базе генератора управляемого напряжением, которым управляет генератор пилообразного напряжения. Наибольшую сложность при разработке представляет генератор управляемый напряжением. Для того чтобы частотой такого генератора можно было электронно управлять, в его колебательный контур вносится один или несколько варикапов.

Однако, требуемый диапазон частот (20÷100) МГц охватывает более 3-х октав, а инженерная практика показывает, что изменяя емкость колебательного контура, при этом сохраняя приемлемую добротность, можно манипулировать частотой в диапазоне не более 1,5-2 октав. В связи с этим, для того чтобы охватить диапазон (20÷100) МГц необходимо использовать генератор на основе преобразования частоты [10].

Блок-схема такого генератора изображена на рисунке 2.

Схема на рисунке 2 состоит из блока перестройки частоты 1; сумматора сигналов 2; генераторов управляемых напряжением 3,5; опорных генераторов 4, 18; усилителей 6, 10, 11, 17, 20, смесителей 7, 9, 15, делителей мощности 8, 14, 16, 21, фильтров нижних частот 12, 13, 19, фазового детектора 22, фазовращателя 23.

Схема работает следующим образом. Генератор управляемый напряжением 3, управляемый блоком перестройки частоты 1, вырабатывает сигналы лежащие в диапазоне частот (160÷240) МГц, которые подаются на один из входов смесителя 7 на другой вход которого от опорного генератора 4, через усилитель 6, с одного из плеч делителя 8, поступает сигнал с частотой 140 МГц. В результате смешивания этих сигналов, в смесителе 7 образуются разностные сигналы, лежащие в диапазоне (20÷100) МГц, которые через усилитель 10, фильтр нижних частот 12 и одно из плеч делителя 14 подаются на выходной разъём 1. Генератор 5, управляемый сумматором 2, также вырабатывает сигналы лежащие в диапазоне частот (160÷240) МГц, но сдвинутые относительно сигналов от генератора 3 на 278 кГц, которые поступают на один из входов смесителя 9, на другой вход которого от опорного генератора 4 через усилитель 6 и одно из плеч делителя 8 подаются сигналы с частотой 140 МГц. В результате смешивания этих сигналов в смесителе 9 образуются сигналы, лежащие в диапазоне (20,278÷100,278) МГц, сдвинутые на 278 кГц относительно сигналов от генератора 3, которые через усилитель 11, фильтр нижних частот 13 и одно из плеч делителя 16 поступают на выходной разъем 3.

Как видно из описания блок-схемы, генератор опорных частот содержит два основных генератора высокой частоты, каждый из которых генерирует на выходе сигналы, лежащие в диапазоне (160÷240) МГц. Электронные тракты высокой частоты этих генераторов имеют одинаковое построение, обеспечивающее перестройку частоты в диапазоне (160÷240) МГц.

Для генерирования сигналов в диапазоне (160÷240) МГц применён генератор управляемый напряжением типа CVCO55CW-0140-0250 производства компании «Крайстек корпорейшен» [11], США, с характеристиками, приведенными в таблице 1 и на рисунке 3:

Таблица 1 - Параметры ГУН CVCO55CW-0140-0250

Параметр

Мин. знач.

Сред. знач.

Макс. знач.

Ед. изм.

Нижняячастота

-

-

140

МГц

Верхняячастота

250

-

-

МГц

Напряжение упраления

0,5

-

10,5

В

Напряжение питания

4,75

5,0

5,25

В

Выходная мощность

0

+ 3,0

+ 6,0

дБм

Потребляемый ток

-

15

-

мА

Уровень 2-й гармоники

минус 14

-

дБн

Чувствительность

-

13

-

МГц/В

Фазовый шум на 10 кГц

-

минус 106

-

дБн / Гц

Фазовый шум на 100 кГц

-

минус 127

-

дБн / Гц

Сопротивление нагрузки

-

50

-

Ом

Входная емкость

-

-

100

пФ

Диапазон раб. температур

минус 45


+ 90

°С


Зависимость частоты ГУНа CVCO55CW-0140-0250 от прикладываемого напряжения

Из таблицы 1 и рисунка 3 видно, что применяемый ГУН перекрывает диапазон частот шириной в 80 МГц, необходимый для получения диапазона частот (20÷100) МГц и при этом имеет диапазон управляющего напряжения от 0,5 до 10,5 В. Последнее важно, т. к. при гетеродинном преобразовании частоты ГУНа вниз и узком диапазоне напряжения регулировки отношение Гц/мВ промежуточной частоты становится крайне большим, поэтому даже малые флуктуации напряжения управления приводят к значительной нестабильности выходной промежуточной частоты. По этой причине приходится применять дополнительные, особые меры по стабилизации напряжения питания на уровне сотен микровольт. Для описываемого ГУНа, вследствие его широкого диапазона регулирующего напряжения, применение этих мер не требуется.

Схема включения ГУНа изображена на рисунке 4. Она одинакова для ГУН3 и ГУН5 (см. рисунок 1).

Схема включения генератора управляемого напряжением

Схема на рисунке 4 состоит из генератора управляемого напряжением G1 типа CVCO55CW-0140-0250, стабилизатора напряжения собранного на резисторе R1 сопротивлением 100 Ом, стабилитроне (диоде Зенера) VD1 типа 1N4733 и неполярном конденсаторе С1, емкостью 1 мкФ. Входы Х1 и Х2 - низкочастотные входы управления, а Х3 - выход высокочастотного сигнала.

Схема работает следующим образом. При подаче напряжения порядка 9 В на входной контакт Х1, это напряжение понижается до уровня 5,1 В стабилизатором собранном на диоде VD1 и попадает на вход питания генератора G1, который начинает генерировать высокочастотные сигналы лежащие в диапазоне (160÷240) МГц, поступающие на выходной высокочастотный контакт Х3. Напряжение управления должно быть всегда положительным, но не выше 10,5 В. Подача отрицательного напряжения на контакт Х2 приводит к выводу из строя генератора.

Из таблицы 1 видно, что вырабатываемый генератором CVCO55CW-0140-0250 сигнал имеет уровень второй гармоники минус 14 дБн (по отношению к несущей). Это означает что, например, при уровне основного сигнала (несущей) 0 дБм, уровень сигнала второй гармоники будет составлять минус 14 дБм. В связи с тем, что такой высокий уровень второй гармоники неприемлем, были проведены исследования спектра сигнала с целью оценки его гармонических составляющих в полосе частот от 0 до 2ГГц, при несущей частоте 160 МГц. Измерения проводились анализатором спектра Agilent Spectrum Analyzer Е4445А. Спектрограмма сигнала генератора, снимаемого с контакта Х3 (рисунок 4) изображена на рисунке 5.

Спектр выходного сигнала генератора CVCO55CW-0140-0250

Данные о мощности и частоте гармоник спектра на рисунке 5 представлены в таблице 2. Измерения спектра сигнала с несущей частотой именно 160 МГц проводились из-за того, что это нижняя частота перестройки ГУНа. Вторая высшая гармоника сигнала 160 МГц имеет частоту 320 МГц и находится вне полосы перестройки несущей ГУНа, т.е. выше 240 МГц. При подавлении уже этой гармоники (320 МГц), например с помощью ФНЧ, все частоты выше нее также будут подавлены. Поэтому рассмотрение спектра сигналов со второй гармоникой выше 320 МГц или несущей частотой выше 160 МГц не имеет смысла.

Таблица 2 - Параметры спектральных составляющих (рисунок 5)

Номер пика

1

2

3

4

5

6

7

8

9

10

Частота, МГц

164

328

492

656

824

988

1152

1316

1488

1644

Мощность, дБм

+1,10

минус 14,10

минус 8,21

минус 20,25

минус 22,89

минус 23,19

минус 29,10

минус 28,78

минус 31,43


Из рисунка 5 и таблицы 2 видно, что вторая гармоника действительно имеет мощность минус 14 дБм, что согласуется с характеристиками, заявленными фирмой производителем генератора. Однако, при этом некоторые (3 и 4) более высокие гармоники имеют уровень мощности больший, чем вторая. Эти особенности фирмой не оговариваются.

Вышеприведенные результаты измерений указывают на необходимость применения ФНЧ с частотой среза около 300 МГц для подавления второй и последующих гармоник. Однако в ходе экспериментальной отработки схемы было выяснено, что паразитные гармоники возникающие в смесителях 7 и 9 эффективно подавляются фильтрами 12, 13 (см. структурную схему на рисунке 2), поэтому необходимость применения ФНЧ отпала.

3. Гетеродин 140 МГц

На блок-схеме генератора приведенной на рисунке 2 блоки 4, 6 и 8 образуют гетеродин - источник сигнала питающего смесители 7, 9, обеспечивающие преобразование частоты (160÷240) МГц в (20÷100) МГц. Частота сигнала гетеродина составляет 140 МГц. Сигнал 140 МГц вырабатывается опорным генератором 4, проходит через усилитель 6 и далее через плечи делителя 8 поступает одновременно на гетеродинные входы смесителей 7 и 9. Устройство узлов гетеродина приведено ниже.

3.1 Генератор 140 МГц

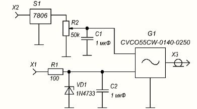
Генератор выполнен аналогично ГУНу из раздела 2. В нём использован ГУН типа CVCO55CW-0140-0250, работающий в режиме генерации фиксированной частоты 140 МГц, схема включения которого приведена на рисунке 6.

Схема генератора 140 МГц

Схема на рисунке 6 состоит из стабилизатора напряжения S1 типа 7806, делителя напряжения, собранного на потенциометре R2 и конденсаторе C1, стабилизатора напряжения, собранного на резисторе R1, стабилитроне VD1 типа 1N4733, конденсаторе С2, генератора управляемого напряжением G1 типа CVCO55CW-0140-0250.

Схема работает следующим образом. Генератор G1 питается от стабилизатора напряжения R1-VD1-C2. Частота на выходе генератора регулируется потенциометром R2. Как видно, схема на рисунке 6 полностью аналогична схеме на рисунке 4. Разница между этими схемами в том, что на рисунке 6 управляющее напряжение генератора всегда постоянно, т. к. он генерирует постоянную частоту 140 МГц.

В связи с тем, что ГУН на рисунке 6 используется такой же, как в разделе 2 выходной спектр сигнала этого генератора аналогичен спектру на рисунке 5. Выходной спектр ГУНа на рисунке 6 при несущей частоте около 140 МГц приведен на рисунке 7.

Спектр выходного сигнала ГУН 3, 100 МГц/дел

Данные о мощности и частоте гармоник спектра на рисунке 7 представлены в таблице 3.

Таблица 3 - Параметры спектральных составляющих (рисунок 7)

Номер пика

1

2

3

4

5

6

Частота, МГц

144

288

434

577

722

867

Мощность, дБм

минус 4,0

минус 17,8

минус 17,0

минус 14,0

минус 24,0

минус 25,0


Из таблицы 3 видно, что мощность сигнала несущей частоты 144 МГц составляет минус 4 дБм. Из схемы на рисунке 2 известно, что сигнал с опорного генератора 4 в итоге разделяется в делителе 8 и поступает на гетеродинные входы смесителей 7, 9. Как будет показано далее, эти смесители требуют для нормальной работы мощность сигнала гетеродина +6 дБм. Очевидно, что мощность сигнала, выдаваемая ГУНом на рисунке 6, недостаточна для питания смесителей, поэтому необходимо применить усилитель сигнала 140 МГц.

3.2 Усилитель сигнала 140 МГц

В качестве усилителя сигнала 140 МГц (позиция 6, рисунок 2), применена микросхема BGM1013 производства компании «Филипс» [12], США. Данная микросхема является широкополосным усилителем общего применения. Некоторые основные параметры BGM1013 приведены в таблице 4.

Таблица 4 - Параметры усилителя BGM1013

Параметр

Мин. знач.

Сред. знач.

Макс. знач.

Ед. изм.

Напряжение питания

-

5

6

В

Потребляемый ток

23

27,5

33

мА

Усиление (f= 1 ГГц)

34,5

35,5

36,2

дБ

Коэффициент шума (f = 1 ГГц)

-

4,6

дБ

Максимальная выходная мощность (мощность насыщения)

+13,0

+14,0

-

дБм

Верхняя граничная частота

-

-

2,1

ГГц

Изоляция вход / выход

-

40

-

дБ

Входное сопротивление

-

50

75

Ом

Выходное сопротивление

-

50

75

Ом


Зависимость коэффициента усиления от частоты при работе на нагрузку 50 Ом, предлагаемая производителем изображена на рисунке 8.

Выходная АЧХ усилителя BGM1013, 250 МГц/дел

Из таблицы 4 и рисунка 8 видно, что данный усилитель обеспечивает высокий коэффициент усиления в достаточно широком диапазоне частот. Однако на рисунке 8 минимальная частота, на которой было измерено усиление, составляет в районе 125 МГц. На этой частоте обеспечивается усиление в 35 дБ. При этом минимальная рабочая частота усилителя не нормируется.

Помимо усилителя сигнала 140 МГц, в схеме на рисунке 2 еще присутствуют усилители сигнала (20÷100) МГц (блоки 10, 11). В связи с этим, были проведены дополнительные исследования АЧХ усилителя BGM1013 для того, чтобы определить его полосу пропускания в диапазоне (20÷100) МГц.

Компания «Филипс» предлагает стандартную схему включения усилителя BGM1013. Она изображена на рисунке 9. Согласно данным производителя, усилитель, собранный по данной схеме обеспечивает АЧХ, приведенную на рисунке 8.

Схема включения усилителя BGM1013

Схема состоит из усилителя А1, керамических конденсаторов С1, С2, С3 катушки L1. Выше было отмечено, что усилитель рассчитан для работы на нагрузку 50 Ом, но хорошо работает и на 75 Ом. Разъем X3 предназначен для подачи питания + 5 В.

Измерения АЧХ усилителя проводились анализатором цепей Agilent E5071C. На рисунке 10 показана АЧХ при номиналах деталей соответствующих схеме на рисунке 9. На рисунке 10 виден завал АЧХ на нижних частотах, который начинается с частоты примерно 100 МГц (маркер 2). На рисунке 10 показана только полоса пропускания усилителя, выводы о коэффициенте усиления можно сделать косвенные: анализатор цепей подает на вход усилителя сигнал мощностью +0 дБм и определяет мощность сигнала на выходе. Поскольку усилитель имеет коэффициент усиления 35 дБ и максимальную выходную мощность +14 дБм, то после усиления входного сигнала +0 дБм до уровня +14 дБм он входит в насыщение. Это видно из рисунка 10, где самый большой коэффициент передачи усилителя составляет примерно 14,8 дБ по мощности.

Рисунок 10 - Измеренная АЧХ усилителя BGM1013, 12 МГц/дел

Эффективность усилителя падает, начиная с частоты 100 МГц и ниже. Эмпирически установлено, что если увеличить емкость конденсатора С2 на рисунке 9, то полоса пропускания расширяется в диапазоне низких частот. Амплитудно-частотная характеристика усилителя с конденсатором С2 равным 1100 пФ изображена на рисунке 11.

Из рисунка 11 видно, что в этом случае полоса пропускания значительно шире и в диапазоне (20÷240) МГц наблюдается относительно равномерная АЧХ. Небольшой спад наблюдается на частотах в районе 240 МГц, что, однако, несущественно. В результате, итоговая схема усилителя такая же как на рисунке 9, за исключением - номинал конденсатора С2 равен 1100 пФ. Данная схема усилителя применена в блоках 6, 10, 11.

АЧХ модифицированной схемы усилителя, 26 МГц/дел

4.3    Делитель сигнала 140 МГц

В качестве делителя сигнала 140 МГц на рисунке 2 в блоках 8, 14, 16, 21 применены промышленные делители мощности типа PDS-20-55 производства компании «Мерримак Индастриз», США. Информацию о внутренней конструкции делителя производитель не дает, но учитывая, что эта модель выпускалась в 80-х годах, и, приняв во внимание факт высокой изоляции между каналами (30 дБ), предполагается, что этот делитель построен на основе трансформаторов длинных линий. Усилитель выполнен в металлическом кубическом корпусе и предназначен для пайки непосредственно на печатную плату. Основные характеристики приведены в таблице 5.

Таблица 5 - Параметры делителя мощности PDS-20-55

Параметр

Мин. знач.

Сред. знач.

Макс. знач.

Ед. изм.

Диапазон рабочих частот

10

-

100

МГц

Изоляция между каналами

-

30

-

дБ

Баланс выходных амплитуд

-

0,2

-

дБ

Баланс выходных фаз

-

1,0

-

°

-

0,5

-

дБ

Мощность на согласованных нагрузках

-

-

1

Вт

Входное/выходное сопротивление

-

50

-

Ом

КСВН

1

-

1,3

-


Из таблицы 5 видно, что рабочая частота делителя ограничена диапазоном (10÷100) МГц, однако эксперименты показали, что данный делитель мощности приемлемо работает и в диапазоне 278 кГц, и в диапазоне 140 МГц.

5. Блок преобразования частоты (20÷100) МГц

Генератор на рисунке 2 содержит два канала один с сигналами лежащими в диапазоне (20-100 МГц), а другой с сигналами лежащими в диапазоне (20,278-100,278) МГц с постоянной разницей 278 кГц между ними. Для получения столь широкого диапазона перекрываемых частот в генераторе применены смесительные узлы с преобразованием частоты вниз. Сигналы качающейся частоты (160÷240) МГц, вырабатываемые двумя независимыми генераторами 3, 5 (см. рисунок 2), смешиваются с гетеродинным сигналом 140 МГц, получаемым от опорного генератора (блоки 4, 6, 8 см. рисунок 2). Эти смесительные узлы совместно с фильтрами и усилителями (блоки 7, 9, 10, 11, 12, 13, 14, 16 на рисунке 2) представляют два одинаковых блока преобразования частоты (20÷100) МГц. Делители мощности 14 и 16 использованы такие же, как в пункте 3.3, поэтому их описание не дается. Это также относится к усилителям 10, 11, которые полностью аналогичны усилителю из пункта 3.2. Описание остальных узлов блока дано ниже.

5.1 Смеситель сигналов 140 МГц и (160÷240) МГц

В смесителе 7 (и в смесителе 9) на рисунке 2 применен смеситель сигналов типа SRA-1H производства компании «Мини-Серкитс» [13], США. Его схема, предлагаемая производителем, изображена на рисунке 12.

Схема смесителя SRA-1H

Он представляет собой двойной балансный смеситель в качестве гибридного соединения, в котором применены трансформаторы длинных линий.

Таблица 6 - Параметры смесителя SRA-1H

Параметр

Мин. знач.

Сред. знач.

Макс. знач.

Ед. изм.

Диапазон входных частот (вход Гет. и ВЧ)

0,5

-

500

МГц

Диапазон выходных частот (выход ПЧ)

0

-

500

МГц

Мощность сигнала на входе Гет.

-

-

+17

дБм

Изоляция между входами Гет. и ВЧ

-

39

-

дБ

Изоляция между входом Гет. и выходом ПЧ

-

33

-

дБ

Диапазон рабочих теператур

минус 55

-

100

°С

Входное/выходное сопротивление

-

50

-

Ом


При исследовании спектра сигнала на выходе смесителя было установлено, что в нём присутствует большое количество гармоник. Прежде всего, это суммарные и разностные составляющие несущих частот с входов Гет. и ВЧ (160÷240) МГц и 140 МГц. Выходной сигнал смесителя состоит из основных несущих составляющих (20÷100) МГц и (300÷380) МГц. В нем также присутствует гармоника (160÷240) МГц и гармоника 140 МГц. Помимо этого в сигнале имеется и большое количество комбинационных составляющих, образованных высшими гармониками входных сигналов, которые между собой перемножаются. Это требует применения фильтра для выделения составляющей (20÷100) МГц, который описан ниже

5.2 Фильтр нижних частот для сигнала (20÷100) МГц


Фильтр нижних частот 100 МГц

Фильтр 15-го порядка и состоит из конденсаторов и индуктивностей разных номиналов, что объясняется широкой полосой частот (более 3 октав), которую он должен перекрывать.

Амплитудно-частотная характеристика фильтра исследовалась анализатором цепей HP85047А. Она приведена на рисунке 14. Из нее следует, что полоса среза фильтра начинается на частоте около 100 МГц, где ослабление составляет 8 дБ и заканчивается на частоте 140 МГц где ослабление достигает величины более 35 дБ. В полосе пропускания фильтра его неравномерность амплитудно-частотной характеристики составляет 3-4 дБ. Такая неравномерность может представлять определенные трудности, связанные с тем, что для качественных и точных измерений блок опорных частот должен обеспечивать постоянство амплитуды на своих выходах. Поэтому необходимо применение системы автоматической регулировки усиления в рабочем диапазоне частот фильтра. В целом, собранный фильтр обеспечивает достаточно хорошее ослабление в полосе отсечки, и достаточно крутой срез АЧХ - около 0,3 дБ/МГц.

АЧХ фильтра на 100 МГц, 50 МГц/дел

6. Система фазовой автоподстройки частоты

В первом разделе было показано, что разрабатываемый блок опорных частот должен вырабатывать два сигнала, частота которых перестраивается в диапазоне от 20 до 100 МГц. При этом разность между сигналами в первом и втором каналах должна поддерживаться постоянной и раной 278 кГц, с точностью до фазы. В итоге на выходе блока опорных частот образуется два синхронных сигнала качающейся частоты, лежащие в диапазонах (20÷100) МГц и (20,278÷100,278) МГц. Для поддержания постоянной разности частот 278 кГц между этими сигналами в блоке опорных частот применена система фазовой автоподстройки частоты (система ФАПЧ). Эта система состоит из двух основных блоков. Первый блок системы ФАПЧ сравнивает разность частот между сигналами в двух каналах блока опорных частот, а второй блок системы ФАПЧ поддерживает эту разность постоянной и равной 278 кГц. Рассмотрим работу этих блоков.

6.1 Первый блок системы ФАПЧ

Первый блок системы ФАПЧ предназначен для определения разности между частотами выходных сигналов блока опорных частот. Выше было показано, что между двумя его каналами должна поддерживаться постоянная разность частот в 278 кГц. На рисунке 2 приведена структурная схема первого блока системы ФАПЧ, которая состоит из смесителя 15, усилителя 17, фильтра нижних частот 19, делителя 21 и работает следующим образом.

В результате смешивания частот сигналов из двух каналов, одного лежащего в диапазоне (20-100) МГц, а другого в диапазоне (20,278-100,278) МГц в смесителе 15 образуется сигнал разностной частоты 278 кГц. Этот сигнал усиливается усилителем 17, проходит через фильтр нижних частот 19 и подаётся на вход делителя 21, с выхода которого одна часть сигнала поступает на вход фазового детектора 22, а другая на выход 2 генератора опорных частот. Таким образом, первый блок системы ФАПЧ сравнивает частоты двух каналов блока опорных частот, вырабатывает сигнал разностной частоты 278 кГц и посылает одну часть этого сигнала на выход генератора, а другую часть во второй блок системы ФАПЧ.

На выходе смесителя 15 уровень сигнала составляет минус 30 дБм, что есть 1 мкВт или около 2 мВ на нагрузке 50 Ом. Поэтому требуется усилитель с коэффициентом усиления не менее 100 раз по напряжению, чтобы поднять уровень сигнала на выходе до 2 В, что составляет 40 дБ. Для этих целей был применен усилительный каскад на основе операционного усилителя типа AD826, производства «Эналог Девайсиз» [14], США. AD826 является двойным операционным усилителем (в одном корпусе находится два усилителя). Его основные технические характеристики представлены в таблице 7.

Таблица 7 - Некоторые параметры операционного усилителя AD826

Параметр

Мин. знач.

Сред. знач.

Макс. знач.

Ед. изм.

Диапазон рабочих частот

0

-

50

МГц

Потребляемый ток

-

-

100

мА

Напряжение питания

±2,5

-

±18

В


Учитывая, что максимальная рабочая частота ОУ AD826 составляет 50 МГц, максимальный коэффициент усиления достижимый на одном усилителе составляет 179 раз по напряжению или 45 дБ. Требуемый коэффициент усиления 40 дБ близок к пределу возможностей усилителя, поэтому в схеме используется два последовательно включенных усилителя. Для этих целей достаточно одного корпуса AD826 в котором размещены два усилителя).

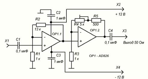
Усилитель 278 кГц

Схема данного усилительного каскада приведена на рисунке 18 и состоит из двух усилительных каскадов собранных на операционных усилителях OP1.1 и OP1.2 работающих следующим образом. Сигнал с разъема Х1 через конденсатор С1 поступает на неинвертирующий вход ОР1.1. где усиливается в 13 раз. Коэффициент усиления ОР1.1 определяется соотношением сопротивлений R1 и R2. С выхода OP1.1 сигнал напрямую поступает на неинвертирующий вход усилителя ОР1.2 где усиливается еще в 5,5 раз. Коэффициент усиления во втором каскаде определяется соотношением сопротивлений R3 и R4+R5. Коэффициент усиления второго каскада усилителя регулируется потенциометром R4 в пределах от 2 до 5,5 раз. Суммарный коэффициент усиления схемы на рисунке 18 составляет от 26 до 71,5 раз по напряжению или 28-37 дБ и подбирается при её регулировке.

Анализ спектра сигнала третьей промежуточной частоты 278 кГц, позволяет сделать вывод, что у него очень малы и практически отсутствуют нижние гармоники, а ближайшая верхняя гармоника лежит в районе 550 кГц, что меньше несущей на 10 дБ. Для фильтрации этих паразитных гармоник применен фильтр нижних частот 19, который обеспечивает срез на частоте 300 кГц 10 дБ, а на частоте 550 кГц ослабление составляет уже более 20 дБ и далее по диапазону ослабление достигает величины более 40 дБ. Фильтр рассчитывался по методике из пункта 5.2 и имеет характеристику Кауэра. Схема фильтра нижних частот приведена на рисунке 19.

Фильтр нижних частот 278 кГц

Фильтр состоит из конденсаторов С1-С5 в корпусе для поверхностного монтажа и индуктивностей L1, L2.

АЧХ фильтра 278 кГц, начало шкалы - 0 Гц, 100 кГц/дел

6.2 Второй блок системы фазовой автоподстройки частоты

Второй блок системы ФАПЧ сравнивает выработанный в первом блоке разностный сигнал с частотой 278 кГц, с эталонным сигналом 278 кГц, получаемым от опорного кварцевого генератора. Получаемый в результате сравнения сигнал ошибки, воздействует на один из ГУНов, вырабатывающих сигнал (160÷240) МГц, который затем преобразуют в сигналы лежащие в диапазоне (20÷100) МГц и (20,278-100,278) МГц, с тем чтобы этот ГУН поддерживал постоянную разницу в 278 кГц между ними. На рисунке 2 второй блок представлен сумматором 2, фазовым детектором 22, усилителем 20, опорным генератором 18, фазовращателем 23, его структурная схема изображена на рисунке 21.

Схема работает следующим образом. Фазовый детектор 22 сравнивает разностный сигнал, полученный от делителя 21 с сигналом от опорного генератора 18, который предварительно проходит через усилитель 20 и фазовращатель 23. Сигнал ошибки, снимаемый с выхода фазового детектора 22, суммируется в сумматоре 2 с управляющим напряжением, поступающим от блока перестройки частоты 1 и далее управляет генератором 5, воздействуя на него таким образом, чтобы разность частот между двумя каналами генератора опорных частот составляла всегда 278 кГц, с точностью до фазы, независимо от генерируемой им частоты из диапазона (20÷100) МГц.

Последнее условие обеспечивается тем, что каким бы не было управляющее напряжение, поступающее от блока перестройки частоты 1, в сумматор 2 оно всегда суммируется с сигналом ошибки, вырабатываемым системой ФАПЧ и поэтому удержание частоты обеспечивается во всем диапазоне управляющего напряжения. В качестве фазового детектора 22 применен смеситель типа SRA-1H.

Опорный генератор 18 имеет кварцевую стабилизацию частоты 278 кГц. В нём применен кварцевый резонатор типа РГ-01. Схема опорного генератора 18 есть ёмкостная трёхточка с включённым кварцевым резонатором в цепь обратной связи. Эмпирически были подобраны сопротивления для установки рабочей точки генератора. Для усиления генерируемых колебаний после генератора дополнительно включен эмиттерный повторитель.

Полная электрическая схема генератора приведена на рисунке 22. Он состоит из транзисторов VT1 типа КТ312В, VT2 типа КТ315А, кварцевого резонатора на 278 кГц К1, подстроечных резисторов R3 и R4, катушки индуктивности L1 состоящей из 600 витков провода ПЭВ-2, намотанных внавал на каркасе диаметром 1,5 мм. Диаметр провода катушки 0,18 мм. В схеме применены керамические конденсаторы С1 и С2, емкостью 820 пФ и пленочные С3, С4, С5, емкостью 1 мкФ, 82 пФ, 68нФ соответственно. Резисторы R2, R5, R6, R7 на 20, 220, 315 и 1,6 кОм соответственно. Резистор R1 имеет сопротивлением 100 Ом.

Электрическая схема генератора 278 кГц

Схема работает следующим образом. При подаче питания запускается генератор, собранный на транзисторе VT1. Рабочую точку и режим работы генератора регулируют подстроечными резисторами R3, R4. В цепь обратной связи генератора включен кварцевый резонатор, что обеспечивает стабилизацию вырабатываемых генератором гармонических колебаний. Гармонический сигнал снимается с делителя, выполненного на конденсаторах С1, С2 и, через разделительный конденсатор С4, подается на эмиттерный повторитель, выполненный на транзисторе VT2. Резисторы R5, R6, R7, задают режим работы транзистора VT2. Далее сигнал 278 кГц снимается с эмиттера транзистора VT2 и, через разделительный конденсатор С5, подается далее по назначению.

Для развязки опорного генератора от остальной схемы применён буферный усилитель 20, схема которого приведена на рисунке 23. Благодаря большому входному сопротивлению этого усилителя, процессы, происходящие в фазовом детекторе, не влияют на кварцевый генератор. Таким образом, обеспечивается дополнительная изоляция между фазовым детектором и кварцевым генератором.

Буферный усилитель 278 кГц

За основу усилителя взят операционный усилитель AD826. Схема которого приведена на рисунке 23 и состоит из одного усилительного каскада на ОУ OP1.1, постоянных резисторов R1-R2, подстроечного резистора R3, развязывающих конденсаторов C1, C4. Усилитель питается от двухполярного напряжения ±5 В. Коэффициент усиления регулируется резистором R3 в диапазоне 2-5 раз по напряжению.

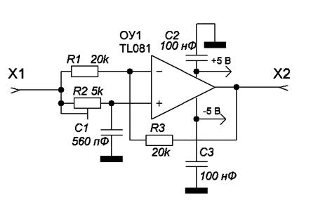
Для вывода фазового детектора ФД22 (рисунок 21) в оптимальный рабочий режим в системе ФАПЧ применен фазовращатель 23, схема которого приведена на рисунке 24 и состоит из постоянных резисторов R1, R3

Фазовращатель

сопротивлением 20 кОм, подстроечного многооборотного резистора R2 сопротивлением 5 кОм, операционного усилителя ОУ1 типа TL081, конденсаторов С1 ёмкостью 560 пФ, C2, C3 ёмкостью 100 нФ.

Схема работает следующим образом. Операционный усилитель ОУ1 включен в режиме дифференциального усиления. Сигнал поступает на вход Х1 и разделяется между резисторами R1 и R2. Одна часть сигнала поступает на инвертирующий вход операционного усилителя без изменений через резистор R1, как это происходит в обычном дифференциальном усилителе. Другая часть сигнала проходит через фазосдвигающую RC-цепочку, образованную элементами R2 и C1 и затем попадает на неинвертирующий вход операционного усилителя. В результате происходит усиление разности двух сигналов, один из которых сдвинут по фазе относительно другого на величину, определяемую постоянной времени RC-цепочки R2C1. Применение операционного усилителя компенсирует потери сигнала по амплитуде, которые наблюдаются при применении обычных, пассивных фазовращателей.

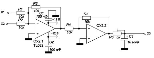
Фазовый детектор 22 вырабатывает сигнал ошибки постоянного тока, который воздействуя на элемент изменения частоты ГУНа, подстраивает его рабочую частоту так, чтобы разность частот между двумя каналами генератора была равна 278 кГц с точностью до фазы. В силу того, что в режиме качания частоты, управляющее напряжение ГУНа постоянно изменяется, либо под действием генератора пилообразного напряжения, либо ручным способом, сигнал ошибки должен постоянно суммироваться с текущим напряжением управления ГУНом, чтобы иметь возможность подстраивать его во всем диапазоне перестройки частоты. Для реализации этой задачи, во втором блоке ФАПЧ применен сумматор сигнала ошибки и управляющего напряжения. Его схема приведена на рисунке 25.

Схема сумматора напряжения (см. рисунок 25) состоит из постоянных резисторов R1-R5 с одинаковыми сопротивлениями 10 кОм, подстроечного резистора R6 сопротивлением 5 кОм, конденсаторов С1, С2 ёмкостью 1 мкФ, электролитического конденсатора С3 ёмкостью 10 мкФ, и двойного операционного усилителя типа TL082.

Схема работает следующим образом. Два входных суммируемых сигнала через входы Ч1 и Х2 подают на входы операционного усилителя ОУ2.1 где они складываются. С выхода усилителя ОУ2.1. суммарный сигнал поступает на вход второго операционного усилителя ОУ2.2 где вновь инвертируется, в результате чего суммируемые на входах Х1 и Х2 сигналы и сигнал на выходе Х3 равны по фазе. Номиналы всех резисторов R1, R2, R3, R4, R5 равны между собой, поэтому коэффициент усиления всей схемы равен единице. С выхода усилителя ОУ2.2 сигнал поступает на ФНЧ образованный резистором R6 и конденсатором С3, где фильтруется и подаётся на выход X3.

Сумматор сигналов

В связи с тем, что данный операционный усилитель имеет граничную частоту усиления около 1 МГц, то он сам является эффективным фильтром нижних частот для сигнала ошибки, получаемого с фазового детектора. Для дополнительной низкочастотной фильтрации применён фильтр на элементах R6, C3. Настройка работы системы ФАПЧ проводится с помощью потенциометра R6, регулируя который меняют полосу пропускания фильтра нижних частот всей системы.

7. Блок перестройки частоты

Блок перестройки частоты 1, структурная схема которого приведена на рисунке 2 представляет собой устройство, генерирующее управляющее напряжение для ГУНов в ручном или автоматическом режиме. В режиме ручной перестройки частоты выходное напряжение блока перестройки частоты 1 изменяется механически, с помощью потенциометров. В режиме автоматической перестройки частоты блока перестройки частоты 1 выдает пилообразное напряжение, которое вырабатывается внутри блока электронным генератором пилообразного напряжения. Кроме этого данный блок снабжен устройством регулировки изменения пределов частоты, что позволяет выставлять любой диапазон её перестройки, лежащий в пределах от 20 до 100 МГц. Схема блока перестройки частоты приведена на рисунке 26 и состоит из источника напряжения 1, блока ручной перестройки частоты 2, блока автоматической перестройки частоты 3, механического переключателя П1 и устройства регулировки пределов перестройки частоты 4.

Блок перестройки частоты работает следующим образом. В схемы ручной 2 и автоматической 3 перестройки частоты подают максимальный уровень напряжения от источника питания величиной 12В и формируют из него напряжение необходимое для управления ГУНам. В зависимости от положения подвижного контакта переключателя П1 «1» или «2», ГУНы переключаются в ручной или автоматический режим перестройки частоты. С выхода переключателя П1 управляющее напряжение поступает в устройство регулировки его пределов, где и устанавливаются пределы его изменения, задаваемые вручную оператором с помощью регулировочных резисторов, оси которых выведены на переднюю панель блока опорных частот. С выхода устройства регулировки пределов перестройки частоты 4 сформированное напряжение управления подаётся на ГУНы и систему ФАПЧ (рисунок 2, выход сумматора 2).


Схема ручной перестройки частоты

Схема работает следующим образом. Потенциометры R1 и R2 включены в режиме делителей напряжения. Потенциометром R2 задаётся максимальный уровень выходного напряжения. Потенциометр R1 регулирует напряжение управления ГУНами от нуля до максимального, что позволяет вручную выставлять и величину опорной частоты и пределы её частоты и пределы её изменения в автоматическом режиме, для чего подвижный контакт переключателя S1 переводят во второе положение.

Электрическая схема блока автоматической перестройки частоты приведена на рисунке 28 и представляет собой генератор линейно изменяющегося напряжения (ГЛИН), с периодом 0,08 с.

Электрическая схема состоит из микросхемы IC1 типа NE555, диода D1 типа 1N4748, стабилитрона D2 с напряжением стабилизации 4,7 В, конденсаторов С1, С2 ёмкостью 100 нФ, транзистора VT1 типа КТ361, транзистора VT2 типа КТ315, резисторов R1, R2 сопротивлением 4,7 кОм и 10 кОм соответственно, потенциометра R3 сопротивлением 20 кОм.

Схема работает следующим образом. На транзисторе VT1 и стабилитроне D2 выполнен стабилизированный источник тока, управление разрядом конденсатора C2 осуществляется микросхемой IC1, играющей роль таймера и диодом D2. Выход 3 таймера IC1 соединён с его входом 5 через диод D2, что позволяет снизить напряжение на внутреннем делителе таймера до нуля при наличии на выходе таймера сигнала низкого уровня. Такая конфигурация даёт возможность почти полностью разрядить конденсатор С2. Как только конденсатор С2 разрядится до некоторого минимального напряжения, таймер переключится из режима разряда в режим заряда и конденсатор начнёт опять заряжаться от источника тока. Далее режим заряда и разряда конденсатора С2 циклически повторяется с периодом 0,08 с. Напряжение с конденсатора C2 подаётся на вход эмиттерного повторителя, собранного на транзисторе VT2 играющего роль развязки. Амплитуда выходного напряжения генератора пилообразного напряжения регулируется с помощью потенциометра R3.

Схема состоит из переменных многооборотных резисторов R1, R2 сопротивлением 20 кОм, подстроечного резистора R3 сопротивлением 20 кОм, резисторов R4-R9 сопротивлением 10 кОм, конденсаторов С1, С2 ёмкостью 100 нФ, двойного операционного усилителя ОУ1.

Схема работает следующим образом. Операционный усилитель ОУ 1.1. собран по схеме сумматора входных напряжений пилообразного напряжения от ГЛИНа и напряжения определяющего пределы перестройки частот, задаваемые вручную. Суммарное напряжение с выхода операционного усилителя ОУ 1.1. подаётся на инвертор, собранный на операционном усилителе ОУ 1.2, с выхода которого это напряжение поступает в ГУН, определяя его частоту в ручном режиме перестройки частоты, либо пределы ёё изменения в автоматическом режиме качания. Потенциометром R2 ограничивают верхний предел перестройки генератора по частоте. Потенциометром R1 устанавливают нижний предел перестройки по частоте. Подстроечный резистор R3 используется при регулировке и настройке генератора (см. раздел 8).

8. Настройка и регулировка генератора

На рисунке 30 приведена полная принципиальная электрическая схема разработанного трёхчастотного генератора когерентных сигналов - блока опорных частот. Настройка и регулировка генератора осуществляется следующим образом. Включают питание. Сначала потенциометрами R1, R2, R4, R11 выставляют минимальное значение напряжения на их выходах, потенциометры R10, R20, R25, R36, R38 устанавливают в среднее положение. Потенциометры R8, R9 переводят на максимальное значение напряжения на их выходах. Переключатель S1 переводят в положение 1 его подвижного контакта, что соответствует ручной перестройке частоты. К эмиттеру транзистора VT4 присоединяют осциллограф и регулировкой резисторов R28, R29 запускают генерацию частоты 278 кГц, которую контролируют по осциллографу. Затем на выход генератора Г2 подсоединяют частотомер и регулировкой резистора R1 устанавливают частоту генерации 140 МГц. После этого частотомер присоединяют к выходу 1 блока опорных частот и регулировкой потенциометра R11 добиваются значения частоты его выходного сигнала 100 МГц. Затем потенциометр R9 переводят в противоположенное крайнее положение и регулировкой потенциометра R4 добиваются значения частоты 20 МГц на выходе 1 блока опорных частот. После этого переключатель S1 переводят в режим автоматического качания частоты и регулировкой потенциометра R10 добиваются совпадения максимальной амплитуды пилообразного напряжения на выходе потенциометра R10, с напряжением на выходе потенциометра R9, при этом потенциометр R9 должен быть выставлен в положение максимального выходного напряжения. После этого переключатель S1 переводят в положение ручного качания частоты и приступают к настройке системы ФАПЧ. Для этого к выходу 2 генератора присоединяют частотомер. Резистор R9 переводят в среднее положение. Путем регулировки резисторов R38 и R20 добиваются захвата частоты системой ФАПЧ, который контролируют по частотомеру.

Схема электрическая принципиальная трёхчастотного генератора когерентных сигналов

В случае захвата частоты частотомер должен постоянно показывать значение частоты 278 кГц. Стабильность системы ФАПЧ зависит, прежде всего, от настроек потенциометров R20 и R38. Путем их регулировки добиваются стабильности поддержания разности в 278 кГц между каналами во всем диапазоне выходных частот от 20 МГц до 100 МГц.

При необходимости амплитуду опорного сигнала 278 кГц на выходе 2 генератора подстраивают потенциометром R25. Для увеличения мощности опорного сигнала кварцевого генератора регулируют потенциометр R36. В целом, для точной настройки системы ФАПЧ можно пользоваться резисторами R20, R25, R36, R38.

Макет блока опорных частот собран навесным монтажом на платах из текстолита. Генератор разделен на три основных узла. Узел высокой частоты, узел низкой частоты и узел кварцевого генератора 278 кГц. Узлы высокой и низкой частоты находятся в одном корпусе из текстолита один над другим. Узел кварцевого генератора вместе с частью низкочастотного узла находятся в отдельном металлическом корпусе.

На схеме на рисунке 30 не приведена схема питания блока опорных частот, которое организованно следующим образом. Общее питание блока опорных частот осуществляется от стабилизированного источника питания плюс 12 В, которое уже в блоке опорных частот стабилизаторами напряжения устанавливается необходимым для питания микросхем уровня плюс 5 В, плюс 12 В, минус 12 В. Подобная схема системы питания известна, тривиальна и поэтому в данной работе не приводится.

Заключение

В результате дипломной работы разработаны трёхчастотный генератор когерентных сигналов на диапазон (20÷100) МГц (блок опорных частот), все входящие в него узлы. Проведены их испытания и натурные исследования. Выводы дипломной работы:

         Разработано два генератора на диапазон (20÷100) МГц на основе преобразования частоты.

2       Разработано два фильтра нижних частот с частотой среза 100 МГц.

         Разработан опорный генератор с частотой 278 кГц, с кварцевой стабилизацией частоты.

         Разработана оригинальная система фазовой автоподстройки частоты, для поддержания постоянной разности частот в 278 кГц между двумя генераторами, работающими в диапазоне (20÷100) МГц.

         Разработана система управления блоком опорных частот, позволяющая осуществлять перестройку частоты в ручном и автоматическом режимах.

         Разработанный блок опорных частот удовлетворяет требованиям, которые необходимы для его работы в составе устройства для измерения абсолютных комплексных коэффициентов передачи и отражения СВЧ-устройств с преобразованием частоты.

В результате натурных исследований разработанного блока опорных частот выяснено, что амплитуда выходного сигнала в обоих каналах блока опорных частот нестабильна и изменяется в зависимости от частоты. Это объясняется неравномерностью АЧХ выходного фильтра нижних частот. Также, спектр выходного сигнала не обладает достаточной чистотой в силу того, что при приближении к частоте 20 МГц у сигнала появляются низшие гармоники, которые входят в полосу пропускания выходного ФНЧ. Кроме этого, опорный генератор 140 МГц обладает некоторой девиацией частоты, что приводит к частотной нестабильности на выходе каналов (20÷100) МГц. Помимо этого, при включении генератора, по мере прогрева деталей выходная частота существенно изменяется. В генераторе не предусмотрена система частотной индикации. В связи с этим можно дать ряд рекомендаций по улучшению генератора:

         Применить в выходных каскадах усилители с системой автоматической регулировки мощности

2       Использовать в выходных каскадах полосовые перестраиваемые фильтры вместо обычных ФНЧ.

         Охватить опорный генератор 140 МГц дополнительной системой фазовой автоподстройки частоты.

         Поместить кварцевый генератор 278 кГц в термостатированный корпус.

         Оснастить генератор системой индикации частоты.

В ходе выполнения дипломной работы выполнены поставленные задачи разработки блок-схемы генератора, разработки узлов генератора, создан макет генератора и проведены его экспериментальные исследования. На основании этого цель дипломной работы разработка трёхчастотного генератора когерентных сигналов для диапазона (20÷100) МГц успешно выполнена.

Список источников

частота сигнал генератор трехчастотный

1 А. с. 1475347 СССР, МКИ G 01 R 27/28. Способ определения сдвига фаз четырёхполюсников с преобразованием частоты / Коротков К.С., Малышков В.Е., Суровенный В.Г. (СССР). - заявл. 13.12.86

2 А. с. 159627 СССР, МКИ G 01 R 27/28. Способ определения коэффициентов передачи четырехполюсников с преобразованием частоты / Коротков К.С. (СССР). - зарег. 22.12.86; опубл. 1.06.1990.

Пат. 6,362,631 B1 США, МПК G 01 R 27/48 Method For Characterizing Delay Of Frequency Translation Devices. M.E. Knox - №10/040,197; заявл. 25.04.2000; опубл. 26.03.2002.

Пат. 2029966 Российская Федерация, МПК G 01 R 27/28. Способ определения коэффициентов передачи преобразователей частоты / Елизаров А.С (Белорусия). - №1950193/21; заявл. 26.06.1991; опубл. 27.02.1995.

Пат. 5,937,006 США, МПК H 04 B 3/46. Frequency Translating Device Transmission Response Method / C.J. Clark, A. Moulthrop, M.S. Muha, C.P. Silva. - №08/865,276; заявл. 28.05.1997; опубл. 10.08.1999.

Губа В.Г. Калибровка и применение векторного анализатора цепей для определения параметров частотно-преобразующих устройств / В.Г. Губа, А.А. Савин, В.Н. Ульянов // Доклады ТУСУРа. - №2 (24) - Ч. 1 - дек. 2011 - С. 156-161.

7 Jonathan Scott Group Delay Measurement of Frequency-Converting Devices using a Comb Generator. // (Engl.). - URL: http://researchcommons.waikato.ac.nz [21 April 2013].

Joel Dunsmore A New Calibration Method for Mixer Delay Measurements that Requires No Calibration Mixer. // (Engl.). - URL: http://www.agilent.com [21 April 2013].

9 Заявка 2013106594 Российская Федерация, МПК G 01 R 27/28. Устройство для измерения абсолютных комплексных коэффициентов передачи и отражения СВЧ-устройств с преобразованием частоты / Коротков К.С. (Россия), Левченко А.С. (Россия), Мильченко Д.Н. (Россия), Фролов Д.Р. (Россия). - зарег. 14.02.2013.

Коротков К.С. Методы определения комплексных коэффициентов передачи и отражения СВЧ устройств с преобразованием частоты: дис… д-ра техн. наук: 05.12.04, 05.12.07 / К.С. Коротков; Кубан. гос. ун-т. - Краснодар, 2002. - 375 с.

11 Crystek Microwave. Voltage Controlled Oscillator VCO CVC055CW-0140-0250 Datasheet. // (Engl.). - URL: http://www.crystek.com/microwave/ admin/webapps/welcome/files/vco/CVCO55CW-0140-0250.pdf [21 April 2013].

BGM1013 MMIC Wideband Amplifier Datasheet. // (Engl.). - URL: http://www.nxp.com/products/rf/amplifiers/wideband_amplifiers/BGM1013.html [21 April 2013].

Mini-Circuits. Frequency Mixer SRA-1H Datasheet. // (Engl.). - URL: http://www.chipfind.ru/datasheet/pdf/mini/sra1h.pdf [21 April 2013].

Analog Devices. Operational Amplifier AD826 Datasheet. // (Engl.). - URL: http://www.analog.com/ru/precision-op-amps/high-supply-voltage-amplifiers /ad826/ products/product.html [21 April 2013].

Похожие работы на - Разработка трёхчастотного генератора когерентных сигналов

 

Не нашли материал для своей работы?
Поможем написать уникальную работу
Без плагиата!
Без нейросетей!