Проектирование системы сбора и обработки информации от аналогового датчика физической величины
СОДЕРЖАНИЕ
Введение
. Техническое задание
. Разработка структурной схемы
. Выбор элементной базы
.1 Описание принципа действия аналогового датчика и выбор
модели
.2 Выбор и расчет операционного усилителя
.3 Описание принципа действия и выбор микросхемы АЦП
.4 Описание микроконтроллера и разработка алгоритма программы
.5 Описание и реализация выходного интерфейса
. Расчет надежности
. Заключение
. Список литературы
Приложение А - Схема электрическая структурная
Приложение Б - Схема электрическая принципиальная
ВВЕДЕНИЕ
Использование микропроцессоров позволяет создавать очень сложные
инструменты, находящие свое применение в различных областях повседневной жизни.
Например, микропроцессорные системы «умеют» стирать одежду, варить кофе,
воспроизводить музыку, охранять дома, а также регулировать температуру внутри
помещений. Микропроцессоры являются цифровыми устройствами, работающими с
двоичными кодами. В виде двоичных кодов можно представить практически любые
электрические сигналы. Однако мы живем в аналоговом мире, где большинство
устройств не являются цифровыми. Более того, сигналы окружающего нас мира не
всегда бывают электрическими. Для того чтобы сложные интеллектуальные цифровые
системы могли воспринимать информацию из внешнего мира, необходимы интерфейсные
устройства, преобразующие разнообразные физические величины в электрические
сигналы. Такими интерфейсными устройствами и являются датчики. Другими словами,
датчики - это глаза, уши и органы обоняния кремниевых кристаллов. В настоящее
время датчики стали неотъемлемой частью жизни любого человека.
Датчик - это устройство, воспринимающее внешние воздействия и реагирующее
на них изменением электрических сигналов. Назначение датчиков - реакция на
определенное внешнее физическое воздействие и преобразование его в
электрический сигнал, совместимый с измерительными схемами. Другими словами,
можно сказать, что датчик - это преобразователь физической величины (часто
неэлектрической) в электрический сигнал.
Под термином электрический сигнал понимается сигнал, который может быть
преобразован при помощи электронных устройств, например, усилен или передан по
линии передач. Выходными сигналами датчиков могут быть напряжение, ток или
заряд, которые описываются следующими характеристиками: амплитудой, частотой,
фазой или цифровым кодом. Этот набор характеристик называется форматом
выходного сигнала. Таким образом, каждый датчик характеризуется набором входных
параметров (любой физической природы) и набором выходных электрических
параметров. Любой датчик является преобразователем энергии. Вне зависимости от
типа измеряемой величины всегда происходит передача энергии от исследуемого
объекта к датчику. Работа датчика - это особый случай передачи информации, а
любая передача информации связана с передачей энергии. Очевидным является тот
факт, что передача энергии может проходить в двух направлениях, т.е. она может
быть как положительной, так и отрицательной, например, энергия может
передаваться от объекта к датчику, и, наоборот, от датчика к объекту. Особым
случаем является ситуация, при которой энергия равна нулю, но и в этом случае
происходит передача информации о существовании именно такой особой ситуации.
Например, инфракрасный датчик температуры вырабатывает положительное
напряжение, когда объект теплее датчика (инфракрасное излучение направлено в
сторону датчика), или отрицательное напряжение, когда объект холоднее датчика
(инфракрасное излучение направлено от датчика на объект). Когда датчик и объект
имеют одинаковую температуру, инфракрасный поток равен нулю, и выходное напряжение
также равно нулю. В этой ситуации и заключена информация о равенстве температур
датчика и объекта.
Все датчики можно разделить на две группы: датчики прямого действия и
составные датчики. Датчики прямого действия преобразуют внешнее воздействие непосредственно
в электрический сигнал, используя для этого соответствующее физическое явление,
в то время как в составных датчиках, прежде чем получить электрический сигнал
на выходе оконечного датчика прямого действия необходимо осуществить несколько
преобразований энергии.
На практике датчики не работают сами по себе. Как правило, они входят в
состав измерительных систем, часто довольно больших, объединяющих много разных
детекторов, преобразователей сигналов, сигнальных процессоров, запоминающих
устройств и приводов. Датчики в таких системах могут быть как наружными, так и
встроенными. Часто их располагают на входах измерительных приборов для того,
чтобы они реагировали на внешние воздействия и сообщали системе об изменениях в
окружающих условиях. Также они размещаются внутри измерительных систем для
мониторинга их функционирования, что необходимо для поддержания корректной
работы всех внутренних устройств. Датчики являются неотъемлемой частью систем
сбора данных, которые, в свою очередь, могут входить в состав больших
измерительных комплексов со множеством обратных связей.
1. ТЕХНИЧЕСКОЕ ЗАДАНИЕ
. Описать принцип действия аналогового датчика и выбрать модель датчика.
. Описать принцип действия АЦП и выбрать ИМС АЦП. Произвести расчеты АЦП,
соответствующие типу АЦП.
. Согласовать датчик и ИМС АЦП (выбрать и рассчитать операционный
усилитель).
. Описать заданный микроконтроллер. Составить алгоритм работы программы
микроконтроллера.
. Описать заданный тип выходной нагрузки системы и выбрать ИМС для ее
реализации.
. Провести расчет надежности полученной системы.
. Построить электрическую структурную схему проектируемой системы (формат
А3).
. Построить электрическую принципиальную схему проектируемой системы
(формат А3).
|
№
|
Кол-во датчиков
|
Аналоговый датчик
|
АЦП
|
Микро-контроллер
|
Выходная нагрузка
|
|
48
|
4
|
Цвета
|
АЦП последовательного
приближения
|
AVR ATMega128
|
RS-232
|
2. РАЗРАБОТКА СТРУКТУРНОЙ СХЕМЫ
Система сбора информации будет состоять из следующих звеньев:
непосредственно датчика, который преобразует физическую величину в
электрический сигнал; согласующего усилителя; аналого-цифрового
преобразователя; микроконтроллера и выходной нагрузки - интерфейсной части
проектируемой системы.
Эта структурная схема представлена на рис 1.
Рис. 1 - Структурная схема системы сбора и обработки информации
Д - датчик;
ОУ - операционный усилитель;
АЦП - аналого-цифровой преобразователь;
МК - микроконтроллер;
RS-232
- порт RS-232.
Измеряемая физическая величина с объекта наблюдения регистрируется
датчиком Д. Он преобразует эту физическую величину в аналоговый электрический
сигнал - напряжение или ток - соответствующий измеряемой величине. Этот сигнал
поступает на вход операционного усилителя ОУ, где он усиливается до уровня
необходимого для работы аналого-цифрового преобразователя АЦП. Цифровой код,
представляющий собой двоичную последовательность оцифрованного входного
аналогового сигнала, полученный после АЦ-преобразования, поступает на порт
ввода микроконтроллера МК. Он обрабатывает и нормализует полученный двоичный
код в нормальные единицы измерения физической величины.
Для дальнейшей обработки информация передается на выходную интерфейсную
схему - порт RS-232 для последующей обработки в ЭВМ
верхнего уровня.
3. ВЫБОР ЭЛЕМЕНТНОЙ БАЗЫ
.1 Описание принципа действия аналогового датчика и выбор модели
Цветовые измерения - методы измерения и количественного выражения цвета.
Вместе с различными способами математического описания цвета цветовые измерения
составляют предмет колориметрии. В результате цветовых измерений определяются 3
числа, т. н. цветовые координаты (ЦК), полностью определяющие цвет (при
некоторых строго стандартизованных условиях его рассматривания).
Основой математического описания цвета в колориметрии является
экспериментально установленный факт, что любой цвет при соблюдении упомянутых
условий можно представить в виде смеси (суммы) определённых количеств 3 линейно
независимых цветов, т. е. таких цветов, каждый из которых не может быть
представлен в виде суммы каких-либо количеств 2 других цветов. Групп (систем)
линейно независимых цветов существует бесконечно много, но в колориметрии
используются лишь некоторые из них. Три выбранных линейно независимых цвета
называют основными цветами; они определяют цветовую координатную систему (ЦКС).
Тогда 3 числа, описывающие данный цвет, являются количествами основных цветов в
смеси, цвет которой зрительно неотличим от данного цвета; это и есть ЦК данного
цвета.
Экспериментальные результаты, которые кладут в основу разработки
колориметрической ЦКС, получают при усреднении данных наблюдений (в строго
определённых условиях) большим числом наблюдателей; поэтому они не отражают
точно свойств цветового зрения какого-либо конкретного наблюдателя, а относятся
к т. н. среднему стандартному колориметрическому наблюдателю.
Будучи отнесены к стандартному наблюдателю в определённых неизменных
условиях, стандартные данные смешения цветов и построенные на них
колориметрической ЦКС описывают фактически лишь физический аспект цвета, не
учитывая изменения цветовосприятия глаза при изменении условий наблюдения и по
др. причинам.
Когда ЦК какого-либо цвета откладывают по 3 взаимно перпендикулярным
координатным осям, этот цвет геометрически представляется точкой в трёхмерном,
т. н. цветовом, пространстве или же вектором, начало которого совпадает с
началом координат, а конец - с упомянутой точкой цвета. Точечная и векторная
геометрическая трактовки цвета равноценны и обе используются при описании
цветов. Точки, представляющие все реальные цвета, заполняют некоторую область
цветового пространства. Но математически все точки пространства равноправны,
поэтому можно условно считать, что и точки вне области реальных цветов
представляют некоторые цвета. Такое расширение толкования цвета как
математического объекта приводит к понятию т. н. нереальных цветов, которые
невозможно как-либо реализовать практически. Тем не менее с этими цветами можно
производить математические операции так же, как и с реальными цветами, что
оказывается чрезвычайно удобным в колориметрии. Соотношение между основными
цветами в ЦКС выбирают так, что их количества, дающие в смеси некоторый
исходный цвет (чаще всего белый), принимают равными 1.
Своего рода «качество» цвета, не зависящее от абсолютной величины
цветового вектора и называется его цветностью, геометрически удобно
характеризовать в двумерном пространстве - на «единичной» плоскости цветового
пространства, проходящей через 3 единичные точки координатных осей (осей
основных цветов). Линии пересечения единичной плоскости с координатными
плоскостями образуют на ней равносторонний треугольник, в вершинах которого
находятся единичные значения основных цветов. Этот треугольник часто называют
треугольником Максвелла. Цветность какого-либо цвета определяется не 3 его ЦК,
а соотношением между ними, т. е. положением в цветовом пространстве прямой,
проведённой из начала координат через точку данного цвета. Другими словами,
цветность определяется только направлением, а не абсолютной величиной цветового
вектора, и, следовательно, её можно характеризовать положением точки
пересечения этого вектора (либо указанной прямой) с единичной плоскостью.
Вместо треугольника Максвелла часто используют цветовой треугольник более
удобной формы - прямоугольный и равнобедренный. Положение точки цветности в нём
определяется двумя координатами цветности, каждая из которых равна частному от
деления одной из ЦК на сумму всех 3 ЦК. Двух координат цветности достаточно,
т.к. по определению сумма её 3 координат равна 1. Точка цветности исходного
(опорного) цвета, для которой 3 цветовые координаты равны между собой (каждая
равна 1/3), находится в центре тяжести цветового треугольника.
Представление цвета с помощью ЦКС должно отражать свойства цветового
зрения человека. Поэтому предполагается, что в основе всех ЦКС лежит т. н.
физиологическая ЦКС. Эта система определяется 3 функциями спектральной
чувствительности 3 различных видов приёмников света (т. н. колбочек), которые
имеются в сетчатке глаза человека и, согласно наиболее употребительной
трёхцветной теории цветового зрения, ответственны за человеческое
цветовосприятие. Реакции этих 3 приёмников на излучение считаются ЦК в
физиологической ЦКС, но функции спектральной чувствительности глаза не удаётся
установить прямыми измерениями. Их определяют косвенным путём и не используют
непосредственно в качестве основы построения колориметрических систем.
Свойства цветового зрения учитываются в колориметрии по результатам
экспериментов со смешением цветов. В таких экспериментах выполняется зрительное
уравнивание чистых спектральных цветов (т. е. цветов, соответствующих
монохроматическому свету с различными длинами волн) со смесями 3 основных
цветов. Оба цвета наблюдают рядом на 2 половинках фотометрического поля
сравнения. По достижении уравнивания измеряются количества 3 основных цветов и
их отношения к принимаемым за 1 количествам основных цветов в смеси,
уравнивающей выбранный опорный белый цвет. Полученные величины будут ЦК
уравниваемого цвета в ЦКС, определяемой основными цветами прибора и выбранным
опорным белым цветом. Если единичные количества красного, зелёного и синего
основных цветов обозначить как (К), (З), (С), а их количества в смеси (ЦК) - К,
З, С, то результат уравнивания можно записать в виде цветового уравнения: Ц* =
К (К) + З (З) + С (С). Описанная процедура не позволяет уравнять большинство
чистых спектральных цветов со смесями 3 основных цветов прибора. В таких
случаях некоторое количество одного из основных цветов (или даже двух)
добавляют к уравниваемому цвету. Цвет получаемой смеси уравнивают со смесью
оставшихся 2 основных цветов прибора (или с одним). В цветовом уравнении это
учитывают переносом соответствующего члена из левой части в правую. Так, если в
поле измеряемого цвета был добавлен красный цвет, то Ц* = - К (К) + З (З) + С
(С). При допущении отрицательных значений ЦК уже все спектральные цвета можно
выразить через выбранную тройку основных цветов. При усреднении результатов
подобной процедуры для нескольких наблюдателей были получены значения количеств
3 определённых цветов, требующиеся в смесях, зрительно неотличимых от чистых
спектральных цветов, которые соответствуют монохроматическим излучениям
одинаковой интенсивности. При графическом построении зависимостей количеств
основных цветов от длины волны получаются функции длины волны, называемые
кривыми сложения цветов или просто кривыми сложения.
Кривые сложения играют в колориметрии большую роль. По ним можно
рассчитать количества основных цветов, требуемые для получения смеси, зрительно
неотличимой от цвета излучения сложного спектрального состава, т. е. ЦК такого
цвета в ЦКС, определяемой данными кривыми сложения. Для этого цвет сложного
излучения представляют в виде суммы чистых спектральных цветов, соответствующих
его монохроматическим составляющим (с учётом их интенсивности). Возможность
подобного представления основана на одном из опытно установленных законов
смешения цветов, согласно которому ЦК цвета смеси равны суммам соответствующих
координат смешиваемых цветов. Т. о., кривые сложения характеризуют реакции на
излучение 3 разных приёмников излучения. Очевидно, что функции спектральной
чувствительности 3 типов приёмников в сетчатке глаза человека представляют
собой кривые сложения в физиологической ЦКС. Каждой из бесконечно большого
числа возможных ЦКС соответствует своя группа из 3 кривых сложения, причём все
группы кривых сложения связаны между собой линейными соотношениями.
Следовательно, кривые сложения любой из всех 1 возможных ЦКС можно считать
линейными комбинациями функций спектральной чувствительности 3 типов приёмников
человеческого глаза.
Фактически основой всех ЦКС является система, кривые сложения которой
были определены экспериментально описанным выше способом. Её основными цветами
являются чистые спектральные цвета, соответствующие монохроматическим
излучениям с длинами волн 700,0 (красный), 546,1 (зелёный) и 435,8 нм (синий).
Исходная (опорная) цветность - цветность равноэнергетического белого цвета Е
(т. е. цвета излучения с равномерным распределением интенсивности по всему
видимому спектру). Кривые сложения этой системы, принятой Международной комиссией
по освещению (МКО) в 1931 и известной под название международной
колориметрической системы МКО RGB (от англ., нем. red, rot - красный, green,
grun - зелёный, blue, blau - синий, голубой), показаны на рис. 2.
Кривые сложения системы МКО RGB имеют отрицательные участки
(отрицательные количества основных цветов) для некоторых спектральных цветов,
что неудобно при расчётах. Поэтому наряду с системой RGBМКО в 1931 приняла др.
ЦКС, систему XYZ, в которой отсутствовали недостатки системы RGB и которая дала
ряд др. возможностей упрощения расчётов. Основными цветами (X), (Y), (Z)
системы XYZ являются нереальные цвета, выбранные так, что кривые сложения этой
системы (рис. 2) не имеют отрицательных участков, а координата Y равна яркости
наблюдаемого окрашенного объекта, т.к. кривая сложения у совпадает с функцией
относительной спектральной световой эффективности стандартного наблюдателя МКО
для дневного зрения.
Рис. 2
На рис. 3 показан график цветностей (цветовой треугольник) х, у системы
XYZ. На нём приведены линия спектральных цветностей, линия пурпурных
цветностей, цветовой треугольник (R) (G) (В) системы МКО RGB, линия цветностей
излучения абсолютно чёрного тела и точки цветностей стандартных источников
освещения МКО А, В, С и D. Цветность равноэнергетического белого цвета Е
(опорная цветность системы XYZ) находится в центре тяжести цветового
треугольника системы XYZ. Эта система получила всеобщее распространение и
широко используется в колориметрии. Но она не отражает цветоразличительных
свойств глаза, т. е. одинаковые расстояния на графике цветностей х, у в
различных его частях не соответствуют одинаковому зрительному различию между
соответствующими цветами при одинаковой яркости.
Датчики SICK позволяют измерять цветность как непрозрачных объектов
(посредством отраженного излучения), так и прозрачных материалов (посредством
проходящего света) при использовании отражателя.
Также, датчики воспринимают цвета блестящих объектов, не обладающих
цветностью при отраженном излучении. Данная проблема может быть решена
посредством изменения наклона датчика.
Детектируемый цвет (от одного до трех) программируется в режиме teach-in,
где также задается и возможный уровень отклонения от цвета.
Датчики цвета выпускаются в прочных металлических корпусах и
соответствуют всем промышленным стандартам безопасности.
Рис.3 - Внешний вид датчика CSM1
Назначение выводов датчика:
- VOUT - выходной сигнал сенсора цвета (В);
- Общий (земля);
- Вход напряжения питания (5В);
Характеристики датчика:
Габаритные размеры 12 х 20 х 22 мм;
Материал корпуса пластик;
Напряжение питания 5 В пост. тока ±20%;
Класс защиты IP 67;
Диапазон рабочих температур -10…55°С;
Диапазон срабатывания 12,5 мм;
Тип выходного сигнала - напряжение 4,75 В;
Частота срабатывания 1,5 кГц;
Источник излучения красный, голубой, зеленый светодиод;
Подключение разъем М12;
Количество цветов 1 (программно).
.2 Выбор и расчет операционного усилителя
В качестве усилителя выбираем операционный усилитель MAX4044 фирмы MAXIM,
включенный по схеме дифференциального усилителя. Будем использовать один ОУ на
канале «А» из четырех, находящихся в ИМС.
Рис. 4 -Расположение выводов MAX4044 и назначение ножек ИМС
|
№
|
Обозна-чение
|
Назначение
|
№
|
Обозна-чение
|
Назначение
|
|
1
|
OUTA
|
Выход канала А
|
8
|
OUTD
|
Выход канала D
|
|
2
|
INA-
|
Инвертирующий вход канала А
|
9
|
IND-
|
Инвертирующий вход канала D
|
|
3
|
INA+
|
Неинвертирующий вход канала
A
|
10
|
IND+
|
Неинвертирующий вход канала
D
|
|
4
|
Vcc
|
Земля
|
11
|
Vее
|
Напряжение питания
|
|
5
|
INB+
|
Неинвертирующий вход канала
В
|
12
|
INC+
|
Неинвертирующий вход канала
С
|
|
6
|
INB-
|
Инвертирующий вход канала В
|
13
|
INC-
|
Инвертирующий вход канала С
|
|
7
|
OUTB
|
14
|
OUTC
|
Выход канала С
|
Параметры усилителя:
Напряжение питания 4.5..5.5 В
Ток потребления при Uп = 5 В 14..20 мА
Входное сопротивление 4.4 кОм
Так как выходное максимальное выходное значение измеряемой величины с
аналогового датчика составляет 4.75 В (по техническим характеристикам
используемого датчика CSM1),
а максимальное входное напряжение АЦП составляет 5 В, то необходимости
усиливать напряжение нет. Но для согласования выходной цепи датчика и входной
цепи АЦП необходим повторитель напряжения (или усилитель тока и преобразователь
импеданса). Он обладает высоким входным сопротивлением и низкой входной
емкостью и низким выходным сопротивлением. Повторители напряжения применяют для
согласования датчиков с устройствами обработки сигналов (например, АЦП). Их еще
часто называют буферными устройствами между сенсором и нагрузкой.
Рис. 5 - Схема подключения ИМС MAX4044 в качестве повторителя напряжения
.3 Описание принципа действия и выбор микросхемы АЦП
Преобразователь этого типа, называемый в литературе также АЦП с
поразрядным уравновешиванием, является наиболее распространенным вариантом
последовательных АЦП.
В основе работы этого класса преобразователей лежит принцип дихотомии,
т.е последовательного сравнения измеряемой величины с 1/2, 1/4, 1/8 и т.д. от
возможного максимального значения ее. Это позволяет для N-разрядного АЦП
последовательного приближения выполнить весь процесс преобразования за N
последовательных шагов (итераций) вместо 2N-1 при использовании
последовательного счета и получить существенный выигрыш в быстродействии. Так,
уже при N=10 этот выигрыш достигает 100 раз и позволяет получить с помощью
таких АЦП до 105...106 преобразований в секунду. В то же время статическая
погрешность этого типа преобразователей, определяемая в основном используемым в
нем ЦАП, может быть очень малой, что позволяет реализовать разрешающую
способность до 18 двоичных разрядов при частоте выборок до 200 кГц.
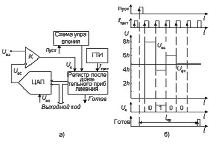
Рис. 6.1 - Структурная схема (а) и временные диаграммы (б) АЦП
последовательного приближения
Рассмотрим принципы построения и работы АЦП последовательного приближения
на примере классической структуры (рис. 6.1,а) 4-разрядного преобразователя,
состоящего из трех основных узлов: компаратора, регистра последовательного
приближения (РПП) и ЦАП.
После подачи команды "Пуск" с приходом первого тактового
импульса РПП принудительно задает на вход ЦАП код, равный половине его шкалы
(для 4-разрядного ЦАП это 10002=810). Благодаря этому напряжение Uос на выходе
ЦАП (рис. 9б)
ос=23h.
где h - квант выходного напряжения ЦАП, соответствующий единице младшего
разряда (ЕМР). Эта величина составляет половину возможного диапазона
преобразуемых сигналов. Если входное напряжение больше, чем эта величина, то на
выходе компаратора устанавливается 1, если меньше, то 0. В этом последнем
случае схема управления должна переключить старший разряд d3 обратно в
состояние нуля. Непосредственно вслед за этим остаток
Uвх - d323 h
таким же образом сравнивается с ближайшим младшим разрядом и т.д. После
четырех подобных выравнивающих шагов в регистре последовательного приближения
оказывается двоичное число, из которого после цифро-аналогового преобразования
получается напряжение, соответствующее Uвх с точностью до 1 ЕМР. Выходное число
может быть считано с РПП в виде параллельного двоичного кода по N линиям. Кроме
того, в процессе преобразования на выходе компаратора, как это видно из рис.
6.1,б, формируется выходное число в виде последовательного кода старшими разрядами
вперед.
Быстродействие АЦП данного типа определяется суммой времени установления
tуст ЦАП до установившегося значения с погрешностью, не превышающей 0,5 ЕМР,
времени переключения компаратора tк и задержки распространения сигнала в
регистре последовательного приближения tз. Сумма tк + tз является величиной
постоянной, а tуст уменьшается с уменьшением веса разряда. Следовательно, для
определения младших разрядов может быть использована более высокая тактовая
частота. При поразрядной вариации fтакт возможно уменьшение времени
преобразования tпр на 40%. Для этого в состав АЦП может быть включен
контроллер.
При работе без устройства выборки-хранения апертурное время равно времени
между началом и фактическим окончанием преобразования, которое так же, как и у
АЦП последовательного счета, по сути зависит от входного сигнала, т.е. является
переменным. Возникающие при этом апертурные погрешности носят также нелинейный
характер. Поэтому для эффективного использования АЦП последовательного
приближения, между его входом и источником преобразуемого сигнала следует
включать УВХ. Большинство выпускаемых в настоящее время ИМС АЦП
последовательного приближения (например, 12-разрядный МАХ191, 16-разрядный
AD7882 и др.), имеет встроенные устройства выборки-хранения или, чаще,
устройства слежения-хранения (track-hold), управляемые сигналом запуска АЦП.
Устройство слежения-хранения отличается тем, что постоянно находится в режиме
выборки, переходя в режим хранения только на время преобразования сигнала.
Данный класс АЦП занимает промежуточное положение по быстродействию,
стоимости и разрешающей способности между последовательно-параллельными и
интегрирующими АЦП и находит широкое применение в системах управления, контроля
и цифровой обработки сигналов.
Для организации аналого-цифрового преобразования выберем маломощную ИМС
АЦП последовательного приближения с последовательным интерфейсом фирмы Analog Devices ADS1286. Разрядность оцифровки составляет 12 бит на
выборку. Частота выборки 20 кГц. Для передачи данных используется простой
двухпроводной интерфейс. Выпускается в 8-выводном корпусе DIP (рис.6.2,а). На рисунке 6.2,б
приведена структурная схема ИМС. Здесь CDAC - ЦАП, SAR -
регистр последовательного приближения.

а) б)
Рис. 6.2 - ИМС ADS1286
(а) и ее структура (б)
Назначение выводов ИМС:
Vref -
Вход опорного напряжения
+In - Неинвертирующий вход
-In - Инвертирующий вход. Подключается
на землю.
GND -
Общий (земля)
#CS/SHDN - Выбор микросхемы (активный режим) / режим ожидания
Dout -
последовательный выход 12-битной посылки оцифрованного сигнала
DCLOCK
- вход синхронизации данных
+Vcc - напряжение питания.
.4. Описание микроконтроллера
Для реализации функции управления и обработки сигнала выбран микроконтроллер
ATmega128 фирмы Atmel.- маломощный 8-разр. КМОП микроконтроллер, основанный
на расширенной AVR RISC-архитектуре. За счет выполнения большинства инструкций
за один машинный цикл ATmega128 достигает производительности 1 млн. операций в
секунду/МГц, что позволяет проектировщикам систем оптимизировать соотношение
энергопотребления и быстродействия.
Ядро AVR сочетает богатый набор инструкций с 32 универсальными рабочими
регистрами. Все 32 регистра непосредственно подключены к арифметико-логическому
устройству (АЛУ), который позволяет указать два различных регистра в одной
инструкции и выполнить ее за один цикл. Данная архитектура обладает большей
эффективностью кода за счет достижения производительности в 10 раз выше по
сравнению с обычными CISC-микроконтроллерами.содержит следующие элементы: 128
кбайт внутрисистемно программируемой флэш-памяти с поддержкой чтения во время
записи, 4 кбайт ЭСППЗУ, 4 кбайт статического ОЗУ, 53 линии универсального
ввода-вывода, 32 универсальных рабочих регистра, счетчик реального времени
(RTC), четыре гибких таймера-счетчика с режимами сравнения и ШИМ, 2 УСАПП,
двухпроводной последовательный интерфейс ориентированный на передачу байт,
8-канальный 10-разр. АЦП с опциональным дифференциальным входом с
программируемым коэффициентом усиления, программируемый сторожевой таймер с
внутренним генератором, последовательный порт SPI, испытательный интерфейс JTAG
совместимый со стандартом IEEE 1149.1, который также используется для доступа к
встроенной системе отладке и для программирования, а также шесть программно
выбираемых режимов уменьшения мощности. Режим холостого хода (Idle)
останавливает ЦПУ, но при этом поддерживая работу статического ОЗУ,
таймеров-счетчиков, SPI-порта и системы прерываний. Режим выключения
(Powerdown) позволяет сохранить содержимое регистров, при остановленном
генераторе и выключении встроенных функций до следующего прерывания или
аппаратного сброса. В экономичном режиме (Power-save) асинхронный таймер
продолжает работу, позволяя пользователю сохранить функцию счета времени в то
время, когда остальная часть контроллера находится в состоянии сна. Режим
снижения шумов АЦП (ADC Noise Reduction) останавливает ЦПУ и все модули
ввода-вывода, кроме асинхронного таймера и АЦП для минимизации импульсных шумов
в процессе преобразования АЦП. В дежурном режиме (Standby)
кварцевый/резонаторный генератор продолжают работу, а остальная часть
микроконтроллера находится в режиме сна. Данный режим характеризуется малой
потребляемой мощностью, но при этом позволяет достичь самого быстрого возврата
в рабочий режим. В расширенном дежурном режиме (Extended Standby) основной
генератор и асинхронный таймер продолжают работать.
Микроконтроллер производится по технологии высокоплотной
энергонезависимой памяти компании Atmel. Встроенная внутрисистемно
программируемая флэш-память позволяет перепрограммировать память программ
непосредственно внутри системы через последовательный интерфейс SPI с помощью
простого программатора или с помощью автономной программы в загрузочном
секторе. Загрузочная программа может использовать любой интерфейс для загрузки
прикладной программы во флэш-память. Программа в загрузочном секторе продолжает
работу в процессе обновления прикладной секции флэш-памяти, тем самым
поддерживая двухоперационность: чтение во время записи. За счет сочетания
8-разр. RISC ЦПУ с внутрисистемно самопрограммируемой флэш-памятью в одной
микросхеме ATmega128 является мощным микроконтроллером, позволяющим достичь
высокой степени гибкости и эффективной стоимости при проектировании большинства
приложений встроенного управления.
Отличительные особенности:
. Высокопроизводительный, маломощный 8-разрядный микроконтроллер;
. Развитая RISC-архитектура:
- 133 мощных инструкций, большинство из которых выполняются за один
машинный цикл;
- 32 8-разр. регистров общего назначения + регистры управления встроенной
периферией;
- Полностью статическая работа;
- Производительность до 16 млн. операций в секунду при тактовой частоте
16 МГц;
- Встроенное умножающее устройство выполняет умножение за 2 машинных
цикла;
3. Энергонезависимая память программ и данных:
4. - Износостойкость 128-ми кбайт внутрисистемно
перепрограммируемой флэш-памяти: 1000 циклов запись/стирание;
. - Опциональный загрузочный сектор с отдельной программируемой
защитой;
Внутрисистемное программирование встроенной загрузочной программой;
Гарантированная двухоперационность: возможность чтения во время записи:
Износостойкость 4 кбайт ЭСППЗУ: 100000 циклов запись/стирание;
- Встроенное статическое ОЗУ емкостью 4 кбайт;
- Опциональная возможность адресации внешней памяти размером до 64 кбайт;
- Программируемая защита кода программы;
- Интерфейс SPI для внутрисистемного программирования;
6. Интерфейс JTAG (совместимость со стандартом IEEE 1149.1):
7. - Граничное сканирование в соответствии со стандартом JTAG;
. - Обширная поддержка функций встроенной отладки;
. - Программирование флэш-памяти, ЭСППЗУ, бит конфигурации и
защиты через интерфейс JTAG;
. Отличительные особенности периферийных устройств:
. - Два 8-разр. таймера-счетчика с раздельными предделителями и
режимами сравнения;
. - Два расширенных 16-разр. таймера-счетчика с отдельными
предделителями, режимами сравнения и режимами захвата;
. - Счетчик реального времени с отдельным генератором;
. - Два 8-разр. каналов ШИМ;
. - 6 каналов ШИМ с программируемым разрешением от 2 до 16
разрядов;
. - Модулятор выходов сравнения;
8 несимметричных каналов;
дифференциальных каналов;
дифференциальных канала с выборочным усилением из 1x, 10x и 200x;
Двухпроводной последовательный интерфейс, ориентированный не передачу
данных в байтном формате;
- Два канала программируемых последовательных УСАПП;
- Последовательный интерфейс SPI с поддержкой режимов
ведущий/подчиненный;
- Программируемый сторожевой таймер со встроенным генератором;
- Встроенный аналоговый компаратор;
18. Специальные возможности микроконтроллера:
19. - Сброс при подаче питания и программируемая схема сброса при
снижении напряжения питания;
. - Встроенный калиброванный RC-генератор;
. - Внешние и внутренние источники прерываний;
. - Шесть режимов снижения энергопотребления: холостой ход
(Idle), уменьшение шумов АЦП, экономичный (Power-save), выключение
(Power-down), дежурный (Standby) и расширенный дежурный (Extended Standby);
. - Программный выбор тактовой частоты;
. - Конфигурационный бит для перевода в режим совместимости с
ATmega103;
. - Общее выключение подтягивающих резисторов на всех линиях
портов ввода-вывода;
. Ввод-вывод и корпуса:
. - 53 -программируемые линии ввода-вывода;
. - 64-выв. корпус TQFP;
. Рабочие напряжения:
. - 2.7 - 5.5В для ATmega128L;
. - 4.5 - 5.5В для ATmega128;
. Градации по быстродействию:
. - 0 - 8 МГц для ATmega128L;
. - 0 - 16 МГц для ATmega128.
На рисунке 8 представлена структурная схема МК ATmega128 и его цоколевка.
Рис.
8 - Структурная схема МК ATmega128 и его цоколевка
Назначение
выводов МК ATmega128
|
VCC
|
Напряжение питания цифровых
элементов
|
|
GND
|
Общий
|
|
Порт A (PA7..PA0)
|
Порт A - 8-разр. порт
двунаправленного ввода-вывода с внутренними подтягивающими к плюсу
резисторами (выбираются раздельно для каждого разряда). Выходные буферы порта
A имеют симметричную выходную характеристику с одинаковыми втекающим и
вытекающим токами. При вводе, линии порта А будут действовать как источник
тока, если внешне действует низкий уровень и включены подтягивающие
резисторы. Выводы порта A находятся в третьем (высокоимпедансном) состоянии
при выполнении условия сброса, даже если синхронизация не запущена. Порт А
также выполняет некоторые специальные функции ATmega128, описываемых далее.
|
|
Порт В (PВ7..PВ0)
|
Порт B - 8-разр. порт
двунаправленного ввода-вывода с внутренними подтягивающими к плюсу
резисторами (выбираются раздельно для каждого разряда). Выходные буферы порта
В имеют симметричную выходную характеристику с одинаковыми втекающим и
вытекающим токами. При вводе, линии по9рта B будут действовать как источник
тока, если внешне действует низкий уровень и включены подтягивающие
резисторы. Выводы порта B находятся в третьем (высокоимпедансном) состоянии
при выполнении условия сброса, даже если синхронизация не запущена. Порт В
также выполняет некоторые специальные функции ATmega128, описываемых далее.
|
|
Порт C (PC7..PC0)
|
Порт C - 8-разр. порт
двунаправленного ввода-вывода с внутренними подтягивающими к плюсу
резисторами (выбираются раздельно для каждого разряда). Выходные буферы порта
C имеют симметричную выходную характеристику с одинаковыми втекающим и
вытекающим токами. При вводе, линии порта C будут действовать как источник тока,
если внешне действует низкий уровень и включены подтягивающие резисторы.
Выводы порта C находятся в третьем (высокоимпедансном) состоянии при
выполнении условия сброса, даже если синхронизация не запущена. Порт C также
выполняет некоторые специальные функции ATmega128, описываемых далее. В
режиме совместимости с ATmega103 порт C действует только на вывод, а при
выполнении условия сброса линии порта C не переходят в третье состояние.
|
|
Порт D (PD7..PD0)
|
Порт D - 8-разр. порт
двунаправленного ввода-вывода с внутренними подтягивающими к плюсу
резисторами (выбираются раздельно для каждого разряда). Выходные буферы порта
D имеют симметричную выходную характеристику с одинаковыми втекающим и
вытекающим токами. При вводе, линии порта D будут действовать как источник
тока, если внешне действует низкий уровень и включены подтягивающие
резисторы. Выводы порта D находятся в третьем (высокоимпедансном) состоянии
при выполнении условия сброса, даже если синхронизация не запущена. Порт D
также выполняет некоторые специальные функции ATmega128, описываемых далее.
|
|
Порт E (PE7..PE0)
|
Порт E - 8-разр. порт
двунаправленного ввода-вывода с внутренними подтягивающими к плюсу
резисторами (выбираются раздельно для каждого разряда). Выходные буферы порта
E имеют симметричную выходную характеристику с одинаковыми втекающим и
вытекающим токами. При вводе, линии порта E будут действовать как источник
тока, если внешне действует низкий уровень и включены подтягивающие
резисторы. Выводы порта E находятся в третьем (высокоимпедансном) состоянии
при выполнении условия сброса, даже если синхронизация не запущена. Порт E
также выполняет некоторые специальные функции ATmega128, описываемых далее.
|
|
Порт F (PF7..PF0)
|
Порт F действует как
аналоговый ввод аналогово-цифрового преобразователя. Порт F также может
использоваться как 8-разр. порт двунаправленного ввода-вывода, если АЦП не
используется. К каждой линии порта может быть подключен встроенный
подтягивающий к плюсу резистор (выбирается раздельно для каждого бита).
Выходные буферы порта F имеют симметричную выходную характеристику с
одинаковыми втекающим и вытекающим токами. При вводе, линии порта F будут
действовать как источник тока, если внешне действует низкий уровень и
включены подтягивающие резисторы. Выводы порта F находятся в третьем (высокоимпедансном)
состоянии при выполнении условия сброса, даже если синхронизация не запущена.
Если активизирован интерфейс JTAG, то подтягивающие резисторы на линиях
PF7(TDI), PF5(TMS) и PF4(TCK) будут подключены, даже если выполняется Сброс.
Вывод TDO находится в третьем состоянии, если не введено состояние TAP, при
котором сдвигаются выводимые данные. Порт F также выполняет функции
интерфейса JTAG. В режиме совместимости с ATmega103 порт F действует только
на ввод.
|
|
Порт G (PG4..PG0)
|
Порт G - 5-разр. порт
двунаправленного ввода-вывода с внутренними подтягивающими к плюсу
резисторами (выбираются раздельно для каждого разряда). Выходные буферы порта
G имеют симметричную выходную характеристику с одинаковыми втекающим и
вытекающим токами. При вводе, линии порта G будут действовать как источник
тока, если внешне действует низкий уровень и включены подтягивающие
резисторы. Выводы порта G находятся в третьем (высокоимпедансном) состоянии
при выполнении условия сброса, даже если синхронизация не запущена. Порт G
также выполняет некоторые специальные функции ATmega128. В режиме
совместим9ости с ATmega103 данные выводы используются как стробирующие
сигналы интерфейса внешней памяти, а также как вход генератора 32 кГц, а при
действии сброса они асинхронно принимают следующие состояния: PG0 = 1, PG1 =
1 и PG2 = 0, даже если синхронизация не запущена. PG3 и PG4 - выводы
генератора.
|
|
RESET
|
вход сброса. Если на этот
вход приложить низкий уровень длительностью более минимально необходимой
будет генерирован сброс независимо от работы синхронизации. Минимальная
длительность внешнего импульса сброса приведена в таблице 19. Действие
импульса меньшей продолжительности не гарантирует генерацию сброса.
|
|
XTAL1
|
вход внешней синхронизации
и подключения генератора.
|
|
XTAL2
|
вход внешней синхронизации.
|
|
AVCC
|
вход питания порта F и
аналогово-цифрового преобразователя. Он должен быть внешне связан с VCC, даже
если АЦП не используется. При использовании АЦП этот вывод связан с VCC через
фильтр низких частот.
|
|
AREF
|
вход подключения источника
опорного напряжения АЦП.
|
|
PEN
|
вход разрешения
программирования для режима последовательного программирования через
интерфейс SPI. Если во время действия сброса при подаче питания на этот вход
подать низкий уровень, то микроконтроллер переходит в режим последовательного
программирования через SPI. В рабочем режиме PEN не выполняет никаких
функций.
|
Алгоритм работы управляющей программы для микроконтроллера будет
следующим (рис. 9).
Рис. 9 - Алгоритм работы управляющей программы для МК
.5 Описание и реализация выходного интерфейса
- интерфейс передачи информации между двумя устройствами на расстоянии до
20 м (средняя скорость передачи - 19200 бод). Информация передается по проводам
с уровнями сигналов, отличающимися от стандартных 5В, для обеспечения большей
устойчивости к помехам. Асинхронная передача данных осуществляется с
установленной скоростью при синхронизации уровнем сигнала стартового импульса.
По структуре это обычный асинхронный последовательный протокол, то есть
передающая сторона по очереди выдает в линию 0 и 1, а принимающая отслеживает
их и запоминает. Данные передаются пакетами по одному байту (8 бит) (рис.10).
Вначале передаётся стартовый бит, противоположной полярности состоянию
незанятой (idle) линии, после чего передаётся непосредственно кадр полезной
информации, от 5 до 8-ми бит.
Увидев стартовый бит, приемник выжидает интервал T1 и считывает первый
бит, потом через интервалы T2 считывает остальные информационные биты.
Последний бит - стоповый бит (состояние незанятой линии), говорящий о том, что
передача завершена. Возможно 1, 1.5, 2 стоповых бита.
Рис. 10 - Структура пакета передачи данных по интерфейсу RS-232
В конце байта, перед стоп битом, может передаваться бит четности (parity
bit) для контроля качества передачи. Он позволяет выявить ошибку в нечетное
число бит (используется, так как наиболее вероятна ошибка в 1 бит).
Устройства для связи по последовательному каналу соединяются кабелями с
9-ю или 25-ю контактными разъёмами типа D-sub. Обычно они обозначаются DB-9,
DB-25, CANNON 9, CANNON 25.
Рис. 11 - Уровни сигналов интерфейса RS-232
Для интерфейса RS-232 выбираем ИМС MAX232. На рис.12 изображены удвоитель
напряжения и инвертор напряжения +15В в -15В. Эти напряжения используются для
формирования сигналов соответствующих RS-232. MAX232 позволяет подключить два
последовательных порта.
Рис. 12 -
Структурная схема ИМС MAX232
4. РАСЧЕТ НАДЕЖНОСТИ
Среди многочисленных характеристик, отражающих производительность,
эксплуатационные свойства и особенности конструкции схем, выделяют несколько
основных, по которым можно произвести оценку в отношении соответствия
требованиям, предъявляемым при разработке схемы. К таким характеристикам
относят такой показатель надёжности как вероятность безотказной работы в
течение заданного времени.
Вероятность безотказной работы схемы за время t, будет вычисляться по
формуле:
,
здесь
- интенсивность отказов всех элементов схемы, 1/ч.
Для
ее определения необходимо воспользоваться справочными данными или рассчитать по
формуле:
,
где
Ni - количество элементов в каждой группе;
λ - интенсивность отказа элементов в этой группе.
Значение
интенсивности отказа выберем из справочника для выбранной серии элементов и
сведем расчеты в таблицу.
|
Наименование элемента
|
Значение интенсивности
отказов , 1/чКол-во NiРезультирующая
интенсивность отказов , 1/ч
|
|
|
|
ИМС MAX4044
|
0,02*10-6
|
4
|
0,08*10-6
|
|
ИМС MAX232
|
0,01*10-6
|
1
|
0,01*10-6
|
|
ИМС ATmega128
|
0,015*10-6
|
1
|
0,015*10-6
|
|
ИМС CSM1
|
0,31*10-6
|
4
|
1.24*10-6
|
|
Резистор С1-33N-0,125
|
1,0*10-6
|
1
|
1*10-6
|
|
Конденсаторы SMD0804
15пФ
|
4,3*10-6
|
7
|
30.1*10-6
|
|
Резонатор кварцевый
|
0,05*10-6
|
1
|
0,05*10-6
|
|
Датчик CSM1
|
4,5*10-6
|
4
|
18.0*10-6
|
|
Интенсивность отказов всех
элементов схемы 50,495*10-6
|
|
Зададимся временем t=1000 часов, тогда вероятность безотказной работы
всей схемы за время t будет следующей:
Полученная
надежность удовлетворяет требованиям к надежности электронных устройств.
5.
ЗАКЛЮЧЕНИЕ
В
настоящее время, микроконтроллеры занимают огромную нишу в электронной
аппаратуре. Основные требования, которые потребители предъявляют к управляющим
блокам приборов можно сформулировать следующим образом: низкая стоимость,
высокая надежность, высокая степень миниатюризации, малое энергопотребление,
работоспособность в жестких условиях эксплуатации; достаточная
производительность для выполнения всех требуемых функций. Всем вышесказанным
требованиям отвечает применение микроконтроллера в качестве управляющего
устройства при разработке новых устройств.
По
полученному заданию была спроектирована система сбора и обработки информации от
аналогового датчика физической величины. В соответствии с заданием был описан
принцип работы аналогового датчика и выбрана модель датчика. Также был описан
тип аналого-цифрового преобразователя, выбрана его микросхема и проведены
необходимые расчеты. Был проведен выбор и расчет аналоговой измерительной части
устройства (операционный усилитель), выбран микроконтроллер в качестве
управляющего блока всей системы и разработан алгоритм его работы в проектируемой
системе. Также был описан выходной интерфейс системы.
В
ходе проектирования были закреплены знания работы с микроконтроллерами и
цифровыми микросхемами, получен полезный опыт разработки подобных устройств.
Для получения информации по разработке широко использовались отечественные и
зарубежные информационные источники.
Была
разработана электрическая структурная и принципиальная схема устройства.
аналоговый датчик
микросхема преобразователь
6. СПИСОК ЛИТЕРАТУРЫ
1. Фрайден
Дж. Современные датчики. Справочник. - М.: МРБ, 2007. - 508 с.
2. Ларент
Ф. Применение АЦП в микроконтроллерных системах. - М.: Инфра-М, 2004. - 320 с.
. Федорков
Б. Г., Телец В. А., Дегтяренко В. П. Микроэлектронные цифро-аналоговые и
аналого-цифровые преобразователи. М,: Радио и связь, 1984.
. Предко
М. Микроконтроллеры. Справочное пособие инженера. - М.: Радио, 2003. - 624 с.
. Интегральные
микросхемы: Справочник/ И73 Б. В. Тарабрин, Л. Ф. Лунин, Ю. Н. Смирнов и др.;
Под ред.Б. В. Тарабрина. - 2-е изд., испр. - М; Энергоатомиздат, 1985. - 528
с., ил.
. Технология
производства ЭВМ: Учеб. для студ. вузов по спец. Вычислительные машины,
комплексы, системы и сети./ У93 Н. Н. Ушаков; - 3-е изд., перераб. и доп. - М.;
Высш. Шк., 1991. - 416 с.; ил.
. Резисторы,
конденсаторы, трансформаторы, дроссели, коммутационные устройства РЭА
(справочник) / Под ред. Акимов Н.Н., Прохоренко В.А., Ходоренок Ю.П., Ващук
Е.П. - Мн.: Беларусь, 1994.
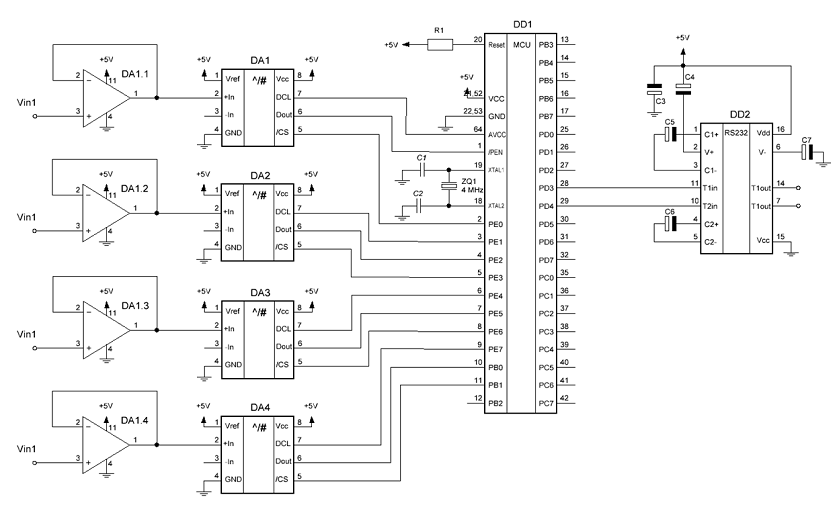
ПРИЛОЖЕНИЕ А - СХЕМА ЭЛЕКТРИЧЕСКАЯ СТРУКТУРНАЯ
ПРИЛОЖЕНИЕ Б - СХЕМА ЭЛЕКТРИЧЕСКАЯ ПРИНЦИПИАЛЬНАЯ
