Проектирование сумматора двоично-десятичных чисел

  • Вид работы:
    Курсовая работа (т)
  • Предмет:
    Информатика, ВТ, телекоммуникации
  • Язык:
    Русский
    ,
    Формат файла:
    MS Word
    602,06 Кб
  • Опубликовано:
    2014-02-08
Вы можете узнать стоимость помощи в написании студенческой работы.
Помощь в написании работы, которую точно примут!

Проектирование сумматора двоично-десятичных чисел

ВВЕДЕНИЕ

В процессе курсового проектирования необходимо разработать два цифровых устройства. Все цифровые устройства делятся на комбинационные и последовательностные. Комбинационные устройства называют также комбинационными цепями (КЦ), а последовательностные - автоматами с памятью (АП). Различия между КЦ и АП имеют фундаментальный характер.

Выходные величины КЦ зависят только от текущего значения входных величин (аргументов). Предыстория значения не имеет. После завершения переходных процессов в КЦ на их выходах устанавливаются выходные величины, на которые характер переходных процессов влияния не оказывает. Во время переходных процессов на выходах КЦ появляются временные сигналы, не предусмотренные описанием работы КЦ и называемые рисками. Со временем они исчезают, и выход КЦ приобретает значение, предусмотренное логической формулой, описывающей работу цепи. С этой точки зрения переходные процессы в КЦ не опасны. Сумматор относится к категории КЦ.

Переходы АП из одного состояния в другое начинаются с некоторого исходного состояния Q0, задание которого также является частью задания автомата. Следующее состояние зависит от Q0 и поступивших входных сигналов X. В конечном счете, текущее состояние и выходы автомата зависят oт начального состояния и всех векторов X, поступавших на автомат в предшествующих сменах входных сигналов. Таким образом, вся последовательность входных сигналов определяет последовательность состояний и выходных сигналов. Это объясняет название «последовательностные схемы», также применяемое для обозначения АП.

Автоматы с памятью в каноническом представлении разделяют на две части: память и комбинационную цепь. На входы КЦ полаются входные сигналы и сигналы состояния АП. На ее выходе вырабатываются выходные сигналы и сигналы перевода АП в новое состояние.

1. ПРОЕКТИРОВАНИЕ СУММАТОРА ДВОИЧНО-ДЕСЯТИЧНЫХ ЧИСЕЛ

.1 Назначение устройства. Структурная схема

По заданию нам необходимо создать сумматор двоично-десятичных чисел. Исходя из задания структурную схему можно представить в виде, представленном на рисунке 1.

Рисунок 1 - Структурная схема устройства.

.2 Функциональная схема сложения в двоично-десятичном коде

По общему правилу сложения двоично-десятичных чисел к тетрадам числа с большим модулем прибавляются дополнительные до числа 910 = 10012 коды тетрад другого числа. Поскольку максимальное значение чисел на входах и выходе арифметического устройства ограничено величиной 199, в сумматоре достаточно 2,25 декад.

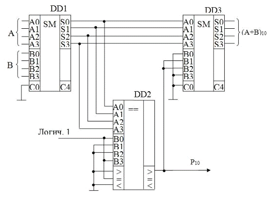
Рисунок 2 - Сумматор двоично-десятичных чисел

На рисунке 2 изображена схема одной декады сумматора двоично-десятичных чисел, выполненного на интегральных 4-разрядных двоичных сумматорах DD1 и DD3 и компараторе DD2. Операцию сложения выполняет сумматор DD1. При сумме большей или равной десяти на выходе микросхемы DD2, которая является схемой сравнения двоичных чисел, формируется сигнал переноса Р10. На второй вход (B0…B3) микросхемы DD2 подается двоичный эквивалент числа 9 (1001). Сумматор DD3 осуществляет десятичную коррекцию результата суммирования. При отсутствии сигнала переноса на выходе микросхемы DD3 повторяется код числа, который был на выходе DD1, поскольку на входы В поданы лог. 0. При наличии сигнала переноса Р10 = 1 на входах В1 и В2 устанавливаются лог. 1, что соответствует коду числа 6.

1.3 Элементная база устройства

Для проектирования заданного дискретного устройства (ДУ) в курсовой работе используется 1561 (CD4000B) серия МИС, обзор основной элементной базы которой приведен ниже.

Эти микросхемы отличаются очень малым потреблением тока в статическом режиме - 0,1... 100 мкА, высокой надежностью и помехоустойчивостью.

Отличительной особенностью микросхем серии КР1561 является наличие буферных элементов не только на выходах сложных элементов, как в микросхемах серий К176, К561 и 564, но и на входах и выходах всех микросхем, независимо от их сложности. Кроме того, микросхемы КР1561 защищены от перегрузок как по входу, так и по выходу (в выходные цепи добавлены токоограничительные резисторы), но некоторые из элементов данной серии имеют меньший допустимый диапазон питающего напряжения.

Стандартные статические нагрузочные характеристики микросхем серии КР1561 следующие. При лог. 0 на выходе и выходном напряжении 0,4; 0,5; 1,5 В выходной втекающий ток не менее 0,44; 1,1; 3 мА при напряжении питания 5,10,15 В соответственно. Те же нормы существуют и для вытекающих токов в состоянии лог. 1 при выходном напряжении 4,6; 9,5; 13,5 В соответственно. Кроме того, гарантируется, что при напряжении питания 5 В, выходном напряжении 2,5 В выходной вытекающий ток при лог. 1 составит не менее 1,36 мА.

Реально выходные токи микросхем серии КР1561 значительно больше. При лог. 0 на выходе и выходном напряжении 0,5 В выходной ток составляет примерно 3...5, 5...10, 6...15мА при напряжении питания 5, 10, 15 В соответственно. Аналогично вытекающий ток в состоянии лог. 1 при выходном напряжении, на 0,5 В меньшем, чем напряжение питания, составляет при тех же напряжениях питания примерно 1,2... 1,5; 2...3; 3...4 мА.

При напряжении на выходе 1 В в состоянии лог. 0 выходной втекающий ток составляет 6...10,10...20,12...25 мА при указанных выше напряжениях питания, при напряжении, на 1 В меньшем напряжения питания, в состоянии лог. 1 вытекающий ток 2...3, 4...5,5...7 мА соответственно.

Ток короткого замыкания при напряжении 5 В составляет около 10 мА в состоянии лог. 0 и около 6 мА в состоянии лог. 1, что позволяет подключать практически любые светодиоды к выходам микросхем этой серии без ограничительных резисторов. При напряжении питания 10 или 15 В ток короткого замыкания может достигать 20...60 мА, поэтому включение ограничительных резисторов необходимо.

Серии микросхем на КМОП-структурах, в частности 1561 серия, имеют на частоте 1 МГц динамическую мощность потребления 20мВт/ЛЭ, а их статическая мощность потребления измеряется единицами микроватт. Семейство быстродействующих КМОП-схем отличается от своих предшественников соответственно в 5 и 10 раз увеличенным быстродействием. Напряжение U0 = 0В (вход схемы “0”) подводится к выводу 7 и UП=+10B   (вход схемы Uп) - к выводу 14.

Время задержки tздр=150 нс.

КР1561ЛА7              КР1561ЛА8                 КР1561ЛА9

          

КР1561ЛЕ10            КР1561ЛЕ5              КР1561ЛЕ6

  

КР1561ЛН2                 КР1561ЛП2             КР1561ИМ1

  

КР1561ИП2       

Рисунок 3 - элементная база серии КР1561

КР1561ЛА7 - 4 элемента 2И-НЕ

КР1561ЛА8 - 2 элемента 4И-НЕ

КР1561ЛА9 - 3 элемента 3И-НЕ

КР1561ЛЕ10 - 3 элемента 3ИЛИ-НЕ

КР1561ЛЕ5 - 4 элемента 2ИЛИ-НЕ

КР1561ЛЕ6 - 2 элемента 4ИЛИ-НЕ

КР1561ЛН2 - 6 элементов НЕ с буферным выходом

КР1561ЛП2 - 4 элемента ИСКЛЮЧАЮЩЕЕ ИЛИ

КР1561ИМ1 - полный четырехразрядный сумматор

КР1561ИП2 - 4-разрядная схема сравнения

.4 Время выполнения операции

Быстродействие арифметического устройства следует оценивать по максимальной частоте тактовых импульсов, поступающих на синхронизирующий вход.  Максимальная частота тактовых импульсов - это максимально допустимая частота подаваемых в дискретное устройство импульсов, не приводящих к нарушению его работы. В общем случае для расчета максимальной тактовой  частоты необходимо определить минимальные длительности тактового импульса  и паузы между тактовыми импульсами. Тогда частоту fmax можно определить по формуле:

.

Длительность такта для синхронных схем дискретного устройства определяется исходя из быстродействия используемого триггера. Длительность паузы между тактовыми импульсами определяется временем переходного процесса в дискретном устройстве и оценивается максимальной длиной функциональной цепи:

 ,

где  -  максимальная задержка сигнала на одном элементе;          -  число уровней функциональной цепи  (глубина КСх);

Вычисляем  максимальную тактовую частоту дискретного устройства:

2. ПРОЕКТИРОВАНИЕ СУММИРУЮЩЕГО СЧЕТЧИКА В КОДЕ ГРЕЯ

.1 Принцип работы счетчика

Счётчики используются для построения таймеров или для выборки инструкций из ПЗУ в микропроцессорах. Они могут использоваться как делители частоты в управляемых генераторах частоты (синтезаторах). При использовании в цепи ФАП счётчики могут быть использованы для умножения частоты как в синтезаторах, так и в микропроцессорах.

Простейший вид счётчика - двоичный может быть построен на основе T-триггера. T-триггер изменяет своё состояние на прямо противоположное при поступлении на его вход синхронизации импульсов. Счётчики могут не только увеличивать своё значение на единицу при поступлении на счётный вход импульсов, но и уменьшать его.

Схема счётчика, позволяющего посчитать любое количество импульсов, меньшее шестнадцати, приведена на рисунке 4. Количество поступивших на вход импульсов можно узнать, подключившись к выходам счётчика Q0 … Q3. Это число будет представлено в двоичном коде.

Рисунок 4 - Схема четырёхразрядного счётчика, построенного на универсальных D-триггерах.

Для того чтобы разобраться, как работает схема двоичного счётчика, воспользуемся временными диаграммами сигналов на входе и выходах этой схемы, приведёнными на рисунке 5.

Рисунок 5 - Временная диаграмма четырёхразрядного счётчика.

Пусть первоначальное состояние всех триггеров счётчика будет нулевым. Это состояние мы видим на временных диаграммах. Запишем его в таблицу 1. После поступления на вход счётчика тактового импульса (который воспринимается по заднему фронту) первый триггер изменяет своё состояние на противоположное, то есть единицу.

Запишем новое состояние выходов счётчика в ту же самую таблицу. Так как по приходу первого импульса изменилось состояние первого триггера, то этот триггер содержит младший разряд двоичного числа (единицы). В таблице поместим его значение на самом правом месте, как это принято при записи любых многоразрядных чисел. Здесь мы впервые сталкиваемся с противоречием правил записи чисел и правил распространения сигналов на принципиальных схемах.

Подадим на вход счётчика ещё один тактовый импульс. Значение первого триггера снова изменится на прямо противоположное. На этот раз на выходе первого триггера, а значит и на входе второго триггера сформируется задний фронт. Это означает, что второй триггер тоже изменит своё состояние на противоположное. Это отчётливо видно на временных диаграммах, приведённых на рисунке 5. Запишем новое состояние выходов счётчика в таблицу 1. В этой строке таблицы образовалось двоичное число 2. Оно совпадает с номером входного импульса.

Продолжая анализировать временную диаграмму, можно определить, что на выходах приведённой схемы счётчика последовательно появляются цифры от 0 до 15. Эти цифры записаны в двоичном виде. При поступлении на счётный вход счётчика очередного импульса, содержимое его триггеров увеличивается на 1. Поэтому такие счётчики получили название суммирующих двоичных счётчиков.

.2 Элементная база счетчика

Для построения устройств автоматики и вычислительной техники широкое применение находят цифровые микросхемы серии К155, которые изготавливают по стандартной технологии биполярных микросхем транзисторно-транзисторной логики (ТТЛ). Имеется свыше 100 наименований микросхем серии К155. При всех своих преимуществах - высоком быстродействии, обширной номенклатуре, хорошей помехоустойчивости - эти микросхемы обладают большой потребляемой мощностью. Поэтому им на смену выпускают микросхемы серии К555, принципиальное отличие которых - использование транзисторов с коллекторными переходами, зашунтированными диодами Шоттки. В результате транзисторы микросхем серии К555 не входят в насыщение, что существенно уменьшает задержку выключения транзисторов. К тому же они значительно меньших размеров, что уменьшает емкости их р-n-переходов. В результате при сохранении быстродействия микросхем серии К555 на уровне серии К155 удалось уменьшить ее потребляемую мощность примерно в 4...5 раз. 

Для проектирования заданного счетчика в курсовой работе используется 555 серия МИС, она обладает существенно пониженным временем задержки распространения, обзор основной элементной базы которой приведен ниже.

Типовые параметры:

удельная потребляемая мощность 2 мВт/лэ;

работа переключения 19 пДж;

коэффициент разветвления по выходу 20;

напряжение питания +5 В.

ЛН1           555 ЛА1              555 ЛА2              555 ЛА3

                                  

ЛА4           555 ЛЕ1              555 ЛЕ4              555 ЛЕ7

                              

555 ЛП2              555 ТМ2             555 ТМ7             555 ТМ2

            

Рисунок 6 - Элементная база серии 555

ЛН1 - 6 логических элементов НЕ;

ЛА1 - 2 логических элемента 4И-НЕ;

ЛА2 - логический элемент 8И-НЕ;

ЛА3 - 4 логических элемента 2И-НЕ;

ЛА4 - 3 логических элемента 3И-НЕ;

ЛЕ1 - 4 логических элемента 2ИЛИ-НЕ;

ЛЕ4 - 3 логических элемента 3ИЛИ-НЕ;

ЛЕ7 - 2 логических элемента 5ИЛИ-НЕ;

ЛП2 - 4 логических элемента ИСКЛЮЧАЮЩЕЕ ИЛИ;

ТМ2 - два D-триггера с установочными входами;

ТМ7 - 4 D-триггера с прямыми и инверсными выходами.

Установка триггера по входам R и S принудительная, поэтому сигналы синхронизации С и информационного входа D не изменяют состояние триггера на выходе во время действия сигналов R и S. По фронту первого импульса синхронизации на входе С логический уровень, присутствующий на входе D, записывается на первый однотактный триггер. По фронту второго импульса синхронизации на входе С логический уровень, присутствующий на входе D, записывается на второй однотактный триггер.

Входы R и S не зависят от импульсов синхронизации, т.е. являются асинхронными, и имеют активные высокие уровни. Поступление высокого уровня на входы R и S устанавливают оба однотактных D-триггера соответственно в «1», а низкого - в «0» независимо от входов D и C.

.3 Синтез функций возбуждения триггеров

.3.1 Режим хранения

Для режима хранения нам необходимо, чтобы на входы R и S поступали сигналы разного уровня.

То есть , входы D и C в данном режиме в данном режиме должны быть неактивными.

.3.2 Режим загрузки

В режиме загрузки нам необходимо загрузить такт работы счетчика. В данном случае сигнал, который должен появиться на Q, подается на входы R и S.

То есть

.3.3 Режим счета

Составим таблицу возможных переходов данного счетчика.

Таблица 1 - возможные переходы счётчика в коде Грея

Номер входного импульса

В момент t Q3 Q2 Q1 Q0

В момент t+1 Q3 Q2 Q1 Q0

Функции возб. Триг. D3 D2 D1 D0

0

0000

0001

0    0    0    1

1

0001

0011

0    0    1    1

2

0011

0010

0    0    1    0

3

0010

0110

0    1    1    0

4

0110

0111

0    1    1    1

5

0111

0101

0    1    0    1

6

0101

0100

0    1    0    0

7

0100

1100

1    1    0    0

1100

1101

1    1    0    1

9

1101

1111

1    1    1    1

10

1111

1110

1    1    1    0

11

1110

1010

1    0    1    0

12

1010

1011

1    0    1    1

13

1011

1001

1    0    0    1

14

1001

1000

1    0    0    0

15

1000

0000

0    0    0    0


Минимизируем полученные функции возбуждения триггеров:


Запишем получившиеся функции:

       

Если провести минимизацию для 5 переменных, то получим следующие функции:

  

По аналогии получим функции возбуждения триггеров и для 8 переменных:


.4 Анализ работы счетчика после сбоя

В данном счетчике сбоев быть не должно, так как каждое состояние учтено в функциях возбуждения триггеров.

2.5 Временные диаграммы. Быстродействие счетчика

сумматор счетчик триггер временная

Рисунок 8 - Временные диаграммы счётчика в коде Грея

.6 Анализ устойчивости

Временные состязания - это явление, которое может возникнуть при переключении триггера в новое состояние. Заключается оно в том, что новое значение на выходе триггера  изменяет входную комбинацию сигналов, а это в свою очередь вызовет новое переключение триггера. Таким образом, элемент памяти может переключаться неоднократно и в результате возникают ложные комбинации.

ЗАКЛЮЧЕНИЕ

В ходе выполнения курсового проекта освоены практические навыки проектирования и синтеза сумматора двоично-десятичных чисел, а также суммирующего счетчика в коде Грея. В результате получены схемы его реализации на элементах малой степени интеграции.

БИБЛИОГРАФИЧЕСКИЙ СПИСОК

Иванов, В.И. Проектирование цифровых  устройств [Текст]:  учеб.  пособие  для  студентов  вузов / В.И.  Иванов,  В.С. Титов, М.В.  Бобырь,  А.С.  Ястребов;  Юго-Западный  гос.  ун-т.

Угрюмов, Е.П. Проектирование элементов и узлов ЭВМ [Текст]: Учеб. пособие для вузов/ Е.П. Угрюмов - М.: Высш. шк., 1987.- 318 с.

Аванесян, Г.Р. Интегральные микросхемы ТТЛ, ТТЛШ [Текст]: Справочник/ Г.Р. Аванесян, В.П. Левшин - М.: Машиностроение, 1993.- 256 с.

Применение интегральных микросхем в электронной вычислительной технике [Текст]. Справочник / Р.В. Данилов, С.А. Ельцова, Ю.П. Иванов и др.; Под ред. Б.Н. Файзулаева и Б.В. Тарабрина.- М.: Радио и связь, 1987.- 384 с.

Шило, В.Л. Популярные цифровые микросхемы [Текст]: Справочник/ В.Л. Шило - М.: Радио и связь, 1987.- 352 с.

Чье, Ен Ун .Электроника.  Цифровые  элементы  и  устройства:  Учеб.  пособ. Хабаровск: Изд-во Хабар. гос. техн. ун-та, 2002. - 97 с.

Похожие работы на - Проектирование сумматора двоично-десятичных чисел

 

Не нашли материал для своей работы?
Поможем написать уникальную работу
Без плагиата!
Без нейросетей!