|
№
РАТС
|
Тип
АТС
|
Емк.
АТС
|
Номера
аб.
|
Типы
СЛ
|
Примечание
|
|
РАТС
2
|
ДШС
54
|
2000
NN
|
21ХХХ
22ХХХ
|
ФСЛ
|
l »3
км
|
|
РАТС
3
|
КВАНТ
- Е
|
2000
NN
|
33ХХХ
34ХХХ
|
ЦСЛ
|
l »1 км
|
|
РАТС
9
|
АТСК
100/2000
|
3000
NN
|
92ХХХ
94ХХХ
|
ФСЛ
|
l »0,1 км (в
том же здании)
|
|
РАТС
4
|
АТСК-У
|
3000
NN
|
41ХХХ
43ХХХ
|
ФСЛ
|
Центральная
РАТС
|
|
АМТС
и УСС
|
АХЕ10
|
10000
Е0
|
8АВСавххххх
|
ЦСЛ
|
В
обл. центре
|
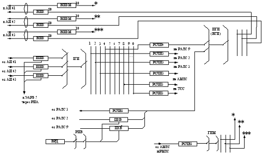
Рисунок 2 - Схема включения ИШК,
ИСЛ, ВСЛ и ВШК и ВШКМ в выходы и на входы КС (I ГИ и IIГИ) ЦРАТС КУ
Как видно из этих материалов емкости АТС равны,
соответственно, 2000, 2000 и 3000 NN,
а МСС организованы по физическим и по цифровым СЛ (ФСЛ и ЦСЛ). Для более
наглядного представления МСС, а также и ВСС, на рисунке 2 приведена структурная
схема самой ЦРАТС4, на которой показана только схема построения ступеней
группового искания. Как видно из схемы, пучки ИШК от каждой из тысячных групп
абонентов включены на входы ступени IГИ.
В выходы этой ступени через ПЩ IГИ
- IIГИ включены пучки
ИСЛ к РАТС 2, 3 и 9, пучки ИСЛ на АМТС и на УСС, а также пучок ИСЛ к входам
ступени IIГИ, то -
есть к абонентам своей РАТС4. На входы ступени IIГИ,
кроме пучка ИСЛ/ВСЛ из поля IГИ,
включены также ВСЛ от 2, 3 и 9 АТС. Пучок ВСЛ от АМТС включен на входы
выделенной группы стативов IIГИМ,
но его можно включить и на выделенные входы ступени IIГИ/ГИМ.
В поле ступени IIГИ
пока организовано только три пучка ВШК (по числу тысячных групп на АТС4) и три
пучка ВШКМ. Из схемы видно, что емкости пучков ИШК и ВСЛ, определяют объем
группового оборудования на ЦРАТС, а емкости пучков ИСЛ объемы такого же
оборудования на встречных РАТС. В то же время емкости пучков и ИСЛ, и ВСЛ (и
длины линий) определяют объемы дорогостоящего линейно-кабельного оборудования и
оборудования систем передачи, используемого на сети для организации МСС между
РАТС. При увеличении емкости ЦРАТС даже на 1000 NN
необходимо будет изменить, скорее всего увеличить, емкости пучков ИСЛ и ВСЛ на
МСС ЦРАТС и, следовательно, затратить на эти изменения денежные, материальные и
трудовые ресурсы. Чтобы минимизировать эти затраты, целесообразно
предварительно определить условия работы пучков СЛ на МСС ЦРАТС. Поэтому
рассмотрим этот вопрос подробнее.
2.
Определение характеристик условий работы мсс
цратс
Как известно из теории [1.2], важнейшими
характеристиками условий работы МСС на сети связи являются емкости и
доступности пучков СЛ между АТС, оценки средних интенсивностей нагрузок,
проходящих через эти пучки в ЧМН РД ННС и оценки средних потерь по вызовам на
этих пучках, которые встречают абоненты в те же ЧМН ННС.
Емкости и доступности пучков СЛ на участках сети
обычно определяют при очередном перепроектировании сети, обусловленном
необходимостью строительства новой РАТС, расширением емкости какой-либо из
имеющихся РАТС, а также необходимостью подключения новой УАТС или УПАТС или
расширением емкости какой-либо из имеющихся УАТС. Так и на рассматриваемой ЦРАТС
емкости и доступности пучков ИШК, ВШК, ВШКМ, ИСЛ и ВСЛ были определены при
последнем перепроектировании сети три года назад. Это было обусловлено
строительством новой электронной РАТС3, построенной взамен устаревшей АТС
ДШС54А на ее площадях, с одновременным увеличением ее емкости с 1000 NN
до 2000 NN. Поэтому на
рассматриваемой РАТС емкости и доступности предопределены существующим
состоянием ЦРАТС и ее МСС и приведены в соответствующих позициях таблицы №3.
Как видно из этой таблицы, доступности пучков ИШК предопределены параметрами
блоков АИ-АВ, а пучков ИСЛ и ВШК емкостями и стоимостью этих ИСЛ (чем больше
емкость пучка и чем дороже СЛ, тем больше выделенная для них доступность).
Доступность же пучков ВСЛ определяется еще и типом встречной АТС (пучки СЛ от
электронных РАТС и от АМТС являются полнодоступными). Так как пучки ИШК, ВШК и
ИСЛ на АТСКУ являются еще и блокируемыми, то для упрощения рассмотрения и в то
же время для учета влияния внутренних блокировок, в рассмотрение принимаем
приближенные оценки доступностей, которые меньше конструктивных (выделенных)
доступностей (Дэф £ 5 при Д = 10; Дэф
£
15 при Д = 20 и Дэф £ 30 при Д = 40).
Самой же важной характеристикой условий работы
на каждом из участков МСС ЦРАТС является оценка средней интенсивности нагрузки,
пропущенной пучком ШК или СЛ в часы с максимальными нагрузками в рабочие дни
наиболее нагруженного сезона года - СИН ЧМН РД ННС. Для определения этих оценок
были выполнены выборочные изменения нагрузок через пучки ИШК, ВШК и ВШКМ одной
из тысячных групп ЦРАТС (самой нагруженной по отзывам электромехаников АТС), а
так же на всех пучках ИСЛ и ВСЛ. Измерения выполнялись методом отсчетов с
помощью обычного электромагнитного счетчика (R=2000
Ом), один конец которого был подключен к щупу (пружина от реле), а другой был
"посажен" на минус 60 В. Этим щупом измеритель периодически (5¸10
раз за час, то есть через каждые 6¸10 минут) проводил
по штифтам "d" (для
ИШК и ВШК) или по штифтам "c"
(для ИСЛ и ВСЛ) выделенных для каждого из пучков на рамках ПЩ на его стороне
входов. Так как при занятии ИШК, ВШК, ИСЛ или ВСЛ на проводе "d"
или "с" на все время занятия появляется плюс ЦБ ("земля"),
то, следовательно, счетчик при каждом сканировании (отсчете) всех линий пучка
срабатывает и подсчитывает число одновременно занятых линий в этом пучке. То
есть при каждом отсчете измеряется интенсивность пропущенной нагрузки в этот
момент. Измерения были выполнены в течении трех рабочих дней февраля месяца
2006г. в ЧНН, примерно с 10:15 до 11:15. Всего было получено около 10 отсчетов,
каждый из которых был вычислен, как разность:
i=xi
- xi-1
где xi
- число, накопленное счетчиком после выполнения i
- го отсчета на линиях определенного пучка, а xi-1
- число на счетчике до выполнения i
- го отсчета.
Все полученные значения отсчетов были занесены в
соответствующие графы таблицы 2. По этим результатам для каждого пучка были
вычислены оценки СИН в ЧНН РД ННС по формуле:
где yi
- i
- й
отсчет в ЧНН l
- дня (i=1…n
отсчетов)
Например, для пучка ИШК средняя величина
интенсивности пропущенной нагрузки оказалась равной:
Все эти оценки были занесены в графу 4 таблицы
3.
Так как СИН в ЧМН РД больше, чем СИН в ЧНН этих
же РД, а нас интересует СИН именно в ЧМН, то для оценки СИН в ЧМН воспользуемся
приближенной формулой:

Эти оценки СИН в ЧМН также были вычислены и
занесены в таблицу №3, но уже в графу 5.
Наконец следует учесть и то, что измерения были
проведены выборочно, в течении всего лишь 3 дней из всех 100 РД ННС ( примерно
в период с 15.10 по 15.04), так что они неизбежно содержат ошибку. Из теории
ошибок известно, что при распределении плотности вероятности появления
случайной величины (отсчетов yi)
по нормальному закону, эта случайная величина в 95% случаев, (например в 95
дней из всех 100 РД ННС) не превысит значений
.
Например, для пучка ИШК
Эти оценки также были вычислены и занесены в
таблицу 3, в графу 6.
Подобные расчеты выполняем для всех участков ВСС
и МСС и их результаты записываем в таблицу 3.
Другой важной величиной, характеризующей условия
работы каждого из пучков СЛ на МСС, являются оценка средних потерь по вызовам,
которые терпят абоненты при выходе на этот пучок СЛ. Рассмотрим порядок
определения этой величины подробней.
3.
Определение реальных и нормативных уровней качества обслуживания абонентов на
участках МСС сети связи ОП
Средние потери по вызовам в ЧМН РД ННС (СПВ)
являются основной характеристикой процесса обслуживания абонентов на
определенном участке МСС, то есть на пучке СЛ. Для их оценки необходимо
измерить в течение нескольких ЧМН РД ННС общее число исполненных вызовов и
общее число отказов и на основании этих данных вычислить оценку СПВ по формуле:
где
-
общее число отказов на пучке СЛ между i
и j РАТС,
- общее число
исполненных (пропущенных) вызовов на этом же пучке СЛ за все ЧМН РД ННС, в
течении которых производились измерения.
К сожалению на рассматриваемой ЦРАТС4 как и на
многих других РАТС ГТС,. не были смонтированы счетчики отказов и исполненных
вызовов, и следовательно, на ней невозможно определить оценки СПВ на пучках СЛ
МСС ЦРАТС путем прямых измерений чисел отказов и исполненных вызовов. Поэтому
хотя бы для приближенной оценки СПВ на пучках СЛ воспользуемся методом их
косвенной оценки на основе известных значений емкостей пучков и их эффективных
доступностей и оценок средних интенсивностей нагрузок в ЧМН, пропущенных через
СЛ.
В соответствии с этим методом оценки СПВ можно
определить используя известные выражения вида:
где YPij
- оценки СИН;
Vij
- емкости пучков СЛ;
Dэфij
- оценки эффективных доступностей пучков СЛ.
Все эти величины для всех пучков СЛ ЦРАТС4 были
определены ранее и размещены в графах 3, 4 и 7 таблицы 3, так что остается
выбрать соответствующие конкретным условиям работы каждого из пучков СЛ формулы
и с их использованием вычислить оценки СПВ.
Так для оценки СПВ на неполнодоступных и
блокируемых пучках ИШК, ВШК и ВШКМ следует использовать формулу Пальма:
где
-
выражения 1 формулы Эрланга.
Следует отметить, что в руководстве есть таблица
4, которую можно использовать для упрощения вычислений по формуле Пальма.
В соответствии с этим для самого нагруженного
пучка ИШК оценка СПВ равна:
,
Аналогично
и
.
Таким образом из расчета следует, что при
существующих условиях работы потерь на пучках ИШК, ВШК и ВШКМ нет. Это
означает, что емкости этих пучков на ЦРАТС4 существенно завышены и при
необходимости их можно уменьшить.
Аналогично определим оценки СПВ и на пучках СЛ
МСС ЦРАТС4, используя для этого данные из таблицы 3.
Результаты расчетов оценок СПВ размещаем в графе
8 таблицы 3. Для сравнения этих оценок с нормативными уровнями СПВ в соседней
графе 9 той же таблицы приведены эти нормативные оценки СПВ. Они выбраны в
соответствии с рекомендациями. На внутристанционных связях (ВСС) ЦРАТС (пучки
ИШК, IIГИвнутр
и ВШК) СПВ приняты равными 0,005, на внешних МСС (пучки ИСЛ и ВСЛ) СПВ
приняты равными 0,01, а на МСС с АМТС и УСС (пучки ИСЛ, ВСЛ и ВШКМ) СПВ приняты
равными 0,001.
Как видно из сравнения только на пучке ИСЛ между
ЦРАТС и РАТС 9 потери приближенно соответствуют нормативному уровню. Почти на
всех остальных участках МСС потерь фактически нет, но на пучке ИСЛ к АМТС и к
РАТС 3,а также на пучке ВСЛ от СПУ и от РАТС3 потери больше нормативных. Такое
состояние этих МСС по-видимому обусловлено тем, что за последние годы величина
СИН на АМТС существенно возросла, так как через АМТС идет поток вызовов на СПС.
Величина СИН от СПУС увеличилась из-за появления новых телефонов в нескольких
десятках удаленных поселений, установленных в них в соответствии с программой
обеспечения доступа их жителей на сеть ОП и на сеть ПД "Интернет", а
также и из-за увеличения потока вызовов на СПС (через АМТС) от абонентов УАТС и
АТС ОС СТС.
Для еще более наглядного представления условий
работы на участках ВСС и МСС ЦРАТС4 желательно знать, сколько же линий нужно в
пучках СЛ при выполнении нормированных уровней СПВ на этих пучках СЛ при тех
оценках СИН через них, которые были получены в результате измерений и расчетов.
4. Определение емкостей пучков СЛ на участках
ВСС и МСС ЦРАТС4 при обеспечении нормированных уровней КОА на этих участках
Емкость пучков СЛ на каком-либо участке
определяют с помощью формул вида:
В соответствии с конкретными условиями выбираем
соответствующую формулу (1 формула Эрланга, формула Пальма или формула О.Делла
и т.п.) и по данным из таблицы 3 определяем проектные емкости пучков СЛ на
каждом участке.
Для выбора формулы предварительно находим
приближенную оценку
и сравниваем ее с Dэф.
Если
,
то есть если пучок полнодоступный, то для расчета используем 1 формулу Эрланга
или таблицу 1 из приложения.
Если
,
то есть если пучок неполнодоступный то для расчета используем либо формулу
Пальма или таблицу 4 из приложения. В этом случае можно также использовать и
формулу О.Делла, выбрав коэффициенты a и b
из таблицы 5 из приложения.
Например,









определяется по 1
формуле Эрланга из уравнения
так же как и
Полученные значения V
заносим в графу 9 таблицы 3. Для еще большей наглядности определим разности
вида
.
Например, для пучка ИШК
. Такие расчеты
выполняем для всех участков и результаты заносим в графу 10 таблицы 3. Теперь
из полученных и представленных в таблице 3 материалов очень наглядно видны, не
только оценки реальных величин СИН и СПВ, но и то, что при обеспечении
нормированных условий работы пучков СЛ на ступенях IГИ
и IIГИ можно
высвободить значительное число резервных входов, а на линейно-кабельной сети
(ЛКС) значительное число резервных СЛ. Более того из материалов в таблице 3
видны и реальные потребности в дополнительных линиях на таких важных участках
МСС, как ИСЛ на АМТС и ВСЛ от СПУ. Кроме этого, используя материалы
представленные в таблице 3, можно получить дополнительные сведения, полезные
для планирования развития сети. Рассмотрим их подробней.
5.
Определение резервов пропускной способности пучков СЛ на ВСС и МСС ЦРАТС
Еще одной важной характеристикой условий работы
каждого из пучков СЛ на ВСС и МСС РАТС является СИН, которую может пропустить
каждый из имеющихся пучков СЛ при соблюдении на нем нормированной величины СПВ.
Эту СИН можно определить из выражения вида:
где
известны
и приведены в таблице 3.
Для расчета оценок СИН надо выбрать
соответствующие формулы, а для облегчения выполнения этих расчетов использовать
таблицы, приведенные в приложении к руководству. Определим эти оценки СИН для
тех участков ВСС и МСС, на которых
.
В частности для ИШК, при
,
и
по
таблице 4, построенной по формуле Пальма для неполнодоступных пучков получим
(экстраполируя результаты при D=10
и D=20)
44
Эрл
Аналогично оценки СИН определим и для участков
МСС и все эти данные разместим в графе 11 в таблице 3. Для еще большей
наглядности в соседней графе 12 поместим разности
.
Из этих данных видно, что на многих участках ВСС и МСС пучки СЛ имеют
значительные резервы пропускной способности. Например пучки ИШК могут
пропустить дополнительную нагрузку, в совокупности превышающую СИН от 1000-й группы
абонентов.
Таблица 2 - Результаты измерений интенсивности
нагрузки на ЦРАТС4
Таблица 3 - Результаты обследования ЦРАТС4
Заключение
Заполненная всеми полученными оценками таблица 3
представляет собой очень наглядную картину условий работы на участках ВСС и МСС
ЦРАТС4. Поэтому результаты обследования этих условий работы позволяют гораздо
более осознанно и обоснованно планировать любые изменения на сети ОП и в
частности, увеличение емкости ЦРАТС4 еще на 1000 номеров.
Например из оценок условий работы пучков ИШК,
ВШК и ВШКМ видно, что выполнив сравнительно несложные перемонтажные работы на
ПЩ АИ-РИ и на ПЩ IIГИ-АИ,
можно высвободить такое число ИШК, ВШК и ВШКМ (вместе с входами в блоки РИ и IГИ
и в блоки IIГИ и АИ-СД)
которого вполне достаточно для обслуживания еще одной 1000 группы абонентов.
Отсюда следует, что для организации такой новой группы достаточно установить
только 10 новых блоков АИ-АВ и выполнить монтажные и перемонтажные работы по их
включению. Причем из результатов обследования МСС видно, что пучки СЛ на всех
участках МСС, кроме пучка СЛ на АМТС и пучка СЛ от УСПС имеют достаточные
резервы пропускной способности, чтобы пропустить на 20¸25%
нагрузки больше, чем в настоящее время. Более того на ступени IIГИ
число виртуальных резервных входов в составе пучка СЛ между IГИ
и IIГИ достаточно не
только для пропуска дополнительной нагрузки к 1000 новых абонентов, но и для
увеличения емкости пучка ВСЛ от УСПС до необходимых размеров за счет
перераспределения этих СЛ на ПЩ IГИ-IIГИ.
Таким образом результаты обследования представленные в таблице 3 позволяют не
только очень наглядно увидеть условия работы ВСС и МСС на ЦРАТС4, но и получить
значительную экономию средств, труда и времени при реконструкции или расширении
емкости этой РАТС.
Список литературы
Быков Ю.П., Абзапарова Е.А. Теория
телетрафика: Учебное пособие. - Екатеринбург: УрТИСИ ГОУ ВПО
"СибГУТИ", 2010.
- 148с.
Егоров В.Б. Теория телетрафика:
Методические указания по выполнению курсовой работы. - Екатеринбург, УрТИСИ ГОУ
ВПО "СибГУТИ", 2010. - 35с.
Корнышев Ю.Н., Фань Г.Л. Теория
распределения информации: Учебное пособие для вузов. - М.: Радио и связь, 1985
(1996). - 184 с.