Применение микропроцессоров в устройствах электроснабжения железных дорог

  • Вид работы:
    Курсовая работа (т)
  • Предмет:
    Информатика, ВТ, телекоммуникации
  • Язык:
    Русский
    ,
    Формат файла:
    MS Word
    401,4 Кб
  • Опубликовано:
    2013-10-29
Вы можете узнать стоимость помощи в написании студенческой работы.
Помощь в написании работы, которую точно примут!

Применение микропроцессоров в устройствах электроснабжения железных дорог

Федеральное агентство железнодорожного транспорта

Уральский государственный университет путей сообщения

Кафедра Электроснабжение железнодорожного транспорта






КУРСОВАЯ РАБОТА

По дисциплине: Автоматизация устройств электроснабжения

На тему: Применение микропроцессоров в устройствах электроснабжения железных дорог

Вариант 87












Екатеринбург 2013

Реферат

Данная курсовая работа содержит: страниц 20, рисунков 7 , таблиц 3, использованная литература 4 источника.

МИКРОПРОЦЕССОР, МИКРОСХЕМА, ДАТЧИК, ПОРТЫ ВВОДА-ВЫВОДА, ЯЧЕЙКА ПАМЯТИ, УПРАВЛЯЮЩЕЕ СЛОВО, ПРОГРАММА, ПОДПРОГРАММА, АЛГОРИТМ, ЛОГИКА, РЕЖИМ РАБОТЫ, ВРЕМЯ ОПРОСА, МНЕМОКОД, БАЗОВАЯ СХЕМА, АДРЕС.

В данной курсовой работе разработана структурная схема устройства включения резервного выпрямительного агрегата при перегрузе основного с выдержкой времени Т =0,4 с и отключение при снятии перегруза с выдержкой времени Т=0,4 с, составлены алгоритм и программа работы микропроцессора. Определены режимы работы портов. Описана работа базовых схем серии КМОП.

Содержание

Введение

Задание на курсовую работу

1. Структурная схема микропроцессора КР580ВМ80. Технические характеристики УМК

2. Структурная схема УМК и ТЭЗ. Шины данных, адреса управляющих сигналов

3. Распределение адресов памяти и УВВ        

4. Настройка портов ввода-вывода микросхемы КР580ВВ55

5. Схема устройства

6. Электрическая схема ТЭЗ с датчиками и исполнительными цепями

7. Программа микропроцессора КР580ВМ80

8. Схема типового элемента ТТЛ

Заключение

Список используемых источников

Введение

Система электроснабжения электрифицированных железных дорог должна надежно и бесперебойно снабжать электроэнергией устройства электрической тяги. Аппаратурой автоматики и телемеханики оборудуют тяговые подстанции, посты секционирования, пункты параллельного соединения и основные разъединители контактной сети. Комплексное внедрение автоматики и телемеханики позволило значительно повысить оперативность управления устройствами электроснабжения, сократить штат эксплуатационного персонала, облегчить условия труда. Аппаратура автоматики и телемеханики обеспечивает непрерывный контроль и поддержание заданного режима работы основного оборудования системы электроснабжения и тем самым позволяет повысить надежность его работы.

Последние поколения средств автоматики, телемеханики и релейной защиты основаны на микроэлектронике с использованием интегральных микросхем и вычислительной техники.     Последнее поколение средств автоматики, телемеханики и релейной защиты основаны на микросхемах и вычислительной технике. Микропроцессорные устройства выполняют самые разнообразные функции. Не смотря на это, их схемы и конструкция имеют много общего.

Задание на курсовую работу

Вариант 87

Разработать на базе учебного микропроцессорного комплекта (УМК), выполненного на микросхемах серии КР580, устройство включения резервного выпрямительного агрегата при перегрузе основного с выдержкой времени Т=0,4 с и отключение при снятии перегруза с выдержкой времени Т=0,4 с.

1. Структурная схема микропроцессора КР580ВМ80. Технические характеристики УМК

Структурная схема микропроцессора КР580ВМ80 представлена на рис 1.

Рис 1. Структурная схема микропроцессора КР580ВМ80

Микропроцессор является 8-разрядным - у него 8-разрядная внутренняя шина, 8 разрядное арифметико-логическое устройство.- арифметико-логическое устройство. Выполняет арифметические и логические операции.

А - аккумулятор. Регистр для временного хранения исходных операундов и результатов., C, D, E, H, L - 8 разрядные регистры общего назначения. Совмещают функцию хранения данных с функцией адресации данных. Данные регистры могут образовывать 16-разрядные регистровые пары: BC, DE, HL.- мультиплексор. Имеет несколько входов и один выход, при этом к выходу подключается один из входов.- 8-разрядный регистр признаков (или регистр флагов). Содержит признаки результата операции. (program status word) - 16-разрядный регистр слова состояния программы. Его образуют регистр признаков совместно с аккумулятором.(program counter) - 16-разрядный регистр счетчика команд. Содержит адрес следующей, подлежащей выполнению команды.(stack pointer) - 16-разрядный регистр указателя стека. Содержит адрес последней заполненной ячейки стековой памяти (стека).

Шина адреса (ША) - 16-разрядная. Соответственно общее адресное пространство составляет 64К, адреса от 0000h до FFFFh. ША однонаправленная, процессор задает адрес объекта, с которым происходит обмен информацией.

УУ - устройство управления. Управляет внутренними блоками процессора в соответствии с принятой командой и внешними входными сигналами управления, а также формирует сигналы управления внешними объектами.(status word) - 8 разрядное слово состояния, формируемое УУ. Сигналы SW кодируют тип машинного цикла, определяют происходит ввод или вывод данных, происходит обращение к памяти или к устройствам ввода-вывода.

Шина данных (ШД) 8-разрядная, двунаправленная. На ШД выставляются данные и слово состояния.

Технические характеристики УМК:

. Тип применяемого микропроцессора КР580ВМ80.

Объем оперативного запоминающего устройства (ОЗУ) 1 Кбайт.

. Объем постоянного запоминающего устройства (ПЗУ) - 2 Кбайт    (1 КБайт - система команд "Монитор", 1 КБайт - за пользователем).

         4. Уровни входных и выходных сигналов совместимы с уровнями ТТЛ;

. Напряжение питания - 220±10% В, частота - 50±1 Гц.

. Частота УМК - 2 МГц.

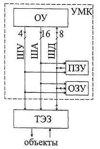
. Структурная схема УМК и ТЭЗ. Шины данных, адреса управляющих сигналов

На рис. 2 представлена структурная схема УМК.

Рис 2. Структурная схема учебного микропроцессорного комплекта

В корпусе УМК находятся:

операционное устройство (ОУ),

постоянная память (ПЗУ),

оперативная память (ОЗУ).

Через разъем в верхней части УМК подключается внешнее устройство ввода-вывода - типовой элемент замены (ТЭЗ). Все внешние датчики и исполнительные цепи подключаются к ТЭЗу.

ША 16-разрядная, однонаправленная. Адрес задает ОУ. ШД 8-разрядная, двунаправленная. Информация по ШД передается от ОУ к памяти или устройствам ввода-вывода (УВВ) или в противоположном направлении - из памяти или УВВ в операционное устройство. В шине управления (ШУ) используются четыре линии: MR, MW, IOR, IOW. Сигналы управления задает ОУ. Распределение адресов памяти и УВВ рассмотрено в разделе 3.

ТЭЗ подключается к УМК через трехразрядный разъем Х1. В ТЭЗ заводятся следующие цепи:

ША - используются только младшие 8 линий ША;

ЩД;

ШУ - используются 2 сигнала IOR и IOW;

Напряжение питания 0В и +5В.

На плате ТЭЗа расположены 2 микросхемы:

КР555ИД7 - дешифратор для выбора микросхем ввода-вывода. Один из выводов КР555ИД7 соединяется с входом разрешения CS микросхемы КР580ВВ55.

КР580ВВ55 - программируемое устройство ввода-вывода параллельной информации (параллельный порт). Настройка портов ввода-вывода микросхемы К580ВВ55 рассмотрена в разделе 4.

3. Распределение адресов памяти и УВВ

По адресу выбирается память (ОЗУ или ПЗУ) и конкретная ячейка в этой памяти. При обращении к памяти (устройствам ввода вывода) ОУ выставляет адрес ячейки (устройства ввода-вывода) и сопровождает его управляющим сигналом MR или MW (IOR или IOW). Управляющий сигнал определяет, что обращение происходит к памяти или устройству ввода-вывода и направление передачи информации:- чтение памяти, информация передается из памяти в ОУ; - запись памяти, информация передается из ОУ в память;- чтение из устройства ввода-вывода, информация передается из устройства ввода-вывода в ОУ; - запись в устройство ввода-вывода, информация передается из ОУ в устройство ввода-вывода.

Распределение ячеек памяти микропроцессора показано в таблице 1.

Таблица 1. Распределение ячеек памяти микропроцессора.

Вид памяти

Конечная ячейка

Назначение

ПЗУ

0000 0400

03FF 07FF

Система команд «Монитор» Ячейки пользователя

ОЗУ

0800 0BCA 0C00 0FB1

0BC9 0BFF 0FB0 0FFF

Ячейки пользователя Доп. ячейки «Монитора» Область стека пользователя Область стека монитор


. Настройка портов ввода-вывода микросхемы КР580ВВ55

Для связи микропроцессора с внешними устройствами необходимо устройство ввода-вывода. В УМК таким устройством является интегральная микросхема КР580ВВ55.

Для обмена данными между микропроцессором и портами ввода-вывода необходимо знать номер порта, к которому обращается микропроцессор. Номер порта передается по шине адреса. При этом по разрядам 0 и 1 шины адреса происходит выбор порта, а по разрядам 2...7 происходит выбор схемы. Адресация схем и портов приведена в таблице 2.

микропроцессор выпрямительный память порт

Таблица 2. Адресация портов ввода-вывода

Разряды шины адреса в модуле ТЭЗ

16-ричная форма

7

6

5

4

3

2

1

0


Микросхема КР580ИД7

Микросхема КР580ВВ55


E3

E2

E1

A2

A1

A0

A1

A0


Входы разрешения КР580ИД7

Адрес выхода КР580ИД7

Адреса каналов и РУС КР580ВВ55


1

0

0

0

0

0

0

0

80

1

0

0

0

0

1

0

1

81

1

0

0

0

1

0

1

0

82

1

0

0

0

1

0

0

83


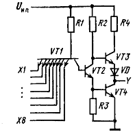
. Схема устройства

Изобразим схему устройства рис. 3.

Рис 3. Схема устройства включения резервного выпрямительного агрегата при перегрузе основного

6. Электрическая схема ТЭЗ с датчиками и исполнительными цепями

Рис 4. Электрическая схема ТЭЗ с датчиками и исполнительными цепями

7. Программа микропроцессора КР580ВМ80

Таблица 3. Программа включения резервного выпрямительного агрегата при перегрузе основного с выдержкой времени Т и отключение при снятии перегруза с выдержкой времени Т.

Адрес

Код

Метка

Мнемо-код

Операунд

Комментарий

0800

3E

START

MVI

A, 00H

в Ак - Упр слово

0801

00




00000000 => A

0802

D3


OUT

PORT A

в РУС - Ак

0803

8C





0804

3E


MVI

A, 01H

00000000 => A

0805

01





0806

D3


OUT

PORT B

Вывод порта В

0807

8D





0808

DB

L1


IN PORT A

в Ак - PORT A

0809

8C




в Ак - Ак*00000001

080A

E6


ANI

01H


080B

01





080C

CA


JNZ

L1

Ак≠0 - L1

080D

08





080E





080F

CD


CALL

TIME

Выдержка времени

0810

00





0811

09





0812

DB


IN

PORT A

в Ак - PORT A (сигнал о перегрузе)

0813

8C





0814

E6


ANI

01H

в Ак - Ак*00000001

0815

01





0816

CA


JNZ

L1

Ак≠0 - L1

0817

08





0818

08





0819

E3

L2

MVI

A, 02H

В Ак-Ак

081A

02





081B

D3


OUT

PORT A

в PORT В - Ак (снять сигнал вкл. Q2)

081C

8C





081D

3E


MVI

A, 02H

00000000 => A

081E

02





081F

D3


OUT

PORT B


0820

8D





0821

DB

L3

IN

PORT A

в Ак - PORT A (сигнал от Q2 о вкл.)

0822

8C





0823

E6

01H

в Ак - Ак*00000010

0824

01





0825

C2


JNZ

L3

Ак≠0 - L3

0826

21





0827

08





0828

CD


CALL

TIME

Выдержка времени

0829

00





082A

09





082B

DB

L4

IN

PORT A

в Ак - PORT A (сигнал от Q2 о откл.)

082C

8C





082D

E6


ANI

01H

в Ак - Ак*00000010

082E

01





082F

C2


JNZ

L4

Ак≠0 - L4

0830

21





0831

08





0832

C3


JMP

L0

Если перегруз не появился, то на отключение резерва Переход на начало программы

0833

00





0834

08






8. Схема типового элемента ТТЛ

Рассмотрим принцип работы микросхемы ТТЛ на примере элемента И-НЕ, представленного на рисунке 6.

Рис 6. Схема восьмивходового ТТЛ элемента И-НЕ

Схема содержит простые n-p-n транзисторы (VT2-VT5), многоэмиттерный транзистор VT1, а также резисторы R1-R5 и диод VD. Такая схема обеспечивает возможность работы на большую емкостную нагрузку при высоких быстродействии и помехоустойчивости. Схема состоит из следующих каскадов:

входного многоэмиттерного транзистора VT1 с малым инверсным коэффициентом усиления по току,

фазорасщепляющего каскада, построенного на проходном транзисторе VT2 (этот каскад работает в режиме с малым рабочим током и имеет малые емкости p-n переходов);

двухтактного выходного каскада (VT3, VT4). Транзистор VT4 рассчитан на большой рабочий ток и имеет малое время выхода из режима насыщения при переключении схемы. Через этот транзистор стекают на общую шину выходные токи ключей-нагрузок.

Высокое быстродействие микросхем ТТЛ при большой емкостной нагрузке объясняется тем, что как заряд, так и разряд нагрузочной емкости происходит через низкоомную выходную цепь. Однако при переключении выходных транзисторов есть момент, когда они оба открыты. Из-за этого в цепи питания схемы возникают кратковременные, но мощные импульсы тока, которые могут привести к появлению импульсов помехи. Во избежание этого в аппаратуре, построенной с применением микросхем ТТЛ, необходимо создавать цепи питания цифровых микросхем с малой индуктивностью проводников и предусматривать развязку между соседними платами устройства.

Рассмотрим передаточную характеристику ЛЭ И-НЕ (рис. 7).

Рис. 7. Передаточная характеристика элемента И-НЕ стандартной серии ТТЛ для Т=25°

При Uвх1=0 (на один из эмиттеров транзистора VT1 подан потенциал «общий») переход база-эмиттер транзистора VT1 открыт, но образующийся при этом потенциал UбVT1=0,8 В не может открыть три p-n перехода: база-коллектор транзистора VT1, база-эмиттер транзистора VT2 и VT4 (для открывания этой цепи необходим потенциал примерно 3х0,6=1,8 В). Потенциал на базе транзистора VT4 близок к нулю и транзистор VT4 закрыт. Потенциал на коллекторе VT2 и базе VT3 близкий к напряжению источника питания +5, открывает переход база-эмиттер транзистора VT3 и диода VD, вызывая ток I1вых. Напряжение на коллекторе транзистора соответственно равно U1вых (участок 1-2).

При увеличении Uвх (на всех эмиттерных входах транзистора VT1) до значения порогового напряжения Uпор1=0,8 В (точка 2 на передаточной характеристике) транзистор VT2 начинает открываться, но транзистор VT4 еще закрыт, при дальнейшем увеличении U вх до значения Uпор2=1,25 В транзистор VT2 открывается, а транзистор VT4 только начинает открываться (точка 3 на передаточной характеристике).

Дальнейшее увеличение Uвх приводит к увеличению потенциала на базе транзистора VT1 до 1,2 В. Этого вполне достаточно, чтобы открыть два перехода: база-коллектор транзистора VT1 и база-эмиттер транзистора VT2. Транзистор VT2 открывается, ток через резистор R2 увеличивается, что вызывает уменьшение напряжения UкVT2. Увеличение тока через резистор R3 вызывает увеличение потенциала на базе транзистора VT4 и приводит к его открыванию. Открытый транзистор VT4 (участок 3-4 передаточной характеристики) шунтирует резистор R3, что резко увеличивает коэффициент передачи транзистора VT2 и вызывает дальнейшее уменьшение напряжения UкVT2. Однако некоторое время транзистор VT4 уже открыт , а транзистор VT3 еще не закрыт, что приводит к броску тока и увеличению мощности, потребляемой от источника питания. Ток потребления ограничивается при этом резистором R4 и объемными сопротивлениями транзисторов VT3, VT4 и диода VD. Это так называемый ток короткого замыкания, который приводит к увеличению потребляемой мощности в динамическом режиме.

Заключение

В курсовой работе разработано устройство включения резервного выпрямительного агрегата при перегрузе основного и выключение при снятии перегруза с выдержкой времени Т, а именно:

. Составлена структурная схема устройства (рис. 3).

. Изображена электрическая схема ТЭЗ с датчиками и исполнительными цепями (рис. 4).

. Составлен алгоритм работы устройства (рис. 5).

. Составлена программа работы устройства (табл. 3).

. Описан принцип работы ТТЛ на примере элемента И-НЕ

Список используемых источников

Аржанников Б.А., Васильев И.Л., Луковкин К.П., Фролов Л.А. Применение микропроцессоров в устройствах электроснабжения железных дорог: учебно-методическое пособие. - Екатеринбург: УрГУПС, 2008. - 39 с.

Васильев И.Л., Луковкин К.П. Автоматизация устройств электроснабжения. Методическое руководство по лабораторным работам для студентов дневной формы обучения. Часть 2. - Екатеринбург: УрГАПС, 1997. - 26 .

Вычислительная и микропроцессорная техника в устройствах электрических железных дорог / Под ред. Г.Г. Марквардта. - М.: Транспорт, 1989. - 287 с.

Цифровые и аналоговые интегральные микросхемы: Справочник / Под ред. С.В. Якубовского. - М.: Радио и связь, 1989. - 496 с.

Похожие работы на - Применение микропроцессоров в устройствах электроснабжения железных дорог

 

Не нашли материал для своей работы?
Поможем написать уникальную работу
Без плагиата!
Без нейросетей!