Підсилювач потужності звукової частоти

  • Вид работы:
    Курсовая работа (т)
  • Предмет:
    Информатика, ВТ, телекоммуникации
  • Язык:
    Украинский
    ,
    Формат файла:
    MS Word
    62,04 Кб
  • Опубликовано:
    2013-11-28
Вы можете узнать стоимость помощи в написании студенческой работы.
Помощь в написании работы, которую точно примут!

Підсилювач потужності звукової частоти

1. Вибір і розрахунок підсилювача потужності звукової частоти (ППЗЧ)

.1 Вибір схеми підсилювача

Підсилювачі потужності звукової частоти є невід'ємною частиною

радіоелектронної апаратури: радіоприймачів, магнітофонів, телевізорів, музичних центрів, а також широко використовуються як самостійні пристрої.

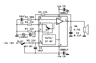
В якості базової схеми для розрахунку ППЗЧ вибираємо схему, зібраною по так званій рівнобіжній схемі з двохполярним живленням. В якості активного елемента вибираємо ППЗЧ TDA2052. Коефіцієнт нелінійних спотворень складає 1%.

Рисунок1 Принципова схема ППЗЧ.

Після вибору схеми приступаємо до розрахунку підсилювача.

1.2 Розрахунок підсилювача

Визначаємо напругу живлення підсилювача:

Еп = 2 (+Uк-е мін) (В) [1]

Еп = 2 ( +1,5) = 53,596 (В)

де Uк-е мін - напруга між колектором й емітером транзистора, що відповідає початку прямолінійної ділянки статичних характеристик колекторного струму.

к-е мін = Uк-е нас. + 0,5 (В) [2]

к-е мін = 1 + 0,5 = 1,5 (В)

Для потужних германієвих транзисторів Uк-е мін становить 1 - 1,5 В, для кремнієвих транзисторів середньої потужності - 1,5 - 2 вольти, для кремнієвих великий потужності 2 - 2,5 вольти й для складених кремнієвих транзисторів великої потужності 2 - 2,5 вольти.

Так-як максимальна напруга живлення у мікросхеми TDA2052 - 50 В, то приймаємо значення Еп = 50 В.

Для підсилювачів із двохполярним живленням

Еп2 = ± Еп/2 (В) [3]

Еп2 = 50 /2 = 25

Визначаємо максимальний вихідний струм мікросхеми:

Iк макс =  (А) [4]

Iк макс =  = 3,162 (А)

Визначаємо середній струм споживаний від джерела живлення мікросхемою:

ср = Iк макс /π + Iк пок (А) [5]

Iср = 3,162/(3,14+0,07)= 1,077 (А)

Коефіцієнт корисної дії мыкросхеми:

η = РнпIср [6]

η = 40/(50*1,077) = 0,743 (74,3%)

Максимальна потужність, що розсіює мікросхема при максимальній вихідній потужності:

Рк макс = Рн(1 - η)/ η (Вт) [7]

Рк макс =40*(1-0,743)/0,743 = 13,829 (Вт)

Середня (музична) вихідна потужність ППЗЧ:

Рн сер = Рн/ π (Вт) [8]

Рк макс = 40/3,14 = 12,732 (Вт)

Амплітуда споживаного струму при середній вихідній потужності:

Iк макс 1 = (А) [9]

Iк макс 1 = = 1,784 (А)

Середній струм, споживаний підсилювачем при середній вихідній потужності:

ср1 = Iк макс 1/ π + Iк пок (А) [10]

ср1 = 1,784/(3,14+0,07) = 0,556 (А)

Коефіцієнт корисної дії підсилювача при середній вихідній потужності:

η ср = Рн српIср 1 [11]

η ср = 12,732/(50*0,566) = 0,458 (45,8%)

Потужність, що розсіює мікросхема при середній вихідній потужності:

Рк макс 1 = Рн сер(1-η)/η (Вт) [12]

Рк макс 1 = 12,732*(1 - 0,458)/0,458 = 15,044 (Вт)

Для розрахунку радіаторів вихідного каскаду беремо більшу з потужностей, отриманих по формулах 7 й 12.

За значеннями Рк макс, Iк макс, Iср, Uк-е макс вибираємо остаточно по довіднику мікросхему TDA 2052.

Параметри мікросхеми TDA 2052

Напруга живлення

±6…±25В

Вихідний піковий струм

Обмеження потужності при tкорп.=+70°C

30Вт

Діапазон частот

20Гц..20КГц

Коефіцієнт гармонік

не более 0,7% типовой 0,1%

Тепловий опір кристал - корпус

2,5°C/W

Максимальна потужність

60 Вт


Мінімальна ємність вихідного конденсатора або конденсаторів фільтра при нестабілізованому живленні:

Свих = 1/Rн 2πf (мкФ) [13]

Свих = 1/(8*2*3,14*100) = 198,9 (мкФ)

Робоча напруга вихідного конденсатора повинне бути більше половини напруги джерела живлення при однополярному живленні або більше напруги живлення однієї' полярності при двохполярном живленні.

Uконд=Eп2√2 [14]

Uконд = 25*√2 = 35,355 (В)

2.1 Вибір схеми стабілізованого джерела живлення

Багато хто з застосовуваних у даний час схем ППЗЧ здатні працювати від нестабілізованих джерел живлення зі збереженням основних характеристик. Це дозволяє спростити схему і знизити вартість джерела живлення.

Однак застосування нестабілізованих джерел живлення має визначені недоліки:

- приблизно на 20% знижується максимальна вихідна потужність ППЗЧ;

різко зростають коливання живильної напруги, що може привести до виходу з ладу транзисторів фазоинверсного, передвихідного і вихідного каскадів при коливаннях напруги живильної мережі.

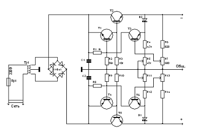
При параметрах ППЗЧ, заданих для проектування, вибір нестабілізованих джерел живлення недоцільний, тому що практично всі підсилювачі працюють при досить високих напругах, близьких до максимально припустимого для застосовуваних транзисторів. Я пропоную використати одну з типових схем двохполярного стабілізованого джерела живлення з захистом від перевантажень і коротких замикань, на прикладі якої розглянутий порядок розрахунку стабілізованого джерела живлення.


Рисунок 2 Принципова схема стабілізованого джерела живлення.

2.2 Розрахунок компенсаційного стабілізатора

Визначаємо мінімальну вхідну напругу стабілізатора при мінімальній напрузі живільної мережі:

вх мін = Еп2 + Uке2 мін(В) [15]

вх мін = 25 + 1,5 = 26,5

де Uкэ2 мін - мінімальна напруга на повністю відкритому транзисторі VT1 (див. розрахунок підсилювача).

Задаючись коефіцієнтом пульсацій на вході стабілізатора Кп = 10% при максимальному струмі навантаження визначаємо величину середньої випрямленої напруги при мінімальній напрузі живильної мережі:

d мін = Uвх мін(1 + Кп) (В) [16]

Ud мін = 26,5*(1 + 0,1) = 29,15 (В)

З урахуванням припустимих коливань напруги в живильній мережі +5 - 10% і зниження вихідної напруги випрямляча під впливом навантаження визначаємо максимальна вихідна напруга випрямляча:

d макс = Ксети КнагрUd мін (В) [17]

d макс = 1,15*1,05*29,15 = 35,199 (В)

де Ксети - коефіцієнт, що враховує можливі коливання напруги живильної мережі, Ксети = 1 + 15% = 1,15;

Кнагр - коефіцієнт, що враховує зниження випрямленого напруги під впливом навантаження, Кнагр = 1,05 ÷ 1,1 залежно від потужності випрямляча. З ростом потужності Кнагр зменшується.

Максимальна потужність, що розсіюється на колекторі транзистора VT2 (VT5):

Рк1 макс = (Ud макс - Uвих) 2Iср1 (Вт) [18]

Рк1 макс = (35,199 - 25)*2*0,556 = 11,331 (В)

де Iср 1 - середній споживаний одним каналом ППЗЧ струм при середній вихідній потужності.

Вибір регулюючіх транзисторів:

Як регулюючі транзистори вибираємо комплементарні пари транзисторів типів VТ2 - КТ817В

VТ5 - КТ816В

VТ1; VТ6 - КТ315А

VТ3; VТ4 - КТ361А

Параметрами VТ2; VТ5:

максимальна розсіювана потужність, що, 60Вт;

максимальний струм колектора 3 А;

максимальна напруга колектор-емітер 60 В;

мінімальний коефіцієнт підсилення по струму h21 мін - 15;

максимальна температура переходу 1500С;

тепловий опір перехід-корпус 1,670С / Вт;

площа теплового контакту 1,5 см2.

Максимальна потужність, що розсіюється на транзисторі стабілізатора:

РDA1 макс = Рк1 макс/h21 мін(Вт) [19]

РDA1 макс = 11,331/15 = 0,755 (Вт)

де h21 мін - мінімальний коефіцієнт підсилення по струму транзистора VТ2; VТ5.

Отримане значення не перевищує припустимої потужності, що розсіюється транзистором без тепловідводу.

2.3 Розрахунок випрямляча

Найпоширенішою схемою випрямлення для живлення ППЗЧ є мостова схема. При двохполярному живленні застосовується її варіант із відводом середньої крапки вторинної обмотки силового трансформатора (див. схему стабілізатора), що дозволяє одержати з одного випрямного моста двохполярну напругу з середньою крапкою. При розрахунку такої схеми варто врахувати, що зворотна напруга на діодах зростає вдвічі в порівнянні з однополярною мостовою схемою. У якості згладжуючого фільтра, як правило, застосовується ємнісної фільтр.

По наближених формулах визначаємо:

максимальна зворотна напруга на діодах

обр макс = 3 Ud макс (В) - для двохполярної схеми. [20]

Uобр макс = 3*35,199 = 105,596 (В)

середній струм діода:

ср = 2Iср 1/2 (А); [21]

ср = (2*0,556)/2 = 0,556 (А)

амплітуда струму через діод:

м = 7Iср 1 (А). [22]

м = 7*0,556 = 3,889 (А)

За обчисленим значенням робимо попередній вибір діодів.

Вибираємо діоди типу КД201А с параметрами:

максимально припустимий прямий струм 5 А;

пряме спадання напруги 1 В;

максимально припустима зворотна напруга 100 В;

Визначаємо опір навантаження випрямляча:

н випр = Ud макс/2Iср1 (Ом) [23]

н випр = 35,199/(2*0,556) = 31,68 (Ом)

Визначаємо опір обмотки трансформатора:

тр = (0,05 - 0,08) Rн (Ом) [24]

тр = 0,08*8 = 0,64 (Ом)

Знаходимо прямий опір діода по наближеній формулі:

пр = Uпр/3Iср (Ом) [25]

rпр = 1/(3*0,556) = 0,6 (Ом)

Визначаємо активний опір фази випрямляча:

= 0,64 + 2*0,6 = 1,84 (Ом)

Визначаємо основний розрахунковий коефіцієнт А:

А = 1,6r/Rн випр [27]

А = (1,6*1,84) / 31,68 = 0,093

По номограмах знаходимо допоміжні коефіцієнти B, D, F, H.

В = 0,775= 2,575

F = 1,6

H = 180

Визначаємо уточнені значення Uобр макс, Iм:

Uобр макс = 2*1,4*B*Ud макс (В) [28]

обр макс = 2*1,4*0,775*35,199 = 76,381 (В)

м = 0,5*F*Iн макс (А) [29]

м =0,5*1,6*3,162 = 2,53 (А)

Перевіряємо попередній вибір діодів.

Визначаємо напругу на вторинній обмотці трансформатора при номінальній напрузі живильної мережі й мінімальному навантаженню:

=2*В*Ксети1нагр*Ud мін (В) [30]

U = 2*0,775*1,1*1,05*29,15 = 52,186 (В)

де Ксети1 - коефіцієнт, що враховує різницю між номінальною й мінімальною напругою живильної мережі, Ксети1 = 1,1

Визначаємо максимальне діюче значення струму вторинної обмотки трансформатора:

2 = 2*D*Iср /√2 (А) [31]

2 = 2*2,575*(0,556/√2) = 2,023 (А)

Визначаємо ємність фільтра:

Сф = H/r Кп (мкФ) [32]

Сф = 180/(1,84*0,1) = 978,227 (мкФ)

де Кп - припустимий коефіцієнт пульсацій випрямленої напруги.

Вибираємо тип конденсатора з ряду номінальних значень Е24:

Серія

Діаметр

Номінальна ємність

Відхилення ємності

Номінальна напруга

Робоча температура

PEG124

10-20 мм

4,7-4700 мкф

-10/+30%

10-100 В

-40…+125°С


Визначаємо середню потужність, що розсіюється на діодах:

Рд = Iср2 rпр (Вт) [33]

Рд = 0,5562*0,6 = 0,185 (Вт)

Отримана потужність менше припустимої.

3. Розрахунок силового трансформатора

Вихідними даними для розрахунку силового трансформатора є дані, отримані в результаті розрахунку випрямляча:

напруга на вторинній обмотці трансформатора U2(В);

діюче значення струму вторинної обмотки трансформатора I2(А);

а також:

напруга живильної мережі із припустимими відхиленнями, у нашому випадку 220 +5 - 10%(В);

частота живильної мережі, 50 Гц;

максимальна температура навколишнього середовища, 50ос.

3.1 Визначаємо сумарну потужність вторинних обмоток трансформатора

Р = U2*I2(Вт) [34]

Р = 52,186*2,023 = 105,572 (Вт)

3.2 Визначаємо потужність первинної обмотки трансформатора

Р1 = Р (Вт) [35]

Р1 = 105,572 (Вт)

3.3 Визначаємо номінальну потужність трансформатора

Рном = Р2 + Р1 (Вт) [36]

Рном = 105,572+105,572 = 211,144 (Вт)

3.4 Визначаємо добуток

SстSок = 45Рном/fВмjkстkок (см4) [37]

стSок = (45*211,144)/(50*1,55*3,4*0,94*0,35) = 109,601 (см2)

де S - площа перетину магнітопровода, см2;ок - площа вікна магнітопровода, см2;- частота живильної мережі, Гц;

Вм - амплітуда магнітної індукції в магнітопроводі, Т. Вм = 1,55 Т.- щільність струму в обмотках, А/мм2. j = 3,4 А/мм2.ст - коефіцієнт заповнення перетину стрижня магнітопровода. k = 0,94ок - коефіцієнт заповнення вікна магнітопровода обмотками. Кок = 0,35).

3.5 По довідковій таблиці вибираємо магнітопровод. Для обраного магнітопровода повинна виконуватися умова:

bh > SSок [38]

де b - ширина вікна, h - висота вікна магнітопровода, y й y1 - розміри перетину стрижня магнітопровода, мм.

Вибираємо магнітопровод типу ПЛМ 25*40*46 з розмірами: b = 2,4 см,=4,6 см, y = 2,5 см, y1 =4 см.bh = 2,5*4*2,4*4,6 = 110,4 см2

3.6 Визначаємо ЕДС, що наводить в одному витку

е = 4,44ВмfSст10-4 (В) [39]


3.7 Очікуване спадання напруги в обмотках трансформатора ∆U = 5,6%

3.8 Знаходимо попереднє число витків обмоток

1 = U1(1 - ∆U)/е; [40]

1 = 220 (1 - 0,056)/0,206 = 1006

2 = U2(1 + ∆U)/е. [41]

2 = 52,186 (1+0,056)/0,206 = 266,919

Вторинна обмотка складається із двох половин.

3.9 Визначаємо індукцію в сердечнику при роботі трансформатора на холостому ходу

В = Вм(1 + ∆U) (Т) [42]

В = 1,55 (1+0,056) = 1,637 (В)

3.10 За графіком визначаємо питомі втрати в сталі магнітопровода

Рст уд і Р0ст уд при Вм й В, Вт/кг.

.11 Визначаємо втрати в сталі під навантаженням і на холостому ходу

Рст = Рст удGст(Вт); [43]

Рст =4,2*1,75 = 7,35 (Вт)

Р0ст = 4,8*1,75 = 8,4 Вт

де G- вага магнітопровода, кг. Gст = 1,75 Кг.

3.12 Визначаємо попереднє значення втрат у міді обмоток

Рм = Рном ∆U (Вт) [44]

Рм = 211,144*0,056 = 11,824 (Вт)

3.13 Визначаємо складову струму первинної обмотки, що залежить від струмів вторинних обмоток

/ = Р2/U1(А) [45]

/ = 105,572/220 = 0,48 (А)

3.14 Визначаємо складову струму первинної обмотки, що залежить від втрат у трансформаторі

I// = (Рст + Рм)/U1 (А) [46]

I// = (7,35+11,824)/220 = 0,087 (А)

3.15 Визначаємо повну активну складову струму первинної обмотки

= I/ + I// (А) [47]

= 0,48 + 0,087 = 0,567 (А)

3.16 Напруженість магнітного поля H і Н0 (Аw), необхідна для створення в сердечнику індукції

Вм й В. Н = 3,6Аw, Н0 = 5,7 Аw.

3.17 Визначаємо реактивну складову струму первинної обмотки при роботі під навантаженням і на холостому ходу: (Lср = 22,8 см.)

Iр = Н Lср /w1(А); [48]

р = (3,6*22,8)/1006 = 0,082 (А)

де Lср - середня довжина шляху магнітної лінії, (см).

р0 = Н0Lср /w1(А); [49]

р0 = (5,7*22,8)/1006 = 0,129 (А)

3.18 Визначаємо повний струм первинної обмотки

I1 =  (А) [50]

I1 = = 0,573 (А)

3.19 Визначаємо активну складову струму холостого ходу

а0 = Р 0ст/U1 (А) [51]

а0 = 8,4/220 = 0,038 (А)

3.20 Визначаємо струм холостого ходу трансформатора

I0 =  (А) [52]

I0 = = 0,135 (А)

3.21 Визначаємо діаметр дротів обмоток

d1 = 1,13  (мм) [53]

d1 = 1,13*= 0,464 (мм)

По довіднику вибираємо дріт. Дріт ПЕВ-2 діаметром d1= 0,475 мм, діаметр із ізоляцією dиз1= 0,545 мм, опір 1 м дроту R1м1 = 0,097329 Ом, вага 100 м дроту g1 = 0,165 кг).

d2 = 1,13  (мм) [54]

d2 = 1,13*= 0,872 (мм)

По довіднику вибираємо дріт. Дріт ПЕВ-2 діаметром d2= 0,9 мм, діаметр із ізоляцією dиз2= 0,99 мм, опір 1 м дроту R1м2 = 0,027113 Ом, вага 100 м дроту g2 = 0,578 кг).

3.22 Визначаємо число витків у шарі обмоток

сл1 =[h - 2 (δк + 1)]/1,3dиз1 [55]

сл1 =[46 - 2 (2 + 1)]/(1,3*0,545) = 56,457

сл2 =[h - 2 (δк + 1)]/1,3dиз2 [56]

сл2=[46 - 2 (2 + 1)]/(1,3*0,99) = 31,08

де h - висота вікна магнітопроводу (мм);

δк - товщина матеріалу каркаса, δк = 2 мм.

3.23 Визначаємо число шарів обмоток

сл1 = w1/wcл1 [57]

сл1 = 1006/56,457 = 17,817 ≡ 18

сл2 = w2/wcл2 [58]

сл2 = 266,919/31,08 = 8,588 ≡ 9

Отримані результати округляються до найближчого більшого цілого числа.

3.24 Визначаємо товщину обмоток

δоб1 = Ncл1(dиз1 + δз) (мм) [59]

δоб1 = 18 (0,545 + 0,05) = 10,71 (мм)

δоб2 = Ncл2(dиз2 + δз) (мм) [60]

де δз - товщина ізоляції між шарами, приймаємо рівним 0,05 мм.

3.25 Визначаємо сумарну товщину обмоток

δΣ= δк + Σ δобпр (мм) [61]

δΣ = 2 + 10,71 + 9,36 + 0,2 =22,27 (мм)

де δпр - товщина прокладок між обмотками, δпр приймаємо рівним 0,2 мм.

3.26 Визначаємо середню довжину витків обмоток

Lв1 = 2 (y + y1 + 4δдо + 2δобм1) (мм) [62]

Lв1 = 2 (2,5 + 4 + 4*2 + 2*10,71) = 71,84 (мм)

Lв2 = 2 (y + y1 + 4δ до + 4δ обм1 + 2δ обм2) (мм) [63]

Lв2=2 (2,5+4+4*2+4*10,71 + 2*9,36) = 152,12 (мм)

3.27 Визначаємо довжину проводів обмоток

Lоб1 = Lв1w110-3 (м) [64]

Lоб1 = 71,84*1006*10-3 = 72,265 (м)

Lоб2 = Lв2w210-3 (м) [65]

Lоб2 = 152,12*266,919*10-3 = 40,604 (м)

3.28 Визначаємо опір обмоток при температурі 20ос

об1 = rпр уд1Lоб1 (Ом) [66]

об1 = 0,097329*72,265 = 7,033 (Ом)

об2 = rпр уд2Lоб2 (Ом) [67]

об2 = 0,02711*40,604 = 1,101 (Ом)

3.29 Задаємося максимальною температурою обмоток 100ос; тоді перевищення температури ∆t складе 80ос

Обчислюємо опір обмоток при температурі 100ос

rt про1 = rоб1(1 + 0,004∆t) (Ом) [68]

rt про1 = 7,033 (1 + 0,04*80) = 29,54 (Ом)

t про2 = rоб2(1 + 0,004∆t) (Ом) [69]

t про2 = 1,101 (1 + 0,04*80) = 4,624 (Ом)

3.30 Визначаємо спадання напруги на обмотках

∆U1 = Iоб1rоб1 /U1 (В) [70]

∆U1 = (0,573*7,033)/220 = 0,018 (В)

∆U2 = Iоб2rоб2 /U2 (В) [71]

∆U2 = (2,023*1,101)/52,186 = 0,043 (В)

3.31 Визначаємо потужність, що розсіюється на обмотках

Рм1 = I1 ∆U1 U1(Вт) [72]

Рм1 = 0,573*0,018*220 = 2,308 (Вт)

Рм2 = I2 ∆U2 U2(Вт) [73]

Рм2 = 2,023*0,043*52,186 = 4,505 (Вт)

3.32 Сумарні втрати в міді

Рм = Рм1 + Рм2(Вт) [74]

Рм = 2,308 + 4,505 = 6,814 (Вт)

3.33 Визначаємо температуру нагрівання трансформатора

Θ= (RtРм + RtмвРст) 2/4RtРм (ос) [75]

Θ = (9*6,814 + 3*7,35)2/(4*9*6,814) = 28,338 (°C)

де Rt - тепловий опір трансформатора град / Вт; Rt = 9 град / Вт;tмв - тепловий опір границі магнітопровод - повітря град / Вт. Rtмв = 3 град / Вт.

3.34 Коефіцієнт корисної дії трансформатора

η тр = Р1/(Р1 + Рм + Рст) [76]

η тр = 105,572/(105,572 + 6,814 + 7,35) = 0,882

3.35 Визначаємо вагу міді обмоток

Gм1 = g1lоб1/100 (кг); [77]

м1 = (0,165*72,265)/100 = 0,119 (кг)

м2 = g2lоб2/100 (кг); [78]

м2 = (0,578*40,604)/100 = 0,235 (кг)

м = Gм1 + Gм2 (кг) [79]

Gм = 0,119 + 0,235 = 0,354 (кг)

3.36 Вага трансформатора

тр = Gм + Gст (кг). [80]

тр = 0,354 + 1,75 = 2,104 (кг)

4. Вибір і розрахунок радіаторів

.1 Розрахунок радіатора для мікросхеми TDA 2052

Для мікросхеми TDA 2052 гранична температура переходу становить 1500С, тепловий опір приладу 2,50С / Вт, площа контактної поверхні 4,9 см2.

. Визначаємо перегрів місця кріплення приладу до радіатора:

∆tк = tк - tо = (tр-п - tо) - Р(Rtп-к + R) (ос) [81]

∆tк = = (150 - 50) - 11,331 (2,5 + 0,449)= 66,584 (оС)

де tк - температура місця кріплення приладу до радіатора;

= 2,2/Sк (ос) [82]

= 0,449

де Sк - площа контактної поверхні, см2. Sк =4,9 см2.

. Визначаємо середній перегрів підстави радіатора:

∆ts = ts - to = 0,83 (tк - to) (oс) [83]

∆ts = 0,83*66,584 = 55,265 (оС)

де ts - середня температура поверхні радіатора.

. По графіках визначаємо коефіцієнт ефективної тепловіддачі радіатора αэф(Вт/мс). αэф = 66 (Вт/мс)

. Визначаємо площу підстави радіатора

р = L1L2 = 104 Р/αэф ∆ ts (см2) [84]

р = (104*11,331)/(66*55,265) = 31,066 (см2)

5. Розрахунок конструкції друкованої плати

.1 Визначення орієнтовної площі друкованої плати

підсилювач трансформатор стабілізатор радіатор

Сумарна площа резисторів CF - 0,25 (аналог С1-4):

S1= n1L1D1 (мм2) [85]

S1 = 20*7*2,6 = 364 (мм2)

де S1 - сумарна площа резисторів CF - 0,25;

n1 - кількість резисторів CF - 0,25, 20 шт.;1 - довжина резистора CF - 0,25, 7 мм;1 - ширина резистора CF - 0,25, 2,6 мм;

Сумарна площа електролітичних конденсаторів PEG124

мкФ*40В:

S2=n2πR2 (мм2) [86]

S2 = 2*3,14*52 = 78,5 (мм2)

де S2 - сумарна площа площа електролітичних конденсаторів PEG124

мкФ*40В;2 - кількість електролітичних конденсаторів PEG124

мкФ*40В, 2 шт.;2 - довжина електролітичних конденсаторів PEG124

мкФ*40В, 10 мм;2 - ширина електролітичних конденсаторів PEG124

мкФ*40В, 10 мм;

Сумарна площа електролітичних конденсаторів в схемі підсилювача:

S3=n3 πR2 (мм2) [87]

S3 = 5*3,14*2,52 = 98,125 (мм2)

де S3 - сумарна площа площа електролітичних конденсаторів;3 - кількість електролітичних конденсаторів, 5 шт.;

L3 - довжина електролітичних конденсаторів, 5 мм;

D3 - ширина електролітичних конденсаторів, 5 мм;

Сумарна площа керамічних конденсаторів в схемі підсилювача:

S4=n4L4D4 (мм2) [88]

S4 = 1*10*4 = 40 (мм2)

де S4 - сумарна площа площа керамічних конденсаторів;4 - кількість керамічних конденсаторів, 1 шт.;

L4 - довжина керамічних конденсаторів, 10 мм;

D4 - ширина керамічних конденсаторів, 4 мм;

Сумарна площа транзисторів КТ817В та КТ816В:

S5=n5L5D5 (мм2) [89]

S5 = 2*7,8*2,8 = 43,68 (мм2)

де S5 - сумарна площа транзисторів КТ817В та КТ816В;

n5 - кількість транзисторів КТ817В та КТ816В, 2 шт.;5 - довжина транзисторів КТ817В та КТ816В, 7,8 мм;5 - ширина транзисторів КТ817В та КТ816В, 2,8 мм;

Сумарна площа транзисторів КТ315А та КТ361А:

S6=n6L6D6 (мм2) [90]

S6= 4*7,2*3 = 86,4 (мм2)

де S6 - сумарна площа транзисторів КТ315А та КТ361А;

n6 - кількість транзисторів КТ315А та КТ361А, 4 шт.;6 - длина транзисторів КТ315А та КТ361А, 7,2 мм;6 - ширина транзисторів КТ315А та КТ361А, 3 мм;

Сумарна площа мікросхеми TDA 2052:

S7=n7L7D7 (мм2) [91]

S7 = 1*10,05*7,38 = 74,17 (мм2)

де S7 - сумарна площа мікросхеми TDA 2052;

n7 - кількість мікросхем TDA 2052, 1 шт.;

L7 - длина мікросхеми TDA 2052, 10,05 мм;

D7 - ширина мікросхеми TDA 2052, 7,38 мм;

Сумарна площа стабілітронів:

S8=n8·L8·D8 (мм2) [92]

S8 =2*10*5 = 100 (мм2)

де S8 - сумарна площа стабілітронів;

n8 - кількість стабілітронів, 2 шт.;

L8 - довжина стабілітронів, 10 мм;

D8 - ширина стабілітронів, 5 мм;

Сумарна площа діодного моста (4 діода КД201А):

S9=n9πR2 (мм2) [93]

S9 = 4*3,14*10,752 = 1451,465 (мм2)

где S9 - сумарна площа діодного моста;

n9 - кількість діодногих мостів, 1 шт.;9 - довжина діодного моста, 21,5 мм;9 - ширина діодного моста, 21,5 мм

Сумарна площа всіх радіоелементів:

Sе=S1+S2+S3+S4+S5+S6+S7+S8+S9 (мм2) [94]

е = 364+78,5+98,125+40+43,68+86,4+74,17+100+1451,465 = 2336,31 (мм2)

де Sе - сумарна площа всіх радіоелементів.

Визначимо орієнтовну площу друкарської плати:

Sпп=2·(Sе+Sпров) [95]

Sпп = 2 (2336,31 + 2336,31) = 9345,24 (мм2)

Sпров=Sе (мм2) [96]

де Sпп - орієнтовна площа друкарської плати;

Sпров - площа друкарських провідників;

Виходячи з розрахованої площі друкарської плати вибираємо її розмір.

5.2 Розрахунок мінімальної ширини провідника

Велика поверхня і хороший контакт з ізоляційною підставою забезпечує інтенсивну віддачу тепла від провідника ізоляційної плати і в навколишній простір, що дозволяє пропускати великі струми, більш ніж об'ємні провідники того ж перетину. Для друкарських провідників, розташованих на зовнішніх шарах, допускається щільність струму до 20 А/мм2. При цьому помітного нагріву провідників не спостерігається. Щільність струму: D=20 А/мм2- максимальний струм в схемі,- площа перетину друкарського провідника.= 2,023 А;

Звідси:

S=I/D (мм2) [97]

=2,023/20 = 0,101 (мм2)

Як відомо S=b·h, де b - ширина провідника і h - товщина міді на платі.= 0,035.

Звідси:

=S/h (мм) [98]

=0,101/0,035=2,89 мм

Таким чином, у прикладі мінімальна ширина друкарського провідника може бути 2,89 мм. (приймаємо значення 3 мм).

Література

1. А.Б. Гитцевич, А.А. Зайцев. Справочник. Полупроводниковые

приборы. Диоды выпрямительные. Стабилитроны, Тиристоры. Москва.

«КУбК-а» 1996 г.

2. О.П. Григорьев, В.Я. Замятин. Транзисторы. Справочник. Москва. «Радио и связь» 1989 г.

3. Е.М. Парфенов, Э.Н. Камышная, В.П. Усачев. Проектирование конструкций радиоэлектронной аппаратуры. Москва. «Радио и связь» 1989 г.

4. Р.М. Терещук, К.М. Терещук, С.А. Седов. Справочник радиолюбителя. Киев. «Наукова думка» 1985 г.

5. Г.Д. Фрумкин. Расчет и конструирование радиоаппаратуры. Москва

«Высшая школа» 1989 г.

. И.М. Чиженко. Справочник по преобразовательной технике. Киев. «Техника» 1980 г.

7. Чумаченко В.Ф. Методичні рекомендації до виконання курсового проекту. Одеса. ОСТ 2009 г.

Похожие работы на - Підсилювач потужності звукової частоти

 

Не нашли материал для своей работы?
Поможем написать уникальную работу
Без плагиата!
Без нейросетей!