Пилотажно-навигационные комплексы
Департамент
по авиации
Министерства
транспорта и коммуникаций Республики Беларусь
Минский
Государственный высший авиационный колледж
Кафедра ТЭАО
Контрольная
работа № 1
по
дисциплине: «Пилотажно-навигационные комплексы»
студента 6 курса
группы № ЗПВ 107
Медведева М. Ю.
вариант 06
шифр студенческого 10709
Медведев М.Ю.
Минск 2013
1. АТ-6-2: работа в режиме «стабилизации
скорости» по функциональной схеме
.1 Общие сведения
Автомат тяги АТ-6-2 входит в состав
автоматической бортовой системы управления АБСУ-154-2 самолета Ту-154М и
предназначен для управления секторами газа в режимах предпосадочного
маневрирования и захода на посадку в условиях метеоминимума категории II
ИКАО.
Автомат существенно облегчает пилотирование
самолета в этих условиях.
Автомат выполняет следующие функции:
. Управление и стабилизация приборной скорости
полета;
. Перемещение секторов газа самолета во взлетное
положение при автоматическом уходе на второй круг.
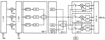
Состав автомата тяги приведен в табл. 1, внешний
вид автомата представлен на рис. 1.
Рис. 1. Автомат тяги АТ-6-2
Таблица 1
Принцип действия автомата заключается в
измерении отклонения приборной скорости полета самолета от значения скорости,
установленной летчиком на приборе-задатчике, обработке полученного сигнала
отклонения в вычислителе в соответствии с принятым законом управления и пердаче
его на сервопривод, перемещающий секторы газа самолета.
Изменение тяги двигателей самолета приводит к
установлению и поддержанию заданной скорости полета. Для парирования возмущений
от флуктуации воздушного потока и уменьшения активности движения секторов газа,
которое может привести к нарушению комфорта пассажиров и снижению ресурса
двигателей самолета, используются сигнал линейного ускорения по продольной оси
самолета, фильтры по цепи сигнала АУ и ограничение на входе привода.
Компенсация ошибки в измерении линейного
ускорения при изменении положения самолета в вертикальной плоскости
производится с помощью сигнала тангажа.
В связи с тем, что автомат тяги предназначен для
использования на особо ответственных этапах полета во время предпосадочного
маневра и заходе на посадку, для обеспечения необходимой безопасности полета и
повышения надежности работы вычислителя и привода автомат тяги выполнен
двухканальным со встроенной системой автоматического контроля.
Первый канал автомата тяги является основным и
управляет тягой двигателей при включении автомата. Второй канал находится в
горячем резерве и подключается к секторам газа лишь в случае отказа первого
канала. Датчики отклонения скорости полета от заданной скорости и датчики
линейного ускорения дублированы.
Сигналы датчиков сравниваются и при их
расхождении автомат тяги отключается.
В автомате тяги имеется система тест-контроля,
обеспечивающая проверку исправности системы встроенного контроля перед
включением рабочих режимов.
Информация об отказах автомата тяги выдается на
борт самолета и в АБСУ для световой и звуковой сигнализации.
Автомат работает в следующих режимах:
. Согласования указателей УС-И;
. ПОДГОТОВКА;
. УПРАВЛЕНИЕ;
. УХОД.
Структурная схема автомата тяги приведена на
рис. 2.
Сигнал ΔVПР
= VПР - VПР.ЗАД
с датчика указателя УС-И поступает на вход вычислителя автомата, где он
обрабатывается в соответствии с законом управления, ограничивается по величине
значением F и суммируется с
сигналами, пропорциональными продольному ускорению и скорости изменения
продольного ускорения самолета.
Сигнал продольного ускорения формируется с
помощью блока БДЛУ-0,5 и датчика тангажа в гировертикаль МГВ.
Установка блока БДЛУ-0,5 и регулирование сигнала
тангажа производятся таким образом, чтобы в режиме захода на посадку изменение
ускорения производилось относительно направления полета.
Выходной сигнал вычислителя автомата тяги
поступает на вход интегрирующего привода.
Исполнительный механизм привода перемещает
секторы газа самолета.
Рис. 2. Структурная схема автомата тяги АТ-6-2.
.2 Работа в режиме «стабилизации скорости»по
функциональной схеме
В режиме согласования указателей УС-И (см. рис.
3) подается напряжение питания на указатели УС-И и элементы схемы,
обеспечивающие приведение индексов заданной скорости на указателе УС-И к
стрелкам, указывающим текущее значение скорости. Если индекс в момент включения
режима не находился против стрелки, индукционный датчик прибора выдает сигнал
переменного тока, который поступает на усилитель низкой частоты УНЧ. С выхода
усилителя УНЧ напряжение подается на обмотку управления двигателя привода индекса
в указателе УС-И.
Привод перемещает индекс до сведения к нулю
сигнала датчика, когда совмещается индекс со стрелкой. При изменении скорости
полета индекс на приборе будет подслеживатъ за движением стрелки.
В рассмотренном режиме оба указателя УС-И работают
аналогично. Элементы автомата, не связанные с согласованием указателя УС-И и не
относящиеся к системе контроля автомата, обесточены и не работают.
В режиме ПОДГОТОВКА запитывается вся схема
автомата. Обеспечивается вхождение в рабочие режимы элементов схемы и проверка
исправности встроенной системы контроля автомата, которая начинает
функционировать через (10...20) с после включения режима.
Указатели УС-И в это время находятся в режиме
согласования, а исполнительный механизм автомата отключен от проводки
управления секторами газа, обесточенными муфтами ЭМ-1...ЭМ-3.
При включении режима УПРАВЛЕНИЕ разрываются цепи
согласования индекса и стрелки в указателях УС-И, а также включаются
электромагнитные муфты ЭМ-1...ЭМ-3 исполнительного механизма, соединяя
последний с проводкой управления секторами газа.
В связи с тем, что включению режима
предшествовало согласование индекса указателя УС-И со стрелкой, а согласования
выходных рычагов механизма ИМАТ с нагрузкой не требуется, поскольку привод
интегрирующий, режим включается плавно, без изменения скорости полета. При
изменении скорости полета после включения режима стрелки указателей УС-И будут
уходить от индексов и индукционные датчики УС-И выдадут электрический сигнал
АУ, пропорциональный разности скорости полета в момент включения режима,
зафиксированной индексом, и текущим значением скорости.
Сигнал с указателя УС-И вместе с сигналами
продольного ускорения вызовут перемещение секторов газа исполнительным
механизмом и изменение тяги самолетных двигателей. Будет происходить
стабилизация скорости полета, имеющейся в момент включения режима. Для
изменения скорости полета пилот должен установить индексы указателей УС-И в
новое положение, соответствующее значению задаваемой скорости. Перед заданием
скорости пилот производит выбор основного указателя УС-И, по которому он будет
производить задание скорости с помощью переключателя «УС-И ЛЕВ. - УС-И ПРАВ»,
на приставке ПН-6. Задание скорости производится гашеткой на приставке ПН-6.
При нажатии гашетки в сторону «+» на усилитель
УНЧ и далее на двигатель привода индекса основного указателя УС-И подается
переменное напряжение необходимой фазы, обеспечивающее движение индекса в
сторону больших приборных скоростей на шкале. При отпускании гашетки происходит
возвращение гашетки в исходное положение и индекс останавливается.
Движение индекса по шкале указателя
УС-И происходит с постоянной скоростью (8,1...10,8) 
или (15...21) 
. Движение индекса в сторону меньших
скоростей происходит при нажатии гашетки в сторону «-». Величина скорости
определяется сигналом с гашетки и коэффициентом отрицательной скоростной
обратной связи, сигнал которой снимается с тахогенератора привода указателя
УС-И.
Второй указатель УС-И при нажатии на
гашетку и в течение 4 с после отпускания гашетки находится в режиме
подслеживания своего индекса за индексом основного указателя. Подслеживание
индекса происходит за счет того, что на УНЧ этого указателя подается сигнал
собственного датчика и в противофазе сигнал с датчика основного указателя УС-И.
Рис. 3. Функциональная схема автомата тяги
АТ-6-2
Индекс второго указателя УС-И будет двигаться до
тех пор, пока разность сигналов собственного датчика и датчика основного
указателя не станет равной нулю, что произойдет только при равенстве сигналов,
т.е. одинаковом положении индексов на указателях. Режим подслеживания снимается
после отпускания гашетки только через 4 с с помощью реле времени РВ, чтобы
успевала компенсироваться динамическая ошибка в подслеживании. Изменение фазы
сигнала с основного указателя УС-И производится усилителем постоянного тока
УПТ. После задания скорости сигнал с основного указателя УС-И поступает после
выпрямления с помощью усилителя ФЧУ в оба канала автомата и вызывает
перемещение секторов газа исполнительным механизмом в положение, при котором
устанавливается заданная скорость полета, и стрелки текущей скорости на
указателях УС-И совмещаются с индексами. Сигнал со второго указателя УС-И в
управлении секторами газа не участвует. Сигналы с каждого указателя УС-И после
фазочувствителъного усилителя ФЧУ и усиления по постоянному току подаются в
АБСУ-154-2 для управления директорным индексом скорости на приборах ПКП.
В режиме УХОД автомат перемещает секторы газа с
максимальной скоростью во взлетноеположение. Для этого на привод автомата
подается электрический сигнал, вызывающий отработку исполнительного механизма
до концевых выключателей максимального газа. При срабатывании концевых
выключателей по всем трем секторам газа автомат переходит в режим подготовки.
Информация о срабатывании концевых выключателей максимального газа выдается в
систему ухода на второй круг АБСУ-154-2. В случае если один из секторов газа
был до этого отключен кнопкой-табло Г на приставке ПН-6, переход в режим
ПОДГОТОВКА произойдет при срабатывании концевых выключателей остальных двух
секторов газа. Последующее включение автомата в режим стабилизации и управления
скоростью может быть произведено только после снятия командного сигнала ухода
из АБСУ-154-2.
В каждом канале автомата имеется вычислитель,
реализующий закон управления. Вычислитель выполнен на усилителях постоянного
тока УПТ-9, резисторах ОМЛТ, конденсаторах К53-7 и КМ-4. Сигнал ΔV,
пропорциональный разности текущего и заданного значения скорости полета,
поступает на вычислители обоих каналов с основного указателя УС-И после
усилителя ФЧУ. Сигнал линейного ускорения поступает на вычислитель каждого
канала со своего датчика, установленного в блоке БДЛУ-0,5. Сигнал тангажа
подается по двум независимым цепям с сигналом исправности & из АБСУ-154-2.
Привод автомата - интегрирующий. Привод
обеспечивает вращение выходных рычагов исполнительного механизма со скоростью,
пропорциональной величине управляющего сигнала на входе. Привод имеет
двухканальную и общую части, обеспечивающие кинематическую связь автомата с
проводкой секторов газа самолета. Каждый канал привода работает в составе
своего канала автомата и состоит из суммирующего усилителя сигналов постоянного
тока, усилителя мощности, исполнительного механизма и фазочувствителъного
усилителя обратной связи по скорости.
Усилитель мощности имеет релейную характеристику
и выдает при срабатывании полное напряжение питания на обмотку управления
двухфазного двигателя переменного тока исполнительного механизма. Применение
релейного усилителя обеспечивает высокую чувствительность и жесткость
характеристики привода при нагрузке типа сухого трения, которой является
проводка управления и регулятор подачи топлива на самолете.
Линеаризация привода осуществляется за счет
отрицательной обратной связи по скорости. Исполнительный механизм автомата по
основным элементам выполнен двухканальным. Каждый канал механизма состоит из
управляемого .двигателя со встроенным тахогенератором переменного тока,
редуктора и электромагнитной муфты канала. Муфты отключения секторов газа,
входящие в исполнительный механизм, муфты пересиливания, концевые выключатели
минимального и максимального газа и выходные рычаги являются общими элементами
для обоих каналов автомата.
Привод имеет раздельные входы для управляющего
сигнала одной и другой полярности. Концевые выключатели исполнительного
механизма включены в соответствующие входы управляющего сигнала. В случае
движения секторов газа в сторону минимального газа цепь соответствующего
управляющего сигнала разрывается при срабатывании любого одного из концевых
выключателей минимального газа. При движении секторов в сторону максимального
газа управляющий сигнал разрывается только при срабатывании всех трех концевых
выключателей максимального газа. В связи с тем, что редуктор исполнительного
механизма не самотормозящийся, а в проводке управления объектом имеют место
упругие деформации, возможно обратное движение выходных рычагов исполнительного
механизма после срабатывания концевых выключателей. Обратное движение выходных
рычагов может привести к установлению режима автоколебаний привода на концевых
выключателях. Для устранения этого явления в автомате имеатея устройство
блокировки концевиков. Устройство обеспечивает сохранение разрыва цепи
управляющего сигнала после срабатывания концевого выключателя до тех пор, пока
полярность этого сигнала не изменится. Устройство состоит из порогового
элемента и элементов блокировки входных цепей привода.
Система встроенного контроля автомата состоит из
поканалъного контроля пассивного и активного отказов, контроля указателя УС-И,
контроля питания и тест-контроля, контроля датчиков линейного ускорения. Сигнал
тангажа контролируется в АБСУ-154-2 и информация о его исправности подается в
автомат.
Контроль пассивного отказа автомата производится
поканалъно сравнением работы канала с работой его электрического аналога. За
выходной параметр канала в этом случае принимается сигнал тахогенератора
привода, пропорциональный скорости перемещения секторов газа. Сигнал
тахогенератора переменного тока предварительно преобразуется в постоянный ток
фазочувствительным выпрямителем ФЧВ. Аналог канала выполнен на усилителях
постоянного тока УПТ-9. Сигналы канала и аналога подаются на сравнивающее
устройство, представляющее собой компаратор с переменным порогом срабатывания и
временной задержкой.
Характеристика компаратора приведена на рис. 4.
При задании скорости или других значительных
возмущениях, когда на компаратор поступают большие сигналы, он загрубляется и
контроль канала производится по наличию парирования возмущения. Временная
задержка в срабатывании компаратора исключает ложное срабатывание системы
контроля, которое могло бы возникнуть из-за разброса динамических характеристик
канала и аналога. Временная задержка составляет величину порядка 2 с.
Рис. 4. Характеристика компаратора
стабилизация
скорость управление тангаж
При срабатывании компаратора происходит
отключение питания неисправного канала иснимается напряжение + 27 В информации
об исправности канала, выдаваемой в АБСУ-154-2. В случае отказа основного
канала происходит переключение автомата на резервный канал. При отказе обоих
каналов автомат переходит в режим согласования указателя УС-И.
За активный отказ принимается отказ, при котором
исполнительный механизм автомата перемещает секторы газа с максимальной
скоростью. Так же как и контроль пассивного отказа, контроль активного отказа
производится поканально с использованием компаратора.
На один вход компаратора заводятся сигналы с
тахогенератора привода после специально установленного фазочувствительного
выпрямителя ФЧВ и сигнал аналога привода канала. На другой вход компаратора
подается сигнал - 27 В. Если максимальный сигнал с привода не компенсируется
сигналом аналога, то компенсатор срабатывает. Временная задержка срабатывания
компаратора активного отказа значительно меньше, чем компаратора пассивного
отказа, и составляет 0,7 с. Переключение каналов, отключение автомата и
сигнализация отказов происходят так же, как при пассивных отказах.
В режиме УХОД, когда исполнительный механизм
отрабатывает с максимальной для него скоростью, система контроля активного
отказа отключается.
Автоматический контроль указателей УС-И
производится сравнением сигналов с двух указателей на своем компараторе с
переменным порогом и временной задержкой.
Применение компаратора с переменным порогом и
временной задержкой при контроле указателя УС-И вызвано теми же соображениями,
что и при контроле пассивного отказа автомата. При расхождении сигналов с
указателя УС-И на величину порога срабатывания компаратора автомат переходит в
режим согласования указателя УС-И. В этом случае снимается информация,
выдаваемая в АБСУ-154-2 об исправности каналов, а при наличии команды из
АБСУ-154-2 на задействование цепи выдачи сигнала неисправности указателя УС-И
выдается информация в АБСУ-154-2 об этом отказе.
Таким же образом работает система контроля
датчиков сигнала линейного ускорения. Для повышения безопасности все элементы
контроля указателя УС-И повторяются в двух блоках автоматики и таким образом в
автомате параллельно работают два указателя УС-И.
При пропадании в любом канале напряжения
электропитания 27 В постоянного тока или напряжения переменного тока 36 В 400
Гц обесточиваются соответствующие реле и автомат переводится в режим
согласования указателя УС-И. Отказ питания переменным напряжением 200 В
приводит к отказу привода канала и контролируется системой контроля пассивного
отказа канала.
Отказы автомата индицируются на табло пульта ППН
в АБСУ-154-2 при вызове на пульте ППН автомата:
при отказе в канале 1 - на табло 1;
при отказе в канале 2 - на табло 2;
при отказе блока БДЛУ-0,5 - на табло 3;
при отказе указателя УС-И - на табло 4.
В автомате имеются элементы, позволяющие
оператору провести тест-контроль исправности встроенной системы контроля. При
проведении тест-контроля на компараторы подаются сигналы, при которых
компараторы должны сработать. Срабатывание компараторов вызывает погасание ламп
«КОНТРОЛЬ» на приставке ПН-6.
Выходные цепи встроенной системы контроля при
этом блокируются и отключения автомата не происходит. Тест-контроль может быть
проведен только в режиме ПОДГОТОВКА. Для проверки исправности цепей прохождения
сигнала тангажа в процессе предполетного контроля в автомате предусмотрен вход
для контрольного сигнала прохождения из АБСУ-154-2. Вход контрольного сигнала
подключается к вычислителю автомата по команде из АБСУ-154-2. Если на пульте
ППН в АБСУ-154-2 вызван автомат, то при тест-контроле автомата с приставки ПН-6
срабатывание компаратора контроля БДЛУ-0,5 высвечивает табло 3 пульта ППН.
Описанная выше встроенная система контроля
автомата обеспечивает определение неисправного канала или блока.
2. Система автоматического управления САУ-154-2:
работа канала тангажа в режиме «управление по тангажу» по структурной и
функциональной схемам. Закон управления
.1 Общие сведения
Система автоматического управления САУ-154-2
(рис. 5) входит в состав автоматической бортовой системы управления АБСУ-154-2
самолета Ту-154М обеспечивает:
. Улучшение характеристик устойчивости и
управляемости самолета во всем диапазоне эксплуатационных скоростей и высот
полета при ручном пилотировании;
. Стабилизацию углового положения самолета
относительно трех основных осей;
. Стабилизацию барометрической высоты полета;
. Стабилизацию приборной скорости полета;
. Стабилизацию числа М;
. Выполнение координированных разворотов с
углами крена до (± 26 ± 3) °;
. Выполнение координированных разворотов на
заданный угол курса.
. Набор высоты и снижение с углами тангажа до (±
17 ± 2,5) °.
Система САУ-154-2 с блоками БНС-1-2 и ВУ-1-2
обеспечивает:
. Управление самолетом в боковой плоскости в
режимах полета по радиомаякам VOR
и в режиме автоматического управления по сигналам НВУ-БЗ;
. Управление самолетом в боковой и продольной
плоскостях в режиме автоматического захода на посадку по сигналам системы
траекторного управления;
. Управление самолетом в режиме автоматического
ухода на второй круг по сигналам вычислителя ухода.
Система автоматического управления осуществляет
автоматическое управление самолетом с помощью элеронов, рулей направления и
высоты, а также обеспечивает улучшение характеристик устойчивости и
управляемости при ручном пилотировании самолета.
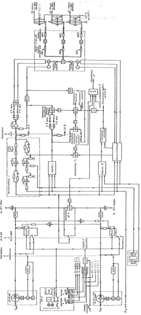
Рис. 5. Система автоматического управления
САУ-154-2.
Для управления самолетом используются сигналы от
датчиков, измеряющих основные параметры полета (курс, крен, тангаж, высоту,
скорость и т.д.), а также сигналы от рукоятки управления на пульте ПУ-46. Эти
сигналы обрабатываются в вычислительных и усилительных блоках САУ-154-2 и в
виде управляющих сигналов поступают на рулевые агрегаты элеронов и рулей.
Управление самолетом производится по каналам
курса, крена и тангажа. Каналы работают автономно, связь между ними
осуществляется только через самолет во время его эволюции. Каждый канал состоит
из трех идентичных подканалов, которые работают одновременно. Это обеспечивает
сохранение полной работоспособности после возникновения первого отказа в любом
канале и позволяет избежать значительных и резких перемещений рулей при втором
отказе.
Исполнительным механизмом каждого канала
является строенный электрогидравлический рулевой агрегат РА-56В1, который
совместно с блоками демодуляции и усиления БДУ образует сервопривод канала.
Подканалы сервопривода имеют автономное электропитание, а каждый цилиндр
РА-56В1 подключен к автономной гидросистеме самолета. Все три подканала
сервопривода работают одновременно. Штоки трех цилиндров кинематически
соединены с выходным звеном РА-56В1. Рулевые агрегаты включены в проводку
управления самолета дифференциально, т.е. перемещение выходного звена
необратимых бустеров, перемещающих рули, равно сумме двух независимых
перемещений: от рычагов управления (X)
и от траверс РА-56В1 (Δδ).
Управление элеронами и рулями осуществляется
необратимыми бустерами. Для создания "чувства управления" у летчика в
проводке управления самолета установлены пружинные загружатели. Пружинные
загружатели, благодаря предварительному поджатию, не позволяют передавать
движение траверс на рычаги управления (штурвал, колонку штурвала и педали). Так
как каналы САУ-154-2 работают автономно, ниже приводится описание канала
тангажа.
Канал тангажа стабилизирует угловое положение
самолета относительно поперечной оси, управляет продольным движением самолета,
а также улучшает характеристики устойчивости и управляемости самолета по
тангажу при ручном пилотировании.
Канал тангажа работает в режимах:
. Штурвальное управление;
. Стабилизация и управление;
. Стабилизация высоты;
. Стабилизация приборной скорости;
. Стабилизация числа М;
. Заход на посадку;
. Уход на второй круг.
2.2 Работа канала тангажа в режиме «управления
по тангажу». Закон управления
Канал тангажа в режиме штурвального управления
демпфирует колебания самолета в полете вокруг поперечной оси и обеспечивает
требуемые характеристики управляемости самолета по тангажу при ручном
пилотировании во всем диапазоне эксплуатационных весов и центровок самолета.
Структурная схема канала тангажа в режиме
штурвального управления показана на рис. 6.
Рис. 6. Структурная схема канала тангажа в
режиме штурвального управления
В канале тангажа сервопривод отклоняет руль
высоты на величину σ, ограниченную
значением Р4. Сервопривод отклоняется по сумме сигнала демпфирования с
передаточным коэффициентом КωZ
и сигнала управляемости. Сигнал угловой скорости ωZ
поступает с БДГ-26.
Сигнал управляемости представляется в виде
произведения двух сигналов ΔХВ
· КХВ.
Сигнал ΔХВ
пропорционален отклонению колонки от стриммированного положения. Датчиком этого
сигнала является ДПС-2.
Сигнал КХВ пропорционален сумме сигналов ХБАЛ и ΔХБАЛ.0.
Величина ХБАЛ формируется с помощью датчика ДПС-4, установленного на механизме
эффекта триммирования. Значение ΔХБАЛ.0
принято постоянным.
Величины ХЗАД и КШ.0 также постоянны и служат
для приведения размерности сигнала управляемости к градусам отклонения руля
высоты.
Исполнительным механизмом канала тангажа (рис.
7.) является РА-56В1, входящий в состав сервопривода СП-1Г. Работа его
аналогична работе сервопривода в каналах курса и крена. Перемещение штока
каждого подканала пропорционально величине управляющего сигнала.
При возникновении колебаний самолета вокруг
поперечной оси блок БДГ-26 канала тангажа вырабатывает электрический сигнал,
пропорциональный возникающей угловой скорости. Этот сигнал поступает на КЭ,
расположенный в блоке БСН-7. Кворум-элемент позволяет получить достоверный
сигнал угловой скорости тангажа при отказе одного ДУС блока БДГ-26. При
нормальной работе ДУС сигнал на выходе КЭ представляет собой
среднеарифметическое значение сигнала угловой скорости тангажа, поступающего на
него с ДУС. Далее этот сигнал поступает на вход усилителя сервопривода. На
усилителе сервопривода он алгебраически суммируется с сигналом управляемости и
сигналом отрицательной обратной связи.
Рис. 7. Функциональная схема канала тангажа в
режиме штурвального управления.
Алгебраическая сумма этих трех сигналов
представляет собой управляющий сигнал в канале тангажа.
Сигнал управляемости формируется строенными
датчиками положения ДПС-4 и ДПС-2 и вычислителем продольной управляемости
БШУ-4.
Датчик положения ДПС-4 вырабатывает
электрический сигнал ХБАЛ, пропорциональный положению колонки штурвала,
соответствующему балансировочному положению руля высоты. Этот сигнал питает
статорную обмотку датчика положения ДПС-2.
Колонка штурвала устанавливается в
балансировочное положение с помощью МЭТ-4У. Механизм МЭТ-4У управляется
нажимными переключателями, расположенными на штурвалах. Угол поворота ДПС-2
пропорционален отклонению колонки штурвала от балансировочного положения.
Отклонение появляется при ручном пилотировании
самолета. Следовательно, ДПС-2 вырабатывает сигнал переменного тока,
пропорциональный произведению сигнала отклонения колонки штурвала от
балансировочного положения на сигнал балансировочного положения.
Канал тангажа в этом режиме работает следующим
образом: в зависимости от режима полета руль высоты находится в соответствующем
балансировочном положении, обеспечивающем сохранение данного режима. При этом
строенный ДПС-4 вырабатывает сигнал, пропорциональный этому положению. Этот
сигнал поступает на ДПС-2 для запитки его статорных обмоток.
При ручном пилотировании, когда летчик
перемещает колонку штурвала, с роторной обмотки ДПС-2 снимается сигнал. Этот
сигнал пропорционален произведению двух перемещений: изменению балансировочного
положения колонки и перемещению колонки от балансировочного положения. С ДПС-2
сигнал поступает на вычислитель продольной управляемости и далее на усилитель
сервопривода. Усилитель сервопривода вырабатывает управляющий сигнал на
РА-56В1, который перемещает руль высоты. В зависимости от режима полета, а
значит и от балансировочного положения, перемещение руля высоты от РА-56В1
складывается или вычитается с перемещением руля высоты от проводки управления
самолета. Таким образом, коэффициент передачи от колонки штурвала к рулю высоты
изменяется в соответствии с балансировочным положением руля высоты, а значит и
режимом полета. Этим обеспечивается постоянство характеристик управляемости
самолета на разных режимах полета. Когда АБСУ-154-2 работает в режимах захода
на посадку, ухода на второй круг, стабилизации высоты, стабилизации приборной
скорости, стабилизации числа М, на усилитель сервопривода поступает сигнал ωZДОП.
При этом обеспечивается дополнительное демпфирование колебаний самолета по
тангажу.
Рассмотрим работу канала тангажа в режиме
штурвального управления по принципиальным электрическим схемам.
АБСУ в канале тангажа в режиме штурвального
управления обеспечивает демпфирование колебаний самолета относительно
поперечной оси z и улучшает
характеристики продольной управляемости самолета. Канал тангажа АБСУ состоит из
демпфера тангажа и вычислителя продольной управляемости.
В демпфер тангажа входит блок демпфирующих
гироскопов БДГ тангажа и сервопривод СП1-Г руля высоты. В вычислитель
продольной управляемости входят: датчик ДПС-4 балансировочного положения руля
высоты, кинематически связанный с перемещением механизма МЭТ-4У; датчик ДПС-2,
кинематически связанный с перемещением колонки штурвала; собственно вычислитель
продольной управляемости, расположенный в блоке БШУ.
Сервопривод состоит из блока демодуляции и
усиления (усилитель привода) БДУ, расположенного в блоке БАП, и гидравлического
рулевого агрегата РА-56В1, установленного в проводке управления рулем высоты.
Сигнал, пропорциональный угловой скорости ωZ,
снимаемый со щетки потенциометра датчика угловой скорости ДУС, расположенного в
блоке БДГ-26 (тангажа), относительно средней точки, через клемму 6 (16, 26)
поступает на клемму 6 (16, 26) разъема Ш2 платформы ПКА-31. Питание ± 12,5 В на
потенциометр ДУС поступает в блок питания (БПН) УЗ (У7, У10), расположенный в
блоке БУ-65, через клеммы 9, 10 (19, 20; 29, 30) верхнего разъема блока, клеммы
I, 2 (11, 12; 21,
22) разъема Ш2 платформы ПКА-31 и клеммы 1, 2 (11, 12; 21, 22) разъема
блокаБДГ. Блоки питания через клеммы 1, 3 запитаны переменным напряжением 36 В
400 Гц.
С разъема Ш2 сигнал угловой скорости ωZ
поступает через клемму 38 (39, 40) верхнего разъема блока БСН-7 на сигнализатор
напряжения У15 (У16, У17) клеммы 13, 14. С клеммы 16 У15 сигнал поступает на
клемму 1 ограничителя тока У11 (У12, У13). Ограничители тока У11, У12, У13
образуют кворум-элемент, который осредняет электрический сигнал и совместно с
сигнализаторами напряжения У15, У16, У17 позволяет контролировать исправность
(достоверность) этого сигнала в каждом подканале.
Выходные клеммы 2 ограничителей тока объединены
между собой, соединены с клеммой 12 сигнализаторов напряжения и выведены на
клеммы 41, 56, 57 верхнего разъема блока.
С клеммы 41 (56, 57) верхнего разъема блока
БСН-7 осредненный сигнал угловой скорости ωZ
поступает в блок БАЛ на клемму 23 верхнего разъема. В блоке сигнал через
резистор R90 поступает на
вход усилителя привода У5.
При наличии угловой скорости ωZ
с усилителя привода сигнал постоянного тока поступает на преобразователь
сигналов (ПС) рулевого агрегата тангажа через клеммы 18, 19 верхнего разъема
блока, клеммы 5, 6 (17, 18; 29, 30) разъема Ш6 платформы ПКА-31 и клеммы 7, 8
разъемов Ш1, Ш2, ШЗ рулевого агрегата РА-56В1 тангажа. Шток рулевого агрегата
отклоняется таким образом, чтобы отклонение руля высоты парировало возникшую
угловую скорость.
Величина отклонения штока определяется сигналом
обратной связи, который поступает с индукционного датчика, расположенного в
рулевом агрегате, на усилитель привода через клеммы 5, 10 разъемов Ш1, Ш2, ШЗ
рулевого агрегата, клеммы 3, 7 (15, 19; 27, 31) разъема Ш6 платформы и клеммы
16, 17 верхнего разъема блока БАП. Усилитель привода запитывается от блока
питания (МУБП) У2 постоянным напряжением ± 25 В через клеммы П2-2 и П2-3. Для
компенсации ненулевых сигналов на вход усилителя привода с блока питания
подается напряжение центровки через регулировочный резистор R29
и резистор RЗО. Для исключения
влияния колебания напряжения питания напряжение центровки стабилизируется
стабилитронами Д15, Д16. Блок питания через клеммы 1 и 3 запитан переменным
напряжением 36 В 400 Гц,
Контроль канала демпфера тангажа ведется
системой встроенного контроля по сигналу исправности подканалов рулевого
агрегата и блока демпфирующих гироскопов.
Сигнал исправности рулевого агрегата поступает с
клеммы 22 разъемов Ш1, Ш2, ШЗ рулевого агрегата через клеммы 10, 22, 34 разъема
Ш6 и клеммы 6, 7, 8 второго верхнего разъема блока БВК на устройства
автоматической закольцовки У75, У76, У77.
Исправность блока демпфирующих гироскопов оценивается
кворум-элементом, расположенным в блоке БСН-7. При снятии двух из трех сигналов
исправности на клемме 8 сигнализаторов напряжения У15, У16, У17 с клеммы 6
узлов логики У21 и У22 (узлы логики задублированы) поступает сигнал 2-го отказа
БДГ на клеммы 54 и 55 верхнего разъема блока БСН. Этот сигнал поступает на
клеммы 61 и 62 первого верхнего разъема БВК, с которого далее поступает на
клеммы 4 релейных усилителей У16 и У17.
Усилители срабатывают и закольцовывают привод
канала тангажа, снимая напряжение ± 27 В с клеммы 3 устройств закольцовки. При
этом выдается соответствующий сигнал пилоту, который поступает с клеммы 10
усилителей на клемму 63 второго нижнего разъема и далее через клемму 10 разъема
21 платформы на табло «ОТКАЗ ДЕМПФЕРА ТАНГАЖА» на приборной доске.
При отсутствии двух из трех сигналов исправности
рулевого агрегата с клемм 6 узлов логики У1 и У2 блока БВК сигнал 2-го отказа
привода поступает на клемму 4 тех же релейных усилителей У16 и У17, которые
срабатывают аналогично первому случаю.
Сигнал с индукционного датчика, расположенного в
ДПС-4, пропорциональный балансировочному положению руля высоты, через клеммы 3,
4 разъемов Ш1, Ш2, ШЗ датчика поступает на клеммы 27, 28 (31, 32; 35, 36)
разъема Ш13 платформы.
Для реализации функции перемножения сигналов
балансировочного положения руля и перемещения колонки штурвала датчики ДПС-4 и
ДПС-2 соединены между собой (рис. 8).
Клемма 28 (32, 36) разъема Ш13 соединена с
клеммой 13 (17, 21) этого же разъема, на которую выведена клемма 1 (5, 9)
датчика ДПС-2, соответствующая первому концу обмотки возбуждения датчика
колонки.
Рис. 8. Схема соединения датчиков ДПС-4 и ДПС-2
Клемма 27 (31, 35) разъема Ш13 через клемму 7
(17, 27) нижнего разъема блока БШУ соединена с общей точкой резисторов R27,
R28 (R37,
R38; R47,
R48). На другие
концы резисторов в блоке БШУ подано переменное напряжение 36 В 400 Гц.
Регулировочный резистор R27
(R37, R47)
служит для смещения характеристики управляемости при регулировке нулевой точки.
Сигнал со щетки регулировочного резистора через
клемму 8 (18, 28) нижнего разъема блока, клемму 14 (18, 22) разъема Ш13
поступает на клемму 2 (6, 10) датчика ДПС-2, соответствующую второму концу
обмотки возбуждения датчика колонки.
Сигнал, соответствующий функции перемножения, с
клемм 3, 4 (7, 8; 11, 12) датчика ДПС-2 через клеммы 15, 16 (19, 20; 23, 24)
разъема Ш1З поступает на вычислитель продольной управляемости через клеммы 5, 6
(15, 16; 25, 26) нижнего разъема блока БШУ. Вычислитель продольной управляемости
состоит из преобразователя среды У16 (У20, У24), усилителя постоянного тока
(УПТ-9) У17 (У21, У25) и кворум-элемента, образованного тремя ограничителями
тока У15, У19, У23. Сигнал переменного тока поступает на клеммы 1, 3
преобразователя У16 (У20, У24), с выхода преобразователя (клеммы 8, 9) сигнал
постоянного тока через регулировочный резистор R3О
и резистор
R32 (R42,
R52) поступает на
вход усилителя У17 (У21, У25). Преобразователь фазы запитан через клеммы 6, 7
переменным напряжением 36 В 400 Гц.
Усилитель постоянного тока через клеммы 2, 5
запитан постоянным напряжением ± 25 В с того же блока питания, который питает
вычислитель боковой управляемости.
Для компенсации ненулевых сигналов на вход
усилителя с блока питания подается напряжение центровки через регулировочный
резистор RЗЗ (R43,
R53) и резистор R35
(R45, R55).
С выхода усилителя через резистор R29
(R39, R49)
сигнал поступает на вход ограничителя тока от клеммы 1. Ограничители тока У15,
У19, У23 образуют кворум-элемент, который осредняет электрический сигнал и
совместно с сигнализаторами напряжения У47, У48, У49, расположенными в блоке
БВК, позволяет контролировать исправность подканалов вычислителя продольной
управляемости.
На сигнализаторы напряжения сигнал с выхода
вычислителя продольной управляемости попадает через клемму 33 (43, 53) нижнего
разъема блока БШУ, клеммы 54, 53. 52 второго верхнего разъема блока БВК и далее
через клемму 14 соответствующих сигнализаторов напряжения. Выходные клеммы 2
ограничителей тока объединены между собой и выведены на клеммы 34, 44, 54, 35
нижнего разъема блока.
Осредненный сигнал с выхода вычислителя
продольной управляемости подается на сигнализаторы напряжения через клемму 35
нижнего разъема БШУ, клемму 51 второго верхнего разъема БВК и клемму 12
сигнализатора напряжения.
С клеммы 34 (44, 54) сигнал продольной
управляемости подается на усилитель привода через клемму 24 верхнего разъема
блока БАП и далее через контакт реле Р11 и резистор R24.
На реле Р18 из блока контроля БВК с клеммы 8
релейного усилителя У25 через клемму 13 первого верхнего разъема блока БВК
поступает сигнал + 27 В «ИСПРАВНОСТЬ» вычислителя продольной управляемости. С
клеммы 13 разъема БВК этот сигнал попадает на выключатель «ПРОДОЛ. УПРАВЛ.»
пульта бортинженера через клемму 32 разъема Ш22 платформы ПКА-31 и клемму 20
разъема Ш1 панели контроля АБСУ. С выключателя «ПРОДОЛ. УПРАВЛ.» сигнал
поступает на клемму 31 блока БАП через клемму 21 разъема Ш1 панели контроля
АБСУ (расположена у бортинженера) и клемму 33 разъема Ш22 платформы. С клеммы
24 сигнал в блоке БАП подается на реле Р11.
Выключатель продольной управляемости позволяет
бортинженеру отключать сигнал с вычислителя продольной управляемости в случае
самопроизвольного (активный отказ) движения механизма МЭТ-4У (в штурвальном
режиме).
С усилителя привода сигнал поступает на рулевой
агрегат руля высоты. Шток рулевого агрегата отклоняется в сторону,
соответствующую добавочному перемещению руля высоты, для улучшения
характеристик управляемости.
Контроль вычислителя продольной управляемости
осуществляется системой встроенного контроля с помощью сигнализаторов
напряжения, расположенных в блоке БВК.
При снятии двух из трех сигналов исправности с
клеммы 8 сигнализаторов напряжения У47, У48, У49 с клеммы 6 узла логики У11 на
клемму 4 релейного усилителя У25 подается сигнал 2-го отказа вычислителя
продольной управляемости. Усилитель срабатывает, снимает сигнал исправности с
клеммы 8, тем самым обесточивает реле Р11 в блоках БАП. Сигнал продольной
управляемости отключается от усилителя привода.
При этом пилоту выдается соответствующая
сигнализация, которая поступает с клеммы 10 усилителя через клемму 14 первого
верхнего разъема блока БВК, клемму 14 разъема Ш21 платформы на табло «ОТКАЗ
УПРАВЛ. ПРОДОЛ», на приборной доске.
Включение канала тангажа производится
одновременно с включением тумблера САУ-СТУ на верхнем щитке пилотов при
включенных АЗС системы СТУ и АБСУ, а также трех выключателей подканалов привода
канала тангажа на пульте бортинженера при положении «РУЧН.» тумблера «РУЧН. -
АВТОМ».
При этом на бленкер «ТАНГАЖ» пульта управления
ПУ-46 подается сигнал + 27 В, и на поле бленкера появляется значок штурвала.
Этот сигнал подается на бленкер с клеммы 25 нижнего разъема блока БУ-65 через
клемму 15 разъема Ш18 платформы ПКА-31 и клемму 15 разъема Ш2 пульта ПУ-46. В
блоке БУ-65 этот сигнал формируется по схеме ИЛИ из сигналов включения
подканалов рулевого агрегата и проходит через нормально замкнутый контакт реле
Р37.
Работа привода канала тангажа контролируется
пилотом по перемещению планки Т на приборе ИН-3-2, расположенном на приборной
доске пилотов. Сигнал переменного тока с датчика траверсы рулевого агрегата
тангажа через клеммы 3, 4 дополнительного разъема поступает на клеммы 39, 40
разъема Ш6 платформы. Далее сигнал поступает на клеммы 6, 7 нижнего разъема
блока управления. В блоке управления этот сигнал поступает на клеммы 1 и 3
преобразователя сигналов У1, с выходной клеммы 8 которого через резистор R5
сигнал постоянного тока (относительно средней точки) поступает на клемму 8
нижнего разъема блока. С клеммы 8 через клемму 6 разъема Ш5 платформы сигнал
поступает на клемму 4 разъема индикатора ИН-3-2 и далее на рамку логометра,
отклоняющего планку Т.
Канал тангажа в режиме стабилизации и управления
стабилизирует угол тангажа, заданный пилотом, а также управляет продольным
движением самолета.
Структурная схема канала тангажа в режиме
стабилизации и управления показана на рис. 9.
Стабилизация самолета по углу тангажа υ
производится
на основе сигнала отклонения текущего тангажа от υ0 , соответствующего
режиму горизонтального полета. Значение текущего угла тангажа υТ
поступает с малогабаритной гировертикали МГВ-1СК. Управляющим сигналом в режиме
стабилизации тангажа является разность между текущим тангажом и υ0.
Далее
этот сигнал усиливается коэффициентом Кυ и
поступает в предусилитель, где суммируется с сигналом модуля крена
(передаточный коэффициент Кυγ), компенсирующим
потери высоты при разворотах. Коэффициент Кυγ увеличивается
при выпуске шасси в два раза.
В режиме управления по тангажу управляющий
сигнал υПУЗАД
поступает с пульта управления ПУ-46, усиливается коэффициентом КυПУЗАД,
ограничивается (FυПУ)
и далее идет в предусилитель.
На выходе предусилителя сигнал ограничивается (F3)
, величина ограничения переключается по команде «ВЫПУСК ЗАКРЫЛКОВ». Далее сигнал
Δ
суммируется
с демпфирующим сигналом, поступающим с блока демпфирующих гироскопов с
передаточным коэффициентом КωZ.
Суммарный сигнал ограничивается ограничителем F4
и складывается механически с сигналом перекачки X,
идущим с устройства триммерного эффекта (УТЭ), Скорость перемещения УТЭ
представляет собой функциональную зависимость F
(Δ) от сигнала предусилителя Δ.
F(Δ) имеет
релейную характеристику с зоной нечувствительности. Канал тангажа (рис. )
состоит из демпфера колебаний, датчиков САУ-154-2, вычислителя продольного
канала САУ-154-2, вычислителя стабилизации высоты, приборной скорости и числа
М, устройств согласования и механизма триммерного эффекта.
Рис. 9. Структурная схема канала тангажа в
режиме управления и стабилизации
Работа демпфера тангажа в режиме стабилизации и
управления не отличается от работы его в режиме штурвального управления.
Устройство согласования обеспечивает плавное включение САУ-154-2 в режим
стабилизации без предварительного центрирования. Устройство согласования
состоит из МУ и исполнительного механизма (МИ). Каждое устройство согласования
включено в обратную связь вычислителя продольного канала САУ-154-2 и
обеспечивает непрерывное обнуление выходного сигнала этого вычислителя, когда
САУ-154-2 работает в режиме штурвального управления.
Вычислитель продольного канала САУ-154-2
предназначен для формирования управляющего сигнала Δυ
и
представляет собой три параллельно и одновременно работающих УПТ-9 и
кворум-элемент вычислителя. Механизм триммерного эффекта обеспечивает
автоматическую установку колонки штурвала в балансировочное положение,
соответствующее режиму полета.
Канал тангажа работает следующим образом.
При включении режима срабатывает реле Р1 и
подключает управляющий сигнал вычислителя продольного канала САУ-154-2 к входу
усилителя сервопривода и одному из усилителей автомата триммирования (УАТ)
устройства триммерного эффекта. Если угол тангажа равен заданному значению, то
управляющий сигнал, поступающий на усилитель сервопривода руля высоты, равен
нулю, и руль высоты будет находиться в нейтральном положении. При отклонении
величины угла тангажа от заданного значения сигнал υ
с
МГВ-1СК изменяется на величину Δυ и
с трех гировертикалей поступает на КЭ, расположенный в КГ-7. Кворум-элемент
позволяет получить достоверный сигнал отклонения от заданного тангажа в случае
отказа одной гировертикали.
При нормальной работе гировертикалей сигнал с
выхода КЗ поступает на каждый из трех УПТ-9 вычислителя продольного канала
САУ-154-2, расположенных в БАП-6. Устройство согласования в режиме стабилизации
и управления механически стопорится, а его вход отключается от выхода
вычислителя САУ-154-2. Поэтому сигнал отклонения от заданного тангажа начинает
отличаться от сигнала υ0. Разность
этих сигналов в вычислителе САУ-154-2 усиливается по величине и мощности,
ограничивается и в виде управляющего сигнала Δυ поступает
на вход усилителя сервопривода. Усилитель сервопривода формирует управляющий
сигнал на РА-56В1, который отклоняет руль высоты. Под воздействием руля высоты
изменяется угол тангажа самолета. При этом с МГВ-1СК начинает поступать сигнал υ
отклонения
от опорного тангажа υОП. По знаку
этот сигнал противоположен управляющему сигналу υЗАД
- υОП.
Поэтому на входе усилителя в вычислителе САУ-154-2 эти отклонения скомпенсируют
друг друга, и сигнал Δυ станет
равным нулю. Под действием сигнала обратной связи руль высоты возвращается в
нейтральное положение, и самолет продолжает полет с новым углом тангажа. Для
вывода самолета в горизонтальный полет рукоятка управления «СПУСК - ПОДЪЕМ»
устанавливается в положение, при котором угол тангажа будет соответствовать
горизонтальному полету.
На вход вычислителя продольного канала САУ-154-2
поступает сигнал у для компенсации потери высоты при развороте. Он формируется
из сигнала текущего крена γ диодной
ячейки (ДЯ), которая при различных направлениях разворота пропускает сигнал γ
только
положительной полярности.
Рассмотрим работу канала тангажа в режиме
стабилизации и управления по принципиальным электрическим схемам. Система АБСУ
в канале тангажа в режиме стабилизации обеспечивает демпфирование колебаний
самолета относительно оси z,
стабилизирует угловое положение самолета относительно поперечной оси, а также
управляет продольным движением самолета от рукоятки «СПУСК - ПОДЪЕМ» пульта
управления.
Канал тангажа АБСУ автоматически устанавливает
руль высоты в балансировочное положение.
Канал тангажа АБСУ состоит из вычислителя
автопилота, вычислителя автоматического триммирования и вычислителя режимов
стабилизации высоты, числа М и приборной скорости.
Исполнительным механизмом автопилота является
сервопривод СП-1Г руля высоты, работу которого рассматривали в режиме
штурвального управления. Демпфирование колебаний самолета осуществляется
демпфером тангажа, работа которого в автоматическом режиме аналогична работе
его в режиме штурвального управления.
Стабилизация самолета относительно поперечной
оси z осуществляется
автоматически при включении автопилота (режимы стабилизации) по сигналам с
гировертикали МГВ-1СК.
При отклонении самолета по тангажу сигнал,
пропорциональный углу тангажа, снимается со щетки потенциометра гировертикали
МГВ-1СК относительно средней точки и через клемму 13 разъема Ш1 МГВ поступает
на клемму 13 разъема Ш1 (ШЗ, Ш5) блока КГ-7. Питание ± 12,5 В поступает с блока
БДП У1 (У2, УЗ), расположенного в КГ-7, на потенциометры МГВ.
С разъема Ш1 сигнал тангажа поступает на клеммы
13, 14 сигнализатора напряжения У13 (У14, У15). С клеммы 16 У13 сигнал
поступает на клемму 1 ограничителя тока У10 (У11, У12). Ограничители тока У10,
У11, У12 образуют кворум-элемент, который осредняет электрический сигнал, и
совместно с сигнализаторами напряжения У13, У14, У15 позволяет контролировать
исправность (достоверность) этого сигнала в каждом подканале.
Рис. 10. Функциональная схема канала тангажа в
режиме стабилизации и управления
Выходные клеммы 2 ограничителя тока объединены
между собой, соединены с клеммой 12 сигнализаторов напряжения и выведены на
клеммы 4, 27, 47 разъема Ш1 блока.
С клеммы 4 (27, 47) разъема Ш8 осредненный
сигнал тангажа поступает через клемму4 (27, 47) разъема Ш1 платформы ПКА-31 на
клемму 15 верхнего разъема блока БАП. В блоке сигнал через регулировочный
резистор R12 и резистор R13
поступает на вход суммирующего усилителя У1. Суммирущий усилитель У1 с входными
цепями совместно с устройством согласования УМ1 и У2 (УМ2 и У6, УМЗ и У9),
расположенным в блоке управления БУ-65, является вычислителем автопилота.
Усилитель через клеммы 2 и 5 запитан постоянным напряжением ± 25 В от блока
питания У2, который запитывает усилитель привода канала тангажа. С выхода
усилителя (клемма 1) через резистор R21
сигнал поступает на вход ограничителя тока У4 (клемма I). Максимальный выходной
сигнал усилителя ограничивается микросхемами У13 и У14 через контакты реле Р26
и регулировочный резистор R81.
Реле Р26 позволяет переключать величину ограничения в момент выпуска закрылков,
а регулировочный резистор R81
позволяет регулировать одну из величин этого ограничения.
Ограничители тока У4, расположенные в блоках
БАЛ, образуют кворум-элемент, который осредняет электрический сигнал с выхода
суммирующего усилителя канала тангажа, и совместно с сигнализаторами напряжения
У40, У41, У42, расположенными в блоке БВК, позволяет контролировать исправность
подканалов вычислителя автопилота канала тангажа. На сигнализаторы напряжения
сигнал с выхода вычислителя автопилота канала тангажа поступает через клемму 13
верхнего разъема блока БАП, клеммы 35 (36, 37) второго верхнего разъема блока
БВК и далее клемму 14 соответствующих сигнализаторов.
Выходные клеммы 2 ограничителей тока У4 выведены
на клемму 21 верхнего разъема блока БАП и соединены между собой. Осредненный
сигнал с выхода вычислителя автопилота канала тангажа подается на сигнализаторы
напряжения через клемму 34 второго верхнего разъема БВК и клемму 12
сигнализатора.
Одновременно этот сигнал поступает на
вычислитель автоматического триммирования, работу которого мы будем
рассматривать позже.
С выхода ограничителя тока У4 сигнал вычислителя
автопилота подается на вход усилителя привода через резистор R22
и контакты реле Р6. На обмотrу
реле Р6 при включении режима стабилизации подается команда + 27 В, реле
срабатывает и подключает сигнал вычислителя автопилота к усилителю привода. С
усилителя привода сигнал поступает на рулевой агрегат тангажа, при этом шток
рулевого агрегата отклоняется в сторону, соответствующую отклонению руля
высоты, необходимого для устранения появившегося отклонения по тангажу.
Осредненный сигнал с выхода автопилота поступает
на вход вычислителя автоматического триммирования через клеммы 1 и 3 нижнего
разъема блока БУТ-9. В блоке этот сигнал поступает через контакты реле Р1 (Р4)
и резистор R7 (R8)
на вход усилителя автоматического триммирования У2 (УЗ). Через контакты реле
Р3О (Р31) и резистор R5
(R6) этот сигнал
поступает на вход устройства контроля У1 (У4). Усилитель автоматического
триммирования У2 срабатывает при достижении входным сигналом порогового
значения 4 В. При этом на выходе усилителя появляются два вида сигнала: сигнал
постоянного тока поступает на клеммы 7, 8 (14, 15) верхнего разъема блока для
включения муфты в механизме МЭТ-4У (сигнал поступает на механизм через клеммы
9, 10 (19, 20) разъема Ш15 платформы); сигнал переменного тока поступает на
клеммы 9, 10 верхнего разъема блока на обмотку управления двигателя механизма
МЭТ-4У (сигнал поступает на механизм через клеммы 3, 4 (13, 14) разъема Ш15
платформы). Шток исполнительного механизма вычислителя триммирования МЭТ-4У
начинает двигаться. Шток через пружинный загружатель жестко соединен с
проводкой управления руля высоты, вследствие чего руль высоты начинает
двигаться таким образом, чтобы уменьшить сигнал с выхода автопилота.
Если канал вычислителя автоматического
триммирования исправен, то на клемму 21 (23) нижнего разъема блока поступает
сигнал исправности этого канала. В случае отказа канала вычислителя на клемму
22 (24) нижнего разъема блока поступает отказ канала.
Контроль режима стабилизации тангажа
осуществляется системой встроенного контроля, которая контролирует
гировертикали по тангажу, вычислители автопилота канала тангажа и вычислитель
автоматического триммирования. В случаях когда срабатывают два из трех
сигнализаторов напряжения в блоке КГ-7 (У13, У14, У15) или в блоке БВК (У40,
У41, У42) или когда отказывают оба канала вычислителя автоматического
триммирования, тогда режим стабилизации в канале тангажа отключается.
При снятии двух из трех сигналов исправности на
клемме 8 сигнализаторов напряжения У13, У14, У15 с клеммы 6 узла логики У16
поступает сигнал 2-го отказа МГВ υ на
клемму 2 разъема Ш8 блока КГ-7. Этот сигнал через клемму 2 разъема Ш1 платформы
и клемму 6 первого нижнего разъема БВК поступает на клемму 4 релейных
усилителей У22 и У23, которые запитаны через клеммы 1, 6 сигналом первого
отказа МГВ. Усилители срабатывают и с клеммы 13 посылают импульс отключения
автоматики на реле продольного канала в блоке управления. Этот сигнал поступает
через клемму 4 первого верхнего разъема БВК и клемму 38 верхнего разъема БУ-65
на сбросовые обмотки реле Р34 и Р35. Реле срабатывают, и отключается режим
стабилизации в продольном канале.
Одновременно импульс поступает на реле Р22 в
блоке БВК, через контакты 8, 9 которого и клемму 7 первого верхнего разъема ЕВК
выдается сигнал на включение звуковой и световой сигнализации.
Аналогично релейные усилители У22 и У23
срабатывают при поступлении отказа с узлов логики У8 и У9 при снятии двух из
трех исправностей сигнализаторов напряжения У40, У41, У42, контролирующих
вычислитель автопилота. Релейные усилители У22 и У23 срабатывают и при
поступлении отказа с узлов логики У7 при снятии двух исправностей вычислителя
автоматического триммирования. При отказах штурвального режима эти усилители
также срабатывают.
Включение режима стабилизации производится с
пульта управления ПУ-46. Для подготовки включения тумблер ТАНГ устанавливается
в положение ВКЛ., при этом через клеммы 12 и 14 разъема Ш1 блока и разъема Ш17
платформы команда + 27 В поступает на клеммы 49 и 50 верхнего разъема блока
БУ-65, далее на контакты 3 реле Р34 и Р35 и одновременно на обмотки реле Р3О и
Р31. Реле Р3О и Р31 срабатывают и подготавливают своими контактами цепи обмотки
реле Р34 и Р35 к включению. Для включения стабилизации необходимо, чтобы сигнал
исправности режима с релейного усилителя У23 блока БВК поступал через клемму 5
первого верхнего разъема блока и клемму 43 верхнего разъема блока БУ-65 на
обмотки реле Р25 и Р26. Реле срабатывают и своими контактами подготавливают
цепи обмоток реле Р34 и Р35 к включению. При нажатии кнопки СТАБ, на пульте
управления ПУ-46 команда + 27 В поступает на блок управления клемм 59 и 60
верхнего разъема. В блоке БУ-65 эта команда по двум цепям через контакты реле
Р25 и Р26, контакты реле Р3О и Р31 поступает на обмотки реле Р34 и Р35. Реле
Р34 и Р35 представляют собой дистанционные переключатели, которые при
поступлении команды + 27 В срабатывают и замыкают свои контакты 2 и 3 и
оставляют их в замкнутом состоянии после снятия команды + 27 В.
Команда +27 В от тумблера ТАНГ при срабатывании
реле Р34 и Р35 поступает на клеммы 51, 53, 54, 56, 57 верхнего блока БУ-65 и
далее через клемму 27 блоков БАП-6 на обмотку реле Р6. А через клеммы 5 и 6
нижнего разъема блока БУТ-9 (с клемм 56 и 57) на реле, подключающие вход
вычислителя автоматического триммирования. Реле Р6 в блоке БАП срабатывают и
подключают сигнал с вычислителя автопилота продольного канала к приводу.
Отключение режима производится вручную от кнопок КБО, или от тумблера ТАНГ, или
при управлении колонкой штурвала, или автоматически при отказе системы
встроенного контроля.
Сигнал от кнопок КБО левого и правого пилотов
поступает на блок управления (клеммы 42 и 61) верхнего разъема и далее на
обмотки реле Р21, Р24, Р42, Р43. Реле срабатывают и через контакты 2 и 3 реле
Р24 и Р42 команда + 27 В поступает на сбросовые обмотки реле Р34 и Р35, которые
срабатывают и разрывают контакты 2 и 3, при этом команда включения стабилизации
снимается с клемм 51, 53, 54, 56, 57 блока управления.
Сигнал от тумблера ТАНГ пульта ПУ-46 при
отключении поступает по двум цепям на клеммы 13 и 15 разъема Ш1 через контакты
реле РЗ и Р4, которые кратковременно срабатывают при отключении тумблера ТАНГ.
Далее сигнал через клеммы 13 и 15 разъема Ш17
платформы поступает через клеммы 40 и 41 верхнего разъема блока БУ-65 на
сбросовые обмотки реле Р34 и Р35. Реле срабатывают и размыкают цепи контактов 2
и 3.
При поступлении сигналов отказа режима
стабилизации релейные усилители У22 и У23 срабатывают и выдают команду + 27 В
через клемму 4 первого верхнего разъема и клемму 38 верхнего разъема блока
БУ-65 на сбросовые обмотки реле Р34 и Р35. Реле срабатывают и размыкают цепи
контактов 2 и 3.
Одновременно срабатывает реле Р22 в блоке БВК и
через контакты 8 и 9 и клемму 7 первого верхнего разъема блока выдается сигнал
на включение световой и звуковой сигнализации. Режим управления от рукоятки
«СПУСК - ПОДЪЕМ» осуществляется следующим образом.
При отклонении рукоятки СПУСК-ПОДЪЕМ сигнал с
потенциометров через клеммы 9, 10, 11 разъема Ш2 пульта ПУ-46, клеммы 9, 10, 11
разъема Ш18 платформы, клеммы 11 верхнего разъема блоков БАП, регулировочный
резистор R4 и постоянный
резистор R5 поступает на
вычислитель автопилота.
Потенциометр рукоятки «СПУСК - ПОДЪЕМ»
запитывается от блока питания У3 (У7, У10), расположенного в блоке БУ-65, через
клеммы 9 и 10 (19 и 20, 29 и 30) верхнего разъема блока БУ-65, клеммы 5 и 6(2 и
7, З и 8) разъема Ш18 платформы и клеммы 5 и 6 (2 и 7; 3 и 8) разъема Ш2 пульта
управления ПУ-46. С выхода вычислителя сигнал поступает на усилитель привода и
штока рулевой машинки, отклоняет руль высоты в сторону, необходимую для
совершения требуемого маневра в вертикальной плоскости. Самолет изменяет
тангаж, появляется сигнал отклонения от тангажа, который поступает с
гировертикали на вычислитель автопилота и компенсирует сигнал с рукоятки «СПУСК
- ПОДЪЕМ». Руль высоты возвращается в нулевое положение, и самолет совершает
маневр с заданным утлом тангажа.
Когда рукоятка «СПУСК - ПОДЪЕМ» устанавливается
в нулевое положение, руль высоты отклоняется в противоположном направлении и
самолет начинает возвращаться к горизонтальному полету, прекращая выполнение
маневра в вертикальной плоскости.
В продольном канале для возможности стабилизации
любого угла тангажа (в пределах работы автопилота) установлено устройство
согласования, которое формирует сигнал опорного тангажа до момента включения
режима стабилизации.
Устройство согласования состоит из магнитного
усилителя УМ1 (УМ2, УМ3) и исполнительного механизма У2 (У6, У9), расположенных
в блойе БУ-65, и работает следующим образом.
Сигнал с выхода суммирующего усилителя через
клемму 47 верхнего разъема БАП, клемму 7 (17, 27) верхнего разъема БУ-65,
резистор R4 (R11,
R18) поступает на
вход магнитного усилителя УМ1 (УМ2, УМЗ). С выхода магнитного усилителя
устройства согласования сигнал поступает на обмотку управления двигателя
исполнительного механизма У2 (У6, У9), В режиме штурвального управления обмотка
реле Р36 (Р38, Р39) обесточена, контакты 1, 2 замкнуты, при этом средняя точка
обмотки управления двигателя запитывается фазой А ~ 36 В 400 Гц. Двигатель
начинает вращаться и через редуктор перемещает щетку по потенциометру
устройства согласования. Потенциометр устройства согласования через клеммы 10,
14 и 16, 8 У2 (У6, У9) запитывается напряжением ± 12,6 В с блока питания У3
(У7, У10).
Сигнал со щетки через клемму 8 (18, 28) верхнего
разъема блока БУ-65, клемму 12 верхнего разъема блока БАП, регулировочный
резистор R14 и постоянный
резистор R5 поступает на вход
суммирующего усилителя.
Полярность этого сигнала подобрана таким
образом, что этот сигнал стремится скомпенсировать все сигналы, присутствующие
на входе суммирующего усилителя, и сделать выходной сигнал с суммирующего
усилителя равным нулю. Только при этом условии вращение двигателя остановится,
движение щетки прекратится.
Таким образом, в штурвальном режиме устройство
согласования позволяет вычислителю автопилота следить за изменением текущего
тангажа самолета и делать выходной сигнал с него равным нулю.
В момент включения режима стабилизации на
обмотки реле Р36 (Р38, Р39) подается команда + 27 В, реле срабатывают и разрывают
запитку средней точки обмотки управления двигателя, двигатель останавливается.
Для исключения самохода через контакты 5, 6 реле Р36 (Р38, Р39) на муфту
редуктора подается команда + 27 В и редуктор стопорится.
Изменение угла тангажа, который был на момент
включения режима стабилизации, поступает на вход усилителя привода и вызывает
отклонение руля высоты.
3. ВСУП-85: режимы работы бокового и продольного
каналов. Внешние связи
.1 Общие сведения
Вычислительная система управления полетом
ВСУП-85 входит в состав КСПНО-204 самолета Ту-204 и предназначена для
автоматизации управления самолетом с целью облегчения труда экипажа,
обеспечения регулярности и безопасности полетов.
ВСУП-85 позволяет решать следующие задачи:
. Стабилизацию самолета вокруг осей устойчивости
(ω,
γ, υ);
. Совмещенное управление самолетом воздействием
на органы управления;
. Стабилизацию ц. м. самолета на траектории,
задаваемой вычислительной системой самолетовождения ВСС-85;
. Стабилизацию заданной барометрической высоты;
. Автоматический заход на посадку по I
и II категориям,
используя маяки ILS,
MLS, CII;
. Автоматический заход на посадку по I
категории, используя ПРМГ (РСБН);
. Автоматический заход на посадку по III
категории, используя маяки ILS,
MLS;
. Директорный заход на посадку по I
категории, используя маяки ILS,
MLS, CII,
ПРМГ или по обратному излучению курсового маяка;
. Директорный взлет, используя маяки ILS,
MLS; уход на второй
круг;
. Формирование и выдачу для отображения
информации о готовности к выполнению посадки по категориям I,
II, III;
. Предотвращение выхода самолета на недопустимые
значения скорости, угла атаки, перегрузки, углов крена и тангажа при
автоматическом управлении;
. Формирование и выдачу для отображения сигналов
о предельных
отклонениях от заданной траектории при
автоматических и директорных заходах на посадку;
. Непрерывный контроль работоспособности с
выдачей информации экипажу о состоянии системы и текущем режиме работы.
Используя информацию систем-датчиков, ВСУП-85
обеспечивает:
. Формирование и выдачу управляющих сигналов для
автоматического управления полетом;
. Формирование и выдачу для отображения
директорных индексов по тангажу, крену и курсу в режимах директорного взлета,
автоматических и директорных режимах захода на посадку;
. Управление включением и отключением
автоматических и директорных режимов;
. Возможность введения необходимых параметров по
высоте, приборной скорости и путевому углу;
. Формирование и выдачу для отображения
информации о реализуемых и подготовленных к реализации режимах;
. Формирование и выдачу для отображения
(воспроизведения) информации об отказах, приводящих к невозможности
использования автоматических и директорных режимов;
. Формирование и выдачу для отображения
информации о готовности к выполнению посадки по категории I;
. Формирование и выдачу для отображения сигналов
о предельных отклонениях от расчетной траектории снижения при автоматических и
директорных режимах захода на посадку;
. Выдачу для отображения информации о состоянии
смежных систем и собственных элементов до конструктивно-съемного блока и линии
связи.
ВСУП-85 состоит из трех вычислительных блоков
БВУП-1 и одного пульта управления ПУ-56. БВУП-1 установлены в техотсеке № 3 на
самолетном стеллаже и требуют обдува. ПУ-56 установлен на козырьке приборной панели
пилотов. Вычислительные блоки БВУП-1 идентичны между собой и взаимозаменяемые.
При смене блоков вновь устанавливаемые не требуют регулировки и подгонки.
Трехкратное резервирование вычислительных блоков повышает надежность и
безопасность эксплуатации ВСУП-85. В ПУ-56 реализовано резервирование
внутренних цепей.
Перечень индексов по СЭО объектов ТО приведен в
табл. 2.
Таблица 2
Структурная схема ВСУП-85 приведена на рис. 11.
.2 Работа бокового канала
Боковой канал ВСУП-85 может работать в одном из
следующих режимов:
. Директорный взлет;
. Стабилизация курса;
. Совмещенное управление;
. Стабилизация и управление заданным путевым
углом;
. Заход на посадку (автоматический, директорный,
директорный по обратному лучу);
. Посадка;
. Горизонтальная навигация.
В режиме стабилизации курса для обеспечения
стабилизации самолета по курсу рулевые поверхности отклоняются по законам:
σЭ = (γ
- γ0)
+ (ψ - ψ0) + ργ; σЭ = (γ
- γ0) + (ψ -ψ0) - γ.
Для обеспечения балансировки самолета при
воздействии на него внешних возмущений рулевые поверхности отклоняются по
законам:
σЭ = (γ
- γ0) + (ψ - ψ0); σH
= nZ.
γ - текущий угол крена,
измеренный И-42-1С;
γ0 - запомненное
значение угла крена, который имел самолет в момент включения режима;
ψ - текущий курс
самолета, измеренный И-42-1С;
ψ0 - запомненное
значение курса, который имел самолет в момент включения режима;
ργ - угловая скорость
крена, измеренная И-42-1С, используется для демпфирования колебаний по крену;
nZ - боковая
перегрузка, измеренная И-42-1С.
Режим имеет место при нажатии кнопки «АП» ПУ-56,
а также при отключении других автоматических режимов бокового канала. В
зависимости от значений угла крена в момент включения режима имеет место два
варианта работы бокового канала:
. Если |γ| > 4
°, то в законах управления Δψ = 0, т.
е. стабилизируется тот угол крена, который имел самолет при включении режима.
Для обеспечения БП реализовано ограничение угла крена в зависимости от высоты
полета:
до H
= 90 м - γ < 10 °;
м < H
< 200 м - γ ≤ 10 °;
H > 400 м - γ
≤
30 °.
. Если |γ| < 4 °, то
в законах управления Δψ ≠
0 и стабилизируется курс самолета, который он имел в момент включения режима.
Для обеспечения заданной эффективности
поперечного управления порции сигналов Δψ = ψ -
ψ0 и
σЭ
меняются при изменении значений числа Маха (по информации с CВC-85).
Для устранения статической ошибки используется сигнал балансировки по крену σЭ.
Данный сигнал имеет место в том случае, если текущая угловая скорость крена
меньше 1 % и имеется ошибка Δψ или
Δγ.
Канал курса обеспечивает отклонение руля
направления с целью устранения скольжения при изменении угла крена (γ
- γ0 + ψ - ψ0) в полете с углом крена (γ).
Порция перекрестной связи из канала крена в канал курса регулируется автоматически
в зависимости от значения числа М (по информации CDC-85)
и положения закрылков (по сигналу δЗ).
Сигнал балансировки σН
вызывает отклонение руля направления с целью компенсации разворачивающих
моментов (несимметричная тяга, отказ двигателя, боковой ветер). При включении
режима в цифровых вычислителях на основании сигналов с датчиков вычисляются
управляющие сигналы, которые поступают в АСШУ-204.
Режим совмещенного управления (СУ) имеет место,
если при работе бокового канала ВСУП-85 пилот отклоняет миништурвал по крену на
величину 3 мм и более. Признак вмешательства формируется на основе обработки
сигнала ХЭ с АСШУ-204. При отклонении миништурвала за счет ХЭ происходит
отклонение элеронов (а за счет ХН - руля направления) как при штурвальном
управлении. Сигналы σЭ и σН
в управлении не участвуют. Сигнал ργ исключается
из закона управления, а Δγ обнуляется.
Сигналы балансировки сохраняют прежние значения
(запоминаются). При прекращении воздействия на миништурвал за счет сигналов σЭ
и σН
начинается стабилизация курса или крена.
В режиме совместной работы с ВСС-85 управляющие
сигналы формируются аналогично режиму стабилизации курса. Вместо разности (ψ
- ψ0) используется сигнал заданного крена γВССЗАД,
который является основным и его значение зависит от режима работы.
Режим горизонтальной навигации обеспечивает
стабилизацию ц. м. самолета на траектории вычисленной (заданной) вычислительной
системой самолетовождения. Включается нажатием кнопки «Гориз. нав.» на ПУ-56.
Режим стабилизации и управления ЗПУ обеспечивает
вывод самолета на ЗПУ и его стабилизацию. Включается кнопкой «ЗПУ» ПУ-56.
Значения ЗПУ выставляется ручкой «ЗПУ» ПУ-56 на счетчике пульта.
Режим посадки включается при нажатии на
кнопку-табло ПУ-56 при высоте полета более 20 м, если режимы «Взлет», «Уход»,
«Обратный луч» не включены, угол подхода к посадочному курсу меньше 115 °,
самолет находится в зоне приема сигналов курсового маяка. При включении режима
«Посадка» обеспечивается формирование сигналов для запрета перестройки РТС
посадки и запрета тест-контроля радиовысотомера. В режиме посадки ограничены
значения γ, ωХ, ρ,
аY.
Для директорного захода на посадку достаточно включить только выключатели
«Дир.» на ПУ-56.
.3 Работа продольного канала
Продольный канал может работать в одном из
следующих режимов:
. Директорный взлет;
. Стабилизация угла тангажа;
. Совмещенное управление;
. Стабилизация заданной барометрической высоты;
. Выход на заданный эшелон;
. Стабилизация и управление вертикальной
скоростью;
. Посадка;
. Вертикальная навигация;
. Уход на второй круг.
В режиме стабилизации угла тангажа управляющий
сигнал вычисляется по закону:
σВ = κν
(ν - ν0) + ωZ,
где:
ν0 - запомненное
значение угла тангажа, который имел самолет в момент включения режима. Для
обеспечения безопасности полетов тангаж огрантчен в диапазоне - 10 ÷
+ 20 °;
κν - значение
коэффициента, корректируется по данным ВСС-85 для получения заданной
вертикальной перегрузки;
ν - сигнал текущего
угла тангажа, поступает с И-42-1С;
ωZ
- сигнал угловой скорости тангажа, поступает с И-42-1С и обеспечивает
дополнительное демпфирование колебаний самолета по тангажу.
Для включения режима на пульте необходимо нажать
кнопку-табло «АП». Режим также имеет место при отключении других автоматических
режимов, если они использовались в продольном канале при отказах, не влияющих
на режим стабилизации тангажа.
При включении режима в цифровых вычислителях на
основании сигналов датчиков вычисляется управляющий сигнал σВ,
который поступает в АСШУ-204, где используется для автоматического управления
самолетом.
При изменении угла тангажа под действием
внешнего возмущения, за счет разности (ν - ν0) отклоняется
руль высоты на угол, пропорциональный величине этой разности. Нарушается
продольное равновесие. Самолет занимает исходный угол тангажа. Когда ν
= ν0, σВ = 0, за счет сигнала ЖОС АСШУ-204
обеспечивает установку руля высоты в исходное балансировочное положение.
Режим совмещенного управления (СУ) имеет место,
если при работе продольного канала ВСУП-85 пилот отклоняет миништурвал по
тангажу на величину 3 мм и более. Признак вмешательства формируется на основе
обработки сигнала ХВ с АСШУ-204. При отклонении миништурвала за счет ХВ
происходит отклонение РВ как при штурвальном управлении. Сигнал σВ
равен нулю и для управления не используется. При прекращении воздействия на
миништурвал за счет сигнала σВ
стабилизируется угол тангажа, который имел самолет в момент окончания режима
«СУ». Если фаза маневрирования закончена на углах тангажа более допустимых, то
самолет вернется на предельные углы за счет реализации ограничения запомненного
угла тангажа ν0.
В режиме стабилизации заданной барометрической
высоты управляющий сигнал вычисляется по закону:
σВ = (ТР / (ТР + 1))
(ν - ν0)
+ ΔH + VY
+ aY, где
ΔН - сигнал
отклонения от заданной барометрической высоты, является основным и снимается с
СВС-85;
VY - сигнал
вертикальной инерциальной скорости, снимается с И-42-1С и обеспечивает
устранение колебаний самолета относительно высоты эшелона;
аY
- сигнал ускорения вдоль вертикали земли, снимается с И-42-1С и обеспечивает
устранение колебаний вертикальной скорости, т. е. более жесткую стабилизацию ц.
м. самолета на высоте эшелона.
В данном режиме для исключения статической
ошибки по высоте при действии на самолет длительных внешних возмущений (выпуск
шасси, изменение центровки и т. д.) сигнал тангажа пропускается через
изодромное звено (реализовано за счет обратной связи через интегрирующее
звено).
Режим включается нажатием кнопки-лампы «Н» на
ПУ-56 на высотах более 150 м (если не выполняется режим «Посадка»). При
включении режима в цифровых вычислителях на основании сигналов датчиков
вычисляется управляющий сигнал σВ,
который поступает в АСШУ-204.
Допустим, под действием кратковременного
внешнего возмущения (порыв ветра), самолет отклонится вверх от заданного
эшелона. При этом пропорционально величине ΔН
сигнал σВ
отклонит РВ вниз, нарушая продольное равновесие. Самолет отклонится по тангажу
и займет угол пикирования, пропорциональный отклонению от высоты. Это приведет
к уменьшению угла атаки, подъемной силы и высоты полета. Когда ΔН
= 0, за счет сигнала (ν
- ν0) РВ отклонится
вверх. Снова нарушится продольное равновесие. Самолет займет исходный угол
тангажа, а РВ - исходное балансировочное положение. Т. к. переходной процесс
протекает быстро, изодромное звено не успевает уменьшить значение (ν
- ν0)
в законе управления.
При воздействии длительного внешнего возмущения
(выпуск шасси) самолет отклоняется по тангажу, а РВ занимает новое
балансировочное положение. Самолет сбалансирован на новом угле тангажа, а т. к.
угол атаки изменился, изменилась и высота полета. За счет сигнала ΔН
РВ отклоняется на дополнительный угол, вызывая изменение угла тангажа до тех
пор, пока (ν - ν0)
не скомпенсирует ΔН. Таким
образом, появится статическая ошибка по высоте. Для устранения этой ошибки
заданный тангаж обнуляется (ν - ν0) и
за счет не скомпенсированного сигнала ошибки ΔН
через основной контур АСШУ-204 отклоняется стабилизатор. Изменяется угол
тангажа, угол атаки, подъемная сила, высота полета. При выходе на заданный
эшелон ΔН
= 0, за счет сигнала (ν - ν0)
отклоняется РВ, прекращая изменение высоты полета.
После окончания переходного процесса самолет
будет лететь на заданной высоте с новым углом тангажа и углом отклонения
стабилизатора.
В режиме совместной работы с ВСС-85 управляющий
сигнал вычисляется по закону:
σВ = κν
(ν - ν0) = ωZ
= аВ.ЗАД
Таким образом, дополнительно сигналам
стабилизации угла тангажа используется сигнал заданного вертикального ускорения
аВ.ЗАД, значение которого зависит от режима работы.
Режим стабилизации и управления вертикальной скоростью
обеспечивает стабилизацию и управление вертикальной скорости в процессе набора
высоты и снижения. Режим включается нажатием кнопки-лампы «Верт. скор.» на
ПУ-56. Величину VY
изменить рукояткой «вверх - вниз» пульта, значение которой будет индицироваться
на счетчике пульта.
Динамика процесса аналогична стабилизации
высоты. Если вертикальная скорость изменится, за счет сигнала аВ.ЗАД РВ
отклонится, что приведет к изменению угла тангажа. Горизонтальная составляющая
скорости изменится, что приведет к изменению вертикальной скорости.
Режим выхода на заданный эшелон используется при
смене эшелона полета. Режим включается нажатием кнопки-лампы «Вых. эшел.» на
ПУ-56. Значение высоты эшелона выставляется кремальерой на счетчике НЭШ пульта.
При включении режима формируется γЗАД
для стабилизации ц. м. на траектории.
Режим вертикальной навигации используется для
автоматического управления самолетом в вертикальной плоскости по заданной
программе. Режим включается кнопкой-лампой «Верт. нав.» на ПУ-56. При включении
режима формируется аВ.ЗАД для стабилизации ц. м. на траектории.
Режим ухода на второй круг включается нажатием
любой из кнопок «Уход», расположенных рядом с ПУ-56. При этом по заданному
алгоритму вычисляется управляющий сигнал ΔνУХЗАД,
который используется в законе управления:
σВ = κν
(ν - ν0) + ωZ
+ ΔνУХЗАД.
Динамика процесса аналогична стабилизации
траектории по данным ВСС-56.
Для повышения БП во всех режимах, кроме посадки,
осуществляется ограничение скорости полета путем отклонения РВ вверх, если VПР
> VМАХПР, и вниз при VПР
< VMINПР. При этом
вертикальная перегрузка не превышает 0,15.
Режим взлета является директорным режимом и
включается теми же кнопками, что и режим «Уход». В этом режиме формируются
команды ΔψРНЗАД
(на разбеге) и δZ,
аY.ЗАД (при наборе
высоты) по определенным алгоритмам.
.4 Внешние связи
ВСУП-85 работает совместно со следующими
системами самолета ТУ-204 и получает от них информацию в виде последовательного
биполярного кода (ПБК):
. Вычислительная система самолетовождения
ВСС-85;
. Бесплатформенная инерциальная навигационная
система БИНС-85 (И-42-1С);
. Система воздушных сигналов СВС-85;
. Радиовысотомеры РВ-85 - 3 шт.;
. Микроволновые системы посадки MLS-85
- 3 шт.;
. Радиодальномеры ДМЕ/Р-85 - 3 шт.;
. Радиотехнические системы ближней навигации
А-331 - 2 шт.;
. Вычислительная система управления тягой
ВСУТ-85.
ВСУП-85 выдает информацию в виде ПБК в систему
электронной индикации СЭИ-85.
Общая схема связи ВСУП-85 приведена на рис. 12.
4. Список используемой литературы:
1. «Автоматическая бортовая система
управления АБСУ-154-2. Руководство по технической эксплуатации. Часть 2, 3»,
1984.
. «Самолет Ту-204С. Руководство по
технической эксплуатации. Раздел 144.», 1997.