Оптична мультисервісна транспортна мережа зв’язку Рівненської області

  • Вид работы:
    Курсовая работа (т)
  • Предмет:
    Информатика, ВТ, телекоммуникации
  • Язык:
    Украинский
    ,
    Формат файла:
    MS Word
    896,18 Кб
  • Опубликовано:
    2014-02-23
Вы можете узнать стоимость помощи в написании студенческой работы.
Помощь в написании работы, которую точно примут!

Оптична мультисервісна транспортна мережа зв’язку Рівненської області

Міністерство освіти і науки України

Державний заклад

Київський коледж зв’язку







КУРСОВИЙ ПРОЕКТ

З предмету:

Телекомунікаційні системи передачі

На тему:

Оптична мультисервісна транспортна мережа зв’язку Рівненської області













Київ 2013

ВСТУП

Перше десятиліття 21 століття для телекомунікацій принесло новий, бурхливий етап розвитку інтерактивних і розподільних послуг широкого спектра від передачі мови в цифровому форматі до десятків телевізійних програм найвищої якості, дистанційне навчання й доступ до багатьох базам даних (наукових бібліотек, адміністративних і медичних центрів і т.д.).

Для підтримки розвитку нових послуг електрозв'язку необхідні розгалужені, надійні транспортні мережі зв'язку. Такі мережі почали створюватися по усьому світу в останнє десятиліття 20 століття. В основному це мережі технології синхронної цифрової ієрархії SDH. Однак ці мережі були призначені для обслуговування трафіку, які формуються центрами комутації каналів, і зовсім не враховували можливості пакетної передачі інформаційних повідомлень. Крім того, використання ресурсів волоконно-оптичних систем передачі засобами технології SDH потребує бажати кращого. Смуга пропускання одномодового оптичного волокна стандарту G.652 становить близько 30ТГц, а швидкість передачі самої високошвидкісної системи SDH становить приблизно 40Гбіт/с. Зазначені факти й ще ряд проблем привели до створення ряду транспортних технологій: ATM; OTN-OTH; EoT; T-MPLS.

Ці технології в наступному розвитку інтегровані в мультисервісні транспортні платформи різної ресурсної ємності, які, у свою чергу, дозволяють реалізувати як мінімум чотири рівні транспортних мереж: великих і надвеликих протяжностей (Long Haul/ Ultra Long Haul); регіональних або внутрішньозонових (Regional Core); великих міст (Metro-Edge); доступу (Access). Більшу роль у розвитку транспортних мереж відіграють стандарти Сектору Телекомунікацій Міжнародного Союзу Електрозв'язку ( МСЕ-Т).

1. ВИБІР ТА ОБГРУНТУВАННЯ ПРОЕКТНИХ РІШЕНЬ

.1 Траса кабельної лінії передачі

Вибір траси лінії зв’язку здіснюється в залежності від населених пунктів, які повинні бути охоплені на основі вивчення географічної карти і вибору коротшої відстані між пунктами.

Зробити копію карти місцевості, де проектується будівництво оптичної транспортної мережі. Карта повинна мати масштабні мітки або оцінки відстаней по автомобільних або залізницям. Відзначити на карті населені пункти й можливі траси прокладки кабелів між ними.

Перевага віддається напрямку уздовж автодоріг, або уздовж залізниць на відстані не менш 20м від залізниці. Це обумовлене необхідністю доступу до обслуговування кабельної лінії. Оптичний кабель може також бути підвішений на опорах ЛЕП, на опорах контактної або сигнальної мережі залізниць. У містах оптичний кабель прокладається в підземну кабельну каналізацію, у колекторах, у метрополітені, підвішується на опори ЛЕП, на опори міського освітлення, на опори контактних мереж електротранспорту й на стояки радіофікації. Будівельні довжини кабелю (2, 4, 6 км) зрощуються в оптичних муфтах. Муфти повинні захистити зростки на тривалий строк від усіх несприятливих факторів (механічних ушкоджень, вологи, деформацій від температурних перепадів і т.д.)

Крім того повинні враховуватися умови прокладання кабелю. Траса лінії повинна вибиратися з урахуванням найменшого об’єму робіт. В заміській зоні лінію бажано прокладати вздовж шосейних доріг так, щоб було найменше число перехрещень з ріками, шосейними і залізничними дорогами.

Мережа, яка проектується, повинна охоплювати по можливості всі найбільші міста Рівненської області.

1.2 Коротка характеристика населених пунктів області

Рівне (1939-1991 - Ровно) - місто обласного значення в Україні, обласний центр Рівненської області, центр Рівненського району Рівненської області. Населення: 250 333 мешканців (01.01.2013).

Дубно - місто обласного значення в Україні, центр Дубенського району Рівненської області. Місто розташоване на річці Іква, на залізничній лінії Здолбунів - Красне, за 45 км від Рівного.

Населення: 38007 мешканців.

Кременець (іноді вживають Крем'янець) - місто районного підпорядкування, центр району, економічний і культурний осередок пів­нічної (волинської)частини. Розташоване біля підніжжя Кременецьких гір. Відстань до обласного центру - 70 км.

Населення: 21729 мешканців.

Острог - місто обласного значення в Україні, центр Острозького району Рівненської області. Місто розташоване за 16 км від залізничної станції Острог на лінії Здолбунів - Шепетівка, за 47 км від Рівного. Назва міста походить від його розташування на завороті річки Вілії, де утворюється гострий ріг. Відоме з 1100 року. Статус міста з 1795 року. Місто обласного значення з 1995 року.

Населення: 15657 мешканців.

Грозів - село в Україні, Острозькому районі Рівненської області. Населення становить 843 осіб.

Квасилів - селище міського типу в Україні, в Рівненському районі Рівненської області. Населення 7 478 мешканців (перепис 2001). Засноване в 1445 році. Статус смт із 1978 року.

Здолбунів - місто в Україні, центр Здолбунівського району Рівненської області.

Населення: 24537 мешканців.

Траса: Рівне, Дубно, Кременець, Острог, Грозів, Здолбунів, Квасилів.

Рис. 1.2.1 Географічна карта мережі

Рис 1.2.2 Архітектура мережі

Таблиця 1.2.1

Характеристика траси

Траса

Кількість перехрещень з автошляхами

Кількість перехрещень з залізницями

Кількість перехрещень з ріками

Довжина траси, км

Довжина траси по кабелю, км

МВПО - МВВР- МВВД - МВВГ - МВВЗ - МВВКв- МВВК

35

4

5

217

320


1.3 Розрахунок числа каналів

Число каналів в населених пунктах, залежить від чисельності населення в цих пунктах і ступеня зацікавленості окремих груп населення у взаємозв'язку. Чисельність населення визначається на підставі статистичних даних останнього перепису населення. Перепис населення проводиться 1 раз в 5 років, тому кількість населення в заданому пункті розраховується з урахуванням середнього приросту населення.

Населені пункти:

Рівне - 250.3 тис. людей;

Дубно - 38.0 тис. людей;

Кременець - 21.7 тис. людей;

Острог - 15.6 тис. людей;

Грозів - 843 людей;

Здолбунів - тис. 24.5 людей;

Квасилів - 7.4 тис. людей;

Перелік надаваних послуг - ТФ канали, 1 канал телебачення (Ntv),

канал Ethernet 10Мбіт/с.

Коефіцієнт розвитку - 1,5;

Коефіцієнт телефонізації населення - 80%;

Коефіцієнт тяжіння - 12%.

Розрахунок числа каналів виконується в такій послідовності:

, осіб (1.3.1)

де H0 - число жителів на час проведення перепису населення;

- середній річний приріст населення в даній місцевості у відсотках (приймається рівним 3 %);- період, розрахований як різниця між роком перспективного проектування й роком проведення перепису населення. Рік перспективного проектування розраховується на 10 років уперед

Пункт Р:  осіб,

Пункт Д:  осіб,

Пункт К:  осіб,

Пункт О:  осіб,

Пункт Г:  осіб,

Пункт З:  осіб,

Пункт Кв:  осіб,

Ступінь зацікавленості окремих груп населення, визначається коефіцієнтом тяжіння КТ, який коливається в широких межах від 50 до 80 %. Кількість телефонних каналів можна визначити по формулі (3.2):

, (1.3.2)

де  - коефіцієнт, що відповідає фіксованій доступності;

 - коефіцієнт, відповідний до заданих втрат;

 - коефіцієнт тяжіння між населеними пунктами;

 Эрл - питоме навантаження, тобто середнє навантаження, створювана одним абонентом;і mb - кількість абонентів, що обслуговуються станціями АМТС відповідно в пунктах А и В.

Кількість абонентів, що обслуговуються цією або іншою АМТС, визначається в залежності. від числа населення, що проживає в зоні обслуговування.

Враховуючи середній коефіцієнт оснащеності населення телефонними апаратами рівним К0 =0,8, кількість абонентів АМТС можна визначити за формулою:

.ж=420649*0,8 =336519 аб.,б=134296*0,8 =107436 аб.,п=9503*0,8 = 7602 аб.,м=43778*0,8 = 35022 аб.,о=26485*0,8 = 21188 аб.,к=105162*0,8 = 84129 аб.,нв=87245*0,8 = 69796 аб.,

Р nтф =902 каналів,

Д nтф =101 каналів,

К nтф =132 каналів,

О nтф =16 каналів,

Г nтф =203 каналів,

З nтф =76 каналів,

Кв nтф =75 каналів,

Після розрахунків каналів розраховується число потоків Е1. Розраховану кількість ПЦП необхідно заокруглити до цілого числа в більшу сторону.

Для розрахунків кількості цифрових потоків Е1 можна скористатися формулою (1.3.3)

, (1.3.3)

де N - необхідна кількість потоків i-ой і j-ой станціями;- знак цілої частини;тлф - число каналів ТЧ;

- число каналів ТЧ у потоці Е1.

Р N =270/30 +1= 53 потоків,

Д N =29/30 +1 = 29 потоків,

К N =26/30 +1 = 26 потоків,

О N =49/30 +1 = 23 потоків,

Г N =61/30 +1 = 29 потоків,

З N =130/30 +1 = 26 потоків,

Кв N =193/30 +1 = 23 потоків,

 (1.3.4)

де NTV = 16 - число потоків Е1 для цифрового телебачення.ETH = 5 - число потоків Е1 для Еthernet 10Mбіт/с.

Р N =10+21 = 31 потоків,

Д N =2+21 = 23 потоків,

К N =2+21 = 23 потоків,

О N =3+21 = 24 потоків,

Г N =3+21 = 24 потоків,

З N =5+21 = 26 потоків,

Кв N =7+21 = 28 потоків,

2. ОСОБЛИВОСТІ ПОБУДОВИ МЕРЕЖ СЦІ (SDH)

2.1 Функціональні задачі і модулі мереж СЦІ

Мережа СЦІ будується з окремих функціональних модулів: мультиплексорів, комутаторів, концетраторів, регенераторів і термінального обладнання. Цей набір модулів визначається основними функціональними задачами, які необхідно вирішити мережею:

збір вхідних потоків через канали доступу в агрегатний блок, придатний для транспортування в мережі СЦІ - задача мультиплексування, яка вирішується термінальними мультиплексорами ТМ мережі доступу;

транспортування агрегатних блоків по мережі з можливістю вводу/виводу вхідних/вихідних потоків - задача транспортування, яка вирішується мультиплексорами вводу/виводу ADM, які логічно управляють інформаційним потоком в мережі, а фізично - потоком в фізичному середовищі, яка формує в цій мережі транспортний канал;

перевантаження віртуальних контейнерів у відповідності із схемою маршрутизації із одного сегменту в інший, яка здійснюється у виділених вузлах мережі, - задача комутації, або крос-комутації, яка вирішується за допомогою цифрових комутаторів або крос-комутаторів DXC;

об’єднання декількох однотипних потоків в розподільчий вузол - концентратор - задача концентрації, яка вирішується концентраторами;

відновлення форми і амплітуди сигналу, який передається на великі відстані, для компенсації його загасання - задача регенерації, яка вирішується за допомогою регенераторів;

-    спряження мережі користувача з мережею СЦІ - задача спряження, яка вирішується за допомогою кінцевого обладнання - різноманітних узгоджуючих пристроїв, наприклад, конверторів інтерфейсів, конверторів швидкостей, конверторів імпедансів і т.д.

2.2 Принципи проектування оптичних транспортних мереж

Проектування оптичної транспортної мережі є складним багатопараметричним завданням, результатом вирішенням якого повинна бути проектна документація, оформлена за певними правилами. Проектна документація розробляється на підставі й відповідно до завдання на проектування й вихідними даними. При цьому проекти на транспортні оптичні мережі не повинні містити принципових схем апаратури. Складові проектованих вузлів зв'язку представляються у вигляді “чорного ящика” із чітко певними функціями. Однак для комплектації вузлів і окремих зразків апаратури розглядаються загальні функціональні структури апаратури.

При розв'язанні завдання проектування оптичної мультисервісної транспортної мережі повинні виконуватися наступні загальні принципи:

мережа планується з урахуванням тривалої перспективи ( від 5 до 20 років) її розвитку й зміни;

проводиться облік спеціальних умов і вимог замовника (користувача) транспортної мережі;

передбачається необхідний рівень експлуатації транспортної мережі й кадровий потенціал;

визначається існуюче й перспективне навантаження мережі з підрозділом на види й обсяги надаваних послуг;

вибирається оптичне середовище передачі й базові транспортні технології мультиплексування (SDH, OTH-WDM, ATM, Ethernet, T-MPLS);

проводиться обґрунтований вибір структури транспортної мережі;

обґрунтовується використання методів підвищення надійності мережі через реалізацію видів захисту ліній і з'єднань, резервування обладнання і т.д.;

розробляються схеми: організації зв'язку, організації синхронізації й організації управління;

розраховуються характеристики лінійних трактів з урахуванням коефіцієнта помилок або відношення сигнал-шум (OSNR- Optical Signal-to-Noise Ratio;

оптимізується використання обладнання й ліній;

проводиться комплектація обраного обладнання;

оптимізується мережа по якісних показниках при порівнянні як мінімум двох варіантів топологій, обладнання, лінійних споруджень і т.д.

Загальні принципи проектування повинні виразно трансформуватися на конкретні мережі: магістральні, внутрішньозонові або регіональні, мережі великих міст (мережі типу “Метро”), місцеві мережі.

У кожній із зазначених мереж є свої специфічні особливості:

за загальною структурою, по конфігурації послуг;

по використанню оптичного середовища й апаратури;

по масштабуванню й перспективному розвитку;

по організації управління й синхронізації і т.д.

У кожному випадку слід звернути увагу на ряд деталей.

Магістральні оптичні мультисервісні транспортні мережі відрізняються великою довжиною ділянок оптичної передачі (сотні й тисячі кілометрів між великими вузлами). Також вони характеризуються використанням робітників і резервних волоконно-оптичних ліній зв'язку з різними волокнами в кабелі, застосуванням апаратури OTN на основі OTH-DWDM з подальшим нарощуванням числа оптичних каналів ( від десятків до сотень), проміжних оптичних підсилювачів і мультиплексорів ROADM.

На магістральній мережі повинні розраховуватися взаємні впливи оптичних каналів залежно від числа ділянок оптичної передачі й потужності окремих каналів з урахуванням нелінійних властивостей волоконних світловодів.

Повинні передбачатися функції автоматичного регулювання потужності кожного оптичного каналу. Вибрані для магістральної мережі платформи типу Long Haul з ROADM, оптичними підсилювачами й кросовими комутаторами OXC повинні мати повний набір функцій управління й контролю.

Надійність магістральної мережі в значній мірі визначається резервуванням лінійних споруджень, тобто додатковим кабелем, який прокладається із просторовим видаленням від робочого кабелю на сотні метрів і кілометри, орендою волокон кабелю для резервування, використанням високонадійних оптичних інтерфейсів.

З погляду структури магістральної мережі перевага повинна віддаватися кільцевій топології. Магістральна мережа повинна мати гарантований, керований тактовий синхронізм від первинних генераторів або інших джерел. Усі основні вузли апаратури магістральної оптичної мережі бажано проектувати в складі апаратури з резервом за схемою 1+1.

Внутрішньозонові або регіональні оптичні мультисервісні транспортні мережі проектують, як правило, без проміжних станцій регенерації й оптичного підсилення. У цих мережах переважно використовується структура двоволоконного оптичного кільця з передачею SDH, Ethernet, ATM, оптичні канали CWDM ( до 18λ) з навантаженням SDH, Ethernet.

Для повної реалізації режиму CWDM можуть використовуватися волокна G.652C, тобто з поліпшеною характеристикою передачі ( без “водяного піка”). При цьому функції резервування можуть покладатися на резервні оптичні канали, на захисні можливості мереж SDH і Ethernet. Кільцеві структури цих мереж можуть проектуватися із взаємним перекриттям з'єднань різних кілець для гарантованого захисту. Також характерною рисою цих мереж може бути багаторазовий доступ до окремих оптичних і електричних з'єднань, наприклад, для розподілу програм центрального й регіонального телебачення, підключення до телефонних станцій, підключення до Інтернет, підключення базових станцій мобільному зв'язку і т.д. Обладнання транспортної мережі може відрізнятися від обладнання магістральної мережі меншою вартістю й, відповідно, спрощеними інтерфейсами, спрощеним набором функцій передачі WDM, резервування й управління.

Оптичні мережі типу “метро” проектують у містах - мегаполісах, де існує висока потреба в послугах оптичних мультисервісних мереж, які називають Triple Play (голос, відео, дані). Як правило, інфраструктура таких мереж реалізується в рамках CEPT (Carrier Ethernet Transport Platform) - агрегування трафіка, розподіленого по вузлах. Мультисервісні транспортні платформи для мережі “МЕТРО” повинні містити обладнання GE (1000Мбіт/с Ethernet) і 10GE (10Гбіт/с Ethernet) і оптичну захищену інфраструктуру кільцевої або зіркової топології з мультиплексуванням CWDM і DWDM. У проекті повинні враховуватися можливості:

по нарощуванні ємності мережі хвильових каналів, доступу до цих каналів засобами OADM і ROADM;

нарощування можливостей інтерфейсів користувачів послуг;

захисту інтерфейсів і ліній передачі і т.д.

Місцеві оптичні транспортні мережі мають обмежені відстані передачі сигналів і будуються на основі активних і пасивних структур. При цьому перевагу можуть мати технології пасивних оптичних мереж PON (APON, BPON, EPON, GPON). Місцева оптична мережа є, як правило, частиною мережі доступу (“перша миля”, “остання миля”).

Ще одним різновидом транспортної мережі може бути мережа технологічного призначення. Такі мережі мають підприємства електроенергетики, газової промисловості, залізничного транспорту, підприємства по перекачуванню нафтопродуктів і деякі інші. Принципи проектування технологічних мереж аналогічні розглянутим вище, однак при проектуванні повинні обов'язково враховуватися специфічні особливості, які звичайно закладені у відомчих інструкціях.

2.3 Топологія та архітектура мереж СЦІ

.3.1 Базові стандартні топології

Структура (або архітектура) транспортних мереж незалежно від технологій мультиплексування й передачі прийнято представляти:

лінійні з'єднання “ точка-точка” і “лінійний ланцюг”;

“зіркоподібні”, які в складі мають мережні концентратори та підключеними до них терміналами;

кільцеві з'єднання, 2-х і 4-х волоконні кільця;

змішані лінійно-кільцеві схеми.

Структура “точка-точка” з'єднує два мережні елементи, утворені термінальними мультиплексорами. Якщо це з'єднання протяжне, то воно може включати проміжні регенератори (рис. 2.1). Основний і резервний агрегатні виходи формують систему захисту типу 1+1 або 1:1 (у цьому випадку в резервній лінії можливий пропуск додаткового навантаження). При відмові основного фізичного з'єднання мережа автоматично за час не більш 50 мс переходить на резервне фізичне з'єднання. Топологія широко використовується на магістральних мережах зі швидкостями 2,5 Гбіт/с, 10 Гбіт/с и в режимах CWDM, DWDM. При цьому захисні функції можуть реалізуватися як мультиплексорами OM (Optical Multiplex) так і засобами мультиплексорів SDH.

Рис. 2.2.1 З'єднання “точка-точка”

У структурі з оптичними мультиплексорами може застосовуватися проміжне підсилення й корекція оптичних багатохвильових сигналів. Для цього встановлюють оптичні підсилювачі, які заміняють 2n (n=2…32 і більше) регенераторів. Перевага цього методу полягає в можливості нарощування ємності транспортної мережі поступово в міру необхідності введенням нових хвильових каналів без зміни проміжних підсилювачів і збереженням гарантованого захисту в секції оптичного мультиплексування між OM.

Рис. 2.2.2 Структура “точка-точка” із числом хвильових каналів n

Структура “Лінійний ланцюг” з'єднує термінальні мережні елементи й проміжні мережні елементи з каналами доступу (рис. 2.2.2).

“Лінійний ланцюг” застосовується при обмеженій дальності передачі й мало завантаженому трафіку, наприклад, у технологічній транспортній мережі. При цьому формується частий доступ до каналів у проміжних мультиплексорах виводу/введення ADM. Схема не має лінійного захисту й відрізняється простотою побудови й відносно низькою вартістю в реалізації.

Рис. 2.2.3 Структура “Лінійний ланцюг”

При необхідності введення лінійного захисту в структурі “Лінійний ланцюг” вводиться резервна лінія між термінальними мультиплексорами ТМ і в цьому випадку топологія перетвориться в плоске кільце (рис. 2.2.3).

Для підвищення ефективності використання “Лінійного ланцюга” можливе застосування режиму передачі з WDM і обладнання OADM.

Рис. 2.2.4 Структура “Плоске кільце”

У структурі “Оптичний лінійний ланцюг” проміжні оптичні мультиплексори виконують функцію оптичних фільтрів, тобто пасивних пристроїв, настроєних на фіксовані хвилі для їхнього виділення й введення. При цьому число хвиль виділення й введення обмежене (2, 4, 8). У наведеному прикладі мультиплексори SDH у складі мережних елементів виконують функції термінування. Однак можливо реалізувати й функції виводу/введення ADM.

Рис. 2.2.5 Структура “Оптичний лінійний ланцюг”

Принцип платформної побудови мережних елементів транспортної мережі дозволяє реалізувати структуру типу “зірка”. У цьому випадку термінали мережі дозволяють концентрувати трафік для введення в магістральну мережу (рис.2.2.5).

Структура “Зірка” також може бути виконана в оптичній мережі з WDM. При цьому мультиплексори SDH оснащують “кольоровими” агрегатними інтерфейсами (рис. 2.2.6).

У структурі “Кільце” усі мережні елементи однакові в агрегатній частині й об'єднані в безперервну замкнену фізичну мережу. Розрізняють дві топології в цій структурі: 2-х волоконне кільце (рис. 2.2.8); 4-х волоконне кільце (рис. 2.2.9).

Рис. 2.2.6 Структура “Зірка”

Рис. 2.2.7 Структура “Зірка” в оптичній мережі

Структура “Кільце” відрізняється високою “живучістю”, реалізованої через розвинені схеми захисту. Фізичний захист ділянки передачі між парою сусідніх мультиплексорів гарантована в топології “4-х волоконне кільце” завдяки використанню двох окремих кабельних ліній і незалежних агрегатних портів, кількість яких становить 4 у кожному мультиплексорі. У топології “2-х волоконне кільце” захист реалізується за рахунок використання внутрішньої ємності передачі в кільці, тобто ємності STM-N.

Рис. 2.2.8 Структура “ 2-х волоконне кільце”

Більш ефективне, з погляду на можливості волокна, використання ресурсів структури “Кільце” можливе в оптичній мережі із застосуванням WDM (рис. 2.2.7, 2.2.8).

Рис. 2.2.9 Структура “ 4-х волоконне кільце”

На рис. 2.2.9 представлений приклад з'єднання секцій мультиплексування WDM типу “точка-точка” у кільцеву топологію через мультиплексори SDH. При цьому всі захисні функції покладені на мультиплексори SDH. Режим передачі WDM забезпечує тільки ефективне використання ресурсів оптичного волокна. Ця структура відрізняється великою надмірністю електричного й оптичного обладнання (оптичних інтерфейсів, транспондерів в ОМ), складністю побудови систем керування, обмеженою масштабованістю. Від цього ряду проблем суттєво виграє топологія оптичного кільця з мультиплексорами ROADM. У цій топології засобами ROADM забезпечуються живучість, гнучкість, масштабованість і економічність мережі.

Кільцеві транспортні мережі застосовуються на міських і внутрішнзонових мережах. На магістральних мережах часто використовується структура “Гніздо”. У цій структурі великі мережні вузли з'єднуються захищеними магістралями топології “точка-точка”. При цьому вузли зв'язані за принципом кожний з кожним.

Рис. 2.2.10 Структура “Оптичне кільце”

В обладнанні та мережах SDH застосовуються такі основні види автоматичного захисту:

захист блоків і елементів обладнання SDH (Equipment Protection Switching, EPS);

захист агрегатних і трибутарних карт мультиплексора (Card Protection, CP);

захист мультиплексної секції, тобто ділянки мережі між двома суміжними мультиплексорами SDH (Multiplex Section Protection, MSP);

захист шляху (з'єднання) через мережу для певного віртуального контейнера (Sub-Network Connection Protection, SNC-P);

колективна між користувацькими з’єднаннями захист шляхів в кільцевій топології (Multiplex Section Shared Protection Ring, MS-SPRing).

У SDH передбачені схеми захисту «1+1», «1:1» і «1: N».

Захист «1 +1» означає, що резервний тракт передає ту ж інформацію, що й основний. Наприклад, при захисті трибутарних блоків за схемою «1+1» трафік проходить як через робочі блоки, так і через захисні (резервні).

Схема «1:1» має на увазі, що захисний елемент у нормальному режимі не виконує функції захисту, а перемикається на них тільки в разі відмови основних.

«1:N» передбачає виділення одного захисного елемента із N які захищаються; при відмові одного з них його функції починає виконувати захисний, при цьому інші елементи залишаються без прикриття - до тих пір поки відмовивший елемент не буде замінений.

3. ВИБІР РІВНЯ МУЛЬТИПЛЕКСОРІВ ТА ОПТИЧНОГО КАБЕЛЮ

.1 Вибір оптимальної структури мережі SDH

Мережа на базі SDH будується за допомогою різних функціональних модулів. Склад модуля визначається основними операціями, які необхідно виконати для забезпечення передачі високошвидкісних потоків по оптичній мережі зв'язку. Ці операції наступні:

збір потоків, що надходять у мережу SDH, у синхронні транспортні модулі (STM);

передача по мережі з можливістю виділення потоків у проміжних пунктах;

об'єднання потоків у потоки більш високого рівня;

відновлення форми й тривалості сигналів, переданих на великі відстані.

Для вирішення поставлених завдань до складу SDH входять наступні модулі:

термінальні мультиплексори;

мультиплексори введення-виводу;

регенератори;

концентратори;

комутатори.

Мультиплексор - основний модуль у мережі SDH, виконує наступні функції:

об’єднує низькоскошвидкісні потоки у високошвидкісний потік на передачі й роз'єднує на прийманні;

виконує локальну комутацію, концентрацію й регенерацію цифрових потоків.

Основні типи мультиплексорів:

термінальний(TM);

мультиплексор введення-виводу (ADM).- кінцевий пристрій мережі SDH. Має певну кількість каналів доступу. Для швидкостей потоків E1,E3,E4, STM-1 - канали доступу електричні. Для STM-1, STM-4 і вище канали доступу - оптичні.має один або два входи/виходи. Два агрегатні виходи/входи використовуються для підвищення надійності.

До агрегатних входів/виходів підключаються лінійні тракти первинної мережі.мають 2 або 4 агрегатних входи/виходи, число каналів доступу визначається необхідною кількістю каналів введення-виводу для конкретного вузла мережі SDH.дозволяє здійснити:

наскрізну комутацію цифрових потоків у напрямках ”схід” - “захід”;

здійснювати замикання каналу приймання на канал передачі на обох сторонах (“східної” і ”західної”) у випадку виходу з ладу одного з напрямків;

пропускати основний потік повз мультиплексора, у випадку виходу його з ладу.

Це дає можливість використовувати ADM у топологіях типу “кільце”.

Концентратор - мультиплексор, що поєднує кілька однотипних потоків, що надходять від окремих вузлів мережі, в один розподільний вузол. Матриця крос-комутатора повинна працювати в режимі консолідації віртуальних контейнерів.

Цей вузол може мати не два, а три або чотири або й більше лінійних портів типу STM-1 або STM-N і дозволяє організувати відгалуження від основного потоку або підключення декількох вузлів до коміркової мережі до кільця SDH.

Мультиплексор розподільного вузла в порту відгалуження дозволяє локально комутувати підключені до нього канали, даючи можливість виділеним вузлам обмінюватися через нього між собою, не завантажуючи основну мережу.

Регенератор має один вхідний канал - як правило, оптичний триб STM-N і один або два (1+1) агрегатних входу/виходу.

Його основне завдання - збільшити відстань між термінальними вузлами мережі SDH.

Комутатор -DXC дає можливість зв'язати користувацькі канали шляхом організації постійних або тимчасових перехресних з'єднань. Вони встановлюються у вузлах великої пропускної здатності, де необхідне гнучке керування навантаженням різних напрямків. Для того щоб спроектувати мережу SDH, необхідно насамперед вибрати структуру мережі.

оптичний транспортний топологія мультиплексорний

3.2 Визначення рівня мультиплексорного обладнання SDH

Синхронний транспортний модуль STM - це інформаційна структура, використовувана для здійснення з'єднань в SDH. Для визначення типу STM використовують результати, отримані в попередніх розділах проекту, а саме: структуру мережі із вказівкою місця розташування мультиплексоров уведення-виводу (ADM), кількість цифрових потоків Е1 між різними вузлами мережі (табл.4.3).

Для проектування мережі необхідно вибрати відповідний транспортний модуль. А для цього необхідно визначити швидкість передачі цифрових потоків по кільцю.

Вибираємо ділянку (пункт) мережі, на якій передається максимальна кількість цифрових потоків Е1 (Sмакс.). З урахуванням коефіцієнта запасу на розвиток мережі (Кр), необхідне число цифрових потоків Е1 (SH) повинне задовольняти наступній умові:

H ³ Кр ·Sмакс. (3.2.1)

Коефіцієнт рекомендується, Кр = 1,7 - 1,9. Тип синхронного транспортного модуля вибирається з урахуванням стандартних рівнів STM.

H = 1.7 * 31 = 527

Якщо  0 < SH £ 63, то вибираємо STM-1

63 < SH £ 252, то -STM-4

252 < SH £ 1008, то - STM-16

Враховуючи умову, вибираємо рівень STM.

<527<1008 - вибираємо рівень STM-16

.3 Вибір марки та ємності кабелю

При виборі оптичного кабелю (ОК) для даної ВОЛЗ слід врахувати наступні вимоги:

кабель повинен мати велику пропускну спроможність і мале загасання;

оскільки проектна траса перетинає водну перешкоду (глибина річки не більше 2-10 м ), тому кабель повинен бути вологостійким і надійно захищеним від корозії;

кабель має бути надійно захищений від зовнішніх впливів, бо буде прокладатися в ґрунті, тобто він повинен мати один або декілька бронепокриттів;

кабель має бути відносно недорогим і повинен мати високу експлуатаційну надійність.

Оптичні кабелі випускаються згідно ТУ У 05758730.007-97 “Кабелі зв’язку оптичні для магістральних, зонових та міських мереж зв’язку”. В ОК використовуються оптичні волокна, що відповідають Рекомендаціям ITU-T G.651 та G.652 та стандарту МЕК 793-4. На вимогу замовника ОК можливо використання оптичних волокон, що відповідають Рекомендаціям ITU-T G.653 та G.654.

Від правильного вибору оптичного кабелю залежать капітальні та експлуатаційні витрати на проектовану ВОСП. На вибір впливають, з одного боку, параметри ВОСП (широкополосність чи швидкість передачі інформації, довжина хвилі оптичного випромінювання, енергетичний потенціал, допустима дисперсія, скручування), з іншого боку, оптичний кабель повинен задовольняти і технічним вимогам:

можливість прокладки в таких же умовах, у яких прокладаються електричні кабелі;

максимальне використання існуючої техніки;

стійкість до зовнішніх впливів і т.д.

У даний час існує велика різноманітність марок оптичних кабелів. Кабелі закордонних фірм ми розглядати не будемо через значну різницю в ціні на кабель і відсутності явних переваг перед вітчизняними аналогами.

Як лінію передачі для проектованої мережі будемо використовувати оптичний кабель типу ОКЛ вітчизняної розробки заводу «Одесакабель».

Для організації оптичної мережі я використаю кабель ОКЛК - 8.

Я обрав цей кабель, тому що круглопроволочна броня підходить для умов прокладання кабелю на даній місцевості. Кількість ОВ 8 я обрав, бо кількість волокон необхідних для передачі STM - 16 дорівнює 1, 1 - резервне, для можливості роботи системи при аварійних ситуаціях. Ще 2 волокна - запас на розширення мережі. Решта - 4 волокна будуть використані для орендування іншими організаціями, які захочуть організувати свою мережу.

, (3.3.1)

де М - кількість ОВ; К - необхідна кількість каналів; кількість каналів в одній системі;N - кількість каналів в одній системі; R - кількість запасних ОВ, R = 2.

Також при проектуванні мережі необхідно враховувати поправки на резерв та на можливість подальшої модернізації мережі. Тому ми обираємо кількість волокон 4.

Кабель для прокладки в ґрунт обрано виходячи з його оптичних механічних характеристик та агресивності ґрунтів на місцевості.

Отже приведемо експлуатаційні характеристики оптичного кабелю марки ОКП-М/4.

Рис. 3.3.1 Кабель ОКП-М/4 для прокладання в ґрунт

Оптичний кабель типу ОКП-М, що виготовляється за ТУ 3587-001-92193892-2011, призначений для застосування на єдиній мережі електрозв'язку Росії для прокладки в ґрунтах, при перетині річок і водних перешкод, в кабельній каналізації, по мостах і естакадах, а також у тунелях, колекторах, будівлях. а також для підвіски між будівлями і спорудами, на опорах ПЛЗ, опорах контактної мережі та автоблокування електрифікованих залізниць, на опорах ЛЕП в точках з максимальною величиною потенціалу електричного поля до 25 кВ.

Конструкція: сердечник у вигляді повиву оптичних модулів навколо діелектричного і (за потреби) полімерних кордельних заповнювачів; внутрішня оболонка з поліетиленової композиції; накладений на внутрішню оболонку один або кілька повивів круглих склопластикових прутків; зовнішня оболонка з поліетиленової композиції. Для прокладки в колекторах, тунелях, всередині будівель оболонка виготовляється з композиції, що не поширює горіння; оптичні модулі, усередині яких розташовані оптичні волокна, виконані з полібутилентерефталатних композицій; всередині вільний простір для оптичних модулів, сердечника і повиву склопластикових прутків містить елементи гідроізоляції у вигляді гідрофобного заповнювача або інші водоблокуючих елементів. Для додаткової гідроізоляції можливе накладення алюмополіетиленової оболонки на сердечник кабелю (ОКПЗ).

Основні характеристики:

- Кількість оптичних волокон у кабелі до 144(можливе збільшення до 864 за рахунок застосування багатоповівного сердечника)

Зовнішній діаметр кабелю 12,5 - 19,0 мм

Маса кабелю 230 - 320 кг / км

Допустиме статичне розтягуються навантаження 7,0 - 20,0 кН

Допустима розчавлюють навантаження 0,4 - 1,0 кН /см

Мінімальний радіус вигину 20 діаметрів кабелю

Робочий діапазон температур -50 ° С... +50 ° С

Температура монтажу -10 ° С... +50 ° С.

Приведемо експлуатаційні характеристики оптичного кабелю марки ОК/Т-Т/4. Оптичний кабель типу ОК/Т-Т, що виготовляється за ТУ 3587-001-92193892-2011, призначений для застосування на єдиній мережі електрозв'язку Росії для підвісу на опорах ліній зв'язку, між будівлями і спорудами.

Конструкція: сердечник у вигляді центрального оптичного модуля («центральна трубка»); в якості зовнішнього несучого елемента сталевий трос; зовнішня оболонка з поліетиленової композиції; оптичний модуль, всередині якого розташовані оптичні волокна, виконаний з полібутилентерефталатних композицій; внутрішній вільний простір сердечника містить елементи гідроізоляції у вигляді гідрофобного заповнювача або інші водоблокуючі елементи.

Рис 3.3.2 Кабель типу ОК/Т-Т

Основні характеристики:

Кількість оптичних волокон у кабелі до 32

Зовнішній діаметр кабелю 6,5 / 12,0 - 9,0 / 18,5 мм

Маса кабелю 80 - 175 кг / км

Допустиме статичне розтягуються навантаження 3,0 - 12,0 кН

Допустима розчавлюють навантаження 0,4 кН / см

Мінімальний радіус вигину 20 діаметрів кабелю

Робочий діапазон температур -60°С... +70°С

Температура монтажу -10°С... +50°С.

3.4 Розрахунок довжини регенераційної ділянки по дисперсії

При проходженні імпульсу світла по ВС змінюється не лише його амплітуда, але й форма, тобто імпульс розширюється. Це означає, що тривалість його на рівні половинної амплітуди на виході тракту більше, ніж на вході. На певній довжині ВС імпульси починають перекриватись, що призводить до накладання імпульсів, тобто до міжсимвольної інтерференції.

Розрахунок довжини регенераційної ділянки по дисперсії ґрунтується на такому параметрі, як максимальна допустима дисперсія оптичного кабелю, тобто L×tхр. Допустима дисперсія оптичного кабелю прямо пропорційно залежить від довжини оптичного волокна.

LРД 2£  (3.4.1)

де: δmax - максимальна допустима дисперсія регенераційної ділянки

В залежності від дисперсії використовують формулу:

, (3.4.2)

де τ - дисперсія, с/км,

В - швидкість передачі, Мбіт/с.

(км)

.5 Розрахунок довжини ділянки регенерації по загасанню

Визначення довжини регенераційної ділянки ВОЛЗ виробляється на основі заданих параметрів якості зв'язку і пропускної здатності лінії після того, як обрана типова система передачі й оптичний кабель.

За заданих ймовірності помилки в приймаємому повідомленні та швидкості передачі інформації для кожного типу фотоприймача існує мінімально допустимий рівень приймаємого сигналу Pф min. Нижче цього рівня не забезпечується задана якість передачі інформації.

Рівень потужності на вході фотоприймача

ф1 = Pпер - Pзаг (3.5.1)

де Pпер - рівень потужності випромінювання оптичного передавача; Pзаг - враховує сумарні витрати в лінійному тракті.

Загальні витрати складаються з втрат при вводі випромінювання у волоконний світовод (Pв); втрат в пристрої виводу (Pвив); власних втрат у ВС

вл = a × LРД1 (3.5.2)

де: а - погонне загасання волокна;РД1 - довжина світловоду або регенераційної дільниці.

Кількість з’єднань m на довжині регенераційної ділянки LРД1 залежить від будівельної довжини кабелю Lб

 (3.5.3)

Якщо q з’єднань роз’ємні, а інші p=m-q - нероз’ємні з втратами арз і анз відповідно, тоді втрати в з’єднаннях

 (3.5.4)

Звичайно в тракті на регенераційній ділянці два роз’ємних з’єднання (q=2). Тому

 (3.5.5)

Також необхідно передбачити допуск змін параметрів ВОСП при зміні температури навколишнього середовища Pt, запас потужності сигналу в розрахунку на можливе погіршення параметрів ВОЛЗ. Ці втрати враховуються шляхом введення експлуатаційного запасу системи зв’язку Pзап (Pзап = 6 дБ).

Рф = Рпер - Рзаг - Рзап - Рt,

Рф = Рпер - Рв - Рвив - aнз((LРД1/Lб) -1) -2×aрз- a×LРД1зап - Рt (3.5.6)

Для забезпечення заданої якості передачі необхідно, щоб

ф ³ Pф min (3.5.7)

Енергетичний потенціал системи зв’язку

П= Pпер - Pзаг - Pt - Pф min (3.5.8)

Енергетичний потенціал апаратури визначається характеристиками обраного джерела випромінювання і фотоприймача. Потенціал визначається як різниця між рівнями передачі і прийому. Тому що на кожній ділянці використовується оптична плата з однаковими параметрами, то енергетичний потенціал буде однаковим на всіх ділянках.

Тоді з формул (5.6) і (5.8), відкидаючи малу величину Pвив, маємо

 (3.5.9)

Співвідношення (4.10) визначає максимальну довжину РД. Значення LРД, обмежене й знизу. При дуже коротких довжинах кабелю величина потужності сигналу на вході фотоприймача призводить до істотних спотворень останнього. Величина LРД1min визначається діапазоном автоматичного регулювання підсилення (АРП) приймача

 (3.5.10)

Якщо відстань по довжині прокладеного кабелю між сусідніми пунктами становить більше LРД. макс., тоді на виході передачі потрібно поставити оптичний підсилювач (бустер), який підвищить вихідну потужність на 15 дБ.

Тоді потужність на вході фотоприймача

Рф = Рпер - Рпов, (3.5.11)

де Рпер - потужність випромінювання оптичного передавача (лазера або світлодіода), а величина Рпов враховує сумарні втрати в лінійному тракті.

Тоді, зневажаючи, що в чисельнику мала величина aр,, отримаємо:

 (3.5.12)

де Рзап- експлуатаційний запас системи зв’язку;( 6…8)дБ

aq- втрати в оптичному роз’ємному з’єднанні; (0,3…0,4)дБ

a- втрати в оптичному кабелю; (0,2…0,3)дБ

aр- втрати в нероз’ємних з’єднаннях, (0,1…0,15)дБбуд - будівельна довжина кабелю,

П- енергетичний потенціал ВОСП.

Втрати у волоконному світловоді a1 = 0,4 дБ/км для l=1310 нм та a1 = 0,3 дБ/км для l=1550 нм; роз’єми типу FC фірми NTT, з типовими втратами aрз=0,3 дБ для ОМ ОВ. З’єднання будівельних довжин кабелю буде виконуватися зварювальним апаратом, який забезпечує типові втрати в нероз’ємних з’єднаннях

aнз ≤ 0,1 дБ. Кабель має середню будівельну довжину Lб = 2,0 км. Енергетичний потенціал (П = 38 дБ), динамічний діапазон автоматичного регулування підсилення приймача PАРП = 15 дБ.

Максимальна довжина регенераційної ділянки за енергетичними характеристиками згідно (4.10) для 1550 нм становить:


Мінімальна довжина РД згідно (4.11) для 1550 нм становить:


Проведені розрахунки довжини регенераційної ділянки показали, що обмеження регенераційної ділянки за дисперсією складають - 149км, а за енергетичними параметрами складає 86 км. Для забезпечення зв'язку уникнувши НРП використовуємо підсилювач (Бустер) з коефіцієнтом підсилення +15 дБ в такому випадку довжина складає 130 км.

РДmax2 = (38+15) - 7 - 2х0.3 / (0,3+0,05) =129,7 ≈ 130км

Розрахунки довжини регенераційної ділянки показали що вибрані елементи транспортної системи передачі, а також параметри ОК забезпечують виконання усіх вимог щодо забезпечення організації якісного зв’язку.

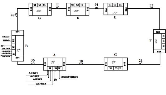
4. СХЕМА ОРГАНІЗАЦІЇ ЗВ’ЯЗКУ

Схема організації зв’язку розробляється виходячи з таких вихідних даних:

·   задана кількість 2 Мбіт/с потоків, які потрібно організувати між пунктами мережі;

·   технічні дані апаратури;

·   прийнята топологія мережі, яка визначає надійність зв’язку;

·   побудова волоконно-оптичної магістралі на першому етапі.

Одною із основних переваг технології SDH є можливість такої організації мережі, при якій досягається не тільки висока надійність її функціонування, обумовлена використання ВОК, але і можливість збереження або відновлення ( за дуже короткий час в десятки мілісекунд) дієздатності мережі у випадку відмови одного із елементів або середовища передачі - кабеля. Такі мережі і системи логічно назвати існуючими в нашій літературі по системному аналізу терміном самовідновлюючі.

В принципі діють різні методи забезпечення швидкого відновлення дієздатності синхронних мереж, які можуть бути зведені до наступних схем:

1. - резервування ділянок мереж по схемах 1+1 і 1:1 по рознесених трасах;

2. - організація самовідновлюючих кільцевих мереж, резервованих по схемах 1+1 і 1:1;

3. - резервування термінального обладнання по схемах 1:1 і 1+1;

4. - відновлення дієздатності мережі шляхом обходу недієздатного вузла;

5. - використання систем оперативного переключення.

В першому випадку ділянки між двома вузлами мережі з’єднуються по двох рознесених трасах (стовідсоткове резервування), сигнали по яких розповсюджуються одночасно. У вузлі прийому вони можуть оброблятися по двох схемах:

·   резервування по схемі 1+1 - сигнали аналізуються і вибирається той, який має найкраще співвідношення параметрів;

·   резервування по схемі 1:1 - альтернативним маршрутам назначаються пріоритети - низький і високий, гілка з низьким пріоритетом знаходиться в режимі гарячого резерву, переключення на неї відбувається по аварійному сигналу від системи управління.

В другому випадку, найбільш розповсюджена в мережі SDH, використовується топологія типу “кільце”, яке може бути організоване з допомогою двох волокон (топологія “здвоєне кільце”) або чотирьох волокон (два здвоєних кільця). Не дивлячись на більш високу вартість чотириволоконного варіанту, він часто використовується в останній час, так як забезпечує більш високу надійність.

Перший шлях - захист використовується в більшості на трибних блоках TU-n, передаючих одночасно в одному напрямку (наприклад, по часовій стрілці) але по різних кільцях. Якщо в момент прийому мультиплексором блоку, посланого іншими мультиплексорами, відбувається збій в одному із кілець, система управління, здійснюється постійний моніторинг кілець, автоматично1 вибирає такий же блок із другого кільця. Цей захист носить розподілений по кільцю характер, а сам метод називається методом організації однонаправленого здвоєного кільця.

Другий шлях - захист маршруту може бути організований так, що сигнал передається в двох протилежних напрямках (східному і західному), причому одне направлення використовується як основне, друге - як резервне. Такий метод у випадку збою використовує переключення з основного кільця на резервне і називається методом організації двунапроавленого здвоєного кільця. В цьому випадку блоки TU-n мають доступ тільки до основного кільця. У випадку збою відбувається замикання основного і резервного кілець на межі дефектної ділянки (рис.5.1а), утворюючи нове кільце. Це замикання відбувається за рахунок включення петлі зворотнього зв’язку, замикаючий приймач і передавач агрегатного блоку на відповідній стороні мультиплексора (східної і західної).

а)                                                                        б)

Рисунок 4.1.1 Методи захисту подвійного кільця;

а) шляхом виключення пошкодженої ділянки;

б) шляхом організації обхідного шляху

У третьому випадку відновлення дієздатності здійснюється за рахунок резервування на рівні трибних інтерфейсів. Схема резервування в загальному випадку N:1, що допускає різну ступінь резервування: від 1:1 (100%) до меншого ступеня, наприклад, 4:1 (25%), коли на 4 основні трибні інтерфейсні карти використовується одна резервна, яка автоматично вибирається системою крос-комутації при відмові однієї із основних. Цей метод широко розповсюджений в апаратупі SDH для резервування трибних карт 2 Мбіт/с (4:1 або 3:1 для STM-1 або 16:1, 12:1, 8:1 для STM-4), а також резервування найбільш важливих змінних блоків, наприклад, блоків крос-комутації і систем управління і резервного живлення, час переключення яких на запасні не перевищує 10 мсек.

У четвертому випадку резервування, як таке не використовується, а дієздатність системи вцілому (на рівні агрегатних блоків) відновлюється за рахунок виключення пошкодженого вузла із схеми функціонування. Так системи управління SDH мультиплексорів дають можливість організувати обхідний шлях, який дозволяє пропускати поток агрегатних блоків повз мультиплексора у випадку його відмови.

У п’ятому випадку, характерним для мереж загального вигляду, у вузлах мережі встановлюються крос-комутатори системи оперативного переключення, які здійснюють, у випадку відмови, викликаного або розривом з’єднуючого кабелю, або відмовою вузла послідовного лінійного кола, реконфігурацію прилеглих (вхідних і вихідних) ділянок мережі і відповідну крос-комутацію потоків. Процедура такої конфігурації може бути централізованою або розподіленою. В першому випадку вона здійснюється мережевим центром управління, що може бути реалізованим достатньо просто, у другому - сумісне рішення про реконфігурацію повинно вироблятися групою прилеглих систем оперативного переключення. Можуть застосовуватися і комбіновані методи.

Використання систем оперативного переключення по принцип організації захисту нагадує схему резервування 1:1 методу резервування по рознесених трасах. Різниця в тому, що в останньому випадку фізичний і віртуальний канал уже існує, тоді як у першому він формується у момент оперативного переключення (дія більш характерна комутатора/ маршрутизатора в мережах пакетної комутації).



Таблиця 4.1.1

Число цифрових потоків Е1

Пункти

A

B

C

D

E

F

G

A


31

7

5

2

8

4

B

31


7

6

2

8

4

C

7

7


4

2

3

9

D

5

6

4


2

4

2

E

2

2

2

2


2

2

F

8

8

3

4

2


9

G

4

4

3

2

2

3



Таблиця 4.2.2

Число цифрових потоків Е1 між пунктами з урахуванням додаткових послуг TV та Ethernet 10Мбіт/с

Пункти

A

B

C

D

E

F

G

A


53

39

26

23

29

25

B

53


28

25

23

24

25

C

26

28


27

23

24

24

D

23

27

25


23

25

23

E

23

23

23

23


23

29

F

24

29

24

25

33


24

G

25

25

274

23

23

24


Кількість Е1

185

185

153

149

138

154

144


5. КОНФІГУРАЦІЯ МУЛЬТИПЛЕКСНИХ ВУЗЛІВ

Для конфігурації вузлів мережі, складання специфікації змінних блоків та розробки схеми з’єднань змінних блоків на всіх вузлах мережі необхідно мати номенклатуру функціональних змінних блоків, їх призначення.

Тому необхідна прив’язка до обладнання системи передачі конкретної фірми-виробника.

За останні декілька років на мережах України застосовується обладнання закордонних фірм, таких як: Ericsson, Nortel, Siemens, і в останній час компанії ECI Telecom Ltd (Ізраїль), та інших.

Апаратура синхронної цифрової ієрархії (SDH) усіх видів повинна відповідати стандартам міжнародного союзу Електрозв'язку (МСЕ). Основним і найбільш універсальним виробом апаратури SDH є цифровий мультиплексор званий синхронним мультиплексором. Щоб додавати в мережу або вилучати з неї цифрові потоки, чи транспортні одиниці і групи зі швидкостями 2, 34, 140 або 155 Мбіт/с використовуються мультиплексори вводу / виводу (ADM). Мультиплексори можуть виконувати функції перемикання тимчасових позицій каналів і трактів, а також підтримувати функції конфігурування та контролю мережі. Для організації зв'язку на ділянці А -B - С - D з урахуванням розрахованого числа потоків (208 Е1), необхідний мультиплексор рівня STM-4 зі швидкістю передачі 2488 Мбіт/с. Апаратуру та обладнання для систем передачі SDH пропонують багато відомих фірм-виробників, такі як «Alcatel», «Siemens», «Nortel», «NEC», «Huawei Technologies», «Marconi» та інші. Практично всі виробники представлені на українському ринку. Так я проаналізувавши функціональні можливості та цінову політику різних фірм виробників мультиплексорів і зупинив свій вибір на комутаторі NetRing 2500.

Рис. 5.1 Комутатор NetRing 2500.

Технічні специфікації:

Мережеві інтерфейси STM-16/OC-48 STM-4/OC-12 STM-1/OC-3 Трибутарні інтерфейси 10/100Base T Ethernet 1000BaseSX Ethernet STM-1/STS-3 Electrical E1/T1 E3/D2   Крос-конект Ємність матриці SDH: 80X80 VC-4, 2016X2016 VC- 12 Тип: однонаправленный, двонаправленный, Broadcast, Multicast, Drop и Continue.    Мережеве курування TL1, LCT (local Craftsman Terminal), NetManTM 6000 OMC-O (EMS), TMF814

передача даних Структура циклу і зчеплення GFP, постійне зчеплення і віртуальне зчеплення на рівнях VC-12/VC-3/VC-4 10M/100M base-Т 802.1d/p/q/s, 802.3x/ad, VLAN Tagging, VLANtrucking. Обмеження швидкості від 100kbps,нарощування кроками по 100kbps, LCAS Gigabit Ethernet 802.3z Синхронізація SSM, External Bits Clock Stratum 3 или выше, Primary и secondary T1/E1 external timing references, STM-n/OC-n line timing reference. Hold over, Free runs. Системні шассі Габариты (ВхШхГ): 175мм x 483мм x 301мм Вес: 15 кг. при полной комплектации Рабочая температура: от 50°С до 400°С Влажность: от 5 до 85% (без конденсации) Электропитание: -48 VDC/24 VDC Энергопотребление: 135 Ватт при полной нагрузке Соответствие тех. условиям NEBS Level 3 ITU-T G.691, G.704, G.707, G.708, G.709, G.781, G.783, G.813, G.814, G.957, IEEE802.3, 802.3U/z/ad;802.1/q/p/d/s/w


Отже як видно з технічних характеристик даний тип мультиплексора як найкраще підходить до нашої проектуємої мережі. Головною перевагою мереж реалізованих на обладнанні NetRing є:

висока надійність, за рахунок використання сучасних методів захисту, як обладнання так і трафіку;

простота обслуговування і розвиток мережі, модульний принцип побудови обладнання і програмного забезпечення;

повна відповідність рекомендаціям ITU-T, ETSI;

зручність обслуговування.

На підставі вище описаних характеристик та переваг зупинимо свій вибір на мультиплексорі NetRing 2500.

Оптичний мультисервісний вузол NG SDH NetRing 2500 служить для побудови і розвитку корпоративних мереж і мереж MAN рівнів STM-1/STM-4/STM-16. Будучи бюджетним рішенням, пристрій реалізує доставку послуг SDH і передачу даних нового покоління - включаючи ATM, Fast Ethernet і Gigabit Ethernet, і демонструє швидкість і ефективність роботи. Мультисервісний вузол NetRing 2500, виконаний у вигляді корзини, поєднує в собі функції мультиплексора вводу-виводу (ADM), системи крос-конекту (DCS), комутації та взаємодії з мережами Ethernet і ATM з підтримкою технології надійної кільцевої передачі пакетів (RPR). Подібна багатофункціональна інтеграція різноманітних функцій в одному пристрої значно спрощує питання побудови мережі та її подальшого технічного обслуговування.2500 використовує розподілену архітектуру крос-конекту, яка забезпечує вигідне співвідношення функціональності та вартості обладнання. Завдяки широким можливостям застосування, NetRing TM 2500 підходить для мереж LAN,MAN, мереж доступу і опорних мереж. Розподілена архітектура крос-конекту мультисервісного вузла дозволяє розширювати мережу по мірі зростання залежно від кількості необхідних оптичних інтерфейсів і швидкостей. NetRing 2500 підтримує безперервну і віртуальну конкатенацію на рівні VC-12/VC-4/VC-3. Пристрій має вбудовану підтримку послуг Ethernet, використовує GFP протокол для перетворення послуг Fast Ethernet/Gigabit Ethernet в NxVC-12/VC-4/VC-3,забезпечує Layer 2 комутацію, механізми вирівнювання трафіку (traffic shaping) іLCAS. Мультисервісна платформа NetRing 2500 також забезпечує передачу послуг ATM,надаючи інтерфейси STM-1 і інверсного мультиплексування IMA.Мультиплексор забезпечує різноманітні механізми захисту та резервування: SDH1 січня MSP, 1: N MSP, 2/4F Unidirectional MS - SPRing, SONET 1 січня APS, UPSR, 2xFiber BLSR і VC -12/VT1.5 Path Protection. Система реалізує гаряче резервування модулів управлінняі синхронізації за схемою 1+1.

Також на обладнанні NetRing можна реалізувати таку топологію, яку можна буде взяти за подальшу модернізацію проектуємої мережі.

Рис 5.2 Структурна схема STM

Ядром мультиплексора є повнодоступна матриця тимчасового комутатора. Плата крос-комутації і синхронізації (EXCSA) забезпечує крос-комутацію сигналів SDH і PDH і синхронізацію системи, слот 9 і 10, гаряче резервування 1+1.

Блок SCC - забезпечення інтерфейс для з'єднання обладнання з системою мережевого управління та обробка сигналів SDH, слот 17 і 18, гаряче резервування 1 +1.

Зображення основних функціональних модулів мультиплексора


Блок джерела живлення PIU забезпечує доступ до джерела живлення та захист обладнання від стрибків напруги, слот 27 і 28, гаряче резервування 1 +1.

Допоміжна плата інтерфейсів AUX забезпечує різні інтерфейси для технічного обслуговування: інтерфейс RS-232 і інтерфейс службового телефону, слот 37.

Плати крос-комутації і синхронізації, плата мережевого управління, блок джерела живлення, допоміжна плата інтерфейсів є невід'ємною частиною мультиплексора, комплектація мультиплексора рештою платами здійснюється від конкретного застосування даного мультиплексора.

ВИСНОВОК


У даній курсовій роботі була розрахована оптична транспортна мережа Рівненської області з застосуванням обладнання SDH.

Згідно завдання, необхідно було вибрати найбільш оптимальну топологію, з використанням системи передачі SDH ієрархії. Загальна довжина магістралі становить 217км.

В результаті аналізу обладнання SDH-ієрархії, яке постачається на ринок України, було обране мультиплексорне обладнання, зокрема мультиплексор типу NetRing 2500 рівня STM-16.

Розглянуто основні характеристики мультиплексорного обладнання SDH ієрархії, проведено вибір ОК. Також було дано загальну характеристику синхронного цифрового обладнання (СЦІ), основні методи перетворення та інформаційна структура в СЦІ, короткий опис апаратури мереж та основні аспекти архітектури СЦІ, а також ключові моменти, які використовуються в управлінні мережею СЦІ.

ПЕРЕЛІК ПОСИЛАНЬ

1. Каток В.Б. Волоконно-оптичні системи передачі. Київ, 1999

. Бирюков Н.Л. Стеклов В.К. Транспортные сети и системы электросвязи. Системы мультиплексирования. Киев: ЗАТ «Віпол», 2003

. Хмелев К.Ф. Основы SDH. Киев: «Політехніка» ЗАТ «Віпол», 2003

. Стеклов В.К., Беркман Л.Н. Телекомунікаційні мережі. Київ: „Техніка”, 2001

. Стеклов В.К., Нові інформаційні технології: Транспортні мережі телекомунікацій. Київ: «Техніка» 2004

Похожие работы на - Оптична мультисервісна транспортна мережа зв’язку Рівненської області

 

Не нашли материал для своей работы?
Поможем написать уникальную работу
Без плагиата!
Без нейросетей!