Исследование критериев оптимизации для нелинейных АС с различными регуляторами
Содержание
ВВЕДЕНИЕ
. Анализ свойств объекта
управления
. Анализ типовых регуляторов
и выбор типа регулятора
. Методы выбора параметров
настройки регулятора
3.1 Метод интегральной оценки
качества
.2 Синтез регуляторов методом ЛАЧХ
.3 Метод полной компенсации
4. Расчёт оптимальных параметров
настроек регуляторов
.1 Расчет оптимальных настроек П
регулятора
.2 Расчет оптимальных настроек И
регулятора
.3 Расчет оптимальных настроек ПИ
регулятора
.4 Расчет оптимальных настроек ПИД
регулятора
ВЫВОДЫ
Заключение
СПИСОК ИСПОЛЬЗУЕМЫХ ИСТОЧНИКОВ
Введение
Задачи по управлению тем или иным явлением или
процессом, возникающие в повседневной практической деятельности человека,
обширны и многообразны. Управление можно определить как совокупность действий,
обеспечивающих проведение любого процесса в целях достижения определённых
результатов.
Системы автоматического управления (САУ)
создаются для того, чтобы автоматически, без непосредственного участия человека
поддерживать необходимый режим работы различных обслуживаемых этими автоматами
объектов. САУ самостоятельно, без вмешательства извне либо поддерживают
постоянными, либо изменяют по заданным законам одну или несколько физических
величин, характеризующих процессы, происходящие в обслуживаемых объектах, или
же они сами определяют в зависимости от ряда условий нужный или оптимальный
закон управления объектом.
Объект, в котором протекает управляемый процесс,
называется объектом управления (ОУ).
Управляемый процесс может определяться рядом
параметров и их соотношениями. В простых случаях управляемый процесс может
достаточно полно определяться одним параметром (координатой).
Частным, но очень важным случаем управления
является регулирование, при котором требуемое течение процесса создаётся путём
стабилизации одного или нескольких параметров на заданных значениях.
Теория автоматического управления (ТАУ) - наука
о процессах управления и общих закономерностях. В организации процесса
управления большую роль играет информация, как о задачах управления, так и о
его фактических результатах.
При помощи автоматических регуляторов - одной из
основных и важнейших разновидностей автоматических управляющих устройств -
можно: существенно повысить эффективность ведения технологических процессов,
создать условия для применения сверхвысоких и сверхнизких параметров
(напряжений, токов, скоростей, давлений, температур, частот и т.п.), освободить
обслуживающий персонал от непосредственного участия в осуществлении управления
сложными процессами, сократить количество обслуживающего персонала на том или
ином объекте, повысить качество выпускаемой продукции, обеспечив высокие
точности исполнения всех требований, предъявляемых к ходу и результатам
технологических процессов, и, наконец, получить возможность вести требуемый
процесс в условиях и местах, недоступных для человека.
Автоматическая система управления (АСУ) включает
в себя ОУ - технологический процесс или технологическая установка и управляющее
устройство (регулятор). ОУ является неизменной частью системы, если
математическая модель его не известна, то аналитически или экспериментально
определяют его модель (передаточную функцию).
В зависимости от задачи, которую должна решать
АСУ (стабилизация, программное или следящее управление) свойств ОУ и требований
к точности и динамике переходного процесса выбирают тип регулятора (его
алгоритм функционирования) и исполнительный механизм (ИМ). Составляют
структурную схему системы управления и по ней проводят расчёт (при выбранных
параметрах настройки регулятора) переходного процесса и определяют качественные
показатели системы. Если выбранные параметры настройки регулятора не отвечают
поставленным требованиям (не обеспечивают заданную точность и динамику
переходного процесса), то следует изменить тип регулятора и вновь провести
анализ качества, выбрав оптимальные параметры настройки регулятора - используя
методы параметрической оптимизации.
Эта же задача может быть решена другим путём -
при выбранном ИМ и заданном ОУ синтезировать структуру системы и параметры
настройки регулятора (структурно-параметрическая оптимизация), так чтобы
система отвечала заданным требованиям по точности и динамике переходного
процесса. Затем необходимо провести расчёт переходного процесса и определить
качественные показатели системы.
Задача синтеза системы с заданными показателями
качества может быть сведена к задаче выбора типового регулятора, и определения
оптимальных, в смысле выбранного критерия качества, настроек его параметров.
Это задача параметрического синтеза. Задача выбора оптимальной структуры
(закона регулирования) регулятора для объекта и принятого критерия
оптимальности может быть решена в рамках структурного синтеза.
В общем случае одноконтурную систему
регулирования можно представить блок-схемой изображённой на рисунке 1.1.
Рис. 1.1.
На систему действуют два типа внешних сигналов: g(t)
- задающее воздействие, f(t)
- возмущающие воздействия: f1(t)
- внутренне, f2(t)
- внешнее.
Система регулирования должна удовлетворять двум
основным требованиям:
а) с максимально возможной точностью отрабатывать
задающее воздействие g(t),
т.е. y(t)»g(t)
и при этом необходимо, чтобы система была легко управляемой, т.е. производная ¶y/¶g
должна быть достаточно большой во всём диапазоне изменения g(t);
б) по возможности не реагировать на
возмущения f(t),
т.е. ошибка e(t),
возникающая под действием возмущений, должна быть наименьшей, её необходимо
максимально быстро ликвидировать. Система должна слабо реагировать на
возмущения, т.е. производная ¶y/¶f
должна быть по возможности малой.
Цель данной курсовой работы: смоделировать
структурные схемы для ОУ с использованием П регулятора, ПИ регулятора, И
регулятора, ПИД регулятора, найти их ошибки непрерывные(интегральное значение I1)
и по десятичному логарифму (I1
,подобрав
при этом оптимальные коэффициенты и свести ошибки к минимуму,сравнить
результаты ,полученные в среде Matlab
с использованием графиков, по результатам сделать выбор оптимального регулятора
для заданного ОУ.
Задачи:
Составить структурную схему в среде Matlabдля
П регулятора;
Составить структурную схему в среде Matlabдля
И регулятора;
Составить структурную схему в среде Matlabдля
ПИ регулятора;
Составить структурную схему в среде Matlabдля
ПИД регулятора;
Сделать сопоставительную таблицу для всех
регуляторов;
Выбрать оптимальный регулятор для заданного ОУ.
1. Анализ свойств
объекта управления
Передаточная функция ОУ:
,
где: K0=2 1/с;
T=2с;
К=2;
=0.4;
Ошибка е≤0.05
Структурная схема ОУ
Данный ОУ 2-го порядка без запаздывания (время
запаздывания t=0) и без самовыравнивания (т.к. ОУ с астатизмом
1-го порядка).
Построение ЛАЧХ ОУ.
Определим частоту излома:

lg(К0)=
20lg(0.1)=-20;
2. Анализ
типовых регуляторов и выбор типа регулятора
Как указывалось выше, задача
автоматического управления состоит в поддержании требуемого значения
регулируемой величины путём воздействия на ОУ с помощью его регулирующего
органа. При отклонении регулируемой величины от заданного значения регулятор
воздействует на ОУ до тех пор, пока регулируемая величина не вернётся к
требуемому значению.
Регулирующее воздействие может
происходить по определённому закону (алгоритму), положенному в основу работы
регулятора. Зависимость регулирующего воздействия u(t) от
отклонения регулируемой величины e(t) называют
законом регулирования. При создании промышленных регуляторов стремятся
сконструировать его таким образом, чтобы закон его действия с достаточной
точностью описывался линейным дифференциальным уравнением, связывающим выходную
переменнуюu(t) с входной e(t).
Различают следующие типы
регуляторов: пропорциональный (П-регулятор), интегральный (И-регулятор),
пропорционально-интегральный (ПИ-регулятор),
пропорционально-интегрально-дифференциальный (ПИД-регулятор) и
пропорционально-дифференциальный (ПД-регулятор). Характеристики П- и
И-регуляторов аналогичны соответственно характеристикам пропорционального и
интегрирующего звеньев.
П-регулятор перемещает регулирующий
орган пропорционально отклонению регулируемой величины от заданного значения
:
,
где КР - коэффициент
усиления регулятора (П-составляющая закона регулирования; его размерность -
отношение единиц измерения регулирующего воздействия к единице измерения
регулируемой величины).
Передаточная функция П-регулятора:
Регулятор, подчиняющийся этому
закону, называют статическим с одним параметром настройки (коэффициентом
усиления) и пропорциональным П-регулятором.
Чем больше коэффициент усиления
регулятора КР, тем меньше неравномерность регулирования, т.е.
статическая ошибка регулирования.
Пропорциональные регуляторы являются
наиболее простыми и позволяют устойчиво регулировать промышленные объекты
регулирования. Недостатком таких регуляторов является остаточная
неравномерность регулирования.
,
где ТИ - время
интегрирования. Этот регулятор называют астатическим с одним параметром
настройки (ТИ) или интегральным - И-регулятором.
Передаточная функция И-регулятора:
регулятор настройка
интегральный управление
Так как
, то при
отклонение
от требуемой регулируемой величины также равно нулю. Таким образом, в данном
случае отсутствует остаточная неравномерность регулирования.
И-регуляторы могут устойчиво
работать только с объектами, обладающими значительным самовыравниванием.
ПИ-регулятор производит перемещение
регулирующего органа пропорционально сумме отклонения и интеграла от отклонения
регулируемой величины.
,
где КР - коэффициент
усиления регулятора; ТИ - постоянная времени изодрома (время
изодрома), характеризующая степень ввода интеграла в закон регулирования.
Передаточная функция ПИ-регулятора:
В динамическом отношении
ПИ-регулятор подобен системе из двух параллельно включённых регуляторов:
П-регулятора с коэффициентом передачи КР и И-регулятора с
коэффициентом передачи 1/ТИ.
ПИ-регуляторы отличаются простотой
конструкции и позволяют устойчиво и без остаточной неравномерности регулировать
большое число промышленных объектов. Поэтому они получили большое
распространение на практике.
ПИД-регуляторы производят
перемещение регулирующего органа пропорционально отклонению, интегралу и
скорости изменения отклонения регулируемой величины.
,
где КР - коэффициент
усиления регулятора; ТИ - время изодрома; ТПР - время
предварения (опережения, упреждения, дифференцирования), характеризующее
степень ввода производной в закон регулирования.
Передаточная функция ПИД-регулятора:
В динамическом отношении
ПИД-регулятор подобен системе из трёх параллельно включённых звеньев:
пропорционального, интегрирующего и идеально дифференцирующего.
ПИД-регуляторы конструктивно сложнее
ПИ-регуляторов, однако они в ряде случаев позволяют улучшить качество
регулирования технологических параметров. Они как и ПИ-регуляторы, относятся к
астатическим регуляторам.
ПД-закон регулирования обычно
применяется для коррекции динамических свойств АСУ.
Идеальный
пропорционально-дифференциальный регулятор имеет передаточную функцию.
,
где КР - коэффициент
усиления регулятора; КД - весовой коэффициент, характеризующий
степень ввода производной в закон регулирования, причём последний может быть
положительным или отрицательным.
Выбор типа регулятора и определение
параметров его настройки зависит от следующих факторов[1]:
А. Типа
объекта, т.е. его статических и динамических характеристик. Здесь особенно
существенны :
а) время запаздывания t;
б) постоянная (либо постоянные) времени T0
в зависимости от того, имеются одна или две доминирующие постоянные времени;
в) наличие самовыравнивания q=1
(объект статический) или его отсутствие q=0
(объект астатический);
г) порядок объекта или его приближённой
модели;
д) линейность или нелинейность объекта.
Б. Места
приложения возмущающего воздействия f,
его вид и продолжительность.
Чаще всего при расчёте принимается, что
возмущение представляет собой скачкообразную функцию с известной амплитудой и
приложенной ко входу объекта.
В. Принятого
критерия качества.
Выбор критерия качества зависит от требований к
характеру переходного процесса со стороны технологии процесса. Решающими
показателями здесь являются:
а) допустимая ошибка в установившемся
состоянии eст (статическая
ошибка), обычно требуется, чтобы она была в пределах 0-5% амплитуды задающего
сигнала или возмущения;
б) допустимое время регулирования tр
(время переходного процесса), т.е. время, за которое отклонение не уменьшится
до 3-5% от требуемого значения;
в) допустимое динамическое отклонение;
здесь подразделяются три вида процессов:
¾ апериодические, не допускающие
перерегулирования;
¾ допускающие одно перерегулирование s<10%;
¾ допускающие большие
перерегулирования s£40%;
г) чувствительность переходного процесса к
возмущениям (как внутренним, так и внешним), к изменениям параметров;
д) чувствительность показателя качества к
величине ошибки e (она должна быть высокой) и к
флюктуации параметров системы (она должна быть малой, чтобы работа в области
оптимума была устойчивой).
В зависимости от свойств объекта управления,
определяемых его передаточной функцией и параметрами, а также предполагаемым
видом переходного процесса, выбирается тип и настройки линейных регуляторов.
Для статических объектов:
или
Для астатических объектов:
или
где:
- условная постоянная времени, ymax -
максимальное значение регулируемого параметра объекта, xmax -
максимальное управляющее воздействие.
Основные области применения линейных
регуляторов характеризуются следующим образом:
И-регулятор применяют со
статическими объектами I-го порядка при медленных изменениях
возмущений и с малым временем запаздывания t/Т0<0,1;
П-регулятор применяют со
статическими и астатическими объектами любой инерционности и временем
запаздывания, определяемым соотношением t/Т0£0,3;
ПИ-регулятор применяют при любой
инерционности объекта и времени запаздывания, определяемым условием t/Т0£1;
ПИД-регулятор применяют при любой
инерционности объекта и условии t/Т0£1 и позволяет
получить время регулирования tр порядка
(4-6)t;
Релейные регуляторы применяют со
статическими объектами, когда t/Т0<0,2
и невысокие требования к качеству регулирования;
Импульсные регуляторы применяют для
объектов с большим запаздыванием t/Т0>1;
Цифровые регуляторы применяют для
управления сложными объектами, когда для достижения высокой точности необходимо
обрабатывать большое количество информации.
Для аналитического определения
передаточной функции регулятора также можно использовать формулу, изложенную в
литературе [5]:
Применяя данную формулу находим
передаточную функцию регулятора:
,
тогда
, где
,
а
, т.е. для данного ОУ выбираем
ПД-регулятор с передаточной функцией:
Выбор ПД-регулятора можно обосновать
ещё и тем, что использование в данной системе с ОУ без самовыравнивания
регулятора с И-составляющей приводит к структурной неустойчивости системы, или
необходимо вводить дополнительную местную обратную связь, охватывающую
интегрирующее звено, что усложняет систему. Также к достоинствам ПД-регулятора
можно отнести и то, что он является более быстродействующим по сравнению с
П-регулятором.
3. Методы
выбора параметров настройки регулятора
Существуют следующие методы выбора
параметров настройки типовых регуляторов:
а) на основании интегральной оценки
в) по методу полной компенсации
3.1 Метод интегральной
оценки качества
Интегральные оценки качества являются
обобщёнными показателями, позволяющими по переходной динамической составляющей
ошибки системы исследовать характер протекания переходного процесса (степень
его колебательности, коэффициент затухания, оптимальные параметры).
Различают линейные интегральные оценки качества:
, где ошибка
.
Эта оценка качества используется для
оценки систем с монотонными переходными процессами.
Так как в большинстве систем
управления переходные процессы колебательные, то для таких процессов используют
квадратичную оценку качества:
Интегральную квадратичную оценку
качества можно вычислить используя спектр сигнала ошибки при помощи формулы
Релея:
Существуют специальные таблицы для
вычисления интегральной оценки в соответствии с формулой Релея, где приводятся
значения интегралов до шестого порядка.
Квадратичная интегральная оценка
качества является относительной мерой оценки быстродействия переходных
процессов. Вычисленное одно числовое значение интегральной оценки для системы
не позволяет судить о её быстродействии. Если же при выбранных параметрах
систем будут вычислены такие значения
и
, при которых
<
, то в
системе, имеющей интегральную оценку
, переходный процесс будет протекать
быстрее, нежели в системе с интегральной оценкой
. Однако квадратичная интегральная
оценка не учитывает величину перерегулирования, которая может оказаться
значительной (до 40%) при оптимальном быстродействии, т.е. при минимуме
интегральной квадратичной оценки.[3]
.2 Синтез регуляторов методом ЛАЧХ
Синтез регулятора методом ЛАЧХ
основывается на сопоставлении логарифмической амплитудной характеристики
разомкнутой нескорректированной системы и желаемой ЛАЧХ.
Рис. 4.1.
Структура системы представлена на
рисунке 4.1, тогда передаточная функция системы в разомкнутом состоянии будет:
,
где
- желаемая передаточная функция,
отвечающая требованиям показателей качества и ограничениям, накладываемым на
систему.
Заменяя
на
и
логарифмируя последнее выражение, найдём ЛАЧХ корректирующего звена регулятора:
, откуда
Таким образом, построив
характеристику
и задавшись
характеристикой
,
графическим вычитанием одной ЛАЧХ из другой найдём ЛАЧХ регулятора, по которой
можем составить его передаточную функцию.
Выбор желаемой ЛАЧХ производится в
соответствии с требованиями к статической точности, показателям качества
процесса регулирования и фильтрующими свойствами системы. Последние
определяются полосой пропускания, ограничиваемой частотой среза
,
исключающей возможность прохождения высокочастотных помех, вызванных
конструктивным несовершенством элементов цепи главной обратной связи. При
выборе желаемой ЛАЧХ следует учитывать, что запас устойчивости по фазе должен
быть не меньше 35°.[4]
3.3 Метод
полной компенсации
Суть метода полной компенсации
сводится к тому, чтобы скомпенсировать большую постоянную времени ОУ, т.е.
, а
коэффициент усиления рассчитывается по формуле:
, где
- бóльшаяпостоянная
времени ОУ,
- меньшая постоянная времени ОУ,
- коэффициент усиления ОУ.
4. Расчёт
оптимальных параметров настроек регуляторов
.1 Расчет
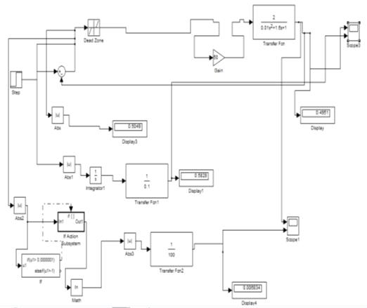
оптимальных настроек П регулятора
Структурная схема в среде Matlab будет
выглядить следующим образом:
При к=50, ошибка I1=
=0.58,
Туст=0.1
Графики следующие:
При к=50, I2=
=6.834,
Туст=0.1с.
Схема следующая:
Графики следующие:
5. Расчёт оптимальных
параметров настройки И регулятора
Схема И регулятора будет выглядеть следующим
образом:
Мы видим, что при Т=1с, ошибка I1=
=0.210
, Туст=10с
Графики будут следующие:
Минимизируем ошибку I2=
Схема будет следующей:
Мы видим, что при Т=50с, I2=
,
Туст=100с
Графики будут следующие:
6. Расчёт оптимальных
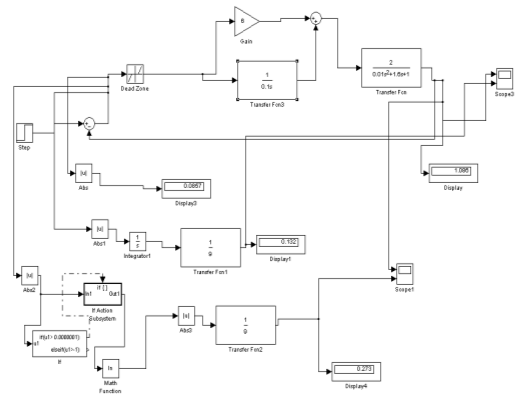
параметров настройки ПИ регулятора
Структурная формула в Matlabбудет
выглядеть следующим образом:
Здесь мы взяли к=6, Т=0.1с,получили ошибку I1=
=
,
Туст=9с.
Графики следующие:
Минимизируем ошибку I2=
.
Схема будет следующей:
При к=1, Т=100с, I2=
,
Туст=20с
Графики будут следующие:
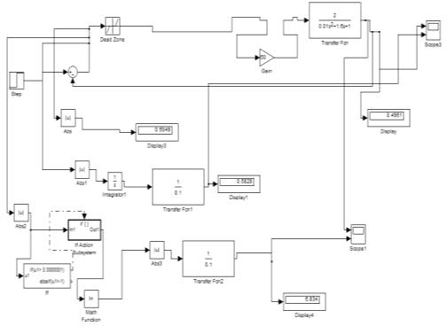
7. Расчет оптимального
значения ПИД регулятора
Схема ПИД регулятора будет выглядить следующим
образом:
Т1=10с ,Т=10с,к=100. Ошибка I1=
=0.233,
Туст=0.4с
Графики следующие:

Т1=5с ,Т=100с,к=1. Ошибка I2=
=0.04,
Туст=10с.
Графики будут следующие:
Выводы
Составим сопоставительную таблицу всех
регуляторов, и выберем и разъясним выбор определенного регулятора для нашей
функции:
|
Регулятор
|
I1=
|
I2=
|
Туст
для
|
Туст
для
|
|
П
|
0.58
|
6.834
|
0.1
|
0.1
|
|
И
|
0.210
|
0.006
|
10
|
100
|
|
ПИ
|
0.132
|
0.02
|
9
|
20
|
|
ПИД
|
0.233
|
0.04
|
0.4
|
10
|
Исходя из таблицы, можно сделать вывод о том,
что нам для ОУ более всего подходит ПИД- регулятор, так как он имеет наименьшую
ошибку по сравнению с другими регуляторами(при
) и при
.
Так же стоить отметить П регулятор, он устанавливает время минимальное, но этот
регулятор приводит систему в неустойчивое состояние.
Мы видим, что ошибка по десятичному логарифму
меньше чем ошибка интегральная, то есть :
1=
<
I2=
.
Заключение
В данной курсовой работе мы смоделировали
структурную схему заданную в задании с использованием разных регуляторов в
среде Matlab:
П- регулятора;
ПИ - регулятора;
И - регулятора;
ПИД регулятора.
Сделали сопоставительную таблицу для
регуляторов, с помощью которой подобрали оптимальный для заданного объекта
управления, расчитали ошибки I1=
и
I2=
.
Список используемой
литературы
1. Гурецкий
Х. Анализ и синтез систем управления с запаздыванием. - М.: Машиностроение,
1974.
2. Кулаков
Г.Т. Инженерные экспресс-методы расчёта промышленных систем регулирования: Спр.
пособие. - Мн.: Выш. шк., 1984.
. Топчеев
Ю.И. Атлас для проектирования систем автоматического регулирования. - М.:
Высшая школа, 1989.
. Анхимюк
В.Л., Опейко О.Ф., Михеев Н.Н. Теория автоматического управления. - М.: Высшая
школа, 2002.
. Иванова
Л.В. Методические указания к курсовому проектированию по курсу «Теория
автоматического управления». - ВТИЛП, 1993.
. Кулаков
Г.Т. Анализ и синтез систем автоматического регулирования: Учеб. пособие -
Мн.:УП «Технопринт», 2003.
. Санковский
Е.А. Справочное пособие по теории автоматического регулирования и управления. -
Мн.: Выш. шк., 1973.
. Бесекерский
В.А. Теория систем автоматического управления. - М.: Высшая школа, 1983.