Анализ электромагнитных реле

  • Вид работы:
    Контрольная работа
  • Предмет:
    Информатика, ВТ, телекоммуникации
  • Язык:
    Русский
    ,
    Формат файла:
    MS Word
    477,73 Кб
  • Опубликовано:
    2013-11-15
Вы можете узнать стоимость помощи в написании студенческой работы.
Помощь в написании работы, которую точно примут!

Анализ электромагнитных реле

Введение

электромагнитный реле однофазный питание

Основные направления экономического и социального развития предусматривают интенсивное развитие автоматизации и роботизации всего народного хозяйства страны, повышение энерговооруженности труда.

Решение этих задач непосредственно связано с совершенствованием электрооборудования промышленных установок, со степенью автоматизации технологических линий и участков производства, с качеством обслуживания, от которого зависят бесперебойность и ритмичная работа предприятия.

Политика нашей страны направлена на то, чтобы совершенствовать систему образования с учётом потребностей ускорения социально-экономического развития, требований выдвигаемых прогрессом науки и техники.

Чтобы обслуживать электрооборудование, соответствующее современному уровню развития науки и техники, электромонтёр должен обладать знаниями по устройству электрических двигателей, аппаратов защиты и управления, иметь представление об особенностях работы полупроводниковой техники и устройств автоматики, уметь разбираться в системах электрооборудования технологических установок и устройств и т.д. Цель выпускной квалификационной работы - овладеть необходимым комплексом знаний в области электромагнитных реле.

1. Электрические реле

Электрические реле - устройства для автоматической коммутации электрических цепей по сигналу извне. Любое релейное устройство, как и реле для коммутации электрических цепей, состоит из релейного элемента (с двумя состояниями устойчивого равновесия) и группы электрических контактов, которые замыкаются (или размыкаются) при изменении состояния релейного элемента.

Реле широко применяются в устройствах автоматического управления, контроля, сигнализации, защиты, коммутации и т.д. Наиболее распространены коммутационные реле, реле давления, перемещения, расхода, реле времени, защитные реле.

Реле состоит обычно из трёх функциональных органов: чувствительного, воспринимающую входную величину и преобразовывая её в электрическую; сравнения преобразованной величины с эталоном, который при движении заданного значения передаёт воздействие на исполнительный орган; исполнительного, который воздействует на управляемую электрическую цепь.

По характеру воздействующей величины реле делятся на электрические (реагирующие на электрический ток или напряжение), тепловые (реагирующие на температуру), механические (реагирующие на давление или перемещение), оптические (реагирующие на силу света), акустические (реагирующие на силу звука).

По принципу действия исполнительного органа реле делят на контактные и бесконтактные.

Контактные реле воздействуют на управляемую электрическую цепь с помощью замыкания и размыкания контактов.

Бесконтактные реле осуществляют управление путем резкого изменения значения параметра исполнительного органа, включенного в управляемую электрическую цепь (изменение резистивного, индуктивного сопротивления).

По принципу действия исполнительного органа контактные реле разделяются на электромагнитные, поляризованные и индукционные. К бесконтактным реле относятся магнитные реле, полупроводниковые и др.

По характеру входных параметров реле могут реагировать на максимальное или минимальное значение воздействующих величин, на разность величин, на значение и направление и т.п.

2. Реле управления в электрических цепях

С помощью реле осуществляется управление в электрических цепях, мощность которых значительно превышает мощность управления реле. Это свойство реле характеризуется коэффициентом управления по мощности ку =Ру/Рср, где Ру - мощность в управляемой цепи, Рср - мощность, которую необходимо подвести к реле для приведения в действие исполнительного органа.

Быстродействие реле характеризуется временем срабатывания tср это интервал времени с момента подачи управляющего сигнала до полного срабатывания исполнительного органа (замыкания или размыкания цепи).

В таблице 2.1 даны ку, tср некоторых типов реле.

Таблица 2.1 - Типы реле


Максимальное значение мощности Рср ограничивается в контактных реле дугой и нагревом при размыкании и замыкании контактов используют шунтирование RC-цепью, через которую ток проходит только в переходном (в момент замыкания и особенно при размыкании контактов).

Рисунок 2.2. - Схема RC- цепью

Основным требованием к реле является надежность их работы. Надежность контактных реле в значительной степени зависит от работы контактов, бесконтактных реле - от работы электронных приборов.

Бесконтактные реле работают более надежно, чем контактные. Но контактные реле можно эксплуатировать при значительных колебаниях температуры (-80º С - +250ºС), они не чувствительны к радиационным воздействиям, обеспечивают полный разрыв управляемой электрической цепи.

3. Электромагнитные реле

Реле - это элемент автоматического устройства, который при воздействии на его вход внешних физических явлений скачкообразно принимает значение выходной величины. Этих значений, чаще всего у выходной величины бывает два: например, в электромагнитном реле два устойчивых состояния контактов - замкнутое и разомкнутое.

Электромагнитное реле реагирует на изменение каких-либо определенных параметров замыканием или размыканием своих контактов. Контакты реле включаются в цепь, которая осуществляет контроль или управление аппаратами, включенными в силовую цепь, для коммутации, например: осуществляет управление контакторами и др.

Реле могут работать под воздействием самых различных факторов: электрического тока, световой энергии, давления жидкости или газа, уровня жидкости и т. п.

По способу присоединения различают первичные, вторичные и промежуточные реле.

Первичные реле включаются непосредственно в цепь управления.

Вторичные реле включаются через измерительные трансформаторы тока или напряжения.

Промежуточные реле работают от исполнительных органов других реле и предназначаются для усиления и размножения сигнала, т. е. распределения воздействия на несколько цепей.

Основными параметрами реле являются:

номинальные данные - ток, напряжение, время и другие величины, на которые рассчитаны реле.

величина срабатывания - это значение параметра (ток, напряжение, время и пр.), при котором происходит автоматическое действие реле; реле реагирует на тот параметр, на который оно было изготовлено.

уставка реле - значение величины срабатывания, на которую отрегулировано данное реле (реле, имеет некоторое количество уставок, фиксирующих величину срабатывания в определенных пределах).

Электромагнитные реле характеризуются следующими основными параметрами:

         напряжением (током) втягивания, т. е. наименьшим значением напряжения (или тока) на зажимах катушки реле, при котором якорь втягивается;

         напряжением (током) отпадения - наибольшим значением напряжения (или тока) на зажимах катушки реле, при котором происходит отпадение якоря;

         коэффициентом возврата реле - отношением напряжения (тока) отпадения к напряжению (току) втягивания.

Электромагнитные реле по времени срабатывания (tср) бывают: безынерционные (tср < 0,001 сек); быстродействующее (tcр < 0,05 сек), нормальные (tср = 0,05 +- 0,15 сек); замедленные (tср = 0,15 +- 1 сек) и реле времени, у которых время срабатыва­ния tср > 1 сек, причем его можно регулировать.

Реле состоит обычно из трех органов:

воспринимающего

промежуточного

исполнительного

Воспринимающий (чувствительный орган) реагирует на входной параметр и преобразует его в физическую величину, необходимую для работы реле; чувствительным органом является, например, катушка реле.

Промежуточный орган сравнивает преобразованную величину с эталоном и по достижении заданного значения передает воздействие воспринимающего органа исполнительному. Промежуточными органами контактных реле являются противодействующие пружины и успокоители. Успокоители применяются для успокоения колебаний подвижных частей, а в реле времени - для получения заданной выдержки времени.

Исполнительный орган воздействует на управляемую цепь; исполнительными органами контактных реле являются контакты.

Рисунок 3.1 - Электромагнитное реле: а-внешний вид; б-схема устройства

Рассмотрю устройство электрического реле, работающего по электромагнитному принципу (рис.3.1). Реле состоит из следующих основных частей: якоря 3, являющегося подвижной частью; сердечника 2, который является неподвижной частью катушки; реле l, насаженной на сердечник магнитопровода; замыкающих контактов 6, размыкающих контактов 5 и пружины 7; при включении катушки якорь реле притягивается, а соединенный с ним шток 4 с металлическими мостиками замыкает или размыкает соответствующие контакты.

4. Поляризованное реле

Поляризованное реле представляет собой электромагнитное реле, у которого направление перемещения якоря зависит от направления намагничивающего тока. В отличие, от обычного электромагнитного реле поляризованное имеет два направления перемещения якоря; оно дополнительно снабжено постоянными магнитами.

Рисунок 4.1 - Схема устройства поляризованного реле

Принципиальная схема конструкции поляризованного реле представлена на рис.4.1 Основными деталями являются: намагничивающая катушка 4, создающая в стальном сердечнике 5 магнитный поток Фэ, и постоянный магнит 3, образующий магнитный поток Фп. Магнитный поток Фэ проходит через стальной подвижный якорь 2 и разветвляется на два потока Фэ : один из которых совпадает, а другой противоположен по направлению магнитному потоку постоянного магнита. На конце якоря имеется средний контакт, замыкающийся, в зависимости от полярности  управляющего сигнала в намагничивающихся катушках, с левым или правым неподвижными контактами 1.

При отсутствии управляющего сигнала и, следовательно, потока Фэ, на якорь, установленный в нейтральное положение, действуют слева и справа одинаковые силы притяжения.

Если подать в обмотку реле управляющий сигнал в направлении, показанном на рисунке, то в правом стержне магнита потоки и Фп будут складываться, так как они будут совпадать, а результирующий поток возрастет, и общий поток в правом стержне окажется больше магнитного потока в левом стержне. В результате якорь реле притянется вправо и замкнет правый контакт. Если изменить полярность сигнала, то якорь реле перебросится на левый контакт.

Поляризованные реле находят широкое применение в схемах автоматики благодаря своим характерным особенностям. Наличие нескольких обмоток позволяет использовать их в качестве логических элементов, небольшая мощность срабатывания - в качестве элементов контроля небольших электрических сигналов, малое время срабатывания и чувствительность к полярности входных сигналов - в качестве амплитудных модуляторов и демодуляторов.

Поляризованные реле могут применяться для работы только на постоянном токе. При подаче переменного тока якорь реле будет попеременно притягиваться то к правому, то к левому полюсу электромагнита, т. е. вибрировать с частотой приложенного напряжения.

4.1 Герметический контакт

В системах электроавтоматики применяют электромагнитные реле с магнитоуправляемыми контактами - герконы. Устройство и принцип действия геркона показаны на рис.4.1.1 В откачанный стеклянный баллон 4 введен инертный газ и впаяны контакты 1 из феромагнитного материала. Вокруг этого баллона расположена обмотка управления постоянного тока 2. При включении реле по этой обмотке проходит ток, образуется магнитное поле 3, которое намагничивает контакты 1, в результате чего они притягиваются друг к другу и замыкают цепь управления.

Герконы отличаються малыми габаритами, незначительной массой, высокой надёжностью и виброустойчивостью. При использовании герконов существенно снижается зависимоть параметров работы комутационной апаратуры от внешней среды, улучшаются массогаборитные показатели системы управления.

Рисунок 4.1.1 - Устройство и принцип действия геркона

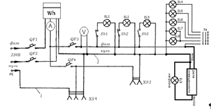
5. Краткое описание схемы практической реальной части

Питание в частном доме, как правило, приходит по воздушной линии 0.4 кВ. С опоры воздушной линии на внутренний электрощит приходит фазный провод L и совмещенный нулевой защитный и рабочий PEN (однофазное питание).

С внутреннего электрощита начинается электроснабжение дома. Для того чтобы электроснабжение было более надежным, потребителей я разбил на группы:

освещение;

розеточная группа;

Во внутреннем электрощите для каждой группы потребителей установил отдельные автоматы.

Рисунок 5.1 - Схема подключения и распределения электропроводки при однофазном питании

6. Охрана труда

Охрана труда - система обеспечения безопасности жизни и здоровья работников в процессе трудовой деятельности, включающая правовые, социально-экономические, организационные, технические, психофизиологические, санитарно-гигиенические, лечебно-профилактические, реабилитационные и иные мероприятия и средства.

Проблемами, связанными с обеспечением здоровых и безопасных условий труда, занимается охрана труда. Охрана труда выявляет и изучает возможные причины производственных несчастных случаев, профессиональных заболеваний, аварий, взрывов, пожаров и разрабатывает систему мероприятий и требований с целью устранения этих причин и создания, безопасных и благоприятных для человека условий труда. При этом наряду с огромным социальным эффектом достигается и определенный экономический эффект.

В соответствии с ГОСТ 12.0.002-80 «ССБТ. Термины и определения» охрана труда - это система правовых, социально-экономических, организационных, технических, санитарно-гигиенических и лечебно-профилактических мероприятий и средств, обеспечивающих безопасность, сохранение здоровья и работоспособность человека в процессе труда. К ним относятся:

         техника безопасности - система организационных и технических мероприятий и средств, предотвращающих воздействие на работающих опасных производственных факторов;

         производственная санитария - система организационных, гигиенических и санитарно-технических мероприятий и средств, предотвращающих воздействие на работающих вредных производственных факторов;

         пожарная безопасность - состояние объекта, при котором исключается возможность пожара, а в случае его возникновения предотвращается воздействие на людей опасных факторов и обеспечивается защита материальных ценностей.

Вышеназванные производственные факторы приводят к несчастным случаям, ухудшению здоровья, заболеваниям рабочих.

Основным методом охраны труда является использование техники безопасности. При этом решаются две основные задачи: создание машин и инструментов, при работе, с которыми исключена опасность для человека, и разработка специальных средств защиты, охраняющих человека в процессе труда. А также проводится обучение работающих безопасным приемам труда и использования средств защиты, создаются условия для безопасной работы.

Заключение

Таким образом, подводя итог всему вышесказанному, необходимо сделать ряд следующих выводов:

− в работе дана классификация электромагнитных реле;

− подробно описаны физические основы функционирования реле;

− приведены основные параметры реле;

− отражены основные аспекты охраны труда и техники безопасности.

Работа показывает, что классические электромагнитные реле еще долгое время будут основными средствами коммутации электрических цепей на средние и большие токи, а другие виды реле будут занимать определённую нишу в области специализированного применения. Считаю, что цель в изучении данного материала выполнена полностью.

Список использованных источников

.Галыгин А.Ф., Ильяшенка Л.А. Устройство и обслуживание электрооборудования промышленных предприятий. -М.: Высшая школа, 2012

.Корнилов Ю.В., Крюков В.И. Обслуживание и ремонт промышленных предприятий. -М.: Высшая школа, 2013

.Павлович С.Н., Фираго Б.И. Ремонт и обслуживание электрооборудования. - Ростов-на -Дону: Феникс, 2012

Приложение

Рис. Электрическая схема - Домашняя электропроводка; QF, QF1, QF2, QF3 - выключатели автоматические; SB1- SB3 - выключатели; SA - выключатель; EL1 - EL9 - лампочки; Wh - электросчетчик; А - амперметр; V - вольтметр; XS1 - розетка штепсельная с заземляющим контактом; XS2 - розетка штепсельная; 1 - нулевой защитный провод; 2 - нулевой рабочий провод.

Похожие работы на - Анализ электромагнитных реле

 

Не нашли материал для своей работы?
Поможем написать уникальную работу
Без плагиата!
Без нейросетей!