|
№ п/п
|
Різновиди навантаження,
характеристика елементів
|
Характеристична Н/м² (кН/м²)
|
 Розрахункове Н/м² (кН/м²)
|
|
|
|
1
|
Постійне:
|
|
1.1
|
Асфальтобетон  ρ=2200 кг/м³0,441,20,950,528
|
|
|
|
|
|
1.2
|
Легкий бетон
 ,
ρ=600 кг/м³0,441,20,950,432
|
|
|
|
|
|
1.3
|
Залізобетонна плита hf=8, ρ=2500n кг/м³
|
0,36
|
1,2
|
0,95
|
3,96
|
|
1.4
|
Перегородки, ρ=100 кг/м²
|
3,3
|
0,95
|
1,2
|
|
Підсумок:
|
|
|
2
|
Тимчасове:
|
|
|
|
|
|
2.1
|
Корисне навантаження
|
Vоп=10,5
|
1,2
|
0,95
|
|
|
Підсумок:
|
Vо=12,7
|
2.2 Розрахункова схема зусилля
Перевіряємо
співвідношення прольотів плити
, отже. Плита буде
практично знаходитись в одноосному напруженому стані, працюватиме лише в
напрямку коротких прольотів і буде відноситись до типу балкових плит.
Розрахункова
модель такої балкової плити приймається у вигляді смужки шириною в=1 м.
Розрахункову смужку плити представляємо як багатопро-літну нерозрізну балку з
погонним рівномірно розподіленим навантаженням. Визначаємо погонне розрахункове
навантаження на смужку плити шириною
з урахуванням
навантаження на
.
Постійне:
Тимчасове:
q=(go+Vo)∙bгр=(3.041+1.719)∙1=4.760
(кН/м)
Розрахункові
прольоти плити визначаємо за формулами:
Перший проліт:
Другий проліт:
Визначаємо
згинальні моменти.
Максимальні
величини згинаючих моментів у смужці плити визначаємо з урахуванням
перерозподілу внаслідок пластичних деформацій, а також склепового ефекту за
формулами:
В першому
прольоті:
На другій опорі
«В»:
В другому
прольоті:
На третій опорі
«С»:
Коректуємо
товщину плити.
Приймаємо важкий
бетон марки В15, який має такі характеристики:
- коефіцієнт умов
роботи бетону
- розрахункова призмова
міцність
- розрахункова міцність
на розтяг
Визначаємо клас
потрібної арматури:
Арматура для
плити: дріт діаметром 4 мм Вр1,
- розрахунковий опір
при розтягуванні
-
висота стиснутої зони з відповідним коефіцієнтом
2.3 Розрахунок подовжньої арматури
Переріз у другому
прольоті.
. Блок початкових
даних:
, в=1 м,
,
для
дроту 4Вр1.
Відносна гранична
висота стиснутої зони бетону в плитах при умові виникнення й розвитку
пластичних шарнірів за методом граничного стану
.
. Коефіцієнт
вираховування висоти стиснутої зони:
. Відносна висота
стиснутої зони бетону - з готових таблиць, або за формулою:
. Перевіряємо
умови виконання обмеження відносної висоти стиснутої зони:
Умова
виконується.
. Потрібна площа
перерізу робочої розтягнутої арматури за умовою рівноваги (для смужки плити
шириною 1 м):
Приймаємо: 6
діаметрів 7 Вр1, і 6 діаметрів 4 Вр1
,31+0,76=3,07
2.4 Переріз у першому прольоті
. Блок початкових
даних:
, в=1 м,
Rb=10,5 МПа,
,
для
дроту 4Вр1.
. Коефіцієнт
вираховування висоти стиснутої зони:
. Відносна висота
стиснутої зони бетону - з готових таблиць, або за формулою:
. Перевіряємо
умови виконання обмеження відносної висоти стиснутої зони:
Умова виконується.
. Потрібна площа
перерізу робочої розтягнутої арматури за умовою рівноваги
Приймаємо:
Приймаємо 4 діаметра 5 Вр1, і 3 діаметра 8 Вр1
3.
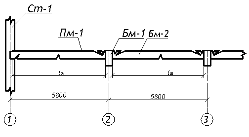
Розрахунок і конструювання другорядної балки
.1
Збір навантажень і визначення зусиль
Розрахункову
схему другорядної балки приймаємо у вигляді багато прольотної нерозрізної балки
з погонним рівномірно розподіленим навантаження.
Крок другорядних
балок
Розміри
поперечного перерізу другорядної балки
Товщина плити
Визначаємо
розрахункові прольоти головної бали:
Перший проліт:
Другий проліт:
Визначення
внутрішніх зусиль:
Максимальні
величини внутрішніх зусиль в перервах другорядної балки визначаємо за методом
граничної рівноваги - з урахуванням перерозподілу зусиль по довжині балки
внаслідок пластичних деформацій арматури та бетону.
Згинальні моменти
в першому прольоті:
На опорі «В»
в другому
прольоті
На третій опорі
«С»
Поперечні сили:
на першій опорі
«А»
на другій опорі
«В» збоку першого прольоту:
на другій опорі
«В» збоку другого прольоту
на третій опорі
«С» збоку другого прольоту:
3.2 Коректування висоти перерізу
Розміри
поперечного перерізу другорядної балки, прийняті орієнтовано в розділі
компоновки перекриття, тепер при наявності величин внутрішніх зусиль, маємо
можливість уточнити за розрахунком на міцність.
Розрахунок ведемо
по перерізу біля другої опори, де стиснута зона бетону знаходиться в нижній
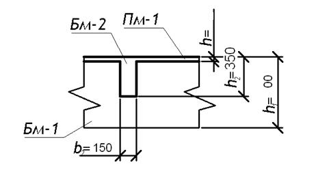
частині ребра з дуже малою шириною: b=0,15
м
Згинаючий момент
для цього перерізу
,
а відносну висоту стиснутої зони приймаємо граничну - з урахуванням умов
виникнення і розвитку пластичного шарніру:
Відповідний
коефіцієнт стиснутої зони:
Залишаємо висоту
другорядної балки h=0,58 м
3.3 Визначення
робочої арматури
Робочої
розтягнуту подовжню арматуру треба визначити у двох перерізах - у першому
прольоті над опорою «b».
1) Знаходимо
звисаючі
частини полки з кожного боку ребра
)
Приймаємо:
Розрахункова
ширина полки
3.4
Розрахунок міцності нормального перерізу
Мс
1)
) Визначаємо
положення границі зжатої зони:
Умова
виконується, ми розраховуємо балку прямокутного перерізу з шириною
.
3)
А0 = 0,041
Умова
виконується.
)
)
Умова
виконується.
)
7)
8) Приймаємо:
,
кількість 2 шт.,
,
площа 1го стержня А=3,14 см².
)
) Визначаємо
положення границі зжатої зони:
Умова
виконується, ми розраховуємо балку прямокутного перерізу з шириною
.
3)
Умова
виконується.
)
)
Умова
виконується.
)
7)
) Приймаємо: 2
діаметри 16 АIII і 2 діаметри 10 АIII
4. Розрахунок і конструювання монолітної головної балки
.1
Збір навантажень і визначення зусиль
Розрахункову
схему головної балки приймаємо у вигляді трьох пролітної нерозрізної балки з
зосередженими силами F.
Крок головних
балок 5,8 м
Розміри
поперечного перерізу ГБ
Розрахункове
погонне навантаження від власної ваги ГБ:
Розраховуємо
повне погонне розрахункове навантаження на ГБ з урахуванням другорядних балок,
навантаження на
та
власної ваги балки:
Постійне:
Тимчасове:
Розрахункові
прольоти ГБ приймаємо як l01=l=5,535 м
4.2 Розрахунок міцності перерізів, нормальних до подовжньої осі
Робочої
розтягнуту подовжню арматуру треба визначити у трьох перерізах - у першому
прольоті, у другому прольоті та над опорою «b».
Знаходимо
звисаючі
частини полки з кожного боку ребра
Розрахункова
ширина полки
4.3
Переріз у першому прольоті
Визначення
робочої арматури
Перевіряємо умову
знаходження границі стиснутої зони в межах товщини полки
=11,5*106*0,8*0,07
(0,68-0,5*0,07)=415380 Н=415 кН
Умова
виконується:

Отже, стиснута
зона знаходиться в межах товщини полки,
У цьому випадку
розрахунок таврового перерізу балки виконують так же, як прямокутного перерізу
шириною:
Визначаємо робочу
арматуру в першому прольоті.
Коефіцієнт висоти
стиснутої зони
. Відносна висота
стиснутої зони бетону - з готових таблиць, або за формулою:
. Потрібна площа
перерізу робочої розтягнутої арматури за умовою рівноваги:
Приймаємо: 7
діаметрів 20 АIII
=11,5*106*0,8*0,07
(0,68-0,5*0,07)=415380 Н=415 кН
Умова
виконується:

Отже, стиснута
зона знаходиться в межах товщини полки,
У цьому випадку
розрахунок таврового перерізу балки виконують так же, як прямокутного перерізу
шириною:
Визначаємо робочу
арматуру в першому прольоті.
Коефіцієнт висоти
стиснутої зони
. Відносна висота
стиснутої зони бетону - з готових таблиць, або за формулою:
. Потрібна площа
перерізу робочої розтягнутої арматури за умовою рівноваги:
4.4 Переріз балки на опорі «В»
В опорному перерізі
балки діє від’ємний згинаючий момент, який спричиняє розташування стиснутої
зони бетону в нижній частині ребра шириною в=0,25 м а розтягнутої у верхній
частині, де знаходиться полка. Таким чином, робочу розтягнуту повздовжню
арматуру треба розміщувати у верхній частині перерізу балки, у полці.
;
;
;
;
Перевіряємо
виконання умови обмеження відносної висоти стиснутої зони в розрахунках за
методом граничної рівноваги з урахуванням перерозподілу зусиль внаслідок
пластичних деформацій:
- умова виконується
Визначаємо
потрібну площу перерізу розтягнутої надопорної арматури:
Приймаємо: 10 діаметрів
18 АIII.
Список
літератури
1. Методичні вказівки по виконанню курсового проекту №1
навчального предмету «Залізобетонні та кам’яні конструкції» Розділ 1 «Монолітне
залізобетонне перекриття»
2. Методичні вказівки по виконанню курсового проекту №1 навчального
предмету «Залізобетонні та кам’яні конструкції» Розділ 2 «Кам’яні та
армокам’яні конструкції»
. В.Н. Байков, Е.Е.Сігалов «Залізобетонні конструкції»
Загальний курс
4. Пособие по проектированию ж/б конструкций
. СНіП 2.03.01-84* Бетонні та залізобетонні конструкції
. СНіП 2-22-81 «Кам’яні та армокам’яні конструкції»
. ДБН В.1.2-2:2006 «Навантаження і впливи»
. ГОСТ 23279-85 Сітки арматурні зварні для з/б конструкцій
та виробів
багатопрольотний плита балка перекриття