Теория эволюции

  • Вид работы:
    Контрольная работа
  • Предмет:
    Неопределено
  • Язык:
    Русский
    ,
    Формат файла:
    MS Word
    38,42 kb
  • Опубликовано:
    2008-10-14
Вы можете узнать стоимость помощи в написании студенческой работы.
Помощь в написании работы, которую точно примут!

Теория эволюции

ТИТУЛЬНЫЙ ЛИСТ

СОДЕРЖАНИЕ

1.    ВВЕДЕНИЕ                                                                                                3

2.    МЕТОДЫ И СИСТЕМЫ ДИСТАНЦИОННОГО УПРАВЛЕНИЯ.         6

3.    СИСТЕМА ДИСТАНЦИОННОГО УПРАВЛЕНИЯ ПЕРЕДАТЧИКОМ, СОПРЯЖЕННАЯ  С ШИНОЙ КОМПЬЮТЕРА IBM PC                             13

3.1.     Системная шина компьютера IBM PC.                                             13

3.2.     Схема буферизации.                                                                          17

3.3.     Дешифратор адреса.                                                                          17

3.4.     Приемо-передатчик данных.                                                              18

3.5.     Регистр команд управления.                                                              18

3.6.     Исполнительное устройство.                                                            18

3.7.     Блок электропитания.                                                                          19

3.8.     Работа системы.                                                                                 19

4.    ЭЛЕКТРИЧЕСКИЙ РАСЧЕТ ИСТОЧНИКА ЭЛЕКТРОПИТАНИЯ. 22

4.1.     Исходные данные:                                                                              22

4.2.     Расчет силовой части стабилизатора.                                             22

4.3.     Расчет выпрямителя и трансформатора.                                        32

5.    КОНСТРУКТИВНОЕ ИСПОЛНЕНИЕ УСТРОЙСТВА ДИСТАНЦИОННОГО УПРАВЛЕНИЯ.                                                                                               38

5.1.     Конструктивное исполнение исполнительного устройства (ИУ). 38

5.2.     Конструктивное оформление устройства сопряжения.                39

6.    ТЕХНИКА БЕЗОПАСНОСТИ ПРИ РАБОТЕ С КОМПЬЮТЕРОМ   42

6.1. Правила при работе скомпьтером .                                                       42

6.2. Подключение исполнительного устройства.                                45

7.    ЗАКЛЮЧЕНИЕ.                                                                                        46

8.    СПИСОК ЛИТЕРАТУРЫ                                                                        48

1.   ВВЕДЕНИЕ

Слово "компьютер" означает вычислитель, то есть устройство для вычислений. Потребность в автоматизации обработки данных, в том числе вычислений, возникла очень давно. В 1642г. Б. Паскаль изобрел устройство, механически выполняющее сложение чисел, а  в 1763 Г. Лейбниц сконструировал арифмометр, позволяющий механически выполнять четыре арифметических операции. Начиная с 19-го века, арифмометры получили очень широкое применение. Существовала и специальная профессия счетчик-человек, работающий с арифмометром, быстро и точно соблюдающий определенную последовательность инструкций. Такую последовательность инструкций в последствии стали называть программой. Но многие расчеты производились очень медленно – даже десятки счетчиков должны были работать по несколько недель. Причина проста – человек выбирающий действия весьма ограничен в скорости.

В первой половине 19-го века математик Ч. Беббидж попытался построить универсальное вычислительное устройство – аналитическую машину, которая должна была выполнять вычисления без участия человека. Для этого она должна была уметь исполнять программы, вводимые с помощью перфокарт (карт из плотной бумаги с информацией, наносимой с помощью отверстий). и иметь склад для запоминания данных и промежуточных результатов (в современной терминологии – память). Бебидж не смог до конца довести работу по созданию Аналитической машины – она оказалась слишком сложная для техники того времени, однако он разработал все основные идеи. В 1943 американец Г. Эйкен с помощью работ Бебиджа  на основании техники 20-го века – электромеханических реле – смог построить на предприятии фирмы IBM такую машину под названием «МАРК-1».

К тому времени потребность в автоматизации вычислений (в том числе для военных нужд – баллистики, криптографии и т.д.) стала настолько велика, что над созданием машин типа построенных Эйкеном одновременно работало несколько групп исследователей. Начиная с 1943 г. Группа специалистов под руководством Джона Мочли в США начала конструировать машину уже на основе электронных ламп, а не реле. Их машина названная ENIAC, работа в 1000 раз быстрее чем МАРК-1, однако для задания ее программы приходилось в течение нескольких часов или даже дней  подсоединять нужным образом провода. Специалисты начали конструировать машину, которая могла бы хранить программу в своей памяти.

Компьютеры 40-х и 50-х годов были очень большими устройствами, – огромные залы были заставлены шкафами с электронным оборудованием. Все это стоило очень дорого, поэтому компьютеры были доступны только крупным фирмам. Первый шаг к уменьшению размеров компьютеров был сделан  с изобретением в 1948 г. транзисторов, которые смогли заменить в компьютерах лампы. И уже во второй половине 50-х годов появились машины на основе транзисторов. Единственное место где транзисторы  не смогли заменить лампы- это блоки памяти, но там вместо ламп стали использовать схемы памяти на магнитных сердечниках. В 1965 г. Фирме Digital Equipment  удалось выпустить мини-компьютер размером с холодильник и стоимостью 20.000$.

Следующий шаг в миниатюризации компьютеров- изобретение интегральных микросхем или чипов. Затем прогресс компьютеров стал очень стремительным. Вот основные вехи в эволюции современных компьютеров:

1978г.- Intel процессор 8086

1979г.- Intel процессор 8088

1981г.- IBM PC с процессором 8088

1984г.- IBM PC AT с процессором 80286

1985г.- Microsoft Windows

1988г.- Intel 80386SX

1989г.- Intel 486DX

1990г.- PC с процессором 486DX/25

1992г.- Intel 486DX2

1993г.- Intel Pentium

1995г.- Intel Pentium Pro

1998г.- процессор Pentium с тактовой частотой 600 Мгц

Стремительные темпы компьютеризации всех сторон человеческой деятельности привели к тому, что сегодня компьютеры, и, прежде всего персональные ЭВМ, стали непременным атрибутом самых различных технических комплексов. Это касается и современных систем управления и сбора данных, контрольно-измерительного и лабораторного оборудования, т.е. любых комплексов, основной задачей которых является обработка и интерпретация информации, поступающей из «внешнего мира».

Сегодня практически все системы такого рода, за исключением сугубо специализированных систем, построенных на основе специализированных процессоров, оснащены персональными компьютерами на процессорах ведущих мировых производителей, в том числе и Intel. В результате,  перед разработчиками и пользователями любой подобной системы встает задача адекватной стыковки устройств, которые воспринимают информацию из внешнего мира (датчиков различного типа), с персональным компьютером, являющимся центральным узлом такой системы. Компьютер выполняет задачи координации работы системы, обработки поступающей информации и выдачи ее пользователю в наиболее удобной для него форме.

2.   МЕТОДЫ И СИСТЕМЫ ДИСТАНЦИОННОГО УПРАВЛЕНИЯ.

Внедрение электронных средств регулировки параметров, характеристик и режимов передатчика позволяет осуществлять управление передатчиком на расстоянии. Такое управление, называемое дистанционным, широко используется в профессиональных передатчиках.

Дистанционное управление радиовещательным передатчиком, находящимся в соседнем помещении или в этом же, но на расстоянии в несколько десятков метров, создает для обслуживающего персонала повышенные удобства. Не подходя к передатчику, оператор имеет возможность включить и выключить передатчик, настроить его на нужную частоту, переключить источник сигнала, и т.д.

В радиовещательных передатчиках для дистанционного управления используются ультразвуковые, инфракрасные колебания или управление с помощью линий связи.

Структурная схема дистанционного управления с использованием источника инфракрасного колебания


Рис. 1.  

Структурная схема дистанционного управления с использованием источника инфракрасного излучения показана на рис.1, Необходимая для управления передатчиком информация набирается оператором на пульте управления ПУ, сигналы управления с его выхода после преобразования связи устройством кодирования УК подаются на фотодиод ФД (излучатель), излучающий инфракрасные импульсы в направлении фототранзистора ФТ, находящегося на управляемом передатчике. Принятые фототранзистором импульсы усиливаются и декодируются в устройстве декодирования УД, с выхода которого сигналы управления поступают на соответствующие цепи регулировок передатчика. В передатчике с микропроцессорным управлением пульт может частично или полностью дублировать панель управления передатчика. Инфракрасные колебания хорошо поглощаются стенами помещения и расположенной в нем мебелью, при этом практически не создаются мешающие воздействия устройствам, находящимся в других помещениях.

Системы ДУ на ультразвуковых колебаниях действуют по такому же принципу.

Дистанционное управление передатчиком с помощью линий связи. управления рассмотрим на примере управления передатчиком декаметрового диапазона. В таких РПДУ контроль и управление его работой производится из диспетчерского пункта (ДП), находящегося от передатчика на некотором расстоянии, что повышает оперативность радиосвязи за счет управления передатчиком с помощью ЭВМ по заранее заданной программе, а при работе передатчика на необслуживаемых радиостанциях сокращает обслуживающий персонал.

Радиопередатчик, находящийся на значительном расстоянии (например, много километров) от оператора или ЭВМ, управляется путем односторонней либо двусторонней передачи информации.

В первом случае передаются только команды телеуправления (ТУ); во втором для контроля за работой передатчика организуется обратный канал связи для передачи информации телесигнализации (ТС).

При дистанционном управлении для каждого органа управления РПДУ предусматривается либо отдельная линия связи, либо число линий связи меньше числа объектов управления. В первом случае сигналы передаются с помощью параллельного кода, во втором случае происходит уплотнение канала связи, и сигналы передаются с помощью последовательных кодов.

Структурная схема систем телеуправления и телеконтроля

Рис. 2.  

Система телеуправления и телеконтроля РПДУ состоит из устройств, устанавливаемых на диспетчерском пункте, канала связи и устройств, устанавливаемых на РПДУ (рис. 2). В блоке вывода на ДП передаваемая информация преобразуется (кодируется и модулируется) в форму, пригодную для передачи по линии связи к управляемому РПДУ, содержащему в блоке ввода обратные преобразователи, декодирующие и демодулирующие устройства. Блок ввода передает информацию от ДП передатчику, а также вызывает срабатывание визуальных или слуховых индикаторов на передней панели передатчика; блок вывода снимает информацию с РПДУ для передачи на ДП.

Если необходимо осуществлять управление большим числом передатчиков, для повышения эффективности канала связи используют общий канал для передачи сообщений всем РПДУ, т.е. осуществляют уплотнение одного канала связи вторичными каналами. В основном применяются системы с кодовым разделением каналов, в которых в каждом вторичном канале, по которому производится управление конкретным передатчиком, передается специальная кодовая комбинация. На приемной стороне сигналы с линии связи от ДП параллельно подаются на дешифраторы передатчиков. Если кодовая комбинация после дешифровки соответствует комбинации, присвоенной данному РПУД (его адресу), то сигналы ТУ воздействуют на этот передатчик. При этом либо сам адресный код несет в себе команду ТУ для передатчика, либо адрес и команды ТУ передаются поочередно. Кодовая комбинация, передаваемая по линии связи от ДП, может содержать: адрес РПДУ, на который должна быть передана информация; определяющий вид сообщения; текст сообщения. В текст сообщения может входить многопозиционная команда ТУ в двоичном или двоично-десятичном коде, характер двухпозиционной команды, группа двухпозиционных сигналов ТС и т.д. К двухпозиционным относятся команды «включить – выключить», «увеличить – уменьшить» и т. д. Адрес и текст могут иметь различное число элементов в пределах длины кодовой комбинации. Обычно число импульсов в сообщении и их длительность бывают заданными, поэтому передатчик может отключаться как в паузах между сигналами, так и во время импульсов начала сообщения, что повышает помехозащищенность системы. Команды ТУ могут передаваться и с двойным подтверждением.

 Сначала с ДП в РПДУ посылается адрес и текст подготовленной команды. После декодирования и запоминания адреса это же сообщение поступает обратно на ДП, где происходит его сравнение с ранее переданным. При совпадении переданного и принятого сообщений с ДП передается на РПДУ разрешение на исполнение команды, после получения, которого на ДП поступает соответствующее подтверждение. Телеуправление может быть построено так, что сначала выбирается группа РПДУ, затем подгруппа и т. д. Таким образом, выбор для управления требуемого РПДУ осуществляется в несколько этапов, с применением одинаковых или различных кодов. Скорость передачи информации ТУ составляет 50—2400 бит/с. Аппаратура ТУ строится по принципу модульно-блочной конструкции на ИС. Для передачи информации ТУ могут быть использованы стандартные телефонные каналы проводной или радиорелейной линии.

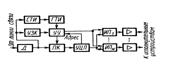
Рассмотрим упрощенные структурные схемы блоков вывода и ввода информации с временным кодовым разделением сигналов для передачи по линии связи сигналов ТУ и ТС.

Структурная схема блока вывода.

Рис. 3.  

Структурная схема блока вывода, который может быть установлен как в ДП для передачи сигналов ТУ, так и на приемном пункте для передачи сигналов ТС, показана на рис. 3. Сигналы ТУ (ТС) в виде кодовых комбинаций, имеющих адреса и тексты, подаются через распределительное устройство РУ на преобразователь кода ПК. Это преобразование обусловлено тем, что сигналы ТУ подаются с клавиатуры на РУ в параллельном коде, а передавать сигналы управления по одной линии связи к приемному пункту необходимо в последовательном коде. В формирователе кодовых сигналов ФКС для повышения помехоустойчивости в кодовую комбинацию добавляются синхронизирующие и контрольные импульсы используемого кода. Импульсы кода преобразуются в модуляторе М для передачи по линии связи к РПДУ. Алгоритм работы узлов блока вывода задается устройством управления УУ, тактовые импульсы вырабатываются генератором ГТИ.

Структурная схема блока ввода.

Рис. 4.  


Структурная схема блока ввода представлена на рис. 4. Сигнал с линии связи подается на демодулятор Д, с выхода которого последовательность импульсов преобразуется в преобразователе кода ПК в параллельные кодовые комбинации. Эти кодовые комбинации записываются в устройстве центральной памяти УЦП. Адресная часть этих кодовых комбинаций подается на устройство управления УУ, а тексты с выхода УЦП— в устройства индивидуальной памяти ИП1ИПn каждого управляемого канала. Запись в устройства памяти ИП1ИПn проводится по соответствующему сигналу от УУ. В соответствии с выбранным кодом устройство защиты кодов УЗК вырабатывает сигнал запрета или разрешения на прием неискаженных кодовых комбинаций. Синхронизация генератора тактовых импульсов ГТИ осуществляется от селектора тактовых импульсов СТИ.

Рассмотренные методы и способы дистанционного управления и контроля имеют ряд существенных недостатков:

1) При дистанционном управлении с помощью ИК лучей невозможно осуществлять управление РПДУ, находящегося в другом помещении, а ведь передатчики именного из-за своего вредного ВЧ излучения переносятся в более отдаленные помещения.

2) Устройства дистанционного управления и контроля достаточно громоздки, обладают ограниченным набором функций и команд, трудно поддаются модернизации. Из-за сложности конструкции обладают низкой ненадежностью и ремонтопригодностью.

Эти недостатки устраняются в компьютерных системах дистанционного управления и контроля. Такие системы имеют следующие преимущества: малые габариты и высокая надежность, программное управление, стандартная шина управления, возможность наращивания и модернизации, а также простота обслуживания.

3.   СИСТЕМА ДИСТАНЦИОННОГО УПРАВЛЕНИЯ ПЕРЕДАТЧИКОМ, СОПРЯЖЕННАЯ  С ШИНОЙ КОМПЬЮТЕРА IBM PC

В данной дипломной работе разработана компьютерная система дистанционного управления УКВ ЧМ радиовещательным передатчиком типа HF-1000. Данный способ позволяет использовать компьютер IBM PC АТ в качестве устройства, вырабатывающего команды управления. Система состоит из двух модулей: платы сопряжения и исполнительного устройства (см. рис.). Плата сопряжения вставляется в стандартный слот расширения системной шины компьютера IBM PC AT и управляется программным способом. Исполнительное устройство смонтировано в отдельном корпусе с автономным источником питания и соединяется с платой сопряжения с помощью 8-жильного кабеля через оптоэлектронную развязку. Команды управления поступают на передатчик по кабелю длиной до 300 м.

А0—А19. Это 20 выводов адресов памяти и устройств ВВ. А0 – младший значащий разряд (МЗР), А19 – старший (СЗР). Сигналы для этих линий формируются либо процессором , либо контроллером прямого доступа к памяти.

D0—D7. Эти восемь выводов образуют двустороннюю шину данных. D0 – младший разряд, D7 – старший. Во время цикла записи микропроцессор выдает информацию на шину данных по сигналу записи в порт ВВ (IOW) или в память (MEMW), которые тактируют подачу данных  в порт ввода-вывода или в память. Во время цикла чтения с шины порт ввода-вывода или память должны направлять информацию на шину данных по сигналу чтения с порта ВВ (IOR) или чтения из памяти (MEMR), которые служат для занесения данных в буфер микропроцессора.

MEMR, MEMW, IOR, IOW. Эти сигналы с активным низким уровнем управляют операциями чтения и записи. Они могут выдаваться процессором или контроллером ПДП.

ALE (разрешение регистра адреса). На системной шине PC сигнал ALE указывает на начало шинного цикла, который инициируется процессором. Когда этот сигнал выставлен, по системной шине данных не будет передаваться адресная информация.

AEN (разрешение адреса). Этот сигнал выдается контроллером ПДП и указывает, что идет выполнение цикла прямого доступа к памяти. Обычно он служит для блокировки логики декодирования порта ВВ во время цикла прямого доступа к памяти. Это необходимо для того, чтобы адрес прямого доступа к памяти не был случайно использован в качестве адреса ВВ. Такая ситуация в принципе может возникнуть, поскольку управляющие линии IOR и IOW могут переходить в активное состояние во время цикла ПДП.

OSC (сигналы задающего генератора), CLOCK. OSC – высоко- частотный системный синхросигнал с периодом повторения 70 нс (частота 14,31818 МГц) и коэффициентом заполнения 0,5. Частота сигнала CLOCK равна одной трети частоты задающего генератора (4,77 МГц). Она является рабочей частотой микропроцессора Intel .

IRQ2—IRQ7 (запросы на прерывание). Устройства ввода-вывода используют шесть линий ввода для генерирования запросов на прерывание, направляемых процессору. Этим запросам присваиваются определенные приоритеты (IRQ2 задает высший приоритет, а IRQ7 – низший). Запрос на прерывание генерируется путем выдачи высокого логического уровня на линию IRQ и поддержания его до тех пор, пока прием этого сигнала не будет подтвержден процессором. Поскольку сигнал подтверждения прерывания (INTA), выдаваемый процессором, не появляется на системной шине, подтверждение обычно поступает по одной из линий порта ВВ, для чего используется команда OUT, выдаваемая подпрограммой обработки прерываний.

I/O CH RDY (готовность канала ВВ). Этот входной сигнал используется для инициирования периодов ожидания, с помощью которых увеличивается длительность шинных циклов микропроцессора при работе с «медленными» запоминающими и внешними устройствами.

I/O CH CK (проверка канала ВВ). Этот сигнал с активным низким уровнем служит для «информирования» процессора   о том, что в данных, поступивших из памяти или от устройства ВВ, содержится ошибка, обнаруженная контролем по четности.

RESET DRV (инициирование сброса). Этот сигнал служит для сброса или установки в исходное состояние системной логики либо при включении питания, либо в том случае, когда после подачи питания обнаруживается, что один из уровней напряжения питания выходит за допустимые рабочие пределы. Этот сигнал синхронизируется срезом импульса OSC.

Схема системной шины ISA

Рис. 5.  

DRQ1—DRQ3 (запрос прямого доступа к памяти). Эти входные сигналы служат для запроса доступа к асинхронным каналам, которые используются периферийными устройствами, чтобы получить возможность прямого доступа к памяти. На линии DRQ должен поддерживаться высокий уровень сигнала до тех пор, пока уровень на соответствующей линии DACK не станет низким.

DACK0—DACK3 (сигналы подтверждения запроса ПДП). Эти сигналы с активным низким уровнем используются для подтверждения приема сигналов запроса ПДП и для регенерации динамической памяти (DACKO).

Т/С (конец блока данных). По этой линии выдается импульс, когда достигается конец блока данных, передаваемых по каналу прямого доступа к памяти.

В разработанном устройстве сопряжения используются сигналы D0 – D7, A0 – A9, AEN, IOR, IOW, RESET.

3.2. Схема буферизации.

В связи с тем, что нагрузочная способность шины ограничена, необходимо подключать к ней устройства через схемы буферизации. В данном устройстве в качестве буферных элементов используются шинные формирователи КР1533АП5 (два четырехканальных формирователя с тремя состояниями на выходе с инверсным управлением). Всего для буферизации разрядов А0 - А9 адресной шины и требуемых управляющих сигналов используется две микросхемы.

3.3. Дешифратор адреса.

Схема дешифрации адреса портов ввода – вывода спроектирована с учетом возможного расширения устройства и рассчитана на адресацию 32 портов – с 300H  по 31FH.

Существует несколько способов обращения к портам:

1.   Ввод-вывод, управляемый программно.

2.   Ввод-вывод, управляемый подпрограммой обработки прерываний.

3.   Ввод-вывод, управляемый аппаратными средствами (ПДП).

В данной схеме используется программно-управляемый ввод-вывод, когда обращение к портам осуществляется по специальным командам микропроцессора IN и OUT.

При появлении на шине  одного из адресов с 300H  по 31FH и при наличии активного сигнала AEN, логические схемы декодирования генерируют импульс выбора порта. При наличии этого импульса соответствующий порт готов к приему или передаче информации.

3.4. Приемо-передатчик данных.

В качестве приемо-передатчика данных используется восьмиканальный двунаправленный формирователь с тремя состояниями на выходе КР1533АП6. Направление передачи данных определяется наличием сигналов чтения или записи на шине и работой дешифратора адреса. Если присутствует сигнал чтения, то данные из регистров выбранного дешифратором порта поступают на шину. Если присутствует сигнал записи, то данные с шины записываются в регистры выбранного дешифратором порта.

3.5. Регистр команд управления.

Регистр команд управления объединяет три порта с адресами 300Н, 301Н и 302Н. В нашей схеме регистр действует в одном направлении: процессор в виде параллельного 8 разрядного кода посылает команду управления передатчиком, которая записывается в один из портов. В качестве портов регистра используются 3 микросхемы серии КР1533ИР22 (восьмиразрядный регистр на триггерах с защелкой с тремя состояниями на выходе). Таким образом, регистр способен хранить 24-разрядное число.

3.6. Исполнительное устройство.

Команды управления передатчиком из регистра хранения подаются на исполнительное устройство через схему оптоэлектронной развязки.  Исполнительное устройство – это блок реле, который непосредственно управляет передатчиком. Каждый разряд регистра управляет отдельным реле, что позволяет подавать на передатчик до 24 команд одновременно.

3.7. Блок электропитания.

Исполнительное устройство питается от автономного источника электропитания. Источник представляет собой трансформатор, с одной первичной и двумя вторичными обмотками, двумя выпрямителями, на основе мостовых схем и двумя стабилизаторами непрерывного действия (НКСН), рассчитанными на напряжения +12 В и +5 В соответственно. Однофазная мостовая схема из всех двухполупериодных схем выпрямления обладает наилучшими технико-экономическими показателями. Данный класс устройств получил широкое распространение для питания различной радиоэлектронной аппаратуры. Это объясняется схемной простотой, высоким качеством выходного напряжения возможностью миниатюризации методами современной технологии. НКСН могут выполняться с последовательным, параллельным или комбинированным включением регулирующего элемента. В данной схеме используется последовательное включение регулирующего элемента. Стабилизированный источник питания вырабатывает два выходных напряжения +5В и +12В с малым уровнем пульсаций. Напряжение +12 В используется для питания элементов исполнительного устройства, а напряжение + 5 В – для дальнейшей модернизации и расширения системы.

3.8. Работа системы.

Работа системы происходит следующим образом. Программа задает временные интервалы запуска той или иной команды управления передатчиком и адреса портов ввода-вывода, в которые записываются эти команды. Процессор по заданной программе в определенные моменты времени обращается к порту, выставляя на линиях A0 – A9 его адрес 300Н (либо 301Н и 302Н), а на линиях D0 – D7 команду управления.

Одновременно с этим при высоком уровне на линии сигнала IOR приемопередатчик переключается на передачу данных от шины              к регистру. При этом инициируется сигнал AEN, разрешающий дешифрацию адреса, и сигнал IOW, по которому происходит запись команды в регистр хранения команд. Запись производится только в том случае, если схема дешифрации определила, что обращение происходит именно к выбранному порту и активизировала его. Таким образом, за 3 цикла обращения можно записать в регистр хранения команд 24-разрядное число. Далее сигналы с регистра поступают на оптоэлектронные ключи, которые, в зависимости от высокого или низкого уровня на входах, включают или выключают реле управления передатчиком.

Передатчик HF1000 состоит из двух блоков: возбудителя и усилителя мощности, каждый из них имеет входы для внешнего управления, которые подключаются к реле исполнительного устройства с помощью кабеля, проложенного от эфирной студии в учебном корпусе УрКСИ к аппаратной на 9 этаже здания по Мельникова - 52а. В данной системе используется пока только три сигнала:

- включение усилителя мощности;

- отключение усилителя мощности;

- блокировка несущей частоты возбудителя.

Этого достаточно для поддержания необходимых режимов работы радиостанции:

- режим «включено»;

- режим «выключено»;

- дежурный режим, когда передатчик включен и готов к немедленной трансляции передачи в эфир, но излучение несущей заблокировано.

Таким образом, настроив программу управления, можно запрограммировать расписание работы радиостанции на длительный период времени, вплоть до года.

При этом оператор всегда может вмешаться в работу программы и оперативно внести изменения, а также производить переключения в ручном режиме. Структурная схема всей системы приведена на рис. 6.

Структурная схема размещения оборудования системы ДУ
радиостанцией.

Рис. 6.  


4.   ЭЛЕКТРИЧЕСКИЙ РАСЧЕТ ИСТОЧНИКА ЭЛЕКТРОПИТАНИЯ.

4.1. Исходные данные:

1. Напряжение питающей сети U1=220 В; 2. Частота тока в сети fc=50 Гц; 3. Величины относительных отклонений напряжения сети амин=0,005 В, амакс=0,005 В; 4. Номинальное значение выходного напряжения стабилизатора Uвых=12 В; 5. Пределы регулировки выходного напряжения стабилизатора Uвых.мин=11,94 В, Uвых.макс=12,06 В; 6. Максимальный и минимальный токи нагрузки стабилизатора Iн.мин=0,95 А, Iн.макс=1,05 А; 7. Коэффициент стабилизации по входному напряжению Кст=500; 8. Внутреннее сопротивление  стабилизатора ri<=0,01 Ом; 9. Амплитуда пульсации выходного напряжения стабилизатора Uвыхm1=1мВ; 10. Пределы изменения температуры окружающей среды Qокр.мин=+400С, Qокр.макс=0 0С; 11. Температурный коэффициент стабилизатора напряжения Υ=+-5мВ/0С.

4.2. Расчет силовой части стабилизатора.

Выбираем схему стабилизатора с операционным усилителем, в качестве схемы сравнения.

4.2.1. Задаемся величиной тока, потребляемого схемой стабилизатора  Iвн=0,02 А, и определяем максимальный ток через регулирующий транзистор Iк4макс, А:

Iк4макс=Iн.макс+Iвн,                                                                                  (1)

Iк4макс=0,02+1,05=1,07 А;

4.2.2. Найдем минимальное напряжение на входе стабилизатора U01мин, В

U01мин=Uвых.макс+Uкэ4мин+U01м1,                                                          (2)

где Uвых.макс- наибольшее выходное напряжение стабилизатора;

U01м1-амплитуда пульсаций на входе стабилизатора

U01м1=(0,05-0,1)*(Uвых.макс+Uкэ4мин),      (3)

где Uкэ4мин=(1,5-2)В, для кремниевых транзисторов U01м1=0,1*(12,06+2)=1.406 В

U01мин=12,06+2+1,406=15,466 В

Определим номинальное и максимальное напряжение на входе стабилизатора: U01, U01макс , В

U01=U01мин/(1-амин)        (4)

U01=15,466/(1-0,005)=15,54 В

U01макс=U01*(1+амакс)     (5)

U01макс=15,54*(1+0,005)=15,61 В

Определяем ориентировочную величину внутреннего сопротивления выпрямителя r0, Ом:

r0=(0,05-0,15)*U01/Iнмакс,       (6)

r0=(0,05-0,15)*15,54/1,05=1,48 Ом

Определим максимальное напряжении на входе стабилизатора при минимальном токе в нагрузке U01макс.макс, В

U01макс.макс=U01макс+(Iнмакс-Iнмин)*r0         (7)

U01макс.макс=15,61+(1,05-0.95)1,48=15,758 В

Определим максимальное напряжение на переходе К-Э VT4,В:

Uкэ4макс=U01макс.макс+Uвых.мин   (8)

Uкэ4макс=15,758-11,94=3,81 В

Найдем величину максимальной мощности, рассеиваемой на регулирующем транзисторе VT4, Рк4,Вт:

Рк4=(U01макс-Uвых.мин)*Iк4макс   (9)

Рк4=(15,61-11,94)*1,07=3,92 Вт

По величинам Uкэ4макс=3,81 В, Iк4макс=1,07 А и Рк4=3,92 Вт выбираем тип регулирующего транзистора:


Справочные данные транзистора КТ-801А.

Таблица 1   

Uкэ4макс, В

Iк4макс, А

Рк4, Вт

Qпер.макс,0С

Rт,0С/Вт

80

2

5

150

20


4.2.3. Определим величину предельной мощности, которую может рассеять выбранный транзистор без радиатора Рк4макс, Вт:

Рк4макс=(Qпер.макс-Qокр.макс)/Rт,                                                         (10)

где Qпер.макс- максимальная температура коллекторного перехода, Вт;

Qокр.макс- максимальная температура окружающей среды, 0С;

Rт- тепловое сопротивление транзистора, 0С/Вт

Рк4макс=(150-40)/85=5,5 Вт

Поскольку Рк4к4макс (5<5,5-верно), то радиатор не нужен.

4.2.4. Определим максимальный и минимальный токи базы VT4 Iб4мин, Iб4макс, мА

Iб4мин=Iнмин/h21э4макс,                                                                         (11)

где h21э4макс, h21э4мин- справочные данные транзистора

Iб4мин=0,95/50=19 мА

Iб4макс=Iнмакс/h21э4мин                                                                         (12)

Iб4макс=1,05/13=80 мА

4.2.5. Найдем величину максимального тока эмиттера транзистора VT3 Iэ3макс, мА:

Iэ3макс=Iб4макс                                                                                     (13)

Iэ3макс=80 мА

Iэ3макс=Iк3макс

Uкэ3макс=Uкэ4макс                                                                                                                                     (14)

Uкэ3макс=3,81 В

4.2.6. Найдем величину максимальной мощности, рассеиваемой на транзисторе VT3, Рк3,Вт:

Рк3=Iк3макс*Uкэ3макс                                                                            (15)

Рк3=0,08*3,81= 0,305 Вт

4.2.7. По величинам Uкэ3макс=3,81 В, Iк3макс=0,08 А и Рк3=0,305 Вт выбираем тип транзистора VT3:

Выбираем транзистор КТ-603Е

Справочные данные транзистора КТ-603Е.

Таблица 2   

Uкэ3макс, В

Iк3max, А

Рк3, Вт

Qпер.макс,0С

Rт,0С/Вт

10

0,3

0,5

120

200


4.2.8. Определим величину предельной мощности, которую может рассеять выбранный транзистор без радиатора Рк3макс, Вт:

Рк3макс=(Qпер.макс-Qокр.макс)/Rт,                                                         (16)

Рк3макс=(120-40)/200=0,4 Вт

Поскольку Рк3 < Рк3макс (0,305<0,4- верно), то радиатор не нужен.

4.2.9. Определим максимальный и минимальный токи базы транзистора VT3 Iб3мин, Iб3макс, мА

Iб3мин=Iнмин/h21э4макс*h21э3макс                                                           (17)

где h21э4макс, h21э3макс- справочные данные транзистора

Iб3мин=0,95/50*200=0,095 мА

Iб3макс=Iк3макс/h21э3мин                                                                        (18)

Iб3макс=0,08/60=1,3мА

Так как ток базы транзистора VT3 меньше выходного тока операционного усилителя, то число транзисторов входящих в состав составного транзистора равно 2.

4.2.10. Рассчитаем резистор R7, Ом

R7=(U01мин-Uвых)*h21э3мин/Iн                                                                                                        (19)

R7=(15,46-12)*100/1=1500 Ом

4.2.11. Найдем мощность, рассеиваемую на резисторе РR7, мВт:

РR7= U201макс/4*R7                                                                                                                              (20)

РR7=15,542/4*1500=40 мВт

В качестве R7 выбираем ОМЛТ-0,125-1,5 кОм.

4.2.12. Рассчитаем антипаразитный конденсатор С5, мкФ:

С5>=3Tср/R7                                                                                                                                           (21)

где Tср- постоянная времени С5R7, мкC

Tср=1/2*П*2*fc                                                                               (22)

Tср=1/2*3,14*100=1,6 мкС

С5>=4,8*10-3/1500=3,2 мкФ

В качестве С5 выбираем конденсатор К50-6 3,3 мкФ.

4.2.13. Расчет схемы сравнения и усилителя постоянного тока. Определим величину опорного напряжения Uоп, В:

Uоп<=Uвых.мин – (2-3)В                                                                       (23)

Uоп<=11,94-3=8,94 В

Выбираем Uоп=8,9 В, в качестве источника опорного напряжения выбираем стабилитрон Д818Б:

Справочные данные стабилитрона Д818Б

Таблица 3   

                                                                                                                           UСТ.макс, В

UСТ.мин, В

Iст.мин, мА

Iст.макс, мА

rст, Ом

9

6,75

3

33

25

-0,02


4.2.14. Рассчитаем напряжение на выходе операционного усилителя Uвых.оу, В

Uвых.оу=Uвых. – Uоп                                                                                                                                   (24)

Uвых.оу =12-8,9=3,1 В

4.2.15. Зная ток базы составного транзистора Iб3=1мА определим ток на выходе ОУ I оу, он должен быть в (2,5-4) раза больше Iб3:

I оу=3 мА

4.2.16. Рассчитаем величину защитного резистора R8, Ом:

R8=Uвых.оу/I оу                                                                                                                                             (25)

R8=3,1/3*10-3=1033 Ом

Принимаем R8=1кОм

4.2.17. Найдем мощность рассеиваемую на резисторе РR8, мВт:

РR8=Uвых.оу*I оу                                                                                                                                          (26)

РR8=3,1*3*10-3=9,3 мВт

В качестве R8 выбираем ОМЛТ-0,125-1кОм.

4.2.18. Рассчитаем величину резистора R9  ,Ом:

R9=(Uвых. мин.-Uст.макс)/Iст.мин,                                                                                                      (27)

где Uст.макс ,Iст.мин- справочные данные стабилитрона см. таблицу 3

R9=(11,94-9)**/3*10-3=980 Ом

Принимаем R9=1кОМ

4.2.19. Найдем мощность рассеиваемую на резисторе РR9, мВт:

РR9=(Uвых. макс.-Uст.мин)2/R9                                                                                                          (28)

РR9=(12,06-6,75)2/1000=28 мВт

В качестве R9 выбираем ОМЛТ-0,125-1кОм.

4.2.20. Определим максимальный ток через стабилитрон и убедимся, что его величина не превышает предельно допустимого значения Iст10.макс, мА:

Iст10.макс=(Uвых. макс.-Uст.мин)/R9                                                                                                 (29)

Iст10.макс=(12,06-6,75)/1000=5,3 мА

Iст210макс=5,3 мА < Iст.макс=33 мА –верно

4.2.21. Зададимся током делителя Iдел=0,5 мА

4.2.22. Определим минимальный и максимальный коэффициент передачи делителя αмин и αмакс:

αмин =Uст.мин/Uвых. макс                                                                                                                       (30)

αмин =6,75/12,06=0,56

αмакс = Uст.макс/Uвых. мин                                                                                                                    (31)

αмакс =9/11,94=0,75

4.2.23. Определим суммарное сопротивление делителя Rдел, Ом:

Rдел=Uвых. мин/Iдел                                                                                                                                  (32)

Rдел=11,94/0,5*10-3=23880 Ом

4.2.24. Рассчитаем величину резистора R12  ,Ом:

R12<= αмин *Rдел                                                                                                                                   (33)

R12<=0,56*23880=13370 Ом

Принимаем R12=13кОМ

4.2.25. Найдем мощность рассеиваемую на резисторе РR12, мВт:

РR12= R12*I дел2                                                                                                                                       (34)

РR12=13000*(0,5*10-3)2=32 мВт

В качестве R12 выбираем ОМЛТ-0,125-13кОм.

4.2.26. Рассчитаем величину резистора R10  ,Ом:

R10<=(1- αмакс)*Rдел                                                                                                                         (35)

R10<=(1-0,75)*23380=5840 Ом

Принимаем R10=5600 Ом

4.2.27. Найдем мощность рассеиваемую на резисторе РR10, мВт:

РR10=R10*I дел2                                                                                                                                         (36)

РR10=5600*(0,5*10-3)2=14,2 мВт

В качестве R10 выбираем ОМЛТ-0,125-5,6 кОм.

4.2.28. Рассчитаем величину переменного резистора R11, Ом:

R11=Rдел-R10-R12                                                                                                                                 (37)

R11=23880-5600-13000=5280 Ом

4.2.29. Найдем мощность, рассеиваемую на переменном резисторе РR11, мВт:

РR11=R11*I дел2                                                                                                                                         (38)

РR11=5180*(0,5*10-3)2=2,6 мВт

В качестве R11 выбираем СП5-15-6,8 кОм

4.2.30. Расчет термокомпенсации. Определим номинальное значение температурного коэффициента стабилитрона Υст2, мВ/0С:

Υст2=10* аст2* Uст2,                                                                                                                              (39)

где аст2-справочный параметр стабилитрона;

Uст2=(Uст.макс+ Uст.мин)/2;                                                                   (40)

Uст2=(9+6,75)/2=7,87 В;

Υст2=10*(-0,02)*7,87=-1,57 мВ/0С

4.2.31. Найдем максимальный температурный коэффициент стабилизатора при отсутствии термокомпенсирующих диодов Υмакс:

Υмакс=(Uвых*(Υст2о.у..макс))/ Uст2,                                                                                         (41)

где- Υо.у..макс- максимальный температурный коэффициент операционного усилителя мкВ/0С (справочные данные);

Υмакс=(12*(-1,57+50*10-3))/7,87=2,39 мВ/0С

Полученное значение температурного коэффициента меньше заданного, поэтому нет необходимости осуществлять термокомпенсацию.

4.2.32. Рассчитаем основные параметры стабилизатора. Определим коэффициент стабилизации Кст:

Кст=,                                         (42)

где Кр- коэффициент усиления составного регулирующего транзистора по напряжению:

Кр=,                                                                                       (43)

где К4, К3-коэффициенты усиления по напряжению транзисторов VT3, VT4, определяем из таблицы 4.5 (2.с.135). К4=500, К3=800

Кр==307,7;

Коу- коэффициент усиления операционного усилителя по постоянному току Коу=15;

α- коэффициент передачи делителя

α=(αминмакс)/2                                                                               (44)

α=(0,56+0,57)/2=0,56

ά- коэффициент, учитывающий влияние входного сопротивление усилителя на коэффициент передачи делителя ά=0,005;

nпосл- число регулирующих транзисторов включенных последовательно nпосл=2;

rоу- выходное сопротивление операционного усилителя (справочный параметр) rоу=150 Ом;

Rоу- входное сопротивление операционного усилителя, Ом

4.2.33. Определим амплитуду пульсации выходного напряжения стабилизатора Uвыхm ,мВ:

Uвыхm=U01m1* Uвыхст*U01,                                                              (45)

Uвыхm=1,4*12/711*15,54=1,5 мВ

4.2.34. Определим внутренне сопротивление стабилизатора ri, Ом:

ri=-1/S4оу*ά*α*nпар,                                                                       (46)

где S4 крутизна регулирующего транзистора VT4 см. таблица 4.2 (2.с.130)

ri=-1/0,7*307*0,56*0,05*1=0,166 Ом

4.2.35. Определим номинальное и минимальное значение кпд стабилизатора ђмин, ђмакс:

ђмин=Uвых.мин/U01макс                                                                         (47)

ђмин=11,94/15,61=0,76

ђмакс=Uвых/U01                                                                                 (48)

ђмакс=12/15,45=0,77

4.2.36. Определим величину емкости С6,мкФ:

С6=0,23*h21э4/ri*2*П*f21б                                                                 (49)

С6=0,23*50/0,166*6,28*10000=1100 мкФ

Выбираем конденсатор К50-6 2000 мкФ.

4.3. Расчет выпрямителя и трансформатора.

4.3.1. Зная входные напряжения стабилизатора, максимальный и минимальные токи, потребляемые, стабилизатором и пульсации на входе стабилизатора производим расчет выпрямителя:

4.3.2. Выбираем однофазную мостовую схему выпрямления, в ней число фаз вторичных обмоток 2, m=2

4.3.3. Из таблицы 4 выбираем ориентировочные значения коэффициентов BL и DL-функции углов отсечки Q и φ:


Ориентировочные значения коэффициентов BL и DL

Таблица 4   

 

m

BL

DL

m=1

0,95-1,1

2,05-2,1

 

m=2

0,95-1,1

2,1-2,2

 

m=3

0,81-0,85

2,2-2,36

 

m=6

0,78-,0,81

2,36-2,7

 


Выбираем: BL=1, DL= 2,1

Определим максимальное выпрямленное напряжение U0макс,В:

U0макс=U01*(1+амакс),                                                                        (50)

где U0- номинальное выпрямленное напряжение, В

U0макс=15,45*(1+0,005)=15,52 В

Ориентировочно определяем параметры вентилей, см. (2.с.61)

Обратное напряжение, В

Uобр=1,41*BL*U0макс                                                                         (51)

Uобр=1,41*1*15,52=21,88 В

Средний выпрямленный ток Iпр. ср, А

Iпр. ср =0,5* I0                                                                                                                                             (52)

Iпр. ср =0,5*1,05=0,525 А

Выпрямленный ток Iпр, А

Iпр.=0,5* DL*I0                                                                                                                                          (53)

Iпр.=0,5*2,1*1,05=1,1 А

Габаритную мощность трансформатора Sтр, В*А

Sтр=0,707* DL* BL*Р0,      (54)

где Р0=I0*U01=1,05*15,45=16,22 Вт

Sтр=0,707*2,1*1*16,22=24 В*А

По вычисленным значениям Uобр , Iпр.ср выбираем диоды Д229Л

Справочные данные диодов Д229Л

Таблица 5   

Iпр. ср макс , А

Uобр макс, В

Uпр. ср , В

Iобр , мА

0,7

400

1

0,2


Определим сопротивления вентиля в прямом направлении rпр , Ом:

rпр=Uпр. ср/Iпр.ср                                                                                                                                         (55)

rпр=1/0,525=1,9 Ом

Определяем активное сопротивление трансформатора rтр, Ом:

rтр=(2-2,35)*,                                                  (56)

где J- плотность тока в обмотках трансформатора, А/мм2 ;

B- амплитуда магнитной индукции ,Т –определяются по величине габаритной мощности из графиков (см. 2.с.15)

B=1,15 Т; j=3,8, А/мм2

rтр=2*()=3,3 Ом

Определим индуктивность рассеяния обмоток трансформатора Ls,Г:

Ls=)                                                               (57)

Ls=)=0,47*10-3 Г

Определим индуктивное сопротивление фазы Хтр , Ом:

Хтр=2*3,14*50*0,47*10-3=0,15 Ом

Определяем сопротивление фазы r, Ом:

r=rтр+2*rпр         (59)

r=1,9+2*3,3= 10,4 Ом

Определяем AL и φ, где AL-расчетный параметр, зависящий от угла отсечки и угла φ- запаздывание фазы напряжения во вторичной обмотке относительно первичной:

AL=  (60)

AL==0,6

φ=       (61)

φ==0,77 0

Из рисунков 2.18-2.20 (см. 2 с.60) определим BL, DL, FL:

BL=1,33, DL=1,9, FL=4,6.

Определяем параметры трансформатора и вентилей, согласно данных таблицы 2.3 (см. 2.с.61)

Напряжение вторичной обмотки трансформатора, В

Е2=U2=BL*U0 (62)

Е2=U2=1,33*15,45=20,54 В

Ток во вторичной обмотке трансформатора, А

I2=0,707*DL*I0           (63)

I2=0,707*1,9*1,05=1,41 А

Ток в первичной обмотке трансформатора ,А

I1=0,707*DL*I0*U2/U1        (64)

I1=0,707*1,9*1,05*20,54/220=0,13 А

S2=0,707*DL* BL*P0           (65)

S2=0,707*1,33*1,9*16,22=29 В*А

S1= S2=29 В*А

Габаритную мощность трансформатора, В*А

Sтр =29 В*А

Выпрямленный ток через диоды Iпр., А

Iпр.=0,5*I0*DL (66)

Iпр.=0,5*1,05*1,9=1 А

1 А< 1,57* Iпр. ср макс =1,1 А

Обратное напряжение на диодах Uобр, В

Uобр=1,41*BL*U0 макс     (67)

Uобр=1,41*1,33*15,52=29 В< Uобр. макс.=400 В

Выбранные предварительно диоды пригодны для работы в схеме.

Посчитаем величины U2m и I0к.з. напряжение холостого хода и ток короткого замыкания:

U2m=U2/    (68)

U2m=20,54/=14,67 В

I0к.з.=m*U2*/r     (69)

I0к.з.=2*20,54*1,4/10,4=5,53 А

Строим внешнюю характеристику выпрямителя, умножая ординаты кривой рис.2.25 (см. 2.с.63) на U2m, абсциссы на I0к.з :

Внешняя характеристика выпрямителя

4.3.4. Определяем максимальное выпрямленное напряжение при максимальном напряжении сети U0x.x.макс, В:

U0x.x.макс= U2m *(1+амакс) ,                                                                 (70)

U0x.x.макс=14,67*(1+0,005)=14,74 В

4.3.5. Из графика на рисунке 2.21 см. (2.с.62) определим коэффициент H:

H=780

4.3.6. Определим величину емкости С4,мкФ:

С=H/Кп1*r,                                                                                         (71)

где Кп1-коэффициент пульсаций по первой гармонической составляющей см. (2.с.61)

С=780/0,1*10,4=750  мкФ.

4.3.7. Определим амплитуду первой гармоники выпрямленного напряжения U0m1 ,В:

U0m1 = U0*H/r*C                                                                                (72)

U0m1 =15,45*780/10,4*750=1,54 В

Конденсатор выбираем по величинам U0x.x.макс=14,74В, U0m1 =1,54В, выбираем конденсатор К50-6 1000 мкФ.

5.   КОНСТРУКТИВНОЕ ИСПОЛНЕНИЕ УСТРОЙСТВА ДИСТАНЦИОННОГО УПРАВЛЕНИЯ.

5.1. Конструктивное исполнение исполнительного устройства (ИУ).

 ИУ имеет настольное оформление. Размещено в монтажном корпусе, имеющем две панели. На передней панели устройства размещен индикатор сети и разъем DIP-8 для соединения с макетной платой, вставленной в слот компьютера. На задней панели расположены – сетевой шнур, гнездо предохранителя и десятиштырьковый разъем, для соединения с интерфейсом дистанционного управления, находящегося в передатчике. ИУ размещено на печатной плате с двусторонним монтажом. На плате размещены: источник питания, с двумя выходными напряжениями; блок реле и блок оптронов. Плата крепится к монтажному корпусу с помощью трех болтов. Оптроны на плате установлены в разъемах под микросхемы (на 6 ножек). Остальные элементы крепятся непосредственно к плате. Так как суммарная потребляемая мощность всех приборов ИУ невелика, то устройство не нуждается в принудительном охлаждении. В приборе используется керамический предохранитель 1А, что является обязательным атрибутом в любой силовой части электронного прибора. Если не предусмотреть такую возможность, то пробой конденсатора источника питания приведет к выходу из строя трансформатора.

5.2. Конструктивное оформление устройства сопряжения.

Устройство сопряжения выполнено на макетной плате, которая вставляется в стандартный слот компьютера IBM PC. Устройство управления размещается на макетной плате, которая вставляется в слот расширения PC. В качестве элементов макетной платы используем микросхемы серии КР1533. Это маломощные быстродействующие интегральные микросхемы, предназначенные для организации высокоскоростного обмена и обработки информации, временного и электрического согласования сигналов в вычислительных системах. Микросхемы серии КР1533 по сравнению с известными сериями логических ТТЛ микросхем обладают минимальным значением произведения быстродействия на рассеиваемую мощность. Зарубежный аналог- серия SN74ALSxxxx фирмы Texas Instruments (США). Микросхемы изготавливаются по усовершенствованной эпитаксиально – планарной технологии с диодами Шотки.На плате расположены цепочки гнезд, в них впаяны разъемы под микросхемы. Все соединения выполнены монтажным проводом. Такой способ изготовления обеспечивает быстрый и точный монтаж, особенно все эти преимущества ощутимы, если изготавливается всего одна или две платы, при большем количестве рациональнее использовать печатные платы. С внешней торцевой стороны платы располагается разъем DIP-8, для соединения с исполнительным устройством. Питание платы осуществляется от источника питания компьютера.

Особенности питания макетной платы. Обычно источники питания способны выдавать на платы установленные в слоты расширения 4А. Если во все слоты системной шины вставить специализированные платы, то ток потребляемый одной шиной соответственно уменьшится в n-количество раз, где n- количество плат. Поскольку у цифровых систем потребность в мощности изменяется в очень широких пределах и часто зависит от особенностей операции, выполняющейся за очень короткое время, в цепях питания следует вводить конденсаторную развязку, для удовлетворения краткосрочных потребностей в такой мощности. Благодаря этому мгновенная мощность необходимой величины не должна будет поступать непосредственно от системного источника питания. Для компенсации значительных по амплитуде низкочастотных колебаний мощности используются монолитные конденсаторы емкостью от 10 до 50 мкФ. Введение конденсаторной развязки в шину питания с напряжением +5В имеет исключительно большое значение, поскольку в стандартных конфигурациях именно от этой шины будет, потребляться наибольший ток. В случае работы на высоких частотах и при меньшей переходной мощности следует использовать керамические конденсаторы с номиналами 10-100 нФ. Эти конденсаторы обычно включаются между земляным выводом и выводом питания таких схем с большими переходными характеристиками, как ТТЛ ИС, шинные формирователи и приемопередатчики, БИС и приборы с высокой скоростью переключения.

Нагрузочная и управляющая способность системной шины. При подключении устройства к системной шине необходимо учитывать ее нагрузочную и управляющую способность. Что касается выходных сигналов шины, то шинный формирователь должен обеспечивать ток, достаточный для управления системой пользователя. В случае входных сигналов шины подключаемая к ней система пользователя должна обладать способностью, управлять системной шиной.

Как правило, нужно производить расчет нагрузки, чтобы получить ее точное значение для конкретного устройства. На практике, однако, для этого пользуются несколькими полезными эмпирическими правилами.

1. Нельзя подключать n-канальные МОП БИС непосредственно к системной шине. В типичном случае эти ИС обладают малой нагрузочной способностью и не выдерживают воздействия отрицательных выбросов, которые могут появляться на шине.

2. Не следует нагружать никакую сигнальную линию более чем двумя ТТЛ БИС.

3. Нельзя делать сигнальные линии шины на макетной плате чрезмерно длинными, так как при этом в их эквивалентную нагрузку будет вводиться избыточная емкостная составляющая, что приведет к искажению шинных сигналов и их запаздыванию. Следовательно, вблизи шинных соединителей необходимо устанавливать схемы сигнальных буферов.

6.   ТЕХНИКА БЕЗОПАСНОСТИ ПРИ РАБОТЕ С КОМПЬЮТЕРОМ

Правила при работе с компьютером. Проверка напряжения сети. Перед первым включением компьютера следует проверить, соответствует ли напряжение в сети тому, на которое рассчитан компьютер (многие компьютеры могут работать при нескольких значениях входного напряжения, например при 220 и 110 В). При необходимости надо установить переключатель напряжения на компьютере в правильное положение. Стабилизация напряжения. Во многих населенных пунктах нашей страны напряжение в сети может сильно колебаться. Для компьютера такие изменения напряжения являются нежелательными (особенно вредны резкие понижения напряжения), поэтому лучше подключать компьютеры через стабилизаторы. Наиболее надежную защиту от неприятностей, связанных с нестабильностью электропитания, осуществляют специальные устройства непрерывного питания (UPS), которые не только обеспечивают строго постоянное напряжение питания, но и дают возможность работы компьютеров при полном отключении электропитания в течение от 5 мин до нескольких часов (в зависимости от мощности устройства). За это время можно, во всяком случае, полностью завершить ведущиеся на компьютере работы, чтобы при его выключении не произошло потери информации.

Включение компьютера. Для включения компьютера необходимо: включить стабилизатор напряжения, если компьютер подключен через стабилизатор напряжения; включить монитор компьютера; включить компьютер (переключателем на корпусе компьютера).  После этого на экране компьютера появятся сообщения о ходе работы программ проверки и начальной загрузки компьютера. Когда начальная загрузка операционной системы будет закончена, появится приглашение операционной системы.

 Выключение компьютера. Для выключения компьютера надо: закрыть работающие программы, и ввести команду завершение работы. для установки головок чтения-записи на жестком диске в положение, при котором можно безопасно выключать электропитание; выключить компьютер (переключателем на корпусе компьютера), выключить монитор компьютера; выключить стабилизатор, если компьютер подключен через стабилизатор напряжения.

Системный блок компьютера желательно поставить в таком месте, чтобы он не подвергался толчкам и вибрациям. Недопустимо ставить на системный блок матричный принтер – возникающие при его работе вибрации могут повредить компьютер. Все кабели, соединяющие системный блок компьютера с другими устройствами, следует   вставлять и вынимать только при выключенном компьютере. В помещении, где стоят компьютеры, не следует курить. Раз в несколько месяцев следует открывать системный блок компьютера и удалять пылесосом накопившиеся там пыль и грязь.

Использование монитора. Важнейшее значение для эффективной работы с компьютером имеет правильное использование монитора.

Монитор – это хрупкий прибор, и если уронить его со стола, то потребуется покупать новый. Монитор надо поставить так, чтобы он стоял надежно, не на край стола.

Надо установить монитор так, чтобы на него было удобно смотреть. Повернуть монитор таким образом, чтобы вы смотрели на экран под прямым углом, а не сбоку. Лучше, чтобы вы смотрели на экран   немножко сверху вниз, так что экран должен быть слегка наклонен – нижний его край, должен быть ближе к вам.

Надо правильно задать регулировки изображения. На экран монитора вы, может быть, будете смотреть много часов подряд, и если   он неправильно отрегулирован, вы испортите глаза.

Монитор всегда быстро загрязняется пылью. Надо регулярно стирать эту пыль с экрана мягкой тряпочкой.

Если монитор установлен так, что от экрана отсвечивают блики, не портите глаза – либо установите монитор так, чтобы бликов не было, либо приобретите фильтр для монитора.

Кинескоп, находящийся внутри монитора, использует очень высокое напряжение, поэтому ни в коем случае не следует открывать крышку монитора и тем более трогать находящееся под этой крышкой детали. Это должны делать только обученные специалисты по ремонту мониторов.

Для того чтобы работа со схемой была более безопасной необходимо осуществить гальваническую развязку с электрическими цепями передатчика.

Рис. 7. Структурная схема дистанционного управления с гальванической развязкой

Для устранения гальванической связи между коммутируемыми цепями и шиной компьютера применяем оптические вентили.

Современная полупроводниковая технология делает все более популярными интегральные оптические развязывающие устройства – оптические вентили или оптроны. Принцип работы оптрона иллюстрируется на рис. 9. Светодиод (СД), – переход которого смещен в прямом направлении, излучает свет, воспринимаемый фототранзистором. Таким образом, осуществляется гальваническая развязка. Фотодиоды используются для повышения быстродействия этих устройств.

Выбор оптронов осуществляем по значению входного постоянного тока. Выбираем транзисторную оптопару АОТ 128Б. Она предназначена для коммутации цепей постоянного тока

7.   ЗАКЛЮЧЕНИЕ.

Используя данный метод дистанционного управления можно избавиться от ряда недостатков других методов управления описанных в разделе 2.1.. Достоинства данного метода следующие:

1. Для питания устройства сопряжения не требуется отдельного источника питания.

2. Скорость обработки команд управления высока настолько, насколько позволяет это сделать компьютер. Для увеличения этой скорости достаточно лишь частично модернизировать компьютер, ничего не изобретая и не изготавливая. Таким образом, можно значительно сэкономить время при модернизации устройства.

3. Такое устройство ДУ практически не нуждается в постоянном обслуживании.

4. Так как схема сопряжения находится в системном блоке компьютера то вся площадь, занимаемая устройством ДУ – это размеры исполнительного устройства.

5. Надежность схемы достаточно большая и определяется в основном надежностью аналоговых элементов исполнительного устройства.

6. Возможность интеграции программы управления в стандартную программу Windows “Outlook" позволяет управлять нужными параметрами передатчика в нужное время, без участия оператора ЭВМ.

Данная система предусматривает 24 независимых команды управления, хотя для работы передатчика HF1000, необходимо только 4. Остальные команды предусмотрены, в соответствии с техническим заданием, для дальнейшей модернизации системы. Предполагается, что система будет управлять еще несколькими устройствами, входящими в состав радиопередающего комплекса. Кроме того, поскольку изначально в системе заложена возможность сбора информации и передачи ее в компьютер для дальнейшей обработки, предполагается реализовать на ее базе систему оперативного контроля параметров передатчика: выходная и отраженная мощность, температура выходных транзисторов, значения девиации частоты, напряжения источников питания и др.

8.   СПИСОК ЛИТЕРАТУРЫ

1. Под редакцией У. Томпкинса и Дж. Уэбстера. Сопряжение датчиков и устройств ввода данных с компьютерами IBM PC. – М.: Мир, 1992.

2. Китаев В.Е. Расчет источников электропитания устройств связи -М.: Связь,1979.

3. Под редакцией Конева Г.М. Источники вторичного электропитания.–М.: Радио и связь, 1990.

4. Лихачев В.Д. Практические схемы на операционных усилителях- М.: ДОСААФ,1981.

5. Бахметьев А.А., Колосов С. О. Справочник Операционные усилители. – М.: ДОДЕКА,1994.

6. Фигурнов В.Э.IBM PC для пользователя. – М.: ИНФРА-М,1995.

7. Зайцев А.А., Миркин А.И. Справочник Транзисторы средней и большой мощности. – М.: Радио и связь, 1994.

8. Иванов В.И., Аксенов А.И. Справочник Полупроводниковые оптоэлектронные приборы. – М.: Энергоатомиздат,1989.

9. Игловский И.Г., Владимиров Г.В. Справочник Слаботочные электрические реле. –Л.: Энергоатомиздат,1984.


Не нашли материал для своей работы?
Поможем написать уникальную работу
Без плагиата!
Без нейросетей!