Проверка прочности при внецентренном растяжении и сжатии
Министерство
образования и науки РФ
Государственное
образовательное учреждение высшего профессионального образования
КУБАНСКИЙ
ГОСУДАРСТВЕННЫЙ УНИВЕРСИТЕТ
Кафедра
экспертизы и управления недвижимостью
Курсовая
работа
по
предмету: Сопротивление материалов
По
теме: «Проверка прочности при внецентренном растяжении и сжатии»
Краснодар
2010
Содержание
Общие
сведения
Внецентренное
сжатие или растяжение
Ядро
сечения при внецентренном сжатии
Расчетная
часть (примеры)
Графическая
часть
Список
литературы
Общие сведения
Внецентренным растяжением (сжатием) называется
такой вид нагружения, при котором равнодействующая внешних сил не совпадает с
осью стержня, как при обычном растяжении (сжатии), а смещена относительно
продольной оси и остается ей параллельной. Оси X и Y - центральные (SX = SY =
0) и главные (IXY = 0)оси инерции поперечного сечения. Нормальные напряжения в
поперечном сечении от действия силы Р смещенной относительно центра тяжести в
точку А с координатами ХP и YP (рис.1, а.б) , определяются по формуле:
Р - равнодействующая внешних или внутренних сил;
F - площадь поперечного сечения; ХP, YP - координаты точки приложения силы Р.
х, у - текущие координаты точки, в которой определяется напряжение
;
ix, iy - главные радиусы инерции поперечного сечения.
моменты инерции поперечного сечения. Уравнение
нулевой линии.
Так как Р # 0, то из этого выражения следует
Нулевая линия - прямая (Рис. 1, а). Точки
пересечения нулевой линии с осями координат определяются выражениями:
Центром давления называют точку
пересечения равнодействующей внешних или внутренних сил с плоскостью
поперечного сечения. (На рис. 7.2, а центр давления - точка А.) При
проектировании сооружений и различного рода опор из бетона, кирпичной кладки,
чугуна и других материалов, плохо работающих на растяжение, основное требование
- отсутствие растягивающих напряжений. Решение задачи опирается на свойство
ядра сечения. Ядром сечения называют часть плоскости поперечного сечения,
расположенную в окрестности центра тяжести удовлетворяющую условию: если центр
давления располагается внутри или на границе ядра сечения, то в любой точке
поперечного сечения с текущими координатами (х, у) возникают напряжения одного
знака. Чтобы в поперечном сечении возникали напряжения одного знака, нулевая
линия должна располагаться либо вне поперечного сечения, либо быть касательной
к поперечному сечению, что используется при определении границ ядра сечения.
Внецентренное растяжение-сжатие стержня (в сопротивлении материалов),
деформация, возникающая при действии на стержень двух равных и противоположно
направленных продольных сил, параллельных оси стержня; один из видов сложного
сопротивления <#"670438.files/image007.gif">
в которой
<#"670438.files/image008.gif">
Если продольная сила приложена в
границах ядра сечения <#"670438.files/image009.gif">. Расчетная
схема стержня показана на рис.2 в. Так как плоскость действия изгибающих пар ОА
может не совпадать ни с одной из главных плоскостей инерции стержня, то в общем
случае имеет место комбинация продольного сжатия и чистого косого изгиба.
Так как при осевом сжатии и чистом
изгибе напряжения во всех сечениях одинаковы, то проверку прочности можно
произвести для любого сечения, хотя бы С-С (рис.2 б, в).
Отбросим верхнюю часть стержня и
оставим нижнюю (рис.2 г). Пусть оси Оу и Oz будут главными осями инерции
сечения.
Координаты точки А (точки
пересечения линии действия сил Р с плоскостью сечения) пусть будут
и
. Условимся
выбирать положительные направления осей Оу и Oz таким образом, чтобы точка А
оказалась в первом квадранте. Тогда
и
будут положительны.
Для того чтобы отыскать наиболее
опасную точку в выбранном сечении, найдем нормальное напряжение
в любой
точке В с координатами z и у. Напряжения в сечении С - С будут складываться из
напряжений осевого сжатия силой Р и напряжений от чистого косого изгиба парами
с моментом Ре, где
. Сжимающие
напряжения от осевых сил Р в любой точке равны
, где F- площадь поперечного сечения
стержня; что касается косого изгиба, то заменим его действием изгибающих
моментов в главных плоскостях. Изгиб в плоскости х Оу вокруг нейтральной оси Oz
будет вызываться моментом
и даст в
точке В нормальное сжимающее напряжение
.
Точно так же нормальное напряжение в
точке В от изгиба в главной плоскости х Oz, вызванное моментом
, будет
сжимающим и выразится формулой
.
Суммируя напряжения от осевого
сжатия и двух плоских изгибов и считая сжимающие напряжения отрицательными,
получаем такую формулу для напряжения в точке В:
(1)
Эта формула годится для вычисления
напряжений в любой точке любого сечения стержня, стоит только вместо у и z
подставить координаты точки относительно главных осей с их знаками.
В случае внецентренного растяжения
знаки всех составляющих нормального напряжения в точке В изменятся на обратные.
Поэтому для того, чтобы получать правильный знак напряжений как при
внецентренном сжатии, так и при внецентренном растяжении, нужно, кроме знаков
координат у и z, учитывать также и знак силы Р; при растяжении перед выражением
должен стоять знак плюс, при сжатии
- минус.
Полученной формуле можно придать
несколько иной вид; вынесем за скобку множитель
; получим:
(2)
Здесь
и
- радиусы инерции сечения
относительно главных осей (вспомним, что
и
).
Для отыскания точек с наибольшими
напряжениями следует так выбирать у и z, чтобы
достигло наибольшей величины.
Переменными в формулах (1) и (2) являются два последних слагаемых, отражающих
влияние изгиба. А так как при изгибе наибольшие напряжения получаются в точках,
наиболее удаленных от нейтральной оси, то здесь, как и при косом изгибе, надо
отыскать положение нейтральной оси.
Обозначим координаты точек этой
линии через
и
; так как в
точках нейтральной оси нормальные напряжения равны нулю, то после подстановки в
формулу (2) значений
и
получаем:
или
(3)
Это и будет уравнение нейтральной оси. Очевидно,
мы получили уравнение прямой, не проходящей через центр тяжести сечения.
Чтобы построить эту прямую, проще всего
вычислить отрезки, отсекаемые ею на осях координат. Обозначим эти отрезки
и
.
Чтобы найти отрезок
, отсекаемый на оси
Оу, надо в уравнении (3) положить
;
тогда
мы получаем:
и
(4),
подобным же образом, полагая
;
получаем:
(5)
Если величины
и
положительны,
то отрезки
и
будут
отрицательны, т. Е нейтральная ось будет расположена по другую сторону центра
тяжести сечения, чем точка А (рис.2 г). Нейтральная ось делит сечение на две
части - сжатую и растянутую; на рис. 2 г растянутая часть сечения заштрихована.
Проводя к контуру сечения касательные, параллельные нейтральной оси, получаем
две точки
и
,
в которых будут наибольшие сжимающие и растягивающие напряжения. Измеряя
координаты у и z этих точек и подставляя их значения в формулу, вычисляем
величины наибольших напряжений в точках
и
:
Если материал стержня одинаково сопротивляется
растяжению и сжатию, то условие прочности получает такой вид:
Для поперечных сечений с выступающими углами, у
которых обе главные оси инерции являются осями симметрии (прямоугольник,
двутавр и др.)
и
.
Поэтому формула упрощается, и мы имеем
Если же материал стержня неодинаково
сопротивляется растяжению и сжатию, то необходимо проверить прочность стержня
как в растянутой, так и в сжатой зонах.
Однако может случиться, что и для таких
материалов будет достаточно одной проверки прочности. Из формул (4) и (5)
видно, что положение точки А приложения силы и положение нейтральной оси
связаны: чем ближе подходит точка А к центру сечения, тем меньше величины
и
и
тем больше отрезки
и
.
Таким образом, с приближением точки А к центру тяжести сечения нейтральная ось
удаляется от него, и наоборот. Поэтому при некоторых положениях точки А
нейтральная ось будет проходить вне сечения и все сечение будет работать на
напряжения одного знака. Очевидно, в этом случае всегда достаточно проверить
прочность материала в точке
.
Разберем практически важный случай, когда к
стержню прямоугольного сечения (рис.3) приложена внецентренно сила Р в точке А,
лежащей на главной оси сечения Оу. Эксцентриситет ОА равен е, размеры сечения b
и d. Применяя полученные выше формулы, имеем:

Напряжение в любой точке В равно
так как,
Напряжения во всех точках линии, параллельной
оси Oz, одинаковы. Положение нейтральной оси определяется отрезками

Нейтральная ось параллельна оси Oz; точки с
наибольшими растягивающими и сжимающими напряжениями расположены на сторонах
1-1 и 3-3.
Значения
и
получатся,
если подставить вместо у его значения
.
Тогда
Ядро сечения при внецентренном
сжатии
При конструировании стержней из материалов,
плохо сопротивляющихся растяжению (бетон), весьма желательно добиться того,
чтобы все сечение работало лишь на сжатие. Этого можно достигнуть, не давая
точке приложения силы Р слишком далеко отходить от центра тяжести сечения,
ограничивая величину эксцентриситета. Конструктору желательно заранее знать,
какой эксцентриситет при выбранном типе сечения можно допустить, не рискуя
вызвать в сечениях стержня напряжений разных знаков. Здесь вводится понятие о
так называемом ядре сечения. Этим термином обозначается некоторая область
вокруг центра тяжести сечения, внутри которой можно располагать точку
приложения силы Р, не вызывая в сечении напряжений разного знака. Пока точка А
располагается внутри ядра, нейтральная ось не пересекает контура сечения, все
оно лежит по одну сторону от нейтральной оси и, стало быть, работает лишь на
сжатие. При удалении точки А от центра тяжести сечения нейтральная ось будет
приближаться к контуру; граница ядра определится тем, что при расположении
точки А на этой границе нейтральная ось подойдет вплотную к сечению, коснется
его. Таким образом, если мы будем перемещать точку А так, чтобы нейтральная ось
катилась по контуру сечения, не пересекая его, то точка А обойдет по границе
ядра сечения. Если контур сечения имеет «впадины», то нейтральная ось будет
катиться по огибающей контура. Чтобы получить очертание ядра, необходимо дать
нейтральной оси несколько положений, касательных к контуру сечения, определить
для этих положений отрезки
и
и
вычислить координаты
и
точки
приложения силы по формулам, вытекающим из известных зависимостей:

это и будут координаты точек контура ядра
и
.
При многоугольной форме контура сечения (рис.5),
совмещая последовательно нейтральную ось с каждой из сторон многоугольника, мы
по отрезкам
и
определим
координаты
и
точек
границы ядра, соответствующих этим сторонам.
При переходе от одной стороны контура сечения к
другой нейтральная ось будет вращаться вокруг вершины, разделяющей эти стороны;
точка приложения силы будет перемещаться по границе ядра между полученными уже
точками. Установим, как должна перемещаться сила Р, чтобы нейтральная ось
проходила все время через одну и ту же точку В (
,
)
- вращалась бы около нее. Подставляя координаты этой точки нейтральной оси в
известное уравнение нейтральной оси (линии), получим:
Таким образом координаты
и
точки
А приложения силы Р связаны линейно. При вращении нейтральной оси около
постоянной точки В точка А приложения силы движется по прямой. Обратно,
перемещение силы Р по прямой связано с вращением нейтральной оси около
постоянной точки.
На рис.6 изображены три положения точки
приложения силы на этой прямой и соответственно три положения нейтральной оси.
Таким образом, при многоугольной форме контура сечения очертание ядра между
точками, соответствующими сторонам многоугольника, будет состоять из отрезков
прямых линий.
Если контур сечения целиком или частично
ограничен кривыми линиями, то построение границы ядра можно вести по точкам.
Рассмотрим несколько простых примеров построения ядра сечения.
При выполнении этого построения для
прямоугольного поперечного сечения воспользуемся полученными формулами.
Для определения границ ядра сечения при движении
точки А по оси Оу найдем то значение
,
при котором нейтральная ось займет положение Н1О1. Имеем:
откуда
Таким образом, границы ядра по оси Оу будут
отстоять от центра сечения на 1/6 величины b (Рис.6, точки 1 и 3); по оси Oz
границы ядра определятся расстояниями d/6 (точки 2 и 4).
Для получения очертания ядра целиком изобразим
положения нейтральной оси Н1О1 и Н2О2, соответствующие граничным точкам 1 и 2.
При перемещении силы из точки 1 в точку 2 по
границе ядра нейтральная ось должна перейти из положения Н1О1 в положение Н2О2,
все время касаясь сечения, т. е. поворачиваясь вокруг точки D.
Для этого сила должна двигаться по прямой 1 - 2.
Точно так же можно доказать, что остальными границами ядра будут линии 2-3, 3-4
и 4-1.
Таким образом, для прямоугольного сечения ядро
будет ромбом с диагоналями, равными одной трети соответствующей стороны
сечения. Поэтому прямоугольное сечение при расположении силы по главной оси
работает на напряжения одного знака, если точка приложения силы не выходит за
пределы средней трети стороны сечения.
Эпюры распределения нормальных напряжений по
прямоугольному сечению при эксцентриситете, равном нулю, меньшем, равном и
большем одной шестой ширины сечения, изображены на рис.8.
Отметим, что при всех положениях силы Р
напряжение в центре тяжести сечения (точка О) одинаково и равно
и
что сила Р не имеет эксцентриситета по второй главной оси.
Для круглого сечения радиуса r очертание ядра
будет по симметрии кругом радиуса
.
Возьмем какое-либо положение нейтральной оси, касательное к контуру. Ось Оу
расположим перпендикулярно к этой касательной. Тогда


Таким образом, ядро представляет собой круг с
радиусом, вчетверо меньшим, чем радиус сечения.
Для двутавра нейтральная ось при обходе контура
не будет пересекать площади поперечного сечения, если будет касаться
прямоугольного контура ABCD, описанного около двутавра (рис.9 а). Следовательно,
очертание ядра для двутавра имеет форму ромба, как и для прямоугольника, но с
другими размерами.
Для швеллера, как и для двутавра, точки 1, 2, 3,
4 контура ядра (рис.9 б) соответствуют совпадению нейтральной оси со сторонами
прямоугольника ABCD.
Расчетная часть (примеры)
Пример 1
Чугунный короткий стержень, поперечное сечение
которого изображено на рис. 7.10, а = 3 cм, b = 2 см, сжимается продольной
силой Р, приложенной в точке А. Допускаемые нормальные напряжения: на сжатие
МПа;
на растяжение
МПа. Требуется:
) вычислить наибольшее растягивающее и
наибольшее сжимающее напряжения в поперечном сечении, выразив величины этих
напряжений через Р и размеры сечения;
) найти допускаемую нагрузку (Р) при заданных
размерах сечения и допускаемых напряжениях чугуна на сжатие
и
на растяжение
.
Решение.
Нормальное напряжение в произвольной точке
сечения стержня, определяемой координатами х и у, запишется в виде
, (1)
где хр, ур - координаты точки приложения силы Р
(точки A); F -площадь поперечного сечения стержня; Jxc, Jyc - главные моменты
инерции сечения.
. Определим координаты центра тяжести сечения хс
и ус. Для этого выведем вспомогательную систему координат хоу. Тогда
,
где
-
статический момент сечения:
. Индексы 1, 2, 3
относятся соответственно к элементарным фигурам, на которые разбито заданное
составное сечение (см. рис. 7.11). Отметим также, что площадь первой фигуры
следует брать со знаком минус.
Подставляя исходные данные, получим:
см3.
Тогда
.
Ввиду симметрии сечения у = 2b = 4 см. Через
найденный центр тяжести проводим главные центральные оси хс и ус.
. Вычислим главные моменты инерции.
Ввиду совпадения осей хс и хс1, хс2, хс3:
.
Для вычисления момента инерции относительно оси
ус используем формулу изменения момента инерции при параллельном переносе осей:
Здесь через l1, l2, l3 обозначены:
соответственно расстояния между осью ус и осями ус1, ус2, ус3.
. Нахождение наибольших напряжений и допускаемых
нагрузок.
Подставляя в формулу (1) вычисленные значения
моментов инерции, а также координаты точки приложения нагрузки и точек, где
возникают наибольшие растягивающие и сжимающие напряжения, получим:
В точке А(-4,136; 4) - напряжение сжатия
.
Из условия прочности при сжатии
.
множитель 104 здесь переводит квадратные,
сантиметры в метры. Допускаемая нагрузка
В точке D (3,864;-2) возникает максимальное
напряжение растяжения
Из условия прочности при растяжении
.
Допускаемая нагрузка
.
Выбирая меньшую из двух нагрузок, окончательно
принимаем
кН.
В ходе решения этой задачи можно также
порекомендовать построение нейтральной оси в случаях, когда трудно сразу
определить координаты опасных точек. Для определения положения опасных точек в
сечении следует параллельно нейтральной оси провести линии, касающиеся контура
сечения. Таким образом, будут найдены точки сечения, расположенные по oбe
стороны от нейтральной оси и наиболее удаленные от нeё, которые и являются
опасными.
Пример 2
Для стержня определить внутренние силовые
факторы в произвольном поперечном сечении и их построить эпюры.
= 100 Н, F2 = 300 Н, q = 75 Н/м, a = 0,3 м, b =
0,2 м, l = 2 м.
Решение.
Рассекаем брус на произвольном расстоянии z от
его свободного конца. Отбрасываем правую часть. Располагаем оси координат в
центре тяжести сечения. Действие правой части бруса на его левую часть заменяем
внутренними силами: N, Qx, Qy, Mx, My, Ткр (рис. б).
Уравновешиваем, то есть, записываем уравнения
равновесия и определяем значения внутренних силовых факторов.
;= -
100Н.
;
при z = 0 Qy = 0;
при z = l Qy = -150 Н.
;= -
300Н.
;
при z = 0 Mx = - 45 Нм;
при z = l Mx = -195 Нм.
;
при z = 0 My = 30 Н×м;
при z = l My = - 170 Нм.
; Ткр = 15 Нм.
Строим эпюры внутренних силовых факторов.
Опасное сечение в данном брусе будет находиться в заделке, так как в этом сечении
значения всех внутренних силовых факторов имеют наибольшие величины.
Пример 3
Подобрать круглое поперечное сечение вала, если
диаметры шкивов d1 = d2 = 200 мм, d3 = 300 мм; углы наклона ремней к горизонту
30°,
=
45°
(рис. 26); мощность на ведущем шкиве 3 N3 = 5кВт; мощность на ведомых шкивах 1
и 2 N1 = N2 = N3 / 2; расстояния а = 0,25 м, b = 0,4м; допускаемые напряжения
=
80 МПа. Расчет проводить по третьей теории прочности.
Решение.
. Определяем крутящие моменты на валу и строим
их эпюру
2. Определяем окружные усилия
,
;
. Определяем горизонтальные и вертикальные
проекции сил, действующих на вал
Для определения проекций сил пользуемся
направлениями осей, принятыми на рис.б.
. Строим эпюру изгибающих моментов в
горизонтальной плоскости
Определяем опорные реакции (рис. а)
;
;
Проверка
;
- верно
Строим эпюру (рис. а).
. Строим эпюру изгибающих моментов в
вертикальной плоскости
Определяем опорные реакции (рис. а)
;
;
Проверка
;
- верно
Строим эпюру (рис. а).
. Строим эпюру суммарного изгибающего момента
Для построения суммарной эпюры изгибающего
момента значения ординат в характерных точках берем с эпюр моментов в
горизонтальной и вертикальной плоскостях (рис. а).
В точке А:
В точке В:
В точке С:
Строим эпюру (рис. а).
. Определяем приведенный момент в опасном
сечении вала
Опасным сечением вала будет являться сечение в
точке В, так как в ней крутящий и суммарный изгибающий моменты имеют наибольшие
значения.
) Подбираем безопасный диаметр вала
сечение внецентренный сжатие балка
Принимаем d = 35 мм.
Пример 4
Для заданной консольной балки (рис.1)
. построить эпюры изгибающих моментов и
поперечных сил.
. Подобрать поперечное сечение при
и
.
. Для опасного сечения определить: момент
сопротивления, положение нейтральной линии, максимальные напряжения и построить
эпюры распределения нормальных напряжений по сечению в аксонометрии.
Дано: а =0,4 м,
=300,
М=20 кНм, Р=16 кН, q=30 кН/м.
Решение:
Все нагрузки, действующие на консольную балку,
расположены в различных плоскостях, проходящих через ось балки, поэтому мы
имеем дело со сложным изгибом. Для решения поставленной задачи нагрузки,
действующие в произвольных силовых плоскостях нужно разложить на составляющие,
расположенные в главных плоскостях
и
.
Плоскость
Проекция силы
на
плоскость
проецируется с
учетом угла
Момент
действует
в плоскости
, поэтому
проецируется в натуральную величину.
Нагрузка
лежит
в плоскости, перпендикулярной
, поэтому ее
проекция на плоскость
будет равна нулю.
Покажем плоскость
со спроецированной
нагрузкой (рис. 2).
Поперечная сила по всей длине балки будет
одинакова и равна
Изгибающий момент в сечении, где приложен момент
М
Слева от сечения
Справа от сечения
Изгибающий момент в защемлении
Строим эпюры
и
(рис.
2).
Плоскость
Покажем плоскость
и
спроецируем на нее всю нагрузку.
Проекция силы Р
Поперечная сила от свободного конца до начала
приложения нагрузки q
Поперечная сила от начала действия нагрузки q до
защемления
,
где
-
координата
, отсчитываемая от
начала распределенной нагрузки.
В сечении начала действия распределенной
нагрузки
В защемлении балки
Поперечная сила меняет знак, значит, на эпюре
изгибающих моментов будет экстремум в сечении с координатой
Изгибающий момент на свободном конце балки равен
нулю.
В сечении начала действия распределенной
нагрузки
Экстремальное значение изгибающего момента
В сечении защемления
Строим эпюры.
Вероятнее всего опасным сечением будет точка
приложения сосредоточенного момента М. Для данного сечения
;
.
Расположим сечение таким образом, что бы большая сторона сечения была
перпендикулярна оси, относительно которой изгибающий момент будет максимальным
(рис. 4)
Момент сопротивления прямоугольного сечения с
учетом
:
относительно оси
относительно оси
Условие прочности при сложном изгибе
Принимаем
Моменты сопротивления сечения
Для определения угла наклона нейтральной линии
необходимо определить отношение осевых моментов инерции.
Тангенс угла наклона нейтральной линии
(рис. 5).
Для проверки правильности построения нейтральной
линии рассмотрим знаки напряжений от изгиба относительно осей
и
.
Момент
сжимает
нижние волокна и растягивает верхние. Ставим около точек В и С знак плюс, а
около точек А и Д знак минус.
Момент
сжимает
правые волокна и растягивает левые. Ставим около точек В и А знак плюс, а около
точек С и Д знак минус.
Очевидно, что максимальные напряжения будут в
точках, где совпадают знаки (точка В - максимальное положительное нормальное
напряжение; Точка D - максимальное отрицательное напряжение).
Тогда нейтральная линия должна пройти через
четверти сечения, содержащие в себе точки С и А, как мы и изобразили на рис. 5,
отложив угол
от оси
.
Рассмотри напряженное состояние поперечного
сечения. На нейтральной линии (н. л.) нормальные напряжения будут равны нулю.
В точках наиболее удаленных от нейтральной линии
(точки В и D) нормальные напряжения имеют максимальные значения
В точках А и С напряжения по модулю равны
Для изображения эпюры распределения нормальных
напряжений по сечению начнем со стороны BC.
Напряжения будем откладывать параллельно оси
,
перпендикулярной поперечному сечению.
В точке В откладываем параллельно оси
в
сторону положительных значений в масштабе значение
По стороне ВС напряжения будут изменяться
пропорционально от максимального значения в точке В до нулевого значения на
нейтральной линии. Поэтому соединяем точку В с точкой пересечения нейтральной
линией стороны ВС. Из точки С проведем прямую, параллельную оси
до
пересечения с продолжением прямой проведенной из точки В к точке пересечения
нейтральной линии стороны ВС. Получили отрезок, дающий нам значение и знак
напряжения в точке С
Те же действия проделываем со стороной АD.
Получаем напряжение в точке А
Соединяя значения точек А и В - получаем
распределение нормальных напряжений по стороне АВ. Соединяем значения
напряжений точек С и D - получаем распределение нормальных напряжений по
стороне СD.
Образованная плоскость, соединяющая значения
напряжений для точек А, В, С и D является эпюрой распределения нормальных
напряжений по сечению. Для определения напряжения в любой точке сечения
проводится перпендикуляр к сечению до пересечения с плоскостью эпюры. Величина
перпендикуляра даст знак и значение напряжения для данной точки.
Пример 5
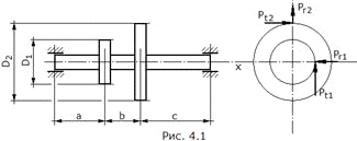
Дано: редукторный ступенчатый вал (рис. 4.1).
материал - сталь,
=
160 МПа;
Т = 0,14 кНм; D1 = 110 мм, D2 = 200 мм; a = 70
мм, b = 40 мм, c = 100 мм;
Требуется:
) определить окружные и радиальные усилия,
приняв соотношение между ними
) построить эпюры изгибающих моментов в двух
плоскостях;
) построить эпюру суммарного изгибающего
момента;
) построить эпюру крутящего момента;
) используя IV теорию прочности определить
диаметр вала на отдельных участках, округлив их до стандартных размеров;
) начертить эскиз вала;
Решение:
. Определение окружных и радиальных усилий
Окружные усилия создают относительно оси
вращения моменты, равные по величине моменту, передаваемого валом, поэтому:
по соотношению между окружными и радиальными
усилиями, находим последние:
2. Построение эпюр изгибающих моментов в двух
плоскостях
а) в горизонтальной плоскости. В горизонтальной
плоскости действуют радиальное усилие шкива 1 и окружное усилие шкива 2 (рис.
4.2, б). Находим горизонтальные реакции опор:
Вал имеет 3 участка, границами участков являются
опоры и шкивы. Горизонтальный изгибающий момент линейно меняется по участкам
вала (т.к. нет распределенной нагрузки).
На 1ом участке изгибающий момент равен:
в сечении A изгибающий момент равен 0 (т.к. нет
внешних моментов), в сечении C:
На 3ем участке изгибающий момент равен:
в сечении B момент равен 0 (т.к. нет внешних
моментов), в сечении D:
По вычисленным значениям моментов строим эпюру
горизонтального изгибающего момента (рис. 4.2, в).
б) в вертикальной плоскости. В вертикальной
плоскости действуют окружное усилие шкива 1 и радиальное усилие шкива 2 (рис.
4.3, б). Находим вертикальные реакции опор:
Вертикальный изгибающий момент линейно меняется
по участкам вала (т.к. нет распределенной нагрузки).
На 1ом участке изгибающий момент равен:
в сечении A изгибающий момент равен 0 (т.к. нет
внешних моментов), в сечении C:
На 3ем участке изгибающий момент равен:
в сечении B момент равен 0 (т.к. нет внешних
моментов), в сечении D:
По вычисленным значениям моментов строим эпюру
вертикального изгибающего момента (рис. 4.3, в).
. Построение эпюры суммарного изгибающего
момента
Суммарный изгибающий момент определяется как:
Определяем суммарный изгибающий момент в
сечениях по границам участков:
в сечениях A и B суммарный изгибающий момент
равен 0;
в сечении C:
в сечении D:
По вычисленным значениям моментов строим эпюру
суммарного изгибающего момента (рис. 4.3, г).
. Построение эпюры крутящего момента
Окружное усилие шкива 1 создает относительно
продольной оси вала момент, который стремится вращать вал по часовой стрелке
(если смотреть с положительного направления оси x); окружное усилие шкива 2
создает момент, который стремится вращать вал против часовой стрелки (рис. 4.3,
д). Крутящий момент возникает только в сечениях участка вала между шкивами, на
участках между шкивом и опорой крутящий момент равен 0. Проводим произвольное
сечение на участке 2 между шкивами и рассматриваем равновесие одной из частей
(например, правой). Крутящий момент возникающий в сечении равен сумме внешних
моментов, действующих по одну сторону от сечения; в данном случае крутящий
момент равен по величине моменту T2 = 140 Нм и направлен в противоположную ему
сторону; и если смотреть на торец отсеченной части вала, то крутящий момент
стремится вращать отсеченную часть против часовой стрелки, поэтому он имеет
отрицательный знак. Строим эпюру крутящих моментов (рис. 4.3, е).
. Определение диаметров вала по участкам, исходя
из условия прочности по IV теории
По IV теории условие прочности выглядит:
где Wz - момент сопротивления сечения вала; в
данном случае вал круглого сечения:

Определяем диаметры вала по участкам, исходя из
условия прочности:
1ый участок: наибольший суммарный изгибающий
момент на 1ом участке действует в сечении C, крутящий момент на 1ом участке не
возникает, поэтому эквивалентный момент равен:
исходя из условия прочности определяем
необходимый момент сопротивления и диаметр сечения вала на 1ом участке:
2ой участок:
Наибольший суммарный изгибающий момент на 2ом
участке действует в сечении C, крутящий момент на 2ом участке равен моменту,
передаваемого валом, с отрицательным знаком, поэтому эквивалентный момент
равен:
исходя из условия прочности определяем
необходимый момент сопротивления и диаметр сечения вала на 2ом участке:
3ий участок:
Наибольший суммарный изгибающий момент на 3ем
участке действует в сечении D, крутящий момент на 3ем участке не возникает,
поэтому эквивалентный момент равен:
исходя из условия прочности определяем
необходимый момент сопротивления и диаметр сечения вала на 3ем участке:
Выбираем диаметры вала по участкам, исходя из
ряда Ra 40 нормальных линейных размеров (ГОСТ 6636-69):
для 1ого участка принимаем диаметр
для 2ого участка принимаем
для 3его участка принимаем
. Эскиз вала. Эскиз вала с указанием необходимых
размеров представлен на рис. 4.4.
Пример 6
Для стальной балки требуется:
. Определить положение нейтральной линии;
. Построить эпюру нормальных напряжений в долях
силы Р вдоль оси, перпендикулярной нейтральной линии;
. Определить грузоподъемность балки, если R =
240 МПа.
Решение.
. Определим геометрические характеристики
сечения.
По таблице стандартных профилей находим
где х и у - собственные оси швеллера.
ХСY - главная центральная система координат.
Ось х параллельна оси Х, а ось у параллельна оси
Y.
Определим главные центральные моменты инерции
относительно осей Х и Y.
.
.
. Рассмотрим плоскость OYZ (вертикальную
плоскость) и построим эпюру Мх.
Рассмотрим плоскость OХZ (горизонтальную
плоскость) и построим эпюру Му.
. Опасным является сечение в заделке, так как
относительно этого сечения изгибающие моменты являются наибольшими.
(растянуто верхнее
волокно).
(растянуто правое
волокно)
Силовая плоскость (плоскость действия
результирующего момента
) проходит через I
и III квадранты. Тогда нейтральная линия должна проходить через II и IV квадранты.
Определим угол наклона нейтральной линии к оси Х

,
Знак «минус» показывает, что угол
откладываем
от оси Х против хода часовой стрелки.
. Определим координаты угловых точек сечения А,
L, B, K в главной центральной системе координат ХY
;
;
;
.
Подсчитаем напряжения в точках А, L, B, K.
Продлим нейтральную линию и на перпендикуляре
построим эпюру напряжений.
. Определим грузоподъемность балки
Условия прочности
Мн
Мн.
Пример 7
Чугунный короткий стержень сжимается продольной
силой F = 600 кН, приложенной в точке В.
Требуется:
. Определить положение нейтральной линии;
. Вычислить наибольшие растягивающие и
наибольшие сжимающие напряжения.
Решение:
. Изобразим сечение в масштабе.
. Определим положение главных центральных осей.
Сечение обладает осью симметрии, поэтому ось Y можем показать сразу.
. Определим положение центра тяжести фигуры
(фигура состоит из двух квадратов). Выберем произвольную вспомогательную
систему координат.
х1С1Y - вспомогательная система координат;
определим координаты точек С1 и С2 в системе
х1С1Y.
Тогда,
А1, А2 - площадь первого и второго квадрата
соответственно.
А = А1 - А2 - площадь всей фигуры.
А1 = b2 = 2500 см2
С (хс = 0; ус = -5,89) - положение центра
тяжести во вспомогательной системе координат х1С1Y. Ось X проводим
перпендикулярно оси Y через точку С. Так как сечение симметричное, то XСY -
главная центральная система координат.
4. Определим главные центральные моменты инерции
и квадраты главных радиусов сечения.
где а1 = 5,89см - расстояние между осями Х и х1;
а2 = 5,89 + 17,68 = 23,57 - расстояние между
осями Х и х2.
. Определим координаты точки В (точки приложения
силы) в главной центральной системе координат хсСус.
. Определим положение нейтральной линии.
,
где хN, уN - координаты точек нейтральной линии.
В данной задаче
Нейтральная линия проходит через точку (хN=0;
уN=11,36) параллельно оси хс.
. В данной задаче на стержень действует
сжимающая сила, поэтому нормальные напряжения в любой точке поперечного сечения
будем определять по формуле
где х, у - это координаты точки, в которой
считают напряжения.
. Наибольшие сжимающие напряжения достигаются в
точке В. Эта точка, наиболее удаленная от нейтральной линии в области сжатия.
Наибольшее растягивающие напряжения достигаются
в точках К и L yK = уL = 23,57 см.
Ответ:
,
Пример 8
Построить ядро сечения.
Решение:
. Определяем тип контура ядра сечения.
. Определяем число вершин многоугольника,
получившегося внутри контура (то есть число предельных касательных к сечению
стержня). 6 предельных касательных - 6 вершин.
. Определяем положение главных центральных осей.
Сечение обладает горизонтальной осью симметрии, поэтому ось «Х» можем показать
сразу. ХОY0 - вспомогательная система координат (ось «Y0» проводим
произвольно).
Сечение состоит из двух простых фигур
(прямоугольника и квадрата). Определим координаты центров тяжести С1 и С2 в
произвольной системе координат ХОY0.
- центр тяжести
прямоугольника.
- центр тяжести
квадрата.
- площадь
прямоугольника.
- площадь
квадрата.
.
(так как С1 и С2
лежат на оси).
Центр тяжести всего сечения в системе координат
ХОY0 имеет координаты С(0,015; 0). (Покажем на чертеже). Ось Y проводим
перпендикулярно оси Y0 через центр тяжести С. Так как сечение симметричное, то
ось симметрии и ось ей перпендикулярная, проходящая через центр тяжести
образуют главную центральную систему координат. X, Y - главные центральные оси
сечения.
. Определяем геометрические характеристики
сечения относительно главных центральных осей.
Вычисляем главные центральные моменты инерции Jx
и Jy.
- главные
центральные моменты инерции прямоугольника.
- главные
центральные моменты инерции квадрата.
(здесь использовали формулы для определения
моментов инерции относительно параллельных осей. Осевые моменты инерции
плоского сечения относительно произвольных осей х1 и у1, параллельных
центральным осям х и у, определяют по формулам
;
где а, b - расстояния между осями х и х1, у и
у1, А - площадь поперечного сечения. принимается, что х, у - центральные оси,
то есть оси, проходящие через центр тяжести С плоского сечения).
Вычислим квадраты главных радиусов инерции
. Определяем вершины ядра сечения.
Пусть известно положение нейтральной линии.
Требуется определить координаты точки приложения силы.
. Рассмотрим положение нейтральной линии 1 - 1.
Используем свойство нейтральной линии. Так как
нейтральная линия 1 - 1 проходит параллельно оси Y, то точка приложения силы Я1
находится на оси X, то есть уF = 0.
хN - абсцисса точки нейтральной линии 1 - 1
(расстояние от точки С до нейтральной линии 1 - 1).
2. Рассмотрим положение нейтральной линии 2 - 2.
Возьмем две точки нейтральной линии 2 - 2 (лучше
выбирать точки, где легко можно подсчитать координаты)
В(-0,615; 0,3) и D(-0,015; 0,6)
Подставим координаты точек В и D в уравнение
нейтральной линии.
(*)
(**)
Решим систему уравнений (*) - (**)
Из (*)
(***)
Подставим (***) в (**)
. Рассмотрим положение нейтральной линии 3 - 3.
Используем свойство нейтральной линии. Так как
нейтральная линия 3 - 3 проходит параллельно оси X, то точка приложения силы Я3
находится на оси Y, то есть хF =0.
уN - ордината точки нейтральной линии 3 - 3
(расстояние от точки С до нейтральной линии 3 - 3).
. Рассмотрим положение нейтральной линии 4 - 4.
Используем свойство нейтральной линии. Так как
нейтральная линия 4 - 4 проходит параллельно оси Y, то точка приложения силы Я4
находится на оси X, то есть уF = 0.
. Далее воспользуемся симметрией сечения и
достроим точки Я5 и Я6 симметрично точкам Я3 и Я2.
Графическая часть
Гл.1.1.
Рис. 1
Гл. 1.2.
Рис. 2 - а) расчетная схема б) преобразование
нагрузок, в)приведенная расчетная схема г) механизм исследования напряжений
Рис. 3 - Расчетная схема бруса прямоугольного
сечения
Гл.1.3.
Рис. 4 - Комбинации положения сжимающей силы и
нейтральной линии
Рис. 5 - Ядро сечения для многоугольной формы
поперечного сечения
Рис. 6 - Динамика построения ядра сечения
Рис. 7 - Построение ядра для прямоугольного
сечения
Рис. 8 - Динамика изменения напряжений при
изменении эксцентриситета
Рис. 9 - а) Ядро сечения для двутавра б)
швеллера
Гл.2.
Пример 1

Пример 2


Пример 3
а)
б)
Пример 4


Пример 5


Пример 6



Пример 7

Пример 8

Список литературы
1. Учебник
«Сопротивление материалов
<http://www.bolero.ru/cgi-bin/dsc.cgi?36440171&partner=m257&new=1>»
Н.М.Беляев. Изд. «Наука», Москва 1976 г.
. Учебник.
«Сопротивление материалов
<http://www.bolero.ru/cgi-bin/dsc.cgi?36440171&partner=m257&new=1>».
Макаров Е. BHV-Санкт-Петербург.
. Сопротивление
материалов. Учебник для ВУЗов
<http://www.bolero.ru/cgi-bin/dsc.cgi?22415613&partner=m257&new=1>,
Александров А.В., Потапов В.Д., Державин Б.П.
. Писаренко
Г.С., Яковлева А.П., Матвеев В.В. Справочник по сопротивлению материалов. Отв.
ред. Писаренко Г. С. - 2-е изд., перераб. и доп. - Киев: Наук, думка, 1988.
. Долинский
Ф.В., Михайлов М.Н. Краткий курс сопротивления материалов. Учебное пособие для
ВУЗов. Издательство: Высшая школа. Год: 1988.