Построение электропитающей установки с отделенной аккумуляторной батареей в режиме буфера
Введение
Источники вторичного электропитания
(ИВЭП) по своей физической сущности являются преобразователями вида и качества
электрической энергии. Преобразователи электрической энергии широко
используются в наземных стационарных установках, на автомобилях, кораблях и
летательных аппаратах.
В современной радиоэлектронной
аппаратуре широкое применение находят импульсные источники электропитания с
импульсным регулированием выходного напряжения. Применение ИБП В РЭА
объясняется высокими энергетическими и объемно-массовыми показателями.
Коэффициент полезного действия в ИБП достаточно высокий (з =0,8-0,85) при
низких входных напряжениях, при этом их удельная мощность составляет 120-150
Вт/дм3). (В источниках непрерывного действия этот показатель не
превышает 30 Вт/дм3). Импульсные источники питания стоятся на базе
однотактных и двухтактных транзисторных преобразователях напряжения.
Транзисторы в преобразователях напряжения работают в режиме электронных ключей,
что значительно уменьшает потери мощности на них. Двухтактные преобразователи
позволяют получить значительно большую выходную мощность при высоком КПД. Они
делятся на несколько групп, характеризующихся способом возбуждения выходных
ключевых транзисторов и схемой включения их в цепь первичной обмотки трансформатора
преобразователя. Если говорить о способах возбуждения, то можно выделить две
группы: с самовозбуждением и внешним возбуждением. Первые пользуются меньшей
популярностью из-за трудностей в налаживании. Преобразователи с внешним
возбуждением хорошо подходят для создания ИБП повышенной мощности. Основными
компонентами в мощных преобразователях напряжения считаются система управления
и ключевое устройство. Для реализации принципа импульсного регулирования,
согласования уровней питающего напряжения и напряжения на нагрузке,
гальванической развязки силовых цепей и построения силовых фильтров остаются
необходимыми трансформаторы, дроссели и конденсаторы. Поэтому различные
элементы преобразователя электрической энергии нельзя рассматривать отдельно.
Для осуществления процессов преобразования энергии одинаково необходимы силовые
транзисторы и диоды, специализированные микросхемы, конденсаторы, дроссели и
трансформаторы. Элементная база ИВЭП должна рассматриваться, оцениваться и
совершенствоваться в комплексе.
Установлено, что при увеличении
удельных нагрузок уменьшается суммарный объем деталей, увеличивается требуемая
поверхность теплоотвода. При некоторой совокупности удельных нагрузок
конструкция ИВЭП имеет минимальный объем, соответствующий оптимальному КПД. Кроме
того КПД в сильной степени зависит от удаления ИВЭП от нагрузки, особенно в
низковольтных источниках. Поэтому разрабатываемый низковольтный источник
питания следует размещать совместно с нагрузкой потребления электрической
энергии.
1. Системы электропитания
АТС
1.1 Общие сведения о
системах электропитания
Современная аппаратура электросвязи
строится на базе микроэлектронике с широким применением микросхем. Поэтому
требования к качеству и надежности подачи электрической энергии достаточно
высокие. Все электроприемники предприятия и сооружений в зависимости от
требований к надежности подачи электрической энергии разделяют на первую,
вторую и третью категории [1].
К первой категории отнесены
электроприемники перерыв в подаче электрической энергии которых может повлечь
за собой перерыв связей и вещания и, как следствие, нарушение передачи важной
информации. К первой категории отнесены технологические электроприемники
центральных усилительных станций, ГТС емкостью от 500 до 3000 номеров
включительно, районных узлов связи для сельскохозяйственных районов (РУС СХ).
Остальные технологические приемники отнесены ко второй и третьей категориям.
Предприятия электросвязи
подключаются к электрическим сетям энергосистем, как правило, через линии
электропередач (ЛЭП) и собственные трансформаторные подстанции, преобразующие
высокое напряжение 10 или 6 кВ в напряжение 0,4 кВ трехфазного переменного тока
с частотой 50 Гц. Однако надежность электрических сетей недостаточна для
обеспечения высокой надежности подачи электрической энергии к
электроприемникам. Поэтому электроснабжение предприятий связи осуществляется от
нескольких независимых друг от друга источников электрической энергии, в том
числе и от собственных автоматизированных электростанций. Кроме того, на
предприятиях электросвязи предусматривается резервирование электрической
энергии с помощью аккумуляторных батарей.
Для преобразования электрической
энергии, получаемой от источников электроснабжения, ее регулирования и
стабилизации в заданных аппаратурой пределах, резервирование с помощью
аккумуляторных батарей (АБ) и агрегатов бесперебойного питания (АПБ), а также
распределения и защиты на предприятии электросвязи оборудуется электропитающая
установка (ЭПУ), являющаяся частью электроустановки.
Таким образом, системы
электропитания должны удовлетворить следующим основным требованиям [1]:
обеспечить надежное и бесперебойное
электропитание аппаратуры электрической энергией требуемого качества;
иметь достаточно высокие
энергетические показатели (КПД и коэффициент мощности и удельные
объемно-массовые показатели);
быть максимально
автоматизированными;
иметь большой срок службы с
возможностью его модернизации.
1.2 Агрегаты
бесперебойного электроснабжения
Как показано в разделе 1.1,
предприятия электросвязи должны обеспечиваться электроэнергией без перерыва в
течение заданного времени. В зависимости от продолжительности этого времени и
требуемой мощности применяются различные агрегаты бесперебойного
электроснабжения (АБП). За рубежом для обеспечения АБП используется аббревиатура
UPS
(Uninterruptible Power Supply). В зависимости от рода выходного тока различают АБП переменного
и постоянного тока.
Требования по согласованию АБП с
нагрузкой регламентируют параметры качества электроэнергии на выходе агрегата.
К этим требованиям относятся: значение, нестабильность и пульсации выходного
напряжения; диапазон изменения выходного тока; значение и нестабильность
частоты выходного тока. Нагрузкой АБП служит электронная АТС, на входе которой
устанавливается источник электропитания. В случае сети переменного тока
источники в большинстве случаев содержат во входной цепи нерегулируемы
выпрямитель с емкостным фильтром, поэтому форма потребляемого ими тока
значительно отличается от синусоидальной.
По принятой терминологии различают
два класса АБП: «офф-лайн» и «он-лайн». У агрегата «офф-лайн» осуществляется
прямая подача электроэнергии сети потребителю в нормальном режиме и подключение
генератора синусоидального напряжения при авариях в электросети за время 2…10
мс. У агрегатов «он-лайн» при любых режимах функционирования сети
электроэнергия поступает на нагрузку от генератора синусоидального напряжения
со стабильными значениями напряжения, частоты, синусоидальности [2].
Оба класса АБП содержат инвертор,
преобразующий выпрямленное напряжение в синусоидальное выходное. К сетевому
выпрямителю подключается аккумуляторная батарея. Но если в АБП класса
«офф-лайн» инвертор подключается только при снижении напряжения сети ниже
заданного уровня, то в АБП класса «он-лайн» инвертор работает постоянно, благодаря
чему обеспечивается гальваническая развязка от сети, защита от перенапряжений и
провалов сетевого напряжения, ограничивается утечка информации по цепям
электроснабжения. В дипломном проекте будут рассмотрены АБП с постоянным
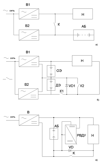
выходным напряжением (рисунок 1.1).
На рисунке 1.1, а, представлена
схема АБП при нормальном электроснабжении и отключенной АБ от нагрузки
(коммутатор К выключен). Нагрузка получает электрическую энергию от выпрямителя
В1. Аккумуляторная батарея находится в режиме содержания, получает подзаряд от
электрической сети через выпрямитель В2. При аварийном режиме в сети коммутатор
подключает нагрузку в АБ.
Для компенсации электрической
энергии при разряде АБ она может быть выполнена секционированной, т.е. состоять
из основных элементов ОЭ и дополнительных ДЭ (рисунок 1.1, б). В нормальном
режиме работы основные элементы подзаряжаются от сети через выпрямитель В1,
дополнительные элементы - через выпрямитель В2. При этом коммутатор К1 -
выключен, а коммутатор К2 включен. Нагрузка получает энергию от сети через
выпрямитель В1. В случае снижения напряжения сети ниже заданного уровня
коммутатор К2 выключается, а коммутатор К1 включается и нагрузка получает
напряжение от последовательно включенных основных и дополнительных элементов.
Рисунок 1.1 - АБП электроснабжения с
выходным постоянным напряжением
Для стабилизации выходного
напряжения АБП в переходных режимах используется регулирующее вольтодобавочное
устройство РВДУ (рисунок 1.1, в). Регулирующее вольтодобавочное устройство
преобразует напряжение постоянного тока. В нормальном режиме выпрямитель В
через включенный коммутатор К подает напряжение на нагрузку Н и одновременно
подзаряжает аккумуляторную батарею АБ. При отключении внешнего электроснабжения
коммутатор К выключается и одновременно включается РВДУ. Последнее обеспечивает
стабильность напряжения на нагрузке при работе от АБ, напряжение которой
снижается в процессе разряда. Диод VD, который служит для безобрывной коммутации, закрывается
напряжением РВДУ.
При появлении внешнего
электроснабжения выпрямитель В включается в режиме стабилизации тока и
обеспечивает энергией нагрузку и аккумуляторную батарею. После заряда АБ
выпрямитель переходит в режим стабилизации напряжения и АБП возвращается в
исходное состояние.
1.3 Система
электропитания с отделенной от нагрузки аккумуляторной батареей
К недостаткам буферной системы
электропитания с регулированием выходного напряжения коммутацией дополнительных
элементов АБ следует отнести: ступенчатое регулирование напряжения,
невозможность блочного наращивания установки; сложность вопросов резервирования
устройства АКАБ (автоматическая коммутация аккумуляторной батареи) и
автоматического заряда дополнительных элементов батареи.
На рисунке 1.2, изображена
функциональная схема системы электропитания (СЭП) с отключенной от нагрузки АБ
и с комбинированными выпрямителями на напряжение - 60 В. В состав ЭПУ входят:
аккумуляторная батарея из 28 элементов; зарядный выпрямитель, основной и
резервный комбинированные выпрямители; распределительные автоматическими
выключателями, с тиристорными ключами VS1, отделяющие АБ от входов конверторов комбинированных
выпрямителей, и тиристорные ключи VS2, подключающие в аварийных режимах работы ЭПУ шины РЩ
непосредственно к шинам АБ.
Комбинированный выпрямитель
представляет собой нерегулируемый выпрямитель (НУВ) и постоянно работающий
конвертор. Конвертор обеспечивает стабилизацию выходного напряжения ЭПУ. В
нормальном режиме работы ЭПУ тиристорные ключи VS1 и VS2 выключены. Питание
аппаратуры осуществляется от комбинированных выпрямителей. В установившемся
режиме напряжение на выходе ЭПУ (на шинах РЩ) поддерживается стабильным с
точностью ±2% установленного значения. В нормальном режиме работы ЭПУ зарядный
выпрямитель (ЗВ) работает в буфере с АБ, обеспечивая ее подзаряд стабильным
напряжением на уровне 2,2 В/эл. В случае отказа основного выпрямителя, выходное
напряжение на шинах РЩ (при токе нагрузке превышающем номинальный ток)
снижается, автоматически подключается АБ к нагрузке через тиристор VS2 и тем самым
резервирует вышедший из строя выпрямитель. Аналогичная операция происходит при
отключении сети переменного тока. Такое аварийное подключение АБ с ЗВ позволяет
обеспечить быстрое срабатывание элемента защиты в цепи короткого замыкания.
В случае отключения сети переменного
тока тиристорные ключиVS1 замыкают цепь питания нагрузки от АБ через конвертор
комбинированных выпрямителей. Этот режим работы будет иметь место до тез пор,
пока не будет восстановлено сетевое питание или пока АБ не разрядится до
напряжения 1,75…1,8 В/эл.
При восстановлении сетевого питания
ЗВ начинает заряжать АБ в режиме стабилизация тока. Через установленный
интервал времени питание конвертора переводится на НУВ (тиристорный ключ VS1 выключается). После
достижения напряжения 2,3…2,35 В/эл. АБ зарядного выпрямителя переводится в
режим стабилизации напряжения на уровне 2,2 В/эл.
Рисунок 1.2 - Функциональная схема
ЭПУ с отделенной от нагрузки АБ
1.4 Общий подход при
построении ЭПУ
Электропитание предприятий связи
осуществляется от внешних источников переменного тока, частотой 50 Гц.,
напряжением 380/220 В. Аппаратура, значительная ее часть, питается напряжением
постоянного тока различных номиналов. Для преобразования электрической энергии,
регулирования, распределения и резервирования различных номиналов напряжения
постоянного и переменного токов, необходимых для нормальной работы аппаратуры,
на предприятиях связи оборудуются электропитающие установки (ЭПУ).
В зависимости от характера электроснабжения,
мощности, потребляемой аппаратурой, а также от степени рассредоточения нагрузок
по каждому из номиналов напряжений могут применяться различные принципы
построения ЭПУ. Наиболее широкое
применение получил однобатарейный принцип построения ЭПУ.
При многобатарейном
принципе построения ЭПУ для каждого номинала напряжения постоянного тока
строится отдельная выпрямительно-аккумуляторная установка, т.е. применяется
ценрализованная система электропитания аппаратуры. В отличии от индивидуальной
системы, которая предполагает наличие отдельных источников для каждого узла,
блока, стойки и т.д., при централизованной системе все потребители каждого из
напряжений постоянного тока получают питание от одной
выпрямительно-аккумуляторной установки. В отдельных случаях, когда нагрузка по
отдельным напряжениям не может быть обеспечена выпускаемыми выпрямительными
устройствами и аккумуляторами, допускается применение двух и более
выпрямительно-аккумуляторных установок этого напряжения [1]. Централизованная
система более экономична, чем индивидуальная как по стоимости, так и по
энергетическим и габаритным показателям, однако она требует прокладки
распределительных сетей постоянного тока с малыми потреяи напряжения и поэтому
невыгодна при большой степени рассредоточения нагрузок по площади, особенно при
низких напряжениях. Еще одним недостатком централизованной системы является
также наличие непосредственной электрической связи между блоками аппаратуры по
цепям питания.
При однобатарейном
принципе построения ЭПУ оборудуется аккумуляторно-выпрямительная установка
(опорная) только на одно
напряжение [1].
При наличии потребителей
с несколькими номиналами напряжения постоянного тока они объединяются в
отдельные группы, каждая на свой номинал напряжения, питание которых осуществляется
от индивидуальных источников, т.е. реализуется однобатарейный принцип с
индивидуальными источниками питания.
Этот принцип полностью
реализуется при электропитании цифровых АТС. Опорная
выпрямительно-аккумуляторная установка строится на выходное постоянное
напряжение 60 или 48 В и размещается внепосредственной близости от АТС.
Необходимые номиналы напряжений, для питания микросхем, получают с помощью
индивидуальных стабилизированных конверторов, размещаемых непосредственно в
блоках самой АТС.
Структурная схема
однобатарейной ЭПУ с индивидуальными конверторами показана на рисунке 1.3.
В состав ЭПУ входят:
опорная выпрямительно-аккумуляторная установка с основным и резервным
бестрансформарными выпрямителями, зарядный выпрямитель, работающий в буфере с
аккумуляторной батареей и индивидуальные конверторы, на определенные номиналы
постоянного напряжения. Поскольку выпрямительные устройства
бестрансформаторные, то для получения типовых номиналов 60 или 48 В на выходе
выпрямителей ставятся преобразователи напряжения.
Для питания цифровой АТС
емкостью до 500 номеров опорная выпрямительно-аккумуляторная установка может
размещаться в шкафу самой АТС, как это выполнено в ЭПУ типа ПС-60/48 (рисунок
1.4) [3].
Бестрансформаторные
выпрямители, как правило, работают на емкостную нагрузки, напряжение, до
которого заряжается конденсатор примерно равно амплитудному напряжению сети
переменного тока, т.е.
Рисунок 1.3 - ЭПУ
цифровой АТС
Рисунок 1.4 - Установка
бесперебойного электропитания ПС-60/48У
Комбинированный
выпрямитель включает: помехоподавляющий фильтр; сетевой бестрансформаторный
выпрямитель; емкостной фильтр; преобразователь постоянного напряжения в
переменное; выходной выпрямитель с LC фильтром.
Зарядный выпрямитель имеет структуру
аналогичную основному комбинированному выпрямителю. В цепи аккумуляторной
батареи стоит управляемый преобразователь напряжения, который обеспечивает
постоянное выходное напряжение в процессе разряда АБ.
В нормальном режиме работы резервный
комбинированный выпрямитель может быть отключен от нагрузки с помощью диодной
сборки ДС и резервный выпрямитель может работать совместно с основным на общую
нагрузку. Подключение резервного выпрямителя осуществляется изменением
напряжения на катоде диодной сборки. В нормальном режиме работы зарядный
выпрямитель подзаряжает АБ, а при отключении сети переменного тока, АБ через
регулируемый преобразователь напряжения и тиристор VS1 обеспечивает
электрической энергией нагрузку.
1.5 Устройства
стабилизации тока и напряжения в импульсных блоках питания (ИБП)
Стабилизаторами напряжения или тока
называются устройства, автоматически поддерживающие напряжение или ток на
стороне потребителя с заданной степенью точности.
Основными дестабилизирующими
факторами, вызывающими изменение напряжения или тока на стороне потребителя,
являются: колебания питающих напряжений; изменения тока нагрузки; колебания
частоты тока питающей сети; изменения температуры окружающей среды и др.
Большая часть потребителей питается от промышленной сети переменного тока,
имеющей частоту 50 Гц. Колебания напряжения в такой сети могут достигать
-15…+10% от номинального значения. Изменение мощности, потребляемой аппаратурой,
вызывает изменения тока потребителя. Изменение тока приводит к изменению
падения напряжения на внутреннем сопротивлении источника и сопротивлении
соединительных проводов. Чем больше внутреннее сопротивление источника и
сопротивление соединительных проводов, тем больше будут изменения напряжения на
стороне потребителя с изменением тока нагрузки.
Основным назначением стабилизаторов
тока или напряжения является уменьшение влияния дестабилизирующих факторов.
Стабилизаторы разделяют в зависимости от рода тока на стабилизаторы переменного
напряжения или тока и стабилизаторы постоянного напряжения или тока. В свою
очередь они делятся на стабилизаторы параметрические и компенсационные.
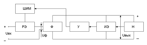
Компенсационные стабилизаторы
напряжения или тока представляют собой систему автоматического регулирования,
содержащие цепь отрицательной обратной связи (рисунок 1.5). Эффект стабилизации
в данных устройствах достигается за счет изменения параметров управляемого
прибора, называемого регулирующим элементом, при воздействии на него сигнала
обратной связи. В компенсационных стабилизаторах напряжения сигнал обратной связи
является функцией выходного напряжения, а в стабилизаторах тока - функцией
выходного тока.
В зависимости от вида регулирования
они, в свою очередь, подразделяются на непрерывные и импульсные. В схеме
(рисунок 1.5, а) стабилизатор питается от сети постоянного тока, регулирующий
элемент включен последовательно с нагрузкой.
Измерительный элемент (ИЭ)
сравнивает выходное напряжение с опорным, в результате чего на его выходе выделяется
сигнал рассогласования. Сигнал рассогласования усиливается усилителем (У) и
воздействует на регулирующий элемент (РЭ). Напряжение на регулирующем элементе
изменяется и компенсирует изменением выходного напряжения с определенной
степенью точности.
Рисунок 1.5 - схемы структурные
последовательных компенсационных стабилизаторов напряжения с непрерывным
регулированием
В схеме (рисунок 1.5, б) РЭ включен
в цепь переменного тока последовательно с первичной обмоткой трансформатора.
Напряжение вторичной обмотки
трансформатора U2 выпрямляется выпрямителем, фильтруется и поступает на нагрузку.
Измерительный элемент сравнивает выходное напряжение с опорным, выделенный
сигнал рассогласования усиливается усилителем и через устройство согласования
(УС) воздействует на РЭ, в результате чего напряжение на выходе схемы
поддерживается неизменным с определенной степенью точности [1]. Устройство
согласования обеспечивает гальваническую развязку цепей переменного и
постоянного тока. Недостатком непрерывных компенсационных стабилизаторов
напряжения является низкий КПД. Значительно большим КПД обладают импульсные
стабилизаторы напряжения. В зависимости от способа управления импульсные
стабилизаторы напряжения делятся на широтно-импульсные; амплитудно-импульсные и
релейные. Отличительной особенностью импульсных стабилизаторов является работа
регулирующего элемента в ключевом режиме, что позволяет уменьшить рассеиваемую
на нем мощность, повысить КПД схемы и улучшить массогабаритные показатели
источника электропитания. Наибольшее распространение получили стабилизаторы с
широтно-импульсным способом управления (рисунок 1.6).
Регулирующий элемент управляется
широтно-импульсным модулятором (ШИМ). На вход регулирующего элемента с
постоянной частотой поступают импульсы определенной длительности. Регулирующий
элемент периодически подключает источник постоянного тока ко входу фильтра.
Напряжение на входе фильтра представляет собой последовательность однополярных
прямоугольных импульсов определенной длительности, имеющих постоянную частоту.
Фильтр отфильтровывает переменную составляющую, и на его выходе выделяется
постоянная составляющая напряжения. При изменении выходного напряжения,
вследствие изменения напряжения на входе или тока нагрузки, на выходе ИЭ
появляется сигнал рассогласования. Сигнал рассогласования, усиленный
усилителем, воздействует на ЩИМ, что вызывает изменение длительности импульсов
на его выходе, а следовательно, и на входе фильтра. В результате постоянная
составляющая напряжения на выходе стабилизатора возвращается к своему
первоначальному состоянию.
Рисунок 1.6 Схема структурная
импульсного стабилизатора ШИМ
Импульсные стабилизаторы напряжения
обладают более высоким КПД, имеют меньшую массу и объем, чем стабилизаторы с
непрерывным регулированием. Однако если импульсные стабилизаторы питаются от
сети, имеющей частоту 50 Гц, то наличие в схеме низкочастотного силового
трансформатора в большой степени увеличивает его объем и массу и миниатюризация
источника электропитания становится проблематичной. Одним из наиболее
эффективных способов, с помощью которого может быть реализована задача
миниатюризации при низких выходных напряжениях и больших токах нагрузки,
является применение схем источников с бестрансформаторным входом. В
стабилизаторах с бестрансформаторным входом вместо силового низкочастотного
трансформатора используется сетевой выпрямитель, фильтр и высокочастотный
статический преобразователь.
Замена низкочастотного силового
трансформатора преобразователем позволяет значительно улучшить массогабаритные
характеристики стабилизатора. На рисунке 1.7, приведен один из возможных
вариантов структурной схемы стабилизатора напряжения с бестрансформаторным
входом.
Напряжение сети выпрямляется
выпрямителем СВ, фильтруется емкостным фильтром Ф и поступает на вход
преобразователя напряжения Пр. Постоянное напряжение, преобразованное
преобразователем в переменное высокой частоты, выпрямляется, фильтруется и
поступает на нагрузку. Сигнал рассогласования с выхода измерительного элемента
ИЭ, усиленный усилителем У и через цепь обратной связи воздействует на
устройство ШИМ, изменяя длительность выходных импульсов.
Рисунок 1.7 - Схема источника
электропитания с бестрансформаторным входом
1.6 Системы
бесперебойного питания предприятий связи
Электроснабжение АТС 1го…3го
поколений в качестве источников бесперебойного питания применялись установки
ВУТ, ВУК с АКАБ и ВБ. Эти установки обеспечивали предприятия связи качественной
электроэнергией, имели быстродействующую защиту от перегрузок и перенапряжений
на выходе и обеспечивали полностью автоматизированный заряд АБ в две ступени
[1]. Стабилизация выходного напряжения осуществлялась ступенчатым методом,
путем подключения дополнительных элементов к АБ, а в последнее время за счет
ВДК. Такой метод регулировки выходного напряжения не может быть использован при
питании электронных АТС. Для питания электронных АТС требуется ЭПУ с главной
регулировкой выходного напряжения при малых массогабаритах. На смену ВУТ, ВУК и
ВБ приходят импульсные источники питания.
Одним из первых таких источников
бесперебойного питания была установка УГПИ 66/18 [2], предназначенная для
обеспечения электроэнергией аналого-цифровых устройств. Агрегат работает в буфере
с аккумуляторной батареей, содержащей 30 кислотных аккумуляторов.
Агрегат рассчитан на входное
напряжение 220 В однофазного тока частоты 50 Гц или напряжения двух фаз сети
380/220 В переменного тока частоты 50 Гц и имеет следующие выходные параметры: номинальное
выходное напряжение 66 В; максимальный ток в режиме заряда батареи и работы на
нагрузку 37 А, в режиме содержания батареи и работы на нагрузку 18,5 А;
пульсация выходного напряжения не более 2 мВ.
Агрегат предназначен для
эксплуатации при температуре окружающей среды от 5 до 40оС и
относительной влажности воздуха до 80% пи температуре 25оС.
Электрическая структурная схема
агрегата УГПИ 66/18 приведена на рисунке 1.8, где ВО - выпрямитель основной, ВР
- выпрямитель резервный, УКНС - устройство контроля напряжения сети, УКНВ -
устройство контроля напряжения выпрямителя, УКТБ - устройство контроля батареи,
УКНБ - устройство контроля напряжения батареи, Ф - фильтр емкостной. Работает
агрегат следующим образом. Когда входное напряжение находится в допустимых
пределах, то выходное напряжение 69 В подается одновременно на нагрузку и на
заряд аккумуляторов. Зарядный ток регулируется в пределах (0,5…2) А с точностью
+/-0,5 А.
Рисунок 1.8 - Схема структурная
агрегата УГПИ 66/18
При снижении зарядного тока до
заданного значения заряд батареи аккумуляторов прекращается и агрегат начинает
работать в режиме содержания с одновременным обеспечением нагрузки напряжением
66 В. При отсутствии батареи аккумуляторов на нагрузку подается напряжение 60 В
от выпрямителей ВО и ВР. При выходе из строя рабочего выпрямителя ВО резервный
выпрямитель ВР автоматически становится рабочим. Выходное напряжение агрегата
при отсутствии батареи может снизиться до 48 В на время не более 0,4 С. Уменьшение
входного напряжения ниже 176 В приводит к выключению выпрямителей ВО и ВР. При
пропадании входного напряжения нагрузка обеспечивается электроэнергией от
батареи аккумуляторов. В случае длительного отсутствия входного напряжения и
снижения выходного напряжения до (53…58) В батарея аккумуляторов отключается от
нагрузки. При восстановлении входного напряжения агрегат переходит в нормальный
режим работы. В составе агрегата имеется защита от превышения выходного
напряжения, местная и дистанционная сигнализация состояний выпрямителей,
батареи аккумуляторов и агрегата в целом.
В последние годы разработаны новые
системы MPSU 3000, 6000, 9000, 12000 (3-12 kW) были специально
спроектированы для снятия с устройства максимальной мощности при сохранении
небольших размеров. Они используются там, где необходимы легкость расширения,
обслуживания и надежность при минимальных размерах.
Системы Flatpack MPSU 3-12 Kw управляются блоком
контроля и управления Flatpack MCU. Количество выпрямителей варьируется от 2 (MPSU 3000) до 8 (MPSU 12000).
Технология высокочастотных
преобразований позволяет уменьшить размеры и вес устройства и достичь высоких
выходных характеристик модуля. Системы работают в широком диапазоне входного
напряжения. Фактор мощности приближается к единице.
Разработана и внедряется система
бесперебойного электропитания ПС-60/48У для цифровых АТС и другой аппаратуры
связи. В состав системы входят:
входной узел коммутации напряжения
электропитания с функцией фильтра и защиты от перенапряжений;
выпрямитель с номинальным выходным
напряжением 60 В или 48 В максимальным выходным током от 5 до 90 А;
устройство управления, индикации и
сигнализации;
выходной узел коммутации и защиты
выходного напряжения.
Структурная схема системы питания
ПС-60/48У показана на рисунке -1.9.
Характеристики ПС-60/48У;
Два программных режима управления
работой системы:
местный - посредством встроенного
устройства ввода и отображения;
дистанционный - посредством ПК,
подключенного через оптоизолированный стык RS-232.
Автоматический переход на режим
электропитания нагрузки от АБ при пропадании (отключении) первичного напряжения
электропитания и автоматическое повторное включение выпрямителя после
восстановления первичного напряжения электропитания.
Отключение АБ при ее глубоком
разряде.
АБ работает или в буферном режиме
или режим отдельного содержания.
Измерение и контроль выходного
напряжения, напряжения на АБ, тока нагрузки, тока выпрямителя и тока АБ (при
заряде и разряде), температуры окружающей среды и АБ, доступ к этим данным в
обоих программных режимах.
Силовые узлы (выпрямитель и зарядное
устройство) реализованы по модульному принципу с «горячим» резервом. Силовые
узлы имеют два режима работы: стабилизация выходного напряжения и ограничение
выходного тока.
«Горячая» замена блоков силовых узлов.
Гибкое наращивание мощности [4].
Рисунок 1.9 - Схема структурная
системы ПС-60/48У
2. Основные узлы
импульсного блока электропитания АТС
.1 Входные выпрямители
импульсных блоков питания
электропитание
стабилизация импульсный
Входные выпрямители ИБП, как
правило, включают:
входной разъем; сетевой выключатель;
плавкие предохранители (автоматы защиты); помехоподавляющий фильтр сетевой
выпрямитель; сглаживающий фильтр; разрядный резистор. Типовые схемы входных
цепей источника электропитания показаны на рисунке 2.1.
Плавкий предохранитель F1 служит для отключения источника
питания от сети при неисправности (коротком замыкании или перегрузке) во
входных цепях источника. Инерционность предохранителя разброс установки срабатывания
по току не обеспечивают надежную защиту источника при перегрузках или коротком
замыкании в нагрузке.
Терморезистор RT1 имеет отрицательный
ТКС и предназначен для ограничения броска тока заряда конденсатора фильтра. При
включении источника терморезистор находится в холодном состоянии и его
сопротивление достаточно велико, благодаря чему ограничивается бросок тока
заряда конденсатора фильтра. С нагреванием терморезистора его сопротивление
уменьшается и рассеиваемая мощность на нем уменьшается. Такие ограничители
пускового тока применяются в источниках питания небольшой мощности (в
компьютерах, телевизорах и т.д.) В более мощных источниках электропитания
применяются специальные пусковые устройства, состоящие из гасящего резистора и
механического или электронного реле (рисунок 2.1б, в). На рисунке 2.1, г,
показана схема ограничения пускового тока с помощью тиристора VS1, резисторов Rогр, R1, R2, конденсатора С1 и выпрямителя В2
на диодах VD5…VD8.
Отсутствие в импульсных блоках
питания низкочастотного трансформатора питания и дросселя входного
сглаживающего фильтра (LC) существенно улучшит массогабаритные характеристики и увеличивает
КПД.
На рисунке 2.1, приведены схемы
входных выпрямителей, которые наиболее часто применяются в ИБП. Общим для них
является наличие резистора ограничения Rогр, который предназначен для ограничения зарядного тока конденсатора
сглаживающего фильтра Со при подключении ИБП к питающей сети.
(2.1)
где rc -
выходное сопротивление питающей сети;
rL - активное сопротивление обмоток дросселей фильтра защиты от
индустриальных помех и эквивалентное последовательное сопротивление
электролитических конденсаторов rпэ
фильтра сетевого выпрямителя и внутреннее сопротивление диода на
постоянном токе rп.
Сопротивления rL, rп,
rпэ могут быть взяты из технических условий на применяемые диоды,
дроссели и конденсаторы, значение r
с определяется экспериментально и в первом приближении может быть
принято равным 1 Ом.
а - m=2; б - m=6; в - m=3; г - схема ограничения пускового
тока
Рисунок 2.1 - схемы входных
выпрямителей источников питания с бестрансформаторным входом
В процессе работы ИБП на резисторе Rогр рассеивается значительная мощность. В этих случаях
ограничительный резистор после заряда конденсатора фильтра необходимо
шунтировать тиристором, как показано на рисунке 2.1, г, который во включенном
состоянии поддерживает падение напряжения на Rогр на уровне 1,5-2В. В схеме после подключения ИБП к питающей сети
происходит заряд конденсатора Со через ограничительный резистор Rогр, сопротивление которого выбрано в соответствии (2.1).
При этом, как правило время заряда Со
не превышает половины периода напряжения сети.
Сопротивление ограничительного
резистора определяется исходя из допустимого напряжения импульса тока через
диоды выпрямителя
Под действием напряжения
на конденсаторе Со начинает работать преобразователь и на обмотках
трансформатора Т (в том числе и на обмотке W2)
появится переменное напряжение, которое выпрямляется и через ограничительный
резистор R1 подается на управляющий электрод тиристора VS, в результате чего он открывается и шунтирует резистор Rогр.
Расчет амплитуды
импульса тока через диоды выпрямителя с емкостным фильтром в установившемся
режиме по известным методикам [6] дает значительно заниженное значение. Для
определения амплитуды импульсов тока могут быть рекомендованы эмпирические
соотношения, приведенные в таблице 2.1 [5].
Таблица 2.1 - Значение
амплитуды тока диода для некоторых схем выпрямителей
|
Тип выпрямителя
|
Iпр.u.
|
|
мостовой диодный выпрямитель однотактный трехфазный выпрямитель
|
(7-10) Io
(4-7) Io
|
Выпрямленное напряжение при
максимальной нагрузке для схем (рисунок 2.1) может быть определено по формуле
Uo=1/35Uc. (2.2)
Емкость конденсатора фильтра
сетевого выпрямителя Со рекомендуется выбирать исходя из максимально допустимой
амплитуды пульсаций на частоте следования импульсов напряжения на выходе
выпрямителя
. (2.3)
Для уменьшения
пульсаций, наводимых на входную цепь, на выходе двухтактного трехфазного
выпрямителя рекомендуется устанавливать лакопленочные или бумажные
конденсаторы.
Помехоподавляющий фильтр
(ППФ) предназначен для снижения уровня высокочастотных помех из сети в источник
и из источника в сеть. В состав ППФ входят дроссели и конденсаторы. Вносимое
затухание в полосе пропускания характеризуется падением напряжения на фильтре,
которое обычно не превышает 2% номинального напряжения сети. Конденсатор С1
оказывает значительное сопротивление для тока сети, в то же время
высокочастотного тока симметричной помехи этот конденсатор имеет малое
сопротивление. Обмотки дросселя L1
имеют одинаковое число витков и включены таким образом, чтобы создаваемые ими
магнитные потоки компенсировались и не намагничивали магнитопровод.
В этом случае
индуктивности обеих обмоток дросселя имеют максимальное значение независимо от
входного тока из сети. Магнитные потоки, создаваемые высокочастотными токами
взаимно компенсируются, чем достигается преимущество такого включения дросселя.
Через конденсатор С2
замыкается оставшееся после прохождения дросселя L1
часть симметричной высокочастотной помехи (рисунок 2.1, а). Кроме того, этот
конденсатор снижает уровень помех от выпрямителя VD1…VD4 как в сторону сети, так и в сторону нагрузки. Высокоомный
резистор R1 предназначен для разряда конденсаторов сетевого фильтра после
отключения источника питания от электрической сети.
Чтобы исключить
проникновение не симметричных импульсных помех от источника в сеть, применяются
конденсаторы C3, C4. Несимметричные
импульсные помехи могут проникать из инвертора в нагрузку через общий провод
цепи выпрямленного тока. В отдельных случаях этот провод соединяется с землей
через конденсатор малой емкости (единицы нанофарад). Через этот конденсатор
несимметричные помехи замыкаются внутри самого источника.
2.2 Транзисторные
усилители мощности
В ИБП применяются
однотактные транзисторные усилители мощности (УМ), схемы которых приведены на
рисунке 2.2 и двухтактные усилители мощности (рисунок 2.4).
Среди однотактных
усилителей мощности выделяют УМ с прямым включением (рисунок 2.2, а) и обратным
включением диода (рисунок 2.2, б).
а) б)
Рисунок 2.2 - Схемы
однотактных усилителей мощности
Однотактный усилитель
мощности с прямым включением диода VD2
и размагничивающей обмоткой Wp
(рисунок 2.2, а) применяется в одноканальных ИБП небольшой мощности. В этой
схеме диод VD2, включенный между выходом вторичной обмотки W2 трансформатора Т и дросселем L,
отпирается при открывании транзистора VT
и передает энергию в нагрузку через сглаживающий фильтр LCф. Для ограничения амплитуды импульса напряжения на коллекторе
транзистора VT, за время открытого состояния транзистора VT, применяют размагничивающую обмотку. Число витков
размагничивающей обмотки Wp
определяется по формуле
. (2.4)
Максимальное значение
коэффициента заполнения
. (2.5)
Амплитуда импульсного
коллекторного тока
. (2.6)
Для получения в схеме на
рисунке 2.2, а,
<0,9
при котором улучшается использование транзистора по коллекторному току и
повышается КПД, в УМ необходимо применять транзисторы с Uкэ н. max,
в несколько раз превышающим Uo max.
В однотактном УМ с
обратным включением диода (рисунок 2.2б) после открытия транзистора VT происходит накопление энергии в трансформаторе Т, причем диод VD в это время закрыт. После закрывания транзистора VT запасенная в трансформаторе энергия открывает диод VD, заряжает конденсатор Cф
и передается в нагрузку. При изменении напряжения питания, напряжения питания
УМ нестабильность напряжений на выходах всех выпрямительных каналов с
емкостными фильтрами практически одинакова. Поэтому УМ с обратным включением
диода целесообразно применять в многоканальных ИБП с выходной мощностью до 100
Вт.
Максимальный коэффициент
заполнения для УМ на рисунке 2.2, б, определяется по формуле
. (2.7)
Амплитуда импульса тока
транзистора
. (2.8)
Импульсы тока коллектора
транзистора VT в схеме на рисунке 2.2, а, имеют прямоугольную форму, а в схеме
на рисунке 2.2, б - треугольную. Вследствие этого при одинаковой выходной
мощности,
и
амплитуда
коллекторного тока транзистора VT
в схеме на рисунке 2.2, б, в 2 раза больше, чем в схеме на рисунке 2.2, а.
На рисунке 2.3, а,
приведена сдвоенная схема однотактного УМ с прямым включением диода. Она
состоит из двух однотактных УМ на транзисторах VT1,
VT2 с прямым включением диодов VD3
и VD4 и размагничивающими обмотками Wp1
и Wp2.
Выходы выпрямителей
обоих УМ объединены и подключены ко входу общего сглаживающего фильтра LCф.
При сдвиге управляющих
импульсов Uу1 и Uу2
на входе каждого усилителя на Тн/2 на входе LCф
фильтра обеспечивается режим работы двухтактных схем УМ с
.
В связи с этим при одинаковых выходной мощности и частоте преобразования
габариты и масса LCф
фильтра сдвоенного однотактного усилителя на 30-40% больше чем, у
двухтактного рисунок 2.4, а.
Рисунок 2.3 - Схема
однотактного сдвоенного УМ
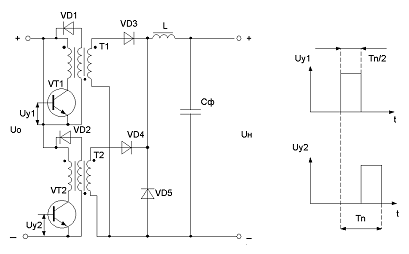
Полумостовой УМ (рисунок
2.4, б) наиболее часто применяется в ИБП. Транзисторы VT1
и VT2 открываются поочередно, в случае чего на первичной обмотке W1 трансформатора Т действует переменное напряжение с амплитудой,
близкой к Uо/2. При равных при амплитуде и длительности полуволнах напряжения
на обмотке W1 напряжение в точке соединения конденсаторов С1 и С2 равно Uо/2.
Основными преимуществами
схемы являются отсутствие насыщения сердечника трансформатора из-за разбросов
по длительности и амплитуде импульсов разной полярности, простой и надежный
способ исключения сквозных токов за счет дополнительного управления транзисторами
в зависимости от мгновенного значения и знака напряжения на обмотках
трансформатора, минимальные габариты и масса трансформатора. Максимальное
напряжение на коллекторах транзисторов в полумостовой схеме ровно напряжению
питания Uo. Амплитуда импульсов тока транзисторов при заданной выходной
мощности Рн определяется по формуле
. (2.9)
Конденсаторы С1, С2
следует применять лакопленочные или бумажные, допускающие работу на частоте fn со значительной амплитудой пульсаций. минимальная емкость
конденсаторов
. (2.10)
Электролитические
конденсаторы допускают значительно меньшую амплитуду пульсаций, чем
лакопленочные, поэтому при их применении увеличиваются габариты фильтра. С
целью уменьшения пульсаций с частотой преобразования на конденсаторе Со
(рисунок 2.4, б) на выходе сетевого выпрямителя между Со и конденсаторами С1,
С2 включают дроссель L1,
который обеспечивает также значительное уменьшение напряжения помех на выходных
зажимах ИБП.
Полумостовой УМ
целесообразно применять в одноканальных ИБП с выходной мощностью до 500 Вт при
питании от сетей с напряжением 380 В.
В мостовом УМ (рисунок
2.4, в) вместо конденсаторов делителя напряжения установлены транзисторы VT1, VT2, переключение
которых осуществляется так, что через первичную обмотку трансформатора Т
протекает переменный ток.
Амплитуда напряжения на
первичной обмотке трансформатора в мостовом УМ в 2 раза больше, чем у
полумостового, вследствие чего при использовании транзисторов одинакового типа
мостового УМ обеспечивает в 2 раза большую выходную мощность, чем полумостовой.
Амплитуда импульсов коллекторного тока транзисторов определяется по формуле
2.6. Сквозные токи в мостовом УМ нельзя устранить (как это делается в
полумостовом УМ), поскольку уменьшение до нуля напряжения на первичной обмотке
трансформатора Т может произойти при запирании только одного из двух ранее
открытых транзисторов. Для устранения сквозных токов в мостовом УМ вводится
фиксированная пауза в управляющем напряжении.
Рисунок 2.4 -
Двухтактные усилители мощности
Длительность паузы
должна превышать максимальное время запирания транзисторов. При несимметрии
полуволн напряжения на обмотках выходного трансформатора последний может работать
с насыщением, что приведет к увеличению импульсов коллекторного тока
транзисторов усилителя и потерь в них. Для исключения этого необходимо или
применить специальные схемы ограничения насыщения трансформатора или ввести
последовательно с первичной обмоткой трансформатора лакопленочный или бумажный
конденсатор с минимальной емкостью
. (2.11)
При подключении УМ к
электролитическим конденсаторам фильтра сетевого выпрямителя амплитуда
пульсаций на конденсаторах, как правило, превышает допустимое значение. Для
уменьшения амплитуды пульсаций с частотой fn
необходимо электролитическими конденсаторами фильтра Co и УМ включить, как показано на рисунке 2.4в пунктирной линией, L1C1
- фильтр, в котором С1 - лакопленочный или бумажный конденсатор, его
минимальная емкость
. (2.12)
Минимальная
индуктивность дросселя
. (2.13)
Мостовые усилители
обычно применяют в одноканальных ИБП с выходной мощностью более 500 Вт и
питанием от сети переменного тока с напряжением до 380 В. Для обеспечения
запаса по коллекторному напряжению используется последовательное включение
усилителей по питающему напряжению. На рисунке 2.5, приведены электрические
схемы такого включения двух полумостовых УМ с автоматическим выравниванием
питающих напряжений на каждом из них. В схеме на рисунке 2.5, а, один
полумостовой УМ выполнен на транзисторах VT1,
VT2, конденсаторах C1,
C2 и диодах VD1…VD4, а второй - на элементах VT3,
VT4, C3, C4 и VD5…VD8. Оба УМ включены последовательно по отношению к источнику
входного питающего напряжения Uo
и работают на общий трансформатор Т с двумя первичными обмотками
и
,
каждая из которых подключена к соответствующему УМ. Автоматическое выравнивание
напряжения питания на каждом УМ достигается за счет того, что конденсаторы с
большим напряжением, например С1 и С2 верхнего по схеме УМ, разряжаются под
действием коллекторных токов транзисторов VT1
и VT2, а конденсаторы с меньшим напряжением С3 и С4 нижнего по схеме
УМ заряжаются через диоды VD5
b VD6. Последнее объясняется тем, что амплитуда напряжения на обмотках
и
,
имеющих равное число витков, превышает в рассматриваемом случае напряжение на
конденсаторах С3 или С4 вследствие чего через диоды VD3
или VD4 протекают импульсы выравнивающего тока. Поскольку импульсы
выравнивающего тока протекают через первичную обмотку трансформатора являются
частью импульсов коллекторного тока транзисторов УМ (в рассматриваемом примере VT1 и VT2) возникает
необходимость ограничения их амплитуды, что является существенным недостатком
схемы.
Для ограничения
выравнивающего тока последовательно с первичными обмотками
и
включены
дроссели L1 и L2. Для возвращения в
источник питания энергии, накопленной в дросселях введены диоды VD3, VD4, VD7, VD8. К недостаткам
схемы можно отнести то, что из-за разбросов времени выключения транзисторов
может оказаться открытым только один из транзисторов УМ и через него потечет
удвоенное значение тока коллектора.
К достоинствам схемы УМ
на рисунке 2.5, а, следует отнести применение только одного трансформатора с
числом первичных обмоток, равных числу последовательно включенных УМ, одного
выходного выпрямителя VD9,
VD10 и сглаживающего фильтра (Lф,
Сф).
На рисунке 2.5, б,
показано последовательное соединение двух полумостовых УМ, каждый из которых
нагружен на свой трансформатор (Т1, Т2). Крайние выводы вторичных обмоток
трансформаторов Т1, Т2 через выпрямительные диоды VD5,
VD7 и VD6, VD8 объединены, а их средние выводы соединены между собой. В этой
схеме автоматическое выравнивание напряжений на каждом усилителе обеспечивается
за счет протекания тока первичной обмотки трансформатора только в том
полумостовом УМ, который находится под большим напряжением питания. Это
обусловлено большей амплитудой напряжения на его вторичной обмотке и
протеканием тока нагрузки только через те выпрямительные диоды, которые связаны
с этой вторичной обмоткой. При этом происходит разряд конденсаторов делителя
полумостового УМ с большим напряжением питания и заряд конденсаторов делителя
полумостового УМ с меньшим напряжением питания. Такой процесс протекает до
выравнивания напряжения питания на обоих усилителях. В процессе выравнивания
питания на последовательно включенных УМ коллекторный ток транзисторов УМ с
большим напряжением питания может вдвое превышать значение, которое,
установится после выравнивания напряжений.
Подобное явление возникнет из-за
разбросов времени включения транзисторов УМ, что приводит к протеканию
суммарного тока первичных обмоток трансформаторов через оставшийся еще
включенным транзистор УМ и является недостатком схемы.
В схеме на рисунке 2.5, б, не
требуется включения линейных дросселей последовательно с первичными обмотками
трансформаторов и соответствующих рекуперирующих диодов. Эта схема наиболее
часто применяется в ИБП. Выбор частоты преобразования fп, кГц в преобразователях для ИБП проводится с учетом времени спада
коллекторного тока транзисторов УМ tсм, мкс, по следующим
эмпирическим формулам [5]:
Рисунок 2.5 - Схемы
последовательного включения полумостового усилителя мощности
fп=10/tсп. (2.14)
2.3 Выходные
трансформаторы УМ
Трансформаторы усилителей мощности
выполняются на магнитопроводах из феррита НМ 2000. На частотах 10…60кГц
обладают малыми потерями и достаточно высокой магнитной проницаемостью.
Наиболее часто используются Ш - образные и колцевые магнитопроводы.
Кольцевые магнитопроводы
обеспечивают повторяемость электрических параметров трансформаторов в серийном
производстве и малую индуктивность рассеяния. Трансформаторы на Ш-образных
магнитопроводах отличаются высокой технологичностью и меньшей трудоемкостью
изготовления и наиболее предпочтительны при крупносерийном производстве.
Для трансформаторов полумостовых и
мостовых УМ индукция не должна превышать 0,2Т [5].
Схема замещения для мгновенных
значений тока и напряжения трансформаторов УМ приведена на рисунке 2.6, из
которой находится ток холостого хода трансформатора:
, (2.15)
где
-
электромагнитная постоянная времени первичной обмотки трансформатора.
Действующее и среднее
значение тока холостого хода определяются по формулам
. (2.16)
. (2.17)
В усилителях мощности
трансформатор при перемагничивании магнитопровода работает без захода в область
насыщения, поэтому
и
определяется по формуле
. (2.18)
где D, d - наружный и внутренний
диаметр магнитопровода;
Bm,
Hm- индукция и напряженность
магнитного потока;
h
- длина намотки.
Рисунок 2.6 - Схема
замещения магнитопровода трансформатора УМ
При перемагничивании
магнитопровода трансформатора УМ по предельному гистерезиса циклу с заходом в
область насыщения в схемах автогенераторов магнитная проницаемость материала
магнитопровода резко уменьшается, что приводит к снижению индуктивности
первичной обмотки трансформатора и увеличению максимального значения ток
холостого хода:
. (2.19)
С ростом частоты относительная
величина холостого хода уменьшается, составляя на частотах в десятки кГц
несколько процентов. Это позволяет выбирать провод первичной обмотки выходного
трансформатора УМ по действующему значению тока, найденному по току нагрузки на
вторичной стороне трансформатора
. (2.20)
Среднее значение падения
напряжения в обмотках трансформатора УМ при активной нагрузке определяется по
формуле
. (2.21)
Первое слагаемое (2.15)
представляет падение напряжения на активном сопротивлении обмоток
:
оно снижается с увеличением частоты и мощности (рисунок 2.6).
Второе слагаемое -
падение напряжения на индуктивности рассеяния обмоток: оно зависит от Ls и
скорости изменения тока di/dt на этапе формирования фронтов прямоугольного напряжения.
поскольку длительность этапа формирования фронта мала, то величина Lsdi/dt практически мало влияет на среднее значение выходного напряжения.
Индуктивность рассеяния первичной обмотки Ls1
в тороидальных трансформаторах УМ может быть сведена к минимуму при намотке
первичной обмотки по всему периметру и ближайшим ее расположением к
магнитопроводу. Снижение индуктивности рассеяния вторичной обмотки достигается
также намоткой ее по всему периметру магнитопровода. Учитывая малую толщину межобмоточной
изоляции в трансформаторах УМ при низком напряжении, небольшое число витков
обмоток на повышенной частоте преобразователя, влиянием падения напряжения на
индуктивности рассеяния можно пренебречь.
Рисунок 2.6 - Зависимости падения
напряжения в обмотках от мощности трансформатора от различных частот
2.4 Выпрямители
переменного напряжения прямоугольной формы
Транзисторные
регулируемые преобразователи напряжения создают на выходе переменное напряжение
прямоугольной формы (рисунок 2.7), причем относительную длительность паузы
между импульсом
/Т
можно менять в широких пределах. Выпрямитель, работающий от такого
преобразователя, имеет ряд особенностей. Главная из них - зависимость
постоянного выходного напряжения от относительной длительности импульса. Это
обстоятельство объединяет выпрямитель прямоугольного напряжения с регулируемым
тиристорным выпрямителем. В тиристорном выпрямителе регулировка выходного
напряжения достигается воздействием на вентили, т.е. элементы самого
выпрямителя, а в рассматриваемой схеме-воздействием на стоящий перед
выпрямителем преобразователь.
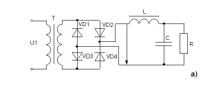
В мостовой схеме
выпрямителя (рисунок 2.7, а) напряжение между выходными точками моста Uo совпадает по форме с подводимой к выпрямителю с переменной ЭДС U1 и его ток
нарастает
в пассивную часть полупериода (интервал КТ-и<t<кТ)
дроссель разряжается на конденсатор и нагрузку и его ток спадает (рисунок2.7,
в).
Зарядный ток
проходит
по вторичной обмотке трансформатора, двум диодам VD1
и VD4 или VD2 и VD3, параллельно
соединенным, и конденсатору С к нагрузке R.
разрядный ток
проходит
через выходные зажимы (конденсатор и нагрузку), а в выпрямительном мосте
делится между двумя параллельными ветвями, каждая из которых состоит из двух
параллельно соединенных диодов
VD1,
VD3 и VD2, VD4.ЭДС, возникающая в дросселе при спадании до нуля выпрямленного
напряжения, открывает все четыре выпрямительных диода, и они начинают работать
как разрядные. По вторичной обмотке трансформатора проходит только зарядный
ток.
В течение паузы между
выпрямленными импульсами дроссель, находясь
под воздействием
постоянного напряжения Uo,
сохраняющегося на конденсаторе С, стремится перезарядиться. Время разряда
конденсатора должна больше интервала между импульсами и, в этом случае ток
дросселя будет непрерывным. Индуктивность дросселя должна больше критической.
Рисунок 2.7 -
Выпрямительное устройство, работающее от источника переменного прямоугольного
напряжения
(2.22)
Если L >> Lкр,
то токи в обмотках трансформатора имеют практически прямоугольную форму, а токи
диодов - ступенчатую. Для этого случая среднее и действующее значение токов
определяется по формулам []:
;
;
;
;
(2.23)
;
.
Габаритная мощность
трансформатора
. (2.24)
3. Электрические схемы
источника электропитания АТС
.1 Выбор структурной
схемы источника бесперебойного питания цифровой АТС
Вторичные источники
электропитания предприятий связи в настоящее время, как правило, выполняются в
виде двух функциональных узлов: сетевого (опорного) блока и функциональных
блоков, совмещаемых с электронным оборудованием самих АТС.
Представление о входящих
в источник электропитания функциональных звеньях, их роли в процессе
преобразования энергии и взаимодействии дает структурная схема рисунок 3.1.
Первым элементом этой схемы является первичный источник питания (ПИП).
Первичный источник - это устройство, в котором вырабатывается электрическая
энергия. Он является преобразователем одного из не электрических видов энергии
в электрическую. В качестве первичных источников питания для предприятий связи
являются промышленные сети промышленной энергии, а в качестве резервных
источников - химические (аккумуляторные батареи) с выходными напряжениями 60
или 48В.
Напряжение на выходе
первичного источника во время его работы не остается постоянным. В источниках
постоянного тока во время эксплуатации может меняться значение выходного
напряжения, а в источниках переменного тока - как амплитуда напряжения, так его
форма и частота. Все эти изменения сказываются на работе последующих блоков
источника питания, поэтому для получения хороших показателей от всего источника
при больших колебаниях напряжения первичного источника часто в схему вводят
стабилизатор первичного напряжения (СтПН рисунок 3.1).
Рисунок 3.1 - схема
структурная вторичного источника электропитания
Примером подобных
стабилизаторов является стабилизаторы переменного напряжения на магнитных
усилителях или входные стабилизаторы постоянного напряжения на транзисторах.
В инверторе (ИНВ)
осуществляется преобразование постоянного электрического тока в переменный. В
схеме рисунок 3.1 подразумевается, что первичный источник является источником
постоянного тока, т.е. считается, что система электроснабжения является
системой постоянного тока (аккумулятор).
Преобразование
постоянного электрического тока в переменный преследует три цели: - применить
трансформатор (Т) для гальванической развязки выходных звеньев от первичного
источника; - изменить до удобного значения напряжение, подаваемое на
последующие звенья; - получить напряжение переменное повышенной частоты для
успешной реализации возможности выполнения этого трансформатора с малыми
габаритами и массой.
Выпрямитель (выпр),
являющийся последующим каскадом рассматриваемой структурной схемы, превышает
переменное напряжение, полученное на выходе инвертора и повышенное или
пониженное трансформатором, вновь в постоянное.
Выпрямитель не создает
на своем выходе идеального постоянного напряжения. Помимо постоянной
составляющей на его выходе присутствуют гармоники выпрямленного переменного
напряжения, называемые пульсациями. Для уменьшения пульсаций на выходе
выпрямителя обычно включается сглаживающий фильтр (Ф).
Между фильтром и
нагрузкой в источниках питания часто ставится стабилизатор выходного напряжения
(СВН) или тока. Этот стабилизатор служит для поддержания постоянства напряжения
на нагрузке или тока в ней при изменениях сопротивления нагрузки, напряжения
первичного источника и т.д.
Помимо названных в
состав источника питания входит достаточно большое число других элементов и
устройств, которые называют вспомогательными (Всп.У). К ним относят специальные
схемы и аппараты, служащие для включения, выключения и регулировки режима
работы, как всего источника питания, так и его отдельных каскадов, схемы защиты
источника от возможных перегрузок и неправильных включений, устройства.
Не каждый источник питания
строится по приведенной структурной схеме. В ряде случаев отдельные звенья
могут и исключаться. В том случае, когда система электроснабжения работает на
переменном токе, первым элементом источника питания может быть выпрямитель.
Представленная структурная схема имеет один канал источника питания,
обеспечивающий только один из номиналов выходного напряжения. Современные
источники являются многоканальными, так обеспечивают электропитание по
нескольким каналам с различными номиналами напряжения и тока, их пульсациями и
стабильностями.
Ряд функциональных
элементов в многоканальных источниках могут быть общими. Разветвление каналов
производят как после первичного источника, так и после инвертора, выпрямителя и
т.д. Отдельные каналы одного источника питания могут содержать различное число
звеньев в зависимости от требований, предъявляемых к стабильности выходного
напряжения, пульсациям и т.д.
С целью повышения КПД
источника и его конструктивного упрощения стремятся применить такие
функциональные элементы, которые позволяют выполнить не одну, а ряд задач.
Например, применив регулируемый инвертор и управляя его выходным напряжением
так, чтобы на выходе выпрямителя создавалось стабильное напряжение, можно
получить заданное качество выходного напряжение источника и без выходного
стабилизатора.
С аналогичной целью
можно использовать и регулируемый выпрямитель, тогда инвертор можно применять
нерегулируемый. Инверторы и выпрямители, входящие в состав преобразователя,
обладают малыми габаритами, высокими надежностью и КПД, поэтому их применяют во
вторичных источниках, работающих от промышленной сети переменного тока (рисунок
3.2).
Рисунок 3.2 - схема
структурная импульсного блока питания (ИБП)
Эти источники включают в
себя бестрансформаторный выпрямитель сетевого напряжения (Выпр.1) фильтр (Ф),
инвертор (И), выпрямитель выходного напряжения (Выпр.2) и фильтр (Ф2).
Преимущество такого построения заключается в том, что трансформатор оказывается
включенным в участок сети, колебания в котором создаются инвертором и имеют
повышенную частоту (до 100 кГц).
3.2 Схема структурная
ЭПУ цифровой АТС
В настоящее время ЭПУ
цифровых АТС включают в себя два функциональных устройства: сетевой
комбинированный выпрямитель и источник из функциональных звеньев, выполненных
совместно с электронной аппаратурой самой АТС. Такое построение позволяет
значительно повысить КПД ЭПУ за счет уменьшения потерь в сильноточных и
низковольтных соединительных проводах «источник питания - аппаратура АТС». Как
комбинированный источник, так источник состоящий из функциональных звеньев,
расположенных непосредственно в самой АТС, строятся по схемам показанным на
рисунках 3.1 и 3.2. Структурная схема ЭПУ для цифровой АТС показана на рисунке
3.3. Комбинированный выпрямитель имеет три канала с выходными номиналами
напряжения 60В или 48В, в зависимости от типа аккумуляторной батареи. Первый и
основной канал - рабочий, второй канал - резервный и третий канал - канал
заряда аккумуляторной батареи. Основной и резервный каналы могут работать
поочередно или параллельно на общую нагрузку. Комбинированный выпрямитель
является общей частью ЭПУ с выходным напряжением 60В или 48В. Необходимые
номиналы напряжения, для питания электронной аппаратуры на микросхемах,
получают от источника из функциональных звеньев самой АТС.
Рисунок 3.3 - Схема
структурная базового ИИП
При нормальной работе
тиристоры VS1 и VS2 закрыты,
потребитель получает энергию от основного комбинированного выпрямителя,
стабильность выходного напряжения обеспечивается управляемым инвертором.
Инвертор управляется шротно-модулированными имульсами от схемы ШИМ,
длительность которых обратно пропорциональна величине выходного напряжения
.
Аккумуляторная батарея
находится в режиме содержания, получая подзаряд от промышленной сети через
зарядный выпрямитель и от нагрузки отключена закрытым тиристором VS2.
Резервный выпрямитель от
нагрузки отключен тиристором VS1.
С уменьшением напряжения в промышленной сети или неисправности основного
выпрямителя-тиристор VS1
включается и подключает резервный выпрямитель к нагрузке.
Аккумуляторная батарея
подключается к нагрузке путем включения тиристора VS2
автоматически при отключении электрической сети переменного тока.
3.3 Структурная схема
собственного низковольтного ИИП
Низковольтный источник
питания, размещается непосредственно на тех же платах, что и электронное
оборудование АТС или вне посредственной близости от них. Это позволяет
уменьшить потери напряжения в соединительных проводах.
В зависимости от типа
микросхем, на которых выполнена электронная аппаратура чаще всего от источника
питания требуются следующие номиналы напряжения:
;
;
и
.
При мощности,
потребляемой АТС Р=500ВА, токи этих источников распределяются 20А; 20А; 15А
соответственно.
Приняв за основу схему
источника питания на рисунке 3.1, структурная схема низковольтного источника
питания должна быть многоканальной, количество каналов должно равняться числу
номиналов напряжения, т.е. в разрабатываемом источнике должно быть три канала.
Структурная схема
низковольтного источника питания показана на рисунке 3.4.
Рисунок 3.4 - Схема
структурная трехканального низковольтного источника электропитания
3.4 Расчет компонентов
электрических схем выходных выпрямителей
Электрическая
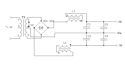
принципиальная схема выходного выпрямителя на 5В показана на рисунке 3.5
Выпрямленное напряжение
.
Ток каждого из выпрямителей Io=10А.
Пульсации выпрямительных
напряжений
.
Переменное напряжение имеет трапециевидную форму, период 2Т=20 мкс,
длительность фронтов tф=0,6
мкс время спада источника tсп=0,08
мк, а его внутреннее сопротивление
.
Рисунок 3.5 - Схема
электрическая принципиальная выпрямителя на
Выбор схемы выпрямления
и вентилей.
Источник выпрямленного
напряжения-высокочастотный; fп=50кГц,
поэтому воспользуемся рекомендациями [7], выбираем двухфазную схему выпрямления
со средней точкой во вторичной обмотке трансформатора и нагрузкой, начинающейся
с индуктивного элемента. В качестве индуктивного элемента выбираем
двухобмоточный дроссель типа Д13-21.
Технические характеристики
дросселя: внутреннее сопротивление
, ток в обмотке дросселя
;
индуктивность L=0,02мГн; габариты 16х36х30 мм; масса 62г.
Так ток нагрузки каждого
выпрямителя
,
то диоды выпрямителя должны иметь допустимый выпрямленный ток не менее 5А, а
допустимый прямой ток-равным 10А. Обратное напряжение, действующее на вентилях
основной схемы, в два раза превышает выпрямленное, поэтому допустимое обратное напряжение
вентиля должно быть больше 2х5=10В.
В качестве вентилей
выбираем диод 2Д239А, у которого допустимый прямой ток 15А, допустимое обратное
напряжение
,
порог напряжения Епор=0,7В, прямое падение напряжения Uпр=1В,
дифференциальное сопротивление rв=0,5В,
постоянная времени rд=0,5
мкс, предельная рабочая частота
.
Расчет выпрямителя [7].
Определяем время
рассасывания заряда не основных носителей в базовой области диода. Так как
значение
больше
трех, то применяем формулу (7,46) [7] и находим длительность этапа рассасывания
заряда не основных носителей в базовой области диода.
мкс.
Значение переменного
напряжения согласно (7,27) [7] определяется по формуле:
В.
или среднее значение
переменного напряжения
В.
Принимаем
В.
Т=20 мкс: Т=10 мкс: для
надежного запирания диодов принимаем интервал между импульсами
мкс.
Вычисляем пиковое
значение обратного тока диода.
А.
Мощность коммутационных
потерь в каждом из диодов выпрямителя в соответствии с (7,58) [7] определяется
по формуле:

Вт.
Полная мощность,
теряющаяся в диоде
Вт.
где Iв= действующее значение тока (2.17)
А.
При выборе емкости
выходного конденсатора выпрямителя будем исходить из того, что импульсные
пульсации будут больше разницы в амплитудах положительной и отрицательной
полуволн, вызванной ассиметрией обмоток и диодов. Это обеспечивает отпирание
каждого из диодов на весь полупериод выпрямленного переменного напряжения.
Пусть ассиметрия напряжения вторичной обмотки равна 1,5%, а ассиметрия диодов
(разница прямых падений напряжений) - 0,3В. Тогда разница в амплитудах полуволн
не превышает
В.
Допустим, что значение
пульсаций выпрямленного напряжения на конденсаторе
В.
Тогда
мкф.
Выбираем элементы
сглаживающего фильтра, обеспечивающие пульсации на выходе менее 5мВ, при этом
коэффициент пульсаций определяется по формуле
,
где
.
Для сглаживания
пульсаций, вызванных ассиметрией, требуется
При индуктивности
дросселя Д13-21, равной L=0,02мГн,
определяем значение емкости фильтра
мкф.
Выбираем стандартный
конденсатор типа К50-29-100В-100 мкф. Перечень компонентов схемы выходного
выпрямителя на +5В и -5В сведем в таблицу-3.1.
Таблица 3.1 - Перечень
компонентов схемы выходного выпрямителя на +5В и -5В
|
Схемное обозначение
|
Наименование компонента
|
Количество
|
|
Т1
|
Импульсный трансформатор
|
1
|
|
VD1…VD4
|
Диод 2Д239А
|
4
|
|
L1, L2
|
Дроссель Д13-21
|
2
|
|
С1, С2
|
Конденсатор К50-29-100В-1000 мкф
|
2
|
|
С3, С4
|
Конденсатор К10-17В-Н90-50В-1,5 мкф
|
2
|
Электрическая принципиальная схема
выпрямителя на +9В и -9В показана на рисунке 3.6.
Рисунок 3.6 - Схема электрическая
принципиальная выходного выпрямителя на 9В
Выпрямленное напряжение
.
Ток каждого из выпрямителей Io=10A. Пульсации выпрямленного напряжения
.
Переменное напряжение имеет трапецеидальную форму, период 2Т=20 мкс. (рисунок
2.7), длительность фронтов
, время спада тока
источника
,
внутреннее сопротивление выпрямителя
. Длительность каждой
полуволны трапециевидного напряжения
, интервал между
импульсами
.
По аналогии с выпрямителями
(раздел
3.3) выбираем двухфазную схему выпрямителя со средней точкой во вторичной
обмотке трансформатора Т2 и фильтром, начинающегося с индуктивного элемента. В
качестве индуктивного элемента выбираем дроссель типа Д13-21 с техническими
параметрами: сопротивление обмоток дросселя
; максимальный ток в
обмотках
; индуктивность дросселя
L=0,02мГн.
Допустимый ток диода в
прямом направлении Iд=10А; среднее значение
тока через диод
;
амплитуда переменного напряжения
В.
Принимаем U2m=17В.
Обратное напряжение,
действующее на диодах
В.
В качестве вентилей
выбираем диоды 2Д239А, у которого допустимый прямой ток
;
допустимое обратное напряжение Uобр=100В;
порог напряжения Епор=0,7В, прямое падение напряжения Uпр=1В, дифференциальное сопротивление rв
=0,5Ом, постоянная времени rд
= 0,5 мкс, предельная частота fп=500кГц.
Время рассасывания
заряда не основных носителей в базовой области диода. Так как значение rд/tсп = 0,6/0,08=7,5 больше трех, то можно применить формулу (7.46) [7]
и найти длительность этапа рассасывания заряда не основных носителей в базовой
области диода
мкс.
Пиковое значение тока
диода
А.
Мощность коммутационных
потерь в каждом из диодов выпрямителя в соответствии с (7.58) [7] определяется
по формуле:
Вт.
Полная мощность,
теряющая в диоде:
А.
При выборе емкости
выходного конденсатора выпрямителя исходим из того, что импульсные пульсации
будут больше разницы в амплитудах положительной и отрицательной полярности,
вызванной ассиметрии обмоток и диодов. На весь полупериод выпрямленного
переменного напряжения. Пусть ассиметрия напряжения вторичной обмотки равна
1,5%, а ассиметрия диодов (разница прямых падений напряжений) - 0,3В. Тогда
разница в амплитудах полуволн не превышает
В.
Допустим, что значение
пульсаций выпрямленного напряжения на конденсаторе
где
мкф.
Выбираем элементы
сглаживающего фильтра, обеспечивающие пульсации на выходе менее 2мВ, при этом
коэффициент пульсаций определяется по формуле:
, (3.12)
где
.
Для сглаживания
пульсаций, вызванный ассиметрией, требуется произведение
.
При индуктивности дросселя Д13-21, равной L=0,02мГн,
определяем значение емкости фильтра
мкф.
Выбираем стандартный
конденсатор типа К50-29-100В-100 мкф и конденсатор малой емкости Сф2=1
мкф для замыкания высокочастотных составляющих, выделяющихся на индуктивностях
выводов конденсатора большой емкости (Сф=100 мкф).
Сф2 -К10-17В-Н90-50В-1,5
мкф
Таблица 3.2 Перечень
компонентов схемы на рисунке 3.6
|
Схемное обозначение
|
Наименование компонента
|
Количество
|
|
Т2
|
Импульсный трансформатор
|
1
|
|
VD1…VD4
|
Диод 2Д239А
|
4
|
|
L1, L2
|
Дроссель Д13-21
|
2
|
|
С1, С2
|
Конденсатор К50-29-100В-100 мкф
|
2
|
|
С3, С4
|
Конденсатор К10-17В-Н90-50В-1,5 мкф
|
2
|
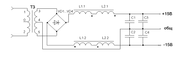
Рисунок 3.7 - Схема электрическая
принципиальная выходного выпрямителя на 15В
Электрическая
принципиальная схема выходного выпрямителя на
. показана на рисунке
3.7.
Выходной выпрямитель на
выполнен
на диодах VD1…VD4 представляет
два выпрямителя со средней точкой обмоток трансформатора. Выпрямленное
напряжение
получается
за счет протекания тока от точки 3, диод VD1,
дроссель L1.1, L2.1,
конденсатор С1, диод VD3,
точка 4. Второй полупериод ток протекает от точки 5, диод VD2, дроссель L1.1,
L2.1, конденсатор С1, точка 4 трансформатора Т3.
Выпрямитель
выполнен
на диодах VD3, VD4,
конденсатор С2, С4, дроссель L1.2,
L2.2, и вторичная обмотка трансформатора Т3. В один
полупериод ток протекает от точки 4, конденсаторы С2, С4,
дроссель L1.2, L2.2,
диод VD4, точка 3 трансформатора.
Ток каждого выпрямителя
А.
Среднее значение тока
через диод
А.
Амплитудное значение
переменного напряжения
В.
Принимаем
В.
Обратное напряжение,
действующее на диод
В.
В качестве вентилей
выбираем диоды 2Д 251В с техническими характеристиками: Uобр=100В; прямой ток диода Io=10A; предельная частота fпр=200кГц;
время восстановления tвос=0,05с;
порог напряжения Епор=0,7В; прямое падение напряжения Uпр=1В; дифференциальное сопротивление rв=0,5Ом;
постоянная времени диода rд=0,6
мкс.
Для значения rд/tсп=0,6/0,05=12 больше 3 применяем формулу (7.46) [7] и находим
длительность этапа рассеивания заряда не основных носителей в базовой области
диода.
мкс.
Пиковое значение
обратного тока диода
А.
Мощность коммутационных
потерь в каждом из диодов
Вт.
Полная мощность,
теряющая в диоде
Вт.
где
А.
Разность в амплитудах
полуволн
В.
Приняв произведение
,
находим значение
мкф.
.
3.5 Электрическая схема
инвертора и расчет ее компонентов
Электрические схемы
инверторов отличаются друг от друга способом подключения ключевых транзисторов
к трансформатору. Различают три схемы: так называемую полумостовую (рисунок
2.4, б), мостовую (рисунок 2.4, в) и с первичной обмоткой, имеющей отвод от
середины (рисунок 2.4, а)
На сегодняшний день
наибольшее распространение получил полумостовой преобразователь. Для него
необходимы два транзистора с относительно невысоким значением напряжения Uкэ.max.
Как видно из рисунка 2.4, б, конденсаторы С1 и С2 образуют делитель напряжения,
к которому подключена первичная обмотка трансформатора Т. При открывании
ключевого транзистора амплитуда импульса напряжения на обмотке достигает
значения Uист-Uкэ.нас.
Мостовой преобразователь
аналогичен полумостовому, но в нем конденсаторы заменены транзисторами VT3, VT4. (рисунок 2.4,
в), которые открываются парами по диагонали. Этот преобразователь имеет более
высокий КПД за счет увеличения напряжения, подаваемого на первичную обмотку
трансформатора, а следовательно, уменьшения тока, протекающего через
транзисторы VT1…VT4. Амплитуда
напряжения на первичной обмотке трансформатора в этом случае достигает значения
Uист-Uкэ.нас.
Особняком стоит
преобразователь по схеме рисунок 2.4, а, отличающийся наибольшим КПД.
Достигается это за счет уменьшения тока первичной обмотки и, как следствие,
уменьшения рассеиваемой мощности в ключевых транзисторах, что чрезвычайно важно
для мощных импульсных блоков питания (ИБП).
Амплитуда напряжения
импульсов в половине первичной обмотки возрастает до значения Uист-Uкэ.нас. Следует отметить, что в отличии от остальных преобразователей
для него не нужен входной развязывающий трансформатор
В устройстве по схеме на
рисунке 2.4, а необходимо использовать транзисторы с высоким значением Uкэ.max.
Поскольку конец верхней половины первичной обмотки соединен с началом нижней,
при протекании тока в первой из них (открыт VT1)
во второй создается напряжение, равное (по модулю) амплитуде напряжения на
первой, но противоположное по знаку относительно Uист.
Иными словами, напряжение на коллекторе закрытого транзистора VT2 достигает 2Uист,
поэтому его Uкэ.max.
должно быть более 2Uист.
В собственном источнике
питания электронной аппаратуры АТС, в качестве источника электрической энергии
применяется базовая ЭПУ с выходным постоянным напряжением +60В, исходя из выше
сказанного целесообразно в качестве преобразователя напряжения применить схему
на рисунке 2.4, а, т.е. двухтактный преобразователь с трансформатором,
первичная обмотка которого имеет средний вывод. Практическая схема такого
преобразователя приведена на рисунке 3.8.
Схема управления
формирует двухтактную последовательность импульсов с разделительной паузой на
нуле. При включении импульсного источника питания (ИИП) к каналам транзисторов VT1, VT2 прикладывается
постоянное напряжение. При этом возникает емкостной делитель напряжения между
затворами и стоками, затворами и истоками. Внизу большого входного напряжения
полевых транзисторов к затворам может быть приложено недопустимо высокое
напряжение (вплоть до потенциала стока) и транзисторы выйдут из строя. Для того
чтобы избежать такой ситуации, между затворами и истоками транзисторов включены
резисторы R3 и R4.
Рисунок 3.8 -
Электрическая принципиальная схема преобразователя напряжения +60В
Амплитуда импульсов
напряжения ЭДС самоиндукции трансформатора Т, приложенных к транзисторам VT1 и VT2, зависит от
индуктивности рассеяния первичной обмотке трансформатора Т и скорости изменения
тока стока коммутирующих транзисторов. Для ее уменьшения прраллельно каналам
транзисторов включены демпферные диоды VD3,
VD4, уменьшающие тепловыделение в транзисторах. Диоды шотки VD1, VD2 защищают
коммутирующие транзисторы и выходы микросхемы управления от импульсов обратного
напряжения.
С момента включения в
сеть до возбуждения инвертора микросхема управления получает электропитание от
дополнительного высокостабильного источника. После возбуждения инвертора
микросхему питает вспомогательный выпрямитель VD9…VD12. Элементы VD5…VD8 входят в состав выходного выпрямителя.
3.6 Расчет компонентов
схемы инвертора
При расчете компонентов
схемы следует исходить из выходной мощности каналов ИИП:
й канал
(5В) - 100Вт (ток нагрузки 20А: напряжение Uo=5В)
й канал
(9В) - 200Вт (ток нагрузки 20А: напряжение Uo=9В)
й канал
(15В) - 200Вт (ток нагрузки 15А: напряжение Uo=15В)
Для обеспечения заданных
мощностей выбираем полевые транзисторы типа КЕ716А(SGP30N60HS) [8].
Транзисторы 2Е715, КЕ716А, КЕ718А, КЕ718А1 могут быть использованы в различных
переключательных устройствах, в импульсных источниках питания. Параметры
транзистора КЕ716А: - Pcmax=250Вт
- максимально допустимая мощность рассеивания на стоке полевого транзистора;
Uзи.отс=3…5В
- напряжение отсечки затвор-исток полевого транзистора;
Uсиmax=600В максимально допустимое напряжение затвор-исток полевого
транзистора;
Uз-и.
max =20В
- максимально допустимое напряжение затвор-исток полевого транзистора;
крутизна вольтамперной
характеристики
rс-и
max
Ом;
- максимально допустимый
постоянный ток стока полевого транзистора.
Расчет резисторов R3, R4 производится исходя из
допустимого напряжения Uз.с.=3…5
и ток затвор-сток несколько mA.
кОм.
Выбираем стандартный
резистор С2-23-0,25-1,3кОм. Резисторы R1,
R2 подбираются экспериментально и не превышают единицы Ом.
Выбираем
(С-2-33Н
- 0,25-10Ом) Демпферные диоды VD3,
VD4 выбираются из наибольшего импульсного напряжения на обмотке
трансформатора, которое для схемы (рисунок 3.8) должно быть не менее
и
ток разряда 10А.
Выбираем диод типа
2Д231Б. Обратное напряжение U=200В,
Iд=10А. Диоды Шотки низковольные и маломощные. Выбираем диоды VD1, VD2 типа
3.7 Расчет силовых
трансформаторов
При мощности
трансформатора порядка сотни Вт и низких напряжениях необходим провод большого
сечения, поэтому вместо одного применяют два и более параллельных проводов,
намотка которых производится одновременно. В этом случае конструкция
магнитопровода должна быть разъемной.
Трансформатор
выполняется с одной первичной и двумя вторичными обмотками. Все обмотки имеют
средний вывод. Частота в обмотках трансформатора f=50кГц.
Напряжение на первичной обмотке определяется входным напряжением источника
электропитания и схемой инвертора. Входное напряжение источника Uо=65В. Схема инвертора двухтактная со средней точкой обмотки
трансформатора (рисунок 3.8)
Напряжение на вторичных
обмотках заданы с учетом падения напряжения на диодах выходных выпрямителей: U2=8В; U3=12В
Токи обмоток 2 и 3 определяются нагрузками: I2=20A; I3=0,5A.
Диапазон изменения
температуры окружающей среды, которая определяет его работоспособность.
Последовательность
расчета:
Выходная мощность
трансформатора
В.А.
принимаем КПД
трансформатора на основании статистических данных
тогда
входная мощность трансформатора
В.А.
Входной ток
трансформатора
А.
Округляем значение
входного тока I1=2,6A.
По значениям входной
мощности Р1=168В.А. для частоты 50Гц выбираем из таблицы 5.17 [2] типоразмер
магнитопровода Ш12Х15 марки М2000НМ1-14.
площадь поперечного
эффективного сечения выбранного магнитопровода Ас=1,8см2.
площадь поперечного
сечения провода обмотки определяется допустимой плотностью тока
j
.
Для первичной обмотки
принимаем
j
Тогда
q1=I1/j1=2,6/3=0,86мм2
В качестве обмоточного
выбираем провод марки ПЭТВ-2 (таблица 5.18 [2]).
Для увеличения
коэффициента заполнения окна магнитопровода и снижения потерь мощности берем
два провода с диаметрами по меди dм1=0,75
мм (сечение 0,44156мм2) и по изоляции dиз1=0,83
мм.
Для вторичной обмотки
принимаем
j2
=3,5А/мм2. Тогда сечение провода второй обмотки
2=I2/j2=20/3,5=5,71мм2.
Берем два провода с
диаметром по меди 1,9 (сечение q2=2,83мм2) и по изоляции
2,01 мм.
Для третьей обмотки
принимаем j3=2,5А/мм2.
Тогда q3=0,5/2,5=0,2мм2
этому сечению соответствует провод с диаметром по меди dм3=0,5
и диаметром по изоляции dизз=0,56
мм.
число витков первичной
обмотки n1=2 x
n.
.
где Кф - коэффициент
трансформируемого напряжения (для меандра Кф=1).
Согласно таблицы 5,17
[2] индукция в выбранном магнитопроводе при частоте f=5
104 Гц не должна превышать значения 0,16Ел.
Тогда число витков одной
половины первичной обмотки
витка.
Для удобства
расположения витков первичной обмотки принимаем n1=16
витков, n =2n1=32
витка.
значение напряжения,
приходящееся на один виток первичной обмотки
В/виток.
число витков обмотки 2.
где m2 коэффициент, учитывающий падение напряжения на обмотке 2 согласно
таблицы 5.17 [2] для выбранного магнитопровода падение напряжения
.
Принимаем
Для
этого значения напряжения коэффициент m2=1,005.
Тогда число витков полуобмотки
витка.
округляем полученное
значение до 2,5 витка.
число витков обмотки 3.
.
Для обмотки 3 принимаем
и
m3=1,004. Тогда число витков
витков.
Округляем число витков
до n3=3.
Число витков,
размещаемое в одном ряду обмотки размещается на изолированном каркасе. В
первичной обмотке
д1
где Lн=27 мм - размер каркаса по высоте окна:
Ку1=0,95 -
коэффициент укладки провода первичной обмотки.
Для выбранного
магнитопровода Lн=27
мм. Тогда д1=
витка.
Число витков округляем в
меньшую сторону и принимаем д1=15 витков.
В обмотке 2 согласно
расчета число витков обмотки равно n=2n2=2x2,5=5 витков.
д2=
витка.
Вторая обмотка укладывается
в один ряд. В обмотке 3
д3=
витков.
Число слоев в обмотках.
В первичной обмотке
число слоев
где Кпар -
коэффициент, учитывает количество параллельных проводов, используемых при
изготовлении обмотки. Кпар=2.
.
Число слоев окруляем в
сторону больших значений и принимаем N1=3.
В обмотке 2 число слоев N2=1
В обмотке 3 число слоев

Принимаем N3=1.
Обмотку 3 размещаем в
незаполненном слое первичной обмотки. Размеры обмоток по высоте намотки.
Высота 1й
обмотки
где Крi - коэффициент разбухания обмотки;
д - толщина
межслоевой изоляции (таблица 5.19 [2]).
Высота первичной обмотки
мм.
Высота обмотки 2
мм.
Изолирующие зазоры в
конструкции катушки.
Выбираем
среднестатистическое значение воздушного зазора между магнитопроводом и
каркасом равным 0,4 мм. Толщина каркаса hк
определяется размерами магнитопровода и размерами испытательного
напряжения. Для приведенных выше условий принимаем hк=0,8
мм.
Межслоевая и
межобмоточная изоляция выбирается в соответствии с рекомендациями, помещенными
в таблице 5.19 [2] между каркасом и первичной обмоткой помещены два слоя
изоляционной бумаги марки К-120 (толщина двух слоев 0,12х2=0,24 мм) и один слой
пленки марки ПЭТЭ толщиной 0,012 мм. Так же выполнены изоляционный промежуток
между первичной и вторичной обмотками и внешняя изоляция. Кроме того,
дополнительно снаружи помещается слой ленты из бумаги К-120 (толщина слоя 0,12
мм). Таким образом, суммарная толщина изоляции hк-1
между каркасом и первичной обмоткой равна 0,252 мм между первичной и вторичной
обмотками. Толщина внешней изоляции hвн=0,252+0,12=0,372
мм.
Толщина катушки,
определяется размерами обмоток, каркаса и электроизоляционных зазоров, равна
мм.
Полученное значение
меньше
минимального размера окна магнитопровода ho=9
мм, что обеспечивает размещение катушки в окне.
Длина средних витков
обмоток.
Средний виток обмотки 1
мм.
Средний виток обмотки 2
мм.
Lcp3=Lcp1.
Cопротивление
обмоток постоянному току при температуре окружающей среды
Сопротивление первичной
обмотки
где
-
удельное электрическое сопротивление медного провода, равное
,0175 Омм м2/м
q1
- сечение провода первичной обмотки (два провода по 0,44мм2).
Ом.
Сопротивление обмотки 2
Ом.
Сопротивление обмоток
переменному току
R~i=K~iRi;
i=1; 2; 3,
где К~I - коэффициент увеличения активного сопротивления от частоты f, определяемый по графикам (рисунок 5.28 [2].
Сопротивление обмотки 1
R~1=K~1R1=1,2x0,036=0,043 Ом.
К~1=1,2.
(диаметр провода обмотки (0,8-1) мм и f=50кГц.
Потери в обмотках меди
i=1; 2; 3,
где
-
температурный коэффициент сопротивления, учитывающий температуру перегрева
обмотки
относительно
температуры окружающей среды
.
Для меди коэффициент v=0,004 1/град.
Ограничим допустимый
перегрев обмоток относительно температуры окружающей среды значением 70оС.
Тогда температурный коэффициент:
Потери в обмотках
составят:
Вт.
Вт.
Потери в меди обмотки 3
из-за малости тока в обмотке и малого сопротивления в расчетах не учитываются.
Суммарные потери в меди
обмоток
Рм=Рм1+Рм2=0,37+1,53=1,9Вт
Потери в феррите
магнитопровода Рф=Руд х Мф
где Руд -
удельные потери в магнитопроводе, определяемые по формуле
f*=1кГц
- базовое значение частоты;
=1Тл - базовое значение
индукции;
- коэффициенты,
полученные экспериментально и приведены в таблице 5.20 [2] для некоторых марок
ферритов:
Мф - масса
магнитопровода; Мф=0,046х2=0,092г.
Из таблицы 5.2 [2]
находим для феррита марки М2000НМ1
Вт/кг;
v=1,2;
.
Значение рабочей частоты f=50r=кГц берем из исходных данных, значение индукции Вт=0,115Тл. Тогда
Вт/кг.
Вт.
Потери в трансформаторе
Ртр=Рм+Рф=1,9+2,43=4,33Вт.
Проверяем КПД на
основании полученных расчетных значений мощностей

Таким образом, значение
КПД принятое в начале расчета
достаточно близко
соответствует расчетному значению.
Уточняем значение
входного тока трансформатора
Активная составляющая
тока холостого хода
А.
Реактивная составляющая
тока холостого хода
,
где Н=В/
В=0,115Тл;
-
эквивалентная магнитная проницаемость, определяемая из таблицы 5.17 [2] для
магнитопровода Ш12х15:
Lср.ф
=9,67 см - длина средней линии магнитопровода Ш12х15 из таблицы
5.17 [2].
Вычисляем значение Н и
:
А/см.
А.
Уточняем значение
входного тока:
А.
А.
Учитывая, что
в
цепи первичной обмотки при нагруженном трансформаторе имеет значение
ориентировочно 0,9 окончательно уточненное значение входного тока
А.
Определяем падение
напряжения на обмотках трансформатора. Падение на первичной обмотке:
В.
Падение на обмотке 2:
В.
Перегрев обмоток
трансформатора
где
температурный
коэффициент мощности из таблицы 5.17 [2]
С.
При температуре
окружающей среды +45оС нагрев обмоток составит:
С.
Если температура
окружающей среды выше 45оС, то необходимо принудительное воздушное
охлаждение или трансформатор устанавливается на радиатор.
Расчет трансформатора
для канала с Uoвых=9В
Расчет производим по
методике, изложенной в разделе 5.3.1
Тогда произведем расчет
только основных параметров.
Выходная мощность трансформатора
Р2. P2=U2I2+U3I3,
где U2=Uo+Iд1ri+Iдрriдр=9+5х1+10х0,01=14,1В
В.А.
Принимаем КПД
трансформатора на основании статистических данных
Тогда входная мощность
трансформатора
В.А.
Входной ток
трансформатора
А.
По значениям входной
мощности
для
частоты f=50кГц выбираем из таблицы 5.17 [2] типоразмер магнитопровода Ш12х15
марки М2000НМ1.
Площадь поперечного
сечения выбранного магнитопровода Ас=1,8см2.
Площадь поперечного
сечения провода обмотки трансформатора определяется допустимой плотностью тока
.
В качестве обмоточного провода выбираем провод марки ПЭТВ-2. Для увеличения
коэффициента заполнения окна магнитопровода берем два провода с диаметром по
меди dм1=1 мм (сечение 0,7854) и по изоляции du31=1,09
мм.
Для второй обмотки (по
аналогии с предыдущим трансформатором) q2=20/3=6,666мм2
(d2м=2,12 х 2; duз2=2,24
х 2).
Для третьей обмотки q3=0,5/3=0,166мм2. (dм3=0,5
мм; duз=0,58
мм)
Магнитная индукция
В=0,115Тл. Тогда число витков первичной обмотки
n1=16
витков (двух полуобмоток n1(2)=32
витка:
Значение напряжения,
приходящееся на один виток первичной обмотки
е=U1/n1=65/16=4,06В.
Число витков обмотки 2
(полуобмотки)
витка.
Принимаем n2=3,5 витка, а двух полуобмоток n2(2)=7
витков.
Число витков обмотки 3
витка. принимаем n3=3 витка.
Остальные параметры
будут такими же как и у трансформатора с выходным напряжением Uo=5В
Расчет параметров
трансформатора для канала с выходным напряжением Uo=15В.
Выходная мощность
трансформатора
В.А.
где
В.
Принимаем КПД
трансформатора 0,98 для частоты f=50кГц
находим входную мощность трансформатора
В.А.
Входной ток
трансформатора I1=P1/U1=294/65= 4,52А.
По значению входной
мощности Р1=294В.А. для частоты 50кГц выбираем из таблицы 5.17 [2]
типоразмер магнитопровода Ш12х15 марки М2000НМ1-14. Все параметры для данного
магнитопровода приведены в разделе «Расчет трансформатора с выходным напряжением
каналаUo=5В; Ас=1,8см2;
j=4,4A/мм2;
В=0,115Тл:
Сечение провода
первичной обмотки q1=I1/j=4,52/3,5=1,29мм2
Намотку ведем двумя
проводами, сечением q1=0,646
диаметром по меди dм1=0,9
мм, с изоляцией du31=0,99
мм
Сечение провода обмотки
2
q2=I2/j=15/3,5=4,28мм2.
При замене на два
параллельных провода q2(2)=2,14мм2,
диаметр по меди каждого
dм2=1,7
мм, а по изоляции duз2=1,81
мм.
Число витков первичной
обмотки (полуобмотки)
витка.
Принимаем
витков.
Число витков всей
обмотки
витка.
Значение напряжения,
приходящееся на один виток первичной обмотки
В/виток.
Число витков обмотки 2.
витка.
Принимаем
витка.
Вся обмотка 2 состоит из двух полуобмоток
витков.
3.8 Импульсный источник
питания мощностью 100 Вт
В настоящее время существует три
основных пути разработки импульсных источников питания (ИИП). Первый -
использование только дискретных элементов, второй - сочетание маломощных
микросхем и мощных коммутирующих транзисторов, третий - применение микросхем с
внутренними мощными транзисторами. Первый путь, по которому шли в 80 годах
прошлого века, морально устарел, его оправдание - широкая распространенность и
небольшая стоимость дискретных элементов. Третий путь наиболее прогрессивен,
поскольку позволяет существенно сократить число элементов и время изготовления
источника. Однако микросхемы с мощным входом для ИИП пока еще дороги и
недостаточно распространены [9]. При разработке ИИП с мощностью 100 Вт. и
выходным напряжением +/-5 В выбираем второй путь, поскольку обеспечивает значительное
уменьшение стоимости и время изготовления.
ИИП на 100 Вт. является одним из
каналов собственного источника питания АТС.
Основные технические характеристики
ИИП:
максимальный ток нагрузки - 10 А;
выходное напряжение без нагрузки
+/-5 В;
при максимальном токе нагрузки +/-5
В;
ток срабатывания нагрузки - 15А;
максимальная амплитуда пульсаций -
2мВ;
частота преобразования - 50 кГц;
КПД при максимальном токе нагрузки
з=0,85.
Полная схема ИИП мощностью 100 Вт.
представлена в приложении А. Основа ИИП - двухтактный преобразователь
(инвертор) постоянного напряжения аккумуляторной батареи +65 В. на мощных
полевых транзисторах с изолированным затвором VT1, VT2 с внешним возбуждением
от генератора на микросхеме DA2. Микросхема обеспечивает защиту от перегрузки по току.
Генератор импульсов
возбуждения выполнен на ШИ контролере - микросхеме K1156EУ2P(DA2), включенный по типовой схеме [10]. Он формирует двухтактную
последовательность прямоугольных импульсов с разделительной паузой на нуле.
Контролер содержит узел плавного пуска, источник опорного напряжения и
компаратор, обеспечивает стабилизацию выходного напряжения и ограничение
потребляемого инвертором тока. Подстроечный резистор R12
и конденсатор C13 определяет частоту преобразования. Для частоты преобразования
50 кГц (период следования импульсов 20 мкс.) частота генератора должна быть в
два раза больше, т.е.fг=100кГц,
а Т=10 мкс. Задаемся величиной резистора R12=4,7кОм
находим
Принимаем
С13=2000пФ.
Конденсатор С17
запасает энергию для пиков тока выходных узлов микросхемы, которые управляют
коммутируемыми транзисторами VT1,
VT2.
При включении ИИП в сеть
к каналам транзисторов VT1,
VT2 прикладывается постоянное напряжение источника. Таким образом
возникает емкостной делитель напряжения между затворами и стоками, затворами и
истоками. Ввиду большого входного сопротивления полевых транзисторов к затворам
может быть приложено недопустимо высокое напряжение (вплоть до потенциала
стока, и транзисторы выйдут из строя). Для избежания такой ситуации, между
затворами и истоками транзисторов включены резисторы R2,
R4
по 1,3кОм каждый. Для
уменьшения ЭДС, наведенной в первичной обмотке трансформатора Т2, параллельно
каналам транзисторов включены демпфирующие диоды VD3,
VD4.
Диоды VD1, VD2 защищают
коммутирующие транзисторы и выходы 11 и 14 микросхемы DA2
от импульсов обратного напряжения.
Трансформатор Т1 -
датчик тока, потребляемого инвертором. Этот ток протекает через первичную
обмотку трансформатора Т1. Ток вторичной обмотки через диод VD17 создает падение напряжения на резисторе R18, которое через R19
поступает на вход компаратора тока - вывод 9 микросхемы DA2. В момент, когда напряжение на этом входе превысит порог
срабатывания компаратора (1В), генерация импульсов возбуждения будет прекращена.
Выбираем диод VD17 типа
KD226Б.
Ток вторичной обмотки трансформатора Т1, при котором срабатывае токовая защита
зависит от величины резисторов R17,
R18/. Поскольку этот ток вторичной обмотки трансформатора невелик
(единицы мА), выбираем значение резистора R18
100 Ом, а значение резистора R18
должно быть достаточно большим, чтобы обеспечить низкий коэффициент пульсаций
выпрямленного напряжения диодом VD17,
должно выполняться условие
Принимаем значение
резистора R18=51кОм, для частоты fn=5x104Гц.
Находим значение С18>
Пф.
Принимаем С18-100пФ.
Находим значение тока
(аварийного) при срабатывании схемы защиты.
А.
Значение резистора R19-390 Ом.
С момента включения в
сеть до возбуждения инвертора микросхема DA
получает питание от параметрического стабилизатора напряжения на резисторе R5 и стабилитроне VD15
через диод VD14. В этом режиме микросхема потребляет ток не более 2мА. После
возбуждения инвертора микросхему питает вспомогательный выпрямитель VD9…VD12, напряжение с которого стабилизировано микросхемой DA1. Диоды VD14,
VD16 исключают взаимное влияние двух источников питания микросхемы DA2.
Элементы VD5…VD8, L1.1,
L1.2, C1,
C2, C3-выходной
выпрямитель на Uo1=+5В.
Конденсаторы С1, С2 подавляют низкочастотные пульсации, а
С3-высокочастотный.
ЭлементыVD7, VD8,
L2.1, L2.2,
C4, C5,
C6-выходной выпрямитель на
Uo2=-5В.
Конденсаторы С4.С5 подавляют низкочастотные пульсации, С6-высокочастотный.
Светодиод HL1- индикатор работы ИИП.
Оптрон U1 обеспечивает гальваническую развязку цепи стабилизации выходного
напряжения. Она работает так. Если выходное напряжение превышает номинальное,
то тогда резко возрастает ток через стабилитрон VD13
и излучающий диод оптрона U1.2.
Последний включается, в результате чего включается фототранзистор оптрона U1.1, возрастает напряжение на выходе 1 микросхемы DA2 - входе компаратора обратной связи по напряжению. Длительность
импульсов возбуждения уменьшается, что приводит к снижению выходного напряжения
до номинала.
Компоненты схемы и их
характеристики представлены в приложении В.
4. Технико-экономическое
обоснование дипломного проекта «Индивидуальный низковольтный источник
электропитания АТС»
.1 Характеристика
низковольтного источника электропитания АТС
Электронные АТС получают
электропитание от низковольтных высокостабильных источников с выходными
каналами 5, 9, 12, минус 5, минус 9, минус 12. В отдельных АТС количество
номиналов, питающих напряжений, может быть меньше. Поэтому собственные
источники электронных АТС выполняются в виде кассет на каждый из номиналов.
Положительные и отрицательные напряжения, как правило выполняются на одной
кассете. В проектируемом источнике питания предусмотрено три кассеты,
собственная на каждый из номиналов. Входное напряжение, на собственный источник
электропитания, поступает от централизованной бесперебойной электропитающей
установки значением 70
В
постоянного тока
4.2 Расчет
ориентировочной цены низковольтного источника электропитания АТС
Расчет проведем по методике,
применяемой на предприятиях связи РБ при разработке новой техники. В основу
расчета применяем метод приближенных коэффициентов. На основании принятого
метода ориентировочная цена нового низковольтного источника можно определить по
формуле:
, (4.1)
где Ц - ориентировочная
цена источника электропитания;
Сп - полная
себестоимость;
Р - ожидаемая плановая
рентабельность
,
Цндс - налог на
добавленную стоимость (18%)
Оцс - целевые отчисления
(Оцс=2%)
Полную себестоимость
определяем по формуле:
, (4.2)
где Рм - стоимость
материалов;
Рк - стоимость покупных
изделий и полуфабрикатов;
Рз - зарплата основных
производственных рабочих;
- коэффициент,
учитывающий величину неучтенных затрат, связанных с изготовлением
проектируемого источника электропитания
для мелкосерийного
производства;
- коэффициент,
учитывающий внепроизводственные расходы, связанные с реализацией нового
источника электропитания АТС
;
Сн - налоги и нецелевые
расходы, включенные в себестоимость изделия
.
Затраты на материалы;
зарплату и покупные изделия устанавливает предприятие-заказчик. При общих 100%
расходах предприятие-заказчик установил:
на материалы dм =10%;
на зарплату dз =25%;
на комплектующие изделия
и полуфабрикаты dк =65%;
Расчет затрат по статье
«покупные комплектующие изделия, полуфабрикаты и услуги производственного
характера» представлен в таблице 4.1.
Таблица 4.1 - Расчет
затрат на покупные комплектующие изделия и полуфабрикаты
|
Наименование комплектующих и полуфабрикатов
|
Цена, рублей
|
Кол-во на изделии
|
Сумма, руб.
|
|
1. Микросхема КР - 142 ЕН 8В
|
3
|
1500
|
|
2. Микросхема К 1156 ЕУ 2Р
|
6000
|
3
|
18000
|
|
3. Транзистор КЕ716
|
5000
|
6
|
30000
|
|
4. Оптрон АОТ 127А
|
500
|
3
|
1500
|
|
5. Светодиод LSO13 UBC
|
300
|
3
|
900
|
|
6. Дроссель Д13-21
|
1000
|
6
|
6000
|
|
7. Трансформатор силовой
|
6000
|
3
|
18000
|
|
8. Трансформатор тока К 10х6х3х
|
200
|
3
|
600
|
|
9. Радиаторы транзисторов
|
1500
|
6
|
9000
|
|
10. Радиаторы диодов
|
500
|
18
|
9000
|
|
11. Диоды силовые
|
500
|
18
|
9000
|
|
12. Диоды 2Д 239
|
400
|
18
|
7200
|
|
13. Диоды КС-1
|
500
|
3
|
1500
|
|
14. Резистор С2-33Н - 0,25
|
300
|
18
|
5400
|
|
15. Резистор С2-33Н - 0,5
|
250
|
27
|
6750
|
|
16. Резистор С2-33Н - 2,0
|
200
|
3
|
600
|
|
17. Конденсатор К50-18-16В
|
600
|
15
|
9000
|
|
18. Конденсатор К-10-17-25-Н90
|
500
|
36
|
18000
|
|
Итого
|
|
|
152000
|
|
Всего с трансформаторно-заготовительными расходами 1,15
|
|
|
174740
|
4.3 Расчет затрат по
статьям «Расходы»
На изготовление низковольтного
источника электропитания АТС заказчик установил нормы расходов:
на зарплату - dз =25%;
на комплектующие согласно таблицы
4.1 dк =65%;
на материалы dm =10%.
Согласно таблицы 4.1, в денежном
исчислении, расходы составляют
руб., тогда
руб. и 
руб.
Ожидаемая стоимость
нового низковольтного источника электропитания АТС составит:
руб.
4.4 Расчет стоимости и
отпускной цены единицы продукции представлен в таблице 4.2
Таблица 4.2 - Расчет
себестоимости и отпускной цены единицы продукции
|
Наименование статей затрат
|
Условное обозначение
|
Значение, руб.
|
Примечание
|
|
1. Сырье и материалы
|
Рм
|
26883
|
|
|
2. Покупные комплектующие изделия, полуфабрикаты
|
Рк
|
174740
|
Расчет в таблице 4.1
|
|
3. Заработная плата производственных рабочих
|
Рз
|
67208
|
|
|
4. Отчисление в фонд социальной защиты. Нсоц=35%
|
Рсоц
|
23523
|
Рсоц=Нсоц Рз
|
|
5. Производственные расходы Нпр.р=250%
|
Рпр.р
|
168020
|
Рпр.р=Нпр.р Рз
|
|
6. Обязательное страхование Нстр=0,26%
|
Рстр
|
175
|
Рстр=Нстр Рз
|
|
7. Производственная себестоимость
|
Спр
|
309331
|
Спр=Рм+Рк+Рз+ +Рсоц+Рпр.р+Рстр
|
|
8. Плановая прибыль Нед=25%
|
Пед
|
77333
|
Пед=Нед Спр
|
|
9. Оптовая цена предприятия
|
Цопт
|
386664
|
Цопт=Спр+Пед
|
|
10Целевой сбор Нцс=2%
|
Оцс
|
7733
|
Оцс=Нцс Цопт
|
|
11. Итого
|
Ц*
|
394397
|
Ц*=Цопт+Оцс
|
|
13. Отпускная цена
|
Цотп
|
465389
|
Цотп=Ц*+Цндс
|
|
|
|
|
|
4.5 Расчет затрат на
НИОКР
Затраты НИОКР включают зарплату
разработчиков, материальные затраты, налоги и запланированные расходы. Расчет
затрат на зарплату разработчиков проекта представлен в таблице 4.3, стоимость
отпускной цены в таблице 4.4.
Таблица 4.3 - Расчет заработной
платы разработчиков
|
Категория исполнителя
|
Кол-во исполнителей
|
Трудоем кость (мес)
|
Средняя месячная зарплата (тыс. руб.)
|
Премии
|
Сумма (тыс. руб.)
|
|
1. Инженер первой категории
|
1
|
2
|
750
|
1,2
|
1800
|
|
2. Инженер второй категории
|
1
|
2
|
650
|
1,2
|
1560
|
|
3. Лаборант
|
1
|
2
|
400
|
1,2
|
960
|
|
Итого 4320
|
|
|
|
|
|
Таблица 4.4 - Расчет стоимости НИОКР
|
Статьи затрат
|
Условное обозначение
|
Сумма, тыс. руб.
|
Примечание
|
|
1. Материальные затраты на НИОКР Нокр=10%
|
432
|
|
|
|
2. Зарплата основных разработчиков
|
4320Расчет
в таблице 4.3
|
|
|
|
3. Отчисление в фонд социальной защиты Нсоц=35%
|
1512
|
|
|
|
4. Обязательное страхование Нстр=0,26%
|
11,23
|
|
|
|
5. Прочие прямые расходы Нпр.р=10%
|
432
|
|
|
|
6. Косвенные расходы Нкос=95%
|
4104
|
|
|
|
7. Производственная себестоимость
|
10811
|
|
|
|
8. Плановая прибыль на единицу изделия Нокр=25%
|
2703
|
|
|
|
9. Оптовая цена предприятия
|
13514
|
|
|
|
10. Целевой сбор Нцс=2%
|
270
|
|
|
|
11. Итого
|
Ц*
|
13784
|
|
|
12. Налог на добавлен ную стоимость Нндс=18%
|
2481
|
|
|
|
13. Отпускная цена изделия
|
16265
|
|
|
|
|
|
|
|
4.6 Расчет
единовременных затрат в производственные фонды
Проект предусматривает серийное
производство электронных АТС. Низковольтный источник электропитания является
составной частью электронной аппаратуры АТС и изготавливается на том же
оборудовании, что и аппаратура АТС. Поэтому учет единовременных затрат на
изготовление низковольтного источника электропитания проводить не следует.
4.7 Расчет экономического
эффекта у производителя новой техники
При расчете экономического эффекта
норму дисконта Е принимаем 15%.
Коэффициент дисконтирования по годам
для нормы дисконта Е=15% рассчитывается по формуле
(4.3)
где tp - норма расчетного года (tp=1);
t
- порядковый номер года, затраты и результаты которого приводятся к расчетному
году
Чистый дисконтный доход
(ЧДД) характеризует результат инвестиционной деятельности и рассчитывается как
разность между приведенной суммой поступлений (результат Рt) и приведенной суммой инвестиций (затрат Зt).
ЧДД за расчетный период
рассчитывается по формуле:
(4.4)
где п - расчетный период
(лет);
Pt
- чистый доход, полученный в году t
(руб.);
t
- затраты в году t (руб.);
- коэффициент
дисконтирования.
Таблица 4.5 - Расчет
экономического эффекта по годам
|
Наименование статей
|
Единицы измерения
|
Условное обозначение
|
По годам
|
|
|
|
2008
|
2009
|
2010
|
2011
|
|
1. Выпуск изделий
|
шт.
|
N
|
100
|
200
|
200
|
200
|
|
2.
Прибыль на единицу
|
млн. руб.
|
Пед
|
0,077333
|
0,077333
|
0,077
|
0,077
|
|
3. Чистая прибыль П1хП2х0,76
|
млн. руб.
|
Pt
|
7,733
|
11,755
|
11,755
|
11,755
|
|
4. Результат с учетом фактора времени
|
млн. руб.
|
7,73310,2278,9347,993
|
|
|
|
|
|
Затраты
|
|
|
|
|
|
|
|
5. Предпроизводственные затраты
|
млн. руб.
|
16,265---
|
|
|
|
|
|
6. Единовременные капитальные вложения
|
млн. руб.
|
Цкв
|
-
|
-
|
-
|
-
|
|
7. Затраты на рекламу
|
млн. руб.
|
Зрек
|
0,0773
|
0,102
|
0,102
|
-
|
|
8. Затраты всего
|
млн. руб.
|
Зt
|
16,342
|
0,102
|
0,102
|
-
|
|
9. Затраты с уче том фактора времени
|
млн. руб.
|
16,3420,090,08-
|
|
|
|
|
|
10. Чистый дисконтный доход (П5-П9)
|
млн. руб.
|
ЧДД
|
-8.61
|
1.62
|
8,854
|
7,993
|
|
11. Чистый дисконтный доход с нарастающим итогом
|
млн. руб.
|
ЧДД
|
-8,61
|
-6,99
|
1,864
|
9,86
|
Вывод:
Инвестиционные вложения в
изготовление индивидуального низковольтного источника электропитания АТС
окупаются в течение одного, двух лет с чистым дисконтным доходом к концу
четвертого года выпуска 9,86 млн.
Затраты на изготовление
индивидуального низковольтного источника электропитания АТС составят:
производственная себестоимость
309331 р
отпускная цена изделия 465389 р.
Заключение
1 В дипломной работе
рассмотрены вопросы построения ЭПУ с отделенной АКБ и в режиме буфера.
2 Разработана структурная
схема базового импульсного блока питания с выходным напряжением 60В, что
позволяет в качестве резервных источников использовать типовые АКБ и уменьшить
потери электроэнергии при передаче низковольтных номиналов напряжения
низковольтным источникам питания.
Разработаны и рассчитаны
компоненты схемы низковольтных источников питания построенных по принципу
конверторов с номиналами выходных напряжений +5В, +9В, +15В.
Литература
электропитание
стабилизация импульсный
1 Электропитание
устройств связи. Учебник для высших учебных заведений под редакцией Китаева
В.Е. - М.: Радио и связь, 1988.
Источник электропитания
радиоэлектронной аппаратуры. Справочник, Костиков В.Г, Шахнов В.Н, - М.: Три Л,
2000.
Система бесперебойного
электропитания ПС-60/48У.
Сертификация: №BY/112.03.1.2.ДА0875 национальный
сертификат соответствия РБ; №ОС/1-Э-579, в системе сертификации, Связь РФ.
Источники электропитания
РЭА. Справочник. Под редакцией Найвельта Г.С. - М.: Радио и связь, 1985.
Проектирование
стабилизированный источников электропитания радиоэлектронной аппаратуры. Краус
Л.А, Гейман Г.В, Лапиров-Скобло М.М, Тихонов В.И. - М.: Энергия, 1980.
Электропреобразовательные
устройства РЭС. Иавнов-Цыганов А.И.
М.: Высшая школа, 1991.
Новые полупроводниковые
приборы. Мощные полевые транзисторы. Радио №3, 2006 г.
ИИП мощностью 100Вт на
ШИ контролере К1156ЕУ2Р Москотов Е. г. Таганрог. Радио №5, 2007.
Интегральные микросхемы:
микросхемы для импульсных источников питания и их применение. - М.: Додэка
2005.
11 Технико-экономическое
обоснование дипломных проектов. Носенко А.А, Грицай А.В Мн.: БГУИР, 2002.
Охрана труда и
экологическая безопасность Михнюк Т.Ф. - Мн.: Дизайн ПРО, 2004.
Задачи и расчет по
охране труда (2.1 и 2) Михнюк Т.Ф, Тупов В.В. - Мн.: МРТИ, 1998.