Перспективные режимы работы Верхне-Донского предприятия МЭС
Введение
Электроэнергетика является базовой отраслью, для развития других отраслей
народного хозяйства. В связи с этим, она имеет одну главную особенность - она
должна постоянно опережать в развитии все другие отрасли, и обеспечивать, в
полной мере, все запросы потребителей на обеспечение их электроэнергией.
Поэтому, очень важной задачей в энергетике всегда являлось планирование
развития электроэнергетики, в том числе и развития электрических сетей.
Перспективные планы развития электрических сетей должны основываться на планах
развития народного хозяйства регионов. Любые просчеты и ошибки в планировании
развития электрических сетей негативно отразятся на работе остальных отраслей
народного хозяйства. Поэтому очень высока ответственность, при составлении таких
проектов перспективного развития электрических сетей, каким является данная
работа - дипломный проект на тему «Перспективные режимы работы Верхне-Донского
предприятия МЭС.»
Целью работы является повышение технического уровня и обеспечение
высокого уровня надежности функционирования электрических сетей предприятия в
расчетный период до 2019года.
Задачи проекта:
повышение эффективности функционирования электросетевых объектов
предприятия ;
снижение затрат на эксплуатацию и потери электроэнергии в сетях;
разработка технических мероприятий, обеспечивающих надежную работу
энергосистемы в нормальных и послеаварийных режимах.
В данном дипломном проекте представлено :
расчет и анализ установившихся режимов электрических сетей предприятия на
текущий период ;
разработка и технико-экономическое сравнение возможных вариантов развития
электрических сетей;
оценка необходимых капиталовложений в развитие электрических сетей
предприятия;
расчет и анализ перспективных режимов работы электрических сетей
предприятия до 2015года в нормальных и послеаварийных режимах и расчет
перспективных режимов работы до 2019года;
разработаны технические мероприятия, при выполнении которых
обеспечивается надежная работа энергообъектов сети с перспективными нагрузками;
выполнено проектирование вновь вводимой подстанции;
разработан проект противопожарной защиты проектируемой подстанции;
разработаны мероприятия по охране окружающей среды для проектируемой
подстанции;
произведен расчет нормативной численности персонала предприятия;
рассмотрен вопрос об организации на данном предприятии МЭС управления
сетями (ЦУС).
1. АНАЛИЗ ИСХОДНЫХ ДАННЫХ
1.1 История создания и развития Верхне-Донского предприятия МЭС
История предприятия началась в 1980 года, когда в
соответствии с проектом электропередачи постоянного тока «Экибастуз-Центр» была
построена ПС-500 кВ Пушкари, которая стала основой “Тамбовского электрического
преобразовательного комплекса” производственного энергетического объединения
“Дальние электропередачи”.
В июне 2003 года Тамбовское предприятие магистральных электрических сетей
вошло в состав ОАО «Федеральная сетевая компания Единой энергетической
системы», как филиал - Верхне-Донское предприятие Магистральных электрических
сетей (далее по тексту Верхне-Донское ПМЭС) .
Верхне-Донское ПМЭС является одним из самых крупных предприятий МЭС
Центра. Зона ответственности Верхне-Донского ПМЭС охватывает Тамбовскую,
Липецкую, Воронежскую область. В его состав входят пять подстанций 500 кВ, одна
- 330 кВ, одна - 110 кВ, 18 высоковольтных линий 110 - 500 кВ, общей
протяженностью 1777 км, а с 2005 года в структуру включены объекты 220 кВ
вышеперечисленных областей, это 21 ПС 220 кВ и ВЛ 220 кВ протяженностью 1933
км. В состав Верхне-Донского ПМЭС входят три районных МЭС: Воронежский,
Липецкий, Тамбовский. Расположение подстанций и линий электропередач
Верхне-Донского ПМЭС приведено на карте схеме (чертеж 1.)
1.2 Параметры основного оборудования
Исходными данными для расчета режима являются:
данные по воздушным линиям (табл.1.1.);
- данные по межсистемным связям (название линий, перетоки мощностей
(приложение 1);
- данные по ПС - 220 кВ (табл. 1.2);
мощности генерации и нагрузок (P и Q) (см. приложение1табл. 1);
Принципиальная схема электрических соединений рассматриваемой сети для
напряжений 500 и 220 кВ приведена на чертеже 2.
Таблица 1.1 Данные по воздушным линиям Верхне-Донского ПМЭС
|
№
|
Наименование линии
|
Марка провода
|
Длина, км
|
|
1
|
2
|
3
|
4
|
|
ЛИНИИ 500 кВ
|
|
1.
|
РГРЭС-Тамбов
|
3хАС 330/43
|
199,6
|
|
2.
|
Липецк-Тамбов
|
3хАС300/48
|
106,6
|
|
3.
|
Тамбов-Пенза
|
3хАС400/51
|
264
|
|
4.
|
Балашовская Западная с отпайкой на НВАЭС
|
3хАСО 482/59,7 АС 400/51
|
193,9 151,5
|
|
5.
|
Балашовская Восточная
|
3хАСО 482/59,7
|
193,8
|
|
6.
|
Липецкая Западная
|
3х АСО 482/59,7
|
102,8
|
|
7.
|
Липецкая Восточная
|
3х АСО 482/59,7
|
102,8
|
|
8.
|
Липецк-Борино
|
3хАСО 400
|
53,5
|
|
9.
|
Елец-Борино
|
3хАС 330/43
|
85,4
|
|
10.
|
Новобрянск-Елец
|
3хАСО 330
|
240,1
|
|
11.
|
НВАЭС-Борино
|
3хАС 400/51
|
208,6
|
|
12.
|
НВАЭС-Воронежская
|
3х АС 400
|
95,9
|
|
13.
|
Борино-Воронежская
|
3хАСО 400
|
113
|
|
Линии 330кВ
|
|
14.
|
Валуйки-Лиски
|
АС 240/32
|
|
|
Линии 220кВ
|
|
15.
|
Давыдовская 1
|
АС 400/51
|
113,9
|
|
16.
|
Давыдовская 2
|
АС 400/51
|
113,9
|
|
17.
|
Иловайская 2
|
АС 400/51
|
87,9
|
|
18.
|
Стрелецкая 1
|
АС 400/51
|
10,8
|
|
19.
|
Стрелецкая 2
|
АСО 300
|
11,54
|
|
20.
|
Котовская
|
АСО300
|
57,17
|
|
21.
|
Мичуринская
|
АС 400/51
|
70,8
|
|
22.
|
Тамбовская 1
|
АСО 400
|
54,5
|
|
23.
|
Тамбовская 2
|
АСО 300 АСО 400
|
105,76 2,9
|
|
24.
|
Тамбовская 3
|
АСО 400
|
55,1
|
|
25.
|
Сокол
|
АС 400/51
|
29,63
|
|
26.
|
Металлургическая Правая
|
АСО 300
|
35,68
|
|
27.
|
Металлургическая Левая
|
АСО 300
|
35,68
|
|
28.
|
Северная Правая
|
АСО 300
|
34,0
|
|
29.
|
Северная Левая
|
АСО 300
|
34,0
|
|
30.
|
Воронежская 1
|
АСО 480
|
156,67
|
|
31.
|
Воронежская 2
|
АСО 480
|
156,67
|
|
32.
|
Чириково
|
АС 300/39
|
28,3
|
|
33.
|
Елец-Правая
|
АСО 400
|
69,0
|
|
34.
|
Елец-Левая
|
АС 400/51
|
67,7
|
|
35.
|
Западная Правая
|
АСО 300
|
39,2
|
|
36.
|
Западная Левая
|
АСО 300
|
39,2
|
|
37.
|
Правобережная Правая
|
АСО 300
|
11,9
|
|
38.
|
Правобережная Левая
|
АСО 300
|
11,9
|
|
39.
|
Маяк
|
АС 400/51
|
23,1
|
|
40.
|
Тербуны 1
|
АС-300/39
|
75,8
|
|
41.
|
КС 29-2
|
АС 400/51
|
33,9
|
|
42.
|
КС 29-3
|
АС 400/51
|
33,2
|
|
43.
|
КС 29-4
|
АС 400/51
|
33,4
|
|
44.
|
НВАЭС-Лиски 3
|
АСО 300/39
|
42,0
|
|
45.
|
НВАЭС-Лиски 4
|
АС 400/51
|
42,4
|
|
46.
|
Маяк
|
АС-400/51
|
23,1
|
|
47.
|
Сосна
|
АС-400/51
|
19,5
|
|
48.
|
КС 29-1
|
АС 300/39
|
42,4
|
|
49.
|
Дон
|
АС 300/39
|
42,18
|
|
50.
|
Придонская 1
|
АС 300/39
|
123,7
|
|
51.
|
Придонская 2
|
АС 300/39
|
102,1
|
|
52.
|
Семилуки 1
|
АС 240/32
|
58,67
|
|
53.
|
Семилуки 2
|
АС 240/32
|
58,67
|
|
54.
|
Кировская 4
|
АС 400/51
|
36,48
|
|
55.
|
Южная 1
|
АС 400/51
|
45,86
|
|
56.
|
Южная 3
|
АС 400/51
|
36,46
|
|
57.
|
Кировская 2
|
АС 400/51
|
45,8
|
|
58.
|
Лиски-Бобров
|
АС 300/39
|
48,05
|
|
59.
|
Компрессорная 1
|
АС 400/51
|
1,32
|
|
60.
|
Стан правая
|
АС 300/39
|
2,38
|
|
61.
|
Стан левая
|
АС 300/39
|
2,38
|
|
62.
|
Новая правая
|
АС 300/39
|
2,65
|
|
63.
|
Новая левая
|
АС 300/39
|
2,65
|
|
64.
|
Ливны 2
|
АС 300/39
|
87
|
|
65.
|
Ливны 2отпайка на Тербуны
|
АС 300/30
|
41,2
|
Таблица 1.2
Данные по подстанциям 500, 220 кВ Верхне-Донского ПМЭС
|
№
|
Наименование ПС
|
Кол-во, мощн. АТ (МВА)
|
Тип АТ,Т
|
|
1.
|
2
|
3
|
4
|
|
2. 4
|
ПС -500кВ Тамбовская
|
2х501
|
АОДЦТН - 3х167000/500/220/11
|
|
3.
|
ПС-500кВ Борино
|
2х501
|
АОДЦТН - 3х167000/500/220/11
|
|
4.
|
ПС-500кВ Елецкая
|
2х501
|
АОДЦТН - 3х167000/500/220/11
|
|
5.
|
ПС-500кВ Воронежская
|
2 х 250
|
2хАТДЦТН - 250000/500/110/10
|
|
6.
|
ПС-330кВ Лиски
|
2 х 240 2х200
|
2хАТДЦТГ - 240000/330/220/11 2х2хАТДЦТГ -
200000\330/220/10,5
|
|
7.
|
ПС-220кВ Мичуринская
|
2 х 200
|
2хАТДЦТН-200000/220/10
|
|
8.
|
ПС-220кВ Котовская
|
2х125
|
2хАТДЦТН-125000/220/110
|
|
9.
|
ПС-220кВ Тамбов 4
|
3х125
|
3хАТДЦТНГ-125000/220/110
|
|
10.
|
ПС-220кВ Компрессорная
|
8х63
|
8хТРДЦН-63000/220/6,3
|
|
11.
|
ПС-220кВ Дон
|
2х125
|
2хАТДЦТН-125000/220/110
|
|
12.
|
3х125
|
3хАТДЦТН-125000/220/110
|
|
13.
|
ПС-220кВ КС-29
|
8х63
|
8хТРДЦН-63000/220
|
|
14.
|
ПС-220кВ Маяк
|
2х40
|
2хТРНДС-40000/220
|
|
15.
|
ПС-220кВ Металлурическая
|
2х250
|
2хАТДЦТН-250000/220/110
|
|
16.
|
ПС-220кВ Новая
|
2х200
|
2хАТДЦТН-200000/220/110
|
|
17.
|
ПС-220кВ Правобережная
|
3х125
|
3хАТДЦТНГ-125000/220/110
|
|
18.
|
ПС-220кВ Северная
|
2х180
|
2х3хАОТДГ-60/220/110
|
|
19.
|
ПС-220кВ Сокол
|
125
|
АТДЦТНГ-125000/220/110
|
|
20.
|
ПС-220кВ Тербуны
|
2х125
|
2хАТДЦТН-125000/220/110
|
|
21.
|
ПС-220кВ Бобров
|
2х125
|
2хАТДЦТН-125000/220/110
|
|
22.
|
ПС-220кВ Кировская
|
2х200
|
2хАТДЦТН-200000/220/110
|
|
23.
|
ПС-220кВ Латная
|
125 200
|
АТДЦТН-125000/220/110 АТДЦТН-200000/220/110
|
|
24.
|
ПС-220кВ Придонская
|
2х200
|
2хАТДЦТН-200000/220/110
|
|
25.
|
ПС-220кВ Южная
|
200 135
|
АТДЦТН-200000/230/121 АТДЦТГУ-135000/121/11
|
1.3 Данные по прогнозируемым темпам изменения
электрических нагрузок на период до 2015г
Таблица 1.3 Перечень заявок на присоединение новых нагрузок по Липецкому
региону
|
Наименование потребителя
|
Год ввода
|
Мощность нагрузки, МВт
|
Ближайшие ПС, на загрузку которой влияет присоединяемая
мощность
|
|
ОАО «НЛМК»
|
2009
|
98
|
ПС 220кВ Новая ПС 220кВ Северная
|
|
ОАО «НЛМК»
|
2010
|
100
|
ПС 220кВ Металлургическая ПС 220кВ Сокол
|
|
ОАО «ОЭЗ ППТ «Липецк»
|
2009
|
40
|
ПС 220кВ Северная
|
|
ОАО «ОЭЗ ППТ «Липецк»
|
2010
|
260
|
ПС 500кВ Липецкая ПС 220кВ Металлургическая
|
|
ЭЗ «Тербуны»
|
2010
|
40
|
ПС 220кВ Тербуны
|
|
МУ «УС г.Липецк»
|
2009
|
12
|
ПС 220кВ Правобережная ПС 220кВ Новая
|
|
МУ «УС г.Липецк»
|
2010
|
12
|
ПС 220кВ Правобережная ПС 220кВ Новая
|
|
ООО ТЭК Раненбург
|
2008
|
16
|
ПС 220кВ Дон
|
|
ОАО «Прогресс»
|
2008
|
10
|
ПС 220кВ Правобережная ПС 220кВ Новая
|
|
ООО «Лидеко»
|
2008
|
5
|
ПС 220кВ Правобережная ПС 220кВ Новая
|
|
Комунально-бытовые потребители г.Липецка
|
2008-2011
|
75
|
ПС 220кВ Правобережная ПС 220кВ Новая
|
Таблица 1.4 Перечень заявок на присоединение новых нагрузок по
Тамбовскому региону
|
Наименование потребителя
|
Год ввода
|
Мощность нагрузки, МВт
|
Ближайшие ПС, на загрузку которой влияет присоединяемая
мощность
|
|
Предприятия г.Тамбова
|
2008
|
13,5
|
ПС 220кВ Тамбовская №4
|
|
Застройка г.Тамбова
|
2008-2015
|
13,5
|
ПС 220кВ Тамбовская №4
|
|
Предприятия г.Тамбова
|
2009
|
4,5
|
ПС 220кВ Тамбовская №4
|
|
Цементный завод
|
2008-2015
|
22
|
ПС 220кВ Мичуринская
|
1.4 Данные о перспективном развитии
электрических сетей
.4.1 Характеристика развития региона
Из трех областей, где расположено Верхне-Донское ПМЭС, наиболее высокие
темпы развития сложились в Липецкой области. За последние 5 лет валовой
региональный продукт увеличился в 4,5 раза. Среднегодовой темп роста составил в
промышленности 105%, в сельском хозяйстве 108%.
Область занимает 3 место в России и 1 место в Центральном регионе России
по объему промышленной продукции на душу населения. Одной из ведущих и динамично
развивающейся отрасли была и остается черная металлургия, основным предприятием
которой в области является ОАО «Ново-Липецкий металлургический комбинат», на
который приходится 59% валового продукта области.
Также вблизи города Липецка начинается строительство города Романово на
130 тыс. жителей. с планируемой нагрузкой 72 МВт к 2016 году.
В области идет активная работа по созданию особых экономических зон
промышленно-производственного типа регионального уровня особые экономические
зоны (далее по тексту ОЭЗ)
На территории Грязинского района создается особая экономическая зона
федерального уровня промышленно-производственного типа "Липецк".
Зарегистрированы и уже приступили к строительству заводов четыре резидента,
продолжаются переговоры с рядом зарубежных компаний. Будет привлечено более 50
резидентов с объемом инвестиций - 21,5 млрд. руб., создано 13 тыс. рабочих
мест.
Предприятия, подтвердившие свое участие в качестве резидентов особой
экономической зоны
· METR S.p.A - Производство роторов и статоров
электродвигателей
· VERGOKAN - Производство лотков для укладки кабеля
· SIGNODE SYSTEM GMBH - Производство систем по упаковке с
применением стальной ленты
· Viterie Italia Cetrale - Производство крепежных изделий
· EKINLER ELEKTRONIK - Производство электрокабеля
· Компания "BEEPLAST" - Производство комплектующих
изделий из пластмассы для бытовой техники
· CIAMAGLIA - Производство мебели
· INDESIT COMPANI - Производство газовых плит, комплектующих
изделий для изготовления холодильников, стиральных машин
· Electrolux - Производство стиральных машин
· SEST - Производство испарителей для холодильных прилавков,
витрин
· Pro-mould - Производство оснастки для изготовления изделий из
пластмассы
· VERNIGLASS - Производство изделий из стекла
· Elektrowerkzeuge - Производство электроинструмента
· Odenwald Faserplattenwerk GmbH - Производство плит из
минерального волокна
· B/S/H Bosch und Siemens Hausgerate GmbH - Производство
автомобильных запчастей, диагностического оборудования и электроинструментов,
бытовой техники, систем безопасности и промышленного оборудования
· Siemens GmbH - Производство сложнобытовой техники и
оборудования
· Akzo Nobel - Производство медикаментов, покрытий и химикатов
· Sisu Diesel - Производство двигателей внутреннего сгорания
· Bundy Refrigeration - Производство испарителей, конденсаторов
и прочих жидкостных охладительных систем для холодильников и бытовой техники
электрический
сеть максимальный нагрузка
1.4.2 Планы развитии электрических сетей
В Грязинском районе Липецкой области планируется развитие особой
экономический зоны промышленного типа «Липецк» далее по тексту ОЭЗ «Липецк». На
территории ОЭЗ «Липецк» планируется строительство подстанции 220 кВ «Пашная» с
заходом на неё двух ВЛ 220 кВ Металлургическая левая и правая, автотрансформаторной
мощностью 2х250МВА. Одновременно с этим планируется строительство ТЭЦ. При
первой очереди будет введено 150 МВт мощности. Выдача мощности будет
осуществляться на напряжении 110 кВ на шины ПС 220/110/10 кВ «Пашная» и на
генераторном напряжении 10 кВ местным потребителям ОЭЗ «Липецк». Далее при
увеличении генераторной мощности станции потребуется организация на станции РУ
220 кВ с выдачей мощности в сети 110 и 220 кВ объединенной энергосистемы.
В итоге планируется ввести генерирующую мощность 720 МВт, выдача которой
будет осуществляться в сети 10, 110 и 220 кВ.
Ориентировочные этапы ввода генераторной мощности ТЭЦ ОЭЗ «Липецк»:
- 2009 год - 150 МВт;
- 2010 год - 150 МВт;
- 2011 год - 150 МВт;
- 2012 год - остаток до суммарной мощности 720 МВт.
Прирост нагрузки в зимний максимум Липецкого региона по отношению к 2009
году выглядит следующим образом: до 2012 года - 484 МВА, с 2011 до 2015 - 166
МВА. Отдельно следует отметить прирост нагрузки ОАО «НЛМК» и ОЭЗ «Липецк» 210
МВт и 340 МВт соответственно. В общей сумме по Липецкой энергосистеме это
составит: до 2012 года включительно - 1000 МВА; 2013-2017 года включительно -
166 МВА. Как видно основная доля прироста нагрузки происходит до 2012 года
включительно.
Общий объем генераторных мощностей планируемых к вводу до 2017 года в
районе города Липецка:
МВт - ОАО «Новолипецкий металлургический комбинат»
МВт - ТЭЦ ОЭЗ «Липецк»
МВт - Липецкая ТЭЦ-2
ИТОГО - 1240 МВт.
На основании выше перечисленного можно сказать, что такое планируемое
увеличение генераторной мощности в данном районе невозможно без значительной
перестройки сетей 220 кВ. При установленной мощности Липецкой ТЭЦ-2 на
2014-2015 гг. 835 МВт (с учетом ввода генерации ОАО «НЛМК» - 200 МВт и ТЭЦ ОЭЗ
«Липецк» - 300 МВт) выдача всей мощности в сеть 110 кВ при существующих связях
невозможна и будет ограничиваться уровнем 400 МВт. При увеличении генераторной
мощности ТЭЦ ОЭЗ «Липецк» до планируемых 720 МВт, выдача мощности Липецкой
ТЭЦ-2 ограничивается мощностью 300 МВт. Данная ситуация связана с тем, что
генерация сосредотачивается в одном районе и практически мощность должна быть
выдана по сети 110-220 кВ на две подстанции Липецкая-500 и
Металлургическая-220.
При развитии генерации в 2013-2017 годах планируется часть мощности
Липецкой ТЭЦ-2 или ТЭЦ ОЭЗ «Липецк» выдавать на шины 110 и (или) 220 кВ ПС
Правобережная, для обеспечения более выгодных перетоков мощности по сети 220 кВ
в районе города Липецка.
2. РАСЧЕТ И АНАЛИЗ РЕЖИМОВ РАБОТЫ ВЕРХНЕ-ДОНСКОГО ПМЭС
Режимы работы электрической сети рассматриваются на основании нагрузок на
18 часов 00 минут режимного дня 19 декабря 2009 года по данным Верхне-Донского
ПМЭС (объекты500-220кВ).
По схеме на этот момент находились в ремонте следующее оборудование
предприятия:
. АТ-1 на ПС 500кВ Борино
. ВЛ 220кВ Котовская
. ВЛ-220кВ Тамбовская 3
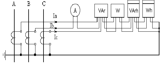
2.1 Анализ нормальных режимов работы сети на
2009год
Расчетная схема нормального режима работы выполнена в программном
комплексе «ENERGY v. 4.2 студенческая версия. Расчет установившихся режимов
сложных электрических сетей для схем с числом узлов до 200» .
1. За балансирующий узел приняты шины 500кв Рязанской ГРЭС.
2. Все линии 500кВ выполнены с расщеплением фазы на три провода
(радиус расщепления 400мм).
. Связь Верхне-Донского ПМЭС с соседними энергосистемами по ЛЭП
500 кВ: Тамбов-Пенза, Рязанская ГРЭС-Тамбов, Балашовская Восточная, Балашовская
Западная с отпайкой на НВАЭС, Новобрянск-Елец. Перетоки по этим связям учтены в
схеме, как генерации или нагрузки в узлах шин 500кВ соответствующих подстанций,
к которым они подключены. Модуль напряжения на подстанции Воронежская принят
равным 504 кВ.
. Связь Тамбовского и Липецкого РМЭС Верхне-Донского ПМЭС с
соседними энергосистемами по ЛЭП 220 кВ: Глебово-Давыдово, Ливны 1, Ливны 2.
Перетоки по этим связям учтены аналогично связям 500кВ. Нагрузки на шинах 6, 10
кВ подстанций приведены к напряжению 110 кВ и учитываются на шинах 110 кВ
В данном разделе определяются:
ü Коэффициенты загрузки элементов сети;
ü Баланс мощности сети;
ü Потери мощности в элементах сети;
ü Структура потерь мощности сети;
ü Уровни напряжения на шинах потребителя;
Для анализа загрузки воздушных линий определяем плотность тока и значения
допустимой токовой нагрузки. В любом режиме работы сети необходимо выполнение
условия по допустимому нагреву проводов:
Iрасч
< I’доп (2.1)
где Iрасч - расчетный ток для данной ВЛ.
Загрузка ВЛ по плотности тока проверяется только для нормальных режимов
работы сети по условию:
jф/jэ ≤ 2 (2.2)
где jэ - экономическая плотность тока
(табличная величина) При Тм=5200ч jэ =1,0А/мм²
jф -
фактическая плотность тока, которая находится как:
jф = Iрасч / F (2.3)
где Iрасч - расчетный ток линии, А
F -
сечение провода, мм2.
Проверка загрузки ВЛ по плотности тока позволяет определить увеличение
потерь за счет увеличения нагрузки линии. Если соотношение jф/jэ ≤ 2 не выполняется, то целесообразно усилить сеть с
целью снижения потерь мощности в линиях. Проверка сечений по экономической
плотности приведена в табл. 2.1
Таблица 2.1 Проверка сечений по экономической плотности
|
№
|
Наименование линии
|
Марка провода
|
Fэк, мм
|
I доп,А
|
I раб,А
|
jф/ jэк
А,мм2
|
К.з. о.е.
|
|
1
|
2
|
3
|
4
|
5
|
6
|
7
|
8
|
|
ЛИНИИ 220 кВ
|
|
|
|
|
|
1
|
Давыдовская 1
|
АС 400/51
|
400
|
830
|
35,6
|
0,089
|
0,043
|
|
2
|
Давыдовская 2
|
АС 400/51
|
400
|
830
|
35,6
|
0,089
|
0,049
|
|
3
|
Иловайская 2
|
АС 400/51
|
400
|
830
|
83,5
|
0,1
|
0,1
|
|
4
|
Стрелецкая 1
|
АС 400/51
|
400
|
830
|
189
|
0,47
|
0,28
|
|
5
|
Стрелецкая 2
|
АСО 300
|
300
|
690
|
175
|
0,44
|
0,24
|
|
6
|
Мичуринская
|
АС 400/51
|
400
|
830
|
153
|
0,51
|
0,184
|
|
7
|
Тамбовская 1
|
АСО 400
|
400
|
830
|
136
|
0,34
|
0,164
|
|
8
|
Тамбовская 2
|
АСО 300 АСО 400
|
300
|
690
|
50,1
|
0,167
|
0,071
|
|
9
|
Сокол
|
АС 400/51
|
400
|
830
|
35,2
|
0,088
|
0,043
|
|
10
|
Металлургическая Правая
|
АСО 300
|
300
|
690
|
204
|
0,68
|
0,287
|
|
11
|
Металлургическая Левая
|
АСО 300
|
300
|
690
|
204
|
0,68
|
0,287
|
|
12
|
Северная Правая
|
АСО 300
|
300
|
690
|
228
|
0,76
|
0,321
|
|
13
|
Северная Левая
|
АСО 300
|
300
|
690
|
228
|
0,76
|
0,321
|
|
14
|
Чириково
|
АС 300/39
|
300
|
690
|
52,7
|
0,175
|
0,074
|
|
15
|
Елец-Правая
|
АСО 400
|
400
|
830
|
51,5
|
0,129
|
0,062
|
|
16
|
Елец-Левая
|
АС 400/51
|
400
|
830
|
52,2
|
0,131
|
0,062
|
|
17
|
Западная Правая
|
АСО 300
|
300
|
690
|
127
|
0,177
|
|
18
|
Западная Левая
|
АСО 300
|
300
|
690
|
127
|
0,423
|
0.177
|
|
19
|
Правобережная Правая
|
АСО 300
|
300
|
690
|
213
|
0,77
|
0,299
|
|
20
|
Правобережная Левая
|
АСО 300
|
300
|
690
|
213
|
0,71
|
0.299
|
|
21
|
Маяк
|
АС 400/51
|
400
|
690
|
207
|
0,517
|
0,249
|
|
22
|
Тербуны 1
|
АС-300/39
|
300
|
690
|
76,7
|
0.256
|
0,108
|
|
23
|
КС 29-2
|
АС 400/51
|
400
|
830
|
79
|
0,197
|
0,025
|
|
24
|
КС 29-3
|
АС 400/51
|
400
|
830
|
80
|
0,2
|
0,097
|
|
25
|
КС 29-4
|
АС 400/51
|
400
|
830
|
123
|
0,31
|
0,149
|
|
26
|
Маяк
|
АС-400/51
|
400
|
690
|
209
|
0,52
|
0,252
|
|
27
|
Сосна
|
АС-400/51
|
400
|
690
|
207
|
0,52
|
0.249
|
|
28
|
КС 29-1
|
АС 300/39
|
300
|
690
|
125
|
0,41
|
0,175
|
|
29
|
Дон
|
АС 300/39
|
300
|
690
|
48,8
|
0,162
|
0,068
|
|
30
|
Стан правая
|
АС 300/39
|
300
|
690
|
250
|
0,83
|
0,352
|
|
31
|
Стан левая
|
АС 300/39
|
300
|
690
|
250
|
0,83
|
0,352
|
|
32
|
Новая правая
|
АС 300/39
|
300
|
690
|
269
|
0,86
|
0,379
|
|
33
|
Новая левая
|
АС 300/39
|
300
|
690
|
269
|
0,86
|
0,379
|
|
34
|
Ливны 2
|
АС 300/39
|
300
|
690
|
38,4
|
0,128
|
0,047
|
|
35
|
Ливны 2отпайка на Тербуны
|
АС 300/30
|
300
|
690
|
33.5
|
0,111
|
0,379
|
|
|
|
|
|
|
|
|
|
Из результата расчета максимального режима видим, что линии 220кВ имеют
экономическую плотность не превышающую jф/jэ ≤ 2, что
говорит о том, что потери в линиях 220кВпри данных нагрузках сравнительно небольшие.
Произведем анализ загрузок автотрансформаторов и трансформаторов
подстанций предприятия.
Оценка допустимости загрузки трансформаторов подстанций проводится с
учетом максимально допустимых систематических перегрузок (в нормальных режимах)
и допустимых аварийных перегрузок (в послеаварийных режимах работы), в
соответствии с ГОСТ 14209-85 “Трансформаторы силовые масляные общего
назначения. Допустимые перегрузки”.
В послеаварийных режимах работы, когда трансформаторы оставшиеся в работе
воспринимают всю нагрузки подстанции, проверка возможности его работы
осуществляется по выражению:
Красч = Smax / Sт.ном (2.4)
Красч ≤ К доп. (2.5)
В послеаварийных режимах целесообразно, если имеется техническая
возможность, поддерживать напряжение на таком уровне, как в режиме максимальных
нагрузок.
Данные по расчету коэффициенту нагрузок автотрансформаторов для
существующего режима максимальных нагрузок представлены в табл.2.2.
Таблица 2.2 Проверка нагрузок автотрансформаторов
|
№
|
Наименование ПС
|
Оперативное наименование
|
Нагрузка автотрансформатора, трансформатора
|
Кз
|
|
1
|
2
|
3
|
4
|
5
|
|
1
|
ПС -500кВ Липецкая
|
АТ-1 АТ-3 АТ-4
|
109+J133
109+J133 101+J84,1
|
0,339 0,339 0,254
|
|
2
|
ПС -500кВ Тамбовская
|
АТ-1 АТ-2
|
115+J33,6 115+J33,6
|
0,39 0,39
|
|
3
|
ПС-500кВ Борино
|
АТ-2
|
149-J63
|
0,29
|
|
4
|
ПС-500кВ Елецкая
|
АТ-1 АТ-2
|
113+J1,97 109+J0,735
|
0,223 0,273
|
|
5
|
ПС-500кВ Воронежская
|
АТ-1 АТ-2
|
107+J47,8 107+J47,8
|
0,466 0,466
|
|
1
|
2
|
3
|
4
|
5
|
|
6
|
ПС-220кВ Мичуринская
|
АТ-1 АТ-2
|
54,5+37,1 55+J20
|
0,332 0,207
|
|
7
|
ПС-220кВ Котовская
|
АТ-1 АТ-2
|
10+J5,07
10+J5,07
|
0,088 0,088
|
|
8
|
ПС-220кВ Тамбов 4
|
АТ-1 АТ-2 АТ-3
|
36,7+J31,8 36,7+J31,8 36,7+J31,8
|
0,39 0,39 0,39
|
|
9
|
ПС-220кВ Дон
|
АТ-1 АТ-2
|
28,9+J4,85 37,1+j6,1
|
0,244 0,313
|
|
10
|
ПС-220кВ Елецкая
|
АТ-1 АТ-2 АТ-3
|
39+J16,2 51,1+19,7
35,1+J14,3
|
0,359 0,456 0,316
|
|
11
|
ПС-220кВ Маяк
|
Т-1 Т-2
|
1+J0,204
0,5+J0,2
|
0,026 0,014
|
|
12
|
ПС-220кВ Металлурическая
|
АТ-1 АТ-2
|
39,1-J24,9 40,2+J25,1
|
0,193 0,196
|
|
13
|
ПС-220кВ Новая
|
АТ-1 АТ-2
|
25,5+J33,3 21,6+28,3
|
0,214 0,182
|
|
14
|
ПС-220кВ Правобережная
|
АТ-1 АТ-2 АТ-3
|
34,5-0,73 60,4+J41,6 50,4+J33,7
|
0,28 0,611 0,505
|
|
15
|
ПС-220кВ Северная
|
АТ-1 АТ-2
|
70+J38,4 70+J38,4
|
0,452 0,452
|
|
16
|
ПС-220кВ Сокол
|
АТ-1
|
5,01+J15
|
0,129
|
|
17
|
ПС-220кВ Тербуны
|
АТ-1 АТ-2
|
8,5+J38,4
8,5+J3,58
|
0,076 0,076
|
Ниже приведены элементы электрической сети, работающие в нормальном
режиме с коэффициентом загрузки более 0,60
. Автотрансформаторы АТ-2, АТ-3 АТДЦТНГ-125000/220/110кВ на ПС-220кВ
Правобережная :
Коэффициент загрузки АТ-2 равен 0,611(см.рис.2.1.)
Такая загрузка автотрансформаторов сложилась в связи с тем что,
автотрансформатор АТ-1, установленный на этой подстанции, из-за повреждения
обмотки стороны 110кВ включен только по стороне 220,35кВ;
Рис.2.1 Фрагмент расчетной схемы с результатами расчета существующего
режима ПС Правобережная
На ПС 220кВ Правобережная планируется реконструкция ПС, с заменой
автотрансформаторов 125МВА на автотрансформаторы 4х150МВА.
На остальном оборудовании предприятия коэффициент загрузки не превышает
50%.
Согласно расчету установившегося режима, получены следующие данные по
балансу активной и реактивной мощности (табл. 2.3.) и структуре потерь мощности
энергосистемы на 2009 год (табл.2.4.).
Таблица 2.3
|
Баланс мощности по районам
|
|
№
|
Pг, MВт
|
Qг Mвар
|
Pн, MВт
|
Qн Mвар
|
dP, MВт
|
dQ Mвар
|
Qc Mвар
|
|
1
|
0
|
11,2
|
1029
|
47,4
|
15,8
|
1054
|
1271
|
Таблица 2.4
|
Анализ потерь мощности
|
|
№
|
dPсум, МВт
|
dQсум, Мвар
|
dPн, МВт
|
dQн, Мвар
|
dPтн, МВт
|
dQтн, Мвар
|
dPлн, МВт
|
dQлн, Мвар
|
|
1
|
15,8
|
1054
|
15,8
|
221
|
1,61
|
94
|
14,1
|
127
|
Доля потерь в балансе активной мощности составляет:
Как
видно из полученного значения доля потерь в балансе активной мощности
незначительна.
Доля
потерь в балансе реактивной мощности составляет:
Высокие
потери реактивной мощности компенсируются генерацией реактивной мощности в ЛЭП,
благодаря достаточно большой протяженности линий генерируемая ими реактивная
мощность с избытком покрывает потери реактивной мощности и требования нагрузки
подстанций.
Потоки
мощности и уровни напряжения для данного режима приведены на листе 3
графического материала дипломного проекта и табл.2.5.
Таблица
2.5 Максимальные и минимальные уровни напряжения
|
Uном
|
Uмин,кВ
|
Uмин,о.е.
|
Uмах
|
Uмах.о.е.
|
|
500
|
492
|
0,983
|
515
|
1,03
|
|
220
|
211
|
0.957
|
234
|
1.06
|
|
110
|
111
|
1,01
|
119
|
1,08
|
Нормируемые величины напряжений в режиме максимальных нагрузок должны
составлять 1,05 Uном, расчеты показали, что есть не соответствие уровней
напряжения на шинах потребителя принятым нормам (±5%).
Анализируя данный режим работы сети и состояние загрузки её основных
элементов, а также уровни напряжения в узлах и перетоки мощности в ветвях,
можно сделать вывод о том, что данная сеть вполне обеспечивает всех
потребителей требуемой мощностью и необходимым качеством электроэнергии и
готова к подключению дополнительных мощностей.
3. РАЗРАБОТКА И ВЫБОР ВАРИАНТА РАЗВИТИЯ СЕТЕЙ
3.1 Разработка вариантов подключения ПС 220кВ
«Пашная» к сети
Для подключения вновь вводимой ПС-220кВ «Пашная» рассмотрим несколько
вариантов её присоединения к действующей сети:
вариант:
ПС подключается с заходом на ПС-220кВ двуцепной лини Металлургическая
левая, правая. Схема данного присоединения представлена на рис 3.1.
Рис.3.1
Схема присоединения ПС-220кВ Пашная по первому варианту
вариант:
ПС
подключается с заходом на ПС-220кВ одной цепи двухцепной линии Металлургическая
левая, правая. Схема данного присоединения представлена на рис 3.2.
Рис.3.2
Схема присоединения ПС-220кВ Пашная по второму варианту
3.2 Технико-экономическое сравнение вариантов
выбранных схем методом приведенных затрат
Произведем технико-экономическое сравнение двух вариантов
Капитальные вложения сведены в табл.3.1.и 3.2.
Таблица 3.1
Капитальные вложения в развитие сети по первому варианту
|
Наименование и тип элементов ПС
|
Единица измерения
|
Количество выключателей, км
|
|
|
|
единицы
|
всего
|
|
ПС ОРУ 220кВ
|
Яч.ОРУ( 1выкл-ль,ТТ,ТН и ПР,СМР,ПИРи т.д.)
|
7 -
|
32423
|
226961
|
|
ВЛ-220кВ
|
км
|
2
|
5358
|
10716
|
|
Всего:
|
237677
|
Таблица 3.2
Капитальные вложения в развитие сети по второму варианту
|
Наименование и тип элементов ПС
|
Единица измерения
|
Количество выключателей, км
|
Стоимость, тыс.руб
|
|
|
|
единицы
|
всего
|
|
ПС ОРУ 220кВ
|
Яч.ОРУ( 1выкл-ль,ТТ,ТН и ПР,СМР,ПИРи т.д.)
|
5 -
|
32423
|
162115
|
|
ВЛ-220кВ
|
км
|
1
|
2679
|
5358
|
|
Всего:
|
172831
|
Эксплуатационные расходы
вариант:
Издержки на амортизацию:
тыс.р/год;
(3.1)
тыс.р/год;
(3.2)
Издержки на текущий ремонт определяются:
(3.3)
Данные
по отчислениям на ремонт взяты из [18].
10339,9 =
12407,88(тыс. руб.);
вариант:
Издержки на амортизацию:
тыс.р/год;
тыс.р/год;
Издержки
на текущий ремонт определяются:
.
Данные
по отчислениям на ремонт взяты из [18].
1400,85 =
17345,17(тыс. руб.);
Затраты
на возмещение потерь электроэнергии.
В
расчете учитываем только отличающиеся элементы схем вариантов 1-2.
вариант.
(ч);
(ч);
(ч);
(МВт∙ч/год);
[руб/(kВтч)]
2 вариант.
(ч);
(МВт∙ч/год);
(руб/(kВтч))
Суммарные эксплуатационные расходы на объект проектирования (участок
сети)
вариант:
2
вариант:
Таблица
3.3 Дисконтированные затраты
|
Период времени
|
dt
|
вариант1
|
вариант2
|
|
|
Иdt
|
Иdt
|
|
0
|
|
237677
|
172831
|
|
1
|
0,885
|
21609,8
|
3339,4
|
|
2
|
0,783
|
19119,2
|
2954,5
|
|
3
|
0,693
|
16921,6
|
2614,9
|
|
4
|
0,613
|
14968,2
|
2313,1
|
|
5
|
0,543
|
13258,9
|
2048,9
|
|
6
|
0,48
|
11720,6
|
1811,2
|
|
7
|
0,425
|
10377,6
|
1603,6
|
|
8
|
0,376
|
9181,1
|
1418,8
|
|
ДЗ
|
354834,6
|
190934,9
|
Проведённые расчёты показывают, что в данных условиях экономически
целесообразен второй вариант. Но мы принимаем первый вариант, так как он
обеспечивает более надежное электроснабжение потребителей.
4. РАСЧЕТ И АНАЛИЗ ПЕРСПЕКТИВНЫХ РЕЖИМОВ РАБОТЫ ПМЭС
В этой главе рассмотрены перспективные режимы работы в зимний максимум
2015года, в летний минимум выходного дня 2015года и зимнего максимума 2019-2020
годов, на основании данных, приведенных в главе 1и внестадийной работы «Схемы
развития ОЭС Центра на период 2008-2022года, включая развитие электрических
сетей 220кВ в период до 2019 года » разработанной энергосетьпроектом и
внестадийной работы «Схемы развития электрических сетей 35-110кВ Липецкой
энергосистемы на 2012год с перспективой до 2019 года» Института
Тулаэнергосетьпроекта.
Задачей проведения нижеприведенных расчетов является анализ
предполагаемой загрузки сетей, потерь в элементах сети, а также уровней
напряжения.
В расчетах использованы известные на момент факты:
) Будет введена в работу в 2013году, проектируемая в данной работе
ПС-220кВ «Пашная»
) Будет произведена реконструкция до 2014года на подстанциях:
ПС-220кВ «Правобережная» с заменой автотрансформаторов 3х125МВА на
4х150МВА
ПС 220кВ «Северная» с заменой автотрансформаторов 2х180 на 2х250МВА
4.1 Режимы работы сети на зимний максимум 2015
год
Нормальный режим работы сети на 2014-2015 приведен на чертеже №4
Рассмотрим узкие места сети для определения тех элементов, которые не отвечают
требованиям надежности с учетом возросшей нагрузки и нуждаются в корректировке
к рассматриваемому периоду:
Проверка сечений по экономической плотности приведена в табл. 4.1.1.
Таблица 4.1.1 Проверка сечений по экономической плотности
|
№
|
Наименование линии
|
Марка провода
|
Fэк, мм
|
I доп,А
|
I раб,А
|
jф/ jэк
А,мм2
|
К.з. о.е.
|
|
1
|
2
|
3
|
4
|
5
|
6
|
7
|
8
|
|
ЛИНИИ 220 кВ
|
|
|
|
|
|
1
|
Давыдовская 1
|
АС 400/51
|
400
|
830
|
113
|
0,28
|
0,136
|
|
2
|
Давыдовская 2
|
АС 400/51
|
400
|
830
|
113
|
0,28
|
0,136
|
|
3
|
Иловайская 2
|
АС 400/51
|
400
|
830
|
71,9
|
0,179
|
0,086
|
|
4
|
Стрелецкая 1
|
АС 400/51
|
400
|
830
|
212
|
0,53
|
0,25
|
|
5
|
Стрелецкая 2
|
АСО 300
|
300
|
690
|
196
|
0,65
|
0,27
|
|
6
|
Котовская
|
АС 300
|
300
|
690
|
85,5
|
0,285
|
0,12
|
|
7
|
Мичуринская
|
АС 400/51
|
400
|
830
|
128
|
0,32
|
0,54
|
|
8
|
Тамбовская 1
|
АСО 400
|
400
|
830
|
74
|
0,185
|
0,089
|
|
9
|
Тамбовская 2
|
АСО 300 АСО 400
|
300
|
690
|
23,6
|
0,078
|
0,033
|
|
10
|
Сокол
|
АС 400/51
|
400
|
830
|
157
|
0,39
|
0,19
|
|
11
|
Металлургическая Правая
|
АСО 300
|
300
|
690
|
346
|
1,153
|
0,487
|
|
12
|
Металлургическая Левая
|
АСО 300
|
300
|
690
|
346
|
1,153
|
0,487
|
|
13
|
Северная Правая
|
АСО 300
|
300
|
690
|
405
|
1,35
|
0,57
|
|
14
|
Северная Левая
|
АСО 300
|
300
|
690
|
405
|
1,35
|
0,57
|
|
15
|
Чириково
|
АС 300/39
|
300
|
690
|
261
|
0,87
|
0,367
|
|
16
|
Елец-Правая
|
АСО 400
|
400
|
830
|
186
|
0,465
|
0,224
|
|
17
|
Елец-Левая
|
АС 400/51
|
400
|
830
|
184
|
0,46
|
0,221
|
|
18
|
Западная Правая
|
АСО 300
|
300
|
690
|
95,8
|
0,319
|
0,135
|
|
19
|
Западная Левая
|
АСО 300
|
300
|
690
|
98.9
|
0,329
|
0.119
|
|
20
|
Правобережная Правая
|
АСО 300
|
300
|
690
|
396
|
1,32
|
0,558
|
|
21
|
Правобережная Левая
|
АСО 300
|
300
|
690
|
396
|
1,32
|
0.558
|
|
22
|
Маяк
|
АС 400/51
|
400
|
690
|
254
|
0,635
|
0,306
|
|
23
|
Тербуны 1
|
АС-300/39
|
300
|
690
|
229
|
0,763
|
0,24
|
|
24
|
КС 29-2
|
АС 400/51
|
400
|
830
|
132
|
0,33
|
0,15
|
|
25
|
КС 29-3
|
АС 400/51
|
400
|
830
|
132
|
0,33
|
0,15
|
|
26
|
КС 29-4
|
АС 400/51
|
400
|
830
|
0,5
|
0,241
|
|
27
|
Сосна
|
АС-400/51
|
400
|
690
|
248
|
0,62
|
0,299
|
|
28
|
КС 29-1
|
АС 300/39
|
300
|
690
|
206
|
0,68
|
0,289
|
|
29
|
Дон
|
АС 300/39
|
300
|
690
|
206
|
0,68
|
0,289
|
|
30
|
Стан правая
|
АС 300/39
|
300
|
690
|
143
|
0,477
|
0,201
|
|
31
|
Стан левая
|
АС 300/39
|
300
|
690
|
143
|
0,477
|
0,201
|
|
32
|
Новая правая
|
АС 300/39
|
300
|
690
|
312
|
1,04
|
0,439
|
|
33
|
Новая левая
|
АС 300/39
|
300
|
690
|
312
|
1,04
|
0,439
|
|
34
|
Ливны 2
|
АС 300/39
|
300
|
690
|
68,4
|
0,228
|
0,097
|
|
35
|
Ливны 2отпайка на Тербуны
|
АС 300/39
|
300
|
690
|
27,4
|
0,091
|
0,038
|
|
36
|
Пашная левая
|
АС 300/39
|
300
|
690
|
346
|
1,15
|
0,487
|
|
37
|
Пашная правая
|
АС 300/39
|
300
|
690
|
346
|
1,15
|
0,487
|
|
|
|
|
|
|
|
|
|
Из результата расчета максимального режима видим, что линии 220кВ имеют
экономическую плотность не превышающую jф/jэ ≤ 2, что
говорит о том, что потери в линиях 220кВ при данных нагрузках остаются также
сравнительно небольшие.
Произведем анализ загрузок автотрансформаторов и трансформаторов
подстанций предприятия.
Данные по расчету коэффициенту нагрузок автотрансформаторов для
существующего режима максимальных нагрузок представлены в табл. 4.1.2.
Таблица 4.1.2 Проверка нагрузок автотрансформаторов
|
№
|
Наименование ПС
|
Оперативное наименование
|
Нагрузка автотрансформатора, трансформатора
|
Кз
|
|
1
|
2
|
3
|
4
|
5
|
|
1
|
ПС -500кВ Липецкая
|
АТ-1 АТ-3 АТ-4
|
280+J1180
280+J180 139+J94,6
|
0,662 0,662
0,335
|
|
2
|
ПС -500кВ Тамбовская
|
АТ-1 АТ-2
|
173+J37,3
173+J37,3
|
0,351 0,351
|
|
3
|
ПС-500кВ Борино
|
АТ-1 АТ-2
|
251+J161
251+J161
|
0,6 0,656
|
|
4
|
ПС-500кВ Елецкая
|
АТ-1 АТ-2
|
172+J60,04
165+J58,2
|
0,363 0,349
|
|
5
|
ПС-500кВ Воронежская
|
АТ-1 АТ-2
|
70,1+J40,7
70,1+J40,7
|
0,316 0,316
|
|
6
|
ПС-220кВ Мичуринская
|
АТ-1 АТ-2
|
54,5+J37,1
54,55+J37,1
|
0,333 0,333
|
|
7
|
ПС-220кВ Котовская
|
АТ-1 АТ-2
|
14+J7,15
14+J7,15
|
0,126 0,126
|
|
8
|
ПС-220кВ Тамбов 4
|
АТ-1 АТ-2 АТ-3
|
48,4+J24,3
48,4+J24,3 48,4+J24,3
|
0,436 0,436 0,436
|
|
9
|
ПС-220кВ Дон
|
АТ-1 АТ-2
|
60,7+J39,2
78,2+j50,1
|
0,632 0,632
|
|
10
|
ПС-220кВ Елецкая
|
АТ-1 АТ-2 АТ-3
|
55,8+J33,7
71,5+41,7 49.1+J29,8
|
0,56 0,711 0,493
|
|
11
|
ПС-220кВ Маяк
|
Т-1 Т-2
|
2+J0,61
0,5+J0,21
|
0,112 0,028
|
|
12
|
ПС-220кВ Металлурическая
|
АТ-1 АТ-2
|
56,8+J66,7
57,3+J67,8
|
0,368 0,371
|
|
13
|
ПС-220кВ Новая
|
АТ-1 АТ-2
|
121+J59,1
103+50,6
|
0,71 0,603
|
|
14
|
ПС-220кВ Правобережная
|
АТ-1 АТ-2 АТ-3 АТ-4
|
69,7+J28,1
69,7+J28,1 69,7+J28,1 69,7+J28,1
|
0,527 0,527 0,527 0,527
|
|
15
|
ПС-220кВ Северная
|
АТ-1 АТ-2
|
75+J49,3
75+J49,3
|
0,377 0,377
|
|
16
|
ПС-220кВ Сокол
|
АТ-1
|
50,1+J36,8
|
0,511
|
|
17
|
ПС-220кВ Тербуны
|
АТ-1 АТ-2
|
28,4+J16,9
28,4+J16,9
|
0,287 0,287
|
|
18
|
ПС-220кВ Пашная
|
АТ-1 АТ-2
|
30+0,97
30+0,97
|
0,124 0,124
|
Как видим, из приведенных данных в табл. 4.1.2. что загрузка
автотрансформаторов не превышает 71%. Это свидетельствует о нормальной загрузки
автотрансформаторов в режиме максимальных перспективных нагрузок 2015года.
Так же видим что, коэффициент загрузки автотрансформаторов
реконструируемых и вновь вводимой подстанции будет равен:
ПС Северная - 0,377
ПС Правобережная - 0,522.
ПС Пашная -0,124
Это подтверждает, что на данных подстанциях мощность автотрансформаторов
выбрана правильно.
Ниже приведены элементы электрической сети, работающие в нормальном
режиме с коэффициентом загрузки более 0,60,которые необходимо будет проверить в
послеаварийных режимах:
) Автотрансформаторы 500/220кВ АТ-1,3 ПС 500кВ Липецкая работают с
коэффициентом загрузки 0,662.( см.рис. 4.1.1)
Рис.4.1.1 Фрагмент расчетной схемы с результатами расчета перспективного
режима на 2015год ПС Липецкая
). Автотрансформаторы 500/220кВ АТ-1,2 ПС 500кВ Борино работают с
коэффициентом загрузки 0,656.( рис.4.1.2)
Рис.4.1.2 Фрагмент расчетной схемы с результатами расчета перспективного
режима на зимний максимум 2015год ПС Борино
3). Автотрансформаторы 220/110кВ АТ-1,2 ПС 220кВ Новая работают с
коэффициентом загрузки АТ 1-0,71, АТ-2 0,603.( см. рис. 4.1.3)
Рис.4.1.3 Фрагмент расчетной схемы с результатами расчета перспективного
режима на зимний максимум 2015год ПС Новая
). Автотрансформаторы 220/110кВ АТ-1,2 ПС 220кВ Дон работают с
коэффициентом загрузки АТ1- 0,649, АТ-2 0,811.(см. рис. 4.1.4)
Рис.4.1.4 Фрагмент расчетной схемы с результатами расчета перспективного
режима на зимний максимум 2015год ПС Дон
5). Автотрансформаторы 220/110кВ АТ-3 ПС 220кВ «Елецкая» работает с
коэффициентом загрузки АТ1-0,728. (см. рис. 4.1.5)
Рис.4.1.5 Фрагмент расчетной схемы с результатами расчета перспективного
режима на зимний максимум 2015год ПС-220кВ Елецкая.
6). Наиболее загруженными линиями, согласно расчету оказались ВЛ-220кВ
Правобережная левая, Правобережная правая коэффициент загрузки равен 0,558
(смотри рис.4.1.6)
Рис. 4.1.6 Коэффициент загрузки ВЛ-220кВ Правобережная левая, правая
Согласно расчету установившегося режима, получены следующие данные по
балансу активной и реактивной мощности (табл. 4.1.3.) и структуре потерь
мощности энергосистемы на зимний максимум 2015 года (табл. 4.1.4.).
Таблица 4.1.3.
|
Баланс мощности по районам
|
|
№
|
Pг, MВт
|
Qг Mвар
|
Pн, MВт
|
Qн Mвар
|
dP, MВт
|
dQ Mвар
|
Qc Mвар
|
|
1
|
160
|
229
|
1783
|
367
|
41,9
|
1243
|
1381
|
Таблица 4.1.4.
|
Анализ потерь мощности
|
|
№
|
dPсум, МВт
|
dQсум, Мвар
|
dPн, МВт
|
dQн, Мвар
|
dPтн, МВт
|
dQтн, Мвар
|
dPлн, МВт
|
dQлн, Мвар
|
|
1
|
41,9
|
1243
|
41,9
|
585
|
4,4
|
256
|
37,5
|
329
|
Доля потерь в балансе активной мощности составляет:
Как
видно из полученного значения доля потерь в балансе активной мощности
незначительна и по сравнению с потерями на 2009 годом уменьшилась. Доля потерь
в балансе реактивной мощности составляет:
Потоки мощности и уровни напряжения для данного режима
приведены на листе 3 графического материала дипломного проекта. Максимальные и
минимальные уровни напряжения приведены также в табл. 4.1.5.
Таблица 4.1.5 Минимальные и максимальные уровни
напряжений
|
Uном
|
Uмин,кВ
|
Uмин,о.е.
|
Uмах
|
Uмах.о.е.
|
|
500
|
480
|
0,96
|
513
|
1,026
|
|
220
|
199
|
0,945
|
230
|
1.05
|
|
110
|
104
|
0,949
|
111
|
1,02
|
Расчеты уровней напряжения показали соответствие уровней напряжения на
шинах потребителя принятым нормам (±5%), и
Оценивая в целом результаты режима работы сети и состояние загрузки её
основных элементов, а также уровни напряжения в узлах и перетоки мощности в
ветвях, можно сделать вывод о том, что данная сеть вполне обеспечивает всех
потребителей требуемой мощностью и необходимым качеством электроэнергии.
.2 Расчет и анализ установившегося режима минимальных нагрузок
режима летнего выходного дня 2015г.
Данный режим выполнен по той же схеме замещения, что и режим максимальных
нагрузок, при нагрузках соответствующих летнему режимному дню.
Максимальные и минимальные уровни напряжения ПС-500кВ
приведены в табл. 4.2.1.
Таблица 4.2.1 Максимальные и минимальные уровни
напряжения режима летнего выходного дня
|
Uном
|
Uмин,кВ
|
Uмин,о.е.
|
Uмах
|
Uмах.о.е.
|
|
500
|
512
|
1,02
|
525
|
1,05
|
|
220
|
217
|
0,986
|
230
|
1.05
|
|
110
|
110
|
1
|
119
|
1,08
|
Уровни напряжений в узлах являются приемлемыми по требованиям ПУЭ и не
превышают длительно допустимого.
Таблица 4.2.2 Результаты расчета загрузки автотрансформаторов летнего
выходного дня
|
№
|
Наименование ПС
|
Оперативное наименование
|
Нагрузка автотрансформатора, трансформатора
|
Кз
|
|
1
|
2
|
3
|
4
|
5
|
|
1
|
ПС -500кВ Липецкая
|
АТ-1 АТ-3 АТ-4
|
202+J72
202+J72 90,5+J29,2
|
0,409 0,409 0,181
|
|
2
|
ПС -500кВ Тамбовская
|
АТ-1 АТ-2
|
94,9+J3
94,9+J3
|
0,181 0,351
|
|
3
|
ПС-500кВ Борино
|
АТ-1 АТ-2
|
173+J56
189+J61
|
0,6 0,656
|
|
4
|
ПС-500кВ Елецкая
|
АТ-1 АТ-2
|
129+J50,7
125+J45
|
0,266 0,56
|
|
5
|
ПС-500кВ Воронежская
|
АТ-1 АТ-2
|
50+J18,6
50+J18,6
|
0,204 0,204
|
|
6
|
ПС-220кВ Мичуринская
|
АТ-1 АТ-2
|
27,2+J17,8
17,5+J10
|
|
7
|
ПС-220кВ Котовская
|
АТ-1 АТ-2
|
8+J4,5
8+J4,5
|
0,073 0,073
|
|
8
|
ПС-220кВ Тамбов 4
|
АТ-1 АТ-2 АТ-3
|
25,7+J11,6
25,7+J11,6 25,7+J11,6
|
0,226 0,226 0,226
|
|
9
|
ПС-220кВ Дон
|
АТ-1 АТ-2
|
34,7+J18,7
44,6+J23,8
|
0,325 0,418
|
|
10
|
ПС-220кВ Елецкая
|
АТ-1 АТ-2 АТ-3
|
31,8+J17,7
40+J21,8 27,5+J15,6
|
0,374 0,311 0,256
|
|
11
|
ПС-220кВ Маяк
|
Т-1 Т-2
|
2+J0,61
0,5+J0,21
|
0,112 0,028
|
|
12
|
ПС-220кВ Металлурическая
|
АТ-1 АТ-2
|
50,2+J34,8
49,8+J34,8
|
0,248 0,251
|
|
13
|
ПС-220кВ Новая
|
АТ-1 АТ-2
|
81,2+J29,6
103+J25,4
|
0,445 0,378
|
|
14
|
ПС-220кВ Правобережная
|
АТ-1 АТ-2 АТ-3 АТ-4
|
37,7+J12,8
37,7+J12,8 37,7+J128 37,7+J12,8
|
0,275 0,275 0,275 0,275
|
|
15
|
ПС-220кВ Северная
|
АТ-1 АТ-2
|
75+J25,7
75+J25,7
|
0,326 0,326
|
|
16
|
ПС-220кВ Сокол
|
АТ-1
|
24,6+J16,8
|
0,242
|
|
17
|
ПС-220кВ Тербуны
|
АТ-1 АТ-2
|
14+J7,8
14+J7,8
|
0,131 0,131
|
|
18
|
ПС-220кВ Пашная
|
АТ-1 АТ-2
|
30+0,05 30+0,05
|
0,123 0,123
|
Как видим, из приведенных данных в табл. 4.2.2. что загрузка
автотрансформаторов не превышает 65%.Это свидетельствует о нормальной загрузки
автотрансформаторов в режиме загрузки автотрансформаторов летнего выходного
дня.
Таблица 4.2.3 Проверка сечений проводов по экономической плотности
|
№
|
Наименование линии
|
Марка провода
|
Fэк, мм
|
I доп,А
|
I раб,А
|
jф/ jэк
А,мм2
|
К.з. о.е.
|
|
1
|
2
|
3
|
4
|
5
|
6
|
7
|
8
|
|
ЛИНИИ 220 кВ
|
|
|
|
|
|
1
|
Давыдовская 1
|
АС 400/51
|
400
|
830
|
35,2
|
0,088
|
0,042
|
|
2
|
Давыдовская 2
|
АС 400/51
|
400
|
830
|
35,2
|
0,088
|
0,042
|
|
3
|
Иловайская 2
|
АС 400/51
|
400
|
830
|
53,4
|
0,135
|
0,064
|
|
4
|
Стрелецкая 1
|
АС 400/51
|
400
|
830
|
110
|
0,275
|
0,143
|
|
5
|
Стрелецкая 2
|
АСО 300
|
300
|
690
|
101
|
0,336
|
0,143
|
|
6
|
Котовская
|
АС 300
|
300
|
690
|
65,2
|
0,163
|
0,031
|
|
7
|
Мичуринская
|
АС 400/51
|
400
|
830
|
10,7
|
0,026
|
0,013
|
|
8
|
Тамбовская 1
|
АСО 400
|
400
|
830
|
38,5
|
0,1
|
0,047
|
|
9
|
Тамбовская 2
|
АСО 300 АСО 400
|
300
|
690
|
24,8
|
0,028
|
0,034
|
|
10
|
Сокол
|
АС 400/51
|
400
|
830
|
73,2
|
0,183
|
0,088
|
|
11
|
Металлургическая Правая
|
АСО 300
|
300
|
690
|
217
|
0,72
|
0,306
|
|
12
|
Металлургическая Левая
|
АСО 300
|
300
|
690
|
217
|
0,72
|
0,306
|
|
13
|
Северная Правая
|
АСО 300
|
300
|
690
|
270
|
0,9
|
0,38
|
|
14
|
Северная Левая
|
АСО 300
|
300
|
690
|
270
|
0,9
|
0,38
|
|
15
|
Чириково
|
АС 300/39
|
300
|
690
|
114
|
0,38
|
0,161
|
|
16
|
Елец-Правая
|
АСО 400
|
400
|
830
|
77,8
|
0,19
|
0,093
|
|
17
|
Елец-Левая
|
АС 400/51
|
400
|
830
|
77,8
|
0,19
|
0,093
|
|
18
|
Западная Правая
|
АСО 300
|
300
|
690
|
150
|
0,5
|
0,181
|
|
19
|
Западная Левая
|
АСО 300
|
300
|
690
|
145
|
0,48
|
0,205
|
|
20
|
Правобережная Правая
|
АСО 300
|
300
|
690
|
206
|
0,68
|
0,29
|
|
21
|
Правобережная Левая
|
АСО 300
|
300
|
690
|
206
|
0,68
|
0,29
|
|
22
|
Маяк
|
АС 400/51
|
400
|
690
|
168
|
0,42
|
0,203
|
|
23
|
Тербуны 1
|
АС-300/39
|
300
|
690
|
99,2
|
0,33
|
0,14
|
|
24
|
КС 29-2
|
АС 400/51
|
400
|
830
|
12,8
|
0,032
|
0,015
|
|
25
|
КС 29-3
|
АС 400/51
|
400
|
830
|
12,8
|
0,032
|
0,015
|
|
26
|
КС 29-4
|
АС 400/51
|
400
|
830
|
123
|
0,31
|
0,148
|
|
27
|
Сосна
|
АС-400/51
|
400
|
690
|
165
|
0,162
|
0,192
|
|
28
|
КС 29-1
|
АС 300/39
|
300
|
690
|
130
|
0,43
|
0,183
|
|
29
|
Дон
|
АС 300/39
|
300
|
690
|
98,6
|
0,32
|
0,139
|
|
30
|
Стан правая
|
АС 300/39
|
300
|
690
|
72,8
|
0,24
|
0,103
|
|
31
|
Стан левая
|
АС 300/39
|
300
|
690
|
72,8
|
0,24
|
0,103
|
|
32
|
Новая правая
|
АС 300/39
|
300
|
690
|
138
|
0,46
|
0,194
|
|
33
|
Новая левая
|
АС 300/39
|
300
|
690
|
138
|
0,46
|
0.104
|
|
34
|
Ливны 2
|
АС 300/39
|
300
|
690
|
46,4
|
0,15
|
|
35
|
Ливны 2отпайка на Тербуны
|
АС 300/39
|
300
|
690
|
24,6
|
0,08
|
0,034
|
|
36
|
Пашная левая
|
АС 300/39
|
300
|
690
|
288
|
0,96
|
0,46
|
|
37
|
Пашная правая
|
АС 300/39
|
300
|
690
|
288
|
0,96
|
0,46
|
Из результата расчета максимального режима видим, что линии 220кВ имеют
экономическую плотность не превышающую jф/jэ ≤ 2,что
говорит о том, что потери в линиях 220Кв при данных нагрузках остаются также
сравнительно небольшие.
Согласно расчету установившегося режима, получены следующие данные по
балансу активной и реактивной мощности (табл. 4.2.4.) и структуре потерь
мощности энергосистемы на летний минимум выходного дня 2015 года (табл.
4.2.5.).
Таблица 4.2.4.
|
Баланс мощности по районам
|
|
№
|
Pг, MВт
|
Qг Mвар
|
Pн, MВт
|
Qн Mвар
|
dP, MВт
|
dQ Mвар
|
Qc Mвар
|
|
1
|
160
|
-417
|
1143
|
-54,6
|
14,9
|
1093
|
1455
|
Таблица 4.2.5.
|
Анализ потерь мощности
|
|
№
|
dPсум, МВт
|
dQсум, Мвар
|
dPн, МВт
|
dQн, Мвар
|
dPтн, МВт
|
dQтн, Мвар
|
dPлн, МВт
|
dQлн, Мвар
|
|
1
|
14,9
|
1093
|
14,9
|
206
|
1,63
|
92,4
|
13,3
|
113
|
Доля потерь в балансе активной мощности составляет:
Как
видно из полученного значения доля потерь в балансе активной мощности
незначительна.
Доля
потерь в балансе реактивной мощности составляет:
Оценивая
в целом результаты режима работы сети и состояние загрузки её основных
элементов, а также уровни напряжения в узлах и перетоки мощности в ветвях,
можно сделать вывод о том, что данная сеть обеспечивает всех потребителей
требуемой мощностью и необходимым качеством электроэнергии.
4.3 Анализ послеаварийных режимов сети
Расчет установившихся послеаварийных режимов выполнен по расчетной схеме
для зимнего максимума нагрузок 2015года. Рассмотрены послеаварийные режимы,
выявленных в предыдущем разделе возможных «узких мест сети» и другие, возможные
послеаварийные режимы сети, для определения тех элементов, которые не отвечают
требованиям надежности, с учетом возросшей нагрузки и нуждающихся в
корректировке к рассматриваемому периоду:
Рассмотрены следующие режимы работы сети:
4.3.1 Послеаварийный режим - отключение одного
АТ на ПС 500кВ Липецкая
При отключении АТ-1или АТ-3 будет происходить перегрузка оставшегося в
работе АТ-1или АТ-3 (см рис. 4.3.1) с коэффициентом перегруки 1,23. На
остальных элементах сети перегрузок не происходит
Рис.4.3.1 Фрагмент расчетной схемы с результатами расчета режима с
послеаварийным отключением АТ-1 на ПС 500кВ Липецкая зимний максимум 2015год.
Учитывая начальную загрузку автотрансформатора 0,662, систему охлаждения
типа ДЦ, а также тот фактор, что рассматриваемый режим приходится на зимний
период (температура окружающего воздуха минус 15°С) по [2] определяем, что подобная загрузка
автотрансформатора допускается в течение суток. Таким образом, при
невозможности ликвидировать аварийную ситуацию в течение суток, оставшийся в
работе автотрансформатор необходимо разгрузить.
Рассматривая весь участок сети (см.рис приложения ) видим, что при
отключении АТ-1 на ПС-500кВ Липецкая перегрузки на остальных участках сети не
происходит.
Произведем проверку максимальных и минимальных уровней
напряжения для данного режима. Полученные значения приведены в табл. 4.3.2.
Таблица 4.3.2 Максимальные и минимальные уровни
напряжений
|
Uном
|
Uмин,кВ
|
Uмин,о.е.
|
Uмах
|
Uмах.о.е.
|
|
500
|
466
|
0,932
|
525
|
1,05
|
|
220
|
195
|
0,933
|
229
|
1.04
|
|
110
|
109
|
0,934
|
122
|
1,11
|
Как видно уровни напряжений, не соответствуют существующим нормам. Для
повышения уровней напряжения отключаем шунтирующий реактор на ПС-500 Липецкая и
шунтирующий реактор на ПС-500кВ Борино.
Произведем проверку уровней, после выполнения мероприятий для повышения
напряжений.
Таблица 4.3.3 Максимальные и минимальные уровни напряжений после
выполнения режимных мероприятий
|
Uном
|
Uмин,кВ
|
Uмин,о.е.
|
Uмах
|
Uмах.о.е.
|
|
500
|
480
|
0,959
|
525
|
1,05
|
|
220
|
203
|
0,93
|
234
|
1.04
|
|
110
|
107
|
0,971
|
119
|
1,08
|
Как видим уровни напряжений, соответствуют существующим нормам.
4.3.2 Послеаварийный режим - отключение одного
АТ на ПС 500кВ Борино
При отключении АТ-2, (см.рис. 4.3.2) оставшийся в работе АТ-1 работает с
коэффициентом загрузки 0,95без перегрузки.
Как видно, из схемы, для данного режима (см.приложение 2 рис.4 )
коэффициенты загрузок остальных элементов сети не превышают 0,8, т.е являются
длительно допустимыми.
Рис.4.3.2 Фрагмент расчетной схемы с результатами расчета режима с
послеаварийным отключением АТ-1 на ПС 500кВ Борино зимний максимум 2015год.
Произведем проверку максимальных и минимальных уровней
напряжения для данного режима. Полученные значения приведены в табл.4.3.4.
Таблица 4.3.4 Максимальные и минимальные уровни
напряжений
|
UномUмин,кВUмин,о.е.UмахUмах.о.е.
|
|
|
|
|
|
500
|
469
|
0,937
|
525
|
1,05
|
|
220
|
194
|
0,882
|
229
|
1.04
|
|
110
|
102
|
0,927
|
120
|
1,09
|
Как видим уровни напряжений, не соответствуют существующим нормам. Для
повышения уровней напряжения отключаем шунтирующий реактор на ПС-500 Липецкая и
шунтирующий реактор на ПС-500кВ Борино.
Произведем еще раз проверку уровней напряжений, после выполнения
мероприятий для повышения напряжений.
Таблица 4.3.5 Максимальные и минимальные уровни
напряжений после выполненных режимных мероприятий
|
UномUмин,кВUмин,о.е.UмахUмах.о.е.
|
|
|
|
|
|
500
|
483
|
0,969
|
525
|
1,05
|
|
220
|
202
|
0,917
|
235
|
1,07
|
|
110
|
106
|
0,958
|
120
|
1,09
|
Уровни напряжений, соответствуют существующим нормам.
4.3.3 Послеаварийный режим - отключение одного
АТ на ПС 220кВ Новая
При аварийном отключении автотрансформатора АТ-2 коэффициент загрузки на
АТ-1 составит -1,39 (см. рис.4.3.5)
Как видно, из схемы для данного режима (см.приложение 2 рис.5.),
коэффициенты загрузок остальных элементов сети не превышают 0,8, т.е являются
длительно допустимыми.
Рис.4.3.5. Фрагмент расчетной схемы с результатами расчета режима с
послеаварийным отключением АТ-1 на ПС 220кВ Новая зимний максимум 2015год
Учитывая начальную загрузку автотрансформатора 0,602, систему охлаждения
типа ДЦ, а также тот фактор, что рассматриваемый режим приходится на зимний
период (температура окружающего воздуха минус 15°С) по [2] определяем, что подобная загрузка
автотрансформатора допускается в течение 2 часов.
Следовательно, во избежание отключения потребителей и для обеспечения
требуемых режимов работы требуется установка третьего автотрансформатора типа
АТДЦТН-200000/220/110кВ на ПС-220кВ «Новая » до зимнего максимума
2014-2015года.
Произведем проверку максимальных и минимальных уровней
напряжения для данного режима.
Таблица 4.3.6 Максимальные и минимальные уровни
напряжений
|
Uном
|
Uмин,кВ
|
Uмин,о.е.
|
Uмах
|
Uмах.о.е.
|
|
500
|
488
|
0,975
|
525
|
1,05
|
|
220
|
203
|
0,922
|
233
|
1.06
|
|
110
|
107
|
0,969
|
120
|
1,09
|
Как видно, уровни напряжений соответствуют существующим нормам.
4.3.4 Послеаварийный режим - отключение одного
АТ на ПС 220кВ Дон
При аварийном отключении автотрансформатора АТ-2 коэффициент загрузки
оставшегося АТ-1 составит -1,57 (см. рис.4.3.6), что недопустимо по ПТЭ.
Как видно из схемы, для данного режима (см.приложение 2 рис 6 )
коэффициенты загрузок остальных элементов сети не превышают 0,8.
Следовательно, во избежание отключения потребителей и для обеспечения
требуемых режимов работы требуется установка третьего автотрансформатора типа
АТДЦТН-125000/220/110кВ на ПС-220кВ «Дон » до зимнего максимума 2014-2015года.
Произведем проверку максимальных и минимальных уровней
напряжения для данного режима.
Рис.4.3.6 Фрагмент расчетной схемы с результатами расчета режима с
послеаварийным отключением АТ-1 на ПС 220кВ Дон на зимний максимум 2015год.
Полученные значения приведены в табл.4.3.6.
Таблица 4.3.6 Максимальные и минимальные уровни
напряжений
|
Uном
|
Uмин,кВ
|
Uмин,о.е.
|
Uмах
|
Uмах.о.е.
|
|
500
|
488
|
0,975
|
525
|
1,05
|
|
220
|
203
|
0,922
|
233
|
1.06
|
|
110
|
107
|
0,969
|
120
|
1,09
|
Как видим, уровни напряжений соответствуют существующим нормам.
4.3.5 Послеаварийный режим - отключение одного
АТ на ПС 220кВ Елецкая
Фрагмент из схемы для данного режима представлен на рис 4.3.7
Рис.4.3.7 Фрагмент расчетной схемы с результатами расчета режима с
послеаварийным отключением АТ-1 на ПС 220кВ Елецкая на зимний максимум 2015год
При аварийном отключении автотрансформатора АТ-2 коэффициент загрузки
оставшегося АТ-1 составит -1,07 (см. рис.4.3.7) и является допустимым более 24
часов.
На остальных элементах схемы для данного режима коэффициент загрузки не
превышает 0,7. Произведем проверку максимальных и минимальных уровней
напряжения для данного режима. Полученные значения приведены в табл. 4.3.7
Таблица 4.3.7 Максимальные и минимальные уровни
напряжений
|
Uном
|
Uмин,кВ
|
Uмин,о.е.
|
Uмах
|
Uмах.о.е.
|
|
500
|
487
|
0,937
|
525
|
1,05
|
|
220
|
202
|
0,92
|
233
|
1.06
|
|
110
|
106
|
0,967
|
123
|
1,12
|
Уровни напряжений соответствуют нормам.
4.3.6 Послеаварийный режим - отключение одной из
линий ВЛ-220кВ Правобережная
При отключении одной из линий ВЛ-220кВ Правобережная происходит
перегрузка оставшейся в работе линии , с коэффициентом перегрузки 1,13 (см.
рис. 4.3.8 и приложение 2 рис.8) В остальной части сети загрузка оборудования
сети не превысило 80%.
Рис.4.3.8. Фрагмент расчетной схемы с результатами расчета режима с
послеаварийным отключением ВЛ-220 кВ Правобережная левая
ВЛ-220кВ «Правобережная левая, правая » выполнена проводом марки АС-300,
для которого Iд2=690А. В рассматриваемом режиме
рабочий ток в оставшейся в работе цепи ВЛ-220кВ Iр2=802А.
Учитывая температуру окружающего воздуха в зимний период -15ºС, принимаем поправочный коэффициент
К=1,29 [9, табл. 7.13], получим:
Следовательно, по нагреву рассматриваемый режим работы ВЛ-220кВ не
допустим.
Однако фактическая плотность тока составляет: 802А/300мм2 = 2,66А/мм2,
что превышает предельная экономическую нагрузку для этой линии 1,0А/мм2 более
чем в два раза. .
Для улучшения экономических показателей работы линий и для исключения
отключения потребителей при перегрузке линий в перспективе 5 лет предлагается
построить двухцепную ВЛ 220кВ от ПС-220кВ «Пашная» до ПС-220кВ Правобережная
длиной 11км провод АС-300.
Строительство данной линии позволит перераспределить генерацию от вновь
вводимой ТЭС в районе проектируемой ПС-220кВ Пашная .
Произведем проверку максимальных и минимальных уровней
напряжения для данного режима.
Полученные значения приведены в табл. 4.3.8
Таблица 4.3.8 Максимальные и минимальные уровни
напряжений
|
Uном
|
Uмин,кВ
|
Uмин,о.е.
|
Uмах
|
Uмах.о.е.
|
|
500
|
487
|
0,937
|
525
|
1,05
|
|
220
|
202
|
0,92
|
233
|
1.06
|
|
110
|
106
|
0,967
|
123
|
1,12
|
4.3.7 Послеаварийный режим - отключение двух
ВЛ-220кВ Пашная левая, правая
Как видно из приложения 2 рис.9, при отключении двух линий на ПС 220кВ
Пашная на оставшимся в работе двух других линиях загрузка составит 14%
Рис.4.3.9. Фрагмент расчетной схемы с результатами расчета режима, с
послеаварийным отключением двухцепной линии ВЛ-220 кВ Пашная левая и правая.
Произведем проверку максимальных и минимальных уровней
напряжения для данного режима. Полученные значения приведены в табл. 4.3.9.
Таблица 4.3.9 Максимальные и минимальные уровни
напряжений
|
Uном
|
Uмин,кВ
|
Uмин,о.е.
|
Uмах
|
Uмах.о.е.
|
|
500
|
487
|
0,937
|
525
|
1,05
|
|
220
|
202
|
0,92
|
233
|
1.06
|
|
110
|
106
|
0,967
|
123
|
1,12
|
4.4 Расчет и анализ перспективного режима максимальных нагрузок на
2019год
Расчет перспективного режима на 2019год произведем с учетом выполненных
мероприятий, а именно :
. Установлен третий автотрансформатор на ПС 220кВ «Новая» мощностью 200
МВА.
.Установлен третий автотрансформатор на ПС-220кВ «Дон»
. Выполнена двухцепная линия электропердач между ПС-220кВ Пашная и
ПС-220кВ Правобережная.
Таблица 4.4.1 Проверка нагрузок автотрансформаторов
|
№
|
Наименование ПС
|
Оперативное наименование
|
Нагрузка автотрансформатора, трансформатора
|
Кз
|
|
1
|
ПС -500кВ Липецкая
|
АТ-1
АТ-2 АТ-3 АТ-4
|
201+J162 56,2+J32,7 201+j162 56,2+J32,7
|
0,508 0,128 0,508 0,128
|
|
2
|
ПС -500кВ Тамбовская
|
АТ-1 АТ-2
|
122+J8,13 122+J8,13
|
0,24 0,24
|
|
3
|
ПС-500кВ Борино
|
АТ-1 АТ-2
|
236+J79,7 236+J9,7
|
0,54
|
|
4
|
ПС-500кВ Елецкая
|
АТ-1 АТ-2
|
209+J117 201+J107
|
0,481 0,464
|
|
5
|
ПС-500кВ Воронежская
|
АТ-1 АТ-2
|
70-J33,9 70-J33,9
|
|
6
|
ПС-220кВ Мичуринская
|
АТ-1 АТ-2
|
-76+J35 -76+J35
|
0,39 0.39
|
|
7
|
ПС-220кВ Котовская
|
АТ-1 АТ-2
|
63,6+J28,4 63,6+J28,4
|
0,589 0,589
|
|
8
|
ПС-220кВ Тамбов 4
|
АТ-1 АТ-2 АТ-3
|
39+J15,9
39+J15,9 39+J15,9
|
0,33 0,33 0,33
|
|
9
|
ПС-220кВ Дон
|
АТ-1 АТ-2
|
36,7+J21,3
47+J27,2
|
0,347 0,445
|
|
10
|
ПС-220кВ Елецкая
|
АТ-1 АТ-2 АТ-3
|
61+J38,5 78,5+J47,5 53,8+J33,9
|
0,586 0,743 0,516
|
|
11
|
ПС-220кВ Маяк
|
Т-1 Т-2
|
2+J0,6 0,5+J0,2
|
0,104 0,026
|
|
12
|
ПС-220кВ Металлурическая
|
АТ-1 АТ-2
|
22,1-J27,5 22,2-J27,8
|
0,145 0,147
|
|
13
|
ПС-220кВ Новая
|
АТ-1 АТ-2 АТ-3
|
86,5+J45,8 85+J45,8 85+J45,8
|
0,42 0,42 0,42
|
|
14
|
ПС-220кВ Правобережная
|
АТ-1 АТ-2 АТ-3 АТ-4
|
78,6+j37,5
78,6+j37,5 78,6+j37,5 78,6+j37,5
|
0,589 0,589 0,589 0,589
|
|
15
|
ПС-220кВ Северная
|
АТ-1 АТ-2
|
79,1+J54,6 79,1+J54
|
0,391 0,391
|
|
16
|
ПС-220кВ Сокол
|
АТ-1
|
19,8+j22,7
|
0,241
|
|
17
|
ПС-220кВ Тербуны
|
АТ-1 АТ-2
|
29,3+J17,6 29,3+J17,6
|
0,274 0,274
|
|
18
|
ПС-220кВ Пашная
|
АТ-1 АТ-2
|
30+J25,8 30+J25,8
|
0,16 0,16
|
Как видим, из приведенных данных в табл. 4.4.1, что загрузка
автотрансформаторов не превышает 57%.Это свидетельствует о нормальной загрузки
автотрансформаторов в режиме загрузки и правильности принятых нами решений.
Произведем проверку по экономической плотности (см.табл. 4.4.2)
Таблица 4.4.2
Проверка сечений проводов по экономической плотности
|
№
|
Наименование линии
|
Марка провода
|
Fэк, мм
|
I доп,А
|
I раб,А
|
jф/ jэк
А,мм2
|
К.з. о.е.
|
|
1
|
2
|
3
|
4
|
5
|
6
|
7
|
8
|
|
ЛИНИИ 220 кВ
|
|
|
|
|
|
1
|
Давыдовская 1
|
АС 400/51
|
400
|
830
|
148
|
0,12
|
0,178
|
|
2
|
Давыдовская 2
|
АС 400/51
|
400
|
830
|
148
|
0,37
|
0,178
|
|
3
|
Иловайская 2
|
АС 400/51
|
400
|
830
|
74,8
|
0,187
|
0,09
|
|
4
|
Стрелецкая 1
|
АС 400/51
|
400
|
830
|
161
|
0,4
|
0,191
|
|
5
|
Стрелецкая 2
|
АСО 300
|
300
|
690
|
149
|
0,49
|
0,21
|
|
6
|
Котовская
|
АС 300
|
300
|
690
|
198
|
0,66
|
0,277
|
|
7
|
Мичуринская
|
АС 400/51
|
400
|
830
|
139
|
0,345
|
0,168
|
|
8
|
Тамбовская 1
|
АСО 400
|
400
|
830
|
99,3
|
0,24
|
0,121
|
|
9
|
Тамбовская 2
|
АСО 300 АСО 400
|
300
|
690
|
142
|
0,47
|
0,2
|
|
10
|
Сокол
|
АС 400/51
|
400
|
830
|
71,5
|
0,178
|
0,121
|
|
11
|
Металлургическая Правая
|
АСО 300
|
300
|
690
|
165
|
0,211
|
0,08
|
|
12
|
Металлургическая Левая
|
АСО 300
|
300
|
690
|
165
|
0,55
|
0,233
|
|
13
|
Северная Правая
|
АСО 300
|
300
|
690
|
304
|
1,01
|
0,435
|
|
14
|
Северная Левая
|
АСО 300
|
300
|
690
|
305
|
1,01
|
0,435
|
|
15
|
Чириково
|
АС 300/39
|
300
|
690
|
167
|
0,55
|
0,235
|
|
16
|
Елец-Правая
|
АСО 400
|
400
|
830
|
121
|
0,302
|
0,146
|
|
17
|
Елец-Левая
|
АС 400/51
|
400
|
830
|
123
|
0,307
|
0,148
|
|
18
|
Западная Правая
|
АСО 300
|
300
|
690
|
154
|
0,513
|
0,217
|
|
19
|
Западная Левая
|
АСО 300
|
300
|
690
|
159
|
0,19
|
0,192
|
|
20
|
Правобережная Правая
|
АСО 300
|
300
|
690
|
311
|
1,03
|
0,438
|
|
21
|
Правобережная Левая
|
АСО 300
|
300
|
690
|
311
|
1,03
|
0,438
|
|
22
|
Маяк
|
АС 400/51
|
400
|
690
|
371
|
0,927
|
0,94
|
|
23
|
Тербуны 1
|
АС-300/39
|
300
|
690
|
197
|
0,656
|
0,277
|
|
24
|
КС 29-2
|
АС 400/51
|
400
|
830
|
44,1
|
0,11
|
0,05
|
|
25
|
КС 29-3
|
АС 400/51
|
400
|
830
|
44,3
|
0,11
|
0,05
|
|
26
|
КС 29-4
|
АС 400/51
|
400
|
830
|
256
|
0,64
|
0,366
|
|
27
|
Сосна
|
АС-400/51
|
400
|
690
|
369
|
0,922
|
0,445
|
|
28
|
КС 29-1
|
АС 300/39
|
300
|
690
|
197
|
0,65
|
0,365
|
|
29
|
Дон
|
АС 300/39
|
300
|
690
|
153
|
0,51
|
0,216
|
|
30
|
Стан правая
|
АС 300/39
|
300
|
690
|
190
|
0,633
|
0,268
|
|
31
|
Стан левая
|
АС 300/39
|
300
|
690
|
190
|
0,633
|
0,268
|
|
32
|
Новая правая
|
АС 300/39
|
300
|
690
|
154
|
0,51
|
0,217
|
|
33
|
Новая левая
|
АС 300/39
|
300
|
690
|
154
|
0,51
|
0,217
|
Ливны 2
|
АС 300/39
|
300
|
690
|
47,8
|
0.15
|
0,067
|
|
35
|
Ливны 2отпайка на Тербуны
|
АС 300/39
|
300
|
690
|
47,8
|
0,15
|
0,048
|
|
36
|
Пашная левая
|
АС 300/39
|
300
|
690
|
390
|
1,3
|
0,549
|
|
37
|
Пашная правая
|
АС 300/39
|
300
|
690
|
390
|
1,3
|
0,54
|
|
38
|
Проект. ВЛ
|
АС 300/39
|
300
|
690
|
131
|
0,43
|
0,184
|
|
39
|
Проект.ВЛ
|
АС 300/39
|
300
|
690
|
131
|
0,43
|
0,184
|
Из результата расчета максимального режима видим, что линии 220кВ За
исключением двух линий Пашная левая и правая имеют Jэ =1,3А/мм2, имеют экономическую плотность меньше или равную
единице.
На ВЛ-220кВ Пашная левая и правая рекомендуется провода заменить на
большее сечение.
Проверка уровней напряжения в сети.
Таблица 4.4.3 Максимальные и минимальные уровни напряжений
|
Uном
|
Uмин,кВ
|
Uмин,о.е.
|
Uмах
|
Uмах.о.е.
|
|
500
|
481
|
0,965
|
521
|
1,04
|
|
220
|
213
|
0,969
|
240
|
1.09
|
|
110
|
111
|
1,01
|
119
|
1,08
|
Уровни напряжений соответствуют нормам.
5. ПРОЕКТ ВНОВЬ ВВОДИМОЙ ПОДСТАНЦИИ
5.1 Характеристика проектируемой подстанции
Проектируемая подстанция 220/110кВ «Пашная» предназначается для
электроснабжения особой экономической зоны промышленного типа с планируемой
нагрузкой 300МВА. Категория потребителей - 2.
5.2 Определение типа подстанции
Проектируемую подстанцию можно отнести к категории проходных (транзитных)
подстанций.
По способу присоединения к сети подстанция является комбинированной, т.е.
когда кроме питающих линий от подстанции отходят дополнительные радиальные или
транзитные линии.
По назначению подстанция является сетевой, для электроснабжения небольших
районов, так как наряду с транзитом мощности на высшем напряжении имеется
нагрузка на низшем напряжении.
Подстанция обслуживается дежурным на щите управления.
5.3. Характеристика нагрузки подстанции
К данной подстанции подключены потребители 2 и 3 категории в табл. 5.1.
приведены данные о соотношении количества потребителей различных категорий.
Таблица 5.1 Категории потребителей подстанции
|
Номинальное напряжение сети питающей потребителей
|
|
Потр.%
|
|
|
1 кат.
|
|
2 кат.
|
3 кат
|
|
110кВ
|
|
-
|
|
80
|
|
20
|
|
|
|
|
|
|
|
5.4 График полной мощности подстанции
Максимальное значение полной и реактивной мощности
определяются по формулам:
MB·A (5.1)
Mвар (5.2)
Значения
РMAX и QMAX принимаются за 100% графика нагрузки. Суммарное
максимальное значение полной мощности определяется по суммарному графику
подстанции, расчет которого приведен в табл.5.2.
Рис. 5.1. График использования активной мощности
Рис. 5.2 График использования реактивной мощности
Принимаем Pmax и Qmax за 100 % графика нагрузки.
Полная мощность для каждой ступени графика:
(5.3)
Активная
мощность для каждой ступени графика:
(5.4)
Пример расчета для первой ступени
МВт (5.5)
МВар (5.6)
МВА
МВт ч
Таблица 5.2 Расчетные параметры для графика нагрузки
|
№ ступени
|
Часы
|
t
|
P
|
Q
|
S
|
W
|
|
ч
|
ч
|
%
|
МВт
|
%
|
Мвар
|
МВ*А
|
МВт*ч
|
|
1
|
0 - 6
|
6
|
70
|
182
|
80
|
119,7
|
217,83
|
1092
|
|
2
|
6 - 11
|
5
|
95
|
247
|
95
|
113,7
|
271,9
|
1235
|
|
3
|
11 - 18
|
7
|
100
|
260
|
100
|
149,67
|
300
|
2100
|
|
4
|
18 - 23
|
5
|
85
|
221
|
90
|
127,2
|
255
|
1105
|
|
5
|
23 - 24
|
1
|
70
|
182
|
80
|
119,7
|
217,83
|
182
|
Рис
5.3. Суточный график полной мощности
Построим годовой график по продолжительности по заданному суточному
графику нагрузки показанному на рис 5.3.
Т1 = t1× 365 = 2555 ч;
Т2 = t2× 365 = 1825 ч;
Т3 = t3× 365 = 1825 ч;
Т4 = t4× 365 = 2190 ч;
Т5 = t5× 365 = 365 ч;
Рис.
5.4 Годовой график полной мощности
Суточный отпуск энергии потребителям:
МВтч
Средняя
нагрузка:
=
(5.7)
Время
использования максимальной активной нагрузки:
час (5.8)
Коэффициент
заполнения годового графика нагрузки:
(5.9)
5.5 Проверка по нагрузочной способности
Необходимо произвести проверку по перегрузочной способности в случае
отключения одного из трансформаторов. Нагрузочная способность трансформаторов
мощностью до 250 МВА определяется ГОСТ 14209-85. Для определения допустимой
перегрузки исходный график S=f(t) должен быть преобразован в эквивалентный (в
тепловом отношении) двухступенчатый прямоугольный график нагрузки .
Для этого на исходном графике проведем линию номинальной мощности
трансформаторов.
Пересечение линии номинальной мощности с исходным графиком выделяет
участок перегрузки продолжительностью h`и участок недогрузки.
Рис.
5.5 Преобразование исходного графика в эквивалентный двухступенчатый
прямоугольный
Начальная
нагрузка
в долях от номинальной мощности трансформатора:
(5.10)
где
i - номер ступени графика, входящей в участок начальной нагрузки;
m - номер
последней ступени графика, входящей в участок начальной нагрузки;i -
значение текущей нагрузки;
∆ti -
продолжительность ступени графика, входящей в участок начальной нагрузки;
К1
= 0,87. Принимаем К1 = 0,9.
(5.11)
-
значения ступеней графика использования полной мощности находящихся в области
перегрузки.
Δ hi - длительности ступеней
перегрузки
Находим максимальное значение перегрузки

(5.12)
Так
как
>0,9·
1,12>1,08 то принимаем К2 =0.9Кмах.
Так
как
порядка 0.9, то допустимая аварийная перегрузка
трансформатора по табл. 1.36 [2] при:
продолжительности
перегрузки в течение суток - 12 ч;
системе
охлаждения "ДЦ";
температуре
охлаждающего воздуха 30'С т.к. по [2] стр. 10 для трансформаторов с высшим
напряжением 220 кВ необходимо применять нормы перегрузки для температуры
охлаждающей среды, увеличенной на 20'С;
.
Условие
проверки трансформаторов
=1,12£
выполняется.
Окончательно принимаем автотрансформаторы АТДЦТН-250000/220/110.
Таблица 5.3 Технические характеристики автотрансформаторов
|
Тип
|
Sном.тр. МВ·А
|
Предел регулирования
|
Uном обмоток, кВ
|
DРк , кВт
|
Iх %
|
Uк , %
|
|
|
|
ВН
|
СН
|
НН
|
|
|
|
|
АТДЦТН-250000/220/110
|
250000
|
6±2%
|
230
|
121
|
10,5
|
520
|
0,5
|
11,5
|
5.6 Расчет токов короткого замыкания
На проектируемой подстанции рассчитывается начальное
значение периодической составляющей тока короткого замыкания - Iпо
на шинах 110 кВ - трехфазного и однофазного КЗ;
на шинах 220- трехфазного и однофазного КЗ.
на шинах 10кВ
Расчет произведен при помощи программы «Энергия ТКЗ»
Расчет произведем для 2 схем:
) схема с генерацией ,ввода 1 очереди вновь вводимой
ТЭС -150 МВТ, присоединяемой к шина 110кВ проектируемой ПС
) схема с генерацией 2 очереди ТЭС- 300МВТ, также
присоединяемой к шинам 110к В проектируемой подстанции.
Расчетная схема для первой схемы представлена на рис. 5.6.
Рис. 5.6. Расчетная схема токов короткого замыкания для первой схемы
Результаты расчета представлены в табл. 5.4
Таблица 5.4 Расчетные данные токов коротких замыканий
|
Место КЗ
|
Точка К.З.
|
Начальное значение периодической составляющей токов , кАУдарный ток - К.З. ,кА
|
|
|
|
Трехфазное К.З.
|
Однофазное К.З.
|
Трехфазное К.З.
|
|
Шины ВН, 220 кВ
|
14,815,235,2
|
|
|
|
|
Шины СН, 110 кВ
|
14,517,438,1
|
|
|
|
|
Шины НН 10к кВ
|
Кз
|
46,3
|
-
|
125
|
Расчетная схема для второй схемы представлена на рис.5.7
Рис. 5.7 Расчетная схема токов короткого замыкания для второй схемы
Результаты расчета представлены в табл. 5.5.
Таблица 5.5 Расчетные данные токов коротких замыканий
|
Место КЗ
|
Точка К.З.
|
Начальное значение периодической составляющей токов , кАУдарный ток - К.З.ф. К.З. ,кА
|
|
|
|
Трехфазное К.З.
|
Однофазное К.З.
|
Трехфазное К.З.
|
|
Шины ВН, 220 кВ
|
16,316,239,46
|
|
|
|
|
Шины СН, 110 кВ
|
19,221,651,1
|
|
|
|
|
Шины НН 10к кВ
|
Кз
|
50,1
|
-
|
136
|
Как видим, из результата расчета во втором варианте с генерацией 300МВт,
все токи больше, поэтому выбираем для дальнейшего расчета наиболее тяжелый
второй вариант.
5.7 Выбор схемы соединения подстанции
Электрическую схему распределительного устройства (РУ) выбираем в
зависимости от назначения, роли, местоположения подстанции (ПС) в системе
электроснабжения и с учетом типа установленных силовых трансформаторов.
Основные требования к главным схемам электрических соединений:
) схема должна обеспечивать надежное питание присоединенных потребителей
в нормальном, ремонтном и послеаварийном режимах в соответствии с категориями
нагрузки ,с учетом наличия или отсутствия независимых резервных источников
питания;
) схема должна обеспечивать надежность транзита мощности через подстанцию
в .нормальном, ремонтном и послеаварийном режимах в соответствии с его
значением для рассматриваемого участка сети;
) схема должна быть по возможности простой, наглядной, экономичной и
обеспечивать средствами автоматики восстановление питания потребителей в
послеаварийной ситуации без вмешательства персонала;
) схема должна допускать поэтапное развитие РУ с переходом от одного
этапа к другому без значительных работ по реконструкции и перерывов питания
потребителей;
) число одновременно срабатывающих выключателей в пределах одного РУ
должно быть не более двух при повреждении линии и не более четырех при
повреждении трансформатора.
Для проектируемой подстанции планируем схему распределительных устройств:
- ОРУ-220кВ - одна секционированная выключателем система шин (рис 5.8)
Рис. 5.8 Схема ОРУ-220кВ
·
для КРУЭ-110кВ
-одна секционированная выключателем выключателями в цепях трансформаторов (рис
5.9)
Рис. 5.9 Схема КРУЭ-110кВ
Выбор схемы ЗРУ НН
одна одиночная, секционированная выключателем, система шин
5.8 Выбор типов релейных защит и электрической
автоматики
Два автотрансформатора подключаются на стороне 220,110 и 10 кВ через один
выключатель к соответствующей секции шин. На выводах10 кВ каждого АТ подключен
трансформатор напряжения.
На указанных автотрансформаторах предусматривается два комплекта основных
защит, размещенных в отдельных шкафах и резервные защиты сторон ВН и СН.
В состав I комплекта защит АТ-1 (АТ-2) входят следующие защиты и
устройства:
дифференциальная токовая защита АТ (ДТЗ АТI);
дифференциальная токовая защита цепей стороны низшего напряжения АТ (ДЗО
НН);
цепи газовой защиты автотрансформатора и его устройства РПН (Цепи ГЗ АТ и
РПН);
цепи защиты контактора устройства РПН автотрансформатора (Цепи З К РПН
АТ);
защита (токовая) от перегрузки, устанавливаемая на сторонах 220 кВ и
нейтрали автотрансформатора (ЗПВН I и ЗПN I);
сигнализация замыкания на землю на стороне 10 кВ автотрансформатора с
контролем напряжения нулевой и обратной последовательностей (СЗЗ ННI);
В состав II комплекта защит АТ-1 (АТ-2) входят следующие защиты и
устройства:
дифференциальная токовая защита АТ (ДТЗ АТII);
контроль и защита изоляции вводов высшего напряжения АТ-1 (АТ-2) (КИВ
ВН);
цепи газовой защиты автотрансформатора и его устройства РПН (Цепи ГЗ АТ и
РПН);
цепи защиты контактора устройства РПН автотрансформатора (Цепи З К РПН
АТ);
максимальная токовая защита на стороне 10кВ автотрансформатора (МТЗ НН);
защита (токовая) от перегрузки, устанавливаемая на сторонах 220 кВ и
нейтрали автотрансформатора (ЗПВН II и ЗПN II);
сигнализация замыкания на землю на стороне 10 кВ автотрансформатора с
контролем напряжения нулевой и обратной последовательностей (СЗЗ ННII);
контроль отключенного состояния автотрансформатора (используется
В состав резервных защит стороны высшего напряжения ВН (АТ-1)
(АТ-2) входят:
четырехступенчатая дистанционная защита, при этом не менее одной ступени
от всех видов КЗ на стороне ВН АТ (ДЗ ВН );
четырехступенчатая токовая направленная защита нулевой последовательности
от КЗ на землю на стороне ВН АТ (ТНЗНП ВН);
цепи отключения с действием с первой выдержкой времени на отключение
секционного выключателя ВН (деление), а затем со второй выдержкой времени -
выключателей стороны ВН АТ; в обоих случаях с воздействием на два
электромагнита отключения и пуск УРОВ;
цепи отключения АТ с действием с третьей выдержкой времени через I и II комплекты защит на отключение АТ с запретом АПВ и пуск УРОВ
выключателей ВН и СН АТ и секционного выключателя 220 кВ.
В состав резервных защит стороны среднего напряжения СН (АТ-1) (АТ-2)
входят:
четырехступенчатая дистанционная защита, при этом не менее одной ступени
от всех видов КЗ на стороне СН АТ (ДЗ СН);
четырехступенчатая токовая направленная защита нулевой последовательности
от КЗ на землю на стороне СН АТ (ТНЗНП СН);
цепи автоматического ускорения резервных защит при включении выключателя
на стороне СН АТ (ЦАУ СН), а также цепи оперативного ускорения;
цепи отключения с действием с первой выдержкой времени на отключение
секционных выключателей СН (деление), а затем со второй выдержкой времени -
выключателей стороны СН АТ; в обоих случаях с воздействием на два
электромагнита отключения и пуск УРОВ;
цепи отключения АТ с действием с третьей выдержкой времени через I и II комплекты защит на отключение АТ, включая секционный
выключатель 220 кВ, с запретом АПВ и пуск УРОВ выключателей ВН и СН АТ и
секционного выключателя 220 кВ.
Дифференциальная токовая защита автотрансформатора (АТ-1) (АТ-2), I (II)
комплект ДТЗ АТ-I (ДТЗ АТ-II)
Время срабатывания ДТЗ АТI (ДТЗ
АТII) при двукратном и более токе по
отношению к току срабатывания должно быть не более 0,03 с.
Газовая защита автотрансформатора (АТ-1), (АТ-2) и его устройства РПН (ГЗ
АТ и РПН), защита контактора устройства РПН автотрансформатора (З К РПН АТ)
Газовая защита автотрансформатора и его устройства РПН имеет две ступени:
первая ступень выполняется с действием на сигнал, а вторая ступень - на
отключение автотрансформатора без выдержки времени. В каждом комплекте защиты
должен быть предусмотрен переключатель для перевода действия второй ступени
защиты на сигнал.
Защита (струйное реле или реле давления) контактора РПН
автотрансформатора имеет одну ступень, которая действует на отключение АТ без
выдержки времени.
5.9 Выбор аппаратов и токоведущих частей
.9.1 Выбор выключателей
Для
выбора аппаратов и токоведущих частей необходимо рассчитать ток
продолжительного режима
, табл. 5.6. для схемы
Рис.
5.10. Расчетная схема
Таблица 5.6 Расчет токов продолжительного режима
|
Обозначение элемента
|
Выключатель или токоведущая часть
|
Расчетное выражение Iутяж
|
|
Q1,Q2, Q3,Q4
|
Выключатели воздушной линии 220 кВ
|
|
|
Q6, Q7
|
|
|
Q7
|
Секционный выключатель 220 кВ
|
|
|
Q8- Q10,Q12, Q13,Q15-Q17
|
Выключатели воздушной линии 110 кВ
|
кА
|
|
Q11,Q14
|
Выключатели на стороне 110кВ цепи трансформатора
|
|
|
Q18
|
Секционный выключатель 110кВ
|
|
|
Выключатели и ошиновка трансформатора на стороне НН
|
кА
|
|
Выключатели в линиях потребителя 10 кВ
|
|
|
Секционный выключатель 10 кВ
|
кА
|
|
I
|
Сборные шины на стороне ВН
|
|
|
II
|
Сборные шины на стороне НН
|
кА
|
Ток
продолжительного режима (
) для выбора аппаратов и токоведущих частей.
Таблица 5.7 Выбор выключателей на 220кВ тип выключателя СПА -245
|
Расчетные данные
|
Каталожные данные
|
Условие выбора
|
|
Uсети =220 кВ Iпрод.расч. =709 А
|
Uном = 220 кВ Iном = 2000 А
|
По условию длительного режима
|
|
кАiдин= 102кАПо динамической стойкости
|
|
|
|
=29,79кА =71,48кАПо коммутационной
способности, амплитуде полного тока отключения
|
|
|
|
Вк=22,12к
|
=4800 По термической стойкости
|
|
кА
кА
кА
|
кАПо току включения
|
|
|
Для табл.5.7.
19,2²(0,01+0,05)= 22,12 к
где
с, (5.15)
из [6]
τ = t защ.мин.+ t
о.с.= 0,01 + 0,05 = 0,06 с ;
- время
действия основной релейной защиты, где установлен выключатель
- полное
время выключателя с приводом
t защ.мин -
минимальное время срабатывания релейной защиты (0.01 с)
t о.с - собственное
время отключения выключателя с приводом
29,79кА (5.16)
кА.
Таблица 5.8
Выбор выключателей на 110кВ тип выключателя СПА -145 6
|
Расчетные данные
|
Каталожные данные
|
условие выбора
|
|
Uсети =220 кВ Iпрод.расч. =1418 А
|
Uном = 220 кВ Iном = 2000 А
|
По условию длительного режима
|
|
кАiдин= 102кАПо динамической стойкости
|
|
|
|
=35,3кА =71,48кАПо коммутационной
способности, амплитуде полного тока отключения
|
|
|
|
Вк=15.74 к
|
=4800 По термической стойкости
|
|
кА
кА
кА
|
кАПо току включения
|
|
|
Для табл.
5.8:
16,2²(0,01+0,05)=15,74к
(5.17)
где
с,
с (по
табл. 3.2 [Л.6])
τ = t защ.мин.+ t
о.с.= 0,01 + 0,05 = 0,06 с ;
- время
действия основной релейной защиты, где установлен выключатель
- полное время выключателя с приводом
t защ.мин -
минимальное время срабатывания релейной защиты (0,01 с)
t о.с - собственное
время отключения выключателя с приводом
35,3кА
кА.
Выбор
выключателей на низшем напряжении приведен в табл. 5.9 , 5.10.
Таблица 5.9 Выбор вводного выключателя тип выключателя ВЭ-10 - 1250-20-У3
[28]
|
Расчетные данные
|
Каталожные данные
|
Условия выбора
|
|
Uсети = 10 кВ Iпрод.расч. = 1090 А
|
Uном = 10 кВ Iном = 1250 А
|
По условиям длительного режима
|
=

|
По току включения
|
|
|
|
Тип привода
|
|
Пружинный
|
Принимаем КРУ со шкафами КЭ - 10/40 с номинальным током шин 1600А
Для таблицы
5.9:

,
где
с,
с. (по
табл. 3.2 [Л.3])
τ = t защ.мин.+ t
о.с.= 0,01 + 0,06 = 0,07 с
- время
действия основной релейной защиты, где установлен выключатель
- полное
время выключателя с приводом
t защ.мин -
минимальное время срабатывания релейной защиты (0.01 с)
t о.с -
собственное время отключения выключателя с приводом
кА
кА.
Таблица 5.10 Выбор выключателя отходящей кабельной линии тип выключателя
ВК-10 -630-20У2 по табл. 5.1 [28]
|
Расчетные данные
|
Каталожные данные
|
Условие выбора
|
|
Uсети =10 кВ Iпрод.расч.= 226,6 А
|
Uном = 10 кВ Iном = 630 А
|
По условию длительного режима
|
|
= 18,38 кА = 35,74 кАПо коммутационной
способности
|
|
|
|
iу=19,57 кА
|
iдин=52 кА
|
По динамической стойкости
|
|
Вк= 55,95 Вк=202*3=1200 По термической стойкости
|
|
|

|
По току включения
|
|
|
|
Тип привода
|
|
ДПП
|
Для табл.
5.10

,
где
с,
с. (по
табл. 3.2 [Л.3])
τ = t защ.мин.+ t
о.с.= 0,01 + 0,05 = 0,06 с ;
- время
действия основной релейной защиты, где установлен выключатель
- полное
время выключателя с приводом
t защ.мин -
минимальное время срабатывания релейной защиты (0.01 с)
t о.с - собственное
время отключения выключателя с приводом
кА
кА.
5.9.2 Выбор разъединителей
Выбор разъединителей стороне ВН, со стороны CН, так как на стороне НН роль разъединителей выполняют
разъемы КРУЭ и КРУ.
Таблица 5.11 Выбор разьеденителей 220кВ разъединитель типа NSA-220/2000Е1
|
Расчетные данные
|
Каталожные данные
|
Условие выбора
|
|
Uсети = 220 кВ Iпрод.расч.=709 А
|
Uном =110 кВ Iном = 2000 А
|
По условию длительного режима
|
|
iу = 39,46 кА
|
iдин = 80 кА
|
По динамической стойкости
|
|
Вк = 22,12 Вк=402*3 = 4800 По термической стойкости
|
|
|
5.9.3 Выбор трансформаторов собственных нужд
Собственные нужды подстанции включают в себя таких потребителей как
электродвигатели вентиляторов и насосов системы охлаждения силовых
трансформаторов с вторичным напряжением 0,4 кВ, устройства обогрева масляных
выключателей и шкафов с установленными в них электрическими аппаратами и
приборами, электрическое освещение и отопление, система пожаротушения,
аппаратура систем управления, телемеханики и связи.
Мощность трансформатора собственных нужд ориентировочно принимается.
(кВА).
Принимаем
трансформаторы типа ТСЗ -1000/10.вн = 10 кВ, Uнн = 0,4 кВ, S = 100 кВ×А, uk = 5,5%.
5.9.4.Выбор токоведущих частей на всех классах
напряжения
Выбор
сборных шин высшего напряжения.
Сборные
ВН 220 кВ выполняются гибкими подвесными из проводов круглого сечения. Материал
- алюминий, со стальным сердечником (марка АС). Сечение сборных шин выбирается
по условию:
,где (5.18)
Iдоп -
допустимый ток для данного сечения проводника;
Iутяж - согласно
табл. 3.4, Iутяж = 709 (А).
Выбирается
ошиновку сосоящую из двух проводов марки АС - 400/51
; q =445 мм2; d = 27,5 мм;
Выбранное
сечение для U = 220 кВ проверяется по условию отсутствия короны.
Фазы
расположены горизонтально с расстоянием между фазами 3000 мм.
Начальная критическая напряженность
(кВ/см) (5.20)
где,
m - коэффициент, учитывающей шероховатость поверхности
провода (для многопроволочных проводов m = 0,82);
r0 =
радиус повода, см. (5.21)
Напряженность
вокруг провода
(кВ/см). (5.22)
Условие
проверки
,07·Е
< 0,9·Е0 (5.23)
,07·22,03
< 0,9·31,19 ;
,57
(кВ/см) < 28,06 (кВ/см).
Таким
образом, два провода марки АС - 400/51 по условиям короны проходит.
Выбор
ошиновки цепи силового трансформатора
Ошиновка
силового трансформатора от выводов 10 кВ до ввода в РУ выполняется в виде
комплектного токопровода. Тип токопровода ТЗК-10/1600-51У1. Проверка
токопровода сведена в табл. 5.12.
Таблица
5.12 Проверка токопровода
|
Расчетные данные
|
Каталожные данные
|
Условие выбора
|
|
Uсети = 10 кВ Iутяж = 1149 А
|
Uном = 10 кВ Iном = 1600 А
|
По условию длительного режима
|
|
iу = 19,57 кА
|
Iдин = 51 кА
|
По динамической стойкости
|
Данные комплектного токопровода ТЗК-10/1600-51У1:
сечение токоведущих шин (из алюминия) - 150 х 80 х 15 мм;
расположение шин - по треугольнику;
характеристика кожуха:
форма - цилиндрическая Dн=706;
материал - алюминий;
выполняется без междуфазных перегородок.
5.9.5 Выбор контрольно-измерительной аппаратуры
на всех классах напряжения
Таблица 5.13 Выбор контрольно-измерительной аппаратуры
|
№
|
Место установки приборов
|
Перечень приборов
|
Примечание
|
|
1
|
Автотрансформатор
|
Амперметр, счетчики активной и реактивной энергии
|
Измерительные приборы устанавливаются на стороне НН в
каждой цепи, т.к. имеет 2 обмотки НН. Устанавливаются счетчики технического
учета
|
|
2
|
Секционный выключатель 10 кВ
|
Амперметр в одной фазе
|
|
|
3
|
Секция шин 10 кВ
|
Вольтметр
|
Вольтметр имеет переключатель для измерения линейных и
фазных напряжений
|
|
4
|
Кабельная линия 10 кВ
|
Амперметр, счетчики активной и реактивной энергии
|
Счетчики активной и реактивной энергии расчетные
|
|
5
|
Линия 110 кВ
|
Амперметр в одной фазе. Ваттметр и варметр, счетчик
активной энергии.
|
|
|
6
|
Трансформатор собственных нужд
|
Амперметр, счетчики активной энергии
|
Приборы устанавливаются со стороны низшего напряжения ТСН
Счетчик расчетный
|
|
7
|
Секция шн ВН,СН
|
Вольтметр, вольтметр регистрирующий, ФИП
|
Вольтметр на секциях 110-220кВ имеет переключатель для
измерения междуфазных напряжений
|
|
8
|
Линия 220кВ межсистемная
|
Амперметр в одной фазе. Ваттметр и варметр, счетчик
активной энергии, ФИП
|
Для межсистемных линий устанавливается расчетный счетчик
активной энергии,для прочих -технический
|
|
9
|
Секционный выключатель ВН
|
Амперметр в одной фазе
|
|
Примечание: для установки принимаются следующие типы приборов:
·
Амперметр Э -
335;
·
ваттметр - Д -
335;
·
счетчик активной
энергии СЭТ - 4ТМ.02;
·
счетчик
реактивной энергии СЭТ - 4ТМ.02;
·
вольтметр Э -
335.
5.9.6 Выбор измерительных трансформаторов тока
На стороне 220кВ выбор трансформатора тока (ТТ) ограничивается лишь
выбором его типа без полной проверки.
На стороне 110кВ ТТ 110кВ выбор не производим из-за тогочто трансформатор
тока входят в состав КРУЭ-110кВ
На стороне НН полный выбор производится для ТТ в цепи силового
трансформатора в КРУ.
Выбор трансформатора тока на стороне 220 кВ.
На стороне ВН принимается трансформатор тока наружной установки типа IМВ 245 Проверка трансформатора тока
приведена в табл.5.14.
Таблица 5.14
Выбор трансформатора тока в цепях воздушных линий 220 кВ.
|
Расчетные данные
|
Каталожные данные ТТ IMB 245
|
Условие выбора или проверки
|
|
Uсети = 220
кВ Iутяж =509 А
|
Uном = 220 кВ I1 ном = 2000 А
|
По условиям длительного режима
|
|
iу = 39,4
кА
|
Iэд = 42 кА
|
По динамической стойкости
|
|
Вк = 41,92 кА2·с
|
I2тер.·tтер
= 82·3 = 192 кА2·с
|
По термической стойкости
|
Выбор трансформатора тока в нейтрали силового трансформатора
Приняты ТТ типа ТВТ 35 - I -
200/5.Uном = 35 кВ; I1 ном = 200А; I2 ном
= 5 А.
Проверка ТТ встроенного в силовой автотрансформатор не производится.
Выбор ТТ в цепи силового трансформатора на стороне 10 кВ
Выбирается ТТ типа ТЛМ-10 У3. Трансформаторы тока ставим в каждой фазе.
Проверка ТТ сводится в табл.5.15. Нагрузка, создаваемая приборами, сведена в
таблицу 5.16.
Таблица 5.15 Проверка ТТ типа ТЛМ-10 У3
|
Расчетные данные
|
Каталожные данные ТТ типа ТЛМ-10 У3.
|
Условие выбора
|
|
Uсети = 10 кВ Iутяж = 1149 А
|
Uном = 10 кВ I1 ном = 1500 А
|
По условию длительного режима
|
|
iу = 50,7
кА
|
Iэд = 100 кА
|
По динамической стойкости
|
|
Z2расч= 0,6 Ом
|
Z2ном= 0,8 Ом
|
По нагрузочной способности
|
|
Вк = 55,95 кА2·с
|
I2тер.·tтер
= 262·3 = 2028 кА2·с
|
По термической стойкости
|
Проверка по нагрузочной способности, определение сопротивлений приборов:
Zамп.=
Sпотр. обм / I2 = 0,5/52 = 0,02 Ом (5.24)
ватт.= Sпотр. обм / I2 = 0,5/52 = 0,02 Ом;вар.= Sпотр. обм / I2 = 0,5/52
= 0,02 Ом;сч.акт.= Sпотр. обм / I2 = 2.5/52 = 0,1 Ом;сч.реакт.= Sпотр. обм / I2
= 2.5/52 = 0,1 Ом, гдепотр. обм - мощность, потребляемая токовой обмоткой
данного прибора;- ток во вторичной обмотке трансформатора тока.
а)
Включение приборов в полную звезду
б)
Включение приборов в неполную звезду
Рис.5.10.
Схемы соединения трансформаторов тока
Таблица
5.16 Нагрузка, создаваемая приборами, установленными на вводе силового
трансформатора
|
Прибор
|
Тип
|
Нагрузка создаваемая прибором, Ом
|
|
|
Фаза А
|
Фаза В
|
Фаза С
|
|
Амперметр
|
Э-335
|
-
|
0.02
|
-
|
|
Ваттметр
|
Д-335
|
0,02
|
|
0,02
|
|
Варметр
|
Д-335
|
0,02
|
0,02
|
0,02
|
|
Счетчик активной энергии
|
СЭТ-4ТМ.02
|
0,1
|
-
|
0,1
|
|
Счетчик реактивной энергии
|
СЭТ-4ТМ.02
|
0,1
|
0,1
|
0,1
|
Самой нагруженной фазой является фаза А,либо фаза С (см. рис. 5.10а).
Производится расчет сопротивления нагрузки для фазы А
Z2расч=Zприб+rпров+rконт=Zсч.акт.+Zсч.реакт.+rпров+rконт
=0,24+rпров+0,1=0,34+rпров
находим допустимое сопротивление провода:пров. доп.= 0,8 - 0,34 = 0,46
(Ом)
находим требуемое сечение для заданного сопротивления:
, (5.25)
r - удельное
сопротивление (принимается для Al = 0,028);- длина контрольного кабеля (принимаем
равной 50 м);пров. доп. -допустимое сопротивление провода.
В
результате расчета получаем:= 0,028×50/0.46 = 3,04
(мм2) из условий механической прочности принимаем сечение контрольного кабеля 4
мм2= 4 мм2 Þ rпров.= 0,028×50/4 = 0,35
(Ом)расч = 0,35+0,34 = 0.69 (Ом) < 0,8 (Ом) следовательно ТТ проходит по
нагрузочной способности.
(5.26)
5.9.7 Выбор измерительных трансформаторов напряжения
Полный выбор трансформатора напряжения (ТН) производится для трансформатора,
установленного на секции шин НН. На сторонах ВН и СН ТН выбираются без проверки
по вторичной нагрузке.
Трансформатор напряжения выбирается:
по напряжению установки Uуст ≤
Uном ;
по конструкции и схеме соединения обмоток;
по классу точности;
по вторичной нагрузке S 2 ≤
Sном ,
где Sном - номинальная нагрузка в
выбранном классе точности;
S 2 -
нагрузка всех измерительных приборов, присоединенных к ТН.
(5.27)
Выбор трансформатора напряжения на стороне 220 кВ.
На шинах ВН устанавливается трансформатор напряжения СПА-245, технические
данные которого приведены в табл. 5.17.
Таблица 5.17 Технические данные трансформатора напряжения
|
Тип
|
Номинальное напряжение обмоток, В
|
S2НОМ, В×А, в классе точности
|
Схема соединения
|
|
первичной
|
вторичной
|
дополнительной вторичной
|
0,5
|
|
|
СПА 245
|
220000 / 100 / 100400Y0/Y0/D-11
|
|
|
|
|
Выбор трансформатора напряжения на стороне 10 кВ.
На секции НН ставим ТН типа 3×ЗНОЛ.0.9-10У2, технические данные
которого приведены в таблице 5.18.
Таблица 5.18 Технические данные трансформатора напряжения
|
Тип
|
Номинальное напряжение обмоток, В
|
S2НОМ, В×А, в классе точности
|
Схема соединения
|
вторичной
|
дополнительной вторичной
|
0,5
|
|
|
ЗНОЛ.0,9-10У2
|
10000 / 100 / 100751/1/1-0-0
|
|
|
|
|
Подсчет вторичной нагрузки ТН сведен в табл.5.19.
Таблица 5.19
Подсчет нагрузки вторичной обмотки трансформатора напряжения
|
Наименование прибора
|
Место установки
|
Тип
|
Число обмоток
|
Потребляемая мощность одной обмотки, Вт
|
Число приборов
|
P, Вт
|
Q, Вар
|
|
|
Вольтметр
|
шины
|
Э-335
|
1
|
2
|
1/0
|
1
|
2
|
0
|
|
Ваттметр
|
Ввод 10кВ
|
Д-335
|
2
|
1,5
|
1/0
|
1
|
3
|
0
|
|
Варметр
|
ввод 10кВ
|
Д-335
|
2
|
1,5
|
1/0
|
1
|
3
|
0
|
|
Счетчик активной энергии
|
ввод 10кВ
|
СЭТ-4ТМ.02
|
2
|
3
|
0,38/ 0,93
|
1
|
6
|
14,6
|
|
Счетчик реактивной энергии
|
ввод 10кВ
|
СЭТ-4ТМ.02
|
2
|
3
|
0,38/ 0,93
|
1
|
6
|
14,6
|
|
Счетчик активной энергии
|
КЛ 10кВ
|
СЭТ-4ТМ.02
|
2
|
3
|
0,38/ 0,925
|
5
|
30
|
73
|
|
Счетчик реактивной энергии
|
КЛ 10кВ
|
СЭТ-4ТМ.02
|
2
|
3
|
0,38/ 0,925
|
5
|
30
|
73
|
|
ИТОГО
|
|
|
|
|
|
80
|
175,2
|
Выбранные ТН будут работать в заданном классе точности.
6. РАЗРАБОТКА ПРОЕКТА ПРОТИВОПОЖАРНЫХ И ПОЖАРНЫХ МЕРОПРИЯТИЙ
ПРОЕКТИРУЕМОЙ ПОДСТАНЦИИ
.1 Краткая характеристика объекта
В настоящем
разделе дипломного проекта рассмотрены пожарные мероприятия и противопожарная
защита подстанции 220-110кВ «Пашная». Площадка проектируемой подстанции
расположена на землях Особой Экономической Зоны «Липецк» Грязенского района
Липецкой области. Площадь подстанции составит 10 га.
На подстанции предусмотрено 10 ячеек в ОРУ 110кВ, 7ячеек в ОРУ 220кВ,
установка двух автотрансформаторов мощностью по 250 МВА, а также следующие
сооружения:
. вспомогательные сооружения, обеспечивающие работу АТ, ОРУ 220кВ и
110кВ:
ОПУ
. сооружения противопожарного и хозяйственно-питьевого водоснабжения:
насосная;
резервуары запаса воды ёмкостью 150м³х2
артскважины 2 шт;
автоматическое пожаротушение автотрансформаторов;
камеры переключения задвижек;
система сухотрубов;
автоматическое пожаротушение кабельного этажа в ОПУ;
. сооружения складского хозяйства и обслуживающего назначения:
ЗВН с подвалом;
проходная.
6.2 Характеристика зданий и сооружений по
степени огнестойкости
Проектирование зданий и сооружений на ПС 220/110/10кВ Пашная выполнено с
соблюдением противопожарных норм согласно СНиП 21-01-97*, СНиП 31-03-2001, НПБ
105-95.
Все проектируемые здания, предусмотренные на территории подстанции, имеют
степень огнестойкости - 2.
Таблица 6.1 Пределы огнестойкости основных конструкций зданий и
сооружений согласно СНиП
|
№ П/П
|
Наименование зданий и сооружений
|
Конструктивные элементы зданий и сооружений
|
|
|
Наименование
|
Предел огнестойкости
|
|
1
|
ОРУ
|
- Порталы, опоры под оборудование, кабельные каналы -
сборные ж/б конструкции
|
Не определяется
|
|
2
|
Установка автотрансформаторов
|
-Открытая установка на сборных ж/б фундаментах
|
Не определяется
|
|
3
|
Проходная, насосная станция пожаротушения, ОПУ-1
|
- Стены- комплексные панели толщиной - 350мм;
|
2,5-3,0 часа
|
|
|
- Покрытия - ребристые ж/б плиты толщиной 450 мм,
утеплитель- минеральная вата
|
|
|
|
- кирпичные перегородки толщиной 120мм
|
2,5часа
|
|
|
- кирпичные стены толщиной 250 мм
|
5,5 часа
|
|
4
|
Камеры переключения задвижек
|
- Бескаркасное здание в сборном железобетоне.
|
2,0 часа
|
|
|
- Покрытие - сборные ж/б плиты толщиной 140 мм
|
0,5часа
|
|
5
|
Маслосборник ёмк. 250м³
|
- Стены - из сборных бетонных блоков, - Покрытие - сборные
ж/б ребристые панели толщиной 300 мм.
|
|
|
6
|
Резервуары для воды емк. 150 м³
= 2 шт.
|
- Стены - сборные ж/бетонные стеновые панели - Покрытие -
сборные ж/б ребристые панели.
|
Сооружения в земле не нормируются.
|
6.3 Категории помещений, зданий и сооружений по
взрывопожарной и пожарной опасности
Категория помещений, зданий и сооружений на ПС 220/110/10кВ «Пашная» по
взрывной и взрывопожарной опасности определена в соответствии с НПБ 105-95;
«Перечнем помещений и зданий по взрывной и пожарной опасности» (РД
34.03.350-89) и определена в табл. 6.2
Таблица 6.2 Категории помещений, зданий и сооружений по взрывопожарной и
пожарной опасности
|
№№ п/п
|
Наименование помещений, зданий и сооружений
|
Категория помещений, зданий и сооружений
|
|
1
|
Сооружение ОРУ
|
Не нормируется
|
|
2
|
Узел установки трансформаторов
|
В1
|
|
3
|
Здание ОПУ
|
В1
|
|
- кабельные помещения
|
|
|
- остальные помещения
|
Д
|
|
4
|
Проходная
|
Д
|
|
5
|
Насосная станция пожаротушения
|
Д
|
6.4 Эвакуационные пути и выходы
В случае возникновения пожара для безопасной эвакуации людей согласно
СНиП 31-03-2001, во всех зданиях с дежурным и обслуживающим персоналом проектом
предусматривается эвакуационные выходы.
В проходной - два выхода наружу.
Здания насосной станции пожаротушения, камеры переключения задвижек имеют
по одному эвакуационному выходу.
В здании ОПУ - два выхода.
Во всех зданиях двери на путях эвакуации открываются по направлению
выхода из здания. По условиям эвакуации ширина коридоров и высота проходов на
пути эвакуации принята не менее указанных в п.6.27 СНиП 21-01-97*; п.5.1
6.10,6.11 СНиП 31-03-2001. Ширина наружных дверей принята не менее 1,1 м.
6.5 Обоснование противопожарных разрывов между зданиями и
сооружениями
Противопожарные разрывы между зданиями и сооружениями приняты из расчета
нераспространения пожара согласно п.3.32 СНиП 11-89-80* и п.4.2.67 ПУЭ.
Проектом предусматриваются огнестойкие перегородки
между автотрансформаторами, так как расстояние между ними менее 70 метров.
Расстояния между токоведущими частями ОРУ 220,110 кВ, зданиями и
сооружениями соответствуют требованиям п.4.2.64 ПУЭ.
6.6 Перечень помещений, зданий и сооружений, оборудованных
автоматическими установками пожаротушения и пожарной сигнализацией
Согласно НПБ 110-99 «Перечень зданий, сооружений, помещений и
оборудования, подлежащих защите автоматическими установками пожаротушения и
автоматической пожарной сигнализацией», проектом предусмотрена автоматическая
установка водяного пожаротушения трансформаторов и кабельных помещений на ГЩУ
распыленной водой.
6.7 Система противопожарного водоснабжения
Источником водоснабжения подстанции служат артезианские скважины (одна
рабочая, другая резервная). Проектный дебит скважин 25 м3/час, что гарантирует
заполнение пожарных резервуаров в течение 24 часов.
Противопожарное водоснабжение осуществляется из двух существующих
противопожарных резервуаров запаса воды, объемом 150 м3 каждый , с насосами
типа Д 500-65 (один рабочий, второй резервный), установленными в насосной
пожаротушения.
На подстанции проложен кольцевой противопожарный водопровод с установкой
пожарных гидрантов в колодцах.
Пожаротушение кабельных помещений на ГЩУ и автотрансформаторов
выполняется автоматически.
Наружное пожаротушение зданий - от пожарных гидрантов, согласно СНиП
2.04.02-84*, из расчета 10 л/с в течение 3 ч.
Для поддержания постоянного давления в противопожарном водопроводе, при
отключенных насосах, предусматривается постоянная подпитка его от хозпитьевого
водопровода. Давление водопровода поддерживается от водонапорной башни. При
пожаре башня отключается от сети с помощью обратного клапана.
6.8 Определение необходимого расхода воды для автоматического
пожаротушения автотрансформаторов
Автоматическому пожаротушению подлежат каждая фаза трансформатора и
реактора. Расчет расхода воды ведется для фазы АТ.
Автоматическое пожаротушение автотрансформаторов типа АТДЦТН -
250000/220/110.
Защищаемая площадь составляет:
-автотрансформатора - 178,6 м2,
бака - 27.8 м2,
маслоприемника - 193,6м2.
Расчет пожарного запаса:
1. Интенсивность орошения трансформатора принята 0.2 л/с м2,
2. Расчетный расход воды составляет
Q=Fх0,2 л/с
Q=(178,6+27.8)
хО.2+( 193,6хО.2)=79,91л/с
К установке принимаем оросители ОПДР с расходом воды 3,2 л/с
3. Необходимое количество оросителей
N=Q/3,2=79,91/ 3,2=24,97 шт,
По конструктивным соображениям принимаем 35 шт. оросительных головок ОПДР
- 15
Фактический расход воды составляет:
Q=36х3,2=115,2
л/с.
Минимальный расчетный запас воды в противопожарных резервуарах для
автоматического пожаротушения трансформаторов складывается из объема воды на
тушение трансформатора за 30 минут и 25 % от наружного пожаротушения (от
пожарных гидрантов) в течение З-х часов.
W=
(115,2х60х30)/1000 +(10х3600х3х0,25)/1000=234,36 м³
Принятый объем резервуаров противопожарного запаса воды (2х150м3)
обеспечивает пожаротушение автотрансформаторов. Гидравлическую схему
автоматической установки автоматического пожаротушения. (АУВП)
.9 Определение необходимого расхода воды для
автоматического пожаротушения кабельного помещения в ОПУ
Защищаемая площадь наибольшего отсека кабельного этажа составляет 252 м².
Интенсивность орошения,
согласно ВСН 47-85, равна 0,142 л/с на м².
Расход на один ороситель 1,7 л/с.
Количество оросителей марки ДВ-1.
(252х0,142)/1,7 = 21,05 шт.
В натуре по конструктивным соображениям с учетом орошения мест прохода
кабелей в отсеке смонтировано 42 оросителя.
Потребное количество воды, необходимое для автоматического пожаротушения
кабельного помещения, составляет: 42х1,7=71,4 л/с.
Расчет пожарного запаса воды.
Запас воды в резервуаре рассчитан на 30 мин работы автоматической
установки. Потребное количество воды составляет:
(71,4х60х30)/1000 = 128,52 м³.
Внутреннее пожаротушение согласно СНиП 2.04.02-84*, табл.7, принято 2х2,5
л/с.
(5х3600х3) / 1000 = 54м³
Потребное количество воды на наружное пожаротушение из пожарных гидрантов
составляет при условии расхода воды на пожаротушение 10 л/с в течение 3 часов.
(10х3600х3) / 1000 = 108 м³.
Общий расчетный пожарный запас воды на пожаротушение составляет:
128,52+54+108 = 290,52 м³.
Принятый объем резервуаров противопожарного запаса воды 2 х 150 м³
обеспечивает
пожаротушение.
6.10 Система автоматического управления (САУ) установкой водяного
пожаротушения (УВП)
САУ установки водяного пожаротушения обеспечивает:
автоматическое обнаружение пожара в кабельном полуэтаже ОПУ;
автоматическое управление насосной станцией пожаротушения,
запорно-пусковыми устройствами, вентилями;
сигнализацию состояния и работы установки водяного пожаротушения.
6.11 Автоматическая пожарная сигнализация (АПС)
В качестве датчиков обнаружения пожара в кабельном помещении ОПУ
используются комбинированные пожарные извещатели, реагирующие на дым и тепло,
типа ИП 212-5МЗ (ДИП-ЗМЗ).
В качестве приемного устройства предусматривается пульт пожарной
сигнализации типа ППК-2.
Рабочее электропитание переменным током приемного устройства ППК-2
предусматривается от системы гарантированного электропитания UPS.
Устройство Ш1К-2 размещается в проходной подстанции.
Пуск УВП предусматривается при действии защит от внутренних повреждений
автотрансформаторов (газовой защиты и дифференциальной)
6.12 Управление насосной станцией пожаротушения
Схема управления пожарными насосами обеспечивает:
. Запуск рабочего насоса при получении сигнала от общего устройства
автоматического управления УВП;
. запуск резервного насоса в случае отказа рабочего насоса;
. остановку насоса при нажатии кнопки управления объекта пожаротушения;
4. остановку насоса через 10 мин. работы АУП (автоматическая установка
пожаротушения);
5. пуск и остановку (опорожнение) каждого пожарного насоса насосной
станции;
. сигнализацию запуска пожарного насоса. (по положению выключателей
электрических двигателей) и появления давления в распределительных
трубопроводах;
. контроль питания двигателей насосов и их схем управления;
8. сигнализацию неисправного состояния, аварийного отключения насосных
агрегатов;
. дистанционное управление пожарными насосами из ОПУ;
Панели собственных нужд для управления пожарными насосами устанавливаются
на щите собственных нужд в ОПУ N- 1.
Для поддержания заданного уровня воды в пожарных резервуарах
предусмотрена автоматика, действующая на запуск насоса артскважины.
Поверхность площадки склада спланирована с уклоном к сборному приямку, из
которого предусмотрен выпуск в колодец с шибером.
6.13 Система удаления масла
Согласно «Норм технологического проектирования подстанций с высшим
напряжением 35-750кВ" N213865TM-Tl для предотвращения растекания масла и
распространения пожара при аварии автотрансформаторов выполнены маслоприемники,
маслоотводы, маслосборник.
Диаметр маслопроводов выбран из расчета отвода 50% масла и полного
количества воды от автоматической установки пожаротушения за 15 минут.
6.14 Водомаслоотведение
Водоудаление из кабельного этажа здании на ГЩУ.
При автоматическом пожаротушении кабельного этажа сброс воды в объеме
128,52 м3 предусмотрен через приемные колодцы в сеть маслоотводов.
Водомаслоотведение от автотрансформаторов.
Объем маслосборника предусмотрен из условий размещения в нем объема 80%
воды при работе АУП в течение 30 минут и полного объема масла в трансформаторе.
На подстанции объем водомаслоотведения от трансформатора больше, поэтому
приводится расчет объема водомаслоотведения только от АТ.
(115.2 х 30 х 60/1000) х 0.8 + 68/0.895 = 241,866 (м³)
Водомаслоудаление предусматривается в маслосборник бъемом 250 м3.
7. РАЗРАБОТКА МЕРОПРИЯТИЙ ПО ОХРАНЕ ОКРУЖАЮЩЕЙ СРЕДЫ ДЛЯ ПРОЕКТИРУЕМОЙ
ПОДСТАНЦИИ
Задачей охраны окружающей среды при проектировании ПС
220 кВ «Пашная» является осуществление комплекса текущих решений по
рациональному использованию природных ресурсов и мероприятий по предотвращению
отрицательного воздействия проектируемого объекта на окружающую природную
среду.
В работе рассмотрены следующие вопросы:
а) выявление производственных факторов, влияющих
на природную среду;
б) разработка мероприятий, снижающих негативные последствия
эксплуатации подстанции;
в) обеспечение нормальных санитарно-гигиенических
условий работы персонала;
г) определение стоимости мероприятий по охране
окружающей среды.
Состав и содержание данного раздела соответствует
требованиям, изложенным в "Указаниях к экологическому обоснованию
хозяйственной и иной деятельности в прединвестиционной и проектной
документации", СНиП 11-01-95 и в Пособии к СНиП 11-01-95 по разработке
раздела проектной документации "Охрана окружающей среды".
Общая стоимость объектов и работ, связанных с охраной
окружающей среды (охрана атмосферы, водоемов и земельных участков)
ориентировочно составляет 82684,66 тыс. руб. (в ценах 2010 года).
7.1 Общая характеристика рассматриваемого объекта
Проектируемая подстанция 220кВ расположена юго-восточнее г. Липецка и
входит в зону обслуживания Верхне-Донского ПМЭС.
Подстанция к настоящему времени находится на стадии проектирования.
Подстанция 220 кВ «Пашная» планируется для
электроснабжения потребителей особой экономической зоны Липецкой области.
На подстанции планируется установить два
автотрансформатора АТДЦТН-250000/220/110 кВ, с суммарным объемом охлаждающего
трансформаторного масла 70 т. В ОРУ 220 кВ и КРУЭ-110кВ планируется установить
элегазовые выключатели.
В настоящем проекте предусмотрены следующий объем
работ, связанный с охраной окружающей среды:
сооружение маслоприемников и маслозборника объемом
250м³;
- устройство заземляющего контура подстанции;
установка закрытых аккумуляторных батарей;
- строительство очистных сооружений ливневых сточных
вод;
- строительство очистных сооружений «Биокомпакт» для
очистки
сточных канализационных вод промзоны и жилпоселка
производительностью 50 и 100 м3/сут;
1
благоустройство
прилегающей территории проектируемых зданийи сооружений путем посадки кустарников
и устройство газонов;
7.2 Краткая характеристика физико-географических и климатических
условий района
Климат района расположения подстанции и промплощадки
умеренно континентальный. Важной особенностью климата является влияние
Атлантики, которая оказывает смягчающее действие на климат территории. Средняя
годовая температура составляет 5 °С.
Ветровой режим территории, зависящий от общей
циркуляции атмосферы, характеризуется преобладанием западных и юго-западных
ветров. Наибольшие скорости ветра, вызванные усиленной циклонической
деятельностью, отмечаются преимущественно в холодную половину года.
На обследованной территории наблюдаются все виды
гололедно-изморозных отложений. Среднее годовое количество дней с гололедом
равно 19, с изморозью -21. Кроме того, ранней весной и поздней осенью, а иногда
и зимой, наблюдается мокрый снег, который налипает на провода.
Для климатической характеристики были использованы
многолетние наблюдения метеорологической станции, расположенной в г. Липецке.
Подземные воды до глубины 3,0 - 4,0 метра не вскрыты.
Суглинистые грунты находятся во влажном состоянии, не обводнены.
Контроль за состоянием воздушного бассейна
осуществляется комплексной лабораторией мониторинга окружающей среды ЦГО
"Госкомгидро-мета" на стационарных постах контроля атмосферного
воздуха.
7.3 Расчет выброса загрязняющих веществ от элегазового оборудования
На открытых распредустройствах в ОРУ 220кВ будут
установлены элегазовые выключатели. В ОРУ 220 кВ устанавливаются выключатели
типа РХТ-17 в количестве 7 шт. В КРУЭ 110 кВ устанавливаются выключатели типа
ВГТ-220 в количестве 11шт. В выключателях находится 140 кг и 170 кг элегаза. Утечка
элегаза составляет 1% в год. Исходя из вышеприведенных данных, в атмосферу
будет выбрасываться соответственно 1,4 и 1,7 кг элегаза в год
7.4 Расчет выброса загрязняющих веществ от аккумуляторной
В ходе реконструкции подстанции в ОПУ производят
замену существующих аккумуляторных батарей на аккумуляторные батареи типа 40
Рг8-300 фирмы «Наwkеr». Данные аккумуляторы снабжены
лабиринтными вентиляционными пробками, задерживающими аэрозоль серной кислоты
до 98%, вследствие чего предотвращается вынос серной кислоты в окружающую
среду. Принимаем, что выделение серной кислоты равно нулю
7.5 Охрана атмосферного
воздуха от выделений продуктов разложения элегаза
Устанавливаемые на подстанции элегазовые выключатели
могут быть источниками загрязнений окружающей среды элегазом и продуктами
разложения элегаза.По степени воздействия на организм человека элегаз относится
к четвертому классу опасности. Для элегаза величина ОБУВ составляет 20 мг/м3.
Эта величина не связана с токсичностью, а представляет собой общий
установленный предел для всех нетоксичных, безвредных газов, которые
отсутствуют в атмосфере и являются относительно стабильными. Чистый элегаз
(гексафторид серы -SF6) не имеет
цвета, запаха и вкуса. Это пожаробезопасный и инертный при комнатной
температуре газ. Чистый элегаз нетоксичен и биологически инертен. Элегаз
примерно в 5 раз тяжелее воздуха и, будучи выпущенным в атмосферу в
значительных количествах, имеет тенденцию к накоплению в низко расположенных
зонах. По истечению промежутка времени, зависящего от величины потока воздуха,
элегаз диффузирует в окружающую атмосферу. По окончании процесса диффузии смесь
элегаза и воздуха вновь не разделяется.
Незначительное количества элегаза, способное вытечь в
атмосферу, не нарушает целостность озонового слоя и оказывает пренебрежимо
малое воздействие на парниковый эффект.
Элегаз может попасть в атмосферу в результате утечки
или аварии (маловероятная разгерметизация). Оборудование, содержащее элегаз,
спроектировано, произведено и испытано с целью минимизировать возможную утечку.
В нормальных эксплуатационных условиях потеря элегаза
крайне мала. Допускаемая утечка элегаза нормируется величиной 1% в год от общей
массы элегаза. Реально же достигается скорость утечки менее 0,1% в год. Для
ограничения утечки элегаза, на случай аварии элементы элегазово-го оборудования
разделены на герметичные, изолированные друг от друга полости.
Продукты разложения элегаза
Когда элегаз подвергается воздействию электрической
дуги в дугогасительном устройстве, выделение тепла вызывает разложение газа на
потенциально токсичные вещества в виде газа и белого (желтовато-коричневого) и
серого порошка. Наиболее часто встречающиеся продукты разложения элегаза -SОF2, SО2, НF, а также в совсем небольших
количествах образуются СF4,SF4,SО2F2- Продукты
разложения элегаза могут вызвать раздражение кожи, глаз и слизистых оболочек
дыхательного тракта. По степени воздействия на организм человека продукты
разложения элегаза относятся ко второму и третьему классу, т.е. высокоопасным
веществам.
Количество выделенных веществ зависит от интенсивности
и длительности электрической дуги. Их концентрация внутри оборудования не имеет
никакого значения для персонала, особенно при присутствии в выключателях
адсорбентов.
Во влажном воздухе вредные продукты разложения
приобретают характерный запах протухших яиц. Влажность и концентрация продуктов
разложения элегаза внутри оборудования снижается за счет применения
адсорбентов, таких как алюминий, каустическая сода и молекулярные фильтры. Для
предотвращения попадания в воздух продуктов разложения элегаза, который
образуется в выключателе при разрядных процессах, в выключателях установлены
фильтры - поглотители. Они поглощают газообразные кислотные продукты очень
эффективно и практически необратимо. К тому же общее количество элегаза,
вступающее в необратимые реакции не превышают 3% от первоначальной массы
элегаза и в значительной степени определяется количеством влаги в объеме
элемента, которое в элементах ячеек контролируется.
Работы по подготовке к вскрытию элементов и ремонтные
работы на элементах, загрязненных продуктами разложения элегаза производится
после откачки элегаза из элементов.
Откачку элегаза из элемента, загрязненного продуктами
разложения элегаза производится при помощи вакуумно-компрессорной установки,
снабженной фильтрами-поглотителями и механическими фильтрами (на отсасывающей
стороне) для поглощения газообразных и твердых продуктов разложения элегаза.
Откачка загрязненного элегаза производится в запасной резервуар через
герметическую емкость, заполненную нейтрализующим раствором КаОН, КОН, №28О4.
Удаление продуктов разложения адсорбентом в раствор щелочей, таких как
гидроксид кальция (известь) с образованием безопасных сульфата кальция или
фторида кальция, более известных как гипс и плавиковый шпат.
Длительный опыт использования элегаза в коммутационном
оборудовании продемонстрировал отсутствие проблем при его использовании, при условии
соблюдения определенных процедур и элементарных мер предосторожности.
Элегаз и продукты его разложения не приносят вреда и
не вызывают заболеваний при соблюдении правил техники безопасности при работе с
элегазом. Работы по подготовке к вскрытию оборудования с элегазом должны
производиться с применением индивидуальных средств защиты.
7.6 Влияние напряженности
электрического поля на окружающую среду и защита биообъектов от воздействия на
них электрического поля
При систематическом воздействии уровнями, превышающими
ПДУ, электрическое поле может вызвать изменения функционального состояния
нервной, сердечно- сосудистой и эндокринной систем, а также некоторых обменных
процессов, иммунологической реактивности организма и его воспроизводительной
функции.
В связи с этим возникает необходимость в разработке
мер по ограничению напряженности электрического поля до значений, допустимых
для людей, животных и растений.
При напряженности электрического поля выше 1 кВ/м
должны быть приняты меры по исключению воздействия на человека ощутимых
электрических разрядов и токов стекания. Эти нормы не распространяются на
персонал, обслуживающий подстанцию и ВЛ и производящий на территории подстанции
ремонтно-эксплуатационные работы.
Защита персонала по обслуживанию подстанций и линий
электропередач от нежелательных воздействий электромагнитных полей на
территории подстанции и в полосе прохождения линий электропередачи (подходы к
ПС) производится согласно «Руководящим указаниям по защите обслуживающего
персонала»,«Санитарным нормам и правилам защиты населения от воздействия
электрического поля», а также ГОСТом 12.1.013.-78.
Предельно-допустимые уровни (ПДУ) напряженности
электрического поля для персонала, обслуживающего подстанции и линии
электропередач, длительно и регулярно находящегося под воздействием
электрического поля, устанавливается согласно ГОСТ 12.1.002-84. При этом
исходят из того, что в течение всего трудового стажа человека, работающего под
воздействием электрического поля с допустимой продолжительностью, это воздействие
не приводило бы к травмам, заболеванию или каким либо отклонениям в состоянии
его здоровья, а также не имело нежелательных последствий для его потомства.
Допускается работа персонала без применения средств защиты и без ограничения по
времени в течение всего рабочего дня (8 час) в электрическом поле
напряженностью до 5 кВ/м включительно(пороговое значение). На подстанциях на
рабочих местах, где напряженность поля выше 5 кВ/м, ограничивается время
пребывания персонала, организуются устройства защитных экранов.
При этом исключаются все указанные ниже виды
воздействия электрического поля на человека:
непосредственное (биологическое), проявляющееся при
длительном и систематическом пребывании человека в электрическом поле
повышенной напряженности, сопровождающееся протеканием тока через тело
человека, что обусловлено емкостной связью "человек - токоведущие части электроустановки";
2
тока,
протекающего через тело человека, находящегося в контакте с изолированными от
земли объектами - крупногабаритными машинами и механизмами с отключенными, но
незаземленными токоведущими частями оборудования (тока стекания);
3
импульсных токов
(электрических разрядов), возникающих при прикосновении человека к
электропроводящим объектам, имеющим потенциал, отличный от потенциала тела
человека.
Допустимой напряженности неискаженного электрического
поля (5 кВ/м) соответствуют допустимое значение тока смещения, (I ч.доп. = 60 мкА), допустимое
значение заряда, стекающего с тела человека при электрических разрядах (Р
ч.доп.= 0,2 мкКл), а также допустимое значение напряженности электрического
поля на поверхности тела человека (Е ч.доп.=75 кВ/м).
Допустимое значение тока стекания 1с.доп.
соответствует ПДУ для отпускающих токов и согласно ГОСТ 12.1.038-82 равно 6 мА.
Дополнительные защитные мероприятия, которые
учитываются при эксплуатации ОРУ, включают в себя:
4
рациональные
способы технического обслуживания и ремонта оборудования, конструкций,
коммуникаций, позволяющие сократить продолжительность выполнения работ;
автоматизацию и механизацию процессов, связанных с пребыванием персонала в зоне
влияния электромагнитного поля;
5
организационные
мероприятия. На основании карты напряженности выбран рекомендуемый маршрут
обхода дежурным персоналом. На маршруте обхода напряженность электрического
поля не превышает 10 кВ/м.
Эти нормативные данные действительны, если остальное
время человек находится в местах, где напряженность электрического поля меньше
5 кВ/м и исключена возможность воздействия на него электрических разрядов и
тока стекания. При этом напряженность определяется на уровне головы человека
(1,8м над уровнем земли).
В соответствии с требованиями ГОСТ 12.1.002-84 и с
учетом характера выполняемых работ для различных мест в ОРУ устанавливаются
следующие допустимые значения напряженности электромагнитного поля: - у шкафов
управления оборудования, шкафов вторичных и силовых цепей напряжением до 1000
В, приводов, фильтров присоединений и других устройств, на подходах к зданиям и
сооружениям, а также на рабочих местах, где производство работ связано с
подъемом рабочих на отключенное оборудование или конструкции при любой
продолжительности выполнения работ по условию исключения воздействия на
персонал электрических разрядов при прикосновении к заземленным
электропроводящим объектам - 5 кВ/м;
на маршрутах следования к рабочим местам, на подходах
к оборудованию и различного рода шкафам, вдоль пешеходных дорожек, где исключен
контакт человека с заземленными и изолированными от земли крупногабаритными
электропроводящими объектами - 15 кВ/м. При этом выполнение работ без средств
защиты допускается в течение 80 мин.
Напряженность электрического поля в экранированной
зоне (вблизи зданий и сооружений, а также внутри них, вблизи заземленных
металлоконструкций, фундаментов под оборудование, силовых автотрансформаторов)
не превышает 5 кВ/м.
Напряженность электрического поля не превышает 5 кВ/м
также при нахождении человека внутри пространства, ограниченного стойками или
траверсами порталов и опор, а также при подъеме человека по лестнице к газовому
реле силовых автотрансформаторов как отключенных, так и находящихся под
напряжением, так как в этом случае он защищен экранирующим действием
расширителя Указанные выше ограничения продолжительности пребывания в
электрическом поле людей не распространяются на лиц, кратковременно и
эпизодически посещающих территорию ОРУ, но не выполняющих в них какие-либо
работы (экскурсии, инспекции и т.д.).
Передвижение указанных лиц (практически здоровых
людей) по территории ОРУ должно ограничиваться обозначенными пешеходными дорожка
ми и маршрутами обхода.
Металлические и другие проводящие части
электроустановок, нормально не находящиеся под напряжением, могут оказаться под
напряжением вследствие нарушения изоляции. Прикосновение человека к таким
частям может привести к поражению его электрическим током. Опасность поражения
человека электрическим током может быть обусловлена также стеканием
электрического тока с какой либо части электроустановки в землю и протеканием
электрического тока в земле при повреждении изоляции.
Одной из мер защиты от поражения человека
электрическим током является защитное заземление, т.е. преднамеренное
соединение частей электроустановки, нормально не находящихся под напряжением, с
заземляющим устройством.
Заземляющее устройство подстанции предусматривается
выполнить в виде сетки из стальных полос сечением 50x4 мм и электродов
диаметром 12мм длиной 5м. К заземляющим устройствам подстанции присоединяется
все электрическое оборудование.
Заземляющие устройства на подстанции удовлетворяет
требованиям обеспечения безопасности людей.
Опоры линий, соединяющих заземляющее устройство
подстанции с выносными заземлителями, заземлены в соответствии с требованиями
ПУЭ.
Защита от электростатической индукции обеспечивается
присоединением всего оборудования и аппаратов, находящихся в зданиях,
сооружениях и в установках к защитному заземлению электрооборудования.
Защита от заноса высоких потенциалов по подземным
коммуникациям осуществляется присоединением их на вводе в здание или сооружение
к любому из заземлителей.
Защита от грозовых перенапряжений РУ включает в себя
следующие виды защиты: от прямых ударов молнии непосредственно в
электроустановку и от волн, набегающих с линии электропередачи.
Защита от прямых ударов молнии осуществляется
существующими молниеотводами, устанавливаемыми на порталах и отдельно стоящими.
Защита от волн перенапряжений, приходящих с линий,
осуществляется ограничителями перенапряжения.
При проведении работ на электроустановках под
напряжением на расстоянии до их токоведущих частей не менее нормируемых ПТБ
(п.Б2.1.24,), напряженность магнитного поля электроустановок 500 - 0,4 кВ не
превышает допустимых значений, приведенных в СанПиН 2.2.4.723-98 «Переменные
магнитные поля промышленной частоты (50Гц) в производственных условиях».
Контроль за соблюдением предельно допустимых уровней
напряженности электрического поля для персонала ОРУ должен осуществляться и
проводиться либо персоналом МЭС Центра, либо персоналом специализированных
организаций, приглашенных предприятием.
7.7 Оценка аварийных ситуаций
Как показывает
мировая практика, аварии могут стать причиной существенного загрязнения
природной среды с весьма трагическими последствиями. Из аварий, которые могут
быть на подстанции, опасными для окружающей среды являются:
пожар на
подстанции, особенно когда горит разлившееся масло из автотрансформатора;
разлив масла
и утечка в почву, загрязнение подземных вод;
6 разгерметизация элегазовых
выключателей.
7.8 Оценка аварийных ситуаций при работе элегазовых выключателей
Утечка
Элегаз может попасть в атмосферу в результате утечки
или аварии (маловероятная разгерметизация).
При нормальной эксплуатации полюсные баки и вводы
заполнены элегазом при избыточном давлении, приведенном к 20 градусов С - 600
кПа(6,0 кгс/см2). Система контроля плотности элегаза компенсирует изменения
давления, обусловленные изменением температуры, и вырабатывает
предупредительные и блокирующие сигналы при снижении плотности.
Оборудование, содержащее элегаз, спроектировано,
произведено и испытано с целью минимизировать возможную утечку. Нижний предел в
1 % первоначального общего объема в год, нормируется
заводами изготовителями, реально же достигается
скорость утечки менее 0,1 % в год. Ненормальная утечка может происходить в
следствии механических повреждений компонентов оборудования либо сильного
удара. В этом случае элегаз, который в 5 раз тяжелее воздуха и, будучи
выпущенный в атмосферу в значительных количествах, имеет тенденцию к накоплению
в низко расположенных местах. Он пожаробезопасный, нетоксичный и инертный газ.
По истечении промежутка времени, зависящего от величины потока воздуха, элегаз
диффундирует в окружающую атмосферу. По окончании процесса диффузии смесь
элегаза и воздуха вновь не разделяется. Для ограничения утечки элегаза на
случай аварии элементы элегазового оборудования разделены на герметичные
изолированные друг от друга полости.
Выброс (быстрая разгерметизация). Внезапный выброс
элегаза может произойти вследствии дефекта изоляции, механического дефекта,
ведущего к изменению распределения электрического поля внутри оборудования,
неправильного функционирования компонентов коммутационного оборудования.
В этом случае наряду с чистым элегазом возможен выброс
продуктов разложения элегаза.
Наличие выброса может быть обнаружено по
специфическому неприятному резкому запаху (запах обнаруживается при
концентрации более низких, чем опасные). Продукты разложения элегаза, попавшие
в атмосферу имеют пренебрежимо малые концентрации, так как только 3% объема
газа вступает в необратимую реакцию и концентрация продуктов разложения элегаза
внутри оборудования низка за счет применения адсорбентов, таких как алюминий,
каустическая сода и молекулярные фильтры. Они поглощают газообразные кислотные
продукты очень эффективно и практически необратимо вследствие чего, продукты
разложения элегаза, попавшие в атмосферу имеют концентрации меньше ПДК примерно
в 1000 раз.
При соблюдении правил технической эксплуатации, а
также требований безопасности к пожаровзрывобезопасности, эксплуатация
устройств на подстанции 220кВ Пашная становится безопасной.
7.9 Защита от воздействия
звука
Основным источником звука являются открыто
установленные автотрансформаторы типа АТДЦТН-250000/220/110кВ мощностью по 250
МВА каждый. Звук от этого оборудования постоянный, механического и
аэродинамического происхождения.
Так как подстанция находится на расстоянии более 1 км
от жилой застройки, то акустический расчет распространения шума рассчитывается
только для рабочих мест ОПУ,ЗВН находящихся на территории подстанции. Для
остальных зданий и сооружений акустический расчет не производится, так как в
них не находится постоянный обслуживающий персонал.
Определение уровня звукового давления осуществляется в
соответствии с ГОСТ 12.2.024-87 «Шум. Трансформаторы силовые масляные».
Расчетные точки (РТ) выбираются на рабочих местах в
производственных помещениях, на территории подстанции (ОРУ) на высоте 1,2-1,5м
от уровня пола, рабочей площадки .
Для расчета приняты. Следующие расчетные точки:
РТ1-здание ЗВН, лаборатория-мастерская.
РТ2-здание ОПУ( помещение щита управления)
Допустимые уровни звука приведены в табл. 7.1
Таблица 7.1 Допустимые уровни звука
|
Помещения, рабочие места
|
Уровень звукового и эквивалентные уровни звука, дБА
|
|
1.ОПУ(помещение щита управления) 2.ЗВН ( Лаборатория,
мастерские) 3.Площадки обслуживания силовых трансформаторов, открытые
распредустройства (ОРУ)
|
65 65 80
|
Исходя из ГОСТ 12.2.024-87 уровень звука в расчетной
точке на территории защищаемого от шума объекта, проходящего от открыто
установленных трансформаторов, определяется по формуле:
Lа тер=Lа
экв- Lа экв - ΔLа экр- ΔLа воз, дБА
где: Lа
тер- уровень звука, приходящего в в расчетную точку от одного трансформатора,
дБА
Lа экв- корректированный уровень звуковой мощности
трансформатора в дБА,
Lа расч- снижение уровня шума и расчетной точкой определяется
по рис.26 СНиП 11-12-77.
ΔLа экр-снижение звука экранами на пути
распространения звука в дБА.
Корректированный уровень звуковой мощности
трансформатора определяется по ГОСТ 12.2-084-87 (табл.3), где указаны
предельные уровни звуковой мощности. Для трансформатора мощностью 250МВА он
равен 113 дБА.
В расчетных точках определяем уровень звуковой
мощности от каждого трансформатора в отдельности, затем определяется суммарный
уровень звуковой мощности по правилам суммирования таблицы 5(СНиП 2-12-77).
Уровень звука Lа пом в дБА в расчетной точке в помещениях защищаемого от
шума объекта определяется по формуле:
где: ΔLок- снижение уровня звука конструкцией окна в дБА,
ΔLок= 323дБА (раздельное окно,
пластиковое, табл.31,СНИП 2-12-77)
Расчет уровня звука в помещениях с учетом снижения
уровня звука приведен в табл. 7.2
Таблица 7.2 Расчет уровня звука в помещениях
|
РТ1 (ЗВН)
|
РТ2 (ОПУ)
|
|
АТ-1
|
Расстояние до расчетной точки, м
|
90
|
127
|
|
Снижение уровня звука расстоянием, дБА
|
20
|
22,6
|
|
Уровень звука в расчетной точке, дБА
|
93
|
90,4
|
|
АТ-2
|
Расстояние до расчетной точки, м
|
165
|
60
|
|
Снижение уровня звука расстоянием, дБА
|
25,8
|
17,0
|
|
Уровень звука в расчетной точке, дБА
|
87,2
|
96,0
|
|
Разность двух складываемых уровней в РТ, дБА
|
5,8
|
5,6
|
|
Добавка к более высоому уровню по правилам суммирования
таблицы 5 (СНиП 2-17)
|
1,0
|
1,0
|
|
Суммарный уровень звуковой мощности от двух трансформаторов
|
94,0
|
97,0
|
|
Снижение уровня звука окном (пластиковые окна), дБА
|
32
|
32
|
|
Уровень звука Lа пом, дБА
|
64
|
65
|
|
Предельно допустимые уровни звука, дБА
|
65
|
65
|
В результате расчета видно, что уровень шума от
трансформаторов, установленных на подстанции, не превышает допустимых значений.
При проведении работ возле работающего трансформатора, работающие в этой зоне
снабжаются индивидуальной защиты по ГОСТ 12.4.051-87.
7.10 Оценка и прогноз изменения окружающей среды
В связи с тем, что на подстанции устанавливается более
экологически совершенное оборудование, то воздействие и влияние сооружаемых
объектов на окружающую среду незначительно и обеспечивает соблюдение
нормируемых величин в течение всего срока эксплуатации проектируемых объектов.
Конструкцией элегазовых выключателей предусмотрено
применение в дугогасительных камерах специальных фильтров, поглощающих вредные
продукты распада элегаза.
Электромагнитное поле распределительных устройств 220
кВ и входящих ВЛ, 220 кВ не оказывают вредного воздействия на здоровье
населения и обслуживающий персонал ПС и не наносит ущерба окружающей флоре и
фауне.
8. ОРГАНИЗАЦИЯ ЦЕНТРА УПРАВЛЕНИЯ СЕТЯМИ В ВЕРХНЕ-ДОНСКОМ ПМЭС
Центр управления сетями (ЦУС) - структурное подразделение сетевой
компании, уполномоченное на осуществление в пределах закрепленной за ним зоны
эксплуатационной ответственности оперативного управления и оперативного ведения
подведомственными объектами электрических сетей, в том числе объектами
диспетчеризации.
8.1 Назначение и цели технологического управления
Технологическое управление Едиными Национальными Электрическими Сетями
(ЕНЭС) включает:
· Оперативно-диспетчерское управление технологическими режимами работы и
эксплуатационным состоянием электроэнергетических объектов ЕНЭС и
токоприемников потребителей в нормальных и аварийных ситуациях.
· Поддержание оборудования подстанций и ЛЭП в надлежащем
состоянии за счет своевременного выполнения работ по их техобслуживанию и
ремонтов.
· Развитие ЕНЭС, обеспечивающее адекватность характеристик
электрических сетей (в первую очередь в части пропускной способности и
надежности) потребностям рынка электроэнергии.
Технологическое управление ЕНЭС преследует следующие цели:
· Обеспечение требуемых качественных показателей электроэнергии и уровня
обслуживания участников рынка при решении задач передачи, преобразования и
распределения электроэнергии.
· Снижения уровня аварийности, снижения ущерба от аварий и сокращение
сроков ликвидации аварий.
· Снижение уровня потерь электроэнергии в сетях ФСК ЕЭС.
· Повышение надёжности и безопасности функционирования,
улучшение эксплуатационного обслуживания основного и вспомогательного
технологического оборудования, а также снижение стоимости ремонтных работ.
8.2 Организационная структура ЦУС
Центры управления сетями (ЦУС) должны обеспечить выполнение операционных
и неоперационных функций оперативного управления и ведения электросетевыми
объектами, включая ЛЭП, относящиеся к объектам диспетчеризации и не находящиеся
в диспетчерском управлении диспетчерских центров (ДЦ) субъектов
оперативно-диспетчерского управления.
Типовая организационная структура ЦУС представляет собой иерархическое
структурное подразделение во главе с Начальником ЦУС, которому подчиняются
Диспетчерская служба, служба РЗА, Отдел балансов, потерь и учета
электроэнергии.
Рис. 8.1 Типовая организационная структура ЦУС
Диспетчерская
служба Центров управления сетями
Диспетчерская служба Центра управления сетями осуществляет функции:
по планированию, контролю и управлению режимами работы сетей и
оборудования;
планированию, контролю и управлению ремонтами;
организации мероприятий по предотвращению аварий;
расследование аварий;
ведение оперативной, технологической и отчетной документации;
подготовка и управление оперативным персоналом.
Рис.8.2. Типовая организационная структура Диспетчерской службы ЦУС
Рис. 8.3 Типовая организационная структура службы РЗА ЦУС
Основными функциями, выполняемыми службой РЗА ЦУС являются:
· расчет и управление характеристиками устройств РЗА и ПА;
· мониторинг устройств РЗА и ПА;
· планирование, контроль и управление ремонтами в части
оборудования РЗА и ПА;
· расследование аварий;
· ведение оперативной, технологической и отчетной документации.
Отдел
балансов, потерь и учета электроэнергии ЦУС
Основные функции, выполняемые Отделом балансов, потерь и учета
электроэнергии ЦУС:
· организация автоматизированного коммерческого учета электроэнергии;
· мониторинг балансов и потерь электроэнергии;
· мониторинг состояния средств учета;
· ведение оперативной, технологической и отчетной документации.
Всего отдел балансов насчитывает 11человек .
Нормативы определяют численность персонала в зависимости от количества
подстанций, ВЛ 220 кВ и ниже, а также сложности распределительных устройств 220
и 110 кВ подстанций, находящихся в операционной зоне ЦУС (Операционная зона -
территория, в границах которой расположены объекты электроэнергетики и
энергопринимающие установки потребителей электрической энергии, управление
взаимосвязанными технологическими режимами работы которых осуществляет
соответствующий диспетчерский центр.
Нормативы численности персонала служб РЗА ЦУС Верхнего Дона
Нормативы численности учитывают загрузку персонала, связанную с
оперативным управлением РЗА и ПА, расчетами токов короткого замыкания,
параметров настройки устройств РЗА и ПА оборудования подстанций, ВЛ 220 кВ и
ниже, находящихся в оперативном управлении и ведении диспетчерского персонала
ЦУС.
8.3 Структура организации оперативного технологического управления
ЦУС Верхнего Дона - структурное подразделение ОАО «ФСК ЕЭС»,
уполномоченное на осуществление оперативного управления и оперативного ведения подведомственными
объектами электрических сетей, в том числе объектами диспетчеризации, в
пределах закрепленной за ним зоны эксплуатационной ответственности.
При формировании ЦУС устанавливаются следующие принципы распределения
оборудования и устройств подстанций ЕНЭС по способу оперативного управления
между оперативным персоналом подстанции и дежурным персоналом ЦУС:
на ПС, обслуживаемых двумя и более дежурными работниками в смене, в
оперативном управлении оперативного персонала находятся следующее оборудование
и устройства:
§ присоединения ЛЭП 6-750 кВ;
§ системы (секции) шин 6-750 кВ;
§ силовые трансформаторы, автотрансформаторы с высшим напряжением 6-750 кВ,
в том числе вольтодобавочные трансформаторы, дугогасящие и токоограничивающие
реакторы;
§ измерительные трансформаторы всех классов напряжения, имеющие
коммутационные аппараты;
§ батареи статических конденсаторов;
§ выключатели 6-750 кВ секционные, шиносоединительные, обходные, мостовые;
§ шунтирующие реакторы;
§ синхронные компенсаторы;
§ устройства РЗА перечисленного оборудования;
§ устройства АЧР и ЧАПВ;
§ осциллографы, регистраторы аварийных событий;
§ устройства отыскания замыкания фазы на «землю» в сети 6-35 кВ;
§ приборы расчета, фиксации и определения места повреждения на ЛЭП;
§ устройства плавки гололеда на проводах и тросах ЛЭП;
§ главные шины 0,4 кВ собственных нужд (СН);
§ распределительная сеть 0,4 кВ, подключенная к главным шинам 0,4 кВ СН;
§ аккумуляторные батареи;
§ сеть 220 В постоянного тока;
§ компрессорное хозяйство и магистрали сжатого воздуха;
§ системы автоматического пожаротушения маслонаполненного оборудования;
Оборудование и устройства ПС, находящихся в оперативном управлении
оперативного персонала ПС должны находиться в оперативном ведении дежурного
персонала ЦУС, за исключением следующего оборудования и устройств:
§ распределительная сеть 0,4 кВ, подключенная к главным шинам 0,4 кВ СН;
§ аккумуляторные батареи;
§ сеть 220 В постоянного тока;
§ компрессорное хозяйство и магистрали сжатого воздуха;
§ системы автоматического пожаротушения маслонаполненного оборудовании на
ПС, обслуживаемых одним дежурным работником в смене указанные ниже оборудование
и устройства должны находиться в оперативном управлении дежурного персонала ЦУС
и в оперативном ведении оперативного персонала ПС:
§ системы (секции) шин 110, 220, 330 кВ;
§ силовые трансформаторы, автотрансформаторы, с высшим напряжением 220, 330
кВ, в том числе вольтодобавочные трансформаторы и токоограничивающие реакторы;
§ измерительные трансформаторы напряжения 110, 220, 330 кВ, имеющие
коммутационные аппараты;
§ синхронные компенсаторы;
§ батареи статических конденсаторов с высшим номинальным напряжением 110,
220 кВ;
§ выключатели 110, 220, 330 кВ секционные, шиносоединительные, обходные,
мостовые;
§ устройства РЗА перечисленного оборудования.
Остальное оборудование и устройства должны находиться в оперативном
управлении оперативного персонала ПС и в оперативном ведении дежурного
персонала ЦУС, за исключением следующего оборудования и устройств:
§ распределительная сеть 0,4 кВ, подключенная к главным шинам 0,4 кВ СН;
§ аккумуляторные батареи;
§ сеть 220 В постоянного тока.
Выполнение оперативных переключений производится:
§ оперативным персоналом энергообъекта по командам уполномоченного
персонала (ДЦ, ЦУС, энергообъекта), в управлении которого находится ЛЭП,
оборудование, устройство;
§ оперативным персоналом энергообъекта с разрешения уполномоченного
персонала (ДЦ, ЦУС), в ведении которого находится ЛЭП, оборудование,
устройство;
§ оперативным персоналом энергообъекта, в оперативном управлении которого
находится оборудование, устройство электрических сетей, самостоятельно, если
данное оборудование, устройство не находится в ведении уполномоченного
персонала (ДЦ, ЦУС).
При нахождении объекта диспетчеризации на территории операционной зоны
другого диспетчерского центра, команды на выполнение оперативных переключений
на этих объектах могут отдаваться диспетчером, в диспетчерском управлении
которого находится объект диспетчеризации, через диспетчера диспетчерского
центра, в операционной зоне которого находится этот объект.
Команды оперативного персонала ЦУС на выполнение оперативных переключений
по объектам диспетчеризации на подстанциях, находящихся в эксплуатационной
ответственности сетевой организации, должны отдаваться непосредственно оперативному
персоналу подведомственной подстанции без промежуточных звеньев передачи
команд.
Схема взаимодействия между объектами оперативно - диспетчерского
управления приведена на рис.8.4
Рис.
8.4 Структура оперативно-диспетчерского управления объектами ЕНЭС
9. ОПРЕДЕЛЕНИЕ ТЕХНИКО-ЭКОНОМИЧЕСКИХ ПОКАЗАТЕЛЕЙ
ПРОЕКТА РАЗВИТИЯ СЕТИ
9.1 Экономические затраты на технические
мероприятия
В экономической части данного дипломного проекта рассмотрены следующие
вопросы:
) Установка АТ-3 на ПС-220кВ «Новая »
При установке АТ-3 необходимо учесть стоимость следующих составляющих:
- Ячейка ОРУ-220 и ОРУ-110 [18].
Стоимость ячейки ОРУ-220кВ с элегазовым выключателем 3960 тыс. руб.
Стоимость ячейки ОРУ-110кВ с элегазовым выключателем 3300 тыс. руб.
Итого: - 7260 тыс. руб.
Автотрансформатор типа АТДЦТН-200000/220/110 [18].
Стоимость автотрансформатора указанного типа 4851тыс. руб.
Постоянная часть затрат [18].
- По подстанции 220/110 со схемой ВН сборные шины, постоянная часть затрат
составляет 8316тыс. руб.
Дополнительная установка автотрансформатора - 20%.
Расширение ОРУ ВН на одну ячейку (при их общем количестве после
реконструкции не более 5) - 10%.
Итого:. - 2495 тыс. руб.
Всего по установке АТ-3 - 22922 тыс. руб.
) Установка АТ-3 на ПС-220кВ «Дон»
При установке АТ-3 необходимо учесть стоимость следующих составляющих:
-Ячейка ОРУ-220 и ОРУ-110 [18].
Стоимость ячейки ОРУ-220кВ с элегазовым выключателем 3960 тыс. руб.
Стоимость ячейки ОРУ-110кВ с элегазовым выключателем 3300 тыс. руб.
Итого по п. 1.1. - 7260 тыс. руб.
Автотрансформатор типа АТДЦТН-125000/220/110 [18].
Стоимость автотрансформатора указанного типа 4851 тыс. руб.
Постоянная часть затрат [18].
По подстанции 220/110 со схемой ВН со схемой сборные шины постоянная
часть затрат составляет 8316 тыс. руб.
Дополнительная установка автотрансформатора - 20%.
Расширение ОРУ ВН на одну ячейку (при их общем количестве после
реконструкции не более 5) - 10%.
Итого по п. 1.3. - 2495тыс. руб.
Всего по установке АТ-3 - 22922 тыс. руб.
) Сооружение и ввод в работу ПС-220кВ «Пашная»
Стоимость сооружения и ввода в работу ПС составляет 1716589,2 тыс.руб в
ценах 2010г.
Суммируя полученные результаты экономические затраты на технические
мероприятия , без сооружения ПС-220кВ, будут составлять 53262 тыс. руб. в ценах
2010г.
Вывод: экономические затраты на технические мероприятия будет составлять
2268577 тыс. руб.
9.2 Расчет численности персонала Верхне-Донского
ПМЭС
Характеристика ПЭС:
|
№ п/п
|
Наименование основных характеристик
|
Единица измерения
|
Числовое значение
|
|
1
|
Количество подстанций 35 кВ и выше
|
единиц
|
23
|
|
2
|
Суммарная мощность трансформаторов 35 кВ и выше
|
тыс. кВ∙А
|
7226
|
|
3
|
Суммарная мощность трансформаторов 6 кВ и выше
|
тыс. кВ∙А
|
420
|
|
4
|
Протяженность ВЛ - 35 кВ и выше
|
км
|
1957
|
|
5
|
Протяженность линий электропередач 0,4 - 20кВ
|
км
|
15
|
|
6
|
Суммарное количество ТП 6 - 35 /0,4 кВ
|
единиц
|
370
|
|
7
|
Количество РЭС
|
единиц
|
3
|
|
8
|
Суммарное количество комплектов РЗ и А
|
единиц
|
2500
|
|
9
|
Суммарное количество присоединений 6 кВ и выше с
выключателями на подстанции 35 кВ и выше
|
единиц
|
336
|
|
10
|
Суммарное количество смонтированных номеров АТС,
диспетчерских коммутаторов и станций
|
единиц
|
500
|
|
11
|
Количество транспортных средств, закрепленных за службой
механизации и транспорта
|
единиц
|
42
|
|
12
|
Количество каналов связи телемеханики
|
единиц
|
270
|
|
13
|
Стоимость транспортных средств
|
тыс. руб.
|
58
|
|
14
|
Среднегодовой объём капитальных вложений
|
тыс. руб.
|
2700
|
|
15
|
Объем капитального ремонта за год
|
тыс. руб.
|
800
|
|
16
|
Стоимость подстанции с оборудованием
|
млн руб.
|
59
|
|
17
|
Суммарная стоимость ЛЭП
|
млн руб.
|
44
|
|
18
|
Суммарная мощность трансформаторов ПЭС
|
тыс. кВ∙А
|
7503
|
Район по гололеду - II.
Плотность распределительных сетей - 300 км / тыс.км2. Площадь РЭС - 2 тыс.км2.
Характеристика подстанции 35 кВ и выше:
|
№ п/п
|
Наименование подстанций (характеристика)
|
Количество
|
|
1
|
Подстанция 110 кВ с количеством присоединений от 6-20
|
1
|
|
2
|
Подстанция 220 кВ с количеством присоединений от 6-20
|
8
|
|
3
|
Подстанция 220 кВ с количеством присоединений от 20-50
|
9
|
|
4
|
Подстанция 220 кВ с количеством присоединений более 50
|
4
|
Количество оборудования на подстанции 35 кВ и выше:
|
№ п/п
|
Наименование (характеристика)
|
Количество
|
|
1
|
Силовой трансформатор 1-20кВ
|
93
|
|
2
|
Силовой трансформатор 35кВ
|
48
|
|
3
|
Силовой трансформатор 110-150 кВ
|
6
|
|
4
|
Силовой трансформатор 220 кВ
|
67
|
|
5
|
Присоединение с масляными выключателями 1-20 кВ
|
167
|
|
6
|
Присоединение с масляными выключателями 35 кВ
|
101
|
|
7
|
Присоединение с масляными выключателями 110-150 кВ
|
101
|
|
8
|
Присоединение с масляными выключателями 220 кВ
|
63
|
|
9
|
Присоединение с отделителями и короткозамыкателями 110-150
кВ
|
1
|
|
10
|
Присоединение с отделителями и короткозамыкателями 220 кВ
|
47
|
|
11
|
Присоединение с воздушными выключателями 110-150 кВ
|
60
|
|
12
|
Присоединение с воздушными выключателями 220 кВ
|
86
|
|
13
|
Присоединение с элегазовыми выключателями 110кВ
|
20
|
|
14
|
Присоединение с элегазовыми выключателями 220 кВ
|
2
|
|
15
|
Присоединение с ваккумными выключателями 1-20 кВ
|
4
|
Характеристика ВЛ - 35 кВ и выше:
|
№ п/п
|
Характеристика ВЛ
|
Количество цепей
|
Протяженность, км
|
|
1
|
ВЛ - 220 кВ на металлических опорах
|
1
|
85,1
|
|
2
|
ВЛ - 220 кВ на металлических опорах
|
2
|
409,9
|
|
3
|
ВЛ - 220 кВ на железобетонных опорах
|
1
|
1513,13
|
|
4
|
ВЛ - 220 кВ на железобетонных опорах
|
2
|
35,6
|
|
5
|
ВЛ - 110 кВ на металлических опорах
|
2
|
1,32
|
|
6
|
ВЛ - 35 кВ на металлических опорах
|
1
|
0,56
|
|
7
|
ВЛ - 220 кВ на железобетонных опорах
|
1
|
0,56
|
Характеристика районов электрических сетей (РЭС):
Состав оборудования РЭС
|
Количество устройств на 100 км
|
|
1
|
ТП, КТП 6-20/0,4 кВ с одним трансформатором
|
0,16
|
|
2
|
ТП, КТП 6-20/0,4 кВ с двумя трансформаторами
|
0,03
|
|
3
|
Присоединения с выключателем в РП 6-20 кВ
|
0,16
|
|
4
|
Кабельные линии 6-20 кВ
|
0,3
|
Среднее расстояние от базы ремонтного персонала до места производства
работ 25 км.
9.2.1 Определение численности персонала ПЭС
Повышение производительности труда и совершенствование структуры
управления на предприятиях электрических сетей тесно связаны с численностью
персонала, формой организации и формой обслуживания электрических сетей.
Для осуществления организации оперативного обслуживания подстанций в
соответствии с действующими нормативными документами:
активное круглосуточное дежурство на щите управления;
дежурство на дому;
дежурство оперативно - выездных бригад (ОВБ).
Форма оперативного обслуживания подстанций увязывается с нормативной
численностью рабочих по оперативному и техническому обслуживанию, которая
рассчитывается по действующим нормативам
К нормативной численности рабочих по ремонту и техническому обслуживанию
ВЛ 35 кВ и выше должны применяться корректирующие коэффициенты К1,К2.
Коэффициент К1 учитывает географическое положение электрических сетей.
Коэффициент К2 учитывает трудозатраты на проезды для рабочих по ремонту
подстанций 35 кВ и выше и ВЛ 35 кВ и выше, а также распределительных сетей
0,4-20 кВ.
Нормативная численность рабочих по обслуживанию и ремонту кабельных линий
электропередачи определяется по нормативам численности в зависимости от
напряжения и протяженности линий с учетом коэффициентов К1, К2.
Кроме численности рабочих для обслуживания и ремонта проектируемой
электрической сети необходимо определить численность ИТР и служащих, в том
числе численность работников управления, что возможно при использовании
существующих нормативов
Эти нормативы установлены по функциям управления в зависимости от
численности рабочих, суммарной мощности трансформаторов, количества устройств
РЗА и т.д.
9.2.1.1 Расчет численности рабочих
Определение численности рабочих для оперативного и технического
обслуживания подстанций 35 кВ и выше (табл.1.1)
Таблица 1.1
|
№ п\п.
|
Наименование подстанций
|
Количество
|
Норматив на
|
Расчётная
|
|
|
подстанций, ед.
|
одну подстанцию
|
численность, чел
|
|
1
|
подстанции 110 кВ с количеством присоединений 6-20
|
1
|
1,22
|
1,22
|
|
2
|
подстанции 220 кВ с количеством присоединений 6-20
|
4
|
2,6
|
10,04
|
|
3
|
подстанции 220 кВ с количеством присоединений 20-50
|
18
|
2,81
|
50,58
|
|
Сумма
|
23
|
|
61,84
|
Итоговая расчетная численность: 61,84 чел.
Коэффициенты:
К1 = 1,03 (по табл.П.1.18 для Тамбовской обл);
Определение численности рабочих для ремонта подстанций 35 кВ и выше
(табл. 1.2)
Таблица 1.2
|
№ п\п.
|
Наименование устройств
|
Количество устройств, 100ед.
|
Норматив на 100 ед.,
|
Расчётная численность,
|
|
Подстанции
|
|
чел
|
чел
|
|
1
|
Силовой трансформатор 35 кВ
|
0,7
|
3,77
|
2,639
|
|
2
|
Силовой трансформатор
|
0,66
|
8,25
|
5,445
|
|
110-150 кВ
|
|
|
|
|
3
|
Силовой трансформатор 220кВ
|
0,98
|
13,72
|
13,44
|
|
4
|
Присоединение с отделителями и короткозамыкателями
|
0,1
|
1,56
|
0,156
|
|
5
|
|
1,3
|
1,38
|
1,794
|
|
Присоединение с масляными выключателями 35 кВ
|
|
|
|
|
6
|
Присоединение с масляными выключателями 110-150 кВ
|
1,9
|
3,66
|
6,9
|
|
|
|
|
|
|
Сумма
|
|
|
30,7
|
Итоговая расчетная численность: 30,7 чел.
Коэффициенты:
К1=1,06 (по табл.1.16 для Тамбовской области);
К2=1,09(по табл.1.19 для среднего расстояния от базы ремонтного
персонала до места производства работ 25 км);
Определение численности рабочих для ремонта и технического обслуживания
ВЛ 35 кВ и выше (табл.1. 3)
Таблица 1.3
|
№ п\п.
|
Тип воздушной линии 35кВ и выше
|
Количество цепей на опорах
|
Протяжённость ВЛ 35 кВ и выше,100 км
|
Норматив на 100 км, чел
|
Расчётная численность, чел
|
|
1
|
ВЛ-220 кВ на
|
2
|
4,45
|
1,67
|
7,43
|
|
металлических опорах
|
|
|
|
|
|
2
|
ВЛ-220 кВ на
|
1
|
12,82
|
0,77
|
9,87
|
|
железобетонных опорах
|
|
|
|
|
|
3
|
ВЛ-220 кВ на
|
1
|
2,3
|
1,28
|
2,94
|
|
металлических опорах
|
|
|
|
|
|
|
|
|
|
20,24
|
|
Сумма
|
|
|
|
|
Итоговая расчетная численность: 20,24
Коэффициенты:
К1=1,11 (по табл.1.18 для Тамбовской области);
К2=1,09 (по табл.1.20 для среднего расстояния от базы ремонтного
персонала до места производства работ 25 км);
Определение численности рабочих для оперативного и технического
обслуживания ВЛ 0,4-20 кВ; ТП 6-35/0,4 и РП 6-20 кВ. (табл.1.4,
табл.1.6)
Таблица 1.4
|
№ п\п.
|
Наименование устройств в РЭС
|
Количество устройств на 100км, ед.
|
Норматив, чел
|
Расчётная численность, чел
|
|
1
|
ВЛ 6-10 кВ на металлических или железобетонных опорах
|
0,1
|
0,81
|
0,08
|
|
2
|
ВЛ 0,4 кВ на металлических или железобетонных опорах
|
0,05
|
0,91
|
0,005
|
|
3
|
ТП,КТП 6-20/0,4 кВ с одним трансформатором
|
0,5
|
1,69
|
0,89
|
|
Сумма
|
|
|
0,97
|
Итоговая расчетная численность: 0,97чел.
Коэффициенты:
К1=1,06 (по табл.1.18 для Тамбовской области);
Определение численности рабочих для ремонта ВЛ 0,4-20 кВ; ТП 6-35/0,4 и
РП 6-20 кВ и ремонта с техническим обслуживанием кабельных линий. (табл. 1.5,
1.7, 1.8)
Таблица 1.5
|
№ п\п.
|
Наименование устройств в РЭС
|
Количество устройств на 100км, ед.
|
Норматив, чел
|
Расчётная численность, чел
|
|
1
|
ВЛ 6-10 кВ на металлических или железобетонных опорах
|
0,1
|
0,47
|
0,047
|
|
2
|
ВЛ 0,4 кВ на металлических или железобетонных опорах
|
0,05
|
0,51
|
0025
|
|
3
|
ТП,КТП 6-20/0,4 кВ с одним трансформатором
|
0,5
|
0,76
|
0,38
|
|
4
|
Присоединение с выключателем
|
0,04
|
0,84
|
0,0336
|
|
5
|
Кабельные линии 6-20 кВ
|
0,3
|
3,62
|
1,08
|
|
Сумма
|
|
|
1,56
|
Итоговая расчетная численность: 1,56 чел.
Коэффициенты:
К1=1,11 (по табл.1.18 для Тамбовской области);
K2=1,09
(по табл.1.20 для среднего расстояния 25 км);
Определение численности рабочих, осуществляющих техническое обслуживание
и ремонт устройств РЗА, СДТУ, средств механизации и транспорта, испытания
изоляции и защиты от перенапряжения, работы в цехе по ремонту оборудования,
ремонтно-строительные работы и работы по уборке производственных и служебных
помещений.
Таблица 1.6
|
Наименование производственных функций
|
Номер табл. приказа № 420
|
Числовое значение факторов
|
Расчётная численность рабочих, чел.
|
Прим
|
|
1. Техническое обслуживание и ремонт РЗАИ
|
П.1.10
|
2500
|
10
|
К1=1,06
|
|
2. Испытание изоляции и защиты от перенапряжений
|
П.1.11
|
336
|
10
|
К1=1,06
|
|
3. Техническое обслуживание и ремонт средств диспетчерского
и технологического управления (СДТУ)
|
П.1.12
|
500/270
|
8
|
К1=1,06
|
|
4. Техническое обслуживание и ремонт средств механизации и
транспорта
|
П.1.14
|
42/31
|
24
|
|
|
5. Централизованный ремонт электросетевого оборудования
(цех по ремонту оборудования)
|
П.1.15
|
7500/1957
|
31
|
|
|
6. Ремонт строительной части подстанции и производственных
помещений
|
П.1.16
|
91
|
4
|
|
|
7. Работы по уборке производственных и служебных помещений
|
П.1.17
|
95
|
5
|
|
|
Сумма
|
100
|
|
Итоговая расчетная численность: 100 чел.
Определение нормативной численности рабочих ПЭС Таблица 1.7.
|
№ п\п.
|
Номер таблицы или подраздела
|
Расчётная численность
|
Корректирующий коэффициент. К1, К2, (К1хК2)
|
Нормативная численность рабочих, чел
|
|
1
|
Табл.1.1
|
61,84
|
1,03
|
63,69
|
|
2
|
Табл. 1.2
|
30,7
|
1.15
|
35,3
|
|
3
|
Табл. 1.3
|
20,24
|
1,2426
|
24,5
|
|
4
|
Табл. 1.4
|
0,97
|
1,06
|
1,02
|
|
5
|
Табл. 1.5
|
1,56
|
1,2426
|
1,94
|
|
6
|
Табл. 1.6
|
100
|
1,21
|
121
|
|
7
|
Табл. 1.6 Пункт 1
|
10
|
1,06
|
10,6
|
|
8
|
Табл. 1.6 Пункт 2
|
10
|
1,06
|
10,6
|
|
9
|
Табл. 1.6 Пункт 3
|
8
|
1,06
|
8,48
|
|
10
|
Табл. 1.6 Пункт 4
|
31
|
1
|
31
|
|
11
|
Табл. 1.6 Пункт 5
|
32
|
1
|
32
|
|
12
|
Табл. 1.6 Пункт 6
|
4
|
1
|
4
|
|
13
|
Табл. 1.6 Пункт 7
|
5
|
1
|
5
|
|
14
|
Сумма
|
349
|
Принимаем нормативную численность рабочих ПЭС - 349 чел.
9.2.1.2 Расчет объема ПЭС к условным единицам
Объем подстанции 35 кВ и выше Таблица 1.8
|
№ п/п
|
Наименование подстанций (характеристика)
|
Количество
|
у,е.
|
Всего
|
|
1
|
Подстанция 110 кВ с количеством присоединений от 6-20
|
1
|
105
|
105
|
|
2
|
Подстанция 220 кВ с количеством присоединений от 6-20
|
4
|
210
|
840
|
|
7
|
Подстанция 220 кВ с количеством присоединений от 20-50
|
18
|
210
|
3780
|
|
Сумма
|
|
|
4725
|
Объем оборудования на подстанции 35 кВ и выше Таблица 1.9
|
№ п/п
|
Количество
|
у,е. на 100 шт
|
Всего
|
|
1
|
Силовой трансформатор 110-150 кВ
|
5
|
780
|
39
|
|
2
|
Силовой трансформатор 220 кВ
|
67
|
1400
|
910
|
|
3
|
Присоединение с масляными выключателями 110-150 кВ
|
63
|
1400
|
1449
|
|
3
|
Присоединение с масляными выключателями 220 кВ
|
59
|
1400
|
1456
|
|
3
|
Присоединение с воздушными выключателями 110-150 кВ
|
56
|
1400
|
1459
|
|
4
|
Присоединение с воздушными выключателями 220 кВ
|
24
|
1400
|
1032
|
|
сумма
|
219
|
|
6345
|
Объем ВЛ - 35 кВ и выше Таблица 1.10
|
№ п/п
|
Характеристика ВЛ
|
Количество цепей
|
Протяженность, км
|
у,е. на 100км
|
Всего
|
|
1
|
ВЛ - 220 кВ на металлических опорах
|
1
|
76,63
|
210
|
160,92
|
|
2
|
ВЛ - 220 кВ на металлических опорах
|
2
|
400
|
270
|
1082
|
|
3
|
ВЛ - 220 кВ на железобетонных опорах
|
1
|
1440
|
140
|
2016
|
|
4
|
ВЛ -220 кВ на железобетонных опорах
|
2
|
36,48
|
180
|
65,67
|
|
Сумма
|
|
|
|
3324,59
|
Объем районов электрических сетей (РЭС) Таблица 1.11
|
№ п/п
|
Состав оборудования РЭС
|
Расстояние к 100 км, Количество в шт
|
у,е.
|
Всего
|
|
|
|
|
|
|
1
|
ВЛ - 6-10 кВ на металлических или железобетонных опорах
|
0.15
|
110
|
16,5
|
|
2
|
ВЛ - 0,4 кВ на металлических или железобетонных опорах
|
0,217
|
150
|
32,55
|
|
|
|
|
|
|
|
|
|
|
|
7
|
ТП, КТП 6-20/0,4 кВ с одним трансформатором
|
370
|
2,3
|
851
|
|
8
|
ТП, КТП 6-20/0,4 кВ с двумя трансформаторами
|
0
|
|
0
|
|
9
|
МТП 6-20/0,4 кВ
|
8
|
2,3
|
18,4
|
|
10
|
Присоединения с выключателем в РП 6-20 кВ
|
2
|
3,1
|
6,2
|
|
11
|
Присоединения с выключателем нагрузки в РП 6-20 кВ
|
0
|
|
0
|
|
12
|
Кабельные линии 6-20 кВ
|
0,009
|
350
|
3,15
|
|
Сумма
|
|
|
960,05
|
Суммарный объем ПЭС =15354 у.е.
9.2.1.3 Расчет численности руководителей,
специалистов и служащих (РСС)
Таблица 1.12
|
№ п/п
|
Наименование функций управления
|
Номер таблицы
|
Числовое значение факторов
|
Нормативная численность
|
Примечания
|
|
1.
|
Общее руководство
|
2.1.
|
15354/2
|
2
|
|
|
2.
|
Производственно техническая деятельность
|
2.2.
|
15354/2
|
2
|
|
|
3.
|
Обеспечение надежности и техники безопасности
|
2.3.
|
15354/2
|
2
|
К1=1,06 К2=1,09
|
|
4.
|
Технико-экономическое планирование
|
2.4.
|
15354/2
|
1
|
|
|
5.
|
Организация труда и заработной платы
|
2.5.
|
15354/
|
2
|
|
|
6.
|
Бухгалтерский учет и отчетность, финансовая деятельность
|
2.6.
|
349
|
6
|
|
|
7.
|
Комплектование кадров, специальная и мобилизационная
работа, ГО
|
2.7.
|
15354
|
2
|
|
|
8.
|
Материально-техническое снабжение
|
2.8.
|
15354/2
|
2
|
|
|
9.
|
Капитальное строительство
|
2.9.
|
27000
|
1
|
|
|
10.
|
Общее делопроизводство
|
2.10.
|
15353/2
|
2
|
|
|
11.
|
Хозяйственное обслуживание
|
2.11.
|
15354
|
0
|
|
|
Всего
|
22
|
|
Управление в районах электрических сетей (нормативная численность по
табл. 2.12-2.17 )
Таблица 1.13
|
№ п/п
|
Наименование руководителей
|
Номер таблицы
|
Числовое значение факторов
|
Расчетная численность
|
Примечания
|
|
1.
|
Руководители и специалисты (без мастеров и диспетчеров)
|
2.13.
|
960
|
-
|
|
|
|
|
|
|
|
|
2.
|
Диспетчеры РЭС
|
2.14.
|
960/800
|
6
|
|
|
|
|
|
|
|
|
3.
|
Мастера, включая старших мастеров по ремонту ВЛ, ТП, КТП,
МТП
|
2.15.
|
3324
|
6
|
К1=1
|
|
4.
|
Мастера, включая старших мастеров по ремонту РП
|
2.16.
|
960
|
2
|
|
|
|
|
|
|
|
|
5.
|
Мастера, включая старших мастеров по ремонту кабельных
линий
|
2.17.
|
480
|
2
|
К1=1,14
|
|
Всего
|
16
|
|
Производственные службы (нормативная численность по табл. 2.18-2.30 в
приложении 2)
Таблица 1.14
|
№ п/п
|
Наименование функций управления
|
Номер таблицы
|
Числовое значение факторов
|
Нормативная численность, чел
|
Примечания
|
|
1.
|
Оперативно-диспетчерское управление
|
2.18.
|
15354/23
|
5
|
|
|
|
|
|
|
|
|
2.
|
Оперативное, техническое обслуживание и ремонт п/ст 35 кВ и
выше
|
2.19.
|
6345
|
3
|
|
|
|
|
|
|
|
|
3.
|
Диспетчерское управление на подстанциях
|
-
|
-
|
-
|
-
|
|
|
|
|
|
|
|
4.
|
Техническое обслуживание и ремонт п/ст напряжением 35 кВ и
выше (мастера и старшие мастера)
|
2.20
|
960/428
|
5
|
К=1,05
|
|
5.
|
Техническое обслуживание и ремонт воздушных линий эл.
передач 35 кВ и выше
|
2.21
|
3324
|
2
|
К=1,14
|
|
6.
|
Техническое обслуживание и ремонт средств РЗАИ
|
2.22
|
2500/800
|
8
|
К=1,08
|
|
7.
|
Испытание изоляции и защиты от перенапряжений
|
2.23
|
1200/800
|
3
|
К=1,08
|
|
8.
|
Ремонт ВЛ 35 кВ и выше (мастера и ст. мастера)
|
2.24
|
1907/20,9
|
1
|
|
|
9.
|
Организация оперативного и технического обслуживания и
ремонта распределительных электрических сетей
|
2.25
|
5000/1200
|
1
|
|
|
10.
|
Техническое обслуживание и ремонт СДТУ
|
2.26
|
390/380
|
7
|
5+1+1
|
|
11.
|
Техническое обслуживание и ремонт средств механизации и
транспорта
|
2.27
|
42
|
1
|
|
|
12
|
Диспетчеризация средств механизации и транспорта
|
2.28
|
42
|
1
|
|
|
13
|
Ремонт средств механизации и транспорта (мастера и старшие
мастера)
|
2.29
|
42/<500
|
1
|
|
|
14
|
Ремонт строительной части подстанций и производственных
помещений
|
2.30
|
960/1200
|
1
|
|
|
Всего
|
39
|
|
В результате расчёта получаем, что общая численность персонала Тамбовских
ЭС -349человек, из них рабочих -270 человек, ИТР - 79 человек.
9.3 Разработка организационной структуры ПЭС и
структуры ПС
.3.1 Разработка организационной структуры ПЭС
Организационная структура схемы управления ПЭС разрабатывается по
результатам расчёта численности персонала и рекомендациям приказа № 420
Минэнерго.
Отделы (за исключением бухгалтерии) и службы распределительных сетей,
надзора за эксплуатацией и техникой безопасности организуются при нормативной
численности ИТР и служащих по соответствующим функциям не менее 4 человек.
Общая численность персонала службы не менее 10 человек. В противном случае
организуются группы специалистов, возглавляемые старшим по должности, или
отдельные специалисты.
Производственные лаборатории организуются при общей численности персонала
не менее 7 человек. Должность заместителя начальника отдела (службы) вводится
при численности ИТР не менее 7 человек.
В районах электрических сетей производственные службы не создаются.
Обслуживание и ремонт средств РЗА, проведение испытаний изоляции
осуществляются централизовано и возлагаются на соответствующие службы ПЭС.
Организационная структура схемы управления ПЭС представлена на рис. 1.
Рис
1. Организационная структура схемы управления Тамбовского РЭС
9.3.2 Разработка структурного подразделения ПС
Общая численность персонала службы составляет 11 человек, из них 6
человек- ИТР и 5человек - рабочие.
В службу входят: 1- начальник службы.6 человек специалисты и 5 человек
рабочие
Рис 2. Структурная схема ОДС ПС
9.4 Себестоимость передачи и распределения
электрической энергии в проектируемой электрической сети.
.4.1 Основная заработная плата производственных
рабочих
По данной статье учитывается заработная плата производственных рабочих,
непосредственно участвующих в технологическом процессе передачи и распределения
энергии, всего дежурного персонала подстанций, линейного персонала сетей,
производственного персонала производственных служб сетей. На эту статью не
относится зарплата ремонтного персонала.
где
- нормативная численность производственного персонала
сети, чел.;
-
средняя заработная плата одного рабочего,
=14000
руб./мес;
-
районный коэффициент по оплате труда,
=1,15;
где
- нормативная численность рабочих по оперативному и
техническому обслуживанию подстанций с учетом коэффициентов К1;
-
нормативная численность рабочих по техническому обслуживанию и ремонту линий
электропередачи 35кВ и выше проектируемой сети;
,15
- коэффициент, исключающий численность ремонтного персонала от общего числа
рабочих.
чел,
млн.руб./год.
9.4.2 Дополнительная заработная плата
производственных рабочих
Затраты по этой статье принимаются равными 7.5 - 10% от основной
заработной платы:
млн.руб./год.
9.4.3 Отчисления на социальные нужды с заработной
платы производственных рабочих
млн.руб./год
где 0,26 - страховой коэффициент, содержащий коэффициенты:
Федеральный пенсионный фонд - 20%;
Фонд социального страхования - 2,9%;
Фонд обязательного медицинского страхования:
федеральный фонд - 1,1%,
территориальный фонд - 2%;
9.4.4 Отчисления на страхование от несчастных
случаев
млн.руб./год
где 0,04 - страховой коэффициент на страховку от несчастных случаев
(0,4%)
9.4.5 Расходы на содержание и эксплуатацию
оборудования

-
амортизационные отчисления по производственному оборудованию сети, включая
амортизационные отчисления по подстанциям и линиям;
где
На - норма амортизационных отчислений для оборудования подстанций, равна 4,2 %
;
млн.руб./год
где
- капиталовложения в подстанции проектируемой
электрической сети;
Коэффициенты (9,585·1,38) и (10,4·1,38) учитывают инфляцию;
млн.руб./год
где
- норма амортизационных отчислений для ЛЭП . Она
зависит от типа линий, от напряжения, от материала опор и других факторов.
Можно принять для ВЛ 35 кВ и выше
= 2,4 % ;
где
- капиталовложения в ЛЭП проектируемой электрической
сети;
млн.руб./год
13
млн.руб./год
млн.руб./год
9.4.6 Цеховые расходы
млн.руб./год
где
- коэффициент, зависящий от уровня напряжения.
9.4.7 Общесетевые расходы
В этой статье отражаются расходы на заработную плату
административно-управленческого персонала, общепроизводственные расходы
(содержание, текущий ремонт и амортизация средств ПЭС, охрана труда и т.п.).
;
где:
(руб.) - средняя заработная плата АУП;
(чел.) -
нормативная численность АУП сети;
γ=0,03 - коэффициент, зависящий от уровня напряжения;
-
районный коэффициент;
ИИСК,=0
- расходы на иски;
млн.руб./год
9.4.8 Общесетевые издержки по передаче и
распределению электроэнергии
Общие издержки по передаче и распределению электрической энергии
проектируемой сети равны сумме затрат по всем вышеперечисленным калькуляционным
статьям.
где
- коэффициент, учитывающий удорожание эксплуатации в
районах с холодным климатом и трудными географическими условиями,
=1.0.
млн.руб./год
В
табл 4.1 представлена структура себестоимости передачи и распределения
электрической энергии.
Структура
затрат, включаемых в себестоимость передачи и распределения электрической
энергии Таблица 4.1
|
№ статьи
|
Наименование статей калькуляции
|
Затраты,
|
Структура
|
|
|
|
|
|
|
млн руб./год
|
себестоимости %
|
|
1
|
Основная зарплата производственных рабочих
|
6,45
|
10,92
|
|
2
|
Дополнительная зарплата производственных рабочих
|
0,645
|
1,09
|
|
3
|
Отчисления на социальное страхование производственных
рабочих
|
1,85
|
3,13
|
|
4
|
Отчисления на страхование от несчастных случаев
|
0,28
|
0,46
|
|
5
|
Расходы на содержание и эксплуатацию оборудования
|
34,09
|
57,72
|
|
6
|
Цеховые расходы
|
5,22
|
8,84
|
|
7
|
Общесетевые расходы
|
10,53
|
17,85
|
|
8
|
Сумма
|
59,06
|
100,00
|
S =
= 0,23 кВ/ч
Вывод
В связи с тем, что ЗПср на предприятии Верхне-Донского ПМЭС превышает
ЗПср по городу Тамбову, то предприятие является конкурентоспособным на рынке
труда и заработной платы, что позволяет привлечь высококвалифицированных
специалистов.
Заключение
В разделе 1 данного дипломного проекта отражены технические
характеристики и параметры объектов электрических сетей Верхне-Донского
предприятия МЭС. Также приведены данные о перспективном развитии региона и планы
развития электрических сетей.
Приведенные в этом разделе данные являются исходными данными для
расчетов, выполненных в последующих разделах.
В следующем разделе произведен расчет нормальных режимов работы
электрических сетей на зимний максимум 2019 года. По результатам расчетов
сделан вывод, что данная сеть обеспечивает всех потребителей требуемой
мощностью и готова к подключению дополнительных мощностей.
В третьем разделе сделано технико-экономическое сравнение вариантов
развития сети и выбор варианта подключения проектируемой подстанции к
действующей сети путем разрезания двухцепной ВЛ-220кВ Металлургическая.
В четвертом разделе произведен расчет перспективных режимов на 2015 год,
с введенной проектируемой подстанцией. Он показал, что загруженность элементов
сети, а также уровни напряжения в сети будут находится в пределах нормы. Доля
активных потерь активной мощности снизится 1,51% до 1,26%. Также расчет
показывает правильность выбора мощности автотрансформаторов на проектируемой
подстанции и реконструируемых к 2015 году подстанциях 220кВ Правобережная и
Северная .В тоже время выявлены «узкие» места электрической сети
Верхне-Донского предприятия МЭС, подлежащие устранению в процессе развития
электрической сети для обеспечения режимов работы сети удовлетворяющих
требованиям государственных стандартов. Предложены следующие меры по устранению
выявленных в разделе недостатков:
1. Установить на ПС-220 кВ «Новая» третий автотрансформатор
АТДЦТН-200000/220/110.
2. Установить на ПС-220 кВ «Дон» третий автотрансформатор
АТДЦТН-125000/220/110.
. Построить двухцепную ВЛ-220кВ «ПС Пашная - ПС Правобережная » с
проводом АС-300 длиной 11 км.
На остальном оборудовании загрузка элементов сети позволяет отключать
параллельно работающие элементы без перегрузки оставшихся в работе. Имеющиеся
средства регулирования напряжения позволяют поддерживать требуемый уровень
напряжения при отключении какого-либо элемента сети, используя лишь
организационные мероприятия.
В пятом разделе для проектируемой подстанции 220кВ произведена :
проверка по нагрузочной способности выбранных автотрансформато- ров.
расчет токов короткого замыкания на шинах подстанции
выбор схемы соединений подстанции
выбор релейной защиты автотрансформаторов
выбор аппаратов и токоведущих частей
В шестом разделе произведена разработка противопожарных мероприятий для
проектируемой подстанции мероприятий с расчетом необходимого количества запаса
воды для установок водяного пожаротушения.
В седьмом разделе, по охране окружающей среды произведен расчет
загрязняющих веществ и расчет защиты от воздействующего звука подстанции и
описано влияние напряженности электрического поля на окружающую среду
В восьмом разделе представлена организационная структура центра
управления сетями и структура организации технологического управления.
В девятом разделе произведен расчет капитальных затрат на реконструкцию
электрических сетей. Он составил 1890481 тыс.рублей Выполнен расчет нормативной
численности персонала предприятия, она составила 349 человек.
Список литературы
1. Сравочник
по проектированию электрических сетей/ Д.Л.Файбисович - М.: Изд-во НЦ ЭНАС,
2005.
2. ГОСТ-14209-85
Допустимые систематические и аварийные перегрузки масляных трансформаторов
мощностей до 100 МВА (до 100кВ и выше).
. Менеджмент
в организации / Брэддик У. - М.: ИНФРА-М, 2007. - 344с.
. Методические
указания по выполнению курсовой работы «Определение организационной структуры и
затрат в распределительных электрических сетях»/ Под. ред. Л.Н.Ходеева. -
Иваново, 2007.
. Приложение
к методическим указаниям для курсового и дипломного проектирования по
мененжменту/ Под. ред. Л.Н.Ходеева.- Иваново, 2007
. Понизительная
подстанция: Методические указания к выполнению курсового проекта и дипломного
проекта / сост. В.С. Козулин, А.В. Рассказчиков. - Иваново: ИГЭУ, 2007.
. Потери
мощности и энергии в электрических сетях: Методические указания для
самостоятельной работы студентов электроэнергетических специальностей / сост.
О.А. Бушуева. - Иваново: ИГЭУ, 1991.
. Правила
технической эксплуатации электрических станций и сетей Российской Федерации. -
М.: Изд-во НЦ ЭНАС, 2003. -264 с.
. Правила
устройства электроустановок - 7-е изд. - М.: Изд-во НЦ ЭНАС, 2006. -552 с. -
(Нормативная база).
. Производственный
менеджмент / Фатхутдинов Р.А. - М.: ЮНИТИ, 2006. 447 с.
. Производственный
менеджмент: Учебник для ВУЗов /Под ред. С.Д. Ильенковой. - М.: ЮНИТИ, 2001. -
583с.
. Расчет
и анализ установившихся режимов электроэнергетических систем на персональных
компьютерах: Уч. пособие / А.И. Кулешов, Б.Я. Прахин - Иван. гос. энерг. ун-т -
Иваново, 2001. - 171с.
. Расчеты
и анализ режимов работы сетей. Учебное пособие для вузов / Под ред. В.А.
Веникова. - М.: Энергия, 1983. - 336с.: ил.
. Расчеты
режимов дальних электропередач переменного тока / В.А. Веников, Ю.П. Рыжов. -
М.: Высшая школа, 1985. - 142с.
. Регулирование
напряжения в электрических сетях / Н.А. Мельников, Л.А. Солдаткина. - М.:
Энергия, 1968. - 152с.: ил.
. Сооружение
линий электропередачи / В.В. Гульденбальк, М.М. Капетинович, Д.В. Рабинович,
И.И. Рапутов, М.Н. Шмелев. - М.: Государственное энергетическое издательство,
1950. - 528с.: ил.
. Справочник
по проектированию подстанций 35-500кВ/ Г.К. Вишняков, Е.А. Гоберман, С.Л.
Гольцман и др.; Под ред. С.С. Рокотяна и Я.С. Самойлова. - М.: Энергоатомиздат,
1982. - 352 с.: ил.
. Оценка
экономической эффективности инвестиций в электроэнергетике. Методические
указания для курсового и дипломного проектирования с приложением / Н.И.
Дюповкин, Е.В. Яковлева. - Иваново, 2007.
. Переходные
электромеханические процессы в электрических системах: Учеб. Для
электроэнергет. спец. вузов. - 4-е изд., перераб. и доп. - М.: Высш. Шк., 1985,
- 536 с., ил.
. Методические
указания по обеспечению экологических нормативов при проектировании,
строительстве и эксплуатации ВЛ и ПС, 1998г,ЭСП
. РД
153-34.0-03.150-00 Межотраслевые правила по охране труда (правила безопасности)
при эксплуатации электроустановок. - М.: Изд-во НЦ ЭНАС, 2003. - 192 с.
. Рекомендации
по технологическому проектированию подстанций переменного тока с высшим
напряжением 35-750кВ.-М.Изд-о НЦ ЭНАС, 2004.-80с.
. Управление
организацией: Учебник /Под ред. А.Г. Поршнева и др. - 2-е изд.- М.: ИНФРА-М,
1998. - 669с.
. ГОСТ
12.2.024-87 (СТ СЭВ 4445-83) Шум. Трансформаторы силовые масляные.
. Условные
графические обозначения в электрических схемах и на планах: Методические
указания по оформлению материалов курсового и дипломного проектирования / С.О.
Алексинский, О.А. Бушуева, В.С. Козулин, Н.А. Петрова - Иваново: ИГЭУ, 1992.
. Электрооборудование
электростанций и подстанций. Примеры расчетов Задачи. Справочные данные./
Л.К.Карнеева. Л.Д.Рожкова Л.Д. -Иваново: МЗЭТ ГОУ СПО ИЭК, 2006.-224с.
. Рекомендации
по составлению раздела охрана окружающей природной среды в проектах (РП)
электросетевых объектах напряжением 35кВ и выше (N 11081 тм-т), Энергосетьпроект, 1990г.
. Электрическая
часть электростанций и подстанций: Справочные материалы для курсового и
дипломного проектирования: Учебное пособие для вузов / Б.Н. Неклепаев, И.П.
Крючков. - 4-е изд., перераб. и доп. - М.: Энергоатомиздат, 1989. - 608с: ил.
. Электрические
сети энергетических систем. Учебник для техникумов / А.В. Боровиков и др. - 3-е
изд., перераб. - Л.: Энергия, 1977. - 392с.
. Нормы
технологического проектирования подстанций переменного тока с высшим
напряжением 35-75окВ .СО153-34.20122-М.,2006.