Смуговий фільтр з Т-утвореним мостом у колі ВЗЗ
Зміст
Лист мети та завдання
. Еквівалентні схеми заміщення
фільтра
.1 Еквівалентна схема заміщення
на середніх частотах для малого сигналу
.2 Еквівалентна схема заміщення
на середніх частотах для великого сигналу
. Моделювання схем
.1 Моделювання АЧХ та ФЧХ
.2 АЧХ та ФЧХ вхідної
провідності схеми
.3 Вплив параметрів елементів
на АЧХ та ФЧХ (роботу схеми)
Висновок
Список літератури
Лист мети та завдання
Мета курсової роботи:
закріплення та поглиблення отриманих
на лекціях та лабораторних заняттях знань;
отримання навичок моделювання
реальних електронних схем за допомогою стандартних пакетів та розрахунку їх
характеристик;
отримання навичок складання моделей
електронних схем різними методами для різних режимів роботи.
Завдання на курсову роботу:
1. Замінити нестандартні
номінали пасивних елементів на номінали зі стандартних рядів для конденсаторів
та резисторів;
2. У випадках відсутності в
бібліотеках програм моделювання активних компонентів заданих транзисторів та
операційних підсилювачів замінити їх на наявні аналоги;
. Скласти еквівалентну схему
заміщення заданої схеми для роботи на середніх частотах за малого сигналу;
. Скласти еквівалентну схему
заміщення заданої схеми для роботи на середніх частотах за великого сигналу;
. Побудувати
амплітудно-частотну (АЧХ) та фазочастотну (ФЧХ) характеристики для коефіцієнтів
підсилення за напругою схеми;
. Побудувати АЧХ і ФЧХ
вхідного опору схеми;
. Розглянути вплив параметрів
схеми на АЧХ і ФЧХ коефіцієнта підсилення по напрузі;
. Скласти повний та
скорочений уністорний граф для схеми;
. Отримати вираз для
коефіцієнта підсилення за напругою та вхідної провідності.
. Зробити висновки по роботі.
Варіант №12
“Смуговий фільтр з Т-утвореним
мостом у колі ВЗЗ ”
|
Задані параметри, які задані умовою
|
Стандартні параметри, які взяті для
моделювання
|
|
R1
|
62кОм
|
R1
|
62кОм
|
|
R2
|
300кОм
|
R2
|
300кОм
|
|
R3
|
62кОм
|
R3
|
62кОм
|
|
R4
|
62кОм
|
R4
|
62кОм
|
|
R5
|
62кОм
|
R5
|
62кОм
|
|
R6
|
62кОм
|
R6
|
62кОм
|
|
R7
|
620кОм
|
R7
|
620кОм
|
|
C1
|
1нФ
|
C1
|
1нФ
|
|
C2
|
1нФ
|
C2
|
1нФ
|
|
C3
|
1пФ
|
1пФ
|
|
DA1, DA2
|
551УД1А
|
DA1, DA2
|
UA741
|
Як видно з таблиці, я залишив усі
параметри резисторів та конденсаторів незмінними, оскільки вони відповідають
стандартному значенню ряду Е24, отже не має смислу змінювати їх.
Аналогом же 551УД1А є UA725,
але його нема в бібліотеках програми, тому я вирішив взяти UA741,
адже вважаю, що вибір операційного підсилювача не вплине суттєво на роботу
фільтру, тому я матиму можливість дослідити роботу даної схеми, використовуючи
дещо інший операційний підсилювач.
1. Еквівалентні схеми заміщення
фільтра
.1 Еквівалентна схема заміщення на
середніх частотах для малого сигналу
Для малого сигналу на середніх
частотах при складанні еквівалентної схеми заміщення я буду використовувати
таку схему заміщення операційного підсилювача:
Для зображення схем буду
використовувати програму для креслення схем Rusplat
4.0.
Рисунок 1.1 - Малосигнальна схема
заміщення ОП
Тепер зображу загальну модель,
підставивши в схему завдання замість ОП його схему заміщення, інші ж елементи
залишу без змін, адже на середніх частотах вони будуть справедливі.
Так як операційного підсилювача UA725,
який є повним аналогом 551УД1А нема в бібліотеках PCpise,
тому я взяв операційний підсилювач UA741,
адже, вважаю, що це не є критичною умовою для моделювання. Його параметри:
Таблиця 1.1 - Важливі параметри
операційного підсилювача
|
Напруга живлення
|
15В
|
|
Коефіцієнт підсилення по напрузі
|
30000
|
|
Вхідний опір
|
400 кОм
|
Рисунок 1.2 - Малосигнальна модель
смугового фільтра
.2 Еквівалентна схема заміщення на
середніх частотах для великого сигналу
Спочатку відображу схему заміщення
операційного підсилювача на середніх частотах для великого сигналу:
Рисунок 1.3 - Схема заміщення ОП для
великого сигналу
Так як частоти, як і в попередньому
випадку, також середні, отже можу залишити всі пасивні елементи у вигляді
елементарних моделей. Тоді схема смугового фільтру на середніх частотах для
великого сигналу прийме вид:
Як видно з рисунку, я не
використовував лінійний блок, адже його використання не являється обов’язковим.
Це можу пояснити тим, що моделювання проводилось лише до 100кГц.
Рисунок 1.4 - Еквівалентна схема
полосового фільтру для великого сигналу
Опишу елементи операційного
підсилювача:
Rвх
- вхідний опір Операційного підсилювача при диференційному включенні.
I1
- залежне джерело, яке моделює підсилення операційного підсилювача та кінцеву
швидкість наростання вихідної напруги.
R1, C1
- ланка, що моделює першу точку перегину АЧХ
операційного підсилювача.
E1, E2
- джерела, що присутні для того, щоб
наступний вузол не був навантаженням попереднього.
Лінійний блок - лінійний блок, який
необхідний для моделювання АЧХ на високих частотах.
Rвих
- вихідний опір операційного підсилювача.
R0
- нелінійний опір, що дозволяє обмежити рівень вихідної напруги.
Наведу характеристики нелінійного
опору(R0)
та нелінійного джерела(I1):
Рисунок 1.5 - Характеристики
нелінійного опору R0(а)
та нелінійного джерела I1(б)
Знаючи це, запишу основні формули
для операційних підсилювачів:
Операційний підсилювач №1:
Операційний підсилювач №2:
2. Моделювання схеми
В даному пункті завдання я
буду досліджувати вплив параметрів елементів на роботу схеми, тобто на
коефіцієнт підсилення, добротність, ширину смуги пропускання. Побудую АЧХ та
ФЧХ схеми на виході, так і вхідного опору.
2.1 Моделювання АЧХ та ФЧХ
Для початку зберу схему для моделювання
в програмному пакеті РСріse.
Як я говорив раніше, значення номіналів резисторів та конденсаторів залишаю
незмінними, адже вони відповідають стандартному ряду Е24. Повний аналог 551УД5А
це UA725,
але його в бібліотеці нема, тому вибираю UA741,
напруга живлення якого 15 В. Свій вибір можу обґрунтувати тим, що загалом вибір
операційного підсилювача не являється критичним і дозволить дослідити основні
параметри схеми, які вказані в завданні.
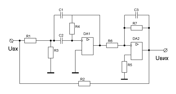
Розміщу рисунок зібраної схеми:
Рисунок 2.1 - Схема моделювання
смугового фільтра з Т-мостом
З рисунка видно, що на вході я
розмістив генератор синусоїди. В параметрах я встановив амплітуду 1В, тобто Uвх=1В.
Щоб побудувати АЧХ та ФЧХ, буду розміщувати маркери Voltage/Level
та Phase of
Voltage відповідно.
Далі зображу отримані в результаті
моделювання результати.
Рисунок 2.2 - АЧХ полосового фільтра
Перші судження, які можу сказати,
дивлячись на графік, не використовуючи розрахунків - типічний графік для
полосового фільтра. Дана схема має високий коефіцієнт підсилення по напрузі. А
також, думаю, має достатньо високу добротність, але це твердження буде
перевірено шляхом розрахунків.
Використовуючи графічні можливості
пакету PСpise
визначу головні критерії даної схеми, згідно яких можна буду говорити про
можливості даної схеми. Це такі параметри, як коефіцієнт підсилення, резонансна
частота, добротність.
Рисунок 2.3 - ФЧХ полосового фільтра
Зображу рисунок АЧХ для розрахунку.
Рисунок 2.4 - АЧХ для розрахунків
а) Резонансна частота -
б) Коефіцієнт підсилення -
в) Ширина смуги пропускання: Визначу
ширину смуги на висоті:
Використовуючи графік, отримаю:
г) Добротність -
Згідно розрахунків можу сказати, що
дана схема має дійсно високий коефіцієнт підсилення по напрузі, високу
добротність, що є важливим критерієм для полосового фільтру.
Тепер досліджу поведінку мого
фільтра на високих частотах до 10ТГц.
Рисунок 2.5 - АЧХ полосового
фільтра до 10ТГц
Рисунок 2.6 - ФЧХ полосового
фільтра до 10ТГц
Моделюванння до 10ТГц
не є доволі обґрунтованим, адже на мою думку програма PСpise не
забезпечує правильного моделювання на таких частотах. Але я зробив дану річ, і
вважаю, що програма моделює правильно роботу схеми хоча б до 10 ГГц.
.2 АЧХ та ФЧХ вхідної
провідності схеми
Була зібрана схема аналогічна
рисунку 2.1, але було додано послідовно з генератором резистор, номіналом 1Ом,
з якого й знімались АЧХ та ФЧХ вхідної провідності даної схеми, за допомогою
аналогічних маркерів Voltage/Level та Phase of Voltage
відповідно.
Отримані результати:
Рисунок 2.7 - АЧХ вхідної
провідності схеми
Можу сказати, що даний
рисунок дуже схожий на ФЧХ смуго-загороджу-вального фільтру, адже присутній
розрив 1-го роду.
Рисунок 2.8 - ФЧХ вхідної
провідності схеми
Можу також сказати, що
зображення дуже схоже на АЧХ полосового фільтру.
2.3 Вплив параметрів
елементів на АЧХ та ФЧХ (роботу схеми)
А) Вплив зміни резистора R4
Вважаю, що даний резистор
буде вносити зміни в роботу даної схеми, адже він являється резистором зворотнього
зв’язку
першого операційного підсилювача.
Рисунок 2.9 - Вплив R4
на АЧХ схеми
Як видно з рисунку як при зменшенні,
так і при збільшенні опору резистора, зменшується коефіцієнт підсилення по
напрузі, так і зменшується добротність даного фільтра. При зменшенні опору -
частота резонансу збільшується, а при збільшенні - зменшується. Можу сказати
про те, що вибір резистора R4
для даної схеми являється важливою задачею, адже відхилення від 62кОм
призводить до значного зменшення коефіцієнта підсилення та добротності
Рисунок 2.10 - Вплив R4
на ФЧХ схеми
Як видно з рисунку, при збільшенні
опору резистора, ФЧХ приймає більш пологу ділянку, тобто спостерігається більш
пологе зростання. При зменшенні ж опору, взагалі ФЧХ вигинається в іншу
сторону, що свідчить про інший характер роботи схеми.
Для більшої зручності розрахую
параметри схеми:
При R4=62кОм
параметри розраховані в пункті 2.1.
При R4=72кОм:
а) Резонансна частота -
б) Коефіцієнт підсилення -
в) Ширина смуги пропускання: Визначу
ширину смуги на висоті:
г) Добротність -
При R4=52кОм:
а) Резонансна частота -
б) Коефіцієнт підсилення -
в) Ширина смуги пропускання: Визначу
ширину смуги на висоті:
г) Добротність -
Виходячи з розрахунків, мої
твердження, викладені раніше, справедливі. Найбільшу добротність та коефіцієнт
підсилення можна отримати при значенні опору 62кОм, а його зменшення чи
збільшення призводить до зменшення даних параметрів на дуже значну величину,
при цьому дещо збільшується ширина смуги пропускання, але ця зміна не значна.
Б) Вплив зміни резистора R2
Аналогічно попередньому
досліду, буду змінювати значення опору, можна б було спробувати змінювати
значення опору R7, і спостерігати за зміною
параметрів роботи, але я впевнений, що зміни будуть аналогічні як в
попередньому пункті, адже, якщо подивитись на схему, то R7
також резистор зворотнього зв’язку, але другого операційного підсилювача, отже
можу припустити, що характер впливу буде аналогічний.
Так як R2 -
резистор зворотнього зв’язку всієї схеми, то він також повинен вносити зміни в
роботу схему й доволі значні.
Результати моделювання.
Рисунок 2.11- Вплив R2
на АЧХ схеми
Як видно, ситуація дещо схожа на
попередню, також зміна значення R2
призводить до зменшення коефіцієнта підсилення та зменшення добротності
відповідно, збільшення ширини полоси пропускання, але головним, що відрізняє
дані характеристики - незмінна частота резонансу, це можна пояснити поглянувши
на схему, адже на відміну від R4,
R2 впливає на обидва
операційні підсилювачі.
Рисунок 2.12- Вплив R2
на
ФЧХ схеми
Якщо порівнювати даний рисунок з
попереднім випадком, то ситуація зовсім відрізняється від попереднього, адже
зменшення опору призводить, навпаки, до більш пологого графіку ФЧХ, а
збільшення - до зміни характеру роботи.
Розрахую параметри, використовуючи
побудовану АЧХ схеми:
Для R2=300кОм розраховано в пункты
2.1.
Для R2=350кОм:
а) Резонансна частота -
б) Коефіцієнт підсилення -

г) Добротність -
Для R2=250кОм:
а) Резонансна частота -
б) Коефіцієнт підсилення -
в) Ширина смуги пропускання: Визначу
ширину смуги на висоті:
г) Добротність -
Виходячи з останніх розрахунків можу
сказати, що зміна параметрів резисторів привела тільки до погіршення роботи
фільтра, адже із високо-обротного він став низькодобротним та зменшився його
коефіцієнт підсилення.
В) Тепер проведу моделювання при
зміні номіналів конденсатора С2:
Так як С2 є структурним елементом,
який формує фільтр, отже його зміна приведе до зміни параметрів роботи схеми.
Приведу результати моделювання:
Рисунок 2.13 - Вплив С2 на АЧХ схеми
З графіка можна сказати, що як
зменшення так і збільшення ємності від значення 1нФ призводить до значного
зменшення коефіцієнта підсилення по напрузі, зменшення добротності, але
збільшення ширини полоси пропускання. Зменшення ємності призводить до
збільшення частоти резонансу, а збільшення призводить до зменшення даної
частоти.
Даний рисунок подібний випадку зі зміною R4 в
пункті 2.1, зміни в ФЧХ аналогічні.
Рисунок 2.14 - Вплив С2 на ФЧХ схеми
Розрахую зміну параметрів схеми:
Для С2=1нФ.
а) Резонансна частота -
б) Коефіцієнт підсилення -
в) Ширина смуги пропускання: Визначу
ширину смуги на висоті:
Використовуючи графік, отримаю:
г) Добротність -
Для С2=1,5нФ:
а) Резонансна частота -
б) Коефіцієнт підсилення -
в) Ширина смуги пропускання: Визначу
ширину смуги на висоті:
г) Добротність -
Для С2=0,5нФ:
а) Резонансна частота -
б) Коефіцієнт
підсилення -
в) Ширина смуги пропускання: Визначу ширину
смуги на висоті:
г) Добротність -
Можу сказати, що найбільша добротність
і коефіцієнт підсилення при С2=1нФ, а найбільша полоса пропускання при
С2=0,5нФ. Але параметри, які найбільш критичні для фільтра - коефіцієнт
підсилення та добротність.
Г) Попарна зміна R4 та
R2
Спробую покращити параметри
схеми шляхом зміни R4 та R2,
адже загалом, можна сказати, що дана схема зі стандартними номіналами має гарні
параметри, але ж всі зміни номіналів, при дослідженні, на мою думку, не привели
до покращення властивостей схеми, а тільки до погіршення. Тобто схема стала
низькодобротною.
Отже спробую покращити
параметри шляхом попарної зміни параметрів.
При збільшенні опорів ФЧХ зміщується
вліво до більших частот.
Розрахую параметри, щоб можна було
говорити про доцільність змін.
Для R2=62кОм, R4=300кОм
а) Резонансна частота -
б) Коефіцієнт підсилення -
в) Ширина смуги пропускання: Визначу
ширину смуги на висоті:
Рисунок 2.15 - Вплив R4
та R2 на АЧХ схеми
З рисунка, одразу видно зміни, можу
сказати, що парна зміна резисторів дійсно привела до покращень, адже навіть без
підрахунків видно, що при збільшенні R4
та R2 зріс коефіцієнт
підсилення та добротність.
Використовуючи графік, отримаю:
г) Добротність -
Для R2=52кОм, R4=250кОм
а) Резонансна частота -
б) Коефіцієнт підсилення -
в) Ширина смуги пропускання: Визначу
ширину смуги на висоті:
Використовуючи графік, отримаю:
г) Добротність -
Для R2=72кОм, R4=350кОм
а) Резонансна частота -
б) Коефіцієнт підсилення -
в) Ширина смуги пропускання: Визначу
ширину смуги на висоті:
Використовуючи графік, отримаю:
г) Добротність -
Рисунок 2.16 - Вплив R4
та R2 на ФЧХ схеми
З розрахунків можу сказати, що при
збільшенні опорів обох резисторів значно збільшився коефіцієнт підсилення та
зросла добротність. Зменшення ж номіналів резисторів призвело до зменшення
коефіцієна підсилення та добротності, але дані зменшеня незначні й фільтр
залишається високодобротним.
Д) Спробую ще покращити властивості
схеми шляхом зміни R1, С1
Адже R1, С1 утворюють фільтр низьких
частот (ФНЧ), отже, на мою думку, їхня зміна приведе до певних змін в роботі
полосового фільтру, адже зміняться параметри низькочастотної складової.
Рисунок 2.17 - Вплив R1
та С1 на АЧХ схеми
Можу сказати, що мої сподівання не
виправдалися й параметри схеми лише погіршилися, тобто знизився коефіцієнт підсилення
та зменшилася значно добротність.
Рисунок 2.18 - Вплив R1
та С1 на ФЧХ схеми
Зменшення эмності й опору призводить
до більш пологого нахилу ФЧХ, а їх збільшення - до зміни її направлення.
Розрахую параметри:
Для R1=62кОм, С1=1нФ.
а) Резонансна частота -
б) Коефіцієнт підсилення -
в) Ширина смуги пропускання: Визначу
ширину смуги на висоті:
Використовуючи графік, отримаю:
г) Добротність -
Для R1=52кОм, С1=0,5нФ.
а) Резонансна частота -
б) Коефіцієнт підсилення -
в) Ширина смуги пропускання: Визначу
ширину смуги на висоті:
Використовуючи графік, отримаю:
г) Добротність -
Для R1=72кОм, С1=1,5нФ.
а) Резонансна частота -
б) Коефіцієнт підсилення -
в) Ширина смуги пропускання: Визначу
ширину смуги на висоті:
Використовуючи графік, отримаю:
г) Добротність -
Згідно розрахунків та попередніх
тверджень, можу сказати, що мої спроби покращити параметри роботи схеми не
вдалися, лише зміною R4 та R2
вдалося досягти певних покращень, але обґрунтувавши все, можу сказати, що
значно кращі параметри схема має при стандартних значеннях елементів, котрі
задані в завданні, при таких номінальних значеннях найбільш якісно реалізує
себе, високо добротний фільтр з високим коефіцієнтом підсилення по напрузі.
Висновок:
частота сигнал напруга
Під час виконання даної курсової
роботи були закріплені знання з курсу Моделювання, можу сказати, що в
моделюванні даної схеми допомогло певне знання фільтрів, адже перед цим був
виконаний курсовий проект по Аналоговій схемотехніці, і в завданні проекту
також був полосовий фільтр, але він складався з 1 операційного підсилювача, але
якщо проаналізувати схему, то можу сказати, що вона подібна.
Під час моделювання я дослідив
параметри схеми й можу сказати, що вона достатньо високодобротна та має високий
коефіцієнт підсилення по напрузі. Зміна ж параметрів, не привела до бажаних
результатів, тобто покращення параметрів фільтру не відбулося, лише їх
погіршення. Фільтр ставав низькодобротним. Лише попарна зміна резисторів
зворотнього зв’язку призвела до покращення параметрів добротності та коефіцієнта
підсилення, зокрема - збільшення їх номіналів. Згідно з цим можу сказати, що
найбільш вдалим вважаю використання схеми при стандартних значеннях параметрів
елементів, заданих умовою. Думаю, що треба дуже критично відноситись до підбору
номіналів елементів при проектуванні даного виду фільтру.
Загалом же були побудовані АЧХ та
ФЧХ схеми при різноманітних режимах, висновки та думки були висловлені по ходу
виконання. Також коден раз думки підтверджувались розрахунками. Особливою
складністю можу відзначити третє завдання з уністорними графами.
Загалом можу сказати, що робота була
доволі цікавою.
Список літератури:
1. Методичні
вказівки до виконання курсової роботи для студентів денної форми навчання за
напрямком підготовки 0908 «Електроніка»: «Моделювання електронних схем».
3. А.
В. Нефедов, А. М. Савченко, Ю. Ф. Феоктистатов. Зарубежные интегральные
микросхемы для промышленной электронной аппаратуры и из анлоги. Москва,
Энергоатомиздат, 1989 - 288 с.
4. Переверзєв
А. В., Тімовський А. К., Василенко О. В. Моделювання елементів силової
електроніки. Запоріжжя, видавництво ЗДІА, 1998- 117 с.- ISBN
966-7101-17-7.
. Разевиг
В.Д. Применение программ PCCAD
и PСpise
для схемотехнического моделирования на ПЄВМ. Віпуски 1-4.-М.: СК Пресс,1996 -
276с.
6. Конспект
лекцій з курсу: «Моделювання електронних схем».