Связной передатчик 156 МГц, 10Вт, G2B, F1D
КАМЧАТСКИЙ
ГОСУДАРСТВЕННЫЙ ТЕХНИЧЕСКИЙ УНИВЕРСИТЕТ
ЗАОЧНЫЙ
ФАКУЛЬТЕТ
КАФЕДРА
РАДИООБОРУДОВАНИЯ СУДОВ
Курсовой
проект по дисциплине
«ФОРМИРОВАНИЕ
И ПЕРЕДАЧА СИГНАЛОВ»
Связной
передатчик 156 МГц,10Вт, G2B, F1D
Выполнил:
Студент гр. 06 Рос
Безумов А.В.
Петропавловск-Камчатский
2013 г.
Содержание
Техническое задание
Введение
. Обоснование структурной схемы
.1 Расчет структурной схемы и выбор
транзисторов
. Обоснование принципиальной
электрической схемы
.1 Расчет оконечного каскада УМ
.2 Расчет выходной колебательной
системы
.3 Расчет задающего генератора.
.4 Расчет модулятора G2B
. Выбор источника вторичного
электропитания.
Заключение
Список использованной литературы
Техническое
задание
Параметры передатчика:
1. Мощность: 10 Вт
.
. Диапазон рабочих частот:
156МГц.
. Ширина спектра частот: 0,5
кГц.
. Шаг установки частоты: 25
кГц.
. Вид модуляции: F1B, G2B.
. Мощность побочных
излучений: не более 10 мВт.
. Сопротивление нагрузки: 50
Ом
. Относительная
нестабильность несущей частоты: не более
.
Введение
Радио- это результат работ и открытий ряда
учёных и инженеров, изучающих природу электромагнитных процессов. В конце
девятнадцатого века Генрих Герц, пользуясь работами Максвелла, показал
возможность излучения электромагнитной энергии проводом, по которому протекает
переменный ток высокой частоты. Используя искровой разряд, Герц получил волны
порядка 7 метров.
Великий русский физик А.С. Попов 7 мая 1895 г.
Впервые в мире продемонстрировал работу радиоприёмника, а годом позже и работу
первой радиолинии на волне около 15 м. При этом использовался искровой
радиопередатчик.
После него были изобретены дуговой, затем
ламповый и, наконец, транзисторный. В настоящее время последние получили
наиболее широкое распространение.
Одним из примеров такой аппаратуры является
выбранное в данном курсовом проекте радиопередающее устройство, а именно
носимого передатчика для работы на частоте 156 МГц, имеющий выходную мощность
10 Вт.
1.
Обоснование структурной схемы
Кварцевый автогенератор.
В качестве устройства формирования частоты мною
выбран кварцевый автогенератор, который формирует частоту 13,04 МГц.
С выхода автогенератора сигнал поступает на
трехкаскадный умножитель частоты, первые из которых увеличивают частоту в 2
раза, а третий - в три раза.
Частотный и фазовый модуляторы.
Частотный модулятор предназначен для
модулирования несущего сигнала в соответствии с передаваемым сообщением.
УПУ. Узкополосный
усилитель предназначен для усиления высокочастотного сигнала, поступающего с
умножителя частоты.
Усилитель мощности (УМ).
УМ предназначен для усиления мощности сигнала
задающего генератора до необходимого уровня и передачи сигнала в выходную
колебательную систему.
1.1
Расчет структурной схемы и выбор транзисторов
Согласно техническому заданию передатчик должен
иметь выходную мощность 10 Вт и рабочую частоту 156 МГц. По этим требованиям
мне подходит транзистор КТ934Б, имеющий выходную мощность 12 Вт и граничную
частоту 400 МГц. Мощность транзистора для предоконечного каскада рассчитывается
по формуле:
, где
- мощность транзистора оконечного
каскада
- мощность транзистора предоконечного
каскада
- коэффициент усиления транзистора
оконечного каскада
=
(Вт)
По данному требованию подходит транзистор
2Т904А, имеющий выходную мощность 3 Вт и диапазон рабочих частот 100 - 400 МГц.
Мощность транзистора для каскада
предварительного усиления рассчитывается по формуле:
(Вт)
В соответствии с полученными данными, мне
подходит транзистор 2Т913 А, имеющий выходную мощность 1,5 Вт и диапазон
рабочих частот 100 - 400 МГц.
Для увеличения стабильности частоты транзистор
для задающего генератора должен иметь мощность не выше 100 мВт. По этим
требованиям подходит транзистор КТ348А, имеющий максимальную мощность 60 мВт и
граничную частоту 120 МГц.
2.
Обоснование принципиальной электрической схемы
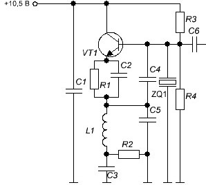
Задающий генератор. Задающий
генератор передатчика представляет собой кварцевый генератор, активная часть
которого выполнена на транзисторе 2Т348А, работающем на механической гармонике
кварца. Генератор собран по схеме емкостной трехточки с общим коллектором.
Колебательный контур образован конденсаторами
, кварцевым резонатором
и
индуктивностью
. Цепочка
-
корректирующая цепочка;
-
сопротивление автосмещения,
- блокировочные емкости. Емкость
обеспечивает
оптимальное сопротивление нагрузки на выходных электродах транзистора и
препятствует прохождению в нагрузку постоянного тока источника питания.
Фиксированное смещение осуществляется путем подачи на базу транзистора части
напряжения
через
резистивный делитель
.
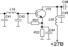
Оконечный каскад усилителя мощности.
Оконечный каскад выполнен на
транзисторе 2Т934Б, который работает в режиме класса «В». Для согласования
выходного сопротивления каскада предварительного усиления и входного
сопротивления транзистора VT5 служит согласующая цепочка, выполненная на элементах
.
Конденсатор
является
разделительным. Индуктивность
и конденсатор
служат для
блокировки высокочастотного сигнала по цепи питания.
2.1
Расчёт оконечного каскада носимого передатчика
Справочные данные транзистора :
(МГц)
(МГц)
(Вт)
(пФ)
(пФ)
50
(нГн)
(нГн)
(нГн)
(А)
(пс)
(В)
Транзистор КТ934Б
Коэффициенты Берга:

(А)
Граничные частоты:

(ГГц)

(МГц)

(МГц)
Расчёт режима транзистора.
1) Амплитуда первой гармоники коллекторного
напряжения:

(В)
2) Амплитуда первой гармоники коллекторного
тока:

(А)
3) Постоянная составляющая коллекторного тока:
(А)
4) Мощность первой гармоники:

(Вт)
5) Мощность, потребляемая от источника питания:

(Вт)
6) Рассеиваемая мощность:

(Вт)
Проверка: Ррас.<Рдоп. т.е. 6,9
< 15 Вт
7) Электронный КПД:
8) Величина управляющего заряда:

(Кл)
9) Величина допустимого напряжения эмиттера:

(В)
Проверка: |
<
=> | 3,8|
< 4 (В)
10) Величина постоянной составляющей
управляющего напряжения:


(В)
11) Сопротивление коллекторной цепи:

(Ом)
12) Коэффициент пропорциональности входной
емкости:

13) Амплитуда первой гармоники суммарного тока
базы:

(А)
14) Сопротивление корректирующего резистора:

( Ом )
15) Мощность, рассеиваемая на корректирующем
резисторе:

(Вт)
16) Активное сопротивление входной цепи:

( Ом )
17) Мощность, рассеиваемая входной цепью:

(Вт)
18) Суммарная мощность, рассеиваемая входной
цепью:

(Вт)
19) Коэффициент усиления по мощности:

20) Индуктивность входной цепи:

(нГн)
21) Емкость входной цепи:

(пФ)
22) Сопротивление базового делителя:

(Ом)
2.2
Расчет выходной колебательной системы
Расчет Г-образного звена:
1)
(Ом)
)
(Ом)
)
)
)
(нГн)
)
(пФ)
Значения параметров элементов ВКС:
(пФ)
(нГн)
(пФ)
(пФ)
Расчет П - образного
четырехполюсника.
Так как П-образный фильтр собран из
двух Г-образных цепочек, то индуктивность контура
(нГн)
а)
где:
угловая частота второй гармоники
несущей частоты радиопередатчика.
б)
в)
;
Для данной схемы фильтра мера
передачи
Коэффициент затухания второй
гармоники:
Так как выходная колебательная
система состоит из двух П-образных звеньев, коэффициент затухания второй
гармоники:
При максимальной мощности излучения
радиопередающего устройства
Вт, величина побочного излучения
составляет не более
(мВт)
Таким образом, в результате проведенного расчета
видно, что мощность побочных излучений не превышает заданную.
2.3
Расчёт задающего генератора
Справочные данные:
(МГц)
(пФ)
(пФ)
(пс)
(В)
(В)
(мА)
(мВт)
(мА/В)
0(В)
(МГц)
Транзистор КТ348А
Граничные частоты:

(МГц)
300 +10 = 310 (МГц)
)Активная часть коллекторной
емкости:

3 (пФ)
)Сопротивление потерь в базе:

133,3 (Ом)
Расчет корректирующей цепочки:
1) 
(Ом)
)Сопротивление корректирующего
резистора:

(Ом)
)
(пФ)
) 
(Ом)
)Крутизна переходной характеристики:

(А/В)
Расчет электрического режима:

(мА)

(В)
Основные параметры генератора:
) Амплитуда первой гармоники
коллекторного тока:

(В)
) Постоянная составляющая
коллекторного тока:

(мА)
) Амплитуда первой гармоники
напряжения на базе транзистора:

(В)
) Амплитуда первой гармоники
коллекторного напряжения:

(В)
) Сопротивление коллекторной цепи:

(Ом)
) Мощность первой гармоники:

(мВт)
) Потребляемая мощность:

(мВт)
) Рассеиваемая мощность:
44,4 - 10 = 30,4 (мВт)
Проверка:
150 (мВт)
) Электронный КПД:

%
) Напряжение смещения:

(В)
[
) Напряженность режима:

) Напряженность граничного режима:

Проверка:
0,05
Расчет резонатора.
Выбрал L=1,5 мкГн и


(Ом)
2) Суммарная емкость контура:

(пФ)
3) Резонансное сопротивление контура:

(кОм)
4) Коэффициент включения контура в выходную цепь
транзистора:

5) Эквивалентная емкость связи с нагрузкой:

(пФ)
6) 
(пФ)
Расчет емкостей
и
.

(МГц)

(Ом)
) Добротность нагруженного контура:


(пФ)
) Эквивалентная емкость:

(пФ)
) 
(пФ)
Расчет цепи питания.
1) 
(Ом)
Выбрал
(Ом), тогда
(мкФ)
) 
(В)
Расчет цепи смещения.
1) 
(В)
) 
(кОм)
)

(Ом)
) 
(кОм)
) 
(кОм)
6) 
(пФ)
2.4
Расчет модулятора G2B
Данные для расчета:
1) Несущая частота:
(МГц)
) Относительная девиация
частоты: 
) Коэффициент гармоник:
%
Из расчета генератора известны его параметры:
(В)
(В)
(В)
(пФ)
(пФ)
(пФ)
Выбрал варикап КВ 104 Е, емкость
которого
100 ( пФ )
при
4 ( В ) и
добротность Q = 100 . Предельные параметры варикапа:
(В)
(мВт)
Степень нелинейности вольт-фарадной
характеристики v = 0,5
Чтобы смещение на варикап можно было
подавать от источника коллекторного питания транзистора
10,5 (В),
выбираем постоянное смещение на варикапе, близкое к этой величине. Пусть
11 (В),
тогда:
1) 
(В)
2) 
) Коэффициент вклада варикапа в суммарную
емкость контура:

) Коэффициент включения варикапа в
контур:

) Амплитуда высокочастотных
колебаний:

(В)
) 
(пФ)
) Амплитуда модулирующих колебаний:

( В)
) 
(пФ)
3.
Выбор источника вторичного питания
Потребляемый ток разработанного передатчика
складывается из токов, потребляемых каскадами усилителя мощности.
(А)
Из полученных результатов расчета видно, что для
разработанного передатчика необходим блок питания с током нагрузки 1 А.
каскад сигнал частота радиопередатчик
Заключение
В результате проделанной работы был
спроектирован радиопередатчик для системы ЦИВ, работающий на частоте 156МГц с
выходной мощностью 10 Вт.
Мною были изучены основные принципы построения и
методы расчёта основных каскадов радиопередающего устройства.
На основе данных из учебников я спроектировала
структурную схему радиопередатчика.
По структурной схеме была разработана
принципиальная электрическая схема радиопередатчика.
Выполнено построение и расчёт основных каскадов
спроектированного радиопередающего устройства. Для каждого каскада были выбраны
транзисторы.
Для радиопередатчика были
произведенные следующие расчеты: расчет необходимого числа каскадов усилителя,
расчет оконечного каскада носимогопередатчика, расчет выходной колебательной
системы, расчет задающего генератора и фазового модулятора.
Для оконечного каскада
усилителя мощности была разработана печатная плата оконечного каскада усилителя
мощности.
Был выбран источник вторичного
электропитания с требуемым током нагрузки 1 А.
Вследствие этого, можно сделать
следующий вывод, что передатчик полностью соответствует условиям технического
задания.
. “ Радиопередающие устройства на
полупроводниковых приборах “ Петров Б.Е. , Романюк В.А.
. “ Полупроводниковые приборы:
транзисторы “ справочник под общей редакцией Горюнова Н.Н., Москва,
Энергоиздат, 1982 г.
. “ Проектирование радиопередатчиков
” под редакцией В.В. Шахгильдяна, Москва, “ Радио и связь “, 2000.
. «Судовая радиосвязь» Справочник по
организации и радиооборудованию ГМССБ БакееВ Д.А., Дуров А.А., Канн В.С.,
Резников В.Ю., «Судостроение», 2001 г.