Розробка цифро-аналогового перетворювача з матрицею постійного імпедансу
Зміст
Вступ
.
Загальна частина
1.1
Призначення та застосування перетворювача
.2
Класифікація цифрово-аналогових перетворювачів
.3
Опис роботи ЦАП
.
Спеціальна частина
2.1
Призначення основних блоків ЦАП з матрицею постійного імпедансу
2.2 Технічні характеристики ЦАП з матрицею
постійного імпедансу
.3 Способи ідентифікації та корекції похибок ЦАП
3.
Розрахункова частина
.
Експлуатаційна частина
.
Заходи з охорони праці
.1
Загальні вимоги до робочого місця оператора ЕОМ
.2
Техніка безпеки при роботі за ПК
Висновки
Література
Вступ
Цифро-аналоговий
перетворювач (ЦАП) призначений для перетворення числа у вигляді двійкового коду
у напругу або струм, пропорційний значенню цифрового коду, а також для
перетворення інформації з цифрової форми в аналоговий сигнал - підсумовування
струмів і напруги. Схемотехніка ЦАП дуже різноманітна. Окрім того, інтегральні
мікросхеми ЦАП мають класифікацію за такими ознаками:
по вигляду цифрового
сигналу: або з токовим виходом, або у вигляді напруги.
по типу цифрового
інтерфейсу: з послідовним введенням, або з паралельним введенням вхідного коду.
По кількості ЦАП на
кристалі: одно канальні або багатоканальні.
По швидкодії: помірної
або високої швидкодії.
ЦАП широко застосовується в різних пристроях автоматики для
зв'язку цифрових ЕОМ з аналоговими елементами і системами. Принцип роботи ЦАП
складається в підсумовуванні аналогових сигналів, пропорційних вагам розрядів
вхідного цифрового коду, з коефіцієнтами, рівними нулю або одиниці в залежності
від значення відповідного розряду коду. ЦАП перетворить цифровий двійковий код
Q4Q3Q2Q1 в аналогову величину, зазвичай напруга Uвих.. Кожен розряд двійкового
коду має певну вагу i-го розряду вдвічі більше, ніж вага(i-1)-го. Рівень і
напрямки розвитку мікроелектронних ЦАП і АЦП в значній мірі визначалися і
продовжують визначатися вимогами до технічних і експлуатаційних характеристик
радіо-електронної апаратури (РЕА), в якій вони застосовуються. Ці вимоги можуть
суттєво відрізнятися в залежності від призначення, принципу дії,
конструктивного виконання та умов експлуатації РЕА. Необхідність в прийомі,
обробці та передачі великого об'єму інформації. У реальному масштабі часу при
вирішенні завдань радіолокації, телебачення, дослідження швидко протікаючих
процесів про різних установках призвела до створення швидкодіючих і
надшвидкодіючих інтегральних мікросхем (ІС) ЦАП і АЦП. Вирішення проблем
зв'язку зажадало розробки багатоканальних перетворювальних. Прецизійні
вимірювання, сейсморозвідка, створення автоматизованих систем управління
верстатами, унікального технічного та випробувального обладнання, апаратури
високоякісної звукозапису та звуковідтворення, багатьох медичних приладів було
б неможливо без виконання ІС ЦАП і АЦП з високою роздільною здатністю. Жорсткі
вимоги по енергоспоживанню і габаритними показниками, які пред'являються до
бортової РЕА, задовольняються за рахунок застосування мікро потужних і
функціонально закінчених перетворювачів, які не потребують для своєї роботи
додаткових зовнішніх дискретних елементів в ІС. Для народного господарства
бажано мати номенклатуру дешевих перетворювачів, що не володіють рекордними
значеннями електричних параметрів і експлуатаційних характеристик. Мікросхеми
ЦАП і АЦП, стійкі до впливу різних зовнішніх факторів, знаходять застосування в
РЕА спеціального призначення. За останні десятиліття у світі створено понад
сотні типів ІС ЦАП і АЦП, що відрізняються за функціональним складом і
призначенням, конструктивним, електричним і експлуатаційним характеристикам.
Відомо їх застосування спільно з мікропроцесорами (МП) і мікро ЕОМ у складі
пристроїв сполучення з об'єктами і інтерфейсу, а також використання в якості
самостійних функціональних елементів у вузлах і блоках РЕА. Принцип такого
перетворювача зводиться до наступного. Рахункові імпульси заповнюють лічильник,
на виході якого формується код з наростаючою вагою. Цей код надходить на ЦАП,
напруга на виході якого збільшується. Коли вона трохи перевищить напругу,
присутню в даний момент часу на вході, доступ імпульсів до лічильника
припиняється. Код, що встановився при цьому на виходах лічильника, є цифровим
еквівалентом напруги на виході ЦАП, а отже, і напруги вибірки вхідного напруги
Uвх. Тому тема мого курсового проекту є розробка ЦАП з матрицею
постійного імпедансу.
1. Загальна частина
.1 Призначення та застосування перетворювача
ЦАП (цифро-аналоговий перетворювач) (англ. DAC) - пристрій
для перетворення цифрового (як правило двійкового) сигналу на аналоговий.
Пристрій, що виконує зворотну дію називається аналогово-цифровим перетворювачем
(АЦП). Електричний імпеданс (комплексний опір, повний опір) комплексний опір
двухполюсника для гармонічного сигналу. Останні десятиліття обумовлені широким
впровадженням у галузі народного господарства засобів мікроелектроніки та
обчислювальної техніки, обмін інформацією з якими забезпечується лінійними
аналоговими і цифровими перетворювачами (АЦП і ЦАП). Сучасний етап
характеризується великих і надвеликих інтегральних схем ЦАП і АЦП володіють
високими експлуатаційними параметрами: швидкодією, малими похибками,
багаторозрядністю. Включення БІС ЦАП і АЦП єдиним, функціонально закінченим
блоком сильно спростило впровадження їх у прилади та установки, що
використовуються як в наукових дослідженнях, так і в промисловості і дало
можливість швидкого обміну інформацією між аналоговими і цифровими пристроями.
Схеми застосування цифро-аналогових перетворювачів відносяться не тільки до
області перетворення код - аналог. Користуючись їхніми властивостями можна
визначати добутки двох або більше сигналів, будувати дільники функцій, аналогові
ланки, керовані від мікроконтролерів, такі як атенюатори, інтегратори. Важливою
областю застосування ЦАП є також генератори сигналів, у тому числі сигналів
довільної форми. Нижче розглянуті деякі схеми обробки сигналів, що включають
ЦА-перетворювачі. Більшість схем паралельних ЦАП засновано на підсумовуванні
струмів, сила кожного з яких пропорційна вазі цифрового двійкового розряду,
причому повинні сумуватися тільки струми розрядів, значення яких рівні 1.
.2 Класифікація цифрово-аналогових перетворювачів
В основу класифікації покладена ознака що вказує на те як у
часі розгортається процес перетворення аналогової величини у цифрову. Операції
квантування та кодування можуть здійснюватись за допомогою або послідовної, або
паралельної, процедур наближення цифрового еквівалента до перетворюваної
величини.
5
Рисунок.1.1 - Види ЦАП
Нехай, наприклад, потрібно перетворити двійковий
четирьохрозрядний код в аналоговий сигнал струму. У четвертого, старшого
значущого розряду (СЗР) вага буде дорівнює 23=8, у третього розряду
- 22=4, у другого - 21=2 та в молодшого (МЗР) - 20=1.
Якщо вага МЗР IМЗР=1 ма, то IСЗР=8 ма, а
максимальний вихідний струм перетворювача Iвих.макс=15 ма та
відповідає коду 11112. Зрозуміло, що коду 10012, наприклад,
буде відповідати Iвих=9 ма та т.д. Отже, потрібно побудувати
схему, що забезпечує генерацію та комутацію за заданими законами точних вагових
струмів. Опори резисторів вибирають так, щоб при замкнутих ключах через них
протікав струм, що відповідає фазі розряду. Ключ повинен бути замкнутим тоді,
коли відповідний йому біт вхідного слова дорівнює одиниці. При високій
розрядності ЦАП струмозадаючі резистори повинні бути погоджені з високою
точністю.
Найжорсткіші вимоги щодо точності пред'являються до резисторів
старших розрядів, оскільки розкид струмів у них не повинен перевищувати струму
молодшого розряду. Розглянута схема при всій її простоті має цілий букет
недоліків. По-перше, при різних вхідних кодах струм, споживаний від джерела
опорної напруги (ДОН), буде різним, а це вплине на величину вихідної напруги
ДОН. По-друге, значення опорів вагових резисторів можуть розрізнятися в тисячі
разів, а це робить дуже скрутною реалізацію цих резисторів у напівпровідникових
ІМС. Крім того, опір резисторів старших розрядів у багаторозрядних ЦАП може
бути співрозмірним з опором замкнутого ключа, а це приведе до похибки
перетворення. По-третє, у цій схемі до розімкнутих ключів прикладається значна
напруга, що ускладнює їх побудову. Ці недоліки усунуті в схемі ЦАП AD7520
(вітчизняний аналог 572ПА1), що розроблена фірмою Analog Devices у 1973 році і
яка в даний час є, власне кажучи, промисловим стандартом (по ній виконані
багато серійних моделей ЦАП). Зазначена схема наведена на рис. 4. Як ключі тут
використовуються МДН-транзистори.У цій схемі задавання вагових коефіцієнтів
ступеней перетворювача здійснюють за рахунок послідовного розподілу опорної
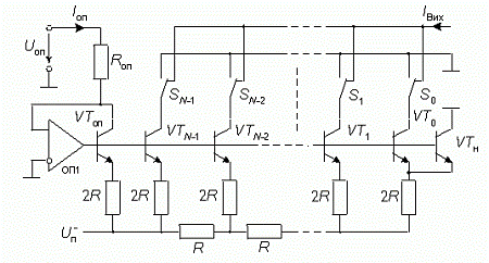
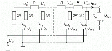
напруги за допомогою резистивної матриці постійного імпедансу.
Рисунок.1.2 - Схема ЦАП з перемикачами та матрицею постійного
імпедансу
Основний елемент такої матриці являє собою дільник напруги
(рис. 1.3), який повинен задовольняти наступній умові: якщо він навантажений на
опір Rн, то його вхідний опір Rвх також
повинен приймати значення Rн.
Коефіцієнт ослаблення кола =U2/U1
при цьому навантаженні повинен мати задане значення. При виконанні цих умов
одержуємо наступні вирази для опорів:
(1.1)
(1.2)
При двійковому кодуванні =0,5. Якщо покласти Rн=2R,
тоRs=R то:
p=2R, (1.3)
відповідно до рис.1.2. Оскільки в будь-якім положенні
перемикачів Sk вони з'єднують нижні виводи резисторів із
загальною шиною схеми, джерело опорної напруги навантажене на постійний вхідний
опір Rвх=R. Це гарантує незмінність опорної напруги
при будь-якому вхідному коді ЦАП.Оскільки нижні виводи резисторів 2R
матриці при будь-якому положенні перемикачів Sk з'єднані з
загальною шиною схеми через низький опір замкнутих ключів, напруги на ключах
завжди невеликі, у межах декількох мілівольтів. Це спрощує побудову ключів та
схем керування ними та дозволяє використовувати опорну напругу із широкого діапазону,
у тому числі і різної полярності. Оскільки вихідний струм ЦАП залежить від Uоп
лінійно, перетворювачі такого типу можна використовувати для множення
аналогового сигналу (подаючи його на вхід опорної напруги) на цифровий код.
Такі ЦАП називають перемножуючими (MDAC). Точність цієї схеми знижує та
обставина, що для ЦАП, які мають високу розрядність, необхідно погоджувати
опори R0 ключів з розрядними струмами. Особливо це важливо
для ключів старших розрядів. Наприклад, у 10-розрядному ЦАП AD7520 ключові
МДН-транзистори шести старших розрядів зроблені різними по площі та їхній опір R0
наростає відповідно до двійкового коду (20, 40, 80,...,640 Ом). Таким способом
зрівнюються (до 10 мв) спадання напруги на ключах перших шести розрядів, що
забезпечує монотонність та лінійність
перехідної характеристики ЦАП. 12-розрядний ЦАП 572ПА2 має
диференційну нелінійність до 0,025% (1 МЗР).ЦАП на МДН ключах мають відносно
низьку швидкодію через велику вхідну ємність МДН-ключів. Той ж 572ПА2 має час
установлення вихідного струму при зміні вхідного коду від 000...0 до 111...1,
рівний 15 мкс.. 12-розрядний DAC7611 фірми Burr-Braun має час установлення
вихідної напруги 10 мкс.. У той же час ЦАП на МДН-ключах мають мінімальну
потужність споживання. Той ж DAC7611 споживає всього 2,5 мвт. Останнім часом
з'явилися моделі ЦАП розглянутого вище типу з більш високою швидкодією. Так
12-розрядний AD7943 має час встановлення струму 0,6 мкс.та споживану потужність
усього 25 мкВт. Мале власне споживання дозволяє живити такі мікропотужні ЦАП
прямо від джерела опорної напруги. При цьому вони можуть навіть не мати виводу
для підключення ДОН, наприклад, AD5321.ЦАП на джерелах струму мають більш
високу точність. На відміну від попереднього варіанта, у якому вагові струми
формуються резисторами порівняно невеликого опору та, як наслідок, залежать від
опору ключів та навантаження, у даному випадку вагові струми забезпечуються
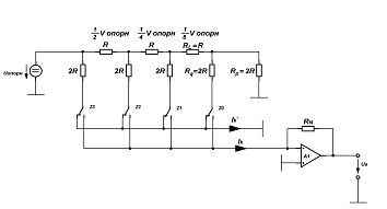
транзисторними джерелами струму, які мають високий динамічний опір. Спрощена
схема ЦАП на джерелах струму наведена на рис. 1.3.Вагові струми формуються за
допомогою резистивної матриці. Потенціали баз транзисторів однакові, а щоб були
рівні та потенціали емітерів усіх транзисторів, площі їхніх емітерів роблять
різними відповідно до вагових коефіцієнтів. Правий резистор матриці підключений
не до загальної шини, як на схемі рис. 4, а до двох паралельно увімкнених
однакових транзисторів VT0 та VTн, у
результаті чого струм через VT0 дорівнює половині струму
через VT1.
Вхідна напруга для резистивної матриці створюється за
допомогою опорного транзистора VTоп та операційного
підсилювача ОП1, вихідна напруга якого встановлюється такою, щоб колекторний
струм транзистора VTоп приймав значення Iоп.Вихідний
струм для N-розрядного ЦАП. Характерними прикладами ЦАП на перемикачах
струму з біполярними транзисторами в якості ключів є 12-розрядний 594ПА1 з
часом встановлення 3,5 мкс. та похибкою лінійності не більш 0,012% та
12-розрядний AD565, що має час встановлення 0,2 мкс. при такій ж похибці
лінійності.
Рисунок. 1.3 - Схема ЦАП на джерелах струму
(1.4)
Рисунок. 1.4- Схема перемикача струму на диференційних
підсилювачах
Ще більш високою швидкодією володіє AD668, який має час встановлення
90 нс та ту ж похибку лінійності. З нових розробок можна відзначити
14-розрядний AD9764 з часом встановлення 35 нс та похибкою лінійності не більш
0,01%.Як перемикачі струму Sk часто використовуються
біполярні диференційні каскади, у яких транзистори працюють в активному
режимі. Це дозволяє скоротити час встановлення до одиниць наносекунд. Схема
перемикача струму на диференційних підсилювачах наведена на рис.
1.4.Диференційні каскади VT1-VT3 та VT' 1-VT' 3
утворені зі стандартних ЕЗЛ вентилів. Струм Ik, що протікає
через вивід колектора вихідного емітерного повторювача є вихідним струмом
комірки. Якщо на цифровий вхід Dk подається напруга високого
рівня, то транзистор VT3 відкривається, а транзистор VT' 3
закривається.
Точність значно підвищується, якщо резистор Rе
замінити джерелом постійного струму, як у схемі на рис. 6. Завдяки симетрії
схеми існує можливість формування двох вихідних струмів - прямого та
інверсного. Найбільш швидкодіючі моделі подібних ЦАП мають вхідні ЭЗЛ-рівні.
Прикладом може служити 12-ти розрядний МАХ555, що має час встановлення 4 нс до
рівня 0,1%. Оскільки вихідні сигнали таких ЦАП захоплюють радіочастотний
діапазон, вони мають вихідний опір 50 чи 75 ом, яке повинне бути узгоджений із
хвильовим опором кабелю, що підключається до виходу перетворювача. Існує кілька
способів формування вихідної напруги для ЦАП з підсумовуванням вагових струмів.
Два з них показані на рисунку.1.5. На рис. 1.5,а наведена схема з
перетворювачем струму в напругу на операційному підсилювачі (ОП). Ця схема
придатна для всіх ЦАП зі струмовим виходом. Оскільки плівкові резистори, що
визначають вагові струми ЦАП мають значний температурний коефіцієнт опору,
резистор зворотного зв'язку Rос варто виготовляти на кристалі
ЦАП та в тому ж технологічному процесі, що переважно і робиться. Це дозволяє
знизити температурну нестабільність перетворювача в 300...400разів.Більшість
моделей ЦАП має значну вихідну ємність. Наприклад, у AD7520 з МДН-ключами в
залежності від вхідного коду Свих складає величину 30...120
пф, у AD565А з джерелами струму Свих=25 пф. Ця ємність разом
з вихідним опором ЦАП та резистором Rос створює додатковий
полюс частотної характеристики петлі зворотного зв'язку ОП, який може викликати
нестійкість у виді самозбудження.
Рис. 1.5 - Формування напруги за струмовим виходом ЦАП
Особливо це небезпечно для ЦАП з МДН-ключами при нульовому
вхідному коді. При Rос=10 кОм частота другого полюса складе
близько 100 кГц при 100%-ний глибині зворотного зв'язку. У такому випадку
підсилювач, частота одиничного підсилення якого fт перевищує
500 кГц, буде мати явно недостатні запаси стійкості. Для збереження стійкості
можна увімкнути паралельно резисторові RосконденсаторСк,
ємність якого в першому наближенні можна взяти рівною Свих.
Для більш точного вибору Ск необхідно провести повний аналіз
стійкості схеми з урахуванням властивостей конкретного ОП. Ці заходи настільки
серйозно погіршують швидкодію схеми, що виникає парадоксальна ситуація: для
підтримки високої швидкодії навіть недорогого ЦАП може знадобитися відносно
дорогий швидкодіючий (з малим часом установлення) ОП.Ранні моделі ЦАП з МДН
ключами (AD7520, 572ПА1 та ін.) допускають негативну напругу на ключах не понад
0,7 В, тому для захисту ключів між виходами ЦАП варто включати діод Шоткі, як
це показано на рис. 8а.Для цифро-аналогового перетворювача на джерелах струму
перетворення вихідного струму в напругу може бути зроблене за допомогою
резистора (рис.1.5 б). У цій схемі неможливе самозбудження та збережена
швидкодія, однак амплітуда вихідної напруги повинна бути невеликою (наприклад,
для AD565А в біполярному режимі в межах ± 1 В). У противному випадку
транзистори джерел струму можуть вийти з лінійного режиму. Такий режим
забезпечується при низьких значеннях опору навантаження: Rн 1
кОм. Для збільшення амплітуди вихідного сигналу ЦАП у цій схемі до її виходу
можна підключити неінвертуючий підсилювач на базі ОП.Для ЦАП з МДН-ключами, щоб
отримати вихідний сигнал у виді напруги, можна використовувати інверсне
увімкнення резистивної матриці (рис. 1.6).Для розрахунку вихідної напруги
знайдемо зв'язок між напругою Ui на ключі Si
та вузловою напругою U'i.Скористаємося принципом
суперпозиції.Будемо вважати рівними нулю всі напруги на ключах, крім
розглянутої напруги Ui. При Rн=2R до
кожного вузла підключені праворуч та ліворуч навантаження опором 2R.
Скориставшись методом двох вузлів, отримаємо.
Рисунок. 1.6 - Інверсне увімкнення ЦАП з МДН-ключами
Будемо вважати рівними нулю всі напруги на ключах, крім
розглянутої напруги Ui. При Rн=2R до
кожного вузла підключені праворуч та ліворуч навантаження опором 2R.
Скориставшись методом двох вузлів, отримаємо:
, (1.5)
Вихідну напругу ЦАП знайдемо як загальну напругу на крайньому
правому вузлі, що викликана сумарною дією всіх Ui. При цьому
напруги вузлів сумуються з вагами, які відповідають коефіцієнтам розподілу
резистивної матриці R-2R.Для визначення вихідної напруги при
довільному навантаженні скористаємося теоремою про еквівалентний генератор. З
еквівалентної схеми ЦАП на рис. 1.7. Недоліками цієї схеми є: велике падіння
напруги на ключах, зміннне навантаження джерела опорної напруги та значний
вихідний опір. Внаслідок першого недоліку за цією схемою не можна вмикати ЦАП
типу 572ПА1 чи 572ПА2, але можна 572ПА6 та 572ПА7.
Рисунок. 1.7 -Еквівалентний генератор ЦАП
(1.6)
Через другий недолік джерело опорної напруги повинне володіти
низьким вихідним опором, у противному випадку можлива не монотонність
характеристики перетворення. Проте, інверсне увімкнення резистивної матриці
досить широко застосовується в ІМС ЦАП з виходом у виді напруги, наприклад, у
12-ти розрядному МАХ531, що містить також убудований ОП у неінвертуючому
увімкненні, в якості буфера, чи в 16-ти розрядному МАХ542 без убудованого
буфера. 12-ти розрядний ЦАП AD7390 побудований на інверсній матриці з буферним
підсилювачем на кристалі та споживає всього 0,3 мВт потужності. Правда його час
встановлення досягає 70 мкс. Основою ЦАП цього типу є матриця конденсаторів,
ємності яких співвідносяться як цілі степені двох. Схема простого варіанта
такого перетворювача наведена на рис. 11. Цикл перетворення складається з двох
фаз. У першій фазі ключі S0...SN-1
знаходяться в лівій позиції. Ключ скидання Sс замкнутий. При
цьому всі конденсатори розряджені. В другій фазі ключ скидання Sс
розмикається. Якщо k-й біт вхідного N-розрядного слова dk=1,
то відповідний ключ Sk переключається в праву позицію,
підключаючи нижню обкладку конденсатора до джерела опорної напруги, чи
залишається в лівій позиції, якщо dk=0. Рівний заряд одержує
і конденсатор С у зворотному зв'язку ОП.
Рисунок. 1.7 - Паралельний ЦАП на конденсаторах, що
комутуються,
(1.7)
Для збереження результату перетворення (постійної напруги) на
протязі довільного тривалого часу до виходу ЦАП цього типу варто підключити
пристрій вибірки-зберігання. Зберігати вихідну напругу необмежений час, як це
можуть робити ЦАП з підсумовуванням вагових струмів, з вмонтованим
регістром-засувкою, перетворювачі на конденсаторах, що комутуються, не можуть
через витік заряду. Тому вони застосовуються, в основному, у складі
аналого-цифрових перетворювачів. Іншим недоліком є велика площа кристалу ІМС,
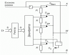
що займається подібною схемою. Схема восьмирозрядного перетворювача з
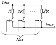
підсумовуванням напруг, що виготовляється у виді ІМС, наведена на рис. 1.8.
Основу перетворювача складає коло з 256 резисторів рівного опору, з'єднаних
послідовно. Вивід W через ключі S0...S255
може підключатися до будь-якої точки цього кола в залежності від вхідного
числа. Вхідний двійковий код D перетворюється дешифратором 8х256 в
унітарний позиційний код, безпосередньо керуючи ключами. Якщо прикласти напругу
UAB між виводамиА та У, то напруга між виводами
W та Bу складі UWB=UABD.
Рисунок. 1.8 - Схема восьмирозрядного перетворювача з
підсумовуванням напруг
1.3 Опис роботи ЦАП
При послідовному зростанні значень вхідного цифрового сигналу
D(t) від 0 до 2N-1 через одиницю молодшого розряду (ОМР) вихідний сигнал
Uвых(t) утворить східчасту криву. Таку залежність переважно називають
характеристикою перетворення ЦАП. Під час відсутності апаратних похибок середні
точки сходинок розташовані на ідеальній прямій 1 (рис. 22), якій відповідає
ідеальна характеристика перетворення. Реальна характеристика перетворення може
істотно відрізнятися від ідеальної розмірами та формою сходинок, а також
розташуванням в площині координат. Для кількісного опису цих відмінностей існує
цілий ряд параметрівРоздільна здатність - приріст Uвих при перетворенні
суміжних значень Dj, тобто таких, які відрізняються на ОМР. Це збільшення є
кроком квантування. Для двійкових кодів перетворення номінальне значення кроку
квантування h=Uпш/(2N-1), де Uпш - номінальна максимальна вихідна напруга ЦАП
(напруга повної шкали), N - розрядність ЦАП. Чим більша розрядність
перетворювача, тим вища його роздільна здатність. Похибка повної шкали -
відносна різниця між реальним та ідеальним значеннями межі шкали перетворення
при відсутності зсуву нуля. Є мультиплікативною складовою повної похибки. Іноді
вказується відповідним числом ОМР.Похибка зсуву нуля - значення Uвих, коли
вхідний код ЦАП дорівнює нулю. Є адитивною складовою повної похибки. Звичайно
вказується в мілівольтах чи у процентах від повної шкали:Оптимальна
характеристика знаходиться емпірично так, щоб мінімізувати значення похибки
нелінійності.
Диференційна нелінійність максимальна зміна (з урахуванням
знака) відхилення реальної характеристики перетворення Uвих(D) від оптимальної
при переході від одного значення вхідного коду до іншого суміжного значенню.
Зазвичай визначається у відносних одиницях чи у ОМР. Монотонність
характеристики перетворення - зростання (зменшення) вихідної напруги ЦАП Uвих
при зростанні (зменшенні) вхідного коду D. Якщо диференційна нелінійність
більша відносного кроку квантування h/Uпш, то характеристика перетворювача
немонотонна. Температурна нестабільність Ца-перетворювача характеризується
температурними коефіцієнтами похибки повної шкали та похибки зсуву нуля.
Похибки повної шкали та зсуву нуля можуть бути усунуті калібруванням
(підстроюванням). Похибки нелінійності простими засобами усунути неможливо.
Динамічні параметри ЦАП визначаються за зміною вихідного сигналу при
стрибкоподібній зміні вхідного коду, зазвичай від величини "усі нулі"
до "усі одиниці".Час встановлення - діапазон часу від моменту зміни
вхідного коду (на рис. 23 t=0) до моменту, коли востаннє виконується рівність:
|Uвих-Uпш|=d/2,(1.8)
Швидкість наростання - максимальна швидкість зміни Uвих(t)
під час перехідного процесу.
2. Спеціальна частина
.1 Призначення основних блоків ЦАП з матрицею постійного
імпедансу
ЦАП застосовуються для зв'язку цифрових керуючих систем з
пристроями, що управляються рівнем аналогового сигналу. Також, ЦАП є складовою
частиною в багатьох структурах аналого-цифрових пристроїв і перетворювачів. ЦАП
характеризується функцією перетворення. Вона пов'язує зміна цифрового коду зі
зміною напруги або струму. Функція перетворення ЦАП виражається наступним чином
, (2.1)
де Uвих - значення вихідної напруги, відповідне цифровому
коду Nвх, подаваемому на входи ЦАП. Uмах - максимальна вихідна напруга,
відповідне подачі на входи максимального коду Nмах.
Рисунок. 2.1 -Діаграма функції перетворення ЦАП
Величину k ЦАП, обумовлену відношенням
, називають коефіцієнтом
цифроаналогового перетворення. Незважаючи на ступінчастий вигляд характеристики,
пов'язаний з дискретним зміною вхідної величини (цифрового коду), вважається,
що ЦАП є лінійними перетворювачами. Якщо величину Nвх представити через
значення ваг його розрядів, функцію перетворення можна виразити таким чином:
(2.2)
де i - номер розряду вхідного коду Nвх; Ai - значення i-го
розряду (нуль або одиниця); Ui - вага i-го розряду; n - кількість розрядів
вхідного коду (число розрядів ЦАП). Вага розряду визначається для
конкретної розрядності, і обчислюється за наступною формулою:
(2.3)
де Uоп-опорна напругаЦАП. Принцип роботи більшості ЦАП -
це підсумовування часткою аналогових сигналів (ваги розряду), в залежності від
вхідного коду. ЦАП можна реалізувати за допомогою підсумовуванням струмів,
підсумовуванням напруг і діленням напруги. У першому і другому випадку у
відповідності зі значеннями розрядів вхідного коду, сумуються сигнали
генераторів струмів і джерел е.р.с. Останній спосіб являє собою керований кодом
дільник напруги. Два останніх способи не знайшли широкого розповсюдження в
зв'язку з практичними труднощами їх реалізації.
2.2 Технічні характеристики ЦАП з матрицею постійного
імпедансу
Способи реалізації ЦАП з виваженим підсумовуванням струмів.
Розглянемо побудову найпростішого ЦАП з виваженим підсумовуванням струмів. Цей
ЦАП складається з набору резисторів і набору ключів. Число ключів і число
резисторів дорівнює кількості розрядів n вхідного коду. Номінали резисторів
вибираються відповідно до двійковим законом. Якщо R = 3 Ом, то 2R = 6 Ом, 4R =
12 Ом, і так і далі, тобто кожний наступний резистор більше попереднього в 2
рази. При приєднанні джерела напруги і замиканні ключів, через кожен резистор
потече струм. Значення струмів по резисторам, завдяки відповідному вибору їхніх
номіналів, теж будуть розподілені по двійковим законам. При подачі вхідного
коду Nвх включення ключів проводиться у відповідності зі значенням відповідних
їм розрядів вхідного коду. Ключ замикається, якщо відповідний йому розряд дорівнює
одиниці. При цьому у вузлі підсумовуються струми, пропорційні вагам цих
розрядів і величина випливає з вузла струму в цілому буде пропорційна значенню
вхідного коду Nвх. Опір резисторів матриці вибирають досить велика (десятки
кОм). Тому для більшості практичних випадків для навантаження ЦАП грає роль
джерела струму. Якщо на виході перетворювача необхідно отримати напруга,то на
виході такого ЦАП встановлюється перетворювач "струм-напруга",
наприклад,на операційному підсилювачі (рис.2.3).
Рисунок. 2.2 -ЦАП з виваженим підсумовуванням струмів
Рисунок. 2.3 -ПеретворювачЦАП
Однак при зміні коду на входах ЦАП змінюється величина
струму, що відбирається від джерела опорної напруги. Це є головним недоліком
такого способу побудови ЦАП. Такий метод побудови можна використовувати лише в
тому випадку, якщо джерело опорної напруги буде з низьким внутрішнім опором. В
іншому випадку в момент зміни вхідного коду змінюється струм, який відбирається
у джерела, що призводить до зміни падіння напруги на його внутрішньому опорі і,
в свою чергу, до додаткового безпосередньо не пов'язаного зі зміною коду зміні
вихідного струму. У такій структурі є два вихідних вузла. В залежності від
значення розрядів вхідного коду відповідні їм ключі підключаються до вузла,
пов'язаній з виходом пристрою, або до іншого вузла, який найчастіше
заземлюється. При цьому через кожний резистор матриці струм тече постійно,
незалежно від положення ключа, а величина струму, споживаного від джерела
опорної напруги, постійна. Загальним недоліком обох розглянутих
структур є велике співвідношення між найменшим і найбільшим номіналом
резисторів матриці.
Разом з тим, не дивлячись на велику різницю номіналів
резисторів необхідно забезпечувати однакову абсолютну точність підгонки як
самого великого, так і самого маленького заноміналомрезистора.При такій
побудові резистивної матриці струм в кожній наступній паралельної гілки менше
ніж у попередній у два рази. Наявність тільки двох номіналів резисторів в
матриці дозволяє досить просто здійснювати підгонку їхзначень. Вихідний струм
для кожної з представлених структур пропорційний одночасно не тільки величиною
вхідного коду, але і величиною опорної напруги. Часто говорять, що він
пропорційний добуткові цих двох величин. Тому такі ЦАП називають множити.
Такими властивостями будуть володіти всі ЦАП, в яких формування зважених
значень струмів, відповідних вагам розрядів, проводиться за допомогою
резистивних матриць. Інтегральні технології дозволяє досить просто формувати на
кристалі резистори, наприклад, КМОП - технологія. Як і всі інші ІС, створені на
її основі, такі ЦАП, характеризуються низькою вартістю і низьким споживанням.
Недоліком даної технології-це паразитні ємності, і що з нього низька швидкодія.
Більшої швидкодії допоможе досягти біполярна технологія. Але вона не
розрахована для створення точних резисторів, Тому при використанні таких
технологій ЦАП робиться на основі транзисторних джерел струму. Залежність
вихідного струму транзисторних джерел струму від величини напруги живлення не
лінійна, тому такі ЦАП множити не є. Крім використання за прямим призначенням
умножающие ЦАП використовуються як аналого-цифрові перемножителя, в якості
кодоуправляемих опорів і провідностей. Вони широко застосовуються як складові
елементи при побудові кодоуправляемих (перебудовуваних) підсилювачів, фільтрів,
джерел опорних напруг, формувачів сигналів і т.д.Основні параметри, які можна
побачити в довіднику:
Число розрядів - кількість розрядів вхідного коду.
Коефіцієнт перетворення - відношення приросту вихідного
сигналу до збільшенню вхідного сигналу для лінійної функції перетворення.
Час встановлення вихідної напруги або струму - інтервал часу
від моменту заданого зміни коду на вході ЦАП до моменту, при якому вихідна
напруга або струм остаточно увійдуть в зону шириною молодшого значущого
розряду. Максимальна частота перетворення - найбільша частота зміни коду, при
якій задані параметри відповідають встановленим нормам сноска на рис 2.4.
.
Рис 2.4 Частота перетворення зміни коду
Існують і інші параметри, що характеризують виконання ЦАП і
особливості його функціонування. У їх числі: вхідна напруга низького і високого
рівня, струм споживання, діапазон вихідної напруги або струму. Найважливішими
параметрами для ЦАП є ті, які визначають його точнісні характеристики. Точнісні
характеристики кожного ЦАП, перш за все, визначаються нормованими за величиною
похибками. Похибки поділяються на динамічні та статичні. Статичними похибками називаються
похибки, що залишаються після завершення всіх перехідних процесів, пов'язаних
зі зміною вхідного коду. Динамічні похибки визначаються перехідними процесами
на виході ЦАП, що виникли внаслідок зміни вхідного коду. Основні типи статичних
похибок ЦАП: Абсолютна похибка перетворення в кінцевій точці шкали відхилення
значення вихідної напруги (струму) від номінального значення, відповідного
кінцевій точці шкали функції перетворення. Вимірюється в одиницях молодшого
розряду перетворення. Напруга зсуву нуля на виході напруга постійного струму на
виході ЦАП при вхідному коді, відповідному нульовому значенню вихідної напруги.
Вимірюється в одиницях молодшого розряду. Похибка коефіцієнта перетворення
(масштабна)-пов'язана з відхиленням нахилу функції перетворення від
необхідного. Нелінійність ЦАП - відхилення дійсної функції перетворення від
обумовленої прямій лінії. Є найгіршою похибкою з якою важко боротися. Похибки
нелінійності в загальному випадку поділяють на два типи - інтегральні і
диференціальні. Похибка інтегральної нелінійності - максимальне відхилення
реальної характеристики від ідеальної. Фактично при цьому розглядається
усереднена функція перетворення. Визначають цю похибку у відсотках від
кінцевого діапазону вихідної величини. Диференціальна нелінійність пов'язана з
неточністю завдання ваг розрядів, тобто з похибками елементів дільника,
розкидом залишкових параметрів ключових елементів, генераторів струмів і т.д.
.3 Способи ідентифікації та корекції похибок ЦАП
цифровий аналоговий перетворювач імпеданс
Бажано, щоб корекція похибок вироблялося при виготовленні
перетворювачів (технологічна підгонка). Однак, часто вона бажана і при
використанні конкретного зразка БІС в тому чи іншому пристрої. У цьому випадку
корекція проводиться введенням в структуру пристрою крім БІС.ЦАП додаткових
елементів. Такі методи одержали назву структурних. Найскладнішим процесом є
забезпечення лінійності, так як вони визначаються
пов'язаними параметрами багатьох елементів і вузлів.
Найчастіше здійснюють підгонку тільки зміщення нуля, коефіцієнта Точнісні
параметри, забезпечувані технологічними прийомами, погіршуються при впливі на
перетворювач різних дестабілізуючих факторів, в першу чергу - температури.
Похибка зсуву нуля і масштабна похибка легко коригуються на
виході ЦАП. Для цього у вихідний сигнал вводять постійний зсув, що компенсує
зсув характеристики перетворювача. Необхідний масштаб перетворення
встановлюють, або коректуючи коефіцієнт підсилення, встановлюваного на виході
перетворювача підсилювача, або підлаштовуючи величину опорної напруги, якщо ЦАП є
множником. Компенсаційні методи полягають у введенні в структуру перетворювача
допоміжних резистивних матриць, керованих кодом, зворотним кодом, подаваемому
на основну матрицю. Це дозволяє зменшити паразитне вплив кодозавісімих струмів,
що протікають по загальним шинам землі і харчування, стабілізує розсіюваною
потужність і тепловий режим схеми. Методи корекції з тестовим контролем
полягають в ідентифікації похибок ЦАП на всій безлічі припустимих вхідних
впливів і додаванням, розрахованих на основі цього поправок, до вхідний чи
вихідний величиною для компенсації цих похибок. При будь-якому методі корекції
з контролем по тестовому сигналі передбачаються наступні дії: - Вимірювання
характеристики ЦАП на достатньому для ідентифікації похибок безлічі тестових
впливів:
ідентифікація похибок обчисленням їх відхилень за
результатами вимірювань,обчислення коригувальних поправок для перетворюваних
величин або необхідних коригувальних впливів на коректовувані блоки.
проведення корекції. Контроль може проводитися один раз перед
установкою перетворювача в пристрій за допомогою спеціального лабораторного
вимірювального обладнання. Може проводитися і за допомогою спеціалізованого
обладнання вбудованого в пристрій. При цьому контроль, як правило, проводиться
періодично, весь той час поки
перетворювач не бере участь безпосередньо в роботі пристрою.
Така організація контролю і корекції перетворювачів може здійснюватися при його
роботі в складі мікропроцесорної вимірювальної системи.
Основний недолік будь-якого методу наскрізного контролю -
великий час контролю поряд з різнорідністю і великим обсягом використовуваної
апаратури. Певні тим чи іншим способом величини поправок зберігаються, як
правило, в цифровій формі. Корекція ж похибок з урахуванням цих поправок може
проводитися як в аналоговій, так і цифровій формі.
При цифровій корекції поправки додаються з врахуванням їх
знака до вхідного коду ЦАП. В результаті на вхід ЦАП поступає код, при якому на
його виході формується необхідне значення напруги або струму. Найбільш проста
реалізація такого способу корекції складається з корректируемого ЦАП, на вході
якого встановлено цифрове запам'ятовуючий пристрій (ЗУ).Вхідний код відіграє
роль адресного. У ЗУ за відповідними адресами занесені, заздалегідь розраховані
з урахуванням поправок, значення кодів, що подаються на коригований ЦАП.
При аналогової корекції крім основного ЦАП використовується ще один додатковий
ЦАП. Діапазон його вихідного сигналу відповідає максимальній величині похибки
корректируемого ЦАП. Вхідний код одночасно надходить на входи корректируемого
ЦАП і на адресні входи ЗУ поправок. З ЗУ поправок вибирається відповідна даному
значенню вхідного коду поправка. Код поправки перетвориться в пропорційний йому
сигнал, який підсумовується з вихідним сигналом корректируемого ЦАП. Через
малість необхідного діапазону вихідного сигналу ЦАП в порівнянні з діапазоном
вихідного сигналу корректируемого ЦАП власними похибок першого нехтують.
У ряді випадків виникає необхідність проведення корекції
динаміки роботи ЦАП. Перехідна характеристика ЦАП при зміні різних кодових
комбінацій буде різною, іншими словами - різним буде час установлення вихідного
сигналу. Тому при використанні ЦАП необхідно враховувати максимальний час
встановлення. Проте у ряді випадків вдається коректувати поведінку
передавальної характеристики.
Особливості застосування БІСЦАП. Для успішного застосування
сучасних БІС ЦАП недостатньо знати перелік їх основних характеристик та основні
схеми їх включення. Істотний вплив на результати застосування БІС ЦАП надає
виконання експлуатаційних вимог, обумовлених особливостями конкретної
мікросхеми. При розробці інтегральних ЦАП перетворювачів найбільші труднощі
представляє реалізація високоточних резисторів, що сильно розрізняються за величиною.
Тому завдання вагових коефіцієнтів східців часто здійснюють за допомогою
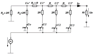
послідовного ділення напруги за допомогою резистивної матриці(рис.2.5).
Основний елемент такої матриці є дільником напруги(рис.2.6), який повинен
задовольняти наступній умові: якщо він навантажений на опір Rp, то опір на
вході Re також повинен набувати значення Rp.Коефіцієнт послаблення ланцюга
a=U2/U1 при цьому навантаженні повинен мати задане значення. При виконанні цих
умов отримуємо наступні вирази для опорів:
Рис. 2.5 - ЦАП з матрицею постійного імпедансу
(2.4)
У разі двійкового кодування a=0,5. Якщо покласти Rq=2R, то
R1=R і Rp=2R,(2.5) відповідно до рис. 2.5.
Рис. 2.6 - Побудова ступеня матриці постійного імпедансу
Джерело опорної напруги навантажене на постійний опір
Рис.2.7.Інверсне включення резистивної матриці постійного
імпедансу.
Іноді як показано на рис. 2.7, використовують матрицю із
зворотним підключенням входу і виходу по відношенню до матриці на рис 2.6,
оскільки в цьому випадку підсилювач для підсумовування не потрібний. При цьому,
звичайно, слід брати до уваги раніше згадані недоліки схеми: велике падіння
напруги на ключах і навантаження джерела опорної напруги, що змінюється. Для
розрахунку вихідної напруги необхідно знайти зв'язок між напругою живлення U1,
і вузловою напругою U'1. Скористаємося принципом суперпозиції, тобто
вважатимемо рівними нулю уся пропозиція напруги живлення, окрім даної напруги
U1. Якщо підключити справа і ліворуч до даного ланцюга опору Rp, то відповідно
до пропозиції для кожного вузла навантаження і справа і ліворуч будуть рівні
Rp. Звідси з урахуванням формул(2.1) отримаємо питому складову напруги.
3. Розрахункова частина
.1 Визначення інтервалу дискретизації Тд та частоти
дискретизації fд
Для того, щоб ФНЧ не вносив лінійних спотворень в неперервний
сигнал, граничні частоти смуг пропускання ФНЧ повинні відповідати умові:
(3.1)
Для того, щоб ФНЧ не були надто складними, відношення
граничних частот вибирають із умови:
(3.2)
Граничні частоти смуг затримки ФНЧ повинні відповідати умові:
(3.3)
Підставляючи нерівності 3.2 та 3.1 в рівняння 3.3 отримаємо:
, де
- частота дискретизації.
Тепер знайдемо інтервал дискретизації
, де
- частота дискретизації.
) Визначимо L, n, та Тб.
Для визначення числа рівнів квантування використаєм формулу:
(3.4)
) Знаючи допустиме відношення сигнал/шум квантування і
коефіціент амплітуди первинного сигналу (Ка) виведемо з формули
(3.4) допустиме число рівнів квантування:
Переведемо rкв.допз дБ в рази по
формулі:
кв.доп=100,1*40 =10000
Підставимо у формулу (3.5) числове значення, отримаємо:
=147.19
Визначимо значність двікового коду ЦАП n=log2L, є ціле число.
Тому число рівнів квантування L вибирається як ціла степінь числа 2, при якій
,
.
Число рівнів квантування L=256, значність двійкового коду
n=8. Визначимо тривалість двійкового символу на вході ЦАП:
(3.6)
Розрахуємо відношення сигнал/шум квантування
при розрахованних
параметрах ЦАП. Відношення сигнал/шум квантування знаходиться по формулі:
,(3.7)
де L- число рівнів квантування, Ка- коефіцієнт амплітуди.
Переведемо rкв.допз раз у дБ
кв.доп=10lg 20695.57=43.15 дБ
) Розрахуємо допустиму ймовірність помилки двійникового
символу (r.доп) на виході ЦАП, яка знаходиться за формулою:
,
де - середнє значення потужності шума хибних імпульсів на
вих. ЦАП- крок кватування;- довжина двійникового коду ЦАП
можемо визначити за формулою(3.8)
(3.8)
де de - середня потужність завади на вході
приймача;
в. - середня потужність шуму квантування;
Визначемо ці величини за формулами:

(3.9)
(3.10)
та

(3.11)
;(3.12)
де rв - середня потужність сигнала;вих
- відношення сигнал/шум на віході (допустимо, що rвих = rвих.доп)кв.-
відношення сигнал/шум квантування (rкв = 20695.57)
Т.я. первинний сигнал b(t) перетворений у цифровий,
приймаються значення від (lmin,lmax), і
крок квантування визначаеться за формулою(3.13):
(3.13)
4. Експлуатаційна частина
.1 Контроль динамічних параметрів ЦАП
Динамічні властивості ЦАП характеризуються часом встановлення
(перетворення), яке є найбільш складно контрольованим і важко піддається
автоматизації параметром швидкодіючих багато розрядних ЦАП.Це пояснюється
необхідністю суміщення високої швидкодії вимірювача часу встановлення з його
високою роздільною здатністю за амплітудою (такий же, як і при контролі
статичних параметрів) для забезпечення фіксації моменту досягнення вихідним
сигналом ЦАП номінального значення з похибкою ± '/ 2 значення молодшого
розряду. Крім того, обмежена смуга пропускання вимірювального тракту і теплові
ефекти в поєднанні з неминучим присутністю шуму можуть вносити значну
невизначеність у вимір. Завдання можна істотно спростити, якщо усталене
значення вихідного сигналу контрольованого перетворювача поєднати з нульовим
рівнем і аналізувати перехідний процес поблизу нульового потенціалу. Це
відноситься і до схем, які використовують в якості індикатора осцилографа. Розглянемо
кілька можливих варіантів схем пристроїв контролю часу встановлення ЦАП з
осцилографічним індикатором, що знайшли застосування в дрібносерійному і
дослідному виробництві, в лабораторних дослідженнях. Одна з таких схем показана
на малюнку 1.
Рисунок.4.1 - Схема пристрої контролю часу встановлення ЦАП з
компенсацією усталеного значення його вихідного сигнал
Прямокутний еталонний сигнал, синхронний з прямокутним
сигналом цифрового входу ЦАП, але не співпадаючий по фазі з вихідним сигналом
ЦАП, підсумовується з останнім. Амплітуда еталонного прямокутного сигналу Uе
регулюється для точного збігу з амплітудою Uп.ш виходу ЦАП після закінчення
перехідних процесів. Це забезпечує спостереження перехідного процесу на екрані
осцилографа щодо нульового рівня. Фіксуючі діоди обмежують відхилення напруги в
період перехідних процесів, що істотно зменшує час відновлення перевантаження
осцилографа.
При перемиканні цифрового входу молодшого розряду з положення
"динамічний" в положення логічної "1" або логічного
"0" на екрані осцилографа будуть спостерігатися імпульси з частотою
генератора і амплітудою, що дорівнює значенню молодшого розряду Δ ЦАП щодо нульового рівня. При цьому час встановлення визначається
як час, необхідний для того, щоб напруга відхилення від нульового рівня не
перевищувало (± '/ 2) Δ.
5. Охорона праці
.1 Загальні вимоги до робочого місця оператора ЕОМ
Робочі місця операторів за дисплеями слід розміщувати в
спеціально відведеному приміщенні, яке відповідає гігієнічним вимогам щодо
площі, умов природного освітлення та вентиляції.
Площа приміщення повинна відповідати вимогам санітарних норм
- 4,5 квадратних метрів на одного оператора. Об'єм виробничого приміщення на
одного оператора повинен бути не меншим 15 кубічних метрів.
Робоче місце складається з стола з розміщеним на ньому
екраном, клавіатурою і підставкою під документи, крісла, підставки для ніг.
Розміри стола залежать від розмірів екрану, орієнтовні розміри:
довжина 160 сантиметрів, ширина 90 сантиметрів, загальна
площа 1,44 квадратних метрів;
висота стола повинна регулюватись у відповідності з
антропометричними даними оператора в межах 68-84 сантиметрів;
доцільне розміщення клавіатури окремо від екрана, це
забезпечує вибір оптимального положення, висоти та нахилу всіх складових
обладнання робочого місця оператора;
екран повинен знаходитись нижче рівня очей прямо, або з
нахилом на оператора, кут зору, при якому забезпечується оптимальне розміщення
символів на екрані в межах 0,5, екран повинен розміщуватись на відстані 40-90
сантиметрів від очей оператора, оптимальна відстань при висоті символів 2,5
міліметрів - 50 сантиметрів; при висоті символів 3…4 міліметрів її можна
збільшити до 80 сантиметрів;
документи повинні читатись оператором з підставки, висота і
нахил якої регулюються, нахил документа 60 градусів дозволяє максимально
зменшити відблиск від нього;
робоче крісло повинно бути рухоме, короткі підлокітники
крісла повинні забезпечувати положення рук трохи вище стола;
підставка для ніг рекомендується розмірами 40х30х15
сантиметрів з кутом нахилу 30 градусів, без переміщення по підлозі;
освітленість робочих місць повинна бути в межах від 300 до
500 як в зоні розміщення документів, так і клавіатури;
в робочій зоні відношення яскравості поверхонь не повинно
перевищувати 3:1, а між робочою поверхнею столу та навколишніми поверхнями
(стіл, обладнання і т.п.) 10:1;
з метою виключення на екранах дисплеїв яскравих плям, на
робочому місці не повинно бути яскравих (блискучих) предметів великих розмірів,
одяг оператора повинен бути по можливості темним; всі предмети позаду повинні
мати низьку яскравість; при рядковому розміщенні обладнання не можна допускати,
щоб дисплеї були повернуті екранами один до одного, у випадку, якщо це має
місце, необхідно між ними встановити перегородки;
для уникнення засвіток екранів і зниження перепадів
яскравості в полі зору при природному освітленні, робочі столи необхідно
розміщувати далі від вікон і таким чином, щоб віконні шиби знаходились збоку
від учнів, а природне світло падало з лівої сторони. Вікна повинні бути
оснащені шторами, які розсіюють світло, або регульованими жалюзями. При
південній орієнтації вікон найбільш ефективним засобом для створення
сприятливого світлового середовища в приміщенні і зниженні теплової дії інсуляції
є використання на вікнах плівки з металізованим покриттям.
рекомендується робота на клавіатурі дисплея сліпим десяти
пальцевим методом, що дозволяє знизити втомлюваність зору за рахунок його
постійного переключання з документа на екран і клавіатуру та шкідливу дію
блищання клавіатури.
Незважаючи на видиму безпеку та розвиток сучасних технологій,
при роботі за комп'ютером є ряд чинників, які можу вплинути на здоров'я людини.
Усі негативні чинники під час роботи за комп'ютером можна
поділити на такі основні групи:
Чинники, що впливають на опорно-руховий апарат.
Чинники, що впливають на сенсорні органи.
Чинники, що впливають на психологічний стан.
Всі ці чинники викликані двома основними причинами:
неправильною роботою за обладнанням і неправильним вибором обладнання
Щоб підвищити безпеку при роботі за комп'ютером перш за все
треба звернути увагу на ергономічну опрацювання робочого місця. Причому
покупкою ергономічної клавіатури тут не обійтися. Для поліпшення ергономічності
робочого місця необхідно здійснити такі заходи:
додайте монітор так, щоб його верхня точка знаходилася прямо
перед вашими очима або вище, що дозволить тримати голову прямо, і виключить
розвиток шийного остеохондрозу. Відстань від монітора до очей має бути не менше
45 см;
стілець повинен мати спинку і підлокітники, а так само таку
висоту, при якій ноги можуть міцно стояти на підлозі. Ідеальним буде придбання
крісла з висотою, в такому випадку спинка дозволить тримати спину прямо,
підлокітники дадуть можливість відпочити рук, правильне положення ніг не буде
заважати кровообігу в них;
розташування часто використовуваних речей не повинно
призводити до довгого знаходження в якій або викривленої позі;
освітлення робочого місця не повинно викликати відблиски на
екрані монітора. Не можна ставити монітор поруч з вікном, так щоб ви одночасно
бачили і екран і те, що знаходиться за вікном;
при роботі з клавіатурою, кут згину руки в лікті повинен бути
прямим (90 градусів);
при роботі з мишкою кисть повинна бути прямою, і лежати на
столі як можна далі від краю.
Під час роботу не забувайте про регулярні перерви для
відпочинку.
Звичайно, не погано попити чай з колегами та обговорити
останні новини, але краще використовувати їх для спеціалізованих комплексів
гімнастичних вправ.
У санітарних правилах і нормах дані численні комплекси вправ
для очей, для поліпшення мозкового кровообігу, для зняття втоми з плечового
пояса і рук, з тулуба і ніг. Наведемо один з них у якості прикладу:
покладіть руку на край столу долонею вниз. Взявшись за
пальці, іншою рукою відведіть кисть тому і утримуйте в такому положенні
протягом 5 секунд. Повторіть вправу для іншої руки;
злегка упріться рукою в стіл і на 5 секунд напружте пальці і
зап'ястя. То ж виконайте іншою рукою;
сильно стисніть пальці в кулаки, а потім розпрямите їх;
Профілактика захворювань органів дихання включає в себе
вологе прибирання і провітрювання приміщення. Непогано поставити недалеко від
комп'ютера акваріум з рибками, це підвищить вологість, до того ж рибки
заспокоюють нерви.
Щоб пом'якшити дію електромагнітного поля, зменшити іонізацію
повітря, порушення повітряного балансу поставте в приміщенні з комп'ютером
іонізатор повітря. Заряджені іони сприятливо впливають на стан людини:
поліпшується психологічний та фізичний стан, збільшується опірність
захворюванням, знижується кількість бактерій у приміщенні, очищається повітря
від зважених мікрочастинок, послаблюється ефект, викликаний статичним
електрикою.
Вартість іонізаторів суміщених з очисником повітря
коливається від 2 до 4 тисяч, що дозволяє купувати їх навіть не багатим людям.
Працюючи за комп'ютером стежте за освітленням, поставою,
робіть перерви - все це допоможе підвищити працездатність і позбавить вас від
серйозних хвороб.
.2 Техніка безпеки при роботі за ПК
Правила:
при користуванні комп'ютером слід носити чистий і сухий одяг
і взуття;
якщо монітор не має захисту від випромінювання, слід
користуватися захисним екраном. Випромінювання монітора в сторону протилежну
екрану може бути значно більше, тому не можна його задню частину звертати до
сусідів по офісу чи кімнаті;
при виявленні несправності ПЕОМ або появі незвичайних звуків
у процесі роботи слід вимкнути комп'ютер;
для усунення наслідків стрибків напруги в мережі, комп'ютер
повинен бути підключений до електромережі через стабілізатор напруги
(безперебійне джерело живлення).
Забороняється:
включати і вимикати комп'ютер без необхідності (це може
призвести до його несправності);
чіпати роз'єми з'єднувальних кабелів, проводів, вилки і розетки;
торкатися до екрану і до тильної сторони блоків комп'ютера;
працювати на ПЕОМ мокрими руками;
працювати на ПЕОМ, що мають порушення цілісності корпусу,
порушення ізоляції проводів, несправну індикацію включення живлення, з ознаками
електричної напруги на корпусі;
класти на ПЕОМ сторонні предмети (гуртки з рідинами, жирні
предмети, книги і предмети, що випромінюють електромагнітні поля).
Правила техніки безпеки під час роботи з комп'ютером
Під час роботи з комп'ютером забороняється:
самостійно намагатися усунути будь-які неполадки в роботі
комп'ютера, незалежно від того, коли і з чиєї вини вони сталися;
від'єднувати і під’єднувати будь-які пристрої комп'ютера;
доторкатися до будь-яких деталей на задній панелі системного
блоку;
знімати кришку корпуса системного блоку;
ставляти чи виймати диски (магнітні й оптичні) під час роботи
дисководів, коли світиться індикатор на дисководі;
силоміць вставляти чи виймати гнучкі (магнітні) дискети та
оптичні (лазерні) диски;
вручну переміщувати підставку для лазерного диска в отвір для
нього чи назовні;
застосовувати непередбачувані правилами фізичні дії до
будь-яких пристроїв - стукати по пристроях, трясти їх, перевертати, розбирати
тощо.
Крім того, під час роботи за комп'ютером необхідно
дотримуватися певних правил. Основні з них:
дисплей повинен бути розвернений від вікон під кутом, не
меншим 90°, з метою запобігання потрапляння на екран прямих сонячних променів
та уникнення відблиску, що значно ускладнює читання інформації з екрана
дисплея;
екран дисплея повинен бути очищений від пилу, оскільки пил
спричинює появу шкідливих впливів при роботі за дисплеєм;
на столі, де встановлено комп'ютер, не повинні знаходитися
сторонні речі, їжа чи її залишки тощо;
перед початком роботи за комп'ютером слід вимити і насухо
витерти руки для запобігання появи плям на клавіатурі, корпусі комп'ютера,
дисплея, мишки та ін;
через кожні 10 хв. роботи за екраном дисплея слід зробити
перерву на кілька хвилин, під час якої записати отримані результати,
підготувати дані для продовження роботи чи її план, або просто відпочити;
якщо використовується мишка, то під неї слід покласти
спеціальний килимок для запобігання забруднення, що може призвести до виходу з
ладу;
якщо клавіатура не використовується, вона має бути накрита
спеціальною прозорою кришкою для запобігання попадання пилу чи якихось
предметів під клавіші, що може призвести до ушкодження клавіатури;
при виникненні будь-яких запитань під час роботи з
комп'ютером слід звертатися до вчителя.
Без значної спеціальної підготовки дозволяється:
користуватися клавіатурою, під'єднаною до комп'ютера, яка
служить для введення повідомлень-вказівок про виконання комп'ютером тих чи
інших операцій;
користуватися мишкою, під'єднаною до комп'ютера, яка
використовується, щоб мати можливість серед переліку послуг, позначення чи
назви яких подані на екрані дисплея, вибрати (вказати на)одну із послуг, що
надаються комп'ютером;
вмикати комп'ютер за допомогою вмикача на передній панелі
системного блоку;
після появи на екрані дисплея повідомлення «Тепер комп’ютер можна
вимкнути» вимикати комп'ютер за допомогою вимикача на передній панелі
системного блоку.
Техніка безпеки при використанні блоків живлення.
При включенні блоку живлення в електромережу, необхідно
переконатися, що номінальна напруга блоку живлення відповідає напрузі мережі.
Якщо на кришці блоку зазначено 220-240 В, то апарат можна
підключати до мережі 220 В. Якщо 110-120 В, то потрібен спеціальний конвертер,
що перетворює 220 В на 120 В.
Висновки
Розробивши ЦАП з матрицею постійного імпедансу, я вивчив
принцип роботи цього елемента, його технічні характеристики, різновид типів
ЦАП, вивчив структуру та правила побудови такого типа ЦАП. Відомо, що
цифро-аналоговий перетворювач (ЦАП) призначений для перетворення числа у
вигляді двійкового коду у напругу або струм, пропорційний значенню цифрового
коду, а також для перетворення інформації з цифрової форми в аналоговий сигнал
- підсумовування струмів і напруги. Тому обсяг отриманих знань і навичок дуже
великий. Я обрав саме цю тему курсового проекту, тому що вважаю ЦАП невід’ємною
частиною будь-якого сучасного пристрою. ЦАП має великий спектр застосувань
Різноманітність сучасної техніки, виконаної з використанням
ЦАП вражає, тому на мій погляд важливо і корисно мати навички роботи з таким
важливим електричним елементом, а тим паче вміти його розробляти. Розробкою ЦАП
на сьогоднішній день займається дуже велика кількість професіоналів, які з
кожним роком покращують характеристики ЦАП і роблять великий внесок у розвиток
сучасної електроніки. Не дивлячись на те, що тема розробки ЦАП не одна з
найлегших, я все одно не міг відмовити собі в тому, щоб пізнати те, без чого,
на сьогоднішній день, не працює майже жодна електронна машина.
Література
1. Електроніка
і мікросхемотехніка [Текст]: підручник: у 4 т. / за ред. В. І. Сенька. - К.:
Обереги, 2000 -. Т. 1: Елементна база електронних пристроїв. - 300 с. - ISBN
966-513-175-3
2. Бабич
М.П., Жуков І.А. Комп’ютерна схемотехніка. Навчальний посібник. - К.: НАУ,
2002. - 508 с.
3. Основи
електроніки та мікропроцесорної техніки [Текст]: навч. посіб. для студ. усіх
неелектротехн. спец. / В.Ф. Болюх, В.Г. Данько; за ред. В.Г. Данька; Нац. техн.
ун-т "Харк. політехн. ін-т". - Х.: ХНАДУ, 2008. - 239 с. - ISBN
978-966-303-171-2.
4. Мілих
В.І., Шавьолкін О.О. М75 Електротехніка, електроніка та мікропроцесорна
техніка: Підручник / За ред. В.І.Мілих.- - К.: Каравела, 2007.-
688 с.
5. Електроніка
і мікросхемотехніка [Текст]: навч. посіб. / В. Т. Дмитрів, В. М. Шиманський. -
Л.: Афіша, 2004. - 175 с. - ISBN 966-325-028-3
6. Усатенко С.Т., Каченюк Т.К., Терехова М.В. - Графическое
изображение электрорадиосхем (1986).
7. Тітце
У., Шенк К. Полупроводниковая схемотехника: Справочное руководство. Пер. с
нем.- М.: Мир, 1982.-512с., іл.
8. Браммер Ю.А.. Пащук И.Н. Импульсная техника. Изд.4,
перераб. и доп. 1976.