Розрахунки та проектування аналогово-цифрових та цифро-аналогових перетворювачів
Курсова робота
з дисципліни «Комп’ютерна схемотехніка»
на тему
Розрахунки та проектування
аналогово-цифрових та цифро-аналогових перетворювачів
Виконав
М.О.
Назаренко
РЕФЕРАТ
Пояснювальна записка: сторінок, рисунків, таблиці, додатки, використаних
джерел.
Об’єкт аналізу - Аналогово-цифрові та цифро-аналогові
перетворювачі
Робота складається з чотирьох розділів.
У першому розділі розглядається області застосування,
класифікація даних приладів та короткий аналіз параметрів.
У другому розділі розраховуються параметри для подальшої
побудови схем АЦП і ЦАП.
Третій розділ присвячений побудові структурних схем АЦП і ЦАП
та їх короткий аналіз.
У четвертому розділі проектуються та досліджуються схеми АЦП
і ЦАП.
ВСТУП
В наш час людина широко використовує різноманітні електронні
прилади та пристрої як у побуті, так і на роботі. Без цих приладів вона не
зможе обійтись, оскільки вони допомагають вирішувати багато певних задач, з
якими людині доводиться зіштовхуватись. Велика частина цих пристроїв існує
завдяки програмованим АЦП І ЦАП, які використовуються при створенні цифрових
інтегральних мікросхем. АЦП і ЦАП дуже широко застосовують в аудіо пристроях,
пристроях комунікацій тощо. Поданий курсовий проект спрямовано на розрахунок
аналогових та цифро-аналогових перетворювачів і їх проектування. Даний
курсовий проект є актуальним на сьогоднішній день, оскільки АЦП і ЦАП знаходять широке
використання у різних галузях
сучасної науки й техніки. Вони є невід'ємною складовою частиною цифрових вимірювальних приладів, систем перетворення і відображення інформації, програмованих джерел харчування, індикаторів на
електронно-променевих трубках, радіолокаційних систем, установок контролю
елементів і мікросхем, і навіть важливими
компонентами різних автоматичних систем контролю та
управління, пристрої ввведення-виведення інформації ЕОМ.
1. СТРУКТУРНІ СХЕМИ АЦП І ЦАП
1.1 Область використання АЦП і ЦАП
Аналого-цифрове перетворення використовується скрізь, де
потрібно обробляти, зберігати або передавати сигнал в цифровій формі. Швидкі
відео АЦП використовуються, наприклад, в ТБ тюнерах. Повільні вбудовані 8, 10,
12, або 16 бітові АЦП часто входять до складу мікроконтролерів. Дуже швидкі АЦП
необхідні у цифрових осцилографах.
ЦАП використовується завжди, коли необхідно перетворити сигнал з
цифрового формату в аналоговий. ЦАП використовується в системах керування
технологічними процесами, програвачах CD/DVD, звукових картах
<#"669914.files/image001.gif">
Рисунок 1.1 - АЦП мікроконтроллерів AVR
Генератор синусоїди Arduino на основі ЦАП R-2R

Рисунок 1.2 - Схема генератора синусоїди
Висновок: в данному розділі було розглянуто принципи роботи аналого-цифрового та
цифро-аналогового перетворювачів, їх основні типи, параметри та область
призначення окремих типів АЦП і ЦАП.
.2 Класифікація та принцип роботи АЦП
Аналого-цифрові перетворювачі (АЦП) це пристрої, які
приймають вхідні аналогові сигнали та генерують відповідні до них цифрові
сигнали, які придатні для обробки мікропроцесорами та іншими цифровими
пристроями.
Процедура аналого-цифрового перетворення неперервних сигналів, яку
реалізовують за допомогою АЦП, це перетворення неперервної функції часу
, яка описує вхідний сигнал, у
послідовність чисел {
}, =0,1,2,…, що віднесені до деяких фіксованих
моментів часу. Цю процедуру можна розділити на дві самостійні операції:
дискретизацію і квантування.
Найпоширенішою формою дискретизації є рівномірна
дискретизація, в основі якої лежить теорема відліків. Згідно з цією теоремою як
коефіцієнти
потрібно використовувати миттєві значення сигналу
в дискретні моменти часу
, а період дискретизації вибирати з
умови:
де
- максимальна частота спектра сигналу, що перетворюється.
Тоді отримаємо відомий вираз теореми відліків
Для сигналів зі строго обмеженим спектром цей вираз є тотожністю. Однак
спектри реальних сигналів прямують до нуля тільки асимптотично. Застосування
рівномірної дискретизації до таких сигналів викликає виникнення в системах
обробки інформації специфічних високочастотних спотворень, які зумовлені
вибіркою. Для зменшення цих спотворень необхідно або збільшувати частоту
дискретизації, або використовувати перед АЦП додатковий фільтр нижніх частот,
який обмежуватиме спектр вхідного сигналу перед його аналого-цифровим
перетворенням.
У загальному випадку вибір частоти дискретизації буде залежати
також від вигляду функції
, що використовується в першій формулі розділу та допустимого
рівня похибок, які виникають при відновленні початкового сигналу за його
відліками. Усе це
необхідно враховувати при виборі частоти дискретизації, яка визначає необхідну
швидкодію АЦП. Часто цей параметр задають розробнику АЦП.
Рисунок 1.3 - Класифікація АЦП
Зараз відома велика кількість методів перетворення напруга - код. Ці
методи суттєво відрізняються один від одного потенційною точністю, швидкістю
перетворення та складністю апаратної реалізації. На рис. 1.1 наведена класифікація АЦП за
методами перетворення.
В основу класифікації АЦП покладено ознаку, яка вказує на те, як в часі
розгортається процес перетворення аналогової величини в цифрову. В основі
перетворення вибіркових значень сигналу в цифрові еквіваленти лежать операції
квантування та кодування. Вони можуть проводитись за допомогою або послідовної,
або паралельної, або послідовно-паралельної процедур наближення цифрового
еквівалента до перетворюваної величини.
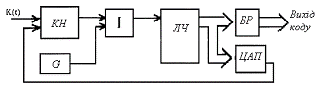
Розглянемо АЦП послідовного наближення
Функціонування аналого-цифрового перетворення за методом
послідовного підрахунку можна проілюструвати за допомогою структурної схеми на рис.
1.2.
Рисунок 1.4 - АЦП послідовного підрахунку
До складу схеми входять: генератор тактових сигналів (G),
компаратор напруги (КН), схема І, лічильник (ЛЧ), буферний регістр (БР),
цифро-аналоговий перетворювач (ЦАП). Схема працює наступним чином. На вхід
перетворювача подається аналоговий сигнал
, який підключається до одного з
входів компаратора напруги КН. На другий вхід компаратора подається еталонна
напруга (
), яка формується на виході ЦАП під
управлінням колового слова на виході ЛЧ. Компаратор формує на своєму виході
сигнал або логічної одиниці, або логічного нуля в залежності від того, яке
значення більше. Якщо
, то на виході компаратора формується
одиниця, яка дозволяє проходження імпульсів з тактового генератора через схему
І на лічильний вхід лічильника ЛЧ. На виході лічильника йде процес підрахунку
цих імпульсів в двійковому коді від 2
до 2
. Двійковий код з ЛЧ подається на
вхід ЦАП, на виході якого формується ступінчатий сигнал
. Кожна сходинка цього сигналу
відповідає за рівнем інтервалу дискретизації
. Сигнал
порівнюється із сигналом
і в момент, коли
стає меншим за
, на виході компаратора формується
сигнал логічного нуля. Схема І закривається, лічильник зупиняє підрахунок і
набраний двійковий код переписується у вихідний буферний регістр БР для видачі
користувачу.
1.3 Класифікація та принцип роботи
ЦАП
Необхідність здійснення операції відновлення вихідного
сигналу з дискретних відліків, а також необхідність здійснення операцій
формування еталонних сигналів при аналого-цифровому перетворенні висуває задачу
цифро-аналогового перетворення. Суть операції цифро-аналогового перетворення полягає
у формуванні аналогових сигналів, що відповідають кодовим словам дискретного
сигналу. Технічно це формування здійснюється цифро-аналоговим перетворювачем
(ЦАП).
Аналоговий сигнал на виході ЦАП може бути сформований шляхом
множення опорної напруги
на вагові розрядні коефіцієнти кодового слова
, таким чином, що
Технічно найпростіше ЦАП реалізовується на принципі
підсумовування розрядних струмів
(рис. 1.3).
Схема реалізації ЦАП для підсумовування струму містить
джерело стабільної напруги
, матрицю двійково-зважених резисторів
, набір ключів
, що реалізовують розрядні
коефіцієнти
і перетворювач струму в напругу на операційному підсилювачі
ОП.
Рисунок 1.5 - ЦАП для підсумовування струму
Часова діаграма класичного процесу цифро-аналогового
перетворення має вигляд (рис. 1.4).
Рисунок 1.6 - Часова діаграма процесу ЦА перетворення
При малій кількості дискретних вибірок миттєвих значень
сигналу, цей сигнал мало нагадує вихідний, однак може бути наближеним до нього
шляхом аналогової фільтрації або інтерполяції.
Основні типи електронних ЦАП
. Широтно-імпульсний модулятор - найпростіший тип ЦАП.
Стабільне джерело струму чи напруги періодично вмикається на час, пропорційний
перетворюваному цифровому коду, далі отримана імпульсна послідовність
фільтрується аналоговим фільтром низьких частот. Такий спосіб часто
використовується для керування швидкістю електромоторів, а також стає
популярним в Hi-Fi аудіотехніці.
. ЦАП передискретизації, такі, як дельта-сигма ЦАП, основані
на змінюваній густоті імпульсів. Передискретизація дозволяє використовувати ЦАП
з меншою розрядністю для досягнення більшої розрядності кінцевого перетворення;
часто дельта-сигма ЦАП будується на основі найпростішого однобітового ЦАП, який
є практично лінійним. На ЦАП малої розрядності надходить імпульсний сигнал з
модульованою густотою імпульсів (з постійною тривалістю імпульсу, але зі
змінною шпаруватістю), створений з використанням негативного зворотного
зв’язку. Негативний зворотний зв’язок виступає в ролі фільтра високих частот
для шуму квантування. Більшість ЦАП більшої розрядності (більше 16 біт)
побудовані на цьому принципі внаслідок його високої лінійності і низької
вартості. Швидкодія дельта-сигма ЦАП сягає сотень тисяч відліків в секунду,
розрядність - до 24 біт. Для генерації сигналу з модульованою густотою
імпульсів можна використати простий дельта-сигма модулятор першого порядку чи
більш високого порядку як MASH ( англ. Multi stage noise SHaping). Зі
збільшенням частоти передискретизації знижуються вимоги до вихідного фільтра
низьких частот і поліпшується приглушення шуму квантування.
. ЦАП зважування, в якому кожному біту перетворюваного
двійкового коду відповідає резистор чи джерело струму, підключене до спільної
точки додавання. Сила струму джерела (провідність резистора) пропорційна вазі
біта, якому він відповідає. Таким чином, всі ненульові біти коду додаються з
вагою. Метод зважування - один з найшвидших, але йому властива низька точність
через необхідність наявності набору множини різних прецизійних джерел чи
резисторів. Через цю причину ЦАП зважування мають розрядність не більше восьми
біт.
. Ланцюгова R-2R схема є варіацією ЦАП зважування. В R-2R ЦАП
зважені значення створюються в спеціальній схемі, яка складається з резисторів
опорами R і 2R. Це дозволяє суттєво збільшити точність порівняно зі звичайним
ЦАП зважування, оскільки порівняно просто виготовити набір прецизійних
елементів з однаковими параметрами. Недоліком методу є більш низька швидкість
внаслідок паразитної ємності.
. Сегментний ЦАП містить по одному джерелу струму чи
резистору на кожне можливе значення вихідного сигналу. Так, наприклад,
восьмибітовий ЦАП цього типу містить 255 сегментів, а 16-бітовий - 65535.
Теоретично, сегментні ЦАП мають найбільшу швидкодію, оскільки для перетворення
достатньо замкнути один ключ, який відповідає вхідному коду.
. Гібридні ЦАП використовують комбінацію перерахованих вище
способів. Більшість мікросхем ЦАП належать до цього типу, вибір конкретного
набору способів є компромісом між швидкодією, точністю і вартістю ЦАП.
1.4 Параметри АЦП і ЦАП
Параметри ЦАП і АЦП можна поділити на дві групи: статичні та
динамічні.
До динамічних параметрів відносяться час перетворення і
частота перетворення, які визначають швидкодію ЦАП і АЦП. Динамічні параметри
характеризують продуктивність оброблення інформації.
Статичні параметри, в свою чергу, розподіляються на дві
підгрупи.
До першої підгрупи статичних параметрів відносяться
параметри, загально прийняті для усіх типів ІС, які визначають енергетичні
показники, наприклад, струм споживання , напругу живлення і т.д.
До другої підгрупи відносяться параметри, які характерні лише
для перетворювачів. Це характеристика перетворення (ХП), розрядність, діапазон
та рівні вхідних і вихідних сигналів, нелінійність, абсолютна похибка перетворення,
напруга відхилення нуля на виході ЦАП або АЦП.
2. РОЗРАХУНКИ ПАРАМЕТРІВ АЦП І ЦАП
2.1 Вихідні дані для розрахунків
- максимальна частота спектра первинного сигналу Fmax = 6,5 кГц;
густина ймовірності миттєвих значень первинного сигналу p(b);
середня потужність первинного сигналу Pb = 0,1 В2;
коефіцієнт амплітуди первинного сигналу Ка = 5;
допустиме відношення сигнал/шум на вході одержувача rвих.доп = 35 дБ;
допустиме відношення сигнал/шум квантування rкв.доп = 37 дБ;
в АЦП застосовано рівномірне квантування.
.2 Обчислення частоти дискретизації
та інтервалу дискретизації
Згідно з теоремою Котельникова частота дискретизації fд =
1/Тд повинна задовольняти умові
д ³ 2Fmax. (2.1)
Інтервал дискретизації - величина, обернена частоті дискретизації
Тд = 1 / fд. (2.2)
На рис. 2.1 дані: S (f) - спектр відліків, поданих вузькими
імпульсами, Sb (f) - спектр неперервного сигналу b(t), A(f) - робоче ослаблення
ФНЧ. Для того, щоб ФНЧ не вносили лінійних спотворень у неперервний сигнал,
граничні частоти смуг пропускання ФНЧ повинні задовольняти умові
f1 ³ Fmax. (2.3)
Для того, щоб виключити накладення спектрів Sb (f) і Sb (f -
fд), а також забезпечити ослаблення відновлюючим ФНЧ складових Sb (f - fд),
граничні частоти смуг затримки ФНЧ повинні задовольняти умові
2 £ (fд - Fmax). (2.4)
Рисунок 2.1 - Спектр відліків та АЧХ
Щоб ФНЧ не були занадто складними, відношення граничних
частот вибирають з умови
2 / f1 = 1,3 - 1,4. (2.5)
Після підстановки співвідношень (2.3) і (2.4) у формулу (2.5)
можна вибрати частоту дискретизації, а після цього розрахувати інтервал
дискретизації.
fд1 = 2,3 Fmax
fд1 = 14,95 (кГц)
fд2 = 2,4 Fmax
fд2 = 15,6(кГц)
Обираємо fд рівним 15 кГц
Тд = 1 / fд
Тд = 1 / 15*103 = 0,000067 с = 67 (мкс)
.3 Обчислення числа рівнів
квантування, довжину двійкового коду і тривалість двійкового символу
Величина rкв при рівномірному квантуванні
визначається
rкв= 3L2/
. (2.6)
З цієї формули ми зможемо знайти число рівнів квантування L
rкв. ≥ rкв.доп.
rкв.доп. = 37 дБ
Перведемо rкв.доп. в рази.
rкв.доп.
= 
rкв.доп. = 100,1*37 = 
доп ≤ L
З формули 2.6 знайдемо Lдоп
Оскільки Lдоп ≤ L, то приймемо L = 256.
Визначимо довжину двійкового коду n.= log2 L= 8
Перевіримо чи виконується умова rкв ≥ rкв.доп.
Умова виконується.
Знайдемо тривалість двійкового символу Тб.
2.4 Обчислення відношення сигнал/шум
квантування для розрахованих параметрів АЦП
rкв= 3L2/
.
2.5 Обчислення допустимої ймовірністі
помилки символу в каналі зв'язку (на вході ЦАП)
Допустима ймовірність помилки двійкового символу на вході ЦАП
рдоп визначається за співвідношенням
(2.6)
де р - імовірність помилки двійкового символу на вході ЦАП;- крок
квантування;- довжина двійкового коду АЦП
Для обчислення рдоп необхідно заздалегідь визначити допустиму
величину потужності шуму хибних імпульсів за формулами
rвих= Pb /
, (2.7)
де
- середня потужність завади на вході одержувача.
,
(2.8)
де
- середня потужність шуму квантування;
-
середня потужність шуму хибних імпульсів.
rкв=Pb /
, (2.9)
прийнявши
= rвих.доп, а також величину кроку квантування, що
визначається формулою
h=(bmax-bmin)/L
(2.10)
Обчислення
=
Pb / rвих
=
rвих.доп = 3162,28
=
0,1 / 3162,28 = 3,17*10-5 (В2)
З формули 2.9 знайдемо
=
Pb / rкв = 0,1 / 7864 = 1,27*10-5 (В2)
Підставимо обчисленні значення у формулу 2.8 і отримаємо зачення
=
-
=
1,9*10-5 (В2)
Знайдемо крок квантування за формулою 2.10
max =
- bminmax = 
=

=
1,6 (В)
min
= -1,6 В
h=(1,6-(-1,6))/256
= 0,0125 (В)
Підставимо значення в формулу 2.6
,9*10-5 = рдоп (0,0125)2 
,
,9*10-5= рдоп 3,41 ,
рдоп = 1,9*10-5 / 3,41 ,
рдоп = 5,57*10-6 .
Висновок: в ході даного розділу було розраховано частоту дискретизації
fд=15 кГц, інтервал дискретизації Тд = 67 мкс, число
рівнів квантування L = 256, довжину двійкового коду n = 8, тривалість
двійкового символу 
,
відношення сигнал/шум квантування 
,
допустиму ймовірність помилки символу в каналі зв'язку рдоп =
5,57*10-6.
3. ПОБУДОВА СХЕМ АЦП І ЦАП
3.1 Постановка задачі
У даному розділі необхідно для отриманих параметрів, розрахованих
у розділі 2, провести вибір та побудувати схеми АЦП послідовного наближення і ЦАП на
основі матриці типу R - 2R, а також провести розрахунки параметрів елементів
представлених схем.
Задані вхідні дані для розрахунків:
− типи схем АЦП та ЦАП відповідно до варіанту;
− розрядність коду n;
− число рівнів квантування L;
− крок квантування h;
− інтервал дискретизації Тд;
− частота дискретизації fд;
− максимальна та мінімальна амплітуди вхідного
сигналу (bmin, bmax);
− максимальна похибка квантування не перевищує
h/2.
Дані для розрахунків, взяті з попереднього розділу, наведені
в таблиці 3.1.
Таблиця 3.1 - Вхідні дані для розрахунків
|
n
|
L
|
h,В
|
Тд, мкс
|
fд, кГц
|
Амплытуди вхідного сигналу, В
|
|
|
|
|
|
bmin
|
bmax
|
|
8
|
256
|
0,0125
|
67
|
15
|
-1,6
|
1,6
|
3.2 Розрахунки параметрів елементів
побудованих схем
У даному підрозділі вимагається визначити такі параметри
аналогово-цифрових та цифро-аналогових перетворювачів:
− опорна напруга Е0 АЦП та ЦАП;
− визначити параметри матриці резисторів ЦАП та
АЦП;
− визначити значення вихідного опору АЦП та ЦАП;
Вхідні дані для розрахунків вказані у таблиці 3.1.
Значення опорної напруги Е0 АЦП та ЦАП задається нерівністю:
Згідно даної нерівності значення опорної напруги повинно
бути:

(В)
Оберемо значення опорної напруги Е0 рівним

(В)
Оберемо значення опорів резистивної матриці рівним

(кОм)
Для того, щоб розрахувати значення вихідного опору ЦАП, необхідно
визначити значення максимальної вихідної напруги Uвих max.
В схемі ЦАП на матриці типу R - 2R від розряду до розряду потенціал
ділиться на два. З цього слідує, що розряд х1 = 1 забезпечить на
вході приймача протікання струму
І1 =
,
розряд х2 = 1 забезпечить
І2 =
і т.д.
Сумарний струм на вході приймача струму при вхідному двійковому числі N
становитиме

х
х2
х3
хn
, (3.1)
де хі - коефіцієнт розряду, який приймає значення
0 або 1 в залежності від двійкового вхідного числа N.
Вихідна напруга визначиться як Uвих = R0
,тобто
Uвих =
х1
х2
х3
хn
=
.(3.2)
Приймаючи в (3.2) хі = 1 та і = п, знаходимо
формулу для визначення максимальної вихідної напруги
Uвих max =
(2n -
1). (3.3)
Значення кроку квантування знайдемо як різницю між будь-якими
двома суміжними членами (3.2):
h =
. (3.4)
Враховуючи розрахунки попереднього розділу, підставимо у
формулу (3.3) значення кроку квантування, що знаходиться за формулою (3.4) та
розрядність коду п=8 визначимо максимальне значення вихідної напруги Uвих.
Uвих max = 
(В).
Підставимо всі відомі значення в формулу (3.3) та розрахуємо
значення вихідного опору ЦАП:
3.3 Побудова схеми ЦАП
За умовою вихідних даних курсової роботи зобразимо структурну
схему ЦАП на основі матриці типу R-2R.
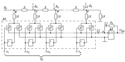
Рисунок 3.1- Cхема ЦАП на основі матриці R-2R резисторів
До складу схеми входять: R, 2R - матриці резисторів; Е0 -
джерела стабілізованої опорної напруги; A1 - комутатор; A2 - суматор зважених
струмів на ОП, R0 - вихідний опір, Uвих
- вихідна напруга.
При нульовому вхідному числі N = {00000000} всі ключі К1
закриті, а К0 відкриті. Тому виходи резисторів відключені від входу
суматора і підключені до нуля. Через це сума струмів на вході суматора теж
нульова, через що вихідна напруга дорівнює нулю. Якщо N = {11111111}, то стани ключів змінюються на
протилежні: ключі К0 закриваються, відключаючи резистори від нуля, а
ключі К1 відкриваються, підключаючи резистори до входу суматора А2.
Через це сума струмів на вході суматора максимальна. Проміжні значення вхідного
числа {00000000}< N<{11111111} викликають відповідні проміжні пропорційні
значення вихідної напруги 0 < Uвих< Uвих max.
3.3 Побудова схеми АЦП
За умовою вихідних даних курсової роботи зобразимо структурну
схему АЦП послідовного наближення.
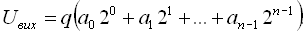
Рисунок 3.2 - Структурна схема АЦП послідовного наближення
До складу схеми входять: D1- генератор прямокутних імпульсів; D2 - лічильник імпульсів; D5- ЦАП;
D6- паралельний регістр; D3, D4 - формувач одиничного імпульсу для запуску
регістра D6; А1- аналоговий віднімач; А2- підсилювач-обмежувач; А3- пороговий
елемент з гістерезисом, наприклад, тригер Шмітта; А4- відтворювальний пристрій,
яким може бути цифровий індикатор, інтерфейс передавання тощо.
Принцип роботи АЦП полягає в зіставленні вхідної напруги Uх з еталонною U0,
послідовному нарощуванні еталонної напруги U0 та формуванні чисел N1,
N2 …, Nі , пропорційних аналоговому сигналу, коли
еталонна напруга досягає вхідної: U0 = Uх. Напруги
надходять на компаратор, який їх порівнює.
При вхідній напрузі Uх > U0 кожний
імпульс генератора D1 збільшує вміст лічильника D2 на одиницю, через що
еталонна напруга U0 зростає на один крок квантування.
При U0 = Uх здійснюється відлік
показань N1; N2 і т.д.
Висновок: в даному розділі для отриманих параметрів, взятих з другого
розділу, був проведений вибір та побудовані схеми АЦП та ЦАП. Також були
сформовані вимоги та проведені розрахунки параметрів елементів представлених
схем, серед яких визначені опорна напруга 
(В),
значення опорів резистивної матриці 
(кОм) та
значення вихідного опору ЦАП 
(Ом).
4. ПРОЕКТУВАННЯ СХЕМ АЦП І ЦАП
4.1 Постановка задачі
У даному розділі вимагається:
1. Складати схеми аналого-цифрового та цифро-аналогового
перетворювачів у пакеті EWB;
. Експериментально визначити крок квантування та
погрішність перетворення;
3. Побудувати характеристику перетворення ЦАП;
. Зняти залежність вихідної напруги Uвих
від вхідного числа;
. Зробити висновки щодо лінійності ЦАП;
. Провести дослідження ЦАП в динаміці та зробити висновки
щодо амплітуди пікових викидів на фронтах і їхнього походження.
4.2 Проектування схеми ЦАП
Задачею даного підрозділу є проектування схеми ЦАП на основі
матриці типу R-2R. Проектування відбувається за такими параметрами: опорна
напруга ЦАП, Е0 = 12 В; значення опору матриці резисторів ЦАП, R = 1
кОм; значення вихідного опору ЦАП, R0 = 266,7 Ом;
Схема ЦАП на основі матриці типу R-2R розміщена в додаткуА
(рис.А.1). Знімемо залежність вихідної напруги Uвих від вхідного
числа, експериментально визначимо крок квантування та погрішність перетворення
за формулами 4.1 та 4.2 та занесемо всі данні в таблицю 4.1.
= Uвих k - Uвих i (4.1)

, (4.2)
де Nk та Ni -суміжні десяткові числа.
Таблиця 4.1
- Таблиця результатів вимірювання
|
Вхідне число
|
Показання тумблерів
|
Uвих,В
|
h,В
|
,%
|
|
Десяткове
|
Двійкове
|
[8]
|
[7]
|
[6]
|
[5]
|
[4]
|
[3]
|
[2]
|
[1]
|
|
|
|
|
0
|
00000000
|
0
|
0
|
0
|
0
|
0
|
0
|
0
|
0
|
0
|
0
|
0
|
|
1
|
00000001
|
0
|
0
|
0
|
0
|
0
|
0
|
0
|
1
|
0,013
|
0,013
|
0
|
|
2
|
00000010
|
0
|
0
|
0
|
0
|
0
|
0
|
1
|
0
|
0,025
|
0,012
|
0,1
|
|
3
|
00000011
|
0
|
0
|
0
|
0
|
0
|
0
|
1
|
1
|
0,038
|
0,013
|
0,1
|
|
4
|
00000100
|
0
|
0
|
0
|
0
|
0
|
1
|
0
|
0
|
0,05
|
0,012
|
0,1
|
|
5
|
00000101
|
0
|
0
|
0
|
0
|
0
|
1
|
0
|
1
|
0,063
|
0,013
|
0,1
|
|
6
|
00000110
|
0
|
0
|
0
|
0
|
0
|
1
|
1
|
0
|
0,075
|
0,012
|
0,1
|
|
7
|
0
|
0
|
0
|
0
|
0
|
1
|
1
|
1
|
0,088
|
0,013
|
0,1
|
|
8
|
00001000
|
0
|
0
|
0
|
0
|
1
|
0
|
0
|
0
|
0,1
|
0,012
|
0,1
|
|
9
|
00001001
|
0
|
0
|
0
|
0
|
1
|
0
|
0
|
1
|
0,113
|
0,013
|
0,1
|
|
10
|
00001010
|
0
|
0
|
0
|
0
|
1
|
0
|
1
|
0
|
0,125
|
0,012
|
0,1
|
|
11
|
00001011
|
0
|
0
|
0
|
0
|
1
|
0
|
1
|
1
|
0,138
|
0,013
|
0,1
|
|
12
|
00001100
|
0
|
0
|
0
|
0
|
1
|
1
|
0
|
0
|
0,15
|
0,012
|
0,1
|
|
13
|
00001101
|
0
|
0
|
0
|
0
|
1
|
1
|
0
|
1
|
0,163
|
0,013
|
0,1
|
|
14
|
00001110
|
0
|
0
|
0
|
0
|
1
|
1
|
1
|
0
|
0,175
|
0,012
|
0,1
|
|
15
|
00001111
|
0
|
0
|
0
|
0
|
1
|
1
|
1
|
1
|
0,188
|
0,013
|
0,1
|
|
…
|
…
|
|
|
|
|
|
|
|
|
…
|
…
|
0,1
|
|
253
|
11111101
|
1
|
1
|
1
|
1
|
1
|
1
|
0
|
1
|
3,163
|
0,013
|
0,1
|
|
254
|
11111110
|
1
|
1
|
1
|
1
|
1
|
1
|
1
|
0
|
3,175
|
0,012
|
0,1
|
|
255
|
11111111
|
1
|
1
|
1
|
1
|
1
|
1
|
1
|
1
|
3,188
|
0,013
|
0,1
|
На основі таблиці побудуємо характеристику перетворення ЦАП.
Рисунок 4.1 - Характеристика перетворення цифро-аналогового
перетворювача
Характеристика перетворення восьмирозрядного двійкового ЦАП є лінійною,
але присутня погрішність перетворення.
Проведемо дослідження ЦАП в динаміці.Схема ЦАП на основі матриці типу
R-2R розміщена в додатку А(рис. А.2).
Схема ЦАП у динаміці має незначні погрішності перетворення, тому
сходинки дещо відрізняються за висотою і шириною, проте оскільки ця погрішність
є невеликою, і її максимум складає близько 1% , то дану схему також можна
вважати відносно лінійною.
Рисунок 4.2 - Часова діаграма схеми ЦАП в динаміці
4.2 Проектування схеми АЦП
На основі отриманих параметрів у попередніх двох розділах
побудуємо схему АЦП послідовного наближення. (Додаток Б)
В основі роботи цього класу АЦП полягає принцип послідовного
порівняння вхідної напруги з Ѕ, ј, 1/8 і т.і. від можливого максимального
значення вхідної напруги. Це дозволяє для N-розрядного АЦП послідовного
наближення виконати увесь процес перетворення за N послідовних ітерацій замість
2N - 1 при використанні послідовного лічіння і одержати суттєвий виграш у
швидкодії. Так, вже при N=10 цей виграш досягає 100 разів і дозволяє одержати
за допомогою таких АЦП до 105...106 перетворень за секунду. У той же час
статична похибка перетворювачів цього типу, що залежить відвикористаного ЦАП,
може бути дуже малою, що дозволяє реалізувати роздільну здатність до 18
двійкових розрядів при частоті вибірок до 200 кГц (наприклад, DSP101
фірмиBurr-Brown).
Після подачі команди „Пуск” прямокутні імпульси
функціонального генератора та тактові імпульси тактового генератора формують
напругу, яка збільшує вміст лічильника і потрапляє на номінали резисторів ЦАП,
який в свою чергу формує компенсуючу напругу, яка порівнюється з вхідною
напругою. Якщо компенсуюча напруга більша від вхідної - вміст лічильника та
крок квантування збільшується на одиницю. Коли компенсуючи напруга буде рівною
вхідній то лічильник зупиниться і кодування завершується.
ВИСНОВКИ
перетворювач аналоговий цифровий схема
Під час виконання курсової роботи було проведено ряд
розрахункових параметрів які необхідні для проектування схем АЦП і ЦАП. Була
визначена частота дискретизаціїfд; інтервал дискретизаціїТд;число
рівнів квантування L; довжина двійкового коду n; тривалість двійкового символуТб;відношення
сигнал/шум квантування rкв для розрахованих параметрів АЦП;допустима ймовірність
помилки символу рдоп в каналі зв'язку (на вході ЦАП).
На основі отриманих параметрів було спроектовано наступні
схеми: ЦАП на основі матриці двійковозважених резисторів в статиці і динаміці,
а також АЦП послідовного наближення. Переваги схем ЦАП в статиці і динаміці
наступні:
Відносно не велика похибка перетворення як у
динаміці так і у статиці
Простота в реалізації
Можливість роботи схеми ЦАП в динаміці як у
автоматичному так і в ручному режимі
Недоліком ЦАП на матриці двійково-зважених резисторах є
досить значна кількість номіналів - шість. Цей недолік усунений в ЦАП на
матриці типу R - 2R.
Перевагою АЦП послідовного наближення є висока роздільна
здатність, яка зумовлена відсутністю зворотного зв’язку.
В ході виконання курсової роботи було закріплено основні
навички з курсів «Комп’ютерна схемотехніка», «Теорія електричних кіл», «Теорія
інформації і кодування» і «Комп’ютерна електроніка».
СПИСОК ВИКОРИСТАНИХ ДЖЕРЕЛ
1. Теория передачи сигналов: Учебник для вузов / А.Г. Зюко и
др. - М.: Радио и связь, 1986.
1
Панфілов
І.П., Дирда В.Ю., Капацін А.В. Теорія електричного зв'язку: Підручник для вузів
першого та другого рівнів акредитації. - К.: Техніка, 1998.
2 Бабич Н.П., Жуков И.А. Основы
цифровой схемотехники: Учебное пособие. - М.: Издательский дом «Додэка-XXI», К.: «МК-Пресс», 2007. - 480 с.
3 Процюк Р.О., Корнейчук В.И.,
Кузьменко П.В., Тарасенко В.П. Компьютерная схемотехника (краткий курс). - К.:
«Корнійчук», 2006. - 433 с.
4 Кривуля Г.Ф., Рябенький В.М.,
Буряк В.С. Схемотехніка: Навч. посібник. - Харків: ТОВ «Компанія СМІТ», 2007. -
250 с.
5 Хоровиц П., Хилл У. Искусство
схемотехники. В 2-х кн.- М.: Мир, 1984. - 598 с. В.А. Скаржепа, А.Н. Луценко.
Электроника и микросхемотехника. К :”Высшая школа”, 1989, кн.1, кн 2.
ДОДАТКИ
Додаток А
Рисунок А.1 - Cхема
восимирозрядного ЦАП на матриці типу R-2R в статиці
Рисунок А.2 - Схема восьмирозрядного ЦАП на матриці типу R-2R в динаміці
Додаток Б

Рисунок Б.1- Схема восьмирозрядного АЦП послідовного
наближення