Синтез комбинационной схемы по логическим уравнениям

  • Вид работы:
    Курсовая работа (т)
  • Предмет:
    Информатика, ВТ, телекоммуникации
  • Язык:
    Русский
    ,
    Формат файла:
    MS Word
    527,14 Кб
  • Опубликовано:
    2013-09-23
Вы можете узнать стоимость помощи в написании студенческой работы.
Помощь в написании работы, которую точно примут!

Синтез комбинационной схемы по логическим уравнениям

Содержание

Введение

. Анализ технического задания

. Проектировочный раздел

.1 Логический расчёт

.2 Построение схемы электрической функциональной

.3 Реализация функции F1 на мультиплексоре

. Конструкторско-программный раздел

.1 Выбор элементной базы для схемы электрической принципиальной

.2 Компьютерное моделирование

.2.1 Используемые компоненты Electronics Workbench

Заключение

Литература

Введение

Цифровое устройство - это техническое устройство или приспособление, предназначенное для получения и обработки информации <#"669878.files/image001.gif">

Рисунок 2 - Условное обозначение мультиплексора (селектора) данных «1 из 8»

Основное назначение мультиплексора (селектора данных) - пересылка данных с определенного входа (от 0 до 7) на выход (W). Выбор того входа, с которого пересылаются данные, определяется двоичным кодом, поступающим на селекторные входы.

Для реализации комбинационной схемы, заданной функцией F1, на мультиплексоре воспользуемся методом расширения алфавита настройки, для чего необходимо использовать адресные входы в качестве входов данных и, для данного случая, вынести одну переменную(D) для подачи на информационные входы в качестве литерала.

Реализуем функцию F1 на мультиплексоре. Составим таблицу истинности для функции F1.

Таблица 3 - Реализация функции F1 на мультиплексоре

A

B

C

D

F

DX

0

0

0

0

0

D0 = 0

0

0

0

1

0


0

0

1

0

0

D1 = 0

0

0

1

1

0


0

1

0

0

1

D2 = 1

0

1

0

1

1


0

1

1

0

1

D3 = D’

0

1

1

1

0

0

0

0

1

D4 = 1

1

0

0

1

1


1

0

1

0

0

D5 = D

1

0

1

1

1


1

1

0

0

0

D6 = D

1

1

0

1

1


1

1

1

0

0

D7 = D

1

1

1

1

1



Согласно таблице строим функциональную схему:

Рисунок 3 - Реализация функции F1 на мультиплексоре

Для реализации функции F1 на мультиплексоре используем микросхему 74151, представляющую собой селектор-мультиплексор на 8 каналов со стробированием.

Рисунок 4 - Микросхема 74151

Схема электрическая принципиальная построения функции F1 на микросхеме 74151изображена на соответствующем чертеже.

3. Конструкторско-программный раздел

.1 Выбор элементной базы для схемы электрической принципиальной

В качестве элементной базы будем использовать микросхемы серии 7400. Серия 7400 содержит сотни устройств, обеспечивающих функции от базовых логических операций, триггеров, счётчиков, до шино-передатчиков специального назначения и арифметико-логических устройств. Сегодня поверхностно-монтируемые КМОП версии 7400 серии используются в потребительской электронике и в качестве согласовывающей логики в компьютерах и промышленной электронике. Быстрейшие элементы выполняются только для поверхностного монтажа. Устройства в DIP-корпусах много лет широко использовались в промышленности, теперь их применяют для быстрого прототипирования и обучения, оставаясь доступными для многих устройств. Используемые интегральные микросхемы серии 7400 показаны в перечне элементов.

Выбор требуемых микросхем осуществляется по схеме электрической функциональной. Исходя из данной схемы определяется необходимое количество различных элементов базиса «И-НЕ», в свою очередь элементы с большим количеством входов могут быть задействованы в качестве элементов с меньшим количеством входов, если это приводит к минимизации схемы электрической принципиальной, а также уменьшает количество типоразмеров используемых интегральных схем.

Для элементов базиса «И-НЕ» возможны следующие способы фиксации неиспользуемых входов:

подача значения логической единицы на неиспользуемый вход;

подача значения какого-либо используемого сигнала параллельно на неиспользуемый вход.

Выбор любого из способов определяется на этапе разработки схемы электрической принципиальной и зависит от ряда конструкторско-технологических факторов.

Согласно анализу схемы электрической функциональной, в схеме электрической принципиальной необходимо будет использовать 9 микросхем 7400. Также необходим источник питания +5В.

Рисунок 5 - Микросхема 7400

Составление схемы электрической принципиальной на базе микросхем серии 7400 осуществляется в соответствии с правилами и нормами составления электрических схем, сама же схема представлена на чертеже.

3.2 Компьютерное моделирование

Компьютерное моделирование представляет собой симуляцию работы составленной электрической принципиальной схемы в программе Electronics Workbench (EWB) либо в других программах, позволяющих создание виртуальных электрических схем.позволяет достаточно легко и быстро собирать схемы разной степени сложности. Наглядность представления способствует лучшему усвоению материала, а кроме того, позволяет получить первичные навыки работы с инженерным программным пакетом.

3.2.1 Используемые компоненты Electronics Workbench

Для того, чтобы собрать электрическую принципиальную схему, будем использовать следующие компоненты EWB:

Заземление


Компонент "заземление" имеет нулевое напряжение и таким образом обеспечивает исходную точку для отсчета потенциалов.

Источники напряжения +5В


Используя этот источники напряжения, можно устанавливать фиксированный потенциал узла +5 В или уровень логической единицы.

Соединяющий узел


Узел применяется для соединения проводников и создания контрольных точек. К каждому узлу может подсоединяться не более четырех проводников.

После того, как схема собрана, можно вставить дополнительные узлы для подключения приборов.

Библиотека DIGITAL ICs


В состав библиотеки DIGITAL ICs входят микросхемы 74 серии ТТЛ (аналоги отечественных серий: LS - 555, F-1531, ALS-1533, AC-1554, HC-1564, ACT-1594).Generator

Generator - генератор логических сигналов, позволяет выводить на 16 выходов различные комбинации логических сигналов.Analyzer

Analyzer - логический анализатор, позволяет наблюдать временные диаграммы до 16-ти логических сигналов.

Чтобы собрать электрическую схему, нужно:

. Поместить необходимый компонент на рабочее поле.

Для этого нужно: щелчком мыши выбрать соответствующую библиотеку элементов, подвести курсор мыши на нужную кнопку в библиотеке элементов и, нажав левую кнопку мыши и не отпуская ее, перетащить элемент на рабочее поле. Рядом с элементом будут отображены его параметры по умолчанию, которые в процессе работы могут быть изменены пользователем.

. Соединить элементы друг с другом.

Для этого нужно подвести курсор мыши к выводу элемента до появления маленького черного кружочка. Нажав левую кнопку мыши, подвести курсор к другому выводу до появления черного кружочка. После этого кнопку мыши можно отпустить.

Для соединения нескольких проводников провод от вывода элемента подводится к другому проводу до появления кружочка и отпускается кнопка мыши или ставится точка из библиотеки элементов BASIC.

При использовании в схеме микросхем, подключение источника питания и земли обязательно.

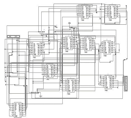
Собранная схема электрическая принципиальная изображена на рисунке 6.

Рисунок 6 - Схема электрическая принципиальная

Генератор слов используемый при симуляции изображен на рисунке 7.

Рисунок 7 - Генератор слов

Процесс компьютерного моделирования непосредственно представлен на рисунке 8, где изображен логический анализатор, отображающий режим работы составленной схемы.

Рисунок 8 - Логический анализатор

Исходя из сравнения графиков логического анализатора и значений таблицы истинности функций F1, F2, F3 можно сделать вывод, что схема электрическая принципиальная собрана верно и работает в нужном режиме, который соответствует теоретическим расчетам.

Заключение

В данном курсовом проекте был разработан функциональный блок, имеющий четыре входа и три выхода, реализующий три логических функции: F1, F2, F3. Функция F1 построена на основе мультиплексора восемь к одному (микросхема 74151), функции F2 и F3 - на микросхемах 7400 (4 И-НЕ). При разработке функционального блока был использован метод компьютерного моделирования с использованием программного пакета Electronic Workbench (EWB), позволяющим легко и быстро проектировать электрические схемы любой сложности. Применение САПР AutoCAD значительно сократило трудоёмкость проектирования и подготовки чертежей электрических схем.

Литература

1.   Симоненко А.В. Проектирование цифрового устройства. - Киев: СГУ, 2009.

2.      Фещенко Т.И., Сычева Ю.С., Образцова О.Н., Василевская Н.И. Оформление курсовых и дипломных проектов: методические указания для студентов специальности 1-08 01 01-02 «Профессиональное обучение. Радиоэлектроника» и учащихся специальностей 2-39 02 02 «Проектирование и производство РЭС», 2-41 01 31 «Микроэлектроника», 20-40 02 02 «Электронные вычислительные средства», 2-39 02 31 «Техническая эксплуатация РЭС». - Мн.: МГВРК, 2006.

.        Шило В.Л. Популярные цифровые микросхемы: справочник, - Москва; металлургия, 1988.

4.   Орнадский П.П. Автоматические измерения и приборы. - К.; Техника,1990.

5.      Якубовский С.В., Нильсон Л.И., Кулешова В.И. Цифровые и аналоговые интегральные микросхемы: Справочник / Под ред. С.В. Якубовского. - М.: Радио и связь, 1990.

Похожие работы на - Синтез комбинационной схемы по логическим уравнениям

 

Не нашли материал для своей работы?
Поможем написать уникальную работу
Без плагиата!
Без нейросетей!