Расчет параметров выпрямительно-инверторного преобразователя, выполненного по шестипульсовой мостовой схеме
Федеральное Агентство
Железнодорожного Транспорта
Иркутский Государственный Университет
Путей Сообщения
Кафедра:
Электроснабжение Железнодорожного Транспорта
Дисциплина:
“Электронная
техника и преобразователи”
Дипломная
Работа
Расчет
параметров выпрямительно-инверторного преобразователя, выполненного по
шестипульсовой мостовой схеме
Выполнил: Исполнев Н.Н
Проверил: преп.
Ушаков В.А.
Иркутск 2013
г
Содержание
1.Задание
.Требуется
. Выбор типа вентилей
. Расчёт проектных параметров трансформатора
. Расчёт числа параллельно включенных вентилей плеча
. Расчёт числа последовательно включенных вентилей
. Расчёт характеристик преобразователя
. Схемы плеча выпрямителя и инвертора из последовательно-
параллельно включенных вентилей
. Модель схемы инвертирования
. Модель схемы выпрямления
1. Задание
Трёхфазный мостовой выпрямительно-инверторный преобразователь (ВИП)
питается от сети с номинальным напряжением UС=U1Л и заданными
пределами колебания этого напряжения %UС Известна мощность короткого замыкания SКЗ, характеризующая реактанс связи точки подключения ВИП и
шин бесконечной мощности энергосистемы.
Заданы следующие параметры и соотношения для ВИП:
·
Напряжение
короткого замыкания трансформатора UК%;
·
Среднее значение
выпрямленного напряжения и тока в номинальном режиме (Udн, Idн);
·
Соотношение числа
витков вентильных обмоток инвертора и выпрямителя Ки=U2и/U2в;
·
коэффициенты
повторяющихся и неповторяющихся перенапряжений Кп, Кнп.
Номинальные мощности выпрямителя и инвертора одинаковы S1в=S1и.
. Требуется
Рассчитать проектные параметры трансформатора и выбрать его по
стандартной шкале мощностей.
Выбрать типы вентилей с воздушным охлаждение для выпрямителя и инвертора
и, варьируя класс вентилей К, рассчитать параметры вентильных плеч, обеспечивающих
номинальный режим и устойчивость к перенапряжениям заданной величины и токам
аварийных режимов выпрямителя и инвертора.
Определить наиболее дешёвый комплект вентилей.
Рассчитать параметры цепей выравнивания обратных напряжений
последовательно соединённых вентилей и выбрать схему выравнивания токов в
параллельных ветвях вентильных плеч соответственно для выпрямителя и инвертора.
Нарисовать схему вентильного плеча.
Выполнить расчёты и построение внешней характеристики выпрямителя,
внешних и ограничительной характеристики инвертора, коэффициентов мощности
выпрямителя и инвертора.
Построить временные диаграммы фазных напряжений вентильных обмоток
выпрямителя и инвертора с отображением коммутационных процессов, диаграммы
токов в этих обмотках, мгновенных значений выпрямленного напряжения и
напряжения инвертора, напряжения на одном из вентилей. Построить векторные
диаграммы напряжения и первой гармоники сетевого тока для выпрямительного и
инверторного напряжений.
Схема выпрямительно-инверторного преобразователя
3. Выбор типа
вентилей
Используя
данные таблицы подстановок и построенные по данным таблицы диаграммы, выберем
тип и класс неуправляемого вентиля, обеспечивающего наилучшие
технико-экономические показатели при разных значениях скорости охлаждающего
воздуха (12,6 м/сек).
Наилучшие технико-экономические показатели выпрямителя для неуправляемого
вентиля типа В8-200, обеспечиваются при скорости охлаждающего воздуха 12 и 6
м/сек. По диаграммам определяем тип неуправляемого вентиля: В8-200, при
скорости охлаждающего воздуха 6 м/сек. Стоимость плеча: 445 руб., число
вентилей плеча: 14. По таблицам для В8-200 выберем класс
|
СТОИМОСТЬ ПЛЕЧА ВЫПРЯМИТЕЛЯ
|
ЧИСЛО ВЕНТИЛЕЙ ПЛЕЧА
ВЫПРЯМИТЕЛЯ
|
|
Класс
|
В8-200
|
В8-200
|
|
42
|
14
|
|
14
|
|
Минимальная стоимость плеча
|
445
|
Минимальное число вентилей
плеча
|
14
|
Используя
данные таблицы подстановок и построенные по данным таблицы диаграммы, выберем
тип и класс неуправляемого вентиля, обеспечивающего наилучшие
технико-экономические показатели инвертора при выбранном значении скорости
охлаждающего воздуха 6 м/сек:
По диаграммам определяем тип управляемого вентиля: выберем тиристор типа
Т-500, стоимостью1703 руб., т.к. количество вентилей Т-500 равно 30.
По таблицам для Т-500 выберем класс :
|
СТОИМОСТЬ ПЛЕЧА ИНВЕРТОРА
|
ЧИСЛО ВЕНТИЛЕЙ ПЛЕЧА
ИНВЕРТОРА
|
|
Класс
|
Т-500
|
|
Т-500
|
|
16
|
30
|
|
|
|
Минимальная стоимость плеча
|
1702,8
|
Минимальное число вентилей
плеча
|
30
|
Для выпрямителя:
Тип неуправляемого вентиля: В8-200уд=7100,0 А
Iо max=40,0 мА=1,1 Bд=0,00121
Ом
Скорость потока охлаждения воздухом V = 6 м/с:т, град.С/Вт 2 0,35
= 169
Для
инвертора:
Тип
управляемого вентиля: Т-500уд=7700,0 Ао max=50,0 мA
Uo=1,3 B
Rд=0,000500 Омт,
град.С/Вт 0,10
(допустимое
превышение температуры) 85
= 432
Параметры
ВИП и сети:н=3300 Вн=3000 А
Кп=Uком/Uвmax
=1,65
Колебания
напряжения сети % от Uc=5
Номинальное
напряжения сети Uc=10 кВк% (напр.к.з. трансформ.)=11
Кнп=Uнп/Uвmax
= 2,4
кз=425
мВА
Ки=U2и/U2в
=1,25
=arccos(U2в/U2и)=36,9
эл. гр
4. Расчёт
проектных параметров трансформатора
Выпрямитель:
=Udн/(1-0,5Uк%/100)
где Udн - среднее выпрямленное напряжение
при номинальной нагрузке
Uк% -
напряжение короткого замыкания преобразовательного трансформатора
Udo=
= 3492,1 В
Расчетная
мощность выпрямителя.
=Udo·Idн
где
Idн - номинальный ток выпрямителя;=3492,1
·3000=10476,2кВт
Действующее
значение фазного напряжения вентильной обмотки трансформатора в режиме
выпрямления.
в=Udo/2,34=3492,1/2,34=1492,3В.
Действующее
значение фазного тока вентильной обмотки трансформатора в режиме выпрямления.
I2в=0,816·Idн=0,816·3000=2449,5
А
Расчётная
мощность вентильной обмотки
2=
1,05·Pdo=1,05·10476,2=11000 кВА
Коэффициент
трансформации преобразовательного трансформатора в выпрямительном режиме.
КтВ=Uc/(1,73·U2в)
где
Uc - номинальное напряжение сети - 10 кВ
КтВ
=10000/(1,73·1492,3) = 3,87
Действующее
значение номинального тока сетевой обмотки
1н=
I2н/Kтb=2449,5 /3,87=633, А
Номинальная
мощность сетевой обмотки.
=1,05·Pdo=1,05·10476,2=11000
кВА
Типовая
мощность трансформатора.
т=S1=S2=1,05·Pdo=1,05·10476,2=11000 кВА
Инвертор:
Номинальный
ток инвертора.
ин=I2н/Kи
где
Idн - номинальный ток выпрямителя
Ки=1,25ин=2449,5/1,25=2400
А
Действующее
значение фазного напряжения вентильной обмотки трансформатора в режиме
инвертирования.
и=U2в·Kи=1492,3·1,25=1865,4В
Действующее
значение фазного тока вентильной обмотки трансформатора в режиме
инвертирования.
2и=I2в/Kи=2449,5/1,25=1959,6
А
Коэффициент
трансформации преобразовательного трансформатора в инверторном режиме.
Кти=Kтв/Kи=13,9/1,25=3,1н=I2и/KтиY=1959,6/3,1=633,1
А
. Расчёт числа параллельно включенных вентилей плеча
Выбираем неуправляемый вентиль для выпрямителя: В8-200.
Выбираем управляемый вентиль для инвертора: Т-500.
Выпрямитель:
Индуктивное сопротивление фазы трансформатора и сети приведённое к
напряжению вентильной обмотки выпрямителя.
где
Sкз - мощность короткого замыкания на шинах питающей
сети
Активное
сопротивление фазы трансформатора и сети приведённое к напряжению вентильной
обмотки выпрямителя
где
=0,006·S1н
Амплитуда
установившегося тока короткого замыкания, протекающего через вентильное плечо
выпрямителя
Амплитуда
тока аварийного режима выпрямителя
удв=1,2·
Im=1,2·25504=30605 А
Число
параллельно включенных вентилей в вентильном плече.
пар1
= (Idн/3)·Кн/Iп (расчёт по току плеча)
где
Кн=1,15пар1 = (3000/3)·1,15/169 = округляем до 7
где
Iуд - ударный ток вентиляпар2 = 1,15·30605/7100 =
округляем до 5
Принимаем
5 вентилей.
По
расчётам принимаем максимальное значение параллельных вентилей, а именно - 7.
Выберем
максимальное значение:
пар.max=7
Инвертор:
Индуктивное
сопротивление фазы трансформатора и сети, приведённое к напряжению вентильной
обмотки инвертора
аи
= Xaв·(Ки)2=
·1,252=
Ом
Активное
сопротивление фазы и сети, приведённое к напряжению вентильной обмотки
инвертора
аи
= Rав(Ки)2=
·1,252=
Ом
Число
параллельно включенных вентилей в вентильном плече.
пар1
= (Iин/3)·Кн/Iп (расчёт по току плеча)
пар1
= (3000/3)·1,15/169= округляем до 3
Принимаем
- 3.= 6,28 Ом= 0,016 Ом
Амплитуда
тока аварийного режима выпрямителя
Nпар2
= Кн·iудп /Iуд (расчёт по току iудп)
пар2
= 1,15·16285/7100=3
Из
двух вычислений выбираем число вентилей - 3
Выберем максимальное значение: Nпар.max=3
. Расчёт числа последовательно включенных вентилей.
Выпрямитель:
Максимальное обратное напряжение, прикладываемое к вентильному плечу.
вmax=1,045·Udo=0,523·3492,1=3649 В
Расчётный класс вентильного плеча
Введём
выбранный нами класс неуправляемых вентилей К для выпрямителя: класс 42, ,
стоимость вентиля(вводится автоматически): 28,5
Повторяющееся
напряжениеп=100·К
где
К - класс неуправляемого вентиляп=100·42 = 4200 В
Неповторяющееся
напряжение
нп=116·К=116·42=4872
В
Число
последовательно включенных вентилей в вентильном плече
посл1
= Кн·(1+Uc%/100)·Uвmax·Кп/Uп
где
Uс% - колебания напряжения
сетипосл1=1,15·(1+5/100)·3649·1,65/4200 = округляем до 2
посл2=Кн·(1+Uc%/100)·Uвmax·Кнп/Uнп
посл2=1,15(1+5/100)·3649·2,4/4872=
округляем до 2посл.max=2
По
результатам расчёта получаем 2 последовательно включенных вентилей в плече.
Расчет
стоимости вентильного плеча выпрямителя
Выбранный
тип вентиля: В8-200
Общее
число вентилей плеча: 14
Стоимость
плеча(+10% для нелавинных вентилей): 397,3
Стоимость
плеча с охладителями: 444,9
Инвертор.
Максимальное обратное напряжение, прикладываемое к вентильному
плечувmax=4562 B
Выбранный класс вентиля K=16
Введём выбранный нами класс управляемых вентилей К для инвертора: 16
Повторяющееся напряжение Uп = 1600 В
Неповторяющееся напряжение Uнп (для нелавинных) = 1776 В
Число последовательно включенных вентилей в вентильном плече
посл1=Кн·(1+Uc%/100)·Uвmax·Кп/Uп+1посл1=1,15·(1+5/100)·4562·1,65/1600+1 =
округляем до 7
посл2=Кн·(1+Uc%/100)·Uвmax·Кнп/Uнп+1 (32)
посл2=1,25·(1+5/100)·4562·2,25/1776+1 = округляем до 10посл.max = 10
Выбираем 10 последовательно включенных вентилей.
Расчет числа вентилей в инверторе
Общее число вентилей плеча: 30
Стоимость плеча с охладителями: 1702,8
. Расчёт характеристик преобразователя
трансформатор преобразователь вентиль выпрямитель
Расчёт внешней характеристики выпрямителя.
Внешняя характеристика выпрямителя Ud=f(Id) определяется по двум точкам Ud0 и Udн и строится в первом квадранте.
=Udн/(1-0,5·Udн%/100)= 3492,1В
н=3000 А; Udн=3300 В.
Расчёт внешней характеристики инвертора.
Внешняя характеристика инвертора Uи=f(Iи) может быть построена по двум
точкам: Uи0 при Iи=0 и Uин
при Iи=Iин.
Естественная
внешняя характеристика инвертора при постоянстве угла опережения
имеет прямолинейный возрастающий характер и строится
во втором квадранте совместно с внешней характеристикой выпрямителя:
Искусственная
стабилизированная характеристика Uи=Uи0=const формируется путём автоматического увеличения угла
опережения β
с ростом тока инвертора и проводится
горизонтально на уровне Uи0=Ud0.
Ограничительная характеристика инвертора.
Ограничительная характеристика определяет в точках пересечения с внешними
характеристиками границы устойчивой работы инвертора по условию опрокидывания и
является прямолинейной падающей. Для её построения используются две точки
характеристики:
Углы
коммутации ВИП (эл.град.)
Выпрямителя:
=arccos(1-2·I
·Xав/2,45·U2в)
При
Id=0,5·Idн
=arccos(1-3000·0,0825/2,45·1492,3)=21,2
эл.град
При
Id=Idн
=arccos(1-2·3000·0,0825/2,45·1492,3)=30,2
эл.град
Инвертора:
(
) - cos
= Iи·Xаи/2,45·U2и
при
Iи=0,5·Iин
= 7,1 эл.град
при
Iи=Iин
= 16,2 эл.град
Коэффициенты
мощности ВИП
Выпрямителя:
·cos(
/2),
=0,955
При
Id=0,5·Idн
= 0,955·сos(0,5·21,2)=0,939
При
Id=Idн
= 0,955·сos(0,5·30,2)=0,922
Инвертора:
cos(
/2) ,
=0,955
При
Iи=0,5·Iин
=0,955·cos(36,9-0,5·7,1)=0,798
При
Iи=Iин
=0,988·cos(36,9-0,5·16,2)=0,837
Максимальные
токи инвертора:
При
работе инвертора по естественной характеристике:
При
=constи1max=100/(Uк%)·Iин·(1-cos
)=100/(11)·2400·(1-cos36,9)=4032,2 А
При
работе инвертора по искусственной характеристике:
При
Uи=Uио=Udо
Iи2max
=100/(0,5· Uк%)·Iин·(1-cos
)=100/(0,5·11)·2400·(1-cos36,9)=8064,3А
Расчёт
параметров устройства выравнивания напряжения
Выпрямитель
на вентилях - В8-200
Шунтирующее
сопротивление
Ш=(Nпосл·Uп-Uвmax)/(Nпосл-1)·Nпар·Iomax·0,001=(2·4200-3649)/(2-1)·7·40·0,001
=16967Ом
Мощность резистора RШ
=Iomax·0,001·Nпар·Uвmax/Nпосл=40·0,001·7·3649/2=510,9 Вт,
где
Iomax - максимальный обратный ток вентиля.
Ёмкость
шунтирующего конденсатора Cв=Nпар=7 мкФ.
Рабочее
напряжение шунтирующего конденсатора Uc=1,5·Uп=1,5·4200=6300
В.
Rв=1,43 Ом, Rс=0,2
Ом.
Инвертор
на тиристорах - Т-500
Шунтирующее
сопротивление
Ш=(Nпосл·Uп-Uвmax)/(Nпосл-1)·Nпар·Iomax·0,001=
(10·1600-3649)/(10-1)·3·50·0,001=8473 Ом
Мощность резистора RШ
=(Iomax·0,001)·Nпар·Uвmax/Nпосл=(50·0,001)·3·4562/10=68,4 Вт,
Ёмкость
шунтирующего конденсатора Cв=Nпар=3 мкФ.
Рабочее
напряжение шунтирующего конденсатора Uc=1,5·Uп=1,5·1600=2400
В.
в=10/Nпарmax=10/3=3,33 Ом, Rс=0,2
Ом.
8.Схемы
плеча выпрямителя и инвертора из последовательно-параллельно включенных
вентилей
Плечо
выпрямителя
Плечо
инвертора
.
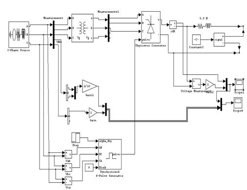
Модель схемы инвертирования
Шестипульсовая
схема инвертирования, смоделированная в среде пакета Matlab.
Настройка
схемы
Настройка
источника Настройка трансформатора
Настройка
нагрузки
Настройка
константы
Настройка
блока Step
Осциллограмма
токов и напряжений до и после опрокидывания инвертора
Нормальный
режим:
Осциллограмма
токов и напряжений в режиме инвертирования

При
опрокидывании инвертора на его зажимах возникает переменное напряжение, равное
линейному напряжению вентильных обмоток трансформатора (синусоида зеленого
цвета).
.
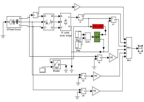
Модель схемы выпрямления
Шестипульсовая
схема выпрямления, смоделированная в среде пакета Matlab
Выпрямитель
Настройка
схемы:
Настройка
источника
Настройка
трансформатора
Настройка
нагрузки
Осциллограмма
токов и напряжений в нормальном режиме и при коротком замыкании на зажимах
выпрямителя в момент времени 0.2 сек.
Нормальный
режим работы выпрямителя
Аварийный
режим - К.З. на зажимах выпрямителя