Разработка устройства контроля вибрации газотурбинного двигателя
Разработка
устройства контроля вибрации газотурбинного двигателя.
Вариант № 3
Содержание:
1. Цель проекта
2. Основные исходные данные
3. Используемый инструментарий
4. Вибрационные датчики
5. Виртуальные приборы.
Имитатор
6. Датчик
7. Индикатор
8. Симулятор
Список используемой литературы
1. Цель проекта
В результате выполнения курсового проекта
необходимо рассчитать конструктивные параметры и разработать упрощенную
конструкцию датчика вибрации электромагнитного типа, разработать и протестировать
алгоритм работы вторичного устройства обработки и виртуальный прибор,
обеспечивающий формирование заданной частотной характеристики и сигнализацию о
достижении заданного уровня виброскорости. При работе над проектом должны быть
применены знания, полученные при изученные программных пакетов математического
моделирования и компьютерного конструирования.
. Основные исходные данные
Диапазон контролируемых частот разделен на два
поддиапазона
·От
20 до 195 Гц
·От
200 до 1950 Гц
Заданный уровень виброскорости составляет
среднее значение для каждого поддиапазона.
Достижение верхних границ поддиапазонов требует
включения соответствующих аварийных сигнализаторов.
Предел погрешности выходного сигнала по частоте
не выше 4%.
. Используемый инструментарий
Расчет параметров датчика (габариты постоянного
магнита, жесткость и размеры пружин, размер корпуса. Параметры электрической
обмотки), а также расчет параметров электронного блока и величины погрешностей
измерения должны выполняться в пакете математического моделирования Labview
Средствами пакета Labview
необходимо реализовать упрощенный виртуальный инструмент, моделирующий работу
канала измерения вибрации с использованием электромагнитного датчика вибрации.
Датчик измерительного преобразователя, электронный блок, каналы связи и
индикатор должны быть выполнены в виде самостоятельных виртуальных
инструментов. Передача данных должна быть реализована с использованием
последовательного интерфейса. В качестве индикатора следует использовать
стрелочный прибор с аварийными лампами, свидетельствующими о превышении
заданных предельных значений вибрации.
4. Вибрационные датчики
На рис. 1 показаны основные элементы устройства
для измерения вибраций - датчика вибраций. В простейшей схеме датчик вибраций
можно представить в виде сейсмической массы m , прикреплённой пружинами внутри
корпуса. Корпус установлен на конструкции, вибрации y которой должны быть
измерены.
Рис. 1. Принципиальная схема датчика вибраций. х
-координата массы; у - координата поверхности, на которой закреплён датчик; z -
сигнал с датчика; m -масса; k - жесткость подвеса; c - демпфирование в датчике
Очевидно, что сейсмическая масса внутри корпуса
совершает относительное движение x- y.
Чтобы понять принцип работы датчика, рассмотрим
уравнение движения сейсмической массы m:

(1)
Обозначим относительное перемещение
массы и корпуса

(2)
Объединяя уравнения (1) и (2),
получаем

(3)
В предположении гармонического
движения конструкции, на которой установлен корпус

(4)
получим

(5)
Решение уравнения (5) ищется в виде

(6)
Проведя соответствующие подстановки,
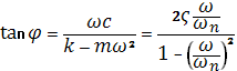
получим выражение для амплитуды относительного смещения Z:

(7)
и его фазы:

(8)
В выражениях (7) и (8) V - относительный коэффициент
демпфирования, wn - частота
собственных колебаний. На рис.2 представлена графическая интерпретация решения.
Рис.2. Амплитудно-частотная
характеристика устройства для измерения вибраций.
Полученные уравнения являются общими
для всех типов вибрационных датчиков. Сам же тип датчика определяется
соотношениями его резонансной частоты и частотным диапазоном измеряемого
сигнала. В соответствии с этим можно выделить два типа датчиков - сейсмометры и
акселерометры.
Сейсмометр имеет очень низкую
частоту собственных колебаний. Поэтому область частот, для которых такой датчик
используется, характеризуется большой величиной w / wn. Если w / wn ®¥, то
относительное перемещение становится равным Y, или Z / Y = 1. Поэтому масса m
находится в стационарном положении, в то время как корпус датчика движется
вместе с колеблющимся телом.
Одним из основных недостатков
сейсмометра является его большой размер. Так как |Z| = |Y| , то относительное
движение сейсмической массы должно быть того же порядка, что и вибрации,
которые должны быть измерены.
Относительное движение обычно в
сейсмометрах преобразуется в электрическое напряжение. В корпусе сейсмометра
помещается обмотка, через которую и будет проходить сейсмическая масса,
выполненная из магнитного материала. Так как напряжение, возникающее в обмотке,
пропорционально скорости изменения магнитного потока, то напряжение на выходе
датчика пропорционально скорости колеблющегося тела. Обычно датчики такого
типа, применяемые в двигателестроении имеют собственную частоту в диапазоне до
30 Гц и полезный частотный диапазон до 500 Гц. Чувствительность датчиков составляет
около 100 мВ с/см, максимальное перемещение около 1 мм.
Акселерометры имеют высокую частоту
собственных колебаний. Частотный диапазон, в котором они обычно работают,
определяется величиной w / wn, которая
лежит в пределах от 0 до 0,4. Из уравнения (7) видно, что при |w / wn| ®0, перемещение становится
равным

(9)
т.е. пропорциональным ускорению
движения, которое должно быть измерено. Чувствительность датчика уменьшается с
увеличением частоты собственных колебаний wn , поэтому
эта частота не должна быть больше, чем необходимо.
5. Виртуальные приборы. Имитатор
1. Предполагаем, что вибрацию можно
представить в виде однотонального синусоидального сигнала.
. На выходе имитатора - смещение z(t),
а не виброскорость. Максимальная амплитуда смещения выбрана из практики.
. Важно: в виртуальном приборе для
синтеза виртуального аналогового сигнала используется виртуальный ЦАП.
Следовательно, частота дискретизации должна быть не менее, чем в два раза
больше наивысшей частоты сигнала или наивысшей частоты среза фильтра при
необходимости фильтрации сигнала (см. ниже). Выбираем с запасом: 25000 Гц.
. Число отсчётов сигнала (#s
= 10000) подбиралось экспериментально при наблюдении тестовых «осциллограмм»,
чтобы удобно было наблюдать сигнал.
Рис.3. Передняя панель имитатор.vi.
Рис.4. Блок-схема имитатор.vi.
6.
Датчик
В электромагнитных датчиках выходное напряжение
подвижной катушки, находящейся в поле постоянного магнита, пропорционально
производной по времени от магнитного потока. Эта производная, в свою очередь,
пропорциональна скорости перемещения катушки относительно закреплённого в
корпусе магнита, то есть производной от относительного движения z(t).
Из уравнений (6) и (9), дифференцируя (6),
получаем, что виброскорость (скорость перемещения катушки) v
равна

(10)
Здесь k -
масштабный коэффициент. Из уравнения (10) видно, что выходной сигнал датчика
пропорционален частоте. Дли имитации частотной зависимости входной сигнал - y(t) - проходит
через фильтр верхних частот (ФВЧ) 1-го порядка с характеристикой Баттерворта
(крутизна 20 дБ/декаду). Частота дискретизации, естественно, такая же как и в
имитаторе.
Рис.5. Передняя панель датчик.vi.
Рис.6. Блок-схема датчик.vi.
7.
Индикатор
Индикатор отображает контрольные параметры
(осциллограммы y(t),
z(t)
и частотный спектр z(t)),
амплитуду и частоту виброскорости. Кроме того в этом VI
с помощью элементов сравнения определяется, лежит ли частота вибрации в
границах диапазонов.
Рис.7. Передняя панель индикатор.vi.
Рис.8. Блок-схема индикатор.vi.
8.
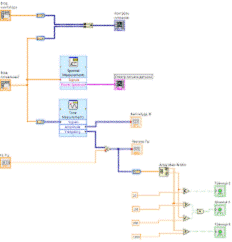
Симулятор
Это и есть главный VI,
в котором в качестве элементов используются описанные выше VI.
Выполнение программы происходит в теле
бесконечного цикла While.
Условие принудительного выхода из цикла - нажатие кнопки STOP.
Об оформлении.
Передняя панель VI
разделена на функциональные зоны. Наличие функциональной зоны КОНТРОЛЬ
обусловлено удобством визуальной регистрации сигналов.
Замечание об уширении спектральной линии на
некоторых частотах. Это следствие дискретности и возникающих из-за неё ошибок
округления при выполнении вычислений.
Рис.9. Передняя панель симулятор.vi.
Рис.10. Блок-схема симулятор.vi.
Список используемой литературы
1) В.А. Боднер. Авиационные
приборы, М.: ЭКОЛИТ, 2011.
) Асс Б.А и др. Детали
авиационных приборов, М: Машиностроение, 1979.
) Завьялов О.В. Методы
измерения вибрации М. Энергоиздат, 1973.
) Дорофеев С.С. Авиационные
приборы М. Военное издательство, 1992.
) Трэвис Дж., Кринг Дж.-
LabVIEW для всех, ДМК Пресс, 2005.
вибрация датчик частотный
электромагнитный
Приложение
1
Характеристики
отечественных вибропреобразователей
ВИБРОПРЕОБРАЗОВАТЕЛЬ тип МВ-43
Описание
Вибропреобразователь тип МВ-43, в дальнейшем
МВ-43, предназначен для преобразования механических колебаний в электрический
сигнал, пропорциональный виброускорению контролируемого объекта.
Вибропреобразователь МВ-43 является базовым для серии МВ. Разработанные на его
основе модификации имеют широкую область применения в отраслях общего
машиностроения, а также в составе исследовательских и диагностических
комплексов.
Используемые при изготовлении преобразователя МВ-43
конструкционные, пьезоэлектрические и изоляционные материалы обеспечивают
высокую стабильность нормализованного коэффициента преобразования, надежность и
долговечность (средняя наработка на отказ не менее 100000 часов, срок службы не
менее 15 лет), позволяют эксплуатацию в условиях воздействия пыли и песка,
специальных сред (масел, смазок, топлива на основе нефтепродуктов,
стерилизующих растворов).
Дифференциальная схема включения позволяет
снизить соотношение сигнал/шум и увеличить расстояние между вибропреобразователем
и входным устройством при использовании усилителя заряда и антивибрационного
кабеля типа «витая пара» до нескольких сотен метров.
Степень защиты МВ-43 по ГОСТ 14254 (Степени
защиты, обеспечиваемые оболочками) - IР67.
Вибропреобразователи МВ-43 вариантов исполнения
В и Г являются взрывозащищенными со “специальным” видом взрывозащиты и имеют
маркировку по взрывозащите 1ExsIIТ6Х.
Варианты исполнения вибропреобразователей и их
условные обозначения
Таблица 1. Основные характеристики МВ-43
|
Обозначения
|
Тип
вибропреобразователя
|
|
МВ-43-1
|
МВ-43-2
|
МВ-43-5
|
МВ-43-10
|
МВ-43-25
|
|
Технические
характеристики
|
|
Коэффициент
преобразования, пКлс2/м (пКл/g)
|
1.0
(9.81)
|
2.0
(19.6)
|
5.0
(49.1)
|
10.0
(98.1)
|
25.0
(245.2)
|
|
Отклонение
коэфф. преобразования от номи-нального значения в течение назначенного срока
службы, не более
|
±6
%
|
|
Частотный
диапазон, с неравномерностью частотной характеристики ±5 %, Гц
|
10
- 3000
|
|
10
- 5000
|
10
- 3000
|
|
|
Частотный
диапазон, с неравномерностью частотной характеристики ±10
%, Гц
|
10
- 5000
|
10
- 3000
|
10
- 10000
|
10
- 5000
|
10
- 3000
|
|
Частотный
диапазон, с неравномерностью частотной характеристики ±15
%, Гц
|
|
10
- 5000
|
|
|
10
- 5000
|
|
Относительный
коэффициент поперечного преобразования, не более
|
5
%
|
|
Нелинейность
амплитудной характеристики в диапазоне до 2000 м/с2 (200 g), не более
|
0,5
%
|
|
Частота
установочного резонанса, не менее, кГц
|
25
|
18
|
30
|
25
|
18
|
|
Температурная
погрешность в рабочем диапазоне -60 ºС... 250 С, не
более, %
|
-60
ºС 20 ºС 150 ºС 250 ºС
|
-
5 0 + 3 + 7
|
±5
0 ±5 ±10
|
|
Электрические
характеристики
|
|
Выход
|
Дифференциальный,
изолирован от корпуса
|
|
Емкость
между выводами, не менее, пФ
|
300
|
300
|
1800
|
3500
|
3500
|
|
Емкость
между выводами и корпусом, не более, пФ
|
30
|
|
Емкость
1 п. м кабеля АВКТД(Л), пФ
|
±
90 ... 120
|
|
Внутреннее
сопротивление (20 ºС), не
менее,
|
20 МОм
|
|
Внутреннее
сопротивление (250 ºС), не
менее
|
5
МОм
|
|
Сопротивление
изоляции (20 ºС), не
менее,
|
100
МОм
|
|
Сопротивление
изоляции (250 ºС), не
менее,
|
5
МОм
|
|
Физические
характеристики
|
|
Чувствительный
злемент
|
ТнаВ-1
|
ЦТС-26
|
|
Масса
МВ-43 без жгута, не более, кг
|
0,10
|
|
Материал
корпуса
|
нержавеющая
сталь
|
|
Конструкция
корпуса
|
сварная,
герметичная
|
|
Кабель
АВКТД(Л) (до 250 ºС)
|
антивибрационный,
гибкий, теплостойкий
|
|
|
|
|
|
|
|
Конструкция МВ-43 без жгута показана на рис.
Рис. 1
Чувствительный элемент МВ-43 состоит из блока
пьезоэлементов (7), электрически изолированного от корпуса МВ-43 (1)
изоляционными шайбами (2), и прижатого к нему гайкой (5) груза (6).
Регулировка коэффициента преобразования
осуществляется путем изменения массы обоймы (3).
Крышка (4) соединяется с корпусом (1) с помощью
сварки.
К корпусу (1) приварена вилка (9), которая
представляет собой вакуумплотное металлостеклянное соединение.
Жгут МВ-43 изготовлен из антивибрационного
двухпроводного экранированного кабеля и заканчивается розеткой соединителя.
Кабель АВКТД(Л) вибропреобразователя МВ-43 с буквами В и Г защищен
металлорукавом.
Присоединение жгута к штырям вилки (9)
осуществляется при помощи сварки. Место сварки заливается высокотемпературным
герметиком (на рис.1. не показано).
Принципиальная электрическая схема МВ-43 для
вариантов Б и Г приведена на рис. 2
Для снижения влияния разности потенциалов
корпусов объекта и вибропреобразователя экран кабеля электрически изолирован от
корпусов МВ-43 и соединителя и подведен к гнезду соединителя (рис. 2).
Рис. 2
Принципиальная электрическая схема МВ-43 для
вариантов А и В приведена на рис. 3
Для снижения влияния разности потенциалов
корпусов объекта и вибропреобразователя экран кабеля электрически изолирован от
корпусов МВ-43 (рис. 3).
Рис. 3
Внешний вид вибропреобразователей МВ-43
представлен на рис. 4
Рис. 4
ГАБАРИТНЫЕ И УСТАНОВОЧНЫЕ РАЗМЕРЫ МВ-43
Требования к установочной плоскости
. Установочная плоскость для контроля вибрации,
на которой закрепляется вибропреобразователь (ВИП), должна быть подготовлена в
соответствии с требованиями инструкции по эксплуатации и отвечать следующим
требованиям:
Таблица 2.
|
-
неплоскостность
|
0,02
мм.
|
|
-
шероховатость Rz, не более
|
0,8
мкм.
|
|
-
3 резьбовых отверстия для крепления (МВ-43, МВ-44, МВ-46)
|
М4
- 5Н6Н.
|
|
-
неперпендикулярность резьбовых отверстий
|
0,03
|
. Сопрягаемые поверхности вибропреобразователей
и площадки объекта (или переходного кронштейна) непосредственно перед
установкой должны быть тщательно очищены (например, промыты бензином).
. При закреплении вибропреобразователя
применение каких-либо прокладок или механических демпферов (фильтров) под
установочную плоскость ВИП не допускается без согласования с разработчиком. В
случае установки вибропреобразователя на изолированую поверхность корпус
датчика должен быть заземлен в соответствии с ГОСТ 22782.0 П.2.
. Затяжку крепежных винтов, входящих в комплект
поставки, производят в соответствии с ОСТ 1 00017-89 (“Моменты затяжки болтов,
винтов и шпилек”) величиной крутящего момента на ключе 2,0 Н•м.
*) Величина затяжки 2,0 Н•м обеспечивается
применением отвертки с размером лопатки 1,0 х 6,5 мм с предельным диаметром
ручки 22 мм.
Вариант установки вибропреобразователя МВ-43 на
объекте
Типовая частотная характеристика МВ-43-1 на
примере ВИП № 71722
Типовая частотная характеристика МВ-43-2 на
примере ВИП № 72015
Типовая частотная характеристика МВ-43-5 на
примере ВИП № 73305
Типовая частотная характеристика МВ-43-10 на
примере ВИП № 72656
Типовая частотная характеристика МВ-43-25 на
примере ВИП № 70276
Таблица 3. Жгуты
|
Выход
(к аппаратуре) →
|
|
|
|
|
|
|
|
|
Вход
(к ВИП) ↓
|
Розетка
2РМДТ18 КПЭ4Г5В1В ГЕО.364.126 ТУ
|
Вилка
2РМДТ18 КПЭ4Ш5В1В ГЕО.364.126 ТУ
|
Вилка
2РМДТ18 БПЭ4Ш5В1В ГЕО.364.126 ТУ
|
Свободный
конец (экранированный)
|
Вилка
2РМДТ18 БПН4Ш5В1В ГЕО.364.126 ТУ
|
Вилка
2РМДТ18 КПН4Ш5В1В ГЕО.364.126 ТУ
|
Свободный
конец (неэкранированный)
|
|
Розетка
2РМДТ18КПЭ4Г5В1В ГЕО.364.126 ТУ
|
ЖЯИУ.
685691.042
|
ЖЯИУ.
685691.037
|
ЖЯИУ.
685691.008
|
ЖЯИУ.
685691.012
|
|
|
|
|
Свободный
конец (экранированный)
|
|
|
ЖЯИУ.
685691.030
|
|
|
|
|
|
Розетка
2РМДТ18КПН4Г5В1В ГЕО.364.126 ТУ
|
|
|
|
|
ЖЯИУ.
685691.007
|
ЖЯИУ.
685691.009
|
ЖЯИУ.
685691.011
|
|
Свободный
конец (неэкранированный)
|
|
|
|
|
ЖЯИУ.
685691.029
|
|
|
Длина жгута выбирается из ряда 1000...30000 мм с
шагом 1000 мм.
ВИБРОПРЕОБРАЗОВАТЕЛЬ тип МВ-44
Описание
Вибропреобразователь тип МВ-44, в дальнейшем
МВ-44, предназначен для преобразования механических колебаний в электрический
сигнал, пропорциональный виброускорению контролируемого объекта. Применяется в
отраслях общего машиностроения и предназначен для установки в зонах повышенной
температуры до 400 ºС.
Используемые при изготовлении преобразователя
МВ-44 конструкционные, пьезоэлектрические и изоляционные материалы обеспечивают
высокую стабильность нормализованного коэффициента преобразования, надежность и
долговечность (средняя наработка на отказ не менее 50000 часов, срок службы не
менее 15 лет), позволяют эксплуатацию в условиях воздействия пыли и песка,
специальных сред (масел, смазок, топлива на основе нефтепродуктов,
стерилизующих растворов).
Дифференциальная схема включения позволяет
снизить соотношение сигнал/шум и увеличить расстояние между
вибропреобразователем и входным устройством при использовании усилителя заряда
и антивибрационного кабеля типа «витая пара» до нескольких сотен метров.
Степень защиты МВ-44 по ГОСТ 14254 (Степени
защиты, обеспечиваемые оболочками) - IР67.
Вибропреобразователи МВ-44 вариантов исполнения
В и Г являются взрывозащищенными со “специальным” видом взрывозащиты и имеют
маркировку по взрывозащите 1ExsIIТ6Х.
Варианты исполнения вибропреобразователей и их
условные обозначения
Таблица 4. Основные характеристики МВ-44
|
Обозначения
|
Тип
вибропреобразователя
|
|
МВ-44-1
|
МВ-44-2
|
|
Технические
характеристики
|
|
Коэффициент
преобразования, пКл•с2/м (пКл/g)
|
1.0
(9.81)
|
2.0
(19.6)
|
|
Отклонение
коэфф. преобразования от номинального значения в течение назначенного срока
службы, не более
|
±5
%
|
|
Частотный
диапазон с неравномерностью частотной характеристики ±5
%, Гц
|
10
- 3000
|
10
- 3000
|
|
Частотный
диапазон с неравномерностью частотной характеристики ±10
%, Гц
|
10
- 5000
|
10
- 5000
|
|
Относительный
коэффициент поперечного преобразования, не более
|
5
%
|
|
Нелинейность
амплитудной характеристики в диапазоне до 2000 м/с2 (200 g), не более
|
±3
%
|
|
Частота
установочного резонанса, не менее, кГц
|
25
|
18
|
|
Температурная
погрешность в рабочем диапазоне - 60 º С... 400 ºС, не
более, %
|
-
60 ºС 20 ºС 150 ºС 250 ºС 400 ºС
|
-
5 0 + 3 + 7 + 10
|
|
Электрические
характеристики
|
|
Выход
|
Дифференциальный,
изолирован от корпуса
|
|
Емкость
между выводами, не менее, пФ
|
300
|
|
Емкость
между выводами и корпусом, не более, пФ
|
30
|
|
Емкость
1 п. м кабеля КНМССпС, пФ
|
260
… 300
|
|
Емкость
1 п. м кабеля АВКТД(Л), пФ
|
90
... 120
|
|
Внутреннее
сопротивление преобразователя (20 ºС), не менее,
|
20
МОм
|
|
Внутреннее
сопротивление преобразователя (400 ºС), не менее,
|
100
кОм
|
|
Сопротивление
изоляции (20 С), не менее,
|
100
МОм
|
|
Сопротивление
изоляции (400 С), не менее,
|
5
МОм
|
|
Физические
характеристики
|
|
Чувствительный
злемент
|
ТнаВ-1
|
ТнаВ-1
|
|
Масса
МВ-44 без жгута, не более, кг
|
0,10
|
|
Материал
корпуса
|
нержавеющая
сталь
|
|
Конструкция
корпуса
|
сварная,
герметичная
|
|
Кабель
КНМССпС (до 400 ºС)
|
Нагревостойкий
с минеральной изоляцией
|
|
Кабель
АВКТД(Л) (до 250 ºС)
|
Антивибрационный,
гибкий, теплостойкий
|
|
|
|
|
Конструкция МВ-44 без жгута показана на рис. 1
Чувствительный элемент МВ-44 состоит из блока
пьезоэлементов (7), электрически изолированного от корпуса МВ-43 (1)
изоляционными шайбами (2), и прижатого к нему гайкой (5) груза (6).
Регулировка коэффициента преобразования
осуществляется путем изменения массы обоймы (3).
Крышка (4) соединяется с корпусом (1) с помощью
сварки.
К корпусу (1) приварена вилка (9), которая
представляет собой вакуумплотное металлостеклянное соединение.
Присоединение жгута к штырям вилки (9)
осуществляется при помощи сварки.
Принципиальная электрическая схема МВ-44 для
вариантов Б и Г приведена на рис.2.
Для снижения влияния разности потенциалов
корпуса объекта и вибропреобразователя ээкран кабеля электрически изолирован от
корпусов МВ-44 и соединителя и подведен к гнезду соединителя (рис. 2).
Принципиальная электрическая схема МВ-44 для
вариантов А и В приведена на рис.3.
Для снижения влияния разности потенциалов
корпуса объекта и вибропреобразователя экран кабеля электрически изолирован от
корпусов МВ-44 (рис. 3).
Внешний вид вибропреобразователей МВ-44
представлен на рис. 4.
ГАБАРИТНЫЕ И УСТАНОВОЧНЫЕ РАЗМЕРЫ МВ-44
Требования к установочной плоскости
. Установочная плоскость для контроля вибрации,
на которой закрепляется вибропреобразователь (ВИП), должна быть подготовлена в
соответствии с требованиями инструкции по эксплуатации и отвечать следующим
требованиям:
Таблица 5.
|
-
неплоскостность
|
0,02
мм.
|
|
-
шероховатость Rz, не более
|
0,8
мкм.
|
|
-
3 резьбовых отверстия для крепления (МВ-43, МВ-44, МВ-46)
|
М4
- 5Н6Н.
|
|
-
неперпендикулярность резьбовых отверстий
|
0,03
|
. Сопрягаемые поверхности вибропреобразователей
и площадки объекта (или переходного кронштейна) непосредственно перед
установкой должны быть тщательно очищены (например, промыты бензином).
. При закреплении вибропреобразователя
применение каких-либо прокладок или механических демпферов (фильтров) под
установочную плоскость ВИП не допускается без согласования с разработчиком. В
случае установки вибропреобразователя на изолированую поверхность корпус
датчика должен быть заземлен в соответствии с ГОСТ 22782.0 П.2.
. Затяжку крепежных винтов, входящих в комплект
поставки, производят в соответствии с ОСТ 1 00017-89 (“Моменты затяжки болтов,
винтов и шпилек”) величиной крутящего момента на ключе 2,0 Н∙м.
*) Величина затяжки 2,0 Н∙м обеспечивается
применением отвертки с размером лопатки 1,0 х 6,5 мм с предельным диаметром
ручки 22 мм.
Вариант установки вибропреобразователя МВ-44 на
объекте
Типовая частотная характеристика МВ-43-1 на
примере ВИП №63576
Типовая частотная характеристика МВ-43-2 на примере
ВИП №73749
Таблица 6. Жгуты
|
Выход
(к аппаратур е) →
|
|
|
|
|
|
|
|
|
Вход
(к ВИП) ↓
|
Розетка
2РМДТ18 КПЭ4Г5В1В ГЕО.364.126 ТУ
|
Вилка
2РМДТ18 КПЭ4Ш5В1В ГЕО.364.126 ТУ
|
Вилка
2РМДТ18 БПЭ4Ш5В1В ГЕО.364.126 ТУ
|
Свободный
конец (экранированный)
|
Вилка
2РМДТ18 БПН4Ш5В1В ГЕО.364.126 ТУ
|
Вилка
2РМДТ18 КПН4Ш5В1В ГЕО.364.126 ТУ
|
Свободный
конец (неэкранированный)
|
|
Розетка
2РМДТ18КПЭ4Г5В1В ГЕО.364.126 ТУ
|
ЖЯИУ.
685691.042
|
ЖЯИУ.
685691.037
|
ЖЯИУ.
685691.008
|
ЖЯИУ.
685691.012
|
|
|
|
|
Свободный
конец (экранированный)
|
|
|
ЖЯИУ.
685691.030
|
|
|
|
|
|
Розетка
2РМДТ18КПН4Г5В1В ГЕО.364.126 ТУ
|
|
|
|
|
ЖЯИУ.
685691.007
|
ЖЯИУ.
685691.009
|
ЖЯИУ.
685691.011
|
|
Свободный
конец (неэкранированный)
|
|
|
|
|
ЖЯИУ.
685691.029
|
|
|
Длина жгута выбирается из ряда 1000...30000 мм с
шагом 1000 мм.
ВИБРОПРЕОБРАЗОВАТЕЛЬ тип МВ-45
Описание
Вибропреобразователь тип МВ-45, в дальнейшем
МВ-45, предназначен для преобразования механических колебаний в электрический
сигнал, пропорциональный виброускорению контролируемого объекта. Главное
отличие от базового типа МВ-43-5 заключается в способе крепления по одной
точке. Имеет широкую область применения в отраслях общего машиностроения, а
также в составе исследовательских и диагностических комплексов.
Используемые при изготовлении преобразователя
МВ-45 конструкционные, пьезоэлектрические и изоляционные материалы обеспечивают
высокую стабильность нормализованного коэффициента преобразования, надежность и
долговечность (средняя наработка на отказ не менее 100000 часов, срок службы не
менее 15 лет), позволяют эксплуатацию в условиях воздействия пыли и песка,
специальных сред (масел, смазок, топлива на основе нефтепродуктов,
стерилизующих растворов).
Дифференциальная схема включения позволяет
снизить соотношение сигнал/шум и увеличить расстояние между вибропреобразователем
и входным устройством при использовании усилителя заряда и антивибрационного
кабеля типа «витая пара» до нескольких сотен метров.
Степень защиты МВ-45 по ГОСТ 14254 (Степени
защиты, обеспечиваемые оболочками) - IР67.
Вибропреобразователи МВ-45 вариантов исполнения
В и Г являются взрывозащищенными со “специальным” видом взрывозащиты и имеют
маркировку по взрывозащите 1ExsIIТ6Х.
Варианты исполнения вибропреобразователей и их
условные обозначения
Таблица 7. Основные характеристики МВ-45
|
Обозначения
|
Тип
ибропреобразователя МВ - 45
|
|
Технические
характеристики
|
|
Коэффициент
преобразования, пКлс2/м (пКл/g)
|
5,0
(49,1)
|
|
Отклонение
коэфф. преобразования от номинального значения в течение назначенного срока
службы, не более
|
±6
%
|
|
Частотный
диапазон с неравномерностью частотной хар-ки ±5 %, Гц
|
10
- 5000
|
|
Частотный
диапазон с неравномерностью частотной хар-ки ±10 %, Гц
|
1
- 10000
|
|
Относительный
коэффициент поперечного преобразования, не более
|
5
%
|
|
Нелинейность
амплитудной характеристики в диапазоне до 2000 м/с2 (200 g), не более
|
±3
%
|
|
Частота
установочного резонанса, не менее, кГц
|
30
|
|
Температурная
погрешность в рабочем диапазоне -60 С... 250 С, не более, %
|
-60
ºС 20 ºС 150 ºС 250 ºС
|
±10
% ±5
% ±5
% ±10
%
|
|
Электрические
характеристики
|
|
Выход
|
Дифференциальный,
изолирован от корпуса
|
|
Емкость
между выводами, не менее, пФ
|
1800
|
|
Емкость
между выводами и корпусом, не более, пФ
|
30
|
|
Емкость
1 п. м кабеля АВКТД(Л), пФ
|
90 ... 120
|
|
Внутреннее
сопротивление (20 С), не менее,
|
20
МОм
|
|
Внутреннее
сопротивление (250 С), не менее,
|
5
МОм
|
|
Сопротивление
изоляции (20 С), не менее,
|
100
МОм
|
|
Сопротивление
изоляции (250 С), не менее,
|
5
МОм
|
|
Физические
характеристики
|
|
Чувствительный
злемент
|
ЦТС-26
|
|
Масса
МВ-45 без жгута, не более, кг
|
0,06
|
|
Материал
корпуса
|
нержавеющая
сталь
|
|
Конструкция
корпуса
|
сварная,
герметичная
|
|
Кабель
АВКТД(Л) (до 250 С)
|
Антивибрационный,
гибкий, теплостойкий
|
|
|
|
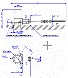
Конструкция МВ-45 без жгута показана на рис. 1
МВ-45 состоит из вибропреобразователя и жгута.
Чувствительный элемент вибропреобразователя состоит из блока пьезоэлементов
(3), электрически изолированного от корпуса (2) и основания (1)
вибропреобразователя изоляционными шайбами (8), и прижатого к нему гайкой (4)
груза (7).
Регулировка коэффициента преобразования
осуществляется путем изменения массы обоймы.
Крышка (4) соединяется с корпусом с помощью
сварки.
Основание (1), выполненное в форме
шестигранника, соединяется с корпусом (2) с помощью сварки. Жгут МВ-45
изготовлен из антивибрационного двухпроводного экранированного кабеля. Место
соединения жгута и вибропреобразователя защищено резиновым чехлом (5) для
вариантов исполнения А и Б, а для вариантов В и Г кабель АВКТД(Л) помещен в
металлорукав.
МВ-45 крепится на объекте с помощью резьбового
хвостовика основания (1).
Принципиальная электрическая схема МВ-45 для
вариантов Б и Г приведена на рис. 2.
Для снижения влияния разности потенциалов
корпусов объекта и вибропреобразователя экран кабеля электрически изолирован от
корпусов МВ-45 и соединителя и подведен к гнезду соединителя (рис. 2).
Принципиальная электрическая схема МВ-45 для
вариантов А и В приведена на рис. 3.
Для снижения влияния разности потенциалов
корпусов объекта и вибропреобразователя экран кабеля электрически изолирован от
корпусов МВ-45 (рис. 3).
Внешний вид вибропреобразователей МВ-45
представлен на рис. 4
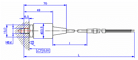
ГАБАРИТНЫЕ И УСТАНОВОЧНЫЕ РАЗМЕРЫ МВ-45
Требования к установочной плоскости
. Установочная плоскость для контроля вибрации,
на которой закрепляется вибропреобразователь (ВИП), должна быть подготовлена в
соответствии с требованиями инструкции по эксплуатации и отвечать следующим
требованиям:
Таблица 8.
|
-
неплоскостность
|
0,02
мм.
|
|
-
шероховатость Rz, не более
|
0,8
мкм.
|
|
-
резьбовое отверстие для крепления МВ-45
|
М8×1 - 5Н6Н.
|
|
-
неперпендикулярность резьбового отверстия
|
0,03
|
. Сопрягаемые поверхности вибропреобразователя и
объекта (или переходного кронштейна) непосредственно перед установкой должны
быть тщательно очищены (например, промыты бензином).
. При закреплении вибропреобразователя
применение каких-либо прокладок или механических демпферов (фильтров) под
установочную плоскость ВИП не допускается без согласования с разработчиком. В
случае установки вибропреобразователя на изолированую поверхность, корпус
датчика должен быть заземлен в соответствии с ГОСТ 22782.0 П.2.
. Крепление вибропреобразователя производят в
соответствии с ОСТ 1 00017-89 (“Моменты затяжки болтов, винтов и шпилек”)
величиной крутящего момента на ключе 3,0 Н∙м.
*) Величина затяжки 3,0 Н∙м обеспечивается
применением моментного ключа.
Вариант установки вибропреобразователя МВ-45 на
объекте
Типовой спектр вибропреобразователей МВ-45
Типовая частотная характеристика МВ-45 на
примере ВИП № 70154
Таблица 9. Жгуты
|
Выход
(к аппаратуре) →
|
|
|
|
|
|
|
|
|
Вход
(к ВИП) ↓
|
Розетка
2РМДТ18 КПЭ4Г5В1В ГЕО.364.126 ТУ
|
Вилка
2РМДТ18 КПЭ4Ш5В1В ГЕО.364.126 ТУ
|
Вилка
2РМДТ18 БПЭ4Ш5В1В ГЕО.364.126 ТУ
|
Свободный
конец (экранированный)
|
Вилка
2РМДТ18 БПН4Ш5В1В ГЕО.364.126 ТУ
|
Вилка
2РМДТ1 КПН4Ш5В1В ГЕО.364.126 ТУ
|
Свободный
конец (неэкранированный)
|
|
Розетка
2РМДТ18КПЭ4Г5В1В ГЕО.364.126 ТУ
|
ЖЯИУ.
685691.042
|
ЖЯИУ.
685691.037
|
ЖЯИУ.
685691.008
|
ЖЯИУ.
685691.012
|
|
|
|
|
Свободный
конец (экранированный)
|
|
|
ЖЯИУ.
685691.030
|
|
|
|
|
|
Розетка
2РМДТ18КПН4Г5В1В ГЕО.364.126 ТУ
|
|
|
|
|
ЖЯИУ.
685691.007
|
ЖЯИУ.
685691.009
|
ЖЯИУ.
685691.011
|
|
Свободный
конец (неэкранированный)
|
|
|
|
|
ЖЯИУ.
685691.029
|
|
|
Длина жгута выбирается из ряда 1000...30000 мм с
шагом 1000 мм.
ВИБРОПРЕОБРАЗОВАТЕЛЬ тип МВ-46
Описание
Вибропреобразователь тип МВ-46, в дальнейшем
МВ-46, предназначен для преобразования механических колебаний в электрический
сигнал, пропорциональный виброускорению контролируемого объекта. Применяется в
основном на виброактивных агрегатах (авиационные и судовые двигатели,
газоперекачивающие агрегаты, коробки передач, редукторы и т.д.).
Используемые при изготовлении преобразователя
МВ-46 конструкционные, пьезоэлектрические и изоляционные материалы обеспечивают
высокую стабильность нормализованного коэффициента преобразования, надежность и
долговечность (средняя наработка на отказ не менее 100000 часов, срок службы не
менее 15 лет), позволяют эксплуатацию в условиях воздействия пыли и песка,
специальных сред (масел, смазок, топлива на основе нефтепродуктов,
стерилизующих растворов).
Дифференциальная схема включения позволяет
снизить соотношение сигнал/шум и увеличить расстояние между
вибропреобразователем и входным устройством при использовании усилителя заряда
и антивибрационного кабеля типа «витая пара» до нескольких сотен метров.
Степень защиты МВ-46 по ГОСТ 14254 (Степени
защиты, обеспечиваемые оболочками) - IР67.
Вибропреобразователи МВ-46 вариантов исполнения
В и Г являются взрывозащищенными со “специальным” видом взрывозащиты и имеют
маркировку по взрывозащите 1ExsIIТ6Х.
Варианты исполнения вибропреобразователей и их
условные обозначения
Таблица 10. Основные характеристики МВ-46
|
Обозначения
|
Тип
вибропреобразователя МВ - 46
|
|
Технические
характеристики
|
|
Коэффициент
преобразования, пКл•с2/м (пКл/g)
|
1,0
/ 2,0 (9,81)
|
|
Отклонение
коэфф. преобразования от номинального значения в течение назначенного срока
службы, не более
|
5
%
|
|
Частотный
диапазон с неравномерностью частотной характеристики 5 %, Гц
|
10
- 5000
|
|
Частотный
диапазон с неравномерностью частотной характеристики 10 %, Гц
(1*)
|
10
- 15000
|
|
Частотный
диапазон с неравномерностью частотной характеристики ±10
%, Гц (2*)
|
1
- 15000
|
|
Относительный
коэффициент поперечного преобразования, не более
|
5
%
|
|
Нелинейность
амплитудной характеристики в диапазоне до 2000 м/с2 (200 g), не более
|
±3
%
|
|
Частота
установочного резонанса, не менее, кГц
|
40;
45*
|
|
Температурная
погрешность в рабочем диапазоне - 60 ºС... 250 С, не
более, %
|
-
60 ºС 20 ºС 150 ºС 250 С
|
±10
% ±5 % ±5 % ±10
%
|
|
Электрические
характеристики
|
|
Выход
|
Дифференциальный,
изолирован от корпуса
|
|
Емкость
между выводами, не менее, пФ
|
1500
|
|
Емкость
между выводами и корпусом, не более, пФ
|
30
|
|
Емкость
1 п. м кабеля АВКТД(Л), пФ
|
±
90 ... 120
|
|
Внутреннее
сопротивление преобразователя (20 ºС), не менее,
|
20
МОм
|
|
Внутреннее
сопротивление преобразователя (250 ºС), не менее,
|
5
МОм
|
|
Сопротивление
изоляции (20 ºС), не
менее,
|
100
МОм
|
|
Сопротивление
изоляции (250 ºС), не
менее,
|
5
МОм
|
|
Физические
характеристики
|
|
Чувствительный
злемент
|
ЦТС-26
|
|
Масса
МВ-46 без жгута, не более, кг
|
0,10
|
|
Материал
корпуса
|
нержавеющая
сталь
|
|
Конструкция
корпуса
|
сварная,
герметичная
|
|
Кабель
АВКТД(Л) (до 250 С)
|
Антивибрационный,
гибкий, теплостойкий
|
|
|
|
Конструкция МВ-46 без жгута показана на рис. 1
Чувствительный элемент МВ-46 состоит из блока
пьезоэлементов (7), электрически изолированного от корпуса МВ-46 (1)
изоляционными шайбами (2), и прижатого к нему гайкой (5) груза (6).
Регулировка коэффициента преобразования
осуществляется путем изменения массы обоймы (3).
Крышка (4) соединяется с корпусом с помощью
сварки.
К корпусу (1) приварена вилка (9), которая
представляет собой вакуумплотное металлостеклянное соединение.
Жгут МВ-46 изготовлен из антивибрационного
двухпроводного экранированного кабеля и заканчивается розеткой соединителя.
Кабель АВКТД(Л) вибропреобразователя МВ-46 с буквами В и Г защищен
металлорукавом.
Присоединение жгута к штырям вилки (9)
осуществляется при помощи сварки. Место сварки заливается высокотемпературным
герметиком (на рис.1 не показано).
Принципиальная электрическая схема МВ-46 для
вариантов Б и Г приведена на рис. 2.
Для снижения влияния разности потенциалов
корпусов объекта и вибропреобразователя экран кабеля электрически изолирован от
корпусов МВ-46 и соединителя и подведен к гнезду соединителя (рис. 2).
Принципиальная электрическая схема МВ-46 для
вариантов А и В приведена на рис. 3.
Для снижения влияния разности потенциалов
корпусов объекта и вибропреобразователя экран кабеля электрически изолирован от
корпусов МВ-46 (рис. 3).
Внешний вид вибропреобразователей МВ-46
представлен на рис. 4.
ГАБАРИТНЫЕ И УСТАНОВОЧНЫЕ РАЗМЕРЫ МВ-46
Требования к установочной плоскости
. Установочная плоскость для контроля вибрации,
на которой закрепляется вибропреобразователь (ВИП), должна быть подготовлена в
соответствии с требованиями инструкции по эксплуатации и отвечать следующим
требованиям:
Таблица 11.
|
-
неплоскостность
|
0,02
мм.
|
|
-
шероховатость Rz, не более
|
0,8
мкм.
|
|
-
3 резьбовых отверстия для крепления (МВ-43, МВ-44, МВ-46)
|
М4
- 5Н6Н.
|
|
-
неперпендикулярность резьбовых отверстий
|
0,03
|
. Сопрягаемые поверхности вибропреобразователей
и площадки объекта (или переходного кронштейна) непосредственно перед
установкой должны быть тщательно очищены (например, промыты бензином).
. При закреплении вибропреобразователя
применение каких-либо прокладок или механических демпферов (фильтров) под
установочную плоскость ВИП не допускается без согласования с разработчиком. В
случае установки вибропреобразователя на изолированую поверхность корпус
датчика должен быть заземлен в соответствии с ГОСТ 22782.0 П.2.
. Затяжку крепежных винтов, входящих в комплект
поставки, производят в соответствии с ОСТ 1 00017-89 (“Моменты затяжки болтов,
винтов и шпилек”) величиной крутящего момента на ключе 2,0 Н∙м.
*) Величина затяжки 2,0 Н∙м обеспечивается
применением отвертки с размером лопатки 1,0 х 6,5 мм с предельным диаметром
ручки 22 мм.
Вариант установки вибропреобразователя МВ-46 на
объекте
Типовая частотная характеристика МВ-46 на
примере ВИП №70475
Таблица 12. Жгуты
|
Выход
(к аппаратуре) →
|
|
|
|
|
|
|
|
|
Вход
(к ВИП) ↓
|
Розетка
2РМДТ18 КПЭ4Г5В1В ГЕО.364.126 ТУ
|
Вилка
2РМДТ18 КПЭ4Ш5В1В ГЕО.364.126 ТУ
|
Вилка
2РМДТ18 БПЭ4Ш5В1В ГЕО.364.126 ТУ
|
Свободный
конец (экранированный)
|
Вилка
2РМДТ18 БПН4Ш5В1В ГЕО.364.126 ТУ
|
Вилка
2РМДТ18 КПН4Ш5В1В ГЕО.364.126 ТУ
|
Свободный
конец (неэкранированный)
|
|
Розетка
РМДТ18КПЭ4Г5В1В ГЕО.364.126 ТУ
|
ЖЯИУ.
685691.042
|
ЖЯИУ.
685691.037
|
ЖЯИУ.
685691.008
|
ЖЯИУ.
685691.012
|
|
|
|
|
Свободный
конец (экранированный)
|
|
|
ЖЯИУ.
685691.030
|
|
|
|
|
|
Розетка
2РМДТ18КПН4Г5В1В ГЕО.364.126 ТУ
|
|
|
|
|
ЖЯИУ.
685691.007
|
ЖЯИУ.
685691.009
|
ЖЯИУ.
685691.011
|
|
Свободный
конец (неэкранированный)
|
|
|
|
|
ЖЯИУ.
685691.029
|
|
|
Длина жгута выбирается из ряда 1000...30000 мм с
шагом 1000 мм.