Разработка микропроцессорного контроллера для контроля ритма дыхания больного

  • Вид работы:
    Курсовая работа (т)
  • Предмет:
    Информатика, ВТ, телекоммуникации
  • Язык:
    Русский
    ,
    Формат файла:
    MS Word
    122,59 Кб
  • Опубликовано:
    2013-12-06
Вы можете узнать стоимость помощи в написании студенческой работы.
Помощь в написании работы, которую точно примут!

Разработка микропроцессорного контроллера для контроля ритма дыхания больного

Министерство образования Республики Беларусь

Гомельский государственный технический университет

им.П.О. Сухого

Кафедра "Промышленная электроника”







Курсовой проект

по дисциплине: "Микропроцессорная техника"

"Разработка микропроцессорного контроллера для контроля ритма дыхания больного"

Защита: выполнилстудент гр. ПЭ-42

Дробышевский В.А.

Принял преподаватель Виноградов Э.М.





ГОМЕЛЬ 2012

Содержание

 

Задание

Введение

1. Разработка структурной схемы микропроцессорного контроллера

2. Разработка принципиальной схемы контроллера

Модуль процессора

Модуль памяти

Модуль ввода/вывода

3. Описание работы принципиальной схемы

Заключение

Литература

Задание

Разработать микроконтроллер (МК) для контроля ритма дыхания больного в реанимационной палате. Данные о ритме поступают в МК в виде импульсов ТТЛ-уровня от пъезодатчика расположенного на теле больного. Количество этих импульсов за 1 минуту определяют ритм дыхания. МК вычисляет среднее значение, максимальное и минимальное ритма дыхания за 30 минут и запоминает их в памяти с целью последующего вывода на принтер и центральную ЭВМ.

При отсутствии дыхания в течении 1 минуты МК подаёт световой и звуковой сигналы (частотой 1 Гц) с целью привлечения внимания медперсонала, отключить которые можно только специальной кнопкой. Данные о ритме дыхания обновляются в памяти МК каждые 10 суток.

МК должен иметь двухразрядный дисплей на семисегментных светодиодных индикаторах, на котором можно просмотреть один из четырёх параметров: ритм дыхания за последнюю минуту; среднее значение; максимальное и минимальное значение за последние 30 минут (нажатием одной из четырех клавиш с фиксацией).

Дано: МП КР1821ВМ85А

Имс. ПЗУ - КР573РФ5

ОЗУ - КР537РУ10

Портов КР580ВВ55А

Введение


В последнее время микропроцессорные средства вычислительной технике стало широко применяться в приборах бытовой техники, различных контрольно-измерительных устройствах, системах управления и тд. Это связанно с тем, что они обладают функциональной гибкостью, высокой надежностью, удобны при проектировании, способны реализовывать сложные алгоритмы. На базе микропроцессоров разработаны в вычислительные машины нового класса, предназначены для широкого использования. В связи с этим компьютерная грамотность становится обязательной для любого специалиста.

Использование микропроцессорных средств привело к существенному изменению процесса разработки вычислительной и управляющей аппаратуры. Главное внимание стало уделяться вопросам выбора структуры системы, организации подсистем ввода/вывода, создание программного обеспечения, отладки и тестированию разрабатываемой системы. Все эти вопросы в разной степени детализации нашли отражение предлагаемом вниманию читателя в книгах по курсу цифровой электронике.

Разнообразие микропроцессоров различающихся технологий изготовления, архитектурой, техническими характеристиками, конструктивным оформлением ставит перед разработчиками средств вычислительной техники не простую задачу выбора определённого микропроцессора, оптимального для тех или иных применений. Решение такой задачи возможно, если у разработчика имеются полные сведения о выпускаемых промышленностью микропроцессорах и микропроцессорных комплектах, микросхем.

1. Разработка структурной схемы микропроцессорного контроллера


Рис. 1 Структурная схема микропроцессорного контролера.

2. Разработка принципиальной схемы контроллера


Модуль процессора


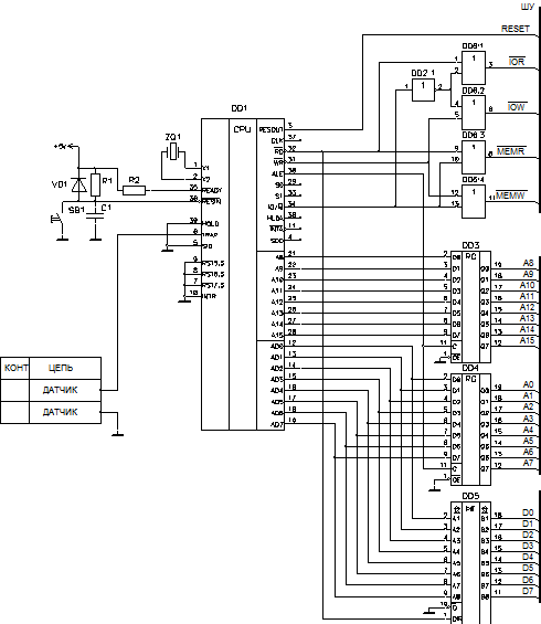
Модуль процессора изображён на Рис. 5.

В качестве центрального процессора в данном курсовом проекте по условию задания будем использовать микропроцессор К1821ВМ85А (Рис. 4), который является аналогом МП 80С85А фирмы INTEL.

Данный МП выполнен по КМОП-технологии, имеет одно напряжение питания +5 В, потребляет мощность 0,1 Вт. В данном МП имеется внутренний тактовый генератор, развитая система прерываний, МП имеет одинаковую систему команд с процессором КР580ВМ80. Также данный процессор имеет вход и выход для последовательного ввода и вывода информации. Все входы и выходы МП имеют ТТЛ уровни, нагрузочная способность - не более 1 ТТЛ нагрузки.

Отметим особенность данного МП - адресная информация МП пересылается в мультиплексном режиме. Старшие биты адресов считываются непосредственно с выводов микропроцессора, младшие - с шины данных во время выдачи МП сигнала ALE. Временное разделение с помощью строба ALE позволяет более эффективно использовать внешние выводы для организации работы с внешними устройствами.

Шина управления формируется из управляющих сигналов микропроцессора с помощью логических элементов. Шины адреса и данных сформированы с расчётом на большее число входов, подключённых к этим шинам. Шина адреса формируется с помощью регистров КР1533ИР37 (DD3, DD4) (Рис. 2) с использованием сигнала фиксации адреса ALE. Шина данных формируется с помощью двунаправленного шинного формирователя КР1533АП26 (DD5) (Рис. 3) с использованием сигнала RD микропроцессора.

Рис. 2 Условно графическое обозначение К1533ИР37

Цоколёвка и назначение выводов микросхем приведены в приложении 1.

Рис. 3 Условно графическое изображение К1533АП6

Рассмотрим более подробно назначение выводов МП.

AD0-AD7 - двунаправленные выводы адрес\данные. По выдаче сигнала ALE передается младший байт адреса, в остальное время - байт данных.

A8-A15 - выводы старшего байта адреса

X1,X2 - выводы для присоединения времязадающей цепочки (кварцевого резонатора, RC или LC - цепочки)

RESOUT - сигнал сброса для внешних устройств

SOD,SID - выход и вход последовательных данных

TRAP - вход немаскируемого прерывания

RST7,5; RST6,5; RST5,5 - входы маскируемых прерываний

INTR - вход сигнала прерывания

 - сигнал подтверждения прерывания

HOLD - вывод сигнала захвата шин внешними устройствами

HLDA - подтверждение получения сигнала захвата шин

CLC (OUT) - вывод сигнала тактовой частоты

 - сигнал внутреннего сброса

READY - вывод сигнала ожидания готовности внешних устройств

 

Рис. 4 Условно графическое изображение КР1821ВМ85А.

 - сигнал, показывающий, обращается МП к памяти или к портам ввода-вывода, S0,S1 - сигналы состояния устройства управления МП,  - сигнал чтения данных из ВУ,  - сигнал на запись данных во ВУ, ALE - сигнал фиксации младшего байта адреса

Рис. 5 Модуль процессора.

Модуль памяти


Модуль памяти изображён на Рис. 6.

Его составляют: блок ПЗУ на микросхеме DD7 КР573РФ5 и блок ОЗУ на микросхеме DD8 КР537РУ10.

Карта памяти

Адрес

0000 …… 07FF

ПЗУ 2кБайт

0800 …… 0FFF

ОЗУ 2кБайт

1000 …… FFFF

Свободная память


Роль адресного селектора выполняет разряд A11.

Дешифратором служит инвертор DD2.2.

Рис. 6 Модуль памяти.

Модуль ввода/вывода


Модуль ввода/вывода показан на Рис. 10

А) Модуль ввода реализован на микросхеме КР580ВВ55А (Рис. 7) - программируемое устройство ввода/вывода параллельной информации, применяется в качестве элемента ввода/вывода общего назначения, сопрягающего различные типы периферийных устройств с магистралью данных систем обработки информации.

Обмен информации между магистралью данных и систем и микросхемой КР580ВВ55А осуществляется через 8-разрядный двунаправленный трехстабильный канал данных (D). Для связи с периферийными устройствами используются 24 линии ввода/вывода, сгруппированные в три 8-разрядных канала PA, PB, PC.

Микросхема может функционировать в трех основных режимах.

Ввод информации осуществляется через порт PB.

Б) Модуль вывода реализован на микросхеме КР580ВВ55А.

Для преобразования двоично-десятичного кода в семисегментный код используем микросхему К514ИД1 (Рис. 8). информация выводится на два семисегментных индикатора.


Рис. 7 Условно графическое обозначение КР580ВВ55А

Рис. 8 Условно графическое обозначение К514ИД1

Для обмена данными требуется аппаратные и программные средства.

В нашей курсовой работе нужно чтобы БиС КР1821ВМ85А работала как порт, а именно:

1)      режим работы - 0;

2)      порт PA - вывод;

)        порт РВ - ввод;

)        порт РС - вывод.

Тогда получим управляющее слово 10 00 00 10 = 82H

Звуковая сирена реализована с помощью генератора на логических элементах. Частота генератора рассчитывается по формуле

Выбираем R3=500кОм и С5=2нФ

Рис. 9 Генератор частоты

микропроцессорный контроллер индикация режим

Рис. 10 Модуль ввода/вывода.

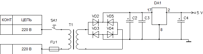
Рис. 11 Блок питания.

3. Описание работы принципиальной схемы


При ритме дыхания датчик вырабатывает сигнал уровня ТТЛ. Этот сигнал приходит к микропроцессору на вход TRAP. В этом случае происходит режим прерывания. Микропроцессор прерывает работу основной программы и переходит к работе подпрограммы.

При работе с памятью микропроцессор вырабатывает сигнал уровня MEMW или MEMR на ШУ. А по ША задаёт номер ячейки с которой будет работать.

Сигнал MEMR - это сигнал чтения. Этот сигнал определяет режим работы микросхемы, Т.о. МС выдает данные на ШД.

Сигнал MEMW - это сигнал записи. Этот сигнал определяет режим работы микросхемы, Т.о. микросхема записывает данные с ШД.

Память микропроцессорной системы имеет страничную организацию. Разделение между страницей ПЗУ и страницей ОЗУ осуществляться с помощью адреса селектора. Адрес селектор реализован с помощью А11 шины адреса.

При работе с ПЗУ компьютер вырабатывает MEMR - чтения данных и адрес лежит в пределах 0000Н - 07FF H. После этого микросхемы памяти выдают или читают данные с шины данных.

При работе с портом микропроцессор вырабатывает управляющие сигналы:

IOR - чтение из порта.

IOW - запись в порта

Но вход микросхемам КР580 ВВ55А

СS при работе почти надо подать сигнал.

Это можно реализовать с помощью элемента "И-НЕ" и адресных входов А2, А3, А4, А5, А6А7 тем самым мы задаём адрес порта.

В этой курсовой работе мы использовали адреса - портов:

FC - порт PA - порт PB

FC - порт PC

FF - RUS

Входы D0-D7 подсоединяются к шинам данных.

С выхода порта PA стоят два дешифратора. Они служат для преобразования двоично-десятичного кода в семисегментный код для индикации на семисегментном индикаторе данных из порта PA.

Порт PB служит для подключения ключей для выбора режима вывода данных на дисплей.

Режимы индикации;

)        Вывод данных о ритме дыхания за последнюю минуту.

2)      Вывод данных о максимальном ритме дыхания за последние 30 минут.

)        Вывод данных о минимальном ритме дыхания за последние 30 минут.

)        Вывод данных о среднем ритме дыхания за последние 30 минут.

Заключение


В этой курсовой работе нужно было разработать микроконтроллер для контроля режима дыхания больного в реанимационной палате.

Микроконтроллер должен иметь двухразрядный дисплей на семисегментных светодиодных индикаторах, на которых можно посмотреть один из четырех параметров:

)        Ритм дыхания за последнюю минуту.

2)      Максимальный ритм дыхания за последние 30 минут.

)        Минимальный ритм дыхания за последние 30 минут.

)        Среднее значение за последние 30 минут.

Задание по курсовой работе выполнено.

Литература


1. Й. Янсен. Курс цифровой электроники. т.4 Микрокомпьютеры

Пер с голландского М. Мир 1987 г.

3. Цифровые интегральные микросхемы. Справочник.М. И Богданович. Мн. Беларусь 1991 г.

4. Логические ИС серии 1533. Справочник тт. 1,2. Мн Бином 1993 г.

5. Реисторы, конденсаторы, трансформаторы, доссели, коммутационные устройства РЭА. Справочник. Н.Н. Акимов и др. Мн. Беларусь 1994 г.

Похожие работы на - Разработка микропроцессорного контроллера для контроля ритма дыхания больного

 

Не нашли материал для своей работы?
Поможем написать уникальную работу
Без плагиата!
Без нейросетей!