Модернизация комбинированного вольтметра В7-40 для измерения среднеквадратических значений переменного напряжения и тока
Введение
метрология физический комбинированный вольтметр
В данном дипломном проекте будет рассматриваться модернизация
комбинированного вольтметра В7-40 для измерения среднеквадратических значений
переменного напряжения и тока.
В дипломном проекте будет проводиться ознакомление с основами работы
преобразователя переменного напряжения и тока, который будет заменен с
заводской микросборки 04ПН007 на собранную микросхему, что улучшит
эксплуатационные свойства данного прибора.
Дипломный проект подтвердит преимущество разрабатываемого
преобразователя, над его действующим аналогом. Будет приведено экономическое
обоснование эффективности разработки и внедрения данной модернизации, основной
целью которой, является сокращение времени на его ремонт и настройку после ремонта,
или в процессе эксплуатации в межповерочном интервале. Кроме того, в дипломного
проекте будут приведены меры по обеспечению безопасности при работе с
вольтметром В7-40.
1. Общая часть
.1 История создания вольтметра
Считается, что первый вольтметр изобрел М. Фарадей, причем в 1830 году,
ещё за год до того, как он же открыл явление электромагнитной индукции, на
котором основано действие целого класса электроизмерительных приборов, и за
полвека до принятия единицы напряжения «вольт». Интересно, что чертежей этого
вольтметра найти не удалось.
Но есть описание изобретения немецкого физика И. Швейгера, в 1820 году
придумавшего прообраз этих приборов - гальваноскоп. Он состоял из одного витка
проволоки, внутри которого помещалась магнитная стрелка. При прохождении тока
стрелка отклонялась на определенный угол, по которому судили о каких-то
электрических показателях. А в 1839 году Мориц Якоби отградуировал
гальванометр, до этого просто свидетельствовавший о том, что в цепи «что-то
есть», с целью количественного измерения параметров электрического тока. Однако
самым первым как бы вольтметром был все же «указатель электрической силы, или
электрического веса» русского физика Георга Вильгельма Рихмана (1745 г.).
Электричество он измерял именно на весах, маленьких таких, рычажных, равновесие
которых нарушалось вследствие отклонения одной из чашечек вследствие
электростатических взаимодействий (электромагнитное ведь Фарадей тогда еще не
открыл). В 1781 году Алессандро Вольта придумал электрометры, в которых использовал
бузиновые шарики и, в усовершенствованной модели, лёгкие сухие соломинки.
Лишь сто лет спустя инженер Жак Д’Арсонваль сделал магнитоэлектрический
гальванометр, в котором подвижным элементом со стрелкой был проводник (катушка)
с током, помещенный в поле постоянного магнита. Свой вклад в разработку
приборов для измерения электрических величин внес, пожалуй, каждый из видных
ученых-электриков и инженеров - практиков. Например, в 1884г. свой вариант
амперметра предложил А.Н. Яблочков. М.О. Доливо-Добровольский разработал
электромагнитные амперметры и вольтметры, индукционный измерительный механизм с
вращающимся магнитным полем и подвижной частью в виде диска и применил его в
ваттметре и фазометре. Н.Г. Славянов, руководивший в 80-е годы XIX века на
Урале металлургическими и пушечными заводами, для своего сварочного автомата (в
80-е годы XIX века - автомата!) собственными руками изготовил амперметр на 1000
ампер. Но все те электроизмерительные приборы могли бы именоваться
«напряжометр». Поскольку только в 1881 году на первом международном
электротехническом конгрессе были приняты стандарты основных электрических
величин, которые и увековечили имена Ампера, Вольта, Ома, Вебера и Гаусса... И
только после этого в том же 1881 г. немецкий инженер Фридрих Циппенбон с полным
правом назвал свой прибор для измерения напряжения вольтметром.
Произошел сильный прогресс в измерении электрических величин приборами,
основанными на сосуществовании упомянутых бузиновых шариков, стрелочек,
катушечек и пружинок в среде взаимодействующих магнитного и электрического
полей - основы-то были заложены еще тогда. И магнитоэлектрическая система,
по-прежнему, это постоянный магнит с находящейся в его межполюсном пространстве
стальной рамкой. И электромагнитная система - по-прежнему, - неподвижная
катушка и подвижный сердечник. Электродинамическая - две катушки, подвижная и
неподвижная, обе подключаются к сети. Индукционная со своим диском известна
всем, кто своевременно расплачивается с ЖКХ за потребленную электроэнергию.
Электростатическая система со времен весов Рихмана применяется как особо точный
прибор, в основе которого сегодня неподвижная камера-электрод, внутрь которой
вдвигается электрод подвижный с зеркальцем, лучиком указывающим на шкале,
сколько взвешено электричества в вольтах. А в 1922 году в Кембридже создали
первый электронный вольтметр с пределом измерения 9,8 В. Лаборанта,
покушавшегося применить уникальный прибор при 11,3 В, лишили квартальной
премии. [10]
1.2 Технические характеристики разрабатываемого
преобразователя переменного напряжения и тока
Из характеристики предъявленного аналога В7-40 можно увидеть, что прибор
выполнен из расчета эксплуатации в лабораторных и экстремальных условиях.
Прибор многофункциональный (измерения U~/U=, I~/I= и R), а так же приспособлен для работы в
системах автоматического измерения непосредственно с ПК (наличия адресации и
выхода КОП), что в принципе является последней современной разработкой СССР.
Для лабораторных измерений можно увидеть, что этот вольтметр очень
перегружен в смысле запаса механической надежности и радиоэлектронной защиты
(все электронные схемы находятся в жестких экранированных корпусах), что очень
затрудняет его техническое обслуживание (ремонт и регулировку).
Поскольку, темой диплома является усовершенствование преобразователя
переменного тока и напряжения в постоянные, то основной задачей ставится
значительное улучшение технологического обслуживания (регулировку и ремонт)
данной схемы.
В приборе-аналоге для этих целей применена гибридная микросборка 04ПН007
(изготовленная самим заводом), которая является наибольшим элементом риска
(большое количество отказов) при измерениях переменного напряжения и тока.
Поэтому, в задачу ставится улучшение технического обслуживания данной схемы.
Вследствие этого выбирается вместо заводской микросборки 04ПН007, которую
нельзя приобрести по комплектации в розничной торговли, на создание аналогичной
схемы из отдельных элементов, которые можно легко заменить в случае выхода
какого-либо из них из строя. Причем использовать для монтажа в плате
современные монтажные панельки, как для транзисторов, так и для микросхем. При
этом сохраняются технические характеристики данной микросборки, которые указаны
в технологической и конструкторской документации завода изготовителей, данная
схема спецификации указана в приложении 2 и приложении 7:
. Коэффициент передачи Кп=2.
. Основная погрешность преобразования, %
в диапазоне от 20 до 40 Гц ±[0,8+0,1(2/Ux-I)]
в диапазоне от 40 Гц до 10 кГц ±[0,4+0,1(2/Ux-I)]
в диапазоне от 10 до 20 кГц ±[0,6+0,1(2/Ux-I)]
в диапазоне от 20 до 50 кГц ±[4+0,15(2/Ux-I)]
в диапазоне от 50 до 100 кГц ±[8+0,3(2/Ux-I)].
. Коэффициент амплитуды входного напряжения Ка=3.
. Среднеквадратическое значение входного напряжения при Ка=3, V, не более 2.
. Ток потребления, mA, не
более 30.
1.3 Технические характеристики аналога В7-40
Вольтметр обеспечивает измерение постоянного напряжения положительной и
отрицательной полярностей значением от 0,01мВ до 1000 В и имеет пределы
измерений: 200 мВ; 2; 20; 200; 2000 В.
Пределы допускаемых значений основной погрешности вольтметра при
измерении постоянного напряжения в процентах равны:
на пределах 200мВ; 2 В
на пределах 20; 200; 2000 В
где Uк-
конечное значение установленного предела измерений;
U-
значение измеряемого напряжения на входе.
Вольтметр выдерживает на всех пределах измерений, кроме пределов 200 и
2000В в течение 1 мин. напряжение, равное конечному значению ближайшего
большего предела измерений.
Вольтметр выдерживает в течение 1 мин. на пределе 200 В напряжение 1000
В, на пределе 2000 В - напряжение 1200В.
Входное сопротивление вольтметра при измерении постоянного напряжения
равно (10±0,1)MОм на всех пределах измерений.
Для расширения пределов измерения данного вольтметра в его комплектацию
входит высоковольтный делитель напряжения до 30кВ измерения.
Вольтметр обеспечивает измерение среднего квадратического значения
переменного напряжения произвольной формы от 2 мВ до 200В в диапазоне частот от
20 Гц до 100кГц свыше 200В до 500 В в диапазоне частот от 20 Гц до 1кГц и имеет
пределы измерений: 200 мВ ; 2; 20; 200; 2000 В.
Коэффициент амплитуды измеряемого напряжения (Ка) ≤ 3,
при этом максимальное значение напряжения на входе вольтметра допускается не
более 1000 В
Коэффициент формы Ка - это величина равная отношению
действующего значения периодического U (I) к его среднему значению. Точность
его определения указана в ГОСТ 23 875 - 88.
Пределы допускаемых значений основной погрешности вольтметра при
измерении переменного напряжения произвольной формы, в процентах, при значениях
измеряемого напряжения от 0,01
до
равны:
в диапазоне частот 20-40 Гц
)] в диапазоне частот 40 Гц -10 кГц
в диапазоне частот 10-20 кГц
в диапазоне частот 20-50 кГц
в диапазоне частот 50-100 кГц;
на пределах измерений 200мВ ; 2; 20; 200 В;
в диапазоне частот 20-40 Гц и 2-5 кГц;
)] в диапазоне частот 40 Гц -1 кГц
на пределе измерений 2000 В
где
- конечное значение установленного предела измерений;
U-
значение измеряемого напряжения на входе.
Входное сопротивление вольтметра при измерении переменного напряжения
равно (1+0,1) МОм , Входная шунтирующая емкость не более 50 пФ для вольтметров
В7-40, В7-40/2 и не более 100пФ для вольтметров В7-40/1, в7-40/3. Погрешность
измерения емкости не более ±5%.
Вольтметр обеспечивает измерение силы постоянного тока от 0,01мA до 2000 мA (с шунтом до 10A) и имеет пределы измерений: 200мA ; 2; 20; 200; 2000 мA .
Пределы допускаемых значений основной погрешности вольтметра при
измерении силы постоянного тока, в процентах, равны:
на всех приделах измерений,
Где
- конечное значение установленного предела измерений;
I -
значение силы измеряемого постоянного тока на входе;
с шунтом 10 А
Где
- конечное значение установленного предела измерений;
I -
значение силы измеряемого постоянного тока на входе;
Вольтметр обеспечивает измерение среднего квадратического значения силы
переменного тока произвольной формы от 2мА до 200мA в диапазоне частот 40Гц -20
кГц, а также свыше 200мA до
2000мА (с шунтом до 10A) в диапазоне частот 40 Гц. - 2 кГц и имеет пределы
измерений: 200мА; 2; 20; 200; 2000мА.
Пределы допускаемых значений основной погрешности вольтметра при
измерении среднего квадратического значения силы переменного тока произвольной
формы, в процентах, при значениях измеряемого тока от 0,01
до
равны:
в диапазоне 40 Гц - 10 кГц
в диапазоне частот 10 - 20 кГц на пределах измерений 200мА ;
2; 20; 200 мA ;
в диапазоне частот 40 Гц - 20 кГц на пределе измерений 2000мA и с шунтом 10 А,
Где
- конечное значение установленного предела измерений (для
вольтметров с шунтом
=10 А);
I -
значение силы измеряемого переменного тока на входе.
Вольтметр обеспечивает измерение электрического сопротивления от 0,01Ом
до 20МОм и имеет пределы измерений: 200 Ом; 2; 20; 200; 2000кОм; 20МОм
на пределах 200 Ом ; 2;20; 200 2000 кОм
на пределе 20Мом
Где
- конечное значение установленного предела измерений;
R -
значение измеряемого электрического сопротивления на входе.
Сила постоялого тока, протекающего через измеряемое сопротивление, равна
значениям, указанным в таблице 1.
Таблица 1. Сила постоянного тока, протекающего через измеряемое
сопротивление
|
Предел измерения
сопротивления
|
Значение силы тока
|
|
200 Ом
|
(1±0,05) мA
|
|
2 кОм
|
(1±0,05) мA
|
|
20 кОм
|
(10±0,05) мкA
|
|
200 кОм
|
(10±0,05) мкA
|
Максимальное значение постоянного напряжения на измеряемом сопротивлении
(напряжение на открытых гнездах) не более 10 В . Погрешность измерения
напряжения не болев ±5% .
Вольтметр с измерительным кабелем измеряет постоянное напряжение от
0,01мВдо 40В и среднее квадратическое значение переменного напряжения произвольной
формы с коэффициентом амплитуда ≤ 3 от 2 мA до 40 В в диапазоне частот 20 Гц - I00 кГц
Вольтметр В7-40 имеет выход информации о виде измерений , размерности,
мантиссе и полярности измеряемой величины на центрально-процессорном устройстве
(ЦПУ) в коде. Таким образом вольтметр можно применять в системах
автоматического измерения.
Вольтметр обеспечивает 4 1/2 разрядную индикацию результата измерения при
всех видах измерений, что в принципе увеличивает погрешность измерения.
Вход вольтметра при измерении постоянного и переменного напряжений
изолирован от корпуса и допускает наличие между входными гнездами и корпусом
постоянного напряжения или максимального значения переменного напряжения или их
суммарное значение не более 650 В,
Электрическая изоляция входа вольтметра относительно его корпуса
выдерживает без пробоя и поверхностного перекрытия в течение 1 минуты действие
испытательного переменного напряжения частотой 50 Гц , действующее значение
которого составляет в нормальных условиях 2,0 кВ в условиях повышенной
влажности 1,2 кВ.
Электрическая изоляции цепей питания между входом сетевого разъема и
корпусом вольтметра выдерживает без пробоя действие испытательного переменного
напряжения частотой 50 Гц, действующее значение которого составляет в нормальных
условиях 1,5 кВ в условиях повышенной влажности - 0,9 кВ .
Электрическая изоляция входа высоковольтного делителя напряжения ДНВ
относительно его корпуса выдерживает без пробоя в течение 1минуты действие
испытательного напряжения переменного тока частотой 50 Гц, действующее значение
которого составляет 45 кВ . Погрешность установки испытательного напряжения не
более ±10%.
Вольтметр обеспечивает свои технические характеристики в пределах норм,
установленных ТУ, по истечении времени установления режима, равного 15 минут
Вольтметр допускает непрерывную работу в рабочих условиях в течение
.времени не менее I6 часов при сохранении своих технических характеристик в
пределах норм, установленных ТУ.
Вольтметр сохраняет свои технические характеристики в пределах норм,
установленных ТУ, при питании его от сети переменного тока напряжением
(220+22)В, частотой (50+0,5) Гц содержанием гармоник до 5 % и напряжением
(220+11) В, частотой (400+10) Гц с содержанием гармоник до 5 %.
Мощность, потребляемая вольтметром от сети питания при номинальном
напряжении, не превышает 30
. Погрешность измерения потребляемой мощности не более ±5%.
Структурная схема вольтметра В7-40 показана в приложении 3.
2. Специальная часть
.1 Выбор и описание структурной электрической схемы
преобразователя переменного напряжения и тока
Измеряемое переменное напряжение с входных гнезд вольтметра поступает на
масштабирующий усилитель, а затем - на преобразователь среднеквадратических
значений переменного напряжения, выполненный в виде гибридной микросборки
частного применения 04ПН.
При правильном выборе предела измерения переменное напряжение, значение
которого на входе вольтметра может быть от 2 mV до 500 V на
выходе масштабирующего усилителя не превышает 2 V.
Коэффициенты передачи масштабирующего усилителя в зависимости от предела
измерения приведены в таблице 2.
Таблица 2. Коэффициенты передачи масштабирующего усилителя
|
Предел измерения
|
Коэффициент передачи
усилителя
|
Общий коэффициент передачи
масштабирующего усилителя, dB
|
|
На микросхеме D1, dB
|
На микросхеме D3, dB
|
|
|
200 mV
|
0
|
20
|
20
|
|
2 V
|
0
|
0
|
0
|
|
20 V
|
-40
|
20
|
-20
|
|
200 V
|
-40
|
0
|
-40
|
|
2000 V
|
-60
|
0
|
-60
|
Преобразователь среднеквадратических значений переменного напряжения
представляет собой аналоговое вычислительное устройство, реализующее алгоритм
U0 = exp {1/2 log 0ʃT exp 2 (log Ux)dt} ,
где U0 - постоянное напряжение на выходе преобразователя;
Ux - измеряемое переменное напряжение на входе преобразователя;
Т - период измеряемого переменного напряжения.
Схема преобразователя состоит из формирователя модуля (ФМ),
представляющего собой двухполупериодный выпрямитель, логарифмирующего (ЛУ) и
потенцирующего (ПУ) усилителей. Постоянное напряжение, пропорциональное
среднеквадратическому значению измеряемого переменного напряжения, с выхода
преобразователя через фильтр нижних частот (ФНЧ) поступает на вход
аналого-цифрового преобразователя (АЦП). Напряжение, поступающее на вход АЦП,
не превышает 2 V .
Схема показана в приложение 4
Преобразователь постоянного и переменного токов.
Измеряемый ток (постоянный или переменный) создает на шунте RSI, подключенном к входным гнездам
"I" и "0", напряжение,
пропорциональное значению измеряемого тока. При измерении постоянного тока
напряжение с шунта поступает через реле SAЗ и ключ SA1
непосредственно на АЦП, при измерении переменного тока напряжение с шунта через
реле SAЗ поступает на преобразователь U~/U=.
В зависимости от установленного предела к входным гнездам подключается
шунт с таким значением сопротивления, чтобы падение напряжения на нем не
превышало 200 mV . Схема защиты предназначена для
предохранения вольтметра от перегрузки при случайном подключении к гнездам
"I" и "0" источника напряжения.
2.2 Выбор и описание принципиальной электрической схемы
преобразователя переменного напряжения и тока
Конструктивно устройство преобразования выполнено на двух печатных
платах, расположенных в геометрическом корпусе.
На плате расположены:
входной делитель;
схема защиты входов АЦП от перегрузки;
преобразователь постоянного и переменного токов;
масштабирующий усилитель преобразователя переменного напряжения в
постоянное;
блок управления элементами коммутации;
реле коммутации рода работ и пределов измерения вольтметра SA1-SA13;
триггер формирования интервала прямого интегрирования Т0;
импульсные трансформаторы Т1-Т5.
В состав преобразователя тока входит шунт RS1, выполненный на печатной плате, шунты на резисторах R8, R9,
R13, R14 и схема защиты на диодах VD1-VD4.
Масштабирующий усилитель преобразователя переменного напряжения,
построенный на микросхемах TV1, TV3 приводит измеряемое переменное
напряжение к значению, не превышающему 2V. Переключение коэффициентов передачи масштабирующего
усилителя осуществляется реле S2, S4 и ключами на транзисторах VT6, VT7.
Диоды VD5, VD6 служат для защиты входа усилителя от перегрузки.
Резистором R8 устанавливается
нулевое значение напряжения на выходе преобразователя при отсутствии напряжения
на его входе.
Резистором R24регулируется
коэффициент передачи преобразователя при измерении переменного напряжения
произвольной формы с коэффициентом амплитуды равным 3 и напряжения
синусоидальной формы соответственно. Схема показана в приложение 1.
2.3 Описание принципа работы преобразователя переменного
напряжения и тока
Преобразователь переменного напряжения и тока состоит из трех
операционных усилителей: прецизионный, логарифмирующий и потенцирующий.
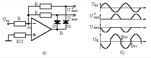
Прецизионный выпрямитель. Полупроводниковые диоды непригодны для
выпрямления сигналов амплитудой меньше 1 В, так как для получения заметной
проводимости на кремниевые диоды нужно подать смещение примерно 0.7 В, а на
германиевые - около 0.4 В. Применение ОУ позволяет получать выпрямители, хорошо
работающие с сигналами до 1 мВ. Схема однополупериодного выпрямителя приведена
на рис.1а.
Рис. 1. Однополупериодный выпрямитель
Эпюры напряжений, показанные на рис. 1б, поясняют работу схемы. При
положительном входном сигнале ток течет через диод D1, а при отрицательном - через
диод D2 .
Коэффициент передачи U+выx/Uвx равен -1 для отрицательной
полуволны на входе, равен 0 для положительной. От характеристик диодов качество
выпрямителя практически не зависит, от них требуется только малый обратный ток.
Для двухполупериодного выпрямления требуется еще один ОУ для получения
суммы {Uвx + 2*U+выx} (см. рис. 1б).
Логарифмический усилитель (ЛУ). Для получения логарифмической зависимости
Uвых ~lg(Uвх) в цепь ОС вводят
нелинейный элемент - диод или биполярный транзистор (рис.2а).
Рис. 2. Логарифмирующий (а) и потенцирующий (б) усилители.
Ток, протекающий в цепи ОС, при Iвх = 0, равен коллекторному току транзистора и
определяется равенством
где IK0 -
тепловой ток p-n перехода (обратный ток коллектора), Uэб - напряжение на переходе
эмиттер-база, k - постоянная Больцмана, Т - температура в градусах К, q - заряд
электрона, η- постоянная рекомбинации. Величина ηkT/q = ϕT называется температурным потенциалом;
(ϕT ≈ 26 мВ для германия, ϕT ≈ 30 мВ для кремния. Для
большинства транзисторов малой мощности IK0 < 10-8 А.
С учетом Uэб >
30 мВ, IK0 <<
Ik из (4) следует
Потенцирующий усилитель получается, если резистор и транзистор в цепи ОС
поменять местами (рис.2б). Все расчеты аналогичны.
Так как ЛУ часто применяются для расширения диапазона измеряемых токов
(для схемы рис. 9а этот диапазон составляет 9 декад 10-12 A < Ik < 10-3 А), в них используются ОУ
с полевыми транзисторами, которые тщательно балансируют (при этом зануляется и
второй член в (5)). Принимаются также меры для компенсации температурного
дрейфа, поскольку в (4) температура входит явно.
С помощью ЛУ можно возводить в произвольную степень и перемножать
аналоговые сигналы. Точность ЛУ невелика - порядка нескольких процентов. Схемы
рис. 2 работают только с однополярными сигналами.
Для того чтобы улучшить параметры преобразователя предусмотрены
регулировочные потенциометры:
Резистором R8 устанавливается
нулевое напряжение на выходе преобразователя (закороченный U˷ с нулевой клеммой)
Резисторами R12, R22 производится настройка
формирователя согласно выше приведенной формуле преобразователя (смещение TV1-R12, а ООС TV1 и TV4 - R22).
Резистором R17 регулируется
логарифмирующий усилитель (на вход вольтметра подается U˷ = 2В и потенциометром настраивается показание
вольтметра равное 2В) Резисторами R24, R44 регулируется коэффициент передачи
при измерении сигналов произвольной формы с коэффициентом амплитуды меньше или
равной 3 и сигналы синусоидальной формы соответственно (для такой регулировки
используется генератор специальной формы Г6-26).
2.4 Описание общего вида вольтметра В7-40
Общий вид прибора после предложенной модернизации (габариты и лицевая
панель) не претерпели изменений, поскольку объем прибора позволяет проводить
различные модернизации. Фото прибора предоставлено в приложение 6.
Основной конструкцией вольтметра являются детали унифицированного
малогабаритного корпуса. Литые боковые кронштейны корпуса скреплены с передней
и задней панелью при помощи винтов и образуют жесткий каркас.
Сверху и снизу вольтметр закрывается крышками, входящими спереди в пазы
декоративных планок, обрамляющих переднюю панель.
Боковые панели вольтметра закреплены винтами и поворотной ручкой.
Конструктивно аналоговая часть вольтметра, изолированная от цифровой
части и блока питания, установлена в герметичный пластмассовый корпус.
Функциональные узлы цифровой части вольтметра состоят из блока
соединительного, блока индикаторного и блока управления. Всё узлы выполнены в
виде печатных плат, соединенных между собой при помощи типовых и оригинальных
разъемов с плоскими жгутами.
Блок питания выполнен отдельно для аналоговой и цифровой части на двух
печатных платах. Трансформатор блока питания установлен на боковом кронштейне
корпуса. На крышке герметичного блока закреплена плата блока сопряжения с ЦПУ
или плата блока сопряжения с КОП.
На передней панели вольтметра В7-40 расположены:
индикаторное табло;
тумблер включения вольтметра СЕТЬ;
клавиши переключения рода работ;
входное гнездо "U, R" измерения постоянного, переменного
напряжения и сопротивления;
входное гнездо "0";
входное гнездо "I" для измерения постоянного и переменного
токов.
На задней панели вольтметров В7-40 имеется счетчик времени наработки типа
ЭСВ-2,5-12,6-1.
На задней панели вольтметра В7-40 имеется:
выход блока сопряжения с ЦПУ и ДУ в виде печатного разъема;
вилка для подключения сетевого шнура с предохранителями;
тумблер переключения сети 50 Гц , 400 Гц;
зажим защитного заземления.
Рис. 1. Комплект принадлежностей к прибору В7-40
Принадлежности к вольтметру представлены на рис. 1:
- зажим;
- кабель измерительный;
- кабель измерительный;
- кабель КЗ;
- делитель напряжения, высоковольтный ДНВ;
- делитель переменного напряжения ДПН;
- пробник ВЧ;
- шунт 10А;
- шнур сетевой;
- щуп;
- хомутик;
- штырь;
- крючок;
- контакт;
- корпус;
- опора;
- хомутик;
- шунт "К2";
- шунт "КЗ".
2.5 Метрологическая часть
Метрология - наука об измерениях физических величин, методах и средствах
обеспечения их единства и способах достижения требуемой точности. Предметом
метрологии является извлечение количественной информации о свойствах объектов с
заданной точностью и достоверностью. Средством метрологии является совокупность
измерений и метрологических стандартов, обеспечивающих требуемую точность.
Для каждого средства измерения ГОСТом устанавливается межповерочный
интервал, для вольтметров типа В7 он установлен 1 год, а для более точных
результатов может быть установлен 6 месяцев.
Для рассмотренного базового прибора В7-40 предусмотрены несколько
поверочных схем для контроля параметров I˷, I=, U˷, U= (состоящих из таких приборов, как:
В1-12, В7-28, Я1В-22, Г6-26, В9-6, В1-15, Р321, Р331, Р310, Р4002, Р4831). Но
здесь предлагается использовать один из новых приборов - калибратор-вольтметр
В1-28, который полностью заменяет все выше указанные приборы. Его описание и
параметры приводятся ниже.
Наличие в приборе стимулирующих (калибратор), измерительных (вольтметр) и
обрабатывающих (для микроЭВМ) средств позволяет максимально расширить
функциональные возможности внутриприборной микроЭВМ в реализации регулирования,
управления, диагностики неисправности (включая обнаружение метрологических
отказов), а также реализовать автокалибровку самого высокого уровня.
Параметры прибора в режиме воспроизведения и измерения напряжения
постоянного тока представлены в таблице 3.
Диапазон воспроизведения ±(0,1 мкВ - 1000В)
Диапазон измерения ±(1 мкВ - 1000В)
Таблица 3. Параметры прибора в режиме воспроизведения и измерения
напряжения постоянного тока
|
Поддиапазон, В
|
Пределы допускаемой
основной погрешности ±(% от U+% от Uк)
|
|
При воспроизведении
|
При измерении
|
|
0,1
|
0,003+0,002
|
-
|
|
1
|
0,003+0,0003
|
0,004+0,0015
|
|
10
|
0,003+0,0003
|
0,003+0,0003
|
|
100
|
0,004+0,0003
|
0,003+0,0003
|
|
1000
|
0,004+0,001
|
0,004+0,001
|
Параметры прибора в режиме воспроизведения напряжения переменного тока
представлены в таблице 4.
Диапазон воспроизведения 1 мкВ-700 В.
Таблица 4. Параметры прибора в режиме воспроизведения напряжения
переменного тока
|
Поддиапазон, В
|
Пределы допускаемой
основной погрешности ±(% от U+% от Uк) на
частотах
|
|
0,1-100 Гц
|
0,4-20 кГц
|
100, 200, 300 Гц, 30-100
кГц
|
|
0,1
|
0,06+0,02
|
0,07+0,02
|
0,1+0,02
|
|
1
|
0,06+0,01
|
0,03+0,02
|
0,06+0,02
|
|
10
|
0,06+0,005
|
0,05+0,005
|
0,06+0,005
|
|
100
|
0,15+0,01
|
0,1+0,01
|
0,1+0,01
|
|
1000
|
0,15+0,015
|
0,1+0,015
|
0,1+0,015
|
Параметры прибора в режиме воспроизведения и измерения силы постоянного
тока.
Диапазон воспроизведения и измерения ±(0,1 нА-2 А)
Таблица 5. Параметры прибора в режиме воспроизведения и измерения силы
постоянного тока
|
Поддиапазон, мА
|
Пределы допускаемой
основной погрешности ±(% от U+% от Uк)
|
|
При воспроизведении
|
При измерении
|
|
0,1
|
0,01+0,002
|
0,01+0,0015
|
|
1
|
0,006+0,002
|
0,01+0,0015
|
|
10
|
0,006+0,002
|
0,01+0,0015
|
|
100
|
0,02+0,002
|
0,02+0,002
|
|
1000
|
0,03+0,003
|
0,03+0,002
|
Параметры прибора в режиме воспроизведения и измерения силы переменного
тока указаны в таблице 6.
Диапазон измерения и воспроизведения 1 нА-2 А.
Таблица 6. Параметры прибора в режиме воспроизведения и измерения силы
переменного тока
|
Поддиапазон, мА
|
Пределы допускаемой
основной погреш. ±(% от I+% от Iк) на
частотах
|
|
0,1 Гц-1,2 кГц
|
2, 3, 4, 5 кГц
|
0,1-5 кГц
|
|
При воспроизведении
|
При измерении
|
|
0,1
|
0,15+0,05
|
Увеличив. в (1+0,2f)
раз, где f=2, 3, 4, 5 кГц
|
0,25+0,025
|
|
1, 10, 100, 1000
|
0,15+0,01
|
|
0,25+0,025
|
Параметры прибора в режиме воспроизведения сопротивления.
Номинальное значение сопротивлений: 1, 10, 102, 103,
104, 105, 106, 107 Ом.
Пределы допускаемой основной погрешности, %: 0,025 (1 Ом), 0,01 (10, 105
Ом), 0,005 (102, 103, 104 Ом), 0,02 (106
Ом), 0,05 (107 Ом).
2.5.1 Расчет погрешности измерения
Определение основной допустимой погрешности измерения постоянного напряжения:

на пределах
200мВ; 2 В

на
пределах 20; 200; 2000 В
Определение
основной допустимой погрешности измерения среднеквадратического значения
переменного напряжения:

в
диапазоне частот 20-40 Гц

)] в
диапазоне частот 40 Гц -10 кГц

в
диапазоне частот 10-20 кГц

в
диапазоне частот 20-50 кГц

в
диапазоне частот 50-100 кГц;
на
пределах измерений 200мВ ; 2; 20; 200 В;
Определение
основной допустимой погрешности измерения силы постоянного тока:
Определение
основной допустимой погрешности измерения силы переменного тока:

в
диапазоне 40 Гц - 10 кГ

в
диапазоне частот 10 - 20 кГц на пределах измерений 200мА; 2; 20; 200 мA;

в
диапазоне частот 40 Гц - 20 кГц на пределе измерений 2000мA
Определение
основной допустимой погрешности измерения электрического сопротивления:

на
пределах 200 Ом; 2;20; 200 2000 кОм

на
пределе 20МОм
2.5.2 Обработка результатов измерений
Входе данной части, была проведена поверка вольтметра по протоколу.
Условия поверки предоставлены в таблице 1.
Таблица 1. Условия поверки
|
Контролируемые параметры
|
Допустимые значения
|
Фактические значения
|
|
Температура окружающей
среды, °С
|
20±5
|
24
|
|
Относительная влажность, %
|
65±15
|
Средства поверки приведены в таблице 2.
Таблица 2. Средства поверки
|
Наименование, тип
|
Метрологические
характеристики
|
|
Прибор для поверки
вольтметров В1-16 (В1-28)
|
З мВ...ЗВ. 10Гц...50МГц.
ПГ±(0.2...3)%
|
|
Прибор для поверки
вольтметров В1-12 (В1-28)
|
V=0, 1 мкВ... 100В ПГ±0,02
|
|
Прибор для поверки
вольтметров Я1В-22(В1-28)
|
V=0... 1000В ПГ±(0,02...0,1)% f=20Гц...
100кГц
|
|
Магазин сопротивлений
МСР-63 (В1-28)
|
0,01 Ом... 100 кОм КТ 0.05/4 х 10-6
|
|
Магазин сопротивлений
Р40105 (В1-28)
|
100 кОм... 10мОм
ПГ±0.02
|
|
Комплект катушек
электрического сопротивления (Р331. Р321. Р323) (В1-28)
|
ПГ±0,01%
|
Результаты поверки приведены в таблице 3:
. Внешний осмотр, опробование годен
Таблица 3. Определение основной погрешности измерения постоянного
напряжения (U=)
|
Предел
|
Поверяемая точка, В
|
«+»
|
«-»
|
Доп. погр-ть, зн.мл.
разряда
|
|
200 мВ
|
00,07 мВ
|
0,0703
|
0,0698
|
±0,04 мВ
|
|
2,0 мВ
|
2,023
|
2,0194
|
±0,04 мВ
|
|
50,0 мВ
|
50,0312
|
49,987
|
±0,06 мВ
|
|
100,0мВ
|
100, 213
|
100,211
|
±0,07 мВ
|
|
150,0мВ
|
150,
|
150,0
|
±0,08 мВ
|
|
190,0 мВ
|
190,0
|
190,0
|
±0,10 мВ
|
|
2В
|
0,2000 В
|
0,20021
|
0,20017
|
±0,0005 В
|
|
0,5000 В
|
0,50027
|
0,50024
|
±0,0006 В
|
|
1,0000 В
|
1,0013
|
1,00034
|
±0,0007 В
|
|
1,5000 В
|
1,50015
|
1,50023
|
±0,0008 В
|
|
1,9000 В
|
1,9000
|
1,90037
|
±0,0010 В
|
|
20 В
|
2,000 В
|
2,004
|
1,998
|
±0,006 В
|
|
10,000 В
|
10,009
|
9,992
|
±0,012 В
|
|
19,000 В
|
19,006
|
19,005
|
±0,019 В
|
|
200 В
|
20,00 В
|
20,02
|
20,01
|
±0,06 В
|
|
100,0 В
|
100,05
|
100,05
|
±0,12 В
|
|
200 В
|
190,0 В
|
190,06
|
190,04
|
±0,19 В
|
|
2000 В
|
200,0 В
|
200,05
|
200,03
|
±0,6 В
|
|
500,0 В
|
500,07
|
500,06
|
±0,8 В
|
|
1000,0 В
|
1000,8
|
1000,9
|
±1,2 В
|
Результаты основной погрешности измерения переменного напряжения
приведены в таблице 4.
Таблица 4
|
Определение основной
погрешности измерения переменного напряжения (U~)
|
|
Предел
|
Поверяемая точка, В
|
Частота
|
Изм. значение
|
Доп. погр-ть, зн.мл.
разряда
|
|
200 мВ
|
2,00 мВ
|
20 Гц
|
2,0012
|
±22
|
|
|
40 Гц
|
2,0011
|
±21
|
|
|
10 кГц
|
2,0013
|
±21
|
|
|
50 кГц
|
2,0015
|
±40
|
|
|
100 кГц
|
2,0011
|
±99
|
|
100,00 мВ
|
20 Гц
|
100,0103
|
±110
|
|
|
40 Гц
|
100,0031
|
±70
|
|
|
10 кГц
|
100,00273
|
±70
|
|
|
50 кГц
|
100,0023
|
±515
|
|
|
100 кГц
|
100,0041
|
±1040
|
|
180,00 мВ
|
20 Гц
|
180,0034
|
±182
|
|
|
40 Гц
|
180,0027
|
±110
|
|
|
10 кГц
|
180,0035
|
±110
|
|
|
50 кГц
|
180,0048
|
±903
|
|
|
100 кГц
|
180,0051
|
±1808
|
|
2,0 В
|
0,2000 В
|
20 Гц
|
0,200031
|
±38
|
|
|
40 Гц
|
0,200019
|
±30
|
|
|
10 кГц
|
0,200027
|
±30
|
|
|
50 кГц
|
0,200041
|
±127
|
|
|
100 кГц
|
0,200035
|
±272
|
|
1,0000 В
|
20 Гц
|
1,000031
|
±110
|
|
|
40 Гц
|
1,000025
|
±70
|
|
|
10 кГц
|
1,000019
|
±70
|
|
|
50 кГц
|
1,000027
|
±515
|
Таблица
|
2,0 В
|
1,0000 В
|
100 кГц
|
1,000036
|
±1040
|
|
1,8000 В
|
20 Гц
|
1,000031
|
±182
|
|
|
40 Гц
|
1,000015
|
±110
|
|
|
10 кГц
|
1,000019
|
±110
|
|
|
50 кГц
|
1,000028
|
±903
|
|
|
100 кГц
|
1,000039
|
±1808
|
|
20,0 В
|
2,000 В
|
20 Гц
|
2,0029
|
±38
|
|
|
40 Гц
|
2,0027
|
±30
|
|
|
10 кГц
|
2,0022
|
±30
|
|
|
50 кГц
|
2,0033
|
±127
|
|
|
100 кГц
|
2,0042
|
±272
|
|
10,000 В
|
20 Гц
|
10,004
|
±110
|
|
|
40 Гц
|
10,0027
|
±70
|
|
|
10 кГц
|
10,0061
|
±70
|
|
|
50 кГц
|
10,0027
|
±515
|
|
|
100 кГц
|
10,0036
|
±1040
|
|
18,000 В
|
20 Гц
|
18,0021
|
±182
|
|
|
40 Гц
|
18,0024
|
±110
|
|
|
10 кГц
|
18,0029
|
±110
|
|
|
50 кГц
|
18,0031
|
±903
|
|
|
100 кГц
|
18,0033
|
±1808
|
|
200,0 В
|
20,000 В
|
20 Гц
|
20,0024
|
±38
|
|
|
40 Гц
|
20,0021
|
±30
|
|
|
10 кГц
|
20,002
|
±30
|
|
|
50 кГц
|
20,000
|
±127
|
|
|
100 кГц
|
20,001
|
±272
|
|
100,00 В
|
20 Гц
|
100,00
|
±110
|
Таблица
|
200,0 В
|
100,00 В
|
40 Гц
|
100,026
|
±70
|
|
|
10 кГц
|
100,031
|
±70
|
|
|
50 кГц
|
100,021
|
±515
|
|
|
100 кГц
|
100,00
|
±1040
|
|
180,00 В
|
20 Гц
|
180,00
|
±182
|
|
|
40 Гц
|
180,0081
|
±110
|
|
|
10 кГц
|
180,0073
|
±110
|
|
|
50 кГц
|
180,0064
|
±903
|
|
|
100 кГц
|
180,0063
|
±1808
|
|
2000,0 В
|
200,0 В
|
20 Гц
|
200,036
|
±38
|
|
|
40 Гц
|
200,021
|
±30
|
|
|
500 кГц
|
200,019
|
±30
|
|
|
1 кГц
|
200,015
|
±30
|
|
|
5 кГц
|
200,016
|
±38
|
|
300,0 В
|
20 Гц
|
300,023
|
±65
|
|
|
40 Гц
|
300,027
|
±45
|
|
|
500 кГц
|
300,031
|
±45
|
|
|
1 кГц
|
300,036
|
±45
|
300,0
|
±65
|
Результаты определения основной погрешности измерения сопротивления предоставлены
в таблице 5.
Таблица 5
|
Определение основной
погрешности измерения сопротивления (К)
|
|
Предел
|
Поверяемая точка
|
«+»
|
«-»
|
Доп. погр-ть, зн. мл.
разряда
|
|
200 мкА
|
0,05 мкА
|
0,05013 мкА
|
0,05015 мкА
|
±4
|
|
2,0 мкА
|
2,0041 мкА
|
2,0043 мкА
|
±4
|
|
20,0 мкА
|
20,0021 мкА
|
20,0025 мкА
|
±8
|
Таблица
|
200 мкА
|
150,0 мкА
|
150.0019 мкА
|
150.0021 мкА
|
±31
|
|
190.0 мкА
|
190.0021 мкА
|
190.0025 мкА
|
±38
|
|
2 мА
|
0,2 мА
|
0,2071 мА
|
0,2069 мА
|
±8
|
|
1,0 мА
|
1,0012 мА
|
1,0011 мА
|
±22
|
|
1,9 мА
|
1,9016 мА
|
1,9013 мА
|
±39
|
|
20 мА
|
2,0 мА
|
2,0012 мА
|
2,0009 мА
|
±8
|
|
10,0 мА
|
10,0014 мА
|
10,0013 мА
|
±22
|
|
19,0 мА
|
19,0013 мА
|
19,00 мА
|
±38
|
|
200 мА
|
20,0 мА
|
20,0011 мА
|
20,0009 мА
|
±8
|
|
100,0 мА
|
100,0011 мА
|
100,0013 мА
|
±22
|
|
190,0 мА
|
190,0013 мА
|
190,001 мА
|
±38
|
|
2000,0 мА
|
1000,0 мА
|
1000,0014 мА
|
1000,0013 мА
|
±22
|
|
1900,0 мА
|
1900,0016 мА
|
1900,0011 мА
|
±38
|
Определение основной погрешности измерения сопротивления приведены в
таблице 6.
Таблица 6. Определение основной погрешности измерения сопротивления (R)
|
Предел
|
Поверяемая точка
|
Измер. значение
|
Доп. погр-ть, зн. мл.
разряда
|
|
200 Ом
|
0,1 Ом
|
0,103 Ом
|
±10
|
|
2,0 Ом
|
2,05 Ом
|
±10
|
|
50,0 Ом
|
50,12 Ом
|
±15
|
|
150,0 0м
|
150,16 Ом
|
±25
|
|
190,0 0м
|
190,07 Ом
|
±29
|
|
2 кОм
|
0,2 кОм
|
0,201 кОм
|
±12
|
|
1,0 кОм
|
1,0016 кОм
|
±20
|
|
1,9 кОм
|
1,90027 кОм
|
±29
|
|
20 кОм
|
2,0 кОм
|
2,0011 кОм
|
±12
|
Таблица
|
20 кОм
|
10,0 кОм
|
10,00135 кОм
|
±20
|
|
19,0 кОм
|
19,0061 кОм
|
±29
|
|
200 кОм
|
20,0 кОм
|
20,0091 кОм
|
±12
|
|
100,0 кОм
|
100,0192 кОм
|
±20
|
|
190,0 кОм
|
190,013 кОм
|
±29
|
|
2 МОм
|
0,2 МОм
|
0,2045 МОм
|
±12
|
|
1,5 МОм
|
1,50095 МОм
|
±25
|
|
1,9 МОм
|
1,90153 МОм
|
±29
|
|
20 МОм
|
2,0 МОм
|
2,0114 МОм
|
±28
|
|
10,0 МОм
|
10,0665 МОм
|
±60
|
|
19,0 МОм
|
19,073 МОм
|
±96
|
На основании результатов поверки признан годным к применению.
(годным, не годным)
Действительные значения метрологических характеристик:
Причины не годности:
Выдано: сертификат поверки №
извещение о непригодности №
Поверку произвел: Перфилов Денис Вадимович
Дата поверки « 28 « мая 20 11 г.
2.5.3 Оформление результатов измерений
Полученные результаты заносятся в протокол. Вид протокола определен ГОСТ.
В протокол вносятся следующие данные:
1. Заводской номер
. Принадлежность
. Выполнение условий поверки
. Средства поверки, а также их погрешности
. Результаты внешнего осмотра
. Результаты измерений и расчетов
. Годность
. При наличии причины негодности
. Вывод о действительных значениях метрологических характеристик
. Номер сертификата (извещения)
. ФИО поверителя
. Дата
Протокол поверки (калибровки) хранится в архиве.
Положительные результаты поверки вольтметра оформляются записью
результатов поверки в формуляре, заверенным подписью поверителя и оттиском
поверительного клейма.
Вольтметры, имеющие отрицательные результаты, в обращение не допускаются
и направляются в ремонт.
3. Экономическая часть
.1 Технико-экономическое обоснование эффективности разработки
прибора
Главной задачей нынешнего этапа экономического развития России является
проведение модернизации страны. Практика экономического процесса
свидетельствует что страны, не проводившие технического и технологического
обновления, оказываются на "обочине" мирового развития и как следствие
из-за этого имеют низкий жизненный уровень населения и тем самым усугубляют
свое положение в современном глобализированном мире.
Любые подвижки в направлении модернизации снижают остроту экономических,
социальных и политических проблем.
3.1.1 Выбор и обоснование выбора аналога
Выбор преобразователя переменного напряжения и тока обусловлен тем, что
он имеет ряд преимуществ по сравнению с его старым аналогом заводской
микросборкой 04ПН007. Такими преимуществами можно считать легкий и быстрый
ремонт вышедшего из строя, чего нельзя сделать с заводской микросборкой
04ПН007, которую приходится заменять полностью.
3.1.2 Исходные данные для расчетов
Данные для расчета технико-экономических показателей указаны в таблице 1.
Таблица 1. Технико-экономические показатели
|
Время безотказной работы
|
Тбо
|
час
|
900
|
1744
|
|
Нормативный срок службы
|
Тн
|
год
|
8
|
10
|
|
Потребление электроэнергии
(в час)
|
W
|
Вт/час
|
30
|
30
|
|
Амортизация
|
На
|
%
|
12,5
|
10
|
|
Время поверки
|
Тпов
|
Год
|
1,1
|
0,5
|
|
Коэффициент экономической
эффективности
|
Е
|
руб
|
0,3
|
0,3
|
|
Регламентированное время
работы прибора
|
Трег
|
час
|
2080
|
2080
|
|
Ремонт вышедшего из строя
|
R
|
руб
|
1770
|
500
|
|
Время на ремонт
|
t
|
час
|
5
|
2
|
|
Ставка ремонтника
|
К
|
руб/час
|
137
|
119
|
Расчет зарплаты ремонтника в час:

(Без
учета дополнительной зарплаты и отчислений на страховку)
3.1.3 Определение числа отказов устройства в год
nо1
nо2
Определение коэффициента тождественного эффекта по числу отказов, который
показывает, во сколько раз новое устройство лучше аналога по исследуемому
параметру.
α
Таким
образом, проектируемое устройство в 2 раза лучше аналога по числу отказов.
3.2
Определение эксплуатационных расходов
.2.1 Затраты на ремонт
Sp=R+t*K(1+ Кз/п)+(1+ Ксоц)*L
Кз/п - коэффициент учитывающий долю заработной платы.
Ксоц - коэффициент учитывающий долю отчислений на социальные
страхования.- общехозяйственные расходы.
Аналог:=1770+5*137(1+ 0,15)+(1+ 0,34)*2=2560,4
Проект:=500+2*119(1+ 0,15)+(1+ 0,34)*2=776,4
3.2.2 Затраты на амортизацию
Sа1
=12950а2
=10700
.2.3
Эксплуатационные расходы
Sэ1
Sp1+Sа1=2560,4+12950=15510,4э2
Sp2+Sа2=776,4+1070=1846,4
3.2.4
Определение приведенных затрат без учета коэффициента тождественного эффекта
З=
Sэ+EC
З1=
15510,4+0,3*103600=46590,4
З2=
1846,4+0,3*107000=33946,4
3.2.5
Определение приведенных затрат с учетом коэффициента тождественного эффекта
=
З* α
F1=
З1* α=46590,4*2=93180,8
F2=
З2* α=33946,4*2=67892,8
3.3
Определение годового экономического эффекта
Ф= F1- F2=93180,8-67892,8=25288
Приведенные расчеты показали, что модернизация комбинированного
вольтметра В7-40 для измерения переменного напряжения и тока дают годовой
экономический эффект в размере 25288 рублей.
4. Мероприятия по обеспечению безопасности жизнедеятельности
.1 Техника безопасности при эксплуатации прибора
. По требованиям электробезопасности вольтметр В7-40 относится к классу
защиты 1.
. К работе с вольтметром допускаются лица, изучившие работу вольтметра и
его составных частей и прошедшие проверку знаний по технике безопасности при
работе с электроустановками напряжением до 1000 V.
. Перед включением вольтметр необходимо заземлить, для чего зажим
защитного заземления «
« на задней панели вольтметра подсоединить к контуру
защитного заземления.
. При работе вольтметра с другими приборами зажим защитного заземления
необходимо присоединить к контуру защитного заземления раньше других
присоединений, а отсоединить после всех отсоединений.
. Подключение к вольтметру и отключение измерительных кабелей производить
только при обесточенных электрических цепях.
. При работе с вольтметром со снятой крышкой (при ремонте) соблюдать
особую осторожность, так как отдельные точки схем имеют относительно корпуса
напряжения, опасные для жизни.
К ним относятся:
выводы силового трансформатора;
места присоединения к тумблеру "СЕТЬ";
контакты сетевого разъема.
. В процессе эксплуатации и ремонта вольтметра воспрещается:
проводить смену деталей под напряжением;
определять наличие напряжения в схеме "на ощупь" или "на
искру";
оставлять без надзора вольтметр под напряжением при кратковременном
отсутствии лиц, производящих работу.
. Лица, допущенные к работе, должны проходить ежегодно проверку знаний по
технике безопасности.
При работе с вольтметром учитывать следующее:
. Ввод вольтметра ври измерении постоянного и переменного напряжений
допускает наличие между входными гнездами и корпусом постоянного напряжения или
максимального значения переменного напряжения или суммарного значения постоянного
и переменного напряжений не более 650 V.
. При измерении постоянного и переменного напряжений вольтметр
выдерживает перегрузку постоянного напряжения 1000 V на пределах измерений 200
mV , 2, 20 , 200 V в течение одной минуты.
. Если вольтметр показывает перегрузку (мигающее показание
"0000" на индикаторном табло), следует отсоединить вольтметр от
объекта измерений.
. Не допускать попадания на вход "I", "0" напряжения
более 0,6 V.
. При измерении сопротивлений не допускать попадания напряжения на гнезда
" U, R " и "0" .
. Во избежание повреждения ВЧ пробника необходимо помнить, что пробник
выдерживает присутствие на его входе переменного напряжения в постоянной
составляющей переменного напряжения не более 16V.
4.2 Техника безопасности при проведении поверки
Наладчик-монтажник работает в специальной лаборатории
электротехнических измерений.
Режим работы монтажника 8 часов в день, 5 дней в неделю.
Лаборатория имеет все необходимые условия и аккредитации, для
проведения измерений и комфортной работы монтажника.
Рабочее место представляет из себя: столешницу, стул, поверяемый прибор и
комплекс образцовых средств измерений. Оборудование, с которым работает
поверитель, должно быть обязательно заземлено. Помещение, в котором проводится
поверка, является лабораторией с созданными в ней необходимыми условиями, для
проведения поверки. Условия, при которых могут проводиться, метрологические
мероприятия описаны в НТД и ГОСТ 12.0.003-74 ССБТ. К этим условиям можно
отнести:
. температура в помещении: 17 -21
;
. давление: 760 мм.рт.ст;
. влажность воздуха: не более 70%.
Некоторые параметры можно подкорректировать при помощи
кондиционера, установленного в помещении.
В зависимости от вида измерений и зависит, в какой лаборатории
проводятся измерения, в данном случае - это электротехнические измерения.
Поэтому им присуще вредные факторы, как:
.Шум от приборов и вибрация.
.Повышенный уровень тепловых и иных излучений. Они
конечно в пределах нормы, но их всё равно есть и их надо учитывать.
. Статические перегрузки ( неизменность позы).
. Перенапряжение анализаторов. Обязательно надо отметить большую нагрузку
на глаза, так как поверитель должен быть очень внимательным и осторожным.
. Поражение электрическим током.
Поэтому рабочий день не более 8 часов и за вредность им выдается
материальная надбавка за вредные условия труда.
4.3 Расчет искусственного освещения
В связи с высоким напряжением на глаза необходимо достаточное
искусственное освещение, которое можно рассчитать по формуле:
нормированная максимально-допустимая освещённость (лк);- площадь
освещаемого помещения (м2);- коэффициент неравномерности освещения,
который зависит от типа
ламп;
k -
коэффициент запаса, учитывающий запыление светильников и снижение теплоотдачи в
процессе эксплуатации;

- число
светильников в помещении;
у
- коэффициент затемнения;

-
коэффициент использования светового потока ламп определяемым индексом i
помещения.
Индекс
помещения определяется по формуле:
где
А и В - длина и ширина помещения, м;

- высота
подвеса светильников над рабочей поверхностью.
В
данном рабочем помещении, площадью 77 м, согласно СНиП 23.05-95:

= 500
(лк);
S= 77 (м2
);= 1,15; так как помещение освещено люминесцентными лампами;=1,3; так как
запыленность ламп средняя;c=20;
у
= 1, так как крупногабаритного оборудования, затемняющего рабочее
место,
нет;

= i =
10,69
А=
11м;
В
= 7 м;

=0,4 м;


лк,
является нормированной величиной освещения для данной лаборатории согласно СНиП
23-05-95.
4.3
Электробезопасность
К работе допускаются лица, прошедшие инструктаж.
Инструктажи являются важными в обеспечении безопасности труда.
Согласно ГОСТ 12.0.004-90 предусмотрено 5 видов инструктажей:
. Вводный
. Первичный
. Повторный
. Внеплановый
. Целевой.
Вводный инструктаж проводится при поступлении на работу службой охраны на
предприятии.
Первичный инструктаж проводится для всех принятых на предприятие перед
первым допуском к работе и при переводе из одного отделения в другое.
Повторный инструктаж проводится не реже раза в полгода для восстановления
в памяти работника правил охраны труда.
Целевой инструктаж проводится при выполнении разовых работ, не связанных
с прямыми обязанностями по специальности.
Помимо этого следует соблюдать общие правила электробезопасности.
Электроустановки должны отвечать требованиям правил устройства
электроустановок. Правил технической эксплуатации электроустановок потребителей
и правил техники безопасности при эксплуатации электроустановок потребителей и
действующим нормативным актам.
В помещениях с повышенной опасностью и особо опасных относительно
поражения людей электротоком при установке светильников напряжением 220 В
общего освещения с лампами накаливания и газоразрядными лампами на высоте менее
2,5 м необходимо применять светильники, конструкция которых исключает доступ к
лампам без применения инструмента. Электропроводка, подводимая к светильникам,
должна быть в металлических трубах, металлорукавах или защитных оболочках.
Для питания светильников местного стационарного освещения с лампами
накаливания должно применяться напряжение: в помещениях без повышенной
опасности - не выше 220 В, а в помещениях с повышенной опасностью и особо
опасных - не выше 42 В.
Во взрывоопасных помещениях электроустановки должны быть во
взрывозащищенном исполнении, а в пожароопасных - иметь степень защиты
соответствующую классу пожарной опасности.
Освещение осмотровых канав светильниками (с лампами накаливания), питание
которых осуществляется напряжением 127-220 В, разрешается при соблюдении
следующих условий:
вся проводка должна быть внутренней (скрытой), имеющей надежную электро-
и гидроизоляцию;
осветительная арматура и выключатели должны иметь электро- и
гидроизоляцию;
светильники следует закрывать стеклом и ограждать защитной решеткой;
металлический корпус светильника следует заземлять.
Для питания переносных светильников в помещениях с повышенной опасностью
и особо опасных используют напряжение не выше 42 В.
Для питания переносных и передвижных электроприемников должны применяться
шнуры и гибкие кабели с медными жилами, специально предназначенные для этой
цели, с учетом возможных механических воздействий.
Все электрооборудование (корпуса электрических машин, аппаратов,
светильников, распределительных устройств, металлические корпуса передвижных и
переносных электроприемников и т.п.) должны иметь надежное защитное заземление
или зануление.
Измерение сопротивления изоляции, определение сопротивления заземляющих
устройств, проверка цепи между заземлителями и заземляющими элементами и другие
испытания электроустановок должны проводиться в объеме и с периодичностью,
которые указаны в правилах технической эксплуатации электроустановок
потребителей.
Распределительные устройства должны иметь четкие надписи, указывающие
назначение отдельных цепей и панелей.
Токоведущие части пускорегулирующих и защитных аппаратов должны быть
защищены от случайных прикосновений. В специальных помещениях (электромашинных,
щитовых, станций управления и т.п.) допускается открытая (без защитных кожухов)
установка аппаратов.
Двери распределительных устройств должны закрываться на ключ.
На проводах коммутационных аппаратов должны быть четко указаны положения
"включено" и "отключено".
Плавкие вставки предохранителей должны быть калиброваны с указанием на
клейме номинального тока вставки (клеймо ставится заводом-изготовителем или
электротехнической лабораторией). Применение самодельных некалиброванных
плавких вставок запрещается.
Запрещается:
устанавливать или заменять лампы в светильниках, находящиеся под
напряжением;
навешивать на электропроводку и другое электрооборудование какие-либо
предметы, обертывать электролампы бумагой или тканью;
устраивать в производственных и других помещениях временную
электропроводку, за исключением случаев ремонта помещений и реконструкции
электросети. Временная электропроводка должна монтироваться согласно
действующим правилами и нормам; включать освещение и какие-либо другие
электротехнические установки с помощью соединения оголенных концов проводов.
4.4 Пожарная безопасность
На рабочем месте наладчик-монтажник должен соблюдать следующие правила:
. Работники организации обязаны знать и соблюдать все требования инструкции
по технике безопасности.
. Ответственность за обеспечение мер пожарной безопасности несёт
руководитель или лицо, временно исполняющее его обязанности.
. Все сотрудники должны допускаться к работе только после прохождения
противопожарного инструктажа, проводимого один раз в квартал.
. Лица виновные в нарушении правил пожарной безопасности в зависимости от
характера нарушений и последствий несут ответственность в соответствии с
действующим законодательством и правилами внутреннего распорядка.
. Содержание помещений и оборудования согласно правилам пожарной
безопасности.
. К зданию должен быть обеспечен свободный подъезд. Коридоры, тамбуры,
проходы к средствам тушения и электрическим приборам должны быть свободными.
. Двери эвакуационных выходов должны свободно открываться в направлении
выхода из помещения.
В помещении запрещается:
а) хранить огнеопасные или легковоспламеняющиеся вещества и жидкости;
б) производить электрогазосварочные и другие огневые работы;
в) оставлять без присмотра включенные нагревательные электроприборы.
В целях обеспечения пожарной безопасности необходимо:
. Не реже одного раза в месяц огнетушители, установленные в помещении
подвергать внешнему осмотру.
. Рабочие места и оборудование ежедневно убирать от мусора и пыли.
. Курение разрешается только в специально отведенных местах.
. Электроустановки, электропроводки и освещение.
. Электроустановки монтируются и эксплуатируются в соответствии с
Правилами устройства электроустановок (ПУЭ) и Правилами техники безопасности
(ПТБ).
. Устройство и эксплуатация электросетей - времянок не допускается.
. При эксплуатации электросетей запрещается:
а) использовать провода с поврежденной изоляцией;
б) применять для защиты электросетей вместо автоматов защиты или
калиброванных плавких предохранителей - жучки
. Во всех помещениях по окончании работ все электроустановки и
электроприборы должны быть обесточены, за исключением дежурного освещения.
Порядок действий при пожаре.
Каждый сотрудник обнаруживший пожар или признак горения обязан:
а) немедленно сообщить об этом по телефону 01 в пожарную охрану и назвать
адрес объекта, место возникновения пожара, свою фамилию.
б) принять меры по эвакуации людей, тушению пожара и сохранности
материальных ценностей.
Руководитель предприятия или лицо, исполняющее его обязанности должен:
а) в случае угрозы жизни людей организовать их спасение,
б) при необходимости отключить электроэнергию,
в) прекратить все работы, не связанные с тушением пожара,
г) организовать встречу подразделений пожарной охраны.
По прибытии пожарного подразделения руководитель обязан проинформировать
руководителя тушения пожара о конструктивных и технологических особенностях
объекта.
В данном помещении находится один огнетушитель на случай возникновения
пожара, а также предусмотрен план эвакуации в случае возникновения опасности.
Кроме того согласно ГОСТ 12.0.004-90 проводятся вводный, целевой и
повторный инструктажи по технике безопасности.
Предлагаемые в данном разделе мероприятия позволяют снизить утомляемость
и травматизм, повысить производительность труда, обеспечить более комфортные
условия для трудовой деятельности.
Заключение
В данной дипломной работе была рассмотрена технологическая модернизация
универсального цифрового вольтметра В7-40, в результате которой были улучшены
эксплуатационные свойства - сокращено время ремонта и его настройка после
ремонта, или в процессе эксплуатации в межповерочном интервале.
На работу вольтметра, замена, произведенная в дипломе, не повлияла, а,
даже в определенном смысле, улучшила метрологические характеристики прибора,
что отражено в дипломе.
Здесь надо отметить, что примененный В7-40 аналого-цифровой
преобразователь с реализацией 4,5 разряда является уже значительно устаревший,
поэтому более современным было бы 6,5 разряда, что в значительной степени так
же увеличит точность измерения.
В ходе диплома было выяснено, что вольтметр В7-40 нуждается в
модернизации, возможно улучшение его элементной базы, а так же значительно
сократить время поверки используя современный В1-28 учитывая то, что он может
работать в системе автоматического регулирования (САР) с использованием
соответствующего интерфейса для подключения к персональному компьютеру.
Список используемой литературы
1. Гутников
В.С. Интегральная электроника в измерительных устройствах. Л.: Энергоатомиздат,
1988
.Справочное
пособие для работников метрологических служб. Артемьев Б. Г., Голубев С. М. -
Стандартинформ 2009
3. Вольтметр
универсальный цифровой В7-40. Техническое описание и инструкция по эксплуатации
2.710.016 ТО
4. Кошевая
И.П., Канке А.А. Метрология, стандартизация, сертификация. М.: ИД «Форум» -
Инфра - М, 2007
5. А.М.
Федоров, Н.Я. Цыган, В.И. Мичурин. Метрологическое обеспечение электронных
средств измерений электрических величин. Энергоатомиздат 1988
6.
Измерительные преобразователи переменного напряжения в постоянное. Л.И. Волгин.
- М.: Сов. Радио, 1977
.
Радиотехнические измерения. Дворяшин Б.В., Кузнецов Л.И. - М.: Сов. Радио, 1978
.
Нормирование и определение погрешностей электронных вольтметров от частоты и
формы сигнала. Федоров А.М., Петрищев А.А., Долобеева Н.Г. - Л.: ВНИИМ, 1984
9. ГОСТ8.002
-71 Организация и порядок проведения поверки, ревизии и экспертизы средств
измерений
. Шишмарев
В.Ю. Средства измерений. Академия. 2009
. МИ 860-85
ГСИ. Вольтметры цифровые. Алгоритмы автоматизированной поверки