Моделювання перехідних процесів у системі електропривода ТП-Д за допомогою програмного пакету MatLab
Міністерство
освіти і науки, молоді та спорту України
ДВНЗ
“Криворізький національний університет”
кафедра
автоматизованого електропривода
Лабораторна
робота№1а
З
дисципліни: “Моделювання в електроприводі”
Тема:“Моделювання
системи електропривода ТП-Д”
(Варіант№6)
Виконав:
ст.гр. ЕПА-10-1
Іщенко Ю.О.
Кривий
Ріг 2012р.
Варіант № 6
Тема роботи: Моделювання перехідних
процесів у системі електропривода ТП-Д за допомогою програмного пакету MatLab.
Мета роботи:Навчитися моделювати
перехідні процеси в системі електропривода ТП-Д.
Система електропривода ТП-Д є
подальшим розвитком систем електропривода Г-Д, що стало можливим завдяки
розвитку напівпровідникової техніки. Їхнє впровадження в практику дозволило
досягти зменшення масогабаритних показників, збільшення швидкості й жорсткості
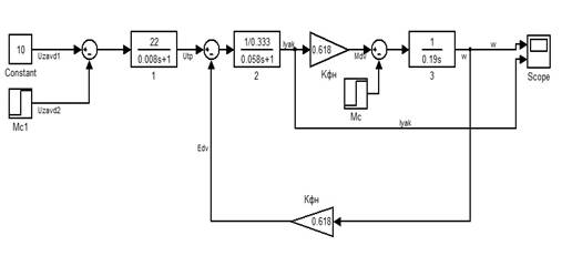
статичних характеристик. Система ЕП ТП-Д представлена на рис:
Система рівнянь та структурна схема
системи ЕП:
. Здійснимо введення структури
моделі системи ТП-Д у програмі MatLab.
Змоделюємо
перехідний процес розгону системи ТП-Д з нерухомого стану до сталого при подачі
на систему східчастого впливу:

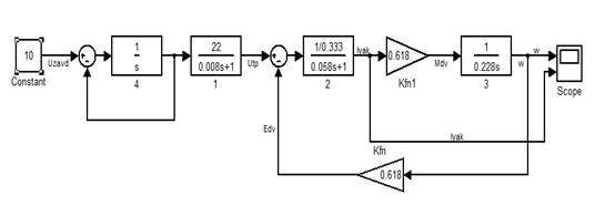
. Для обмеження пускового струму на
рівні 2Iн
підібрати темп наростання вихідного сигналу за датчика інтенсивності.
Змоделювати перехідний процес пуску при початкових умовах, але при використанні
за датчика інтенсивності:
напруга сигнал matlab
модель
Графіки перехідних процесів струму
якоря та швидкості:
За допомогою за датчика
інтенсивності ми регулюємо темп наростання напруги двигуна, тим самим обмежує
пусковий струм.
Висновок
У ході даної лабораторної роботи ми
змоделювали роботу системи тиристорного перетворювача-двигун у програмному
пакеті MatLab, та
побудували графіки струму та швидкості. Змоделювали дві системи ТП-Д: 1) зі
статичним моментом; 2) та із задатчиком інтенсивності. Чим більша задана
напруга на вході системи, тим більша швидкість двигуна та пусковий струм.