Проектирование устройства управления и моделирование его работы средствами MultiSim

  • Вид работы:
    Контрольная работа
  • Предмет:
    Информатика, ВТ, телекоммуникации
  • Язык:
    Русский
    ,
    Формат файла:
    MS Word
    1,01 Мб
  • Опубликовано:
    2013-07-13
Вы можете узнать стоимость помощи в написании студенческой работы.
Помощь в написании работы, которую точно примут!

Проектирование устройства управления и моделирование его работы средствами MultiSim















Проектирование устройства управления и моделирование его работы средствами MultiSim

выходной сигнал multisim моделирование

Для разработки имеется входной сигнал CLK, который представляет собой чередование симметричных импульсов одинакового периода. Этот сигнал используется для синхронизации работы всех устройств схемы.

Временная диаграмма A представлена следующим образом:

.5 такта на выходе идёт единица, после чего полтора такта идёт ноль. Далее 5.5 тактов - единица и 1.5 такта - ноль. Каждое повторение количество единиц в такте уменьшается на один такт вплоть до 1.5 такта единицы и 1.5 такта ноль. Работа схемы завершается на 1.5 такта нуля.

Временная диаграмма B представлена следующим образом:

такта в единицу, 1 такт в ноль, 3 такта в единицу, 1 такт в ноль, то есть получается последовательность: 2-1-3-1. Далее по циклу идет повторение.

Временная диаграмма C представлена следующим образом:

такта в единицу, 1 такт в ноль, то есть получается последовательность: 3-1. Далее по циклу идет повторение.

Для получения нужных сигналов потребуется:

-     2 4-х разрядных счетчика соединённых последовательно, так как у нас 6 входных сигналов;

-     Генератор сигналов;

-     Логические элементы "И" (AND), «Исключающее И» (NAND), "ИЛИ" (OR) и инвертор (NOT) для реализации схемы формирования сигналов A, B, C;

-     Логический анализатор

Постановка задачи

Разработать устройство управления, вырабатывающее заданную последовательность выходных сигналов показанных на рисунке 1.

Рисунок 1 Последовательность выходных сигналов

Проектирование схемы устройства управления

Составим таблицу состояний устройства управления выходного сигнала А. В таблице истинности A, B, C, D, E, CLK - состояния счётчика.

Таблица


Выпишем строки, где функция равна единице и приведём к СДНФ функцию А:

Используем следующие сокращения: CLK = F, И = &&, ИЛИ = ||, Отрицание, следующее за знаком переменной - ¬.

(F&&E&&D&&C&&B&&¬A)||(F&&E&&D&&C&&¬B&&A)||(F&&E&&D&&C&&¬B&&¬A)||(F&&E&&D&&¬C&&¬B&&¬A)||(F&&E&&¬D&&C&&B&&A)||(F&&E&&¬D&&C&&B&&¬A)||(F&&E&&¬D&&C&&¬B&&A)||(F&&E&&¬D&&C&&¬B&&¬A)||(F&&E&&¬D&&¬C&&¬B&&¬A)||(F&&¬E&&D&&C&&B&&A)||(F&&¬E&&D&&C&&B&&¬A)||(F&&¬E&&D&&C&&¬B&&A)||(F&&¬E&&D&&C&&¬B&&¬A)||(F&&¬E&&D&&¬C&&B&&A)||(F&&¬E&&D&&¬C&&B&&¬A)||(F&&¬E&&¬D&&C&&B&&¬A)||(F&&¬E&&¬D&&C&&¬B&&A)||(F&&¬E&&¬D&&C&&¬B&&¬A)||(F&&¬E&&¬D&&¬C&&B&&A)||(F&&¬E&&¬D&&¬C&&B&&¬A)||(F&&¬E&&¬D&&¬C&&¬B&&A)||(F&&¬E&&¬D&&¬C&&¬B&&¬A)||(¬F&&E&&D&&C&&B&&A)||(¬F&&E&&D&&C&&B&&¬A)||(¬F&&E&&D&&¬C&&B&&¬A)||(¬F&&E&&D&&¬C&&¬B&&A)||(¬F&&E&&D&&¬C&&¬B&&¬A)||(¬F&&E&&¬D&&C&&B&&A)||(¬F&&E&&¬D&&C&&B&&¬A)||(¬F&&E&&¬D&&C&&¬B&&A)||(¬F&&E&&¬D&&C&&¬B&&¬A)||(¬F&&E&&¬D&&¬C&&B&&A)||(¬F&&E&&¬D&&¬C&&B&&¬A)||(¬F&&E&&¬D&&¬C&&¬B&&A)||(¬F&&E&&¬D&&¬C&&¬B&&¬A)||(¬F&&¬E&&D&&C&&¬B&&¬A)||(¬F&&¬E&&D&&¬C&&B&&A)||(¬F&&¬E&&D&&¬C&&B&&¬A)||(¬F&&¬E&&D&&¬C&&¬B&&A)||(¬F&&¬E&&D&&¬C&&¬B&&¬A)||(¬F&&¬E&&¬D&&C&&B&&A)||(¬F&&¬E&&¬D&&C&&B&&¬A)||(¬F&&¬E&&¬D&&C&&¬B&&A)||(¬F&&¬E&&¬D&&C&&¬B&&¬A)||(¬F&&¬E&&¬D&&¬C&&B&&A)||(¬F&&¬E&&¬D&&¬C&&B&&¬A)||(¬F&&¬E&&¬D&&¬C&&¬B&&A)||(¬F&&¬E&&¬D&&¬C&&¬B&&¬A).

После первого сокращения получаем следующее:

(F&&E&&D&&C&&¬(B&&A))||(F&&E&&¬(D&&B)&&¬(¬D&&¬C)&&¬(C&&¬B)&&¬(¬C&&A))||(F&&E&&¬D&&¬(¬C&&A)&&¬B)||(F&&¬E&&D&&C&&¬(¬B&&¬A))||(F&&¬E&&D&&¬(C&&B)&&¬(¬C&&¬B)&&¬(¬B&&A))||(F&&¬E&&¬D&&C&&¬(B&&A))||(F&&¬E&&¬D&&¬C&&B)||(F&&¬E&&¬D&&¬C&&¬B)||(¬F&&E&&D&&C&&B)||(¬F&&E&&D&&¬C&&¬(B&&A))||(¬F&&¬E&&¬D&&¬C&&¬(B&&A))||(¬F&&E&&¬D&&C&&¬(¬B&&¬A))||(¬F&&E&&¬D&&¬(C&&B)&&¬(¬C&&¬B)&&¬(¬B&&A))||(¬F&&¬E&&¬(D&&B)&&¬(¬D&&¬C)&&¬(C&&¬B)&&¬(¬C&&A))||(¬F&&¬E&&D&&¬C&&¬(¬B&&¬A))||(¬F&&¬E&&¬D&&¬(C&&B)&&¬(¬C&&¬B)&&¬(¬C&&¬A))||(¬F&&¬(E&&D)&&¬(¬E&&¬C)&&¬(¬D&&C)&&¬(C&&A)&&¬B)

После второго сокращения:

(F&&E&&¬(D&&B&&A)&&¬(¬C&&B)&&¬(¬C&&A))||(F&&¬E&&¬(¬D&&¬C)&&¬(¬D&&B&&A)&&¬(¬C&&¬B))||(¬(F&&E)&&¬(¬F&&¬D)&&¬(¬E&&C)&&¬(D&&¬C)&&¬(D&&¬B))||(¬F&&¬(E&&¬D)&&¬(¬E&&D)&&¬C&&¬(B&&A))||(¬F&&E&&¬D&&¬(¬C&&¬B))||(¬F&&¬E&&¬(D&&C)&&¬(¬D&&¬C)&&¬(¬D&&¬B))||(¬F&&¬(E&&D)&&¬(E&&C)&&¬(E&&B)&&¬(¬E&&¬C&&¬B)&&¬(D&&A)&&¬(C&&B)&&¬(B&&¬A))

В результате минимизации СДНФ была получена следующая формула для функции А:

(F&&¬(E&&D&&B&&A)&&¬(E&&¬C&&B)&&¬(¬E&&¬D&&B&&A)&&¬(¬E&&¬C&&¬B)&&¬(¬D&&¬C&&B)&&¬(¬C&&¬B&&A))||(¬(F&&E)&&¬(¬F&&¬C&&B&&A)&&¬(E&&¬D)&&¬(¬E&&D)&&¬(¬E&&C)&&¬(C&&¬B))||(¬F&&E&&¬D&&¬(¬C&&¬B))||(¬F&&¬(E&&D)&&¬(E&&C)&&¬(E&&B)&&¬(¬E&&¬D&&¬C&&¬B)&&¬(D&&C&&B)&&¬(D&&C&&A)&&¬(¬D&&¬C&&B&&¬A))

Рисунок 1 - схема устройства управления выходного сигнала А

Составим таблицу состояний устройства управления для выходных сигналов B и C:

Таблица

Выпишем строки, где функция равна единице и приведём к СДНФ функцию B:

(E&&D&&C&&B&&A)||(E&&D&&C&&¬B&&A)||(E&&D&&C&&¬B&&¬A)||(E&&D&&¬C&&B&&¬A)||(E&&D&&¬C&&¬B&&A)||(E&&D&&¬C&&¬B&&¬A)||(E&&¬D&&C&&B&&¬A)||(E&&¬D&&C&&¬B&&A)||(E&&¬D&&¬C&&B&&A)||(E&&¬D&&¬C&&B&&¬A)||(E&&¬D&&¬C&&¬B&&A)||(¬E&&D&&C&&B&&A)||(¬E&&D&&C&&B&&¬A)||(¬E&&D&&C&&¬B&&¬A)||(¬E&&D&&¬C&&B&&A)||(¬E&&D&&¬C&&B&&¬A)||(¬E&&D&&¬C&&¬B&&¬A)||(¬E&&¬D&&C&&B&&A)||(¬E&&¬D&&C&&¬B&&A)||(¬E&&¬D&&C&&¬B&&¬A)||(¬E&&¬D&&¬C&&B&&A)||(¬E&&¬D&&¬C&&¬B&&A)||(¬E&&¬D&&¬C&&¬B&&¬A)

После первого сокращения получаем следующее:

(E&&D&&C&&¬(B&&¬A))||(E&&D&&¬C&&¬(B&&A))||(E&&¬D&&C&&¬(B&&A)&&¬(¬B&&¬A))||(E&&¬D&&¬C&&¬(¬B&&¬A))||(¬E&&D&&C&&¬(¬B&&A))||(¬E&&D&&¬C&&¬(¬B&&A))||(¬E&&¬D&&C&&¬(B&&¬A))||(¬E&&¬D&&¬C&&¬B(B&&¬A))

После второго сокращения получаем конечный вариант функции В:

(¬(E&&¬D)&&¬(¬E&&D)&&C&&¬(B&&¬A))||(E&&¬(D&&C)&&¬(D&&B&&A)&&¬(¬D&&¬B&&¬A)&&¬(C&&B&&A))||(¬E&&¬(D&&¬B&&A)&&¬(¬D&&C)&&¬(¬D&&B&&¬A)

Рисунок 2 - схема реализации функции В

Выпишем строки, где функция равна единице и приведём к СДНФ функцию С:

(E&&D&&C&&B&&¬A)||(E&&D&&C&&¬B&&A)||(E&&D&&C&&¬B&&¬A)||(E&&D&&¬C&&B&&¬A)||(E&&D&&¬C&&¬B&&A)||(E&&D&&¬C&&¬B&&¬A)||(E&&¬D&&C&&B&&¬A)||(E&&¬D&&C&&¬B&&A)||(E&&¬D&&C&&¬B&&¬A)||(E&&¬D&&¬C&&B&&¬A)||(E&&¬D&&¬C&&¬B&&A)||(E&&¬D&&¬C&&¬B&&¬A)||(¬E&&D&&C&&B&&¬A)||(¬E&&D&&C&&¬B&&A)||(¬E&&D&&C&&¬B&&¬A)||(¬E&&D&&¬C&&B&&¬A)||(¬E&&D&&¬C&&¬B&&A)||(¬E&&D&&¬C&&¬B&&¬A)||(¬E&&¬D&&C&&B&&¬A)||(¬E&&¬D&&C&&¬B&&A)||(¬E&&¬D&&C&&¬B&&¬A)||(¬E&&¬D&&¬C&&B&&¬A)||(¬E&&¬D&&¬C&&¬B&&A)||(¬E&&¬D&&¬C&&¬B&&¬A)

После первого сокращения получаем следующее:

(E&&D&&C&&¬(B&&A))||(E&&D&&¬C&&¬(B&&A))||(E&&¬D&&C&&¬(B&&A))||(E&&¬D&&¬C&&¬(B&&A))||(¬E&&D&&C&&¬(B&&A))||(¬E&&D&&¬C&&¬(B&&A))||(¬E&&¬D&&C&&¬(B&&A))||(¬E&&¬D&&¬C&&¬(B&&A))

После второго сокращения получаем конечный вариант функции С:

(E&&¬(¬D&&¬C)&&¬(B&&A))||(¬(E&&D)&&¬(¬E&&¬D)&&¬(¬D&&C)&&¬(B&&A))||(¬E&&¬D&&¬(B&&A))

 

Рисунок 3 - схема реализации функции С.

Выбор элементов схемы в системе Workbench

1) Generic 4-bit Binary Counter (4х битовый двоичный счетчик):

Рис.

-разрядный счетчик состоит из двух часовых входов и четырех выходов."А" счетчик по существу регистр сдвига, который передает старший бит для каждого тактового импульса - отрицательное значение конца такта. Чтобы использовать максимальную длину счетчика, внешние часы должны быть поданы на вход CLKA часы и выходные данные должны быть подключены к CLKB входу часов.Счетчик сбрасывается при подаче сигнала на RO1 или RO2 входы.

) AND Gate от 2 до 8 входов (логическое "И"):

Рис.

Принцип работы:

Рис., B - сигналы на входе;- сигнал на выходе.

) NOT Gate (логическое "НЕ" или инвертор):

Рис.

Принцип работы:

Рис.- сигнал на входе;- сигнал на выходе.

) OR Gate на 3 и 4 входа (логическое "ИЛИ"):

Рис.

Принцип работы:

Рис., B - сигналы на входе;- Сигнал на выходе.

) NAND Gate от 2 до 5 входов (логическое «И НЕ»)

Рис.

Принцип работы:

Рис., B - сигналы на входе;- Сигнал на выходе.

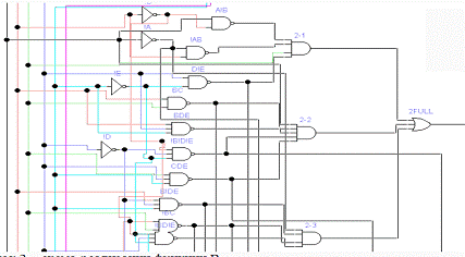
В результате анализа поставленной задачи и выбора элементов схемы в системе Workbench была создана схема представленная на рисунке 2.

Рисунок 4 - Созданная схема

Результат моделирования работы схемы

Результат работы разработанной схемы в системе Workbench представлена на рисунке 5.

Рисунок 5 - Результат моделирования работы схемы

Заключение

В результате работы создана схема управления, которая при заданной последовательности импульсов CLK выдает требуемый нам осциллографический график.

Был использован программный продукт Electronics WorkBench позволяющий моделировать работу цифровых схем.

Результат работы показал, что схемы функций разработаны правильно

Список использованной литературы

.Кирий В.Г. Теория автоматов. Конспект лекций. Изд. ИрГТУ 2002. -97с.

.Кирий В.Г. Теория автоматов. Задачник. Изд.2. исправленное и дополненное.-Иркутск: Изд-во ИрГТУ 2005-95с.

.Руководство пользователя Electronics WorkBench.

.Методические указания по работе с системой моделирования Electronics WorkBench.

.Алексенко А.Г., Шагурин И.И. Микросхемотехника : Учеб. пособие для студентов вузов. - 2-е изд., перераб. и доп. - м.: Радио и связь, 1990.- 496 с.

Похожие работы на - Проектирование устройства управления и моделирование его работы средствами MultiSim

 

Не нашли материал для своей работы?
Поможем написать уникальную работу
Без плагиата!
Без нейросетей!