|
Год
принятия на вооружение
|
1961
|
|
Индекс
бомбы
|
РГБ-60
|
|
Дальность
стрельбы максимальная, м
|
5800
|
|
Дальность
стрельбы минимальная, м
|
300
|
|
Максимальный
угол возвышения, обеспечиваемый электро-силовым приводом, град
|
+60
|
|
Максимальный
угол снижения, град
|
-90
|
|
Угол
вертикального наведения для стрельбы на максимальную дальность, град
|
+46
|
|
Угол
вертикального наведения для стрельбы на минимальную дальность, град
|
+8,5
|
|
Максимальный
сектор обстрела, град
|
340
|
|
Вес
бомбы, кг
|
113
|
|
Вес
ВВ, кг
|
23
|
|
Калибр,
мм
|
212
|
|
Длина
бомбы, мм
|
1830
|
11,6
|
|
Глубина
действия, м
|
450
|
|
Скорострельность
в залпе, выстр. /с
|
2,4
|
|
Вес
пусковой установки, кг
|
3100
|
|
Вес заряженной
пусковой установки, кг
|
4456
|
|
Число стволов в
ПУ, шт.
|
12
|
|
Длина
ПУ, мм
|
2000
|
|
Ширина,
мм
|
2250
|
|
Высота,
мм
|
1700
|
|
Число ПУ на
корабле, шт.
|
2-4
|
|
Марка
взрывателя
|
УДВ-60
|
1. Расширенное техническое задание
Проектируемая локальная система управления предназначена для
управления углом склонения стволов реактивной бомбометной установки РБУ-6000.
Входным сигналом системы является электрический сигнал из
системы наведения, однозначно соответствующий заданному углу склонения,
выходным сигналом является угол склонения стволов РБУ.
Проектируемая система рассчитана на военные корабли с
бортовой электрической сетью со следующими параметрами: ток переменный, частота
50 Гц, действующее напряжение 380 В.
Состав системы:
. Микроконтроллерный комплект, куда входят устройство
суммирования, АЦП, микроконтроллер, ЦАП.
. Электрогидроусилитель.
. Объект управления (гидродвигатель c редуктором).
. Датчик угла склонения стволов относительно горизонта.
Функциональная схема системы приведена на рисунке 1.
Рисунок 2 - Функциональная схема.
Технические характеристики системы.
ошибка слежения: < 0,02 рад; (11м)
перерегулирование: < 30%;
время регулирования: < 2c;
колебательность: < 2;
запас устойчивости по амплитуде: >10 дБ;
запас устойчивости по фазе: >30°;
максимально допустимая скорость: Wн = 0,8 рад/с;
максимально допустимое ускорение: eн = 0,55 рад/c2;
пределы входной величины 0…5 В;
выходная величина - 90…+67°.
Система эксплуатируется в условиях повышенной влажности (до
100%), в широком диапазоне температур (-10°C…+40°C).
2. Выбор элементной базы
Рассчитаем требуемую мощность двигателя
(1)
где Mн - требуемый вращающий момент в нагрузке, в данном случае
необходим для преодоления сил трения в опорах вала, Mн=30 Н×м; h - КПД редуктора, h=0,98; Iн - момент инерции установки, Iн = 500 Н×м; eн -
допустимое ускорение нагрузки, eн=0,3 рад/с2.
Получим требуемую мощность двигателя Pтр =
293Вт. Выбираем двигатель, для которого Pдв ³ Pтр.
2.1
Гидродвигатель
В качестве регулирующего органа выбран гидродвигатель ДПГ-63.
ТУ 2.053.1562-81. Двигатель предназначен для осуществления вращательных
движений в механизмах промышленных роботов, станков, прессов и других машин с
гидравлическим приводом.
Диапазон вязкости минерального масла 17-213 мм2/с
при температуре - 10 +600С.
Номинальный перепад давления 16 МПа. Частота вращения
выходного вала - 600 об/мин.
Номинальный крутящий момент 20 Н×м. Расход масла 6,3
л/мин. Номинальный перепад давления 16 МПа. Момент инерции вала двигателя Iдв=0.12 Н×м. Номинальная мощность
1000 Вт.
Оптимальное передаточное число редуктора:
, (2)
таким образом, оптимальное передаточное число редуктора равно 70.
Сделаем проверку по скорости вращения вала нагрузки:
. (3)
. (4)
Т.к. wтр < wном. дв, то необходимая скорость обеспечивается.
Сделаем проверку по моменту:
(5)
Следовательно выбранный двигатель с редуктором обеспечивают
требуемые параметры по скорости и моменту в нагрузке.
(6)
Где Кгд - коэффициент передачи,
(7)
где Кn = 1,6×106 - постоянная гидравлической помпы;
= 860 - постоянная двигателя; Kw = 0,4 - коэффициент жидкостного трения; Kу = 0,67 - коэффициент, характеризующий утечки.
Постоянная времени гидродвигателя
(8)
где Сгд - коэффициент динамической жесткости гидродвигателя,
(9)
Относительный коэффициент демпфирования колебаний
(10)
Где - приведенный коэффициент вязкого трения,
.
Передаточная функция гидродвигателя может быть представлена:
(11)
(12)
Примем
(13)
2.2
Гидрораспределитель
В качестве гидрораспределителя выбран пропорциональный
гидрораспределитель с электрогидравлическим управлением РЭУ-10.
Вход: пост 0…12 В;
Номинальный расход: 30 л/мин;
Номинальное давление: 16МПа;
Габариты: 200х125х170 мм;
Вес: 12 кг.
Гидрораспределитель состоит из пропорционального
электромагнита ПЭМ6, гидравлического потенциометра и цилиндрического золотника,
выполняющего функции дросселя.
Дроссель имеет обратную электрическую связь.
Передаточная функция потенциометра

(14)
где Кп - коэффициент передачи,
(15)
(16)
Расход через золотник управления при Хо:
(17)
где
m - коэффициент расхода, m=0,7; d0 - диаметр золотника управления; х0 - максимальный ход
золотника управления;
- давление на входе в дроссель.
Коэффициент усиления потенциометра по расходу
(18)
Коэффициент усиления потенциометра по давлению
(19)
Коэффициент обратной связи
(20)
Эффективная площадь основного золотника
. (21)
Жесткость пружины основного золотника примем Спр = 166500 Н/м.
Постоянная времени потенциометра
(22)
Где m - масса основного золотника.
(23)
Относительный коэффициент демпфирования колебаний
, (24)
Где f - приведенный коэффициент вязкого трения, f = 0,5×104 Н×с/м.
(25)
Передаточная функция основного золотника
. (26)
Т.к. дроссель расположен на выходе исполнительного органа:
(27)
, (28)
(29)
Для упрощения расчетов примем
(30)
2.3 Насос
Выбран нерегулируемый пластинчатый насос НПлР 20/16 ТУ
2.053.1826-87.
Номинальное давление: 16МПа;
Номинальный расход: 24 л/мин;
Рабочий объем: 120 см. куб;
Частота вращения, номинальная: 1800 об/мин.
2.4
Микропроцессорная система
В качестве МПС выбран аналоговый микроконтроллер AD, обладающий следующими
характеристиками.
Количество аналоговый входов: 4;
Количество аналоговых выходов: 1;
Разрядность АЦП-ЦАП: 12;
Быстродействие: 12 МОПС;
2.5 Датчик
обратной связи
Классификация датчиков наклона приведена на рисунке 3.
Рисунок 3 - классификация датчиков угла наклона.
Датчик наклона РФ711 содержит пузырьковый уровень, подобный
ампуле обычного столярного уровня, но более точный. Положение пузырька
определяется электроникой путем очень точного измерения его положения
относительно проводника, проходящего через уровень. Положение пузырька
отслеживается постоянно. Таким образом, блок управления может вычислять угол
коррекции.
Выходной сигнал: аналоговый 0…5 В или цифровой RS-232;
Диапазон измеряемой величины - 90…+90°
Постоянная времени не более 0.1 c;
Погрешность: 10 угл. мин.;
Рабочая температура: - 40…+50°;
Габариты: 80x40x36 мм;
Передаточная функция имеет вид
. (31)
3. Датчик
обратной связи
Датчик наклона РФ 711 содержит пузырьковый уровень, подобный
ампуле обычного столярного уровня, но более точный. Положение пузырька
определяется электроникой путем очень точного измерения его положения
относительно проводника, проходящего через уровень. Положение пузырька
отслеживается постоянно. Таким образом, блок управления может вычислять угол
коррекции.
Выходной сигнал: аналоговый 0…5 В или цифровой RS-232;
Диапазон измеряемой величины - 90…+90°
Постоянная времени не более 0,1 c;
Погрешность: 10 угл. мин.;
Степень защиты: IP65;
Нелинейность: не более 2%;
Рабочая температура: - 40…+50°;
Габариты: 80x40x36 мм;
Вес 1,1 кг.
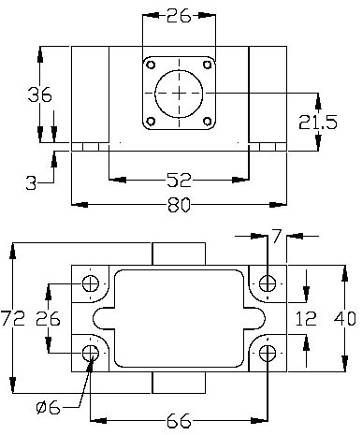
Габаритные и установочные размеры указаны на рисунке 3.
Рисунок 4 - Установочные и габаритные размеры датчика РФ711.
Крепление датчика производится основанием к вертикальной
поверхности (отклонение ±21°), причем верхней
стороной считается сторона с маркировкой "U”.
Статической характеристикой данного датчика является
зависимость Uвых = f (Q), где Uвых - выходное напряжение, Q - угол наклона датчика.
Рисунок 5 - Статическая характеристика.
Зависимость линейная, т.к. чувствительный элемент
пропорционально переводит угол наклона прибора в положение пузырька воздуха
относительно металлической нити, что изображено на рисунке 2.
Рисунок 6 - Чувствительный элемент датчика наклона.1 - Корпус
уровня; 2 - жидкость; 3 - пузырек газа; 4 - металлическая нить.
Нелинейность возможна при изменении формы корпуса и
соответственно профиля дуги, по которой перемещается пузырек.
Передаточная характеристика.
Движение пузырька газа в жидкости, ограниченное круглой или
цилиндрической поверхностью, описывается уравнением
, (32)
где q - угол
наклона пузырька [рад]; F - внешнее
воздействие на уровень, эквивалентное наклону [Н]; m, m1 - масса воды в уровне и пузырька воздуха, [кг]; e - радиус движения пузырька, [м]; m, m1 - динамические вязкости жидкости и воздуха [Па×с]; n - кинематическая вязкость жидкости [м2/с]; r - плотность жидкости [кг/м3]; V - объем пузырька воздуха [м3]; g - ускорение свободного падения [м/с2].
Физические размеры уровня датчика РФ711:
Рисунок 7 - Физические размеры чувствительного элемента
датчика РФ711: a = 0,025 м,b = 0,004 м, c = 0,002 м.
Учитывая, что
- объем пузырька газа; (33)
- масса пузырька воздуха; (34)
r1 = 1,1
кг/м3 - плотность воздуха; (35)
- масса жидкости; (36)
Примем значения величин m = 0,094
кг, m1 = 3,6×10-6
кг, e = 0,0029 м, m = 1,78 Па×с, m1 =10-7
Па×с, n = 3,5 м2/с, r = 1000 кг/м3, V = 3,35×10-8
м3, g = 9,8 м/с2;
получим уравнение динамики вида
. (37)
Передаточная функция запишется в виде:
. (38)
Коэффициент при p2 на три порядка меньше коэффициента при p, поэтому пренебрежем им. Передаточная функция примет вид
. (39)
Таким образом, геометрические параметры чувствительного элемента
датчика угла наклона серии РФ700 удовлетворяют требованиям быстродействия,
предъявляемым к данной системе.
4.
Исследование устойчивости системы
Структурная схема системы имеет следующий вид:
Рисунок 8 - Структурная схема системы регулирования наклона.
Передаточные функции блоков имеют вид
, (40)
, (41)
, (42)
Передаточная функция прямой цепи
; (43)
; (44)
. (45)
Передаточная функция разомкнутой системы
; (46)
. (47)
Передаточная функция замкнутой системы
, (48)
. (49)
Корни характеристического уравнения
(50)
имеют вид - 1,0012; - 0,8910; - 0,1786; - 0,0467;
- 0,0141.
Известно, что при отрицательных вещественных частях
характеристического уравнения система устойчива, следовательно, система Wz устойчива.
Годограф Найквиста для разомкнутой системы представлен на рисунке
9.
Рисунок 9 - Годограф Найквиста для нескорректированной системы.
Разомкнутая система обладает астатизмом первого порядка,
следовательно началом годографа принимается точка (µ,0). Годограф не охватывает точку (-1; 0),
следовательно замкнутая система устойчива.
Передаточная функция замкнутой системы с учетом дискретности (T0=0,05c) и фиксатором нулевого порядка имеет вид
. (51)
Нули характеристического уравнения по модулю меньше 1,
следовательно замкнутая дискретная система устойчива.
Передаточная функция разомкнутой системы с учетом дискретности и
фиксатора нулевого порядка имеет вид
(52)
Проведем w - преобразование,
z = (1+w) / (1-w).
(53)
Сделав замену w=0,5T0s, где T0 = 0,05 с - период дискретности, получим
, (54)
что соответствует выражению
. (55)
Частоты среза
,05 Гц = - 20 дБ/дек; log
(0,05) =-1,3;
,807 Гц = - 20 дБ/дек; log
(6,807) =0,833;
,96 Гц = - 20 дБ/дек; log
(15,96) =1,2;
Гц = - 40 дБ/дек; log (40) =1,602;
,36 Гц = +20 дБ/дек; log
(40,36) =1,605;
,11 Гц = +20 дБ/дек; log
(45,11) =1,654;
Гц = +40 дБ/дек; log (147)
=2,167;
,5 Гц = +20 дБ/дек; log (156,5) =2,
194.
По полученной передаточной функции строим ЛАЧХ системы от
псевдочастоты l.
Рисунок 10 - ЛАЧХ и ЛФЧХ нескорректированной системы.
Запасы устойчивости: по амплитуде = 21,5 дБ, по фазе 78,7°.
Переходный процесс замкнутой нескорректированной системы с учетом
дискретности приведен на рисунке 11.
Рисунок 11 - Переходный процесс нескорректированной системы.
Время переходного процесса 3,12с, что не удовлетворяет
техническому заданию, следовательно требуется коррекция.
5. Построение
ЖЛАЧХ
Построение ЖЛАЧХ начинаем с построения запретной зоны,
геометрия которой определяется положением рабочей точки.
Абсцисса рабочей точки
(56)
выраженная в псевдочастоте принимает значение
;
. (57)
Ордината рабочей точки
(58)
Через эту точку проводим низкочастотную асимптоту с наклоном минус
20Бд/дек и высокочастотную с наклоном минус 40 дБ/дек.
Рисунок 12 - ЛАЧХ нескорректированной системы и желаемая ЛАЧХ.
Построение среднечастотной асимптоты ЖЛАЧХ начинают с выбора
частоты среза. По номограмме Солодовникова определим частоту среза используя
заданное время регулирования tр и значение перерегулирования s
, (59)
. (60)
Среднечастотная асимптота ЖЛАЧХ проводится через точку lcр с наклоном - 20 дб/дек, который обеспечивает необходимый запас по
фазе. Протяженность h среднечастотной асимптоты устанавливается
исходя из необходимого запаса устойчивости. Из этих же соображений выбирается
ее сопряжение с низкочастотной асимптотой.
Показатель колебательности M характеризует склонность системы к колебаниям.
Чем больше М, тем меньше запас устойчивости системы.
(61)
Границы среднечастотной асимптоты
(62)
(63)
Используя полученные данные строим желаемую характеристику,
обеспечивающую необходимые показатели качества системы. Через частоту среза
проводится среднечастотная асимптота с наклоном - 20 дб/дек, высокочастотная
часть системы мало влияет на устойчивость, поэтому ее достроим эквидистантно к
высокочастотной части ЛАЧХ неизменяемой части системы.
Передаточная функция ЖЛАЧХ
(64)
Определим запасы устойчивости скорректированной системы
Рисунок 13 - Запасы устойчивости ЖЛАЧХ.
Запасы устойчивости: по амплитуде = 10,5 дБ, по фазе 36,4°.
Переходный процесс замкнутой скорректированной системы показан на
рисунке 14.
Рисунок 14 - Переходный процесс скорректированной системы.
Время регулирования 1,94 c.
Перерегулирование 19%.
Колебательность: 1.
Коррекция проведена успешно, система удовлетворяет техническому
заданию.
6.
Корректирующее устройство
6.1
Аналоговое КУ
С точки зрения требований к точности коррекция может
потребоваться для увеличения порядка астатизма или коэффициента передачи
системы при сохранении устойчивости и определенного качества переходного
процесса.
Коррекция применяется также как средство обеспечения
устойчивости, а так же повышения качества переходного процесса. Осуществляется
коррекция введением в систему корректирующих звеньев с особо подобранной
передаточной функцией. Принципиально корректирующие звенья могут включаться
либо последовательно с основными звеньями САУ, либо параллельно им, также
существуют и комбинированные способы включения. Соответственно, по способу
включения в систему корректирующие звенья делятся на последовательные и
параллельные.
Передаточная функция неизменяемой части имеет вид
. (65)
Передаточная функция желаемой системы имеет вид
. (66)
тогда передаточная функция корректирующего устройства имеет вид
. (67)
Данную функцию возможно реализовать, используя усилитель на 50дБ и
пассивный корректор, соответствующий передаточной функции
, (68)
Рисунок 15 - ЛАЧХ КУ.
Передаточной функции (68) соответствует два соединенных
последовательно звена
,
. (69)
Так как частоты спряжения функции Wку1 близки,
то она не будет оказывать существенного влияния на работу корректора, поэтому
ей можно пренебречь без ущерба для качества, таким образом передаточная функция
выглядит в виде
. (70)
Для корректора, включенного в электрическую цепь, данный корректор
соответствует схеме на рисунке 16.
Рисунок 16 - Схема аналогового КУ.
Рассчитаем значения параметров элементов, для этого составим
систему уравнений.
(70)
Решив совместно систему уравнений (70), получим значения
параметров элементов:
R1 = 0,1
МОм, R2 = 5,1 МОм, С1 = 190 мкФ.
6.2
Программное корректирующее устройство
В разрабатываемой системе присутствует микропроцессор, с
помощью которого можно реализовать коррекцию. В зависимости от способа
включения микро-ЭВМ различают последовательную и параллельную коррекцию, в
данном случае используется последовательная коррекция.
Последовательная коррекция с помощью управляющей программы
служит для непосредственного преобразования сигнала рассогласования.
Для того чтобы реализовать программу коррекции необходимо
представить передаточную функцию корректирующего устройства в виде разностных
уравнений в реальном масштабе времени. Для этого необходимо произвести обратное
z-преобразование.
Подставляя в выражение передаточной функции корректирующего
устройства
(71)
выражение
(72)
Получим
. (73)
Найдем разностное уравнение в реальном масштабе времени, то есть
введя в числитель дополнительный сдвиг z-1. В
результате этого получим
, (74)
где x и y - соответственно входной и выходной сигнал, k - шаг квантования.
Блок схема для реализации функции программной коррекции
представлена на рисунке 18.
реактивная бомбометная привод управление
Рисунок 18 - Блок - схема корректирующей программы.
6.3 Выбор
корректирующего устройства
Последовательные корректирующие звенья наиболее удобны в
электрических САУ, особенно постоянного тока. В этом случае последовательные
корректирующие звенья осуществляются в виде пассивных четырехполюсников,
передаточные функции которых можно просто и плавно изменять в очень широких
пределах, ограниченных лишь достаточно свободными условиями физической
реализуемости. К достоинствам последовательной коррекции можно отнести:
ускорение переходного процесса;
·
снижение
установившейся ошибки;
·
простота
включения элементов коррекции;
К недостаткам можно отнести:
·
увеличение
чувствительности к помехам
·
необходимость
согласования сопротивления корректирующих элементов с входным и выходным
сопротивлением элементов системы, к которым они подключаются.
Мощным методом коррекции стало применение программных
корректирующих устройств на микропроцессорах, применение которых позволяет
варьировать параметры в широких пределах и быстро их изменять без изменения
технического исполнения системы. Еще одним достоинством данного способа
является точное выполнение зависимостей корректирующего устройства, тогда как
для аналоговых корректирующих устройств трудно добиться точности, так как
трудно точно подобрать номинал элементов в соответствии с расчетным.
Предпочтения отдаются программным средствам коррекции.
Поскольку в системе уже есть встроенный МП, то применение
аналогового корректирующего устройства экономически нецелесообразно, поэтому
выбираем программную коррекцию.
Заключение
Разработанная система была синтезирована согласно требованиям
технического задания. Был применен программный способом коррекции, приводящий
систему к заданным показателям качества. Оценка показателей устойчивости
скорректированной системы показало, что разработанная САУ имеет запас
устойчивости по фазе 36,4°, тогда как удовлетворительным считается запас по
фазе 30¸60°. Анализ запаса устойчивости по амплитуде
показал, что система имеет достаточно большое значение этого показателя.
Анализ переходного процесса показал:
Время переходного процесса tр = 1,94 с - удовлетворяет
техническому заданию. Перерегулирование s = 19 % - удовлетворяет
техническому заданию.
Разработанная система отвечает требованиям технического
задания.
Литература
1.
Бесекерский В.А., Елисеев А.А., Небылов А.В. и др. Радиоавтоматика. - М.:
Высшая школа, 1987. - 271 с.
.
Бушуев С.Д., Михайлов В.С. Автоматика и автоматизация производственных
процессов. М.: Высшая школа, 1990. - 320с.
.
Клюев А.С. Автоматическое регулирование. - М.: Энергия, 1973. - 392 с.
.
Попов Д.Н. Динамика и регулирование Гидро и Пневмосистем. М.: Машиностроение,
1987. - 455с.
.
Солодовников В.В. Техническая кибернетика. Устройства и элементы систем
автоматического регулирования и управления. Книга 2. - М.: Машиностроение,
1975, - 687 с.
.
Староверов А.Г. Основы автоматизации производства. М.: Машиностроение, 1989. -
467с.
.
Топчеев В.К. Атлас для проектирования систем автоматического регулирования. М.:
Машиностроение, 1989. - 755с.
.
Юревич Е.И. Теория автоматического управления. М.: Энергия, 1969. - 640с.
Приложение
КЛАССИФИКАЦИЯ ДАТЧИКОВ УГЛА НАКЛОНА