Проектирование передатчика телевизионной системы на печатной плате
ВВЕДЕНИЕ
Телевизионный передатчик: совокупность специализированных технических
средств, применяемых в процессе телевещания (кроме источника сигнала и его
тракта, источника электропитания и энергораспределительного оборудования).
Передатчик предназначен для организации эфирного телевизионного вещания в
полосе одного из 60-и телевизионных каналов в системе CEKAM-D/K в соответствии
ГОСТ Р 50890-96г. Передатчик при подаче на вход полного телевизионного сигнала
и сигнала звукового сопровождения, осуществляет амплитудную модуляцию несущей
радиосигнала изображения и частотную модуляцию радиосигнала звукового
сопровождения и формирует на своем выходе радиосигнал вещательного телевидения.
Управление всеми узлами передатчика и контроль состояния всех систем
осуществляется встроенным микроконтроллером фирмы Zilog.
Информация отображается на ЖКИ, расположенном на передней панели
передатчика и доступна для удаленного контроля посредством порта RS-232.
Выходная мощность трактов изображения и звука стабилизирована системой
автоматической регулировки уровня мощности.
Цель курсового проекта является: построение передатчика телевизионной
системы.
Задачи:
1. Изучить и анализировать техническое задание на изделие;
2. Рассмотреть характеристику электрической принципиальной схемы;
. Рассмотреть принцип действия демодулятора и рассчитать все его
параметры;
. Рассчитать все основные показатели и характеристики печатной
платы.
Рис. 1. Передатчик телевизионной системы
ГЛАВА I. ПОЯсНИТЕЛЬНАЯ ЗАПИСКА
1.1 Внутреннее строение передатчика
телевизионной системы
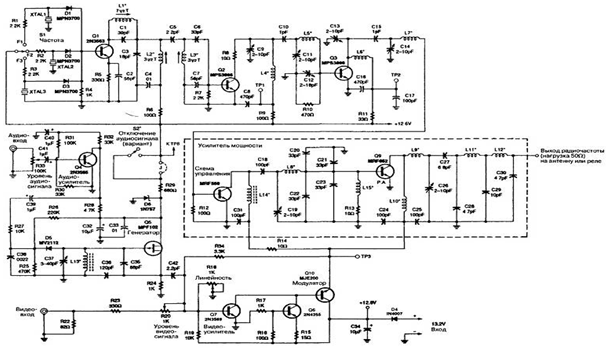
Рис. 2. Схема включения передатчика
Схема передатчика телевизионной системы, показанная на рис. 2,
обеспечивает формирование выходного радиочастотного сигнала мощностью 6 Вт.
Кварцевый генератор используется для управления схемой удвоения частоты,
которая генерирует выходной сигнал 220 МГц. Другая схема удвоения служит для
получения сигнала частотой 440 МГц, поступающего на вход усилителя мощности.
Модулятор последовательного типа обеспечивает модуляцию несущей частоты видеосигналом.
Аудиосигнал формируется с помощью управляемого напряжением генератора и затем
объединяется с видеосигналом.
1.2
Компоненты
печатной платы
1.2.1 Импортные резисторы CF (аналог С1-4)
Резистор (англ. resistor, от лат. resisto - сопротивляюсь) - пассивный
элемент электрической цепи, в идеале характеризуемый только сопротивлением
электрическому току, то есть для идеального резистора в любой момент времени
должен выполняться закон Ома для участка цепи.
Резисторы могут быть использованы для контроля и ограничения тока,
следовательно, основным параметром резистора является его сопротивление,
которое измеряется в Омах.
Углеродистые резисторы типа CF отличаются широким диапазоном рабочих
температур, высокой надежностью и стабильностью параметров, качественным
внешним исполнением, при этом они имеют минимальную стоимость. Все это делает
углеродистые резисторы CF чрезвычайно популярными в различных применениях.
Рис. 3. Графическое обозначение элемента
передатчик
телевизионный система регулировка
Рис. 4. Внешний вид элемента
Характеристики:
· Номинальная мощность: 0.125 Вт, 0.25 Вт, 0.5 Вт, 1.0 Вт; 2.0 Вт; 3.0 Вт
· Ряд E24;
· Точность: 2; 5
· Диапазон рабочих температур: -55 …+125°C;
· Масса 24г.
Рис. 4. Внутренний вид элемента
Таблица
1 Размеры устройства
|
Тип
|
Максимальное напряжение, В
|
Размеры, мм
|
|
|
L
|
D
|
H
|
d
|
|
C1-4-0,25 Вт
|
200
|
3,2±0,3
|
1,8±0,2
|
28±0,2
|
0,48±0,03
|
Маркировка
Рис. 5. Маркировка резистора
Переменный резистор
Рис. 6. Внешний вид элемента Рис. 7. Габаритные размеры элемента
Резисторы регулировочные однооборотные. В ассортименте представлены как
резисторы с круговым перемещением подвижной системы, так и с движковым.
Предназначены для работы в электрических цепях постоянного, переменного и
импульсного тока.
В зависимости от выполняемых функций различают резисторы постоянные, с
фиксированной при изготовлении величиной сопротивления, и переменные, величина
сопротивления которых может быть изменена путем перемещения подвижного
контакта. Переменные резисторы используются при многократных регулировках
аппаратуры, обладают большой износоустойчивостью (до нескольких сот тысяч
циклов).
· Металлокерамические однооборотные резисторы
· Серия является аналогом отечественных резисторов 16K1
· Высокая стабильность, надёжность и износоустойчивость
· Допустимое отклонение номинального сопротивления ± 20%
· Температурная нестабильность ± 100ppm/ °C
· Температурный диапазон от -55 до + 125 °C
Керамический конденсатор
Конденсатор (от лат. condensare - «уплотнять», «сгущать») - двухполюсник
с определённым значением ёмкости и малой омической проводимостью; устройство
для накопления заряда и энергии электрического поля. Конденсатор является
пассивным электронным компонентом. Обычно состоит из двух электродов в форме
пластин (называемых обкладками), разделённых диэлектриком, толщина которого
мала по сравнению с размерами обкладок.
Рис. 8. Внешний вид конденсатора
Характеристики:
· Масса 1г.;
· Максимальное значение напряжения 50В;
· Шаг выводов 5 мм;
· Диапазон номинальных значений емкости: 1 нФ - 0.22 мкФ;
· Температурный диапазон: -25°С…+85°С;
· Типы диэлектриков: NP0, N150, N220, N330, N470, N750, SL,
Y5V, Z5V, Z5U, Y5P;
· Точность: ±5%, ±10%, ±20%, +80B20%.
Рис. 9. Габаритные размеры элемента D max. = 4,5-5 мм; F = 2,5 мм; L = 5
мм, d = 0,45-0,55 мм. Диод MPN3700
Эти устройства предназначены в первую очередь для УКВ диапазона
переключения приложений, но также подходят для использования общего назначения
переключения схемы. Они поставляются в экономически эффективного пластиковый
пакет для экономичный, с большим объемом потребительских и промышленных
требований. Они также доступны в поверхностного монтажа.
Ультракороткие волны (УКВ) в современной практике - это радиоволны из
диапазонов метровых (МВ), дециметровых (ДМВ) и частично сантиметровых (СМВ)
волн.
Рис. 10. Габаритные размеры элемента
Диод MV2112
Рис. 11. Габаритные размеры элемента
Диод 1N757
Рис. 12. Габаритные размеры элемента
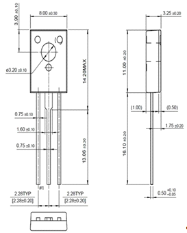
Выпрямительный кремниевый диод 1N4007
Рис. 13. Внешний вид элемента
Особенности:
• Номинальное напряжение до 1000В
• Низкое прямое падение напряжения
• Высокая допустимая нагрузка по току
• Высокая надежность
• Высокая импульсная перегрузочная
способность
Механические данные
• Корпус: литой пластиковый корпус
D0-41
• Пластиковые материалы UL
классификация воспламеняемости 94 V-0
• Вывода: аксиальные вывода, пайка в
MIL-STD-202, методика 208
• Полярность: цветовое кольцо
обозначает катод
• Высокая температура пайки,
гарантированно: 250°C в течение 10 секунд
• Монтажное положение: любое
• Вес 0.35 грамма.
Рис. 14. Габаритные размеры диода
Максимальные технические и электрические характеристики
|
ТИП
|
1N4001
|
1N4002
|
1N4003
|
1N4004
|
1N4005
|
1N4006
|
1N4007
|
Единица измерния
|
|
Максимальное пиковое
импульсное обратное напряжение
|
Vrrm
|
50
|
100
|
200
|
400
|
600
|
800
|
1000
|
В
|
|
Максимальное
среднеквадратическое значение напряжения
|
Vrms
|
35
|
70
|
140
|
280
|
420
|
560
|
700
|
В
|
|
Максимальное постоянное
запирающее напряжение
|
Vdc
|
50
|
100
|
200
|
400
|
600
|
800
|
1000
|
В
|
|
Максимальный средний прямой
выпрямленный ток Т = 50°С
|
If(av)
|
1.0
|
A
|
|
Максимальный прямой ток
импульса в течении 8.3 мсек. (JEDEC метод)
|
Ifsm
|
30
|
A
|
|
Максимальное падение
напряжения на открытом диоде при прямом токе 1А
|
Vf
|
1.0
|
В
|
|
Максимальный постоянный
обратный ток при номинальном постоянном обратном напряжении Tj = 25°CTj =
100°C
|
Ir
|
5.0 50
|
мкА
|
|
Типичная емкость перехода,
на выводах (Примечание 1)
|
Cj
|
15
|
пФ
|
|
Диапазон рабочих температур
|
Tj
|
-55 до +125
|
°C
|
|
Диапазон температур
хранения
|
Tstg
|
-55 до +125
|
°C
|
Значения параметров при 25°C температуре окружающей среды, если не
указано иное.
Однофазный, напряжение (В) половина волны, частота - 60 Гц, для
резистивных и индуктивных нагрузок.
Примечание: 1. Измеряется на частоте 1.0 МГЦ и обратном постоянном
напряжении 4,0 В.
Рис. 15. Графики характеристик диода 1N4007
Кварцевые резонаторы
Кварцевые резонаторы устройства, использующие пьезоэлектрический эффект
для возбуждения электрических колебаний заданной частоты. При совпадении
частоты приложенного напряжения с одной из собственных механических частот
кварцевого вибратора в приборе возникает явление резонанса, приводящее к
резкому увеличению проводимости. Обладая среди резонаторов самой высокой
добротностью Q~105107 (добротность колебательного LCконтура не превышает 102,
пьезокерамики 103), кварцевые резонаторы имеют также высокую температурную
стабильность и низкую долговременную нестабильность частоты (106108).
Кварцевые резонаторы применяются в генераторах опорных частот, в
управляемых по частоте генераторах, селективных устройствах: фильтрах,
частотных дискриминаторах и т.д.
Система обозначений
Рис. 16. Внешний вид элемента
Рис. 17. Габаритные размеры элемента
Рис. 18. Габаритные размеры элемента
|
fn номинальная частота от 2.000 МГц до 30.000 МГц
основная волна от 20.000 кГц до 100.000 кГц 3я гармоника
|
МД (НС_494)
|
|
от 15.000 МГц до 33.000 МГц
основная волна от 45.000 кГц до 110.000 кГц 3я гармоника
|
UM_1, UM_5
|
|
Тип резонатора
|
РГ05
|
РК169
|
РК206
|
РК353
|
РК374
|
РК422
|
РПК01
|
|
Диапазон
|
5.0-100.0
|
5.0-100.0
|
32768
|
8000-18000 кГц
|
13000-48000кГц
|
16500-19000кГц
|
20000-100000кГц
|
|
Частот
|
МГц
|
МГц
|
Гц
|
14-50 МГц
|
2.0-50.0 МГц
|
49.0-100.0 МГц
|
2.0-35.0 МГц
|
|
Тип корпуса
|
МА
|
МА
|
АА
|
МА
|
МД
|
ММ
|
HС-49/U
|
Транзисторы
Транзистор (англ. transistor), полупроводниковый триод - радиоэлектронный
компонент из полупроводникового материала, обычно с тремя выводами, позволяющий
входным сигналам управлять током в электрической цепи. Обычно используется для
усиления, генерации и преобразования электрических сигналов. В общем случае
транзистором называют любое устройство, которое имитирует главное свойство
транзистора изменения сигнала между двумя различными состояниями при изменении
сигнала на управляющем электроде.
Рис. 19. Внешний вид элемента
Рис. 20. Габаритные размеры элемента
Транзистор MPF102
Рис. 22. Внешний вид
Рис. 23. Графическое обозначение
Рис. 24. Габаритные размеры
Транзистор 2N4355Temperature: -55C to 150C
Рис. 25. Габаритные размеры
Транзистор MJE200
Рис. 26. Внешний вид элемента
Рис. 27. Габаритные размеры элемента
Катушка индуктивности
Катушка индуктивности (жарг. индуктивность) - пассивный двухполюсный
компонент электрических и электронных устройств и систем. Основной параметр
катушки индуктивности - величина её индуктивности, зависящая только от
геометрических размеров и материалов и не зависящая от режима работы (тока и
напряжения).
Применяются для подавления помех, сглаживания пульсаций, накопления
энергии, ограничения переменного тока, в резонансных (колебательный контур) и
частотноизбирательных цепях, в качестве элементов индуктивности искусственных
линий задержки с сосредоточенными параметрами, создания магнитных полей,
датчиков перемещений и так далее.
Рис. 27. Графическое обозначение
Рис. 28. Габаритные размеры элемента
Аудио и видео входы
Рис. 29. Внешний вид
Модели D-AVM4 и DS-AVM4Аудио и видео монитор Джек панелей
· стерео аудио входы для стерео аудио выход
· стерео входа на RCA разъемы и стерео мини-джек
· несимметричный выход на съемный клеммник
· Video Monitor Pass-Through панели разъемов
· Доступен в RDL Белый / Серый (D-AVM4)
· из нержавеющей стали (DS-AVM4)/S-AVM4 является идеальным
выбором в установках, требующих настенные аудио и видео входы монитора или
выходной пластиной для компьютеров, мониторов и проекторов. Панель обычно
устанавливается в качестве аудио / видео вход пластины, но может в равной
степени быть использованы в качестве панели разъем. На передней панели имеется
сквозной видео разъем монитора.
Видео соединения выполнены на передней и задней. Панель с использованием
стандартного HD-15 видео разъем.
На передней панели есть две позолоченные разъемы автоматический и один
3,5 мм стерео мини-джек, предназначенный для стерео потребительские линейных
источников звука. Входной сигнал может быть подключен либо к гнездам
автоматический или мини-джек.
Левый и правый входы сигнал подается на заднюю панель съемная клеммная
колодка. Звуковые сигналы несбалансированными и предназначены для коротких
проводка работает, где симметричные линии не требуется./S-AVM4 является
идеальным выбором для обеспечения удобной для конечного пользователя входов
компьютера кормить мониторов или проекторов. В небольших объектов, таких как
конференц-залов или кабинетов. Используйте его отдельно или в сочетании с
другими продуктами, как RDL часть полный аудио / видео системы.
1.3
Создание технического задания на
устройство
|
Группа ЭА
|
Требования к ЭА
|
|
Виброустойчивость
|
Удароустойчивость
|
Устойчивость к повышенной
температуре
|
Устойчивость к пониженной
температурой
|
Устойчивость к изменению
температуры
|
Влагоустойчивость
|
Устойчивость к
возникновению инея и росы
|
Устойчивость к абразивной
пыли
|
Устойчивость к солевому
туману
|
Минимальная рассеиваемая
мощность
|
Минимальная стоимость
|
Плеснестойкость
|
Специальные требования
|
|
Стационарная
|
+
|
+
|
+
|
+
|
|
|
|
|
|
|
|
|
|
Воздействующие факторы
|
Воздействующий фактор
|
Наземная ЭА
|
|
Вибрация: частота, Гц
ускорение, g длительность воздействия, мин
|
10…70 1…4 90
|
|
Многократные удары:
ускорение, g длительность, мс
|
10…15 5…10
|
|
Свободное падение высота
падения, мм, при массе, кг до 2 до 5 до 10
|
1000 500 250
|
|
Одиночные удары: ускорение,
g длительность, мс
|
50…1000 0,5…10
|
|
Линейное ускорение, g
|
2…5
|
|
Акустические шумы: уровень,
дБ частота, Гц
|
85…125 50…1000
|
Характеристика элементной базы
|
Наименование ЭРИ
|
Количество, шт.
|
Конструктивные параметры
|
Допустимые условия
эксплуатации
|
|
|
масса, г
|
количество выводов, шт.
|
диаметр вывода, мм.
|
штыревые или планарные
|
установочная площадь, S,
м2*10-6
|
надежность
|
диапазон температур, Co
|
Вибрации
|
ударные перегрузки, g
|
линейные ускорения, g
|
|
|
|
|
|
|
|
|
|
частота, Гц.
|
перегрузки, g
|
|
|
|
Импортные резисторы CF R1,
R2, R3, R7 (22K)
|
4
|
0,24
|
2
|
0,5
|
П
|
0,120
|
|
-55 +125
|
|
|
|
|
|
R4, R17, R20, R24 (1K)
|
4
|
0,35
|
2
|
0,5
|
П
|
0,120
|
|
-55 +125
|
|
|
|
|
|
R5,
R23 (330Ω)
|
2
|
0,24
|
0,5
|
П
|
0,120
|
|
-55 +125
|
|
|
|
|
|
R8,
R13, R14(10Ω)
|
3
|
0,24
|
2
|
0,5
|
П
|
0,120
|
|
-55 +125
|
|
|
|
|
|
R6, R9, R12, R16
(100Ω)
|
4
|
0,24
|
2
|
0,5
|
П
|
0,120
|
|
-55 +125
|
|
|
|
|
|
R10
(470Ω)
|
1
|
0,24
|
2
|
0,5
|
П
|
0,120
|
|
-55 +125
|
|
|
|
|
|
R11
(33Ω)
|
1
|
0,24
|
2
|
0,5
|
П
|
0,120
|
|
-55 +125
|
|
|
|
|
|
R15
(15Ω)
|
1
|
0,24
|
2
|
0,5
|
П
|
0,120
|
|
-55 +125
|
|
|
|
|
|
R19, R27 (10K)
|
2
|
0,40
|
2
|
0,5
|
П
|
0,120
|
|
-55 +125
|
|
|
|
|
|
R25 (470K)
|
1
|
0,33
|
2
|
0,5
|
П
|
0,120
|
|
-55 +125
|
|
|
|
|
|
R26 (220K)
|
1
|
0,24
|
2
|
0,5
|
П
|
0,120
|
|
-55 +125
|
|
|
|
|
|
R28 (47K)
|
1
|
0,35
|
2
|
0,5
|
П
|
0,120
|
|
-55 +125
|
|
|
|
|
|
R29
(680 Ω)
|
1
|
0,24
|
2
|
0,5
|
П
|
0,120
|
|
-55 +125
|
|
|
|
|
|
R30, R32, R34 (33K)
|
3
|
0,24
|
2
|
0,5
|
П
|
0,120
|
|
-55 +125
|
|
|
|
|
|
R31(100K)
|
1
|
0,55
|
2
|
0,5
|
П
|
0,120
|
|
-55 +125
|
|
|
|
|
|
Переменный резистор R18,
R22, R33
|
3
|
0,55
|
3
|
0,5
|
П
|
0,41
|
|
-55 +125
|
|
|
|
|
|
Конденсатор C1 (39pF)
|
1
|
0,1
|
2
|
0,5
|
Ш
|
0,025
|
|
-30 +85
|
|
|
|
|
|
C2 (18pF)
|
1
|
0,1
|
2
|
0,5
|
Ш
|
0,025
|
|
-30 +85
|
|
|
|
|
|
C3, C7 (56pF)
|
2
|
0,1
|
2
|
0,5
|
Ш
|
0,025
|
|
-30 +85
|
|
|
|
|
|
C4, C33 (01)
|
2
|
0,1
|
2
|
0,5
|
Ш
|
0,025
|
|
-30 +85
|
|
|
|
|
|
C5, C42 (22pF)
|
2
|
0,1
|
2
|
0,5
|
Ш
|
0,025
|
|
-30 +85
|
|
|
|
|
|
C6, C20, C21, C22, C23
(33pF)
|
5
|
0,1
|
2
|
0,5
|
Ш
|
0,025
|
|
-30 +85
|
|
|
|
|
|
C8, C16 (470pF)
|
2
|
0,1
|
2
|
0,5
|
Ш
|
0,025
|
|
-30 +85
|
|
|
|
|
|
C9, C11, C13, C14, C19, C26
(2-10pF)
|
6
|
0,1
|
2
|
0,5
|
Ш
|
0,025
|
|
-30 +85
|
|
|
|
|
|
C10, C15 (1pF)
|
2
|
0,1
|
2
|
0,5
|
Ш
|
0,025
|
|
-30 +85
|
|
|
|
|
|
C12 (2-18pF)
|
1
|
0,1
|
2
|
0,5
|
Ш
|
0,025
|
|
-30 +85
|
|
|
|
|
|
C17, C18, C24, C25, C31
(100pF)
|
5
|
0,1
|
2
|
0,5
|
Ш
|
0,025
|
|
-30 +85
|
|
|
|
|
|
C27, C35 (68pF)
|
2
|
0,1
|
2
|
0,5
|
Ш
|
0,025
|
|
-30 +85
|
|
|
|
|
|
C28, C30 (47pF)
|
2
|
0,1
|
2
|
0,5
|
Ш
|
0,025
|
|
-30 +85
|
|
|
|
|
|
C29 (10pF)
|
1
|
0,1
|
2
|
0,5
|
Ш
|
0,025
|
|
-30 +85
|
|
|
|
|
|
C32, C34 (10uF)
|
2
|
0,1
|
2
|
0,5
|
Ш
|
0,025
|
|
-30 +85
|
|
|
|
|
|
C36 (120pF)
|
1
|
0,1
|
2
|
0,5
|
Ш
|
0,025
|
|
-30 +85
|
|
|
|
|
|
C37 (3-40pF)
|
1
|
0,1
|
2
|
0,5
|
Ш
|
0,025
|
|
-30 +85
|
|
|
|
|
|
C38 (0022)
|
1
|
0,1
|
2
|
0,5
|
Ш
|
0,025
|
|
-30 +85
|
|
|
|
|
|
C39, C40, C41 (1uF)
|
3
|
0,1
|
2
|
0,5
|
Ш
|
0,025
|
|
-30 +85
|
|
|
|
|
|
Диод D1, D2, D3 (MPN 3700)
|
3
|
0,3
|
2
|
0,5
|
Ш
|
0,095
|
|
-55 +150
|
|
|
|
|
|
D4 (IN 4007)
|
1
|
0,35
|
2
|
0,5
|
Ш
|
0,151
|
|
-55 +125
|
|
|
|
|
|
D5 (MV 2112)
|
1
|
0,35
|
2
|
0,5
|
Ш
|
0,074
|
|
-65 +155
|
|
|
|
|
|
D6 (IN 757)
|
1
|
0,3
|
2
|
0,5
|
Ш
|
0,111
|
|
-65 +175
|
|
|
|
|
|
Кварцевые резонаторы XTAL1,
XTAL2, XTAL3
|
3
|
0,16
|
2
|
0,5
|
Ш
|
0,117
|
|
-40 +70
|
|
|
|
|
|
Транзистор Q1 (2N3583)
|
1
|
0,35
|
3
|
0,5
|
Ш
|
0,60
|
|
-65 +200
|
|
|
|
|
|
Q2, Q3 (MPS3006)
|
2
|
0,35
|
3
|
0,5
|
Ш
|
0,60
|
|
-65 +200
|
|
|
|
|
|
Q4 (2N3545)
|
1
|
0,35
|
3
|
0,5
|
Ш
|
0,60
|
|
-65 +200
|
|
|
|
|
|
Q5 (MPF102)
|
1
|
0,3
|
3
|
0,5
|
Ш
|
0,093
|
|
-65 +150
|
|
|
|
|
|
Q6 (2N4355)
|
1
|
0,2
|
3
|
0,5
|
Ш
|
0,60
|
|
-65 +150
|
|
|
|
|
|
Q7 (2N3569)
|
1
|
0,35
|
3
|
0,5
|
Ш
|
0,60
|
|
-65 +200
|
|
|
|
|
|
Q8 (MRF550)
|
1
|
3
|
0,5
|
Ш
|
0,60
|
|
-65 +200
|
|
|
|
|
|
Q9 (MRF862)
|
1
|
0,35
|
3
|
0,5
|
Ш
|
0,60
|
|
-65 +200
|
|
|
|
|
|
Q10 (MJE200)
|
1
|
0,35
|
3
|
0,5
|
Ш
|
0,21
|
|
-65 +155
|
|
|
|
|
|
Катушка индуктивност L1-L15
|
15
|
0,5
|
2
|
0,5
|
Ш
|
0,187
|
|
|
|
|
|
|
|
Аудио и Видео входы
|
2
|
0,21
|
2
|
0,5
|
Ш
|
3,476
|
|
|
|
|
|
|
Вывод: кол-во ЭРИ 111. Выводов: 223.
Выбор группы электронной аппаратуры (ЭА): стационарная. Так как данное
устройство используется в помещение с нормальными климатическими условиями,
относительной влажностью, атмосферным давлением, воздух без химических примесей
и пыли, отсутствие механических перегрузок во время работы. По ГОСТ 16090-2001.
Перечень элементов
|
Обозначение
|
Наименование
|
Количество, шт.
|
Примечание
|
|
Резисторы
|
|
R1, R2, R3, R7
|
22K
|
4
|
|
|
R4, R17, R20, R24
|
1K
|
4
|
|
|
R5, R23
|
330Ω
|
2
|
|
|
R8, R13, R14
|
10Ω
|
3
|
|
|
R6, R9, R12, R16
|
100Ω
|
4
|
|
|
R10
|
470Ω
|
1
|
|
|
R11
|
33Ω
|
1
|
|
|
R15
|
15Ω
|
1
|
|
|
R19, R27
|
10K
|
2
|
|
|
R22
|
82Ω
|
1
|
|
|
R25
|
470K
|
1
|
|
|
R26
|
220K
|
1
|
|
|
R28
|
47K
|
1
|
|
|
R29
|
680Ω
|
1
|
|
|
R30, R32
|
33K
|
2
|
|
|
R31
|
100K
|
1
|
|
|
R18
|
1K
|
1
|
|
|
R22
|
82Ω
|
1
|
|
|
R33
|
100K
|
1
|
|
|
Конденсаторы
|
|
C1
|
39pF
|
1
|
|
|
C2
|
18pF
|
1
|
|
|
C3, C7
|
56pF
|
2
|
|
|
C4, C33
|
01
|
2
|
|
|
C5, C42
|
22pF
|
2
|
|
|
C6, C20, C21, C22, C23
|
33pF
|
5
|
|
|
C8, C16
|
470pF
|
2
|
|
|
C9, C11, C13, C14, C19, C26
|
2-10pF
|
6
|
|
|
C10, C15
|
1pF
|
2
|
|
|
C12
|
2-18pF
|
1
|
|
|
C17, C18, C24, C25, C31
|
100pF
|
5
|
|
|
C27, C35
|
68pF
|
2
|
|
|
C28, C30
|
47pF
|
2
|
|
|
C29
|
10pF
|
1
|
|
|
C32, C34
|
10uF
|
2
|
|
|
C36
|
120pF
|
1
|
|
|
C37
|
3-40pF
|
1
|
|
|
C38
|
0022
|
1
|
|
|
C39, C40, C41
|
1uF
|
3
|
|
|
Диоды
|
|
D1, D2, D3
|
MPN 3700
|
3
|
|
|
D4
|
IN 4007
|
1
|
|
|
D5
|
MV 2112
|
1
|
|
|
D6
|
IN 757
|
1
|
|
|
Кварцевые резонаторы
|
|
XTAL1, XTAL2, XTAL3
|
|
3
|
|
|
Транзисторы
|
|
Q1
|
2N3583
|
1
|
|
|
Q2, Q3
|
MPS3006
|
2
|
|
|
Q4
|
2N3545
|
1
|
|
|
Q5
|
MPF102
|
1
|
|
|
Q6
|
2N4355
|
1
|
|
|
Q7
|
2N3569
|
1
|
|
|
Q8
|
MRF550
|
1
|
|
|
Q9
|
MRF862
|
1
|
|
|
Q10
|
MJE200
|
1
|
|
|
Катушка индуктивности
|
|
L1-L15
|
|
15
|
|
|
Аудио и Видео входы
|
|
Аудио-вход
|
|
1
|
|
|
Видео-вход
|
|
1
|
|
II ГЛАВА Расчетная часть
.1 Расчет площади печатной платы
Разработка компоновочных эскизов и выбор габаритных размеров ПП,
определение числа слоев и толщины ПП, расчет элементов проводящего рисунка ПП.
Вычисление ориентированной площади, по формуле

(1)
где

-
установочная площадь i-го ЭРИ;

-
коэффициент, зависящий от назначения и условий эксплуатации аппаратуры;

-
количество ЭРИ;

мм2 (1)
где

, так как
у нас наземная ЭА;

, берем
из таблицы;
По
ГОСТ 10317-79 выбираем размеры печатной платы.=200 мм;=120 мм;
Так
как соотношение линейных размеров сторон ПП должно быть 1:1, 2:1. Предельные отклонения
на сопрягаемые размеры контура ПП должны быть не выше 12 квалитета, на
несопрягаемые - не выше 14 квалитета по ГОСТ 25347-82.
Линейные
размеры ПП
|
Ширина, мм
|
Длина, мм
|
Ширина, мм
|
Длина, мм
|
Ширина, мм
|
Длина, мм
|
Ширина, мм
|
Длина, мм
|
|
20
|
30
|
60
|
90
|
100
|
120
|
140
|
150
|
|
40
|
|
100
|
|
130
|
|
200
|
|
30
|
40
|
|
140
|
110
|
150
|
150
|
150
|
|
|
|
160
|
|
170
|
|
170
|
|
40
|
60
|
75
|
75
|
120
|
120
|
|
180
|
|
45
|
75
|
|
90
|
|
140
|
|
200
|
|
80
|
|
170
|
|
150
|
160
|
170
|
|
50
|
60
|
80
|
130
|
|
160
|
|
200
|
|
80
|
|
140
|
|
170
|
170
|
180
|
|
100
|
90
|
90
|
|
180
|
|
200
|
|
150
|
|
120
|
|
200
|
|
280
|
|
60
|
60
|
|
150
|
130
|
200
|
200
|
360
|
|
80
|
|
170
|
|
|
|
|
Определение
числа слоев и толщины

(2)

-
коэффициент пропорциональности, учитывающий влияние ширины и шага проводников,
эффективности трассировки, формы корпуса ИМС и монтажного отверстия.

и 
-
габаритные размеры

-
количество задействованных выводов ИМС

;

;

;

- берем
из таблицы 2;

- берем
из таблицы;
Зная
суммарную длину связей и задаваясь шагом трассировки проводников 
, можно
определить количество логических или сигнальных слоев
где

-
коэффициент эффективности трассировки;

-
частное от деления шага координатной сетки или основного шага размещения ЭРИ на
любое целое число. При этом сумма минимальной ширины проводника и зазора должна
быть меньше 
.

из
формулы 
(где 
- любое
целое число при условии, что 
;

- так
как у нас 2 класс точности берем значение «1»;

; 


- берем
из таблицы 2

- берем
из таблицы 2
где

-
толщина экранного слоя;

- число
сигнальных слоев;

-
номинальное значение толщины слоя, мм;

-
толщина прокладки стеклоткани;- число прокладок;

-число
экранных слоев

-
толщина материала СФ1-35Г, По ГОСТ 10316-78 (возможно от 1,0 - 3,0 мм);

, толщина
медной фольги (35-50мкм);

= 0, так
как у нас ОПП.
Предельные
отклонения на суммарную толщину ОПП составляют ±0,3 мм.
2.4 Расчет диаметра монтажный отверстий
Номинальный диаметр монтажных металлизируемых и неметаллизируемых
отверстий устанавливают исходя из соотношения:
где

- нижнее
предельное отклонение диаметра отверстия;

-
максимальное значение диаметра выводы ЭРИ, устанавливаемого на ПП;

-
разность между минимальным значением диаметра отверстия и максимальным диаметром
вывода, устанавливаемого ЭРИ (ее выбирают в пределах 0,1…0,4 мм при ручной
установке ЭРИ и в пределах 0,4…0, 5 мм - при автоматической).

мм, По
ГОСТ 23751-86;

мм,
берем из таблицы «Характеристика элементной базы»;

, так как
ручная установка ЭРИ;
Минимальный
диаметр металлизированного монтажного отверстия 
на ПП
выбирают из соотношения:
Выбираем
по ГОСТ 10317-79 значение в 0,8мм.
где

-
толщина ПП;

-
отношение диаметра металлизированного отверстия к толщине ПП;

;

= мм, По
ГОСТ 23751-86;
2.5 Выбор расстояния 
от края ПП до элементов печатного рисунка
Расстояние

должно
быть не менее толщины ПП с учетом допусков на размеры сторон, кроме экранов,
шин земли, концевых печатных контактов, знаков маркировки. Поэтому расстояние
выбираем
равным 2,0 мм.
2.6 Расчет расстояния 
от края паза, выреза, неметаллизированного отверстия
до элементов печатного рисунка
где

- ширина
ореола, скола в зависимости от толщины материала основания и класса точности
ПП;

-
наименьшее расстояние от ореола, скола, до соседнего элемента проводящего
рисунка, которое должно быть не менее 0,3 мм для 1-го и 2-го класса точности
ПП; 0, 15 мм - для 3-го и 4-го класса точности ПП; 0,1 мм - для 5-го класса
точности ПП;

-позиционный
допуск расположения центров контактных площадок (КП); определяют в зависимости
от конструкции, размеров и класса точности ПП;

-
позиционный допуск расположения осей отверстий; определяют в зависимости от
размеров и класса точности ПП;

-
верхнее предельное отклонение размеров элементов конструкции (ширины печатного
проводника);

- 1,0 по
ГОСТ 23752-79;

= мм для
1-го и 2-го класса точности ПП;

= мм по
ГОСТ 23751-86 (сторона до 180 мм);

= мм по
ГОСТ 23751-86(сторона до 180 мм);

= по
ГОСТ 23751-86 с покрытием;
2.7 Расчет ширины печатных проводников
Наименьшее
номинальное значение ширины печатного проводника 
, мм,
рассчитывается по следующей формуле:
Здесь

-
минимально допустимая ширина проводника, рассчитываемая в зависимости от
допустимой токовой нагрузки;

- нижнее
предельное отклонение размеров ширины печатного проводника;
где

-
максимальный постоянный ток, протекающий в проводниках, определяют из анализа
электрической принципиальной схемы;

-
допустимая плотность тока, в зависимости от метода изготовления ПП;

-
толщина печатного проводника;

= А;

- А/мм2,
так как метод химический негативный, по ГОСТ 23751-86;

=мкм, от
35-50 мкм;

мм, с
покрытием.

;
2.8 Расчет диаметра контактных площадок
Все монтажные отверстия располагаются в зоне КП. Они могут иметь
произвольную форму. Предпочтительной является круглая форма. Наименьшее
номинальное значение диаметра КП определяют по формуле:
Где

-
верхнее предельное отклонение диаметра отверстия;

-
гарантийный поясок;

-
верхнее предельное отклонение ширины проводника;

- нижнее
предельное отклонение ширины проводника;

;

2;

2;

2;

= мм 2;

= мм 2;

= мм 2;

, так как
у нас ОПП;
Округляем
расчетное значение диаметра КП в большую сторону до десятых долей миллиметра и
получаем 
.
Наименьший
номинальный диаметр КП для узкого места определяют по ГОСТ 1,95 мм.
2.9 Расчет расстояния между элементами проводящего рисунка
Наименьшее расстояние между элементами проводящего рисунка (между двумя
проводниками):
Где

-
позиционный допуск расположения печатных проводников, который учитывается
только при
; 
-
количество проводников в узком месте;

-
верхнее предельное отклонение ширины проводника;

-
минимально допустимое расстояния между соседними элементами проводящего
рисунка; для обеспечения заданной электрической прочности изоляции расстояние
между двумя соседними проводниками выбирают в зависимости от приложенного
напряжения и условий эксплуатации.

по ГОСТ23751-86;

2;


Наименьшее
номинальное расстояние для прокладки n печатных проводников между двумя
отверстиями с контактными площадками диаметров 
и 
рассчитывают
по следующей формуле:

По ГОСТ
23751-86;

по
ГОСТ23751-86;

.
Проведя
расчет элементов проводящего рисунка необходимо выбрать последовательность
основных операция технологического процесса изготовления ОПП методом химически
негативным.
Последовательность операций:
1. Входной контроль и термостабилизация диэлектрика;
2. Раскрой материала;
. Получение заготовок и фиксирующих (базовых) отверстий;
. Подготовка поверхности заготовки;
. Получение защитного рельефа;
. Сушка;
. Травление меди с пробельных мест;
. Удаление защитного рельефа;
. Получение монтажных отверстий;
. Нанесение паятельной маски;
. Сушка;
. Лужение;
. Отмывка от флюса;
. Маркировка;
. Контроль электрических параметров;
. Вырубка по контору и получение крепежных отверстий.
Заключение
В данном курсовом проекте был рассмотрен пример проектирования передатчик
телевизионной системы на печатной плате.
В результате выполнения курсового проекта были подобраны элементы для
схемы передатчика, были найдены площади ПП, основные характеристики.
Производился расчет числа слоев и толщины ПП, диаметра монтажных отверстий,
ширины печатных проводников, диаметра контактных площадок и расстояние между
элементами проводящего рисунка.
В программе P CAD 2006 была построена схема устройства передатчика
телевизионной системы и схема размещения элементов на печатной плате.
Цели и задачи, поставленные в данном курсовом проекте, выполнены.
Схема телевизионного передатчика