Проект устройства приема и обработки сигналов узловой станции коммерческой сотовой системы спутниково-космической телефонной связи

  • Вид работы:
    Курсовая работа (т)
  • Предмет:
    Информатика, ВТ, телекоммуникации
  • Язык:
    Русский
    ,
    Формат файла:
    MS Word
    1,54 Мб
  • Опубликовано:
    2013-05-18
Вы можете узнать стоимость помощи в написании студенческой работы.
Помощь в написании работы, которую точно примут!

Проект устройства приема и обработки сигналов узловой станции коммерческой сотовой системы спутниково-космической телефонной связи

ЮЖНО-РОССИЙСКИЙ ГОСУДАРСТВЕННЫЙ УНИВЕРСИТЕТ

ЭКОНОМИКИ И СЕРВИСА РОСТОВСКИЙ ИНСТИТУТ СЕРВИСА

Механико-технологический факультет

Кафедра радиоэлектроники







КУРСОВОЙ ПРОЕКТ

ТЕМА: «Проект устройства приема и обработки сигналов узловой станции коммерческой сотовой системы спутниково-космической телефонной связи»

ПОЯСНИТЕЛЬНАЯ ЗАПИСКА

ЗАДАНИЕ

На курсовой проект по дисциплине “Устройства приема и обработки сигналов” студенту группы _ЗМ-БРА-091 Белому И.П.

Тема проекта: Проект устройства приема и обработки сигналов узловой станции коммерческой сотовой системы спутниково-космической телефонной связи, работающей в диапазоне МКРЧ-(С). Вид модуляции ЧМ.

Целевая установка и исходные данные fc-5,2 ГГц, Тш-250 К, γ-110, mчм-0,9. Fв-1,8 МГц, δск -25 дБ, δзк - 22 дБ, tА- 0,2

Основные вопросы, подлежащие разработке: обосновать и разработать функциональную схему приемника; рассчитать основные параметры принципиальной схемы приемника в общем виде; (схему гетеродина обосновать и выбрать); в качестве элементной базы приемника использовать интегральные микросхемы или дискретные полупроводниковые приборы; провести расчёт принципиальной схемы УПЧ в полном объёме.

К защите представить: пояснительную записку объёмом 25/З0 стр.; схему функциональную электрическую устройства приема и обработки сигналов; чертёж на листе формата А-4; схему принципиальную электрическую устройства приема сигналов.

Основная рекомендуемая литература

1. Павлов В.М. Прием и обработка сигналов. Методическое пособие для курсового проектирования. ЮРГУЭС, Ростов-на-Дону, 2003-72с.

. Богданович Б.М., Окулич Н.И. Радиоприемные устройства. Минск: Высшая школа, 1991 -428с.

3.Куличёв Г.В. Бытовая аудиоаппаратура. М: ДМК Пресс, 2001.-320с.

4.Ситников В.А. Прием и обработка сигналов. Принципы высококачественного радиоприема. Ростов-на-Дону: ЮРГУЭС, 2005.-64с.

Содержание

Введение

1. Предварительный расчет радиоприемника

.1 Полоса пропускания

1.2 Выбор промежуточной частоты

.3 Чувствительность радиоприемника

.4 Частота соседнего и зеркального каналов

.5 Обоснование структурной схемы радиоприемника

.6 Коэффициент усиления радиоприемника

2. Расчет принципиальной схемы радиоприемника

2.1 Усилитель радиочастоты

2.2 Входная цепь

.3 Преобразователь частоты

2.4 Усилитель промежуточной частоты

2.5 Выбор детектора

Выводы и рекомендации

Список литературы

Приложения

Введение

Радиоприемные устройства входят в состав радиотехнических систем связи, т.е. систем передачи информации с помощью электромагнитных волн. Радиоприемное устройство состоит из приемной антенны радиоприемника и оконечного устройства предназначенного для воспроизведения сигналов. Радиоприемники можно классифицировать по ряду признаков, из которых основными являются: тип схемы, вид принимаемых сигналов, назначение приемника, диапазон частот, вид активных элементов, используемых в приемнике, тип конструкции приемника.

По типу схем различают приемники детекторные, прямого усиления (без регенерации и с регенерацией), сверхрегенеративные и супергетеродинные приемники, обладающие существенными преимуществами перед приемниками других типов и широко применяемые, а всех диапазонах приемников.

Принимаемые сигналы служат для передачи сообщений или измерения положения и параметров относительного движения объектов. Сигналы могут передавать сообщения от одного источника или нескольких. Для передачи информации используется изменение одного из параметров сигнала по закону изменения информационного сигнала. Используются, непрерывные колебания с изменяемой (модулированной) амплитудой, частотой или фазой колебания. Скачкообразно изменяемые по амплитуде, частоте или разности фаз, колебания с изменяемой амплитудой, частотой или фазой.

1. Предварительный расчет радиоприемника

.1 Полоса пропускания

Предварительный расчёт радиоприемника обычно определения его полосы пропускания П 0,7. В общем случае полоса пропускания, определяется как сумма аффективной ширины спектра сигнала Пс. И запаса на нестабильность Пн [3 с.30 ]:

 (1)

Эффективная ширина спектра Пс зависит от вида модуляции в соответствии с задание на курсовое проектирование выбираем выражение для для частотной модуляции [3 с.31 ]:

, (2)

где mчм - индекс частотной модуляции.

Нестабильность Пн, носит случайный характер и определяется выражением [3, с. З1 ]:

 (3)

где ∆fc и ∆fг - уходы частот сигнала и гетеродина от номинального значения, которые рассчитываются по формуле:

 (4)

где - α относительная нестабильность частоты, f0 . частота гетеродина или сигнала.

Для расчета в соответствии с данными представленными в [3 с. 32] выберем в качестве гетеродина - генератор на отражательном клистроне, относительная нестабильность которого равна α=10-6, тогда учитывая, что частота гетеродина мало отличается от частоты сигнала ∆fc = ∆fг получим:


Обычно в приёмниках применяют автоматическую подстройку частоты (АПЧ). Для широкополосных приёмников АПЧ необходима, если[3,c.31]

 (5)

В нашем случае П0,7с=1,001, следовательно АПЧ не нужна.

.2 Выбор промежуточной частоты

При выборе промежуточной частоты радиоприемника необходимо учитывать, что [3 с.26]:

а)          значения промежуточной частоты должны находиться вне диапазона рабочих частот радиоприемника;

б)      относительно низкая промежуточная частота позволяет обеспечить более высокое и устойчивое усиление сигнала, а также высокую избирательность по соседнему каналу, но затрудняет подавление помехи по зеркальному каналу;

в)      высокая промежуточная частота облегчает подавление помехи по зеркальному каналу, но уменьшает устойчивое усиление сигнала.

Исходя из данных условий, в соответствии с формулами из [3, с.27] составим следующую систему уравнений и выберем необходимую промежуточную частоту:

,

, (6)


где dkmin ~ собственное затухание контура, которое в соответствии с заданной частотой равно dkmin= 0.01 [3 с.27]. Из системы уравнений (6) получаем:

fnp > 9…18МГц,

fnp < 821,6... 1232,4МГц.

В соответствии с этой системой неравенств выберем промежуточную частоту равной fnp = 50 МГц.

1.3 Чувствительность радиоприемника

Под чувствительностью радиоприемника понимают его способность принимать слабые сигналы. Чувствительность радиоприемника - это минимальный радиосигнал на входе приемника, поэтому она измеряется в единицах мощности (Вт), и определяется так [3 с.29]:

 (7)

где  - коэффициент различимости сигнала (отношение мощности сигнала к мощности шума на выходе линейной части приемника);

 - стандартная температура;

 - шумовая полоса пропускания;

 - коэффициент шума приемника;

 - относительная шумовая температура антенны.

Значение коэффициента шума приемника определяется как

 (8)

где    - шумовая температура приемника.

В соответствии с исходными данными получаем:

=1,1∙10,27∙106=11,297 МГц;

Шпр=1+250/293=1,85;

=110∙1,38∙10-23∙293∙11,297∙106∙(1.85-

+0,2)=5,27∙10-12

1.4 Частота соседнего и зеркального каналов

Известно, что допустимая частота соседнего канала определяется заданной избирательностью по соседнему каналу δск. Распределение частот соседних каналов поясняется на рисунке 1.

Частоту соседнего канала определяют по формуле:

 (9)

где    - защитный интервал соседних каналов;

- расстройка соседнего канала.

На основании [3, с.ЗЗ] выберем защитный интервал, исходя из выражения:

0.7 =10,27 МГц, (10)

Тогда

=o.7+=5,2∙ 109+2∙10,27∙10б=5,22∙ 109Гц

Известно, что частота зеркального канала определяется выражением:

 (11)

где знак «плюс» соответствует верхней настройке гетеродина, а знак «минус» - нижней.

Для расчета частоты зеркального канала необходимо выбрать тип и настройку гетеродина. Тип гетеродина был выбран в пункте 1.1. учитывая, что верхняя настройка гетеродина приводит к инвертированию спектра сигнала и усложняет реализацию приемника в связи с необходимостью использования более высокочастотного генератора, выберем нижнюю настройку гетеродина, тогда


При этом расположение зеркальной частоты будет соответствовать рисунку 1.

Рисунок 1 Распределение частот в супергетеродинном приемнике.


Таким образом, выбраны допустимые частоты соседнего каналов.

.5 Обоснование структурной схемы радиоприемника

Для обоснования структурной схемы приемника воспользуемся известными структурами супергетеродинных приемников. В соответствии с [3, с.28] супергетеродинные приемники могут строиться по одной из следующих схем:

Рисунок 2 Схемы супергетеродинных приемников

На схемах введены следующие обозначения: ВЦ - входная цепь; УРЧ - усилитель радиочастоты; ПЧ - преобразователь частоты; УПЧ -усилитель промежуточной частоты; Д - детектор; УНЧ - усилитель низкой частоты.

Проведем математическое обоснование структурной схемы приемника, отвечающего требованием проекта. Воспользуемся формулой для коэффициента шума последовательно соединенных четырехполюсников [3, с.34], имея ввиду, что каждый каскад приемника - это четырехполюсник со своим коэффициентом передачи Кр и коэффициентом шума Ш.

Для определения структурной схемы приемника рассчитаем результирующий коэффициент шума приемников в соответствии с приведенными схемами и сравним их с допустимым значением коэффициента шума Шпр.

Исходные данные для расчета выберем в соответствии с [3, с.35] и [5, с. 16]. В качестве ВЦ выберем - одноконтурную входную цепь с параметрами ЩвЦ= 1,1, КрВц= 0,9. В качестве УРЧ - усилитель параметрический регенеративный с полупроводниковым диодом без охлаждения с параметрами ЩУРЧ=1,5, КрУРЧ=200. В качестве ПЧ - диодный преобразователь частоты с параметрами параметрами шпч - 6, КрПЧ=025. В качестве УПЧ -транзисторный усилитель с параметрами ШУпч= 6, Крулч= 100.

Получим коэффициенты шума для разных схем:

A)    Швц=1,73;

Б)Шурч=1,58;

B)    Швц=28,8.

Коэффициент шума приемника должен быть меньше допустимого Шпр -1,85, Данному условию удовлетворяют схемы «а» и «б». Выберем схему «а», так как она экономически выгоднее и технически проще в обслуживании.

.6 Коэффициент усиления радиоприемника

Общий коэффициент усиления приемника по напряжению определяется как [3, с,35]

 (12)

где Uдет - амплитуда напряжения на входе детектора, при котором он будет работать, в соответствии с [3, с.35] предположим, что напряжение на входе детектора равно Uдет =1 В;

Кз, - коэффициент запаса усиления, который учитывает старение усилительных приборов, рас стройку контуров, колебания питающих напряжений и другие причины, ухудшающие усиление. На практике коэффициент запаса усиления находится в пределах [3, с.35]: К3=2...3, для расчета выберем £3= 2,5;

Ес min - чувствительность радиоприемника в вольтах, которая находится из выражения [3, с.29]

 (13)

где Ra- сопротивление излучения антенны, равное RA =50 Ом, тогда

Ес min=2∙√5,27∙10-12∙50=3,24∙10-5

Подставим выбранные величины в выражение (12):

КпР=2,5/√2∙3,24∙10-5=54723 paз

Проведем предварительное распределение коэффициента усиления по отдельным каскадам приемника. Обозначим коэффициент усиления по мощности для высокочастотного (ВЧ) блока так: =33,75 раза.

Тогда требуемое значение коэффициента усиления по напряжению для УПЧ определим так:

К0∑тг=54723/√33,75=9420 раза.

радиоприемник частота усилитель детектор

2. Расчет принципиальной схемы радиоприемника

.1 Усилитель радиочастоты

В качестве усилителя радиочастоты выбираем двухконтурный регенеративный усилитель на полупроводниковом параметрическом диоде отражательного типа. Выбор объясняется тем, что эти усилители обладают лучшими усилительными свойствами, меньшим коэффициентом шума и наиболее часто применяются на практике по сравнению с усилителями дргих типов.

Выберем параметрический диод 1А402Б в соответствии с рабочей длиной волны.


fH >2∙fс. Пусть fH = 12 ГГц.

Выходная проводимость фидера составляет GQ = 20мСм.

Выберем коэффициент включения фидера в нагрузку m =0,8, а коэффициент вариации емкости диода тс = 0,5 . Так как усилитель отражательного типа, то усиленный сигнал снимается с сигнального контура. На рисунке 3 показана эквивалентная схема входной цепи.

Рисунок 3 Эквивалентная схема входной цепи

Учитывая, что усилитель радиочастоты отражательного типа, то контур, настроенный на холостую частоту в расчете не участвует. Учитывая, необходимость режима бегущей волны будем полагать, что собственная проводимость контура

GK = 0.

Учитывая необходимость работы усилителя на очень высоких частотах, полагаем, что Ск = 0, тогда эквивалентная емкость сигнального контура равна где С0 - собственная емкость перехода диода, которую выбираем из таблицы [3, с.37]: равной С0= 0,16 пФ.

Постоянная времени цепи заряда емкости р-п-перехода:

г=гс∙Со = 0,7пс.

Эквивалентная проводимость резонатора без учета регенерации равна

 

G, =m2-G0+ Gk+ G (14)

Проводимость потерь диода на частоте сигнала, вносимая в сигнальный контур, равна

GД=rs∙(wo∙Co)2 (15)

где = w о=2π∙fc=3,14∙ 5,2 ∙ 109 =1,6328∙1010

rs=0,7∙ 10-12/0,16∙10-12=4,375 Ом, тогда

Gd=4,375∙(1,6328∙1010∙0,16∙10-12)2=2,98∙10-5

Подставив полученные значения, найдем окончательное значение эквивалентной проводимости резонатора:

Gd =0,82∙ 0,02+0+2,98∙10-5=1,28∙10-3 См

Определим полную отрицательную проводимость, вносимую в резонатор от полупроводникового параметрического диода.

Холостая частота - 12-5,2=6,8 ГГц.

Тогда Gdx =rs∙(2π∙fx∙ C0)2=0,0299

│G│=4π2∙6,8 ∙ 109∙0,08∙ 10-12/4∙0,0299 =0,1789

Определим полную отрицательную проводимость, вносимую в резонатор от двухполюсника с отрицательным сопротивлением, подставив полученные величины в формулу (16):

|G| = |GQ|-Gd (16)

|G| =0,1789 -0,16∙10-3=0,17874

Определим коэффициент регенерации из формулы (17):

|G| =|GQ|/ Gd (17)

|G| =0,1789/1,28∙10-3 =139,76

Определим коэффициент усиления по мощности:

(1+0,17874)2/(1- 0,17874)=1,691 раз.

Полоса пропускания равна 2,471, таким образом:

П07рег = 5,2∙ 109∙2,471∙( 1-0,17874) =1,055∙1010 Гц

Данная полоса пропускания намного больше рассчитанной ранее полосы пропускания приемника По7 = 10,27 МГц « П07рег = 10550 МГц, что удовлетворяет требованиям.

Определим коэффициент шума каскада по следующей формуле:

Ш=1+2,98∙10-5/0,82+0,02=1,51

Рассчитанный коэффициент шума меньше выбранного ранее Ш = 1,1 <Шурч~ 1,58, что удовлетворяет требованиям.

Расчет усилителя радиочастоты окончен. Принципиальная схема каскада имеет вид, представленный на рисунке 4.

Рисунок 4 Принципиальная схема усилителя радиочастоты

.2 Входная цепь

Входная цепь приемника связывает выход антенно-фидерного устройства со входом 1-го каскада приемника - малошумящим усилителем СВЧ. При этом вход и выход входной цепи должны быть согласованы с волновыми сопротивлениями присоединяемых к ним линий передач, чтобы в местах соединения не возникало отражений СВЧ энергии. Обычно входная цепь представляет собой СВЧ фильтр того или иного вида, который называют преселектором. Задачей преселектора является пропускание с малым затуханием сигналов, поступающих на вход приемника на частотах лежащих в заданной полосе его рабочих частот, и запирание входа приемника (внесение большого затухания) для сигналов, поступающих на частотах, лежащих за пределами рабочей полосы частот [5, с.127-129].

Фильтры СВЧ на полосковых и микро полосковых линиях строят как на коротких отрезках, так и на резонансных отрезках линий. Возможность создания фильтров на отрезках линий, играющих роль реактивных элементов, основана „а том, что короткозамкнутые и разомкнутые отрезки линий длиной 1/4 эквивалентны соответственно индуктивности и емкости а при длинах = 1/4 или 1 = Ш они становятся резонансными и эквивалентны параллельному или последовательному колебательному контуру.

Выберем полосно-пропускающий фильтр. Данный фильтр построен на резонансных полуволновых отрезках микро полосковой линии (МПЛ). При этом полосковые резонаторы образованы разрывом полоскового проводника с малой шириной зазора, величина которого весьма критична [5, с. 129].

Определим эквивалентное затухание контура обеспечивающее требуемую избирательность по зеркальному каналу:

 = 2∙11,77∙10б/50∙106∙ 1= 0,684.

Определим эквивалентное затухание контура, обеспечиваемое требуемую полосу пропускания:

/=10,27∙106/5,22∙109=1,96∙10-3

Полученные значения соответствуют условию, поэтому окончательно выберем эквивалентное затухание контура:

dэ=(0,684+0,0019)/2=0,342

Полоса пропускания входной цепи определяется по формуле:

П0,7вц=0,342∙5,2∙109=1,77 ГГц,

что больше полосы пропускания приемника, следовательно, удовлетворяет условию.

Определим коэффициент передачи входной цепи по следующей формуле:

Квц=0,5∙√Ga/g11

где Ga - входная проводимость нагрузки ВЦ;

g11- входная проводимость следующего каскада (УРЧ).

Эквивалентная проводимость УРЧ равна 1,87 • 10 См а входная проводимость нагрузки входной цепи равна 0,02 См, таким образом получаем:

Квц=0,5∙√20∙10-3 /1,87∙10 -3 =0,37 раз.

Таким образом, коэффициент шума входной цепи равен:

ШВц=1/0,37∙2=0,685

.3 Преобразователь частоты

В качестве преобразователя частоты выбираем диодный преобразователь частоты. В данном типе преобразователя частоты находят применение в основном диоды двух типов, отличающиеся методом создания контакта: точечно-контактные диоды (ТКД) и диоды с барьером Шоттки (ДБШ)[5,с.317].

Топологическую схему смесительной секции показана на рисунке [5, стр.321].

Рисунок 5 Топологическая схема микрополосковой смесительной секции с согласующим четвертьволновым трансформатором перед диодом; 1 - высокоомный короткозамкнутый четвертьволновый шлейф; 2 - точечно- контактный диод; 3 - низкоомный разомкнутый четвертьволновый шлейф; 4-режекторный фильтр СВЧ.

Коэффициент шума каскада получаем из формулы [5, с.318]:

 


Волновые сопротивления четвертьволновых отрезков МПЛ в выходной цепи секций принимаем равными 20 и 90 Ом соответственно для низкоомных разомкнутых и высокоомных отрезков.

.4 Усилитель промежуточной частоты

В качестве УГТЧ выберем транзисторный усилитель, основанный на бес корпусных транзисторах ИМС. Параметры выбранных транзисторов для схемы с общим эмиттером представлены в таблице 2 [3, с.37].

Для расчета УГТЧ необходимо обосновать схему включения усилительного прибора, тип усилителя и необходимое число его каскадов.

Определим коэффициент устойчивого усиления одноконтурного усилителя с включением транзисторов по схеме с общим эмиттером по следующей формуле: Ку=3,28

Зная число каскадов усилителя n, полосу пропускания П0,7 избирательность по соседнему каналу аск и рас стройку, соответствующую соседнему каналуfck , определим необходимое эквивалентное затухание контуров из соотношения [3, с.49]:

Из формулы (9) следует, что ∆fck -2∙ П0,7, таким образом:

d0 = 2∙2∙10,27∙106/50∙106∙1,59=0,51

В результате неравенство не выполняется, следовательно, необходимо использовать двухконтурный усилитель.

Таким образом, для двухконтурного усилителя получаем:

d0 = 2∙2∙10,27∙106/50∙106∙1,49=0,55

dn = 10,27∙106/50∙106∙0,77=0,266

Неравенство выполняется (0,266 <d< 0,55), поэтому находим эквивалентное затухание контуров 0,266+0,55/2=0,408

Резонансный коэффициент усиления намного больше устойчивого, поэтому целесообразно использовать каскадное включение транзисторов по схеме

ОЭ- ОБ[3,с.52].

Определим необходимое эквивалентное затухание контуров для двухконтурного усилителя:

d3=10,27∙106/(50∙106∙0,93)=0,22

Неравенство выполняется (0,20 < d3 < 0,50), поэтому находим эквивалентное затухание контуров по формуле: d э = 0,20 + 0,50/2 = 0,35

Рассчитаем оптимальные значения эквивалентной емкости контура:

В этом случае целесообразно выбрать коэффициент включения m|.| эквивалентную емкость контура C0flnm 5-С22 =9,65нФ, а коэффициент включения m2 рассчитать из условия требуемого эквивалентного затухания контура d1.

Резонансный коэффициент усиления больше устойчивого, но удовлетворяет неравенству Ку < Кm <2-Ку поэтому целесообразно уменьшить коэффициент включения m|.| и подключить к первому контуру шунт, обеспечивающий требуемое затухание [3, с.61].

Таким образом, рассчитан двухконтурный транзисторный усилитель с каскадной схемой включения, резонансный коэффициент усиления одного каскада которого равен К0]у =17,216. Требуемый коэффициент усиления обеспечивается четырьмя каскадами усилителя. Схема рассчитанного каскада изображена на рисунке 6 [3, с.59].

Рисунок 6

.5 Выбор детектора

По заданию на курсовое проектирование устройство должно принимать и обрабатывать частотно-модулированные (ЧМ) сигналы. Для детектирования ЧМ сигналов используют дискриминатор или детектор отношений. Для нашего устройства выберем дискриминатор, представленный на рисунке 7.

Рисунок 7 - Схема частотного детектора

Дискриминатор собран на двух диодах Д1 и Д2. В качестве нагрузки по постоянному току служат одинаковые резисторы R1 и R2, шунтированные конденсаторами С1 и C2. Колебательные контуры фазовращающего трансформатора настроены на промежуточную частоту. Напряжение сигнала промежуточной частоты, полученное с первичного контура, U3 вводится в цепь диодов синфазно. В результате на диоды Д1 и Д2 поступают геометрические суммы напряжений UR = UД3 + 0,5- U2, и UД2 = U3- 0,5Д1.

Выпрямленные каждым диодом напряжения суммируются с противоположными знаками. Отклонение мгновенной частот ЧМ сигнала от резонансной частоты колебательных контуров в процессе модуляции приводит к изменению напряжений UД1 и UД2, В результате выходное напряжение дискриминатора оказывается пропорциональным отклонению частоты.

Выводы и рекомендации

Разработанное устройство приема и обработки сигналов узловой станции коммерческой сотовой системы спутнико-космической телефонной связи предназначено для работы на частоте 5,2 ГГц с частотной модуляцией сигнала. Устройство не нуждается в автоматической подстройке частоты, при этом в устройстве предусмотрено подавление помех по соседнему и зеркальному каналу и обеспечение требуемого усиления для подавления естественных шумов каскадов приемника. Промежуточная частота устройства равна 50 МГц. Преобразование частоты происходит в смесительном устройстве основанном на точечно-контактном диоде 2А108А. В качестве гетеродина используется генератор на отражательном клистроне с относительной нестабильностью частоты а=10-6 . Для выделения из частотного модулированного сигнала передаваемого сообщения на выходе устройства установлен детектор, в качестве которого выступает частотный дискриминатор.

В роли входной цепи выступает полосно-пропускной фильтр, основанный на полуволновых отрезках микро полосковой линии с разрывом между ними. Усилитель радиочастоты представляет собой двухконтурный регенеративный усилитель на полупроводниковом параметрическом диоде отражательного типа 1А402Б, который обеспечивает высокую чувствительность устройства в связи с высоким коэффициентом усиления. Четыре каскада двухконтурного усилителя на бес корпусных транзисторах ИМС с каскадной схемой включения обеспечивают необходимый коэффициент усиления промежуточной частоты.

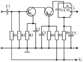
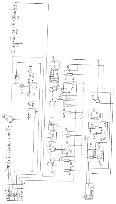
Функциональная и принципиальная схемы устройства приведены в Приложении А и Приложении Б соответственно.

Список литературы

1.     Ситников В.А. Прием и обработка сигналов. Часть 1. Принципы высококачественного радиоприема. Учебное пособие. Ростов-на-Дону: Ростовский институт сервиса, 2005. 64 с.

2.       Ситников В.А. Устройства приема и обработки сигналов. Краткий курс лекций. Ростов-на-Дону: РАС ЮРГУЭС, 2009. 195 с.

3.       Павлов В.М. Устройства приема и обработки сигналов. Методическое пособие для курсового и дипломного проектирования. Ростов-на-Дону: РИС ЮРГУЭС. 2003. 72 с.

4.       Музыка З.Н. Чувствительность радиоприемных устройств на полупроводниковых приборах. М.: Радио и связь, 1981. 168 с.

5.       Проектирование радиоприемных устройств. Под ред. А.П.Сиверса. М.: Советское радио, 1976. 486 с.

Приложение А

Приложение Б

Похожие работы на - Проект устройства приема и обработки сигналов узловой станции коммерческой сотовой системы спутниково-космической телефонной связи

 

Не нашли материал для своей работы?
Поможем написать уникальную работу
Без плагиата!
Без нейросетей!