Проект оконечной ОС на базе системы DX200

  • Вид работы:
    Курсовая работа (т)
  • Предмет:
    Информатика, ВТ, телекоммуникации
  • Язык:
    Русский
    ,
    Формат файла:
    MS Word
    937,48 Кб
  • Опубликовано:
    2013-08-18
Вы можете узнать стоимость помощи в написании студенческой работы.
Помощь в написании работы, которую точно примут!

Проект оконечной ОС на базе системы DX200















КУРСОВАЯ РАБОТА

по дисциплине: Цифровые системы распределения сообщений

Проект оконечной ОС на базе системы DX200

Исходные данные

Таблица 1.1 - Исходные данные для расчета

Данные

Вариант 19

1. Емкость АТС

30000

2. Доля абонентов квартирного сектора

0,64

3. Доля абонентов народнохозяйственного сектора

0,36

4. Количество таксофонов

574

5. Среднее количество вызовов в ЧНН от одного абонента


- квартирный сектор

1,1

- народнохозяйственный сектор

3,3

- таксофонов

10

6. Средняя продолжительность разговора одного абонента


- квартирного

140

- народнохозяйственный сектор

85

- таксофонов

110

7. Доля состоявшихся разговоров

0,5

8. Емкость существующей ГТС

290

- количество АТСДШ

10

- количество АТСК

14

- количество АТСЭ

5

9. Распределение нагрузки


- доля нагрузки к УСС

0,03

- доля внутреннего сообщения

0,275

- доля исходящей нагрузки к одной РАТС

0,0345


Содержание

Введение

. Разработка схемы организации связи

.1 Характеристика ГТС

.2 Разработка схемы организации связи проектируемой РАТС

. Структурная схема проектируемой РАТС

.1 Краткие технические данные DX200

.2 Состав оборудования DX200

. Расчет интенсивностей телефонных нагрузок

.1 Расчет исходящей нагрузки от блоков АИ (BSW)

.2 Распределение потоков сообщений

.3 Расчет входящей нагрузки

.4 Расчет нагрузки на регистры

.5 Расчет нагрузки на блоки многочастотной сигнализации (MFCU)

.6 Расчет нагрузки на блоки автоматического определения номера (AONU)

. Расчет объема оборудования

.1 Переход от средней нагрузки к расчетной

.2 Расчет основного оборудования

. Комплектация и размещение оборудования

. Требования техники безопасности

Заключение

Список литературы

Введение

Современное состояние и перспективные планы развития Единой Сети Электросвязи (ЕСЭ) Российской Федерации характеризуются широким внедрением цифровых технологий и оборудования цифровых систем передачи и коммутации. Этот процесс нашел отражение и в развитии городских телефонных сетей. Внедрение цифровых систем коммутации принесло с собой принцип создания «наложенных» сетей. Создание «наложенных» сетей обеспечивает сокращение числа переприемов «аналог-цифра» и лучшие возможности по эксплуатации оборудования.

Технологическое развитие цифровых АТС привело к появлению станций большой и сверхбольшой емкости, что повлияло на структуру сетей. Топологические изменения структуры ГТС при внедрении цифровых АТС связаны с использованием, в первую очередь, кольцевой структуры для связи транзитных станций, а также для организации сетей доступа.

Основные особенности перспективных структур ГТС с цифровыми станциями:

широкое использование выносных концентраторов;

комбинированное использование оборудования АТС (РАТС - оконечная станция; РАТС и УВИС - опорно-транзитная станция, ОПТС; РАТС и АМТС и т.д.);

возможность использования двухсторонних соединительных линий;

применение обходных направлений;

использование общеканальной системы сигнализации ОКС№7;

предоставление абонентам значительного числа дополнительных видов обслуживания;

- создание на сети центров технической эксплуатации.

1. Разработка схемы организации связи


1.1 Характеристика ГТС


.1.1 Базовой сетью электросвязи в городе является ГТС с емкостью 290 тысяч номеров. Сеть аналого-цифровая шестизначной нумерацией на сети сформировано 5 узловых районов, распределение РАТС по узлам и планы нумерации показаны в таблице 1.1

Таблица 1.2 План нумерации ГТС

Транзитная станция

Оконечная станция

Тип оборудования

План нумерации

УВИС-1

РАТС-10

К

100000-109999


РАТС-11

К

110000-119999


РАТС-12

К

120000-129999


РАТС-13/14

Э

130000-143999


РАТС-15

К

150000-159999


РАТС-16

ДШ

160000-169999


РАТС-17

ДШ

170000-179999


РАТС-18

ДШ

180000-189999

УВИС-2

РАТС-21

Э

210000-219999


РАТС-22

Э

220000-229999


РАТС-23

Э

230000-239999


РАТС-24

Э

240000-249999

УВС-3

РАТС-30

К

300000-309999


РАТС-31

К

310000-319999


РАТС-32

ДШ

320000-329999


РАТС-33

К

330000-339999


РАТС-34

К

340000-349999


РАТС-35

ДШ

350000-359999


РАТС-36

ДШ

360000-369999


РАТС-37

ДШ

370000-379999

УВС-4

РАТС-40

К

400000-409999


РАТС-41

К

410000-419999


РАТС-42

ДШ

420000-429999


РАТС-43

К

430000-439999


РАТС-44

ДШ

440000-449999


РАТС-45

К

450000-459999


РАТС-46

ДШ

460000-469999


РАТС-47

ДШ

470000-479999


.1.2 Проектируемая АТС в связи с её географическим положением вписывается в шестой узловой район. В соответствии с перспективным планом развития сети, шестой узловой район будет полностью преобразован в цифровой путем замещения существующих станций на ЦСК. Транзитная станция УВИС6 уже реализована на оборудовании ЦСК EWSD и в дальнейшем будет работать для всех АТС узла в режиме двух сторонней связи (в режиме УВИС). В настоящем проекте двух сторонний режим работы УВИС6 предусмотрен только для проектируемой АТС-66/67/68 и УВИС3, а для остальных станций в режиме УВС.

Логическая топология ГТС показана на рисунке 1.1.

Рисунок 1.1 Логическая топология ГТС

1.2 Разработка схемы организации связи


.2.1 Структура и варианты межстанционных связей проектируемой РАТС показаны на рисунке 1.2 и 1.3.


Рисунок 1.2 Структура межстанционных связей

Варианты межстанционных связей:

) С РАТСК станцией своего узлового района;

) РАТСК станции своего района узлового района с проектируемой РАТС;

) С электронной станцией другого узлового района;

) Электронной станции другого узлового района с проектируемой РАТС;

) С РАТСДШ станций другого узлового района;

) РАТСДШ станции другого узлового района с проектируемой РАТС;

) С РАТСК станцией другого узлового района;

) РАТСК станцией другого узлового района с проектируемой РАТС;

) Проектируемая РАТС с АМТС;

) АМТС с проектируемой РАТС;

) Проектируемая РАТС с УСС.

Рисунок 1.3 Варианты межстанционных связей проектируемой РАТС

2. Структурная схема проектируемой РАСТ

.1 Технические характеристики системы

Цифровая система коммутации DX200 разработана компанией Nokia Telecommunication (Финляндия) и может применяться в качестве:

опорных станций городских телефонных сетей;

удаленных абонентских ступеней (концентраторов);

подстанций;

транзитных станций (узловых станций);

комбинированных (оперных и транзитных) телефонных станций;

междугородных телефонных станций;

узлов спецслужб.

В систему могут быть включены различные типы абонентских линий, а именно:

абонентов квартирного сектора;

отдельных абонентов предприятий и учреждений;

таксофонов местной связи;

таксофонов междугородной связи;

спаренных абонентов;

удаленных абонентов;

абонентов ЦСИО.

Достоинствами DX-200 являются:

- модульный принцип построения аппаратных и программных средств;

высокая надежность работы оборудования станции;

автоматизация процессов технической эксплуатации;

возможность анализа абонентского номера любой длины;

широкий набор дополнительных видов обслуживания;

возможность взаимодействия со всеми существующими типами систем коммутации;

возможность применения системы сигнализации ОКС№7;

использование выносного оборудования (концентраторов и подстанций).

Система имеет две модификации:

DX210 - для емкости до 3500 абонентов;

DX220 - система большой емкости до 40000 абонентов.

Основные технические характеристики системы DX200 представлены в таблице 2.1.

Таблица 2.1 - Технические характеристики системы DX200

Показатели

DX-210

DX-220

1. Количество абонентских линий

60-3500

500-40000

2. Количество цифровых соединительных линий

1-16

4-200

3. Обработка заявок/чнн (тыс. заявок)

12000

100000

4. Пропускная способность, Эрл

450

2500

5. Структура группового коммутационного поля (GSW)


Однозвенное поле типа «Time»

6. Структура коммутационного поля АИ (SSW)

Однозвенное поле типа «Time»

Однозвенное поле типа «Time»

7. Емкость одного временного коммутатора (число канальных интервалов)

1024

1024

8. Формат коммутируемых цифровых потоков

El

El

9.Структура коммутационного поля абонентского модуля (SUB)

El «Space-Time»

«Space-Time»

10. Максимальная емкость блока АИ (BSM)

3904

3904

11. Максимальная емкость абонентского модуля (SM)

64

64

12. Число абонентских комплектов на одной плате AM

16

16

13. Тип управляющей системы (УС)

Распределенная УС

14. Передача внутристанционной сигнализации

По общей шине, по ВСК, по разговорным каналам

15. Скорость передачи информации по ИКМ линиям (Мбит/сек)

2,048

16. Напряжение питания, В (первичное, вторичное)

60; 5,12

17. Электропитание дисплеев и принтеров, В

220

18. Максимальная удельная нагрузка (Эрл):


на 1 АЛ

0,15

на 1 СЛ

0,8

19. Параметры абонентских линий:


(-затухание на частоте 800 Гц, дБ

Не более 4,5

- сопротивление шлейфа, Ом

Не более 1900

- сопротивление изоляции, Ом

Не более 20 000

- межпроводная емкость, мкФ

Не более 0,5

20. Параметры соединительных линий:


- сопротивление одного провода, Ом

Не более 1500

- сопротивление изоляции, Ом

Не менее 150 000

- межпроводная емкость, мкФ

Не более 1,6

21. Эксплуатационный коэффициент ошибок

10-7

22. Переходное затухание между трактами, дБ

60

23. Затухание, вносимое станцией, дБ

Не более 0,2

24. Отклонение группового времени замедления, мкс

250-1500


DX-210

DX-220

25. Параметры номеронабирателя при декадном наборе:


- скорость импульсов набора, имп./с

7-13

- межсерийное время, мс

не менее 400

26. Кодирование номера при тональном наборе

Код DTMF


.2 Состав оборудования

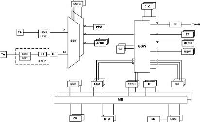
.2.1 Абонентское оборудование. Абонентские модули (SUB). Оборудование системы DX200 подразделяется на следующие виды (рисунок 1):

1)      абонентское оборудование, которое может включать в себя до 10 местных и удаленных блоков АИ;

)        групповое оборудование, представленное однозвенным коммутационным полем GSW;

)        генераторное оборудование, включающее в себя цифровые синхрогенераторы, а также цифровые генераторы вызывных и тональных сигналов;

4)      оборудование управления, включающее в себя управляющие устройства, распределенные по модулям и по функциям;

5)      станционные комплекты.

Абонентское оборудование - это совокупность блоков абонентскою искания (БАИ), включающих в себя:

- абонентские модули (SUB) и управляющие устройства абонентскими модулями (SSP);

удаленное абонентское оборудование (RSUB);

цифровое коммутационное поле блока АИ (SSW);

устройство управления блоком АИ (SSU).

Все абонентские линии (АЛ) объединяются в группы по 64 АЛ и включаются в SUB через абонентские комплекты.

Абонентские модули имеют параметры: 64 физических АЛ на входе и 1 ИКМ линия (32 временных канала) на выходе, т. е. осуществляется концентрация нагрузки 2:1.

Удельная нагрузка на одну АЛ не должна превышать 0,15 Эрл. Количество абонентских модулей в одном БАИ не превышает 64, но на стативах размещается только максимум 58. В модулях осуществляется пространственно-временная коммутация и преобразование аналогового сигнала в цифровой сигнал и обратное преобразование. Количество абонентских модулей зависит только от емкости системы коммутации.

Каждый модуль связан с цифровым коммутационным полем блока АИ (SSW) одной ИКМ линией. 16-й временной канал этой ИКМ линии обеспечивает связь между управляющими устройствами абонентских модулей (SSP) и устройством управления блоком АИ (SSU). Передача информации осуществляется способами «канал-канал» и «семафор форматом 10 байт.

Абонентские модули, предназначенные для включения обычных абонентов (квартирных, народнохозяйственных), комплектуются 4-мя платами SUB16 по 16 АК на каждой плате

Управляется абонентский модуль управляющим устройством абонентского модуля (SSP). К функциям управляющего устройства абонентского модуля относятся следующие функции:

- сканирование контрольных точек АК своего модуля;

прием адресной информации в декадном коде и передача её в устройство управления блоком АИ (SSU) по 16-му канальному интервалу;

подключение генератора вызывных сигналов RGU (25 Гц, 80 В) к абонентскому комплекту для выдачи абоненту сигнала «посылка вызова».

Рисунок 2.1 - Состав оборудования системы DX200

В системе DX-200 имеются также специализированные абонентские модули, предназначенные для включения абонентов с дополнительными функциями (это местные и междугородные таксофоны, кабины переговорных пунктов и др.).

Такие специализированные модули комплектуются 8-ю платами SUB8 по 8 АК на каждой плате.

К функциям таких специализированных модулей (SUB) относятся следующие функции:

- сканирование контрольных точек АК своего модуля; прием адресной информации в декадном коде и передача её в SSU по 16-му канальному интервалу;

переполюсовка проводов для кассации монеты (в местных таксофонах); повышение громкости звука; посылка тарифных импульсов.

Для подключения групп удаленных абонентов в системе DX-200 предусматриваются удаленные абонентские модули RSUB, которые подключаются к коммутационному полю SSW через общестанционные комплекты ЕТ.

2.2.2 Цифровое коммутационное поле (SSW). Абонентское оборудование состоит из блоков абонентского искания (БАИ). На станции может быть включено до 10 БАИ. Блок АИ (BSM) включает в себя цифровое коммутационное поле (SSW) и до 64 абонентских модулей (рисунок 2).

Каждый SUB включен в SSW одним цифровым потоком Е1. Суммарная емкость цифрового коммутационного поля АИ составляет 96 потоков формата Е1, из которых до 64 потоков может использоваться для связи с SUB.

Оставшиеся 32 потока ИКМ предназначены для выполнения следующих функций:

- для соединения с блоком GSW (от 2 до 21 потоков), т.е. используются для пропуска пользовательскою графика (конкретное количество ИКМ линий зависит от нагрузки и определи стся расчетом);

для связи с управляющим устройством БАИ (SSU), представляющим собой специализированную дублированную микро-ЭВМ;

- для связи со служебными комплектами AONU, блоками конференцсвязи CNFC, блоками контроля телефонов (PMU).

Рисунок 2.2 - Cтруктура блока АИ (BSM)

Блоки автоматического определения номера (AONU) используются при междугородной связи (при местной связи это оборудование используется при введении повременной оплаты).

Количество блоков AONU по рекомендациям изготовителя составляет 4 AONU на один блок АИ.

Количество CNFC зависит от нагрузки и определяется расчетом. Блоки контроля таксофонов (PMU) работают под управлением ОМС и выполняют следующие функции:

- измерение посторонних напряжений в АЛ;

измерение сопротивления шлейфа АЛ;

измерение сопротивления изоляции АЛ;

измерение межпроводной емкости АЛ.

Программное обеспечение БАИ имеет производительность, позволяющую обслуживать до 4096 АЛ, однако физически на стативах АИ можно разместить оборудование максимум для 3712 абонентских линий.

Цифровое коммутационное поле АИ (SSW) дублированное, осуществляет коммутацию типа «В» («Time») и может быть построено по двум вариантам:

1) полнодоступное цифровое коммутационное поле АИ предназначено для использования в качестве подстанции (рисунок 3). Оборудование подстанции относится к классу выносного оборудования и обеспечивает замыкание нагрузки, т.е. соединение между двумя абонентами, включенным в один БАИ, осуществляется без прохождения маршрута коммутации через ступень GSW;

Рисунок 2.3 - Полнодоступное цифровое коммутационное поле АИ

) неполнодоступное цифровое коммутационное поле АИ предназначено для использования в качестве местных оборудования или концентраторов (рисунок 4). Местное оборудование блоков АИ располагается на опорной АТС. Концентраторы относятся к классу выносного оборудования. Неполнодоступное поле не обеспечивает замыкания нагрузки, т.е. соединение между любыми абонентами осуществляется только через ступень GSW.

Рисунок 2.4 - Неполнодоступное цифровое коммутационное поле АИ

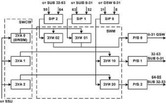
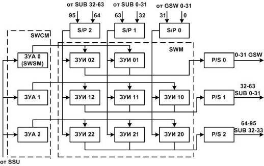
В состав цифрового коммутационного поля АИ (SSW) входят:

- модуль управляющей памяти SWCM, включающий в себя три массива адресных запоминающих устройств (ЗУА). Каждый массив ЗУА управляет одной «горизонталью» ЗУИ. Запись и считывание управляющей информации в ЗУА осуществляется с помощью SSU через блок тактирования (на схеме не показан);

модуль коммутации SWM, включающий в себя массивы информационных запоминающих устройств (ЗУИ);

s/p, p/s-преобразователи, осуществляющие переход от последовательного кода в параллельный и обратно, а также выполняющие функции модулей приема и передачи.

2.2.3 Цифровое коммутационное поле ступени ГИ (GSW). ЦКП GSW дублированное, построено по однозвенной полнодоступной схеме. Поле GSW может быть построено по трем вариантам, выбор которых определяется телефонной нагрузкой: GSW-128, GSW-192, GSW-256. Цифры означают максимальное количество потоков Е1 для каждого варианта построения поля. Структура поля GSW-128 представлена на рисунке 5.

Все потоки, включенные в GSW, разделены на группы по 32 потока в каждой группе. Пользовательская информация, поступающая по временным каналам, записывается одновременно в несколько массивов ЗУИ, а считывается только из одного массива ЗУИ под управлением адресной памяти ЗУА. Так как для каждого временного канала используется индивидуальная ячейка памяти ЗУИ, го количество ячеек памяти в одном массиве ЗУИ составляет 1024.

Для записи пользовательской информации в этих ячейках используется 8 разрядов. Массивы ЗУА также состоят из 1024 ячеек каждый. Разрядность этих ячеек зависит от структуры GSW. Для поля GSW-128 разрядность ячеек памяти составляет 12, из которых 2 разряда используются для выбора массива памяти ЗУИ, а 10 разрядов используются для выбора ячейки памяти ЗУИ.

Рисунок 2.5 - Структура GSW емкостью 128 Е1

Общие данные для различных вариантов построения поля приведены в таблице 2.

На ступени GSW осуществляются все виды соединений: внутристанционные, исходящие, входящие, транзитные. В коммутационное поле GSW включаются:

- внутристанционные ИКМ линии (от/к БАИ);

цифровые соединительные линии от/к других АТС;

ИКМ линии к станционным комплектам и управляющим устройствам (TG, RU, LSU, CCSU, PBRU, MFCU, ОМС, CLO).

Управление коммутационным полем ступени GSW осуществляет маркер М, содержащий всю информацию, необходимую для установления соединения.

Таблица 2.2 - Характеристики ступени GS W системы DX-200

Параметр

GSW-128

GSW-192

GSW-256

1. Максимальная емкость коммутационного поля (количество потоков Е1)

128

192

256

2. Количество групп по 32 потока в каждой

4

6

8

3. Количество временных каналов в одной группе

1024

1024

1024

4. Максимальная емкость коммутационного поля (временных каналов)

4096

6144

8192

5. Скорость передачи информации в цифровом потоке, Кбит/с

2048

2048

2048

6. Размерность массивов информационной памяти (количество ячеек/минимальная разрядность ячейки)

1024/8

1024/8

1024/8

7. Размерность массивов управляющей памяти (количество ячеек /минимальная разрядность ячейки)

1024/12

1024/1З

1024/1З


.2.4 Станционные комплекты. В состав системы DX200 входят несколько типов станционных комплектов.

Оконечный станционный комплект (ЕТ) - служит для подключения к станции соединительных линий от/к другим АТС. Особенностью системы является использование только одного типа комплекта соединительных линий -ЕТ.

В один ЕТ включается одна цифровая соединительная линия Е1. Комплект ЕТ служит интерфейсом соединительной линии, выполняющим функции:

- согласование электрических параметров соединительной линии с параметрами станции;

синхронизация сетевого потока Е1 с оборудованием станции;

преобразование линейного кода HDB3 в двоичный станционный и обратно.

Количество ЕТ зависит от величины межстанционной нагрузки и определяется расчетом.

Блоки многочастотных приемопередатчиков (MFCU) - предназначены для приема и преобразования многочастотных сигналов межстанционной сигнализации в цифровую форму и обратно; передача многочастотных сигналов на встречную АТС.

Одновременно MFCU может обработать сигнализацию для 16 соединений. Количество MFCU зависит от величины управляющей нагрузки. Каждый MFCU состоит из 16 приемников и 16 передатчиков.

MFCU использует многочастотную сигнализацию «2 из 6». Значения двухчастотных сигналов в прямом и обратном направлении приведены в учебной, технической и справочной литературе.

Каждый MFCU связан с КП GSW одним потоком Е1, в котором четные временные интервалы задействованы в направлении к ЕТ, а нечетные - в направлении RU. Приемо-передатчик MFCU занимается и подключается к RU и ЕТ только на время обмена сигнальной информацией между DX200 и встречной АТС. MFCU работает под управлением RU.

Блок приемников тонального набора (PBRU) -предназначен для приема адресной информации от телефонного аппарата с частотным набором кодом «2 из 6».

Количество PBRU зависит от нагрузки, создаваемой абонентом при наборе номера. Один блок PBRU может обрабатывать сигнализацию для 16 соединений. Задача PBRU - распознать поступающую цифру номера и передать её в RU. Два PBRU подключаются к GSW одной цифровой линией.

PBRU подключается к абонентской линии на время набора номера и установления соединений. Каждый приемник на время работы подключается через GSW одним временным каналом к абонентской линии и одним временным каналом - к блоку RU.

Блоки автоматического определения номера (AONU) выполняют следующие функции:

прием запроса на определение номера в виде сигнала тональной частоты 500 Гц;

передача номера вызывающего абонента кодом. «2 из 6». Оборудование AONU используется при связи с АМТС, при реализации услуги АОН, при поразговорной оплате на сети. Блок соединяется с SSW двумя потоками Е1.

Один поток используется для передачи данных между AONU и ОМС. Второй поток используется для передачи частотных сигналов АОН.

Блок конференцсвязи (CNFU) предназначен для одновременной связи нескольких (от 3 до 12) абонентов.

Генератор тональных сигналов (TG) в цифровом виде формирует 16 тональных сигналов. Уровни этих сигналов, частота и периодичность посылок могут изменяться путем перепрограммирования полупостоянного ЗУ генератора.

Для повышения надежность TG дублирован. TG подключается к GSW ИКМ линией номер 0, в которой используются только 16 временных каналов (ВИ0-ВИ15). По временным каналам 0 и 15 информация передается внутри станции.

Например, если любой канал скоммутирован на ИКМ линию 0, ВИ 0, то таким образом этот канал отмечен свободным. Каналы 1, 12 и 14 используются для выдачи на встречную АТС аварийной сигнализации. Информация об использовании каналов в оборудовании TG приведена в таблице 2.3.

Таблица 2.3 - Использование временных интервалов нулевого потока Е1

Номер временного интервала

Обозначение сигнала или кодовая комбинация

Дополнительная информация

0

01010100

Канал свободен

1

00010101


2

«Ответ станции»

425 Гц, непрерывный

3

Сигнал «Занято»

425 Гц, 0,3с

4

Указатель сигнала

F=950, 1400, 1800 Гц

6

«Контроль посылки вызова»

425 Гц, первичная посылка

7

«Контроль посылки вызова»

425 Гц, 1с:4с, периодичная посылка

8

Вмешательство телефонистки

425 Гц

9

Предупреждение об окончании периода оплаты

1400 Гц

10

Уведомление о поступлении нового вызова

425 Гц

11

Занято при перегрузке

425 Гц

12

00100000


13

Тональный вызов

432 Гц, непрерывный сигнал

14

Тональный вызов

F 432, 561, 648, периодичные сигналы

15

Тестовый сигнал тастатурного набора

Цифры I, 0, 5, 0, 9, 0,13, 0, 1, 0 и т.д.


.2.5 Управляющие устройства. В системе DX200 применено распределенное управление. Все управляющие устройства - это специализированные микро-ЭВМ, связанные между собой общестанционными шинами.

Качество обработки вызовов зависит от количества и производительности микро-ЭВМ, соединённых в сеть. Пропускная способность управляющих устройств DX-200 составляет 100 тыс.заявок/ЧНН, что соответствует 2500 Эрл со средним временем занятия 90 сек.

В состав системы управления DX200 входят следующие управляющие устройства: SSP, SSU, CCSU, LSU, RU, M, CM, STU, ОМС, MB.

Управляющее устройство блока абонентского искания (SSU) предназначено для управления работой SSW, комплектов AONU и CNFC, а также согласования абонентской сигнализации с внутристанционной.

SSU выполняет следующие функции:

обработка абонентской сигнализации, т.е. накапливание информации, принятой в декадном коде. Сканирование контрольных точек в абонентском комплекте (АК) осуществляет SSP, а анализирует принятую информацию, распознает цифры номера и накапливает цифры SSU;

проверка полноты и правильности принятого номера. За каждым обслуживаемым абонентом в памяти SSU закрепляется область памяти, называемая регистром вызова (РВ). Таких РВ в составе SSU предусмотрено 480 - это означает максимальное число одновременно обслуживаемых вызовов в одном БАИ;

управление процессом установления соединений в БАИ, т.е. поиск и коммутация временных каналов в пределах БАИ, закрепление найденных временных интервалов (В И) за абонентским комплектом на время пользования связью;

управление блоками SUB и контроль за работой SUB по 16ВИ;

обмен сообщениями с блоками RU и центральным запоминающим устройством СМ;

учет стоимости разговоров, управление переполюсовкой проводов;

управление блоками автоматического определения номера AONU;

функции РОБОТа (измерительно-испытательное устройство для обычных АЛ, работающее под управлением ОМС). Обеспечивает измерение тех же параметров, что и PMU.

Количество SSU не зависит от нагрузки и составляет 1+1 дублированный SSU на каждый блок АИ.

Управляющее устройство абонентского модуля (SSP), работающее под управлением SSU. Обмен информацией между SSP и SSU осуществляется по 16 ВИ со скоростью 64 Кбит/с. SSP выполняет примитивные, часто повторяющиеся функции относительно управляемого модуля. К этим функциям относятся быстрое и медленное сканирование абонентских комплектов и передача результатов сканирования в SSU. Кроме того, SSP выполняет команды SSU по включению и выключению соединительных путей для разговора и тестирования внутри абонентского модуля.

Блок обработки линейной сигнализации (LSU) - предназначен для обработки линейной сигнализации способом 2ВСК, поступающая по 16-му временному каналу, а так же осуществляется прием и передача абонентского номера в декадном коде при межстанционной связи. Один блок LSU обрабатывает сигнализацию от 16 потоков Е1.

Количество LSU зависит от нагрузки, поступающей на соединительные линии. LSU обеспечивает прием и расшифровку сигнальной информации, поступающей по 16-му ВИ, а так же формирование и передачу в 16-й ВИ цифровых соединительных линий управляющих и линейных сигналов. LSU принимает и передает декадный набор в соответствии с параметрами дискового номеронабирателя.

Блок общего канала сигнализации (CCSU) - предназначен для обработки сигнальной информации, передаваемой по ОКС7. CCSU осуществляет прием и передачу сигнальных сообщений, а так же контроль ошибок в сигнальных звеньях. CCSU подключен к GSW одним потоком Е1. Количество CCSU определяется числом звеньев ОКС7.

Блок регистров (RU) - осуществляет обработку вызовов. В RU номер поступает после распознавания из SSU или из PBRU (от абонентов своей станции); из MFCU или LSU (от абонентов других станций).

Блок регистров выполняет следующие функции:

производит анализ номера;

выбор направления соединения;

управляет обменом управляющей информацией;

контролирует процесс установления соединения;

выдает команды в маркер (М) на проключение разговорного тракта;

управляет выдачей и отключением тональных сигналов, MFCU, PBRU.

В одном RU содержится 16 пар регистров. Одна пара состоит из RU1 и RU2. RU подключается к коммутационному полю GSW одним потоком Е1, в котором каждому регистру соответствует 1 ВИ. Количество RU зависит от величины поступающей на них нагрузки.

Маркер (М) - осуществляет коммутацию и разъединение соединительных путей в коммутационном поле GSW. аркер выполняет следующие функции:

выявляет состояние временных интервалов (свободен/занят) и записывает эти состояния в банк данных;

осуществляет поиск каналов в заданном направлении;

осуществляет обмен сообщениями с GSW;

выбирает маршрут установления соединений через GSW.

Количество маркеров не зависит от нагрузки и составляет 1-5-1 резервный. В памяти маркера хранится информация о полупостоянных соединениях, не изменяющихся при эксплуатации АТС (например, коммутация 16 ВИ от ЦСЛ в сторону LSU).

Блок центрального запоминающего устройства (СМ) - представляет собой базу данных всей станции DX-200.

СМ - это оперативное ЗУ и специализированная микро-ЭВМ, управляющая ОЗУ. Данные в СМ хранятся в виде файлов с жестко заданной структурой.

При установлении соединения все микро-ЭВМ систематически обращаются в СМ по общестанционным шинам.

В центральной памяти СМ хранятся дубликаты файлов других микро-ЭВМ, которые используются при их перезапуске. Объем памяти ЦЗУ достигает 2 Мбайт. Количество СМ не зависит от нагрузки и для надежности дублировано. В СМ хранятся массивы данных, сгруппированные по различным признакам и представленные виде файлов.

В файлы ОЗУ записаны:

- абонентские характеристики;

информация о направлениях связи (номера направления, количество линий, закрепление за ними ЕТ, сигнализация в направлении, количество цифр для передачи или приема и др.);

конфигурация АТС (сколько блоков, сколько потоков ИКМ, что и куда включено и др.);

конфигурация телефонной сети;

данные технической эксплуатации;

программы обработки вызовов.

С помощью микро-ЭВМ СМ можно считывать и изменять данные из ОЗУ по заявкам других управляющих устройств или оператора.

Блок статистики (STU) - обеспечивает сбор и хранение данных по учету стоимости разговора и учету нагрузки; содержит данные о аварийных ситуациях и причинах их появления, времени устранения аварий. STU содержит информацию о качестве обслуживания вызовов: количество состоявшихся разговоров, количество несостоявшихся разговоров, количество несостоявшихся разговоров с распределением о причине отказов. осуществляет контроль средней длительности разговоров по каналам ИКМ линий; контроль количества отказов с указанием отказавших устройств; контроль за состоянием нагрузки на АТС; управление счетчиками ошибок и эксплуатационными счетчиками. 1 раз в сутки из STU информация перекачивается на внешний накопитель. Емкость НМЛ составляет до 40 Мбайт. Количество STU не зависит от нагрузки и составляет 1+1 резервный.

Специализированная ЭВМ технической эксплуатации (ОМС) - обеспечивает связь между оператором и оборудованием DX200, контроль работоспособности оборудования.

Вся аварийная сигнализация поступает на ОМС, там перерабатывается и выводится на дисплей в понятной оператору форме. Через ОМС оператор может изменить содержимое СМ, вручную осуществлять перезапуск управляющих устройств и запускать диагностические программы. ОМС - это специализированная микро-ЭВМ, которая отличается от других управляющих устройств тем, что к ней подключаются устройства ввода/вывода. ОМС подключается к коммутационному полю GSW с помощью нескольких потоков Е1.

Функции ОМС:

- управление абонентскими данными;

изменение данных в файлах СМ;

испытания (тестовые проверки);

изменения нагрузки;

сбор аварийной сигнализации и вывод аварийной информации на экран дисплея, на принтер или на сигнальные лампы;

запуск программ диагностики неисправностей;

автоматическая перезагрузка файлов СМ (т. е. восстановление потерянной по каким-либо причинам информации);

контроль состояния цифровых соединительных линий;

управление устройствами общения с персоналом (дисплеями и принтерами);

управление конфигурацией системы;

контроль за состоянием окружающей сети и информирование об этом

обслуживающего персонала;

контроль параметров импульсов набора номера;

обеспечение ручных работ оператора на АТС;

общение со всеми другими управляющими устройствами на АТС.

Общестанционные шины сообщений (MB), по которым осуществляется передача сигналов со скоростью 2 Мбит/сек.

Длина сигнальных сообщений может быть разная и указывается в начальном байте сигнального сообщения. Кроме того, в сообщении указывается отправитель и получатель сообщения.

В состав шинного оборудования входит микро-ЭВМ, которая вводит сообщение в промежуточное устройство сопряжения и дает директиву передачи сообщения. После окончания передачи промежуточное устройство сопряжения информирует микро-ЭВМ о том, удалась ли передача и сопровождалась ли она ошибками, т.е. на этом этапе осуществляется контроль правильности функционирования управляющих устройств.

Коммутатор сообщений (MSW) - используется для передач аварийных сообщений от АТС в единый центр технической эксплуатации.

3. Расчет интенсивностей телефонных нагрузок

3.1 Расчет исходящей нагрузки от блоков АИ (BSW)


.1.1 Рассчитываем возникающую удельную абонентскую нагрузку, используя заданные параметры нагрузки.

Расчет интенсивности нагрузки, поступающей по линии абонента категории i, рассчитывается по формуле (3.1):

, (3.1)

 Эрл

Эрл

Эрл

где ai - коэффициент, учитывающий увеличение нагрузки из-за наличия вызовов, не закончившихся разговором по причине занятости, не ответа абонента, ошибок в наборе номера; значение ai определяется в зависимости от продолжительности разговора;

Ci - среднее количество вызовов в ЧНН;

tpi - время занятия линии при состоявшемся разговоре, ч;

Kp - доля состоявшихся разговоров.

Квартирный сектор: aкв.с. = 1,16 при Ткв.с. = 140; Cкв.с. = 1,2; Kp = 0,5;

Н/х сектор: aнх.с. = 1,23 при Тнх.с. = 85; Cнх.с. = 3,2; Kp = 0,5;

Таксофон: aт. = 1,185 при Тт. = 110; Cт. = 10; Kp = 0,5;

Время занятия линии при состоявшемся разговоре определяется из выражения:

, (3.2)

где tco - время слушания сигнала «Ответ станции», 3с;

n - число набираемых знаков номера;

tн - время набора одного знака, для дискового номеронабирателя tн = 1,5 с, для частотного номеронабирателя tн = 0,8 с,; для упрощения расчетов берется tн = 1,5 с, т.е. учитывается максимальное время занятия линии при наборе номера;

tу - время установления соединения, зависящее от вида связи, способов передачи информации; можно взять tу = 2с;

tпв - время слушания сигнала «Посылка вызова», 7с;

Ti - средняя продолжительность разговора, с.

Рассчитываем tpi для каждой категории абонентов:

а) квартирный сектор

tpк = 3+61,5+2+7+140 = 161 с

б) народнохозяйственный сектор

tpнх = 3+61,5+2+7+85 = 111 с

в) таксофон

tpт = 3+61,5+2+7+110 = 131 с

.1.2 Рассчитываем исходящую местную нагрузку от одного блока ступени АИ:

, (3.3)

где N¢к, N¢нх, т - количество абонентов квартирного, народнохозяйственного секторов и таксофонов в одном блоке абонентского искания (АИ).

, (3.4)

, (3.5)

где 3456 - общее число абонентских линий, включаемых в один блок АИ через неспециализированные SUB;

рк, рнх - доли абонентов квартирного и народнохозяйственного секторов.

т = Nт/SBSW = 576;

к = 34560,72=2484;

нх = 34560,28=968;

А¢исх= 0,0312484+0,06968+0,21256 = 189 Эрл

Общая исходящая местная нагрузка:

, (3.6)

где SBSW - количество блоков BSW.

Для определения количества BSW необходимо знать общее число линий, подключаемых к ступени АИ:

, (3.7)

где  - заданная емкость АТС,

- количество таксофонов, тогда

N = 14000+256=14256

В данном проекте выбирается вариант равномерного распределения линий таксофонов по BSW, т.е. все BSW будут иметь специализированные абонентские модули. Тогда количество BSW:

, (3.8)

где 3712 - максимальное число линий, включаемых в один BSW;

SBSW = 14256/3712 = 4;

 = 1894=756 Эрл

3.1.3 Рассчитываем исходящую междугородную нагрузку от одного BSW:

, (3.9)

где азсл - удельная абонентская исходящая нагрузка на заказно-соединительные линии, азсл = 0,0023;

- общее число абонентских линий в одном BSW, имеющих доступ к заказно-соединительным линиям;

,05 - коэффициент, учитывающий наличие АОН на РАТС.

А¢мг = 0,0023  3456  1,05 = 8,34 Эрл

Общая исходящая междугородная нагрузка:

, (3.10)

Амг = 8,344=33,36 Эрл

3.2 Распределение потоков сообщений

.2.1 Нагрузка на входе ступени ГИ (GSW):

, (3.11)

 = 756+33,36=789,36 Эрл

В поле GSW нагрузка распределяется между направлениями в соответствии со структурной схемой ГТС:

) направление к АМТС

Азсл = Амг = 81 Эрл

) направление к УСС

, (3.12)

где 0,03 - доля нагрузки к УСС;

Аусс = 0,03756=22,68 Эрл

) направления местной связи.

.2.2 При определении нагрузки, подлежащей распределению по направлениям местной связи, необходимо учитывать потери нагрузки, возникающие из-за задержек в установлении соединения при приеме номера:

, (3.12)

где Dti - время задержки из-за приема номера;

tсо - время слушания сигнала «Ответ станции», 3с;

n¢ - количество знаков, после приема которых занимается канал направления связи;

tн - время набора одного знака.

Т.к. ГТС аналого-цифровая, среднее время задержки может быть определено из выражения:

, (3.13)

где DtДШ, DtКЭ - время задержки при установлении соединения соответственно к РАТС-ДШ, к РАТСК и РАТСЭ;

NДШ, NК, NЭ - суммарные емкости соответственно декадно-шаговых, координатных и электронных РАТС (вместе с проектируемой);

N - емкость ГТС (вместе с проектируемой РАТС).

DtДШ = 3 + 2  1,5 = 6 с

DtКЭ = 3 + 6  1,5 = 12 с

NДШ = 11000

NК = 120000

NЭ = 54000

N = 284000

Dt =  = 9,67 с

Интенсивность нагрузки, подлежащей распределению по направлениям:

, (3.14)

где tвх - время занятия входа GSW.

, (3.15)

где Nк, Nнх, NТ - количество абонентов квартирного, народно-хозяйственного секторов и таксофонов на проектируемой РАТС;

Ск, Снх, СТ - среднее количество вызовов от одного абонента квартирного, народнохозяйственного секторов и таксофона.

tвх =  = 328,2 с

АGSW =  = 766,1 Эрл

Нагрузка АGSW распределяется между направлениями

1) внутренней связи

, (3.16)

где рвн - доля внутреннего сообщения;

Авн = 766,10,205=157 Эрл

2) исходящей связи

, (3.17)

Аисх = 766,1-161,81=604,29 Эрл

, (3.16)

где рi - доля исходящей нагрузки к одной РАТС.

= 604,290,037=22,35 Эрл,

Распределение исходящей нагрузки по проектируемым направлениям связи производится в соответствии со структурной схемой ГТС.

3.3 Расчет входящей нагрузки


.3.1 При учебном проектировании считаем, что входящая местная нагрузка равна исходящей:

, (3.17)

где  - входящая нагрузка одного направления, ;

n - количество направлений входящей связи в соответствии со структурой ГТС.

, (3.18)

Авх = 22,357 = 156,45 Эрл

Общая нагрузка на направление связи с ОПТСj:

, (3.19)

 = 156,452=312,9 Эрл

3.3.2 Входящая междугородная нагрузка:

, (3.20)

где аслм - нагрузка на СЛМ для одного абонента, равная 0,0019;

NРАТС - емкость проектируемой РАТС.

Аслм = 0,001914000 = 26,6 Эрл,

.3.3 Входящая нагрузка на один BSW:

, (3.21)

А¢вх = , Эрл

Общая нагрузка на один BSW:

, (3.22)

А¢о = 289+197+8,34=494,34 Эрл

.3.4 Необходимо произвести проверочный расчет нагрузки на одну абонентскую линию. Удельная нагрузка абонентской линии не должна превышать 0,15 Эрл.

, (3.23)

где yТ × N¢Т - нагрузка от таксофонов на один BSW;

Y = (494,34 - 0,21256)/3456 = 0,12 Эрл

Y < 0,15 Эрл, значит блоки абонентского искания BSW укомплектованы правильно. Если Y > 0.15, то необходимо было бы уменьшить число абонентских линий в модулях SUB (с 64 до 56, 48, 40, 32), что привело бы к увеличению числа SUB, а, следовательно, и BSW.

3.4 Расчет нагрузки на регистры


.4.1 Нагрузку на приемники частотного набора (PBRU) можно определить, зная долю телефонных аппаратов с частотным набором. Условно можно ее принять, равной 0,5. Тогда

, (3.24)

где tвх - определено по формуле (3.11);

tm - время занятия PBRU при приеме адресной информации.

tm =  = 6,8, с,

где 0,8 - время набора одного знака при частотном способе передачи адресной информации с телефонного аппарата, с;

- количество знаков, набираемое при местной связи;

- количество знаков, набираемое при междугородной связи.

АPBRU = 0,5  (756+33,36)   = 8,17 Эрл,

3.4.2 Рассчитываем нагрузку, поступающую на регистры (RU) при исходящей связи:

, (3.25)

где - местная исходящая нагрузка, определена в п.3.1.2 (формула 3.5);

Аусс - нагрузка к УСС, определена в п.3.2.1;

Амг - исходящая нагрузка к АМТС, определена в п.3.1.3 (формула 3.6);

t1 - среднее время занятия регистра при исходящей связи (15с для телефонных аппаратов с декадным набором и 11,6с для телефонных аппаратов с частотным набором);

t3 - среднее время занятия регистра при исходящей междугородной связи (28,5с для телефонных аппаратов с декадным набором и 21,8с для телефонных аппаратов с частотным набором);

tвх - время занятия входа GSW при исходящей связи, определено в п.3.2.2 (формула 3.11);

- среднее время занятия ЗСЛ при исходящей междугородной связи, с.

Для упрощения расчетов возьмём максимальные значения t1, t2, t3.

 = 32,15 Эрл,

.4.3 Рассчитываем нагрузку на регистры RU при входящей связи:

, (3.26)

 = 6,3 Эрл

где - входящая нагрузка от РАТС-ДШ своего узла, рассчитана в п. 3.3.1;

- входящая нагрузка от РАТСК своего узла, рассчитана в п. 3.3.1;

t4 - среднее время занятия регистра при связи от РАТС-ДШ (10с);

t5 - среднее время занятия регистра при связи от РАТСК при сигнализации многочастотным кодом (2,9с);

- среднее время занятия канала входящего тракта, с.

При входящей связи не учитывается нагрузка от ОПТСj, АМТС, т.к. на этих направлениях используется ОКС№7.

3.4.4 Суммарная нагрузка, поступающая на регистры:

, (3.27)

где входящая сигнальная нагрузка по направлениям ОКС№7 составляет 2% от входящей нагрузки данных направлений (п.3.3.1, ):

, (3.28)

 = 0,2312,92,9/72=2,52 Эрл,

Тогда:

 Эрл

 

.5 Расчет нагрузки на блоки многочастотной сигнализации (MFCU)


.5.1 При исходящей связи MFCU занимаются перед посылкой сигнала «Занятие» по исходящей линии:

, (3.29)

 = 0,68 Эрл

где  - исходящая нагрузка по направлениям с сигнализацией многочастотным кодом ( к РАТСК своего района), определена в п.3.2.2;

t6 - время занятия MFCU при связи с РАТСК, зависит от количества передаваемых цифр, равное 1,8 с.;

- среднее время занятия канала цифрового тракта, с.

.5.2 Аналогично рассчитывается нагрузка на MFCU при входящей связи:

, (3.30)

 = 5,65 Эрл

где  - входящая нагрузка по направлениям с сигнализацией многочастотным кодом, определена в п.3.3.1;

t7 - время занятия MFCU при связи с РАТСК, зависит от количества принимаемых цифр, равное 2,2 с.

.5.3 Суммарная нагрузка на MFCU:

, (3.31)

 Эрл

 

3.6 Расчет нагрузки на блоки автоматического определения номера (AONU)


.6.1 Блоки AONU применяются при исходящей местной связи и связи с АМТС, при связи с УСС

.6.2 Интенсивность нагрузки, поступающей на AONU:

, (3.32)

АAONU = 0,25  604,29 + 0,34 22,68 + 0,47  33,36 = 174,37 Эрл

где 0,25, 0,34, 0,47 - коэффициенты, учитывающие время занятия блоков AONU при среднем соотношении числа вызовов, закончившихся разговором и вызовов при несостоявшихся разговорах (по причине занятости, отсутствия абонента или ошибок в наборе номера).

4. Расчет объема оборудования


4.1 Переход от средней нагрузки к расчетной


.1.1 Для учета колебаний нагрузок в течении ЧНН необходимо пересчитать полученные значения средних нагрузок в расчетные, на основании которых будет определен объем оборудования:

, (4.1)

где Аi - значение средней нагрузки;

,6742 - аргумент функции Лапласа.

4.1.2 Результаты пересчета средних нагрузок в расчетные сводим в таблицу (таблица 4.1).

Таблица 4.1 - Результат пересчета нагрузок Эрланги

Обозначение нагрузки

Среднее значение нагрузки

Расчетное значение нагрузки

Аусс Азсл Аслм

АОПТСj

А¢о

АRU

AMFSU

AAONU22,68

,36

,6

,35

,9

,35

,34

,33

,37

,1725,90

,25

,54

,80

,54

,33

,3

,27

10




4.2 Расчет основного оборудования


4.2.1 Рассчитываем число каналов на участке BSW - GSW с помощью 1-ой формулы Эрланга при норме потерь 0,001 в зависимости от расчетной нагрузки А¢ро.

Число потоков Е1 на участке BSW - GSW:

, (4.2)

 = 35,

где Vк - число каналов на участке BSW - GSW;

- число разговорных каналов в потоке Е1.

Общее число потоков Е1 на участке BSW - GSW:

, (4.3)

=140

где SBSW -число блоков абонентского искания.

.2.2 Расчет числа трактов ИКМ для внешней связи сведем в таблицу (таблица 4.2).

Таблица 4.2 − Количество ИКМ - трактов для внешней связи

Направление

Потери

Расчетная нагрузка, Эрл

Кол. каналов

Кол. трактов ИКМ

УСС к АМТС к РАТСК10 к РАТСК11 к РАТСК12 к РАТСК15 к РАТСДШ16  к РАТСДШ17 к РАТСДШ18 от РАТСК10 от РАТСК11 от РАТСК12 от РАТСК15 от РАТСДШ16 от РАТСДШ17 от РАТСДШ18 ОПТС

0,001 0,001 0,005 0,005 0,005 0,005 0,005 0,005 0,005 0,005 0,005 0,005 0,005 0,005 0,005 0,005 0,005

25,90 37,25 25,54 25,54 25,54 25,54 25,54 25,54 25,54 25,54 25,54 25,54 25,54 25,54 25,54 25,54 324,8

40 55 39 39 39 39 39 39 39 39 39 39 39 39 39 39 428

2 2 2 2 2 2 2 2 2 2 2 2 2 2 2 2 15


Всего Nикм2

47


Число каналов в направлениях от проектируемой РАТС к существующим РАТС своего узлового района, к УСС, между проектируемой РАТС и АМТС, ОПТС определяется в зависимости от нормы потерь и величин расчетных нагрузок. Для направлений с применением ОКС№7 (АМТС, ОПТС) значения исходящих и входящих нагрузок суммируются, число каналов и потоков Е1 определяется для суммарной величины нагрузки направления.

Расчет числа каналов в направлениях от существующих РАТСК своего узлового района производится методом эффективной доступности. Для упрощения расчетов задаем значение эффективной доступности Дэ = 20. Число каналов рассчитывается по формуле О¢Делла:

, (4.4)

где a, b - коэффициенты, равные 1,30 и 5,6 соответственно.

Количество каналов в направлениях от существующих РАТС-ДШ своего узлового района определяется по таблице 3.5, [2].

Число трактов ИКМ по каждому направлению связи определяется из выражения:

, (4.5)

где Vк - число каналов направления i.

Общее число трактов ИКМ внешней связи:

, (4.6)

где n - число направлений.

Каждый тракт ИКМ включается в оконечный станционный комплект ЕТ, поэтому количество ЕТ равно числу трактов ИКМ внешней связи:

 = = 47

.2.3 Расчет числа регистров RU производится по 1-ой формуле Эрланга при потерях 0,005, в зависимости от величины расчетной нагрузки (таблица 4.1): 89 регистров RU.

.2.4 При обслуживании вызовов по системе с ожиданием расчет числа MFCU, PBRU производится по 2-ой формуле Эрланга при потерях 0,001, в зависимости от значений расчетных нагрузок (таблица 3.1).

Для определения количества MFCU, PBRU необходимо знать соотношение t / tm, где t - допустимое время ожидания (1с), tm - среднее время занятия приборов.

Для MFCU:

, (4.7)

где t6, t7 - время занятия MFCU при разных видах связи (п.3.5).

tm = 2,4 с.

t / tm = 1/2,4 = 0,23 с.

NMFSU =24

Для PBRU

Нагрузка на PBRU определена в п.4.2.1.

Время занятия PBRU при наборе номера:

tm =  = 6,8 с,

где 0,8 - время набора одного знака при частотном способе передачи адресной информации с телефонного аппарата, с;

- количество знаков, набираемое при местной связи;

- количество знаков, набираемое при междугородной связи.

t / tm = 1/6,8 = 0,15 с.

NPBRU =28

.2.5 Расчет комплектов линейной сигнализации производится в зависимости от числа потоков Е1 на ступени GSW, к которым должны подключаться LSU. Каждый прибор LSU обслуживает один сигнальный канал. Линейная сигнализация применяется во всех направлениях, кроме направлений с ОКС№7.

, (4.8)

NLSU =  = 36

где Nкi - число трактов ИКМ в направлениях без ОКС№7 (таблица 4.2);

n - число направлений без ОКС№7.

.2.6 Количество блоков RU, MFCU, PBRU, AONU, LSU определяется, исходя из комплектации этих блоков: каждый блок содержит 16 или 32 прибора.

Блок MFCU содержит 16 приемопередатчиков:

, (4.9)

 = 3

Блок LSU содержит 16 комплектов линейной сигнализации:

, (4.10)

 = 3

Блок PBRU содержит 16 приемников тонального набора:

, (4.11)

 = 3

4.2.7 Количество блоков AONU определяется по числу блоков ступени абонентского искания BSM, т.к. в комплектации каждого блока BSM предусмотрено одно рабочее место для размещения кассеты с блоком AONU. Блок AONU содержит 32 комплекта, блоки AONU не резервируются:

 = NBSW = 9

.2.8 Число блоков CCSU определяется в зависимости от количества звеньев сигнализации ОКС№7, один блок CCSU обслуживает до 16 звеньев сигнализации.

Число звеньев сигнализации:

, (4.12)

 = 2

где 1,05 - коэффициент, учитывающий затраты на эксплуатационно-техническое обслуживание процессора;

Мi - число сообщений в секунду, передаваемых в направлении;

- максимальное число сообщений, которое может быть передано по звену сигнализации в секунду.

, (4.13)

где  - расчетная нагрузка направления с ОКС (таблица 3.1);

- среднее время удержания разговорного канала (120с);

- среднее число сообщений, передаваемых в обоих направлениях, при обслуживании одного соединения.

 = 71

, (4.14)

 = 2

.2.9 Количество линий для ОМС определяется с учетом общего числа потоков Е1:

, (4.15)

 = 8

где - число потоков, подключаемых к полю GSW.

 (4.16)

где NTG - число трактов для подключения генераторов тональных сигналов, генератор тональных сигналов (TG) подключается к полю GSW одной ИКМ-линией, для надежности TG дублирован;

NCLO - число трактов для подключения тактовых генераторов, блок тактовой синхронизации (CLO) подключается к полю GSW одной ИКМ-линией, для надежности CLO дублирован;

= 73+77+2+2+3+3+24+9=193

4.2.10 Емкость поля GSW:

, (4.17)

VGSM = 193+8+1=202

Число блоков поля GSW:

, (4.18)

NGSW =  = 1,

где 256 - количество трактов ИКМ, включаемых в один блок поля GSW.

5. Комплектация и размещение оборудования

.1 Требования к размещению оборудования

Оборудование монтируется на стативах с габаритами: высота - 2,6м (для нестандартных помещений при небольшой емкости АТС - 2,2м), ширина - 600 мм, глубина - 225 или 450мм.

Высота автозала должна быть такой, чтобы над стативами оставалось свободное пространство не менее 0,5м. Расстояние между рядами должно быть не менее 2м для свободного перемещения между ними служебного терминала.

В одном стативном ряду размещается не более 7 стативов. Пример размещения оборудования DX200 в автозале показан на рисунке 5.1.

Рисунок 5.1 - Пример размещения оборудования DX200

Общая площадь автозала определяется, исходя из потребляемой мощности коммутационным оборудованием и выбранного способа вентиляции. При механической вентиляции с использованием охлажденного приточного воздуха допустимая удельная потребляемая мощность составляет 200Вт/м2, а при отсутствии охлаждения воздуха - 100 Вт/м2.

Для приблизительной оценки потребляемой мощности можно использовать выражение:

, (5.1)

где N - емкость АТС,

М - число цифровых соединительных линий (трактов ИКМ).

Основной конструктивной единицей являются двухсторонние печатные платы (ТЭЗ - типовые элементы замены). Платы размещаются и монтируются при помощи разъемов в одинарных и сдвоенных кассетах.

На стативе размещается 7 - 9 одинарных кассет. Кассеты могут размещаться в стативах произвольно, но с целью исключения нерациональных решений при прокладке кабелей определены стандартные планы установки кассет.

На каждом стативе в нижней части располагается вторичный источник питания (ВИП). Тип ВИП зависит от типа статива. Вторичные источники питания представляют собой преобразователи постоянного напряжения 60В или 48В в выходные напряжения ±5В, ±12В и ±24В.

.2 Комплектация блока ступени абонентского искания (BSМ)

Каждый блок ступени абонентского искания (BSМ) размещается на пяти стативах, устанавливаемых в отдельном ряду (секции). Количество рядов равно количеству блоков АИ. Один BSМ содержит статив обработки абонентской сигнализации и коммутации (SSE) и до четырех стативов абонентских комплектов (SE).

Похожие работы на - Проект оконечной ОС на базе системы DX200

 

Не нашли материал для своей работы?
Поможем написать уникальную работу
Без плагиата!
Без нейросетей!