Підключення люмінесцентних ламп за допомогою електронного пускача
1. Опис і будова
Люмінесцентна лампа - газорозрядне джерело світла, світловий
потік якого визначається в основному світінням люмінофорів під впливом
ультрафіолетового випромінювання розряду, видиме світіння розряду не перевищує
декількох відсотків.
люмінесцентний лампа маркування
Мал. 1. Види люмінесцентних ламп.
Люмінесцентні лампи широко застосовуються для загального
освітлення, при цьому їх світлова віддача в кілька разів більше, ніж у ламп
розжарювання того ж призначення. Термін служби люмінесцентних ламп може в 10
разів перевищувати термін служби ламп розжарювання за умови забезпечення
достатньої якості електроживлення, баласту та дотримання обмежень до числу
комутацій, у противному випадку швидко виходять з ладу. Найбільш розповсюдженим
різновидом подібних джерел є ртутна люмінесцентна лампа. Вона являє собою
скляну трубку, заповнену парами ртуті, з нанесеним на внутрішню поверхню шаром
люмінофора.
Найбільш поширені газорозрядні ртутні лампи високого і
низького тиску. Лампи високого тиску застосовують в основному у вуличному
освітленні і в освітлювальних установках великої потужності,
в той час як лампи низького тиску застосовують для освітлення житлових і
виробничих приміщень.
Люмінесцентні лампи сьогодні по праву вважаються одними із
самих надійних, довговічних і економічно-вигідних видів ламп. До інших її
переваг відносяться невисока температура нагріву під час експлуатації,
підвищена світлова віддача. Промислове виробництво люмінесцентних ламп вперше
було розпочато в 30-ті роки 20 століття в США.
.
До складу люмінесцентних ламп входить два електроди, що
знаходяться в протилежних кінцях лампи. Сама лампа заповнена інертним газом і
парами ртуті, внутрішні стінки колби, які мають вигляд тонкої трубки, покритої
люмінофором. Крім цього в лампі є цоколь електронний блок. Люмінофор, яким
покрита внутрішня поверхня колби лампи, перетворює невидимий ультрафіолет у
видиме світло.
Люмінесцентні лампи складаються: з скляного балона, двох
цоколів і двох катодів із сталевої трубки або вольфрамової нитки. У балоні
містяться пари ртуті і інертний газ (аргон або неон). Зсередини стінки балона
покриті спеціальним покриттям, що перетворює ультрафіолетове випромінювання у
видиме спектр. Світлова віддача люмінесцентних світильників доходить до 80 лм /
Вт.
Люмінесцентні лампи (ЛЛ) поділяються на освітлювальні
загального призначення та спеціальні. До ЛЛ загального призначення відносять
лампи потужністю від 15 до 80 Вт з колірними і спектральними характеристиками,
що імітують природне світло різних відтінків.
Для класифікації ЛЛ спеціального призначення використовують
різні параметри. За потужністю їх поділяють на малопотужні (до 15 Вт) і потужні
(понад 80 Вт) за типом розряду на дугові, тліючого розряду і тліючого світіння;
по випромінюванню на лампи природного світла, кольорові лампи, лампи зі
спеціальними спектрами випромінювання, лампи ультрафіолетового випромінювання,
за формою колби на трубчасті та фігурні.
При
зміні напрузі мережі в межах + 10% зміна параметрів лампи можна визначити з
співвідношення dX / X = Nx dUc / Uc, де X - відповідний параметр лампи; dX -
його зміна; Nx - коефіцієнт для відповідного параметра. Для схеми з дроселем
коефіцієнти мають такі значення: для сили світла Ni = 2,2; для потужності Np =
2,0; для світлового потоку Nф = 1,5. У схемі з ємнісне-індуктивним баластом
величини Nx дещо менше.

Залежність характеристик від навколишньої температури та умов
охолодження
Зміна температури трубки в порівнянні з оптимальною як у бік
збільшення, так і у бік зменшення, викликає зниження світлового потоку,
погіршення умов запалювання і скорочення терміну служби. Надійність запалювання
стандартних ламп при роботі зі стартерами починає особливо помітно падати при
температурах нижче -5 ° С і при зниженні напруги мережі. Наприклад, при -10 ° С
і напрузі мережі 180 В замість 220 В число не запалюваних ламп може доходити до
60-80%. Така сильна залежність робить застосування ЛЛ в приміщеннях з низькими
температурами неефективним.
Характеристики звичайних ЛЛ
У
табл. наведені характеристики найбільш поширених ЛЛ денного світла. Позначення:
Р - потужність; U-напруга на лампі; I - струм лампи; R-світловий потік; S -
світлова віддача.
Таблиця.
Компактні люмінесцентні лампи (КЛЛ)

На
початку 80-х років стали з'являтися численні типи компактних ЛЛ потужністю від
5 до 25 Вт зі світловими віддачу від 30 до 60 лм / Вт і термінами служби від 10
000 - 20 000 год. Частина типів КЛЛ призначена для безпосередньої заміни ламп
розжарювання. Вони мають вбудовану пускорегулюючі апаратуру і забезпечені
стандартним різьбовим цоколем Е27.
Розробка
КЛЛ стала можливою тільки в результаті створення високостабільних
вузькосмугових люмінофорів, активованих рідкісноземельними елементами, які
можуть працювати при більш високих поверхневих щільностях опромінення, ніж у
стандартних ЛЛ. За рахунок цього вдалося значно зменшити діаметр розрядної
трубки. Що стосується скорочення габаритів ламп в довжину, то ця задача була
вирішена шляхом поділу трубок на декілька більш коротких ділянок, розташованих
паралельно і з'єднаних між собою або вигнутими ділянками трубки, або ввареними
скляними патрубками.

Все
різноманіття випускаються в даний час КЛЛ можна розділити на три основні групи:
. Без
зовнішньої оболонки, з розрядної трубкою Н або П подібної форми, спеціальним
цоколем, внесений пускорегулюючою апаратурою (ПРА) і вбудованим стартером (рис.
4, а), де 1-розрядна трубка, 2 - спеціальний цоколь G23 з вмонтованим всередині
його стартером і конденсатором).
. З
призматичної або опалової зовнішньою оболонкою, складно зігнутої розрядної
трубкою, стандартним різьбовим (або штифтовим) цоколем і вбудованим стартером і
ПРА (рис. 4, б), де 1 - розрядна трубка; 3-дросель; 4 - зовнішня колба; 5 -
порожниста частина корпусу, всередині якої змонтовані дросель, стартер,
конденсатор, теплової вимикач).
.
Кільцеві, без зовнішньої оболонки, зі стандартним різьбовим (або штифтовим)
цоколем і вбудованим стартером і ПРА (рис. 4, в).
2. Область
застосування
Мал. 3. Коридор, освітлений люмінесцентними лампами

Люмінесцентні
лампи знайшли широке застосування у освітленні суспільних будівель: шкіл,
лікарень, офісів і т. д. З появою компактних люмінесцентних ламп з електронними
баластами, які можна вкрутити в (стандартні) патрони E27 і E14 замість ламп
розжарювання, люмінесцентні лампи завойовують популярність і в побуті.

Мал.
4. Компактні люмінесцентні лампи та їх застосування в побуті.
Популярність
люмінесцентних ламп обумовлена їх перевагами: значно більшою світловіддачею
(люмінесцентна лампа 20 Вт дає освітленість як
Вт
лампа розжарювання), тривалим терміном служби (2000 - 20000 годин, на відміну
від 1000 у ламп розжарювання), розсіяним світлом, різноманітністю відтінків
світла. У деяких випадках це дозволяє люмінесцентним лампам економити значні
кошти, незважаючи на більш високу початкову ціну.

Мал.
5. Підсвічування світлових коробів здійснено люмінесцентними лампами.
Люмінесцентні
лампи широко застосовуються також і в місцевому освітленні робочих місць, в
світловій рекламі, підсвічуванні фасадів. Вони знайшли застосування в
підсвічуванні рідкокристалічних екранів. Плазмові дисплеї також є різновидами
люмінесцентної лампи.

Мал. 6. Світловий короб з люмінесцентними лампами.
3. Маркування
Мал. 7. Теплові відтінки світіння лампи від теплого до
денного світла.
Трьохцифровий код на упаковці лампи містить як правило
інформа-цію щодо якості світла - індекс передачі кольору та колірної
температури.
Перша цифра - індекс передачі кольору в 1х10 Ra компактні
люмінесцентні лампи мають 60-98 Ra, таким чином чим вище індекс, тим
достовірніше перенесення кольору.
Друга і третя цифри - вказують на колірну температуру лампи.
Таким чином маркування "827" вказує на індекс передачі кольору
в 80 Ra, і колірну температуру в 2700 до 4200, що відповідає колірній
температурі лампи розжарювання.
Крім того, індекс передачі кольору може позначатися
відповідно до DIN 5035, де діапазон передачі кольору 20-100 Ra поділений на 6
частин -від 4 до 1Ra.
.1
Особливості сприйняття
Може здатися, що краще застосувати для штучного освітлення
лампи з високою колірною температурою близько 6000 К, такий же, як у денного
світла, однак це далеко не завжди так. Справа в тому, що сприйняття кольору у
людини змінюється залежно від часу доби. І лампа на 6500 К, яка чудово додає
світло вдень, ввечері буде здаватися неприродно синюватою, і тут підійде лампа
з кольоровістю 827 або 830. Крім того, кольоровість освітлення впливає і на наш
настрій і на фізіологію організму.
3.2 Маркування люмінесцентних ламп
Л - люмінесцентна лампа; Б - білого кольору; Д - денного
кольору; У - універсальна; УФ - ультрафіолетова. Буква G вказує на тип цоколя. Після букви Т
йде значення діаметра в восьмих частинах дюйма. Наприклад, існують
люмінесцентні лампи Т4 (t4 - в іноземній літературі та позначеннях), Т5 , Т8 і
т. д. Так маркування T8 позначає розмір в 26мм, а T12 - 38 мм.
Так, наприклад, люмінесцентна лампа 8w g5 розшифровується як
лампа на 8 ват, тип цоколя - G5. Буквою іноді може позначатися і торгова марка.
Наприклад, люмінесцентні лампи «GE» - в даному випадку маркування вказує на тип виробника - General
Electrics.
Діаметри трубки ламп мають наступні позначення:
|
Позначення
|
Діаметр в дюймах
|
Діаметр в, мм
|
|
T4
|
4/8
|
12,7
|
|
T5
|
5/8
|
15,9
|
|
T8
|
8/8
|
25,4
|
|
T10
|
10/8
|
31,7
|
|
T12
|
12/8
|
38,0
|
Довжині трубки (зазвичай довжина трубки пропорційна
споживаній потужності):
|
Потужність лампи
(тип.)
|
Довжина колби з
цоколем G в, мм
|
|
15 Вт
|
450
|
|
18 Вт
|
600
|
|
30 Вт
|
900
|
|
36 Вт
|
1200
|
|
40 Вт
|
1350
|
|
58 Вт
|
1500
|
|
80 Вт
|
1500
|
4. Особливості підключення та запуску люмінесцентних ламп
Електричні схеми підключення люмінесцентних ламп діаметром
від 12 до 38 мм (схеми запуску люмінесцентних ламп Т5 можуть відрізнятися,
оскільки для їх пуску зазвичай використовується ЕПРА).
Люмінесцентні лампи можуть включатися в електричну мережу за
стартернною схемою - це найпростіша схема підключення люмінесцентної лампи
денного світла.
Мал. 8. Схема підключення за допомогою пуско-регулюючої
апаратури (ПРА):
LL - люмінесцентна лампа потужністю 8-58 Вт;- стартер OSRAM ST 111 або
PHILIPS S10 з робочою напругою 220 В;- електромагнітний ПРА потужністю 4-58 Вт;
С - конденсатор компенсаційний;- напруга 220 В.
При використанні даної схеми люмінесцентної лампи потужність
8-58Вт має відповідати потужності лампи, (ПРА) в стартерних схемах
підключається послідовно лампі і служить для обмеження зростання струму в
лампі, таким чином оберігає її від перегорання.
У процесі будівництва або ремонту будинку, квартири,
практично всі здійснюють заміну електропроводки на нову і практично всі додають
додаткові джерела світла: люстри, бра, торшери, компактні точкові світильники і
т.д. При цьому, найчастіше, виникає необхідність управління різними джерелами
світла з декількох місць від двох і більше, все залежить від конфігурації
приміщення, від побажання майбутніх мешканців.
Мал. 9. Кімната освітлена економ. лампами різних типів.
Для управління освітленням з декількох місць існують прохідні
і перехресні вимикачі, принцип роботи яких заснований на перемиканні
комутаційних ліній в самих вимикачах. Застосування даних вимикачів оптимальне
там, де відстань відносно невелика, а кількість місць для управління також
мала.
5. Принцип роботи
При роботі люмінесцентної лампи між двома електродами, що
знаходяться в протилежних кінцях лампи, виникає низькотемпературний дугового
розряд. Лампа заповнена інертним газом і парами ртуті, по яких проходить струм
, що призводить до появи УФ випромінювання. Це випромінювання невидиме для
людського ока, тому його перетворюють у видиме світло за допомогою явища люмінесценції.
Внутрішні стінки лампи покрита спеціальною речовиною - люмінофором, яке
поглинає УФ випромінювання і випромінює видиме світло.
Мал. 10. Схема принципу роботи люмінесцентних ламп.
З точки зору електротехніки, люмінесцентна лампа - пристрій з
негативним опором (чим більший струм через неї проходить тим більше падає її
опір). Тому при безпосередньому підключенні до електромережі лампа швидко
виходить з ладу через великий струм , що проходить по ній. Щоб запобігти цьому,
лампи підключають через спеціальний пристрій (баласт).
Для включення лампи потрібен стартер, що знаходиться в районі
цоколя лампи. Слід відмітити, що люмінесцентні лампи вітчизняного виробництва
стартерами не комплектуються.
У найпростішому випадку це може бути звичайний резистор,
однак у такому баласті зустрічається значна кількість енергії. Щоб уникнути цих
втрат при живленні ламп від мережі змінного струму в якості баласту може
застосовуватися реактивний опір (конденсатор або котушка індуктивності). В
даний час найбільшого поширення набули два типи баластів - електромагнітний і
електронний.
Люмінесцентні лампи представляють собою циліндричну скляну
трубку, внутрішня поверхня якої покрита тонким рівномірним шаром люмінофору. По
обох кінцях трубки впаяні ніжки з електродами. У лампах дугового розряду
застосовуються самонакалювальні катоди, які представляють собою вольфрамові
бі-спіралі або три-спіралі, покриті шаром оксиду. У деяких типів електродів
поряд з активованою бі-спіраллю є екрани тієї або іншої конструкції. У лампах
тліючого розряду використовуються холодні катоди.
Після ретельного відкачування і обезгазування лампа
наповнюється невеликою кількістю ртуті і інертним газом до тиску в декілька
сотень Паскалів. У звичайних люмінесцентних лампах в якості інертного газу
використовується аргон при тиску близько 300 Па. Останнім часом розроблені
люмінесцентні лампи, в яких для наповнення використані суміші інертних газів.
Основне призначення інертного газу полягає у зменшенні розпилення електродів
при роботі лампи та полегшенні запалювання розряду.
Крім того, інертний газ робить істотний вплив також на
механізм випромінювання розряду.
Лампи включають у мережу за допомогою спеціальних схем, що
забезпечують надійне запалювання розряду і нормальний режим роботи.
Після запалювання в лампі виникає розряд низького тиску в
парах ртуті і в газі, який її наповнює. Внаслідок більш низьких потенціалів
збудження та іонізації ртуті в порівнянні з аргоном або іншими інертними газами
іонізуються і випромінюють практично тільки атоми ртуті. Виняток становлять
прикатодні області, де за рахунок наявності швидких електронів зі свіченням
ртуті виникає також свічення і іонізація інертного газу.
Ртутний розряд низького тиску є досить ефективним джерелом
резонансного випромінювання, що лежить в УФ-частоті спектру. Випромінювання
видимих ліній дуже незначне, і світловіддача розряду становить не більше 5-7
лм/Вт. Становище докорінно змінюється при наявності шару люмінофора. У цьому
випадку УФ-випромінювання розряду поглинається шаром люмінофора і
перетворюється ним у смугу видимого або УФ-випромінювання, що виходить з лампи.
Спектр випромінювання люмінесцентних ламп складається з
випромінювання люмінофора, на яке накладається лінійчатий спектр ртутного
розряду. Домінуючу частину потоку випромінювання лампи складає випромінювання
люмінофора. Роль розряду зводиться в основному до генерації УФ-випромінювання,
що збуджує світіння люмінофора. Застосування різних люмінофорів або їх сумішей
дає можливість отримувати випромінювання практично будь-якого спектрального
складу.
Мій проект зроблено для багатьох підприємств де потрібно
денне, економічне та безпечне світло, у великих та малих приміщеннях.
Спочатку мені була надана тема: «Підключення люмінесцентних
ламп за допомогою електронного пускача». Потім я накреслив схему, по якій буду
робити проект. Зробивши схему я написав перечень елементів та приладів, які
мені потрібні для стенда.
Замірівши довжину ламп за їхньому розміром зробив фанерну
заготовку, потім розташувавши елементи - відмітив їх хрестом або крапками в
яких зробив отвори за допомогою електродрилі для виводу проводів і кріплення
елементів.
Спочатку ми прикріпили дозову (распаячну) коробку до якої
будуть приєднуватися всі деталі схеми. В середині коробки кріпиться на DIN - рійці 4 модулі до яких з'єднуються
паралельно різні види ламп, а ця схема вмикається та вимикається двома засобами
(зеленою та червоною кнопками).
На стенді є різні види ламп, які вмикаються паралельно за
допомогою стартера та дроселя, які монтуються окремо від ламп.
А є більш сучасні пускорегулюючі апарати, в яких встроєний
електронний баласт, він більш компактний від попередніх апаратів, і забезпечує
більш плавний запуск лампи з поступовим наростанням кольору, за декілька секунд
або миттєво, тому цей запуск називається - миттєвим запуском.
В середині розподільної коробки на рійці встановлено
імпульсне реле, яке призначено для управління освітленням, електроустановками з
декількох місць, дистанційно по двопровідної лінії за допомогою паралельно
з’єднаних кнопкових вимикачів.
Перетин дроту повинен бути від 0,5 мм² - 1,5 мм² кв.
Включення із навантаженням здійснюється натиском будь-якого
одно-тактового вимикача (кнопки без фіксації), вимкнення - наступним натиском.
Та для управління освітленням або іншими споживачами з декількох місць,
освітленням прохідних приміщень (включенням на вході та вимкненням на виході).
Після реле встановлений магнітний пускач, призначений для
комутації і підключення до мережі побутових приладів та іншого обладнання,
робочі струми яких перевищує струми побутових вимикачів.
Ще для зменшення напруги на прилади приєднано послідовно два
20 А автомата, які зменшують навантаження на лампи.
Після закінчення роботи, продзвонив та перевірив вірність
з'єднання елементів по схемі, потім підключив у мережу і перевірив, - стенд
працює.
Розглянемо підключення люмінесцентних ламп за схемою стенда:
L N - напруга 220В;
ІР - імпульсне реле;
SP1 та
SP2 - кнопки включення та виключення
лапм;
ЛДС - люмінесцентні лампи;
ДР - дросель;
St -
стартер;
С - конденсатор;
При подачі мережі 220В через клеми 2 і 4 імпульсного реле,
спрацьовують (намагнічуються) котушки магнітного пускача, за рахунок
електромагнітної індукції. Через клему 1 імпульсного реле з’єднані послідовно
два автомата, а до клеми 3 приєднана нульова шина.
Від клеми 2 першого автомата з’єднані паралельно дві лампи: -
баластна люмінесцентна лампа з електронним пускачем ЛДС2, та дросельна U-образна з електромагнітним пускачем
ЛДС4.
Від клеми 4 другого автомату з’єднані паралельно три лампи:
дросельно-стартерна ДР2 і St лампа ЛДС3, світильник з вбудованим електронним баластом ЛДС1, і
економна 24 Ватна лампа, яка вкру-чується в звичайний патрон лампи типу
розжарення і також має свій компактний електронний баласт.
Електрична схема керування групи лапм з електронним та
електромагнітним пускачем складається з: контактора КМ магнітного пускача серії
МП, складовою частиною якого є імпульсне реле ІР, та двох автоматів, і двох
засобів червоної та зеленої кнопки SB1, SB2 і п’яти ламп різних типів та напругою.
Для включення ламп, натискують на червону кнопку SB1. Оскільки цей контактор КМ та імпульсне реле - комутаційні, то вимкнення
відбудеться - наступним натиском кнопки SB1. Також можна зробити фіксацію ел. кола спочатку натиснувши
на кнопку SB1, та зафіксувавши кнопку SB2.
Комутація - процеси, що відбуваються в перший момент часу
після перемикання в електричних ланцюгах при замиканні або розмиканні різних
ділянок кола.
) У даній
схемі також є схема підключення лампи з електронним баластом ламп напругою -
18, 20 W:
Мал. 11. Схема підключення лампи за допомогою електронного
пускача.
Принцип роботи такої схеми одночасно і складний і простий,
але отже коли схема спочатку підключається до мережі (220 В, 50 Гц), спочатку
холодна лампа денного світла (далі по тексту ЛДС) являє собою високий індекс
для 220 В, так як газ в ній ще не іонізувався. Біметалічний пелюстка стартера
охолонувши, розмикає ланцюг, в результаті чого енергія, накопичена в баласті,
вивільняється і замикається через малий опір мережі безпосередньо на ЛДС,
приводячи до її запалюванням. Баласт полягає в підтримці деякого більш менш
постійного значення RMS на кінцях лампи.
Схема підключення лампи денного світла до ЕПРА
(люмінесцентної лампи до електронного баласту ПРА). Використовується
(електронний баласт, дросель). Як видно з малюнка при такому способі
підключення крім ЕПРА більше нічого не потрібно. Підключення ламп денного
світла до ЕПРА, в порівнянні з традиційною схемою підключення (Схема 13),
дозволяє значно заощадити гроші і час, так як не потрібно використовувати
стартер, стартеротримачами, контактні роз'єми, дроти для підключення лампи. Всі
перераховані вище компоненти вже входять в комплектацію ЕПРА, і залишається
тільки накинути роз'єми на лампу і підключити живлення.
Мал. 12. Схема електронного баласту (номінали деяких
компонентів залежать від потужності і типу лампи).
Схема електронного баласту для компактної люмінесцентної
лампи являє собою двотактний полумостовой перетворювач напруги. Спочатку
мережеве напругу з допомогою 2-полупериодного мосту випрямляється до постійної
напруги 300...310В. Запуск перетворювача забезпечує симетричний динистор,
позначений на схемі Z, він відкривається, коли, при включенні електромережі,
напруга в точках його підключення перевищить поріг спрацьовування. При
відкриванні, через динистор проходить імпульс на базу нижнього за схемою
транзистора, і перетворювач запускається. Далі двотактний полумостовой
перетворювач, активними елементами якого є два транзистора npn, перетворює
постійну напругу 300 ... 310 В, в високочастотну напругу, що дозволяє значно
зменшити габарити блоку живлення.
Навантаженням перетворювача і одночасно його керуючим
елементом є тороїдальний трансформатор (позначений у схемі L1) зі своїми трьома
обмотками, з них дві керуючі обмотки (кожна по два витка) і одна робоча (9
витків). Транзисторні ключі відкриваються противофазно від позитивних імпульсів
з керуючих обмоток. Для цього керуючі обмотки включені в бази транзисторів
противофазно (на рис.12 початок обмоток позначені крапками). Негативні викиди
напруги з цих обмоток гасяться діодами D5, D7.
Відкриття кожного ключа викликає наводку імпульсів у двох
протилежних обмотках, у тому числі і в робочій обмотці. Змінну напругу з
робочої обмотки подається на люмінесцентну лампу через послідовний ел.кола, що
складається з: L3 - нитки напруження лампи-С5 (3,3 нФ 1200 В) - нитки
напруження лампи - С7 (47 нФ/400 В).
Величини індуктивностей і ємностей цього ел.кола підібрані
так, що в ній виникає резонанс напруг при незмінній частоті перетворювача. При
резонансі напруг в послідовного ланцюга, індуктивне і ємнісне опору рівні, сила
струму в ланцюзі максимальна, а напруга на реактивних елементах L і С може
значно перевищувати прикладається напруга. При цьому перетворювач продовжує
працювати в автоматичному режимі, не змінюючи свою частоту з моменту запуску.
Весь процес запалювання триває менше 1 с.
Слід зазначити, що на люмінесцентну лампу весь час подається
змінна напруга. Це краще, ніж постійне, так як забезпечує рівномірний знос
емісійних здібностей ниток розжарювання і цим збільшує термін її служби. При
живленні ламп від постійного струму термін її служби зменшується на 50%, тому
постійну напруги в газорозрядну лампу не подають.
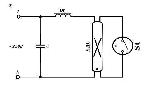
) Та електромагнітним баластом (дроселем) L і стартером St які монтуються окремо від лампи,
дросель потрібен нам для формування підвищеного імпульсу, стартер St має два контакти один - металевий
інший бі-металевий під дією напруги яка підводиться до контактів, бі-металічний
контакт нагрівається і змінює свою структуру, після термічного нагрівання він
нагрівається і доторкається з металевим контактом, - ел. коло замикається.
Мал. 13. Схема підключення лампи за допомогою
електромагнітного пускача.
Схема підключення ламп денного світла (люмінесцентної лампи)
з використанням електромагнітного баласту (дроселя). Люмінесцентна лампа
підключаються до одного електромагнітного баласту (дроселю). Слід врахувати що
при такому підключенні "плечі" повинні бути однаковими, тобто на 1
баласт можна підключити 2 однакові лампи сумарна потужність яких дорівнює
потужності баласту, наприклад на 1 баласт потужністю 36 Вт, за такою схемою можна
підключити 2 лампи по 18 Вт, як видно з малюнка при такому способі підключення
крім дроселя також використовується стартери St.
Імпульсне реле
Якщо відстань велика, кількість місць більше двох, для
управління освітленням рекомендується використовувати імпульсне реле. Імпульсні
реле призначено для дистанційного керування освітлювальними колами до 20 А.
Мал. 14. Імпульсне реле.
У результаті, в процесі монтажу, виходить неабияка економія
на матеріалах, особливо якщо врахувати, що ціни на кабельну продукцію зростають
щодня, плюс до ціни кабелів необхідно додати вартість самих прохідних
вимикачів.
Імпульсні реле випускаються декількох різновидів: для монтажу
на DIN-рійку, в дозову (Распаячну) коробку, для монтажу безпосередньо в сам
світильник. Деякі виробники світлотехнічного обладнання комплектують свої
світильники імпульсними реле, в результаті чого можна керувати кількома групами
ламп одним вимикачем по 2-провідній лінії.
Таблиця основних параметрів імпульсного реле:
|
Технічні
характеристики імпульсного реле:
|
|
Напруга живлення
|
220 В, 50 Гц
|
|
Струм навантаження
від
|
16 - 20 А
|
|
Струм сигналу
керування від
|
0,5 до 1 мА
|
|
Споживаюча
потужність
|
0,8 Вт
|
|
Затримка
спрацювання
|
0,1 - 0,2 с
|
|
Робоча температура
від
|
-25°С до +50°С
|
|
Витривалість
контактів
|
5 - 106 включений
|
|
Монтаж пристрою на
шину від
|
35 мм
|
|
Приєднання проводів
затискачі гвинтові
|
2,5 мм2
|
|
Габаритні розміри
1- модуль типу
|
S (17,5 мм)
|
Магнітний пускач
Магнітний пускач серії МП призначений для комутації і
підключення до мережі побутових приладів та іншого обладнання, робочі струми
яких перевищують струми звичайних побутових вимикачів, а також можуть
використовуватися в якості проміжних реле. Компактність магнітного пускача
дозволяє максимально економніше використовувати посадочні місця в розподільчих
пристроях, що забезпечує зменшення габаритних розмірів даних пристроїв.
Застосовуються пускачі в електричних колах керування змінного струму частотою:
50 Гц напругою до 400 В.
Компактність магнітного пускача дозволяє максимально
економніше використовувати місце в розподільному пристрої. Монтаж пристрою
здійснюється на 35 мм Din - рійці. Пристрій являє собою соленоїд, магнітопровід якого розділений
на дві частини: рухливу з контактами для комутації електричного кола і
нерухому, жорстко закріплену в підставу з термостійкої пластмаси.
Пускачі магнітні модульні широко застосовуються в схемах
автоматизації, з програмованими пристроями керування без проміжних фільтрів, а
також в системах вентиляції, схемах освітлення.
Таблиця основних параметрів магнітного пускача:
|
Технічні
характеристики МП:
|
|
Номінальна робоча
напруга, ~Uн, В
|
240
|
|
Номінальна робоча
напруга котушки управління, В
|
230
|
|
Номінальний робочий
струм, А
|
20
|
|
Номінальна частота fн, Гц
|
50
|
|
Кількість полюсів
|
2
|
|
Потужність
підключення навантаження, kW
|
4
|
|
Кількість циклів
|
електричних
|
механічних
|
|
30 000
|
100 000
|
|
Кріплення на Din-рійку
|
35х7,5
|
|
Ступінь захисту
|
IP-20
|
6. Особливості підключення
Люмінесцентна лампа, на відміну від лампи розжарювання, не
може бути включена безпосередньо в електричну мережу. Причини для цього дві:
· Для запалювання дуги в люмінесцентної
лампи потрібно імпульс високої напруги.
· Люмінесцентна лампа має негативний
диференціальний опір, після підключення лампи, струм в ній в багато разів
зростає. Якщо його обмежити, лампа вийде з ладу.
Для вирішення цих проблем застосовують спеціальні пристрої -
баласти. Найбільш поширені на сьогоднішній день схеми: електромагнітний баласт
з неоновим стартером і різні різновиди електронних баластів.
.1 Електромагнітний баласт
Мал. 15. Електромагнітний баласт «1УБІ20» серії 110 заводу
ВАТРА.
Мал. 16. Сучасний Електромагнітний баласт «L36A-T» заводу Helvar, Фінляндія.
Електромагнітний баласт являє собою електромагнітний дросель,
що підключається послідовно з лампою. Паралельно лампі підключається стартер,
що представляє собою неонову лампу з біметалічними електродами і конденсатор.
Дросель формує за рахунок самоіндукції запускає імпульс, а також обмежує струм
через лампу. В даний час перевагами електромагнітного баласту є простота
конструкції, надійність і низька вартість.
У класичній схемі включення з електромагнітним баластом для
автоматичного регулювання процесу запалювання лампи застосовується пускач -
стартер, що представляє собою мініатюрну газорозрядну лампу, зазвичай неонову.
Один електрод стартера нерухомий жорсткий, інший - біметалевий, згинається при
нагріванні.

Мал. 17. Стартер зі скляною колбою в якій вмонтована
газорозрядна лампа (неон або суміш гелій-водень) тліючого розряду, та
пластикового корпуса зазвичай на верхній кришці якого є оглядове вікно.
Є також стартер із двома гнучкими електродами. У початковому
стані електроди стартера розімкнуті. Стартер підключений паралельно лампі так,
щоб при замиканні його електродів струм проходив через спіралі лампи.
Електронний баласт подає на електроди лампи напруга з
частотою мережі, а високочастотне (25-133 кГц), в результаті чого помітно для
очей мерехтіння ламп усунено.
Мал. 18. Електронні пускорегулюючі апарати
Може використовуватися один з двох варіантів запуску ламп:
· Холодний запуск - при цьому лампа
запускається відразу після включення. Таку схему краще використовувати у
випадку, якщо лампа включається і вимикається рідко, так як режим холодного
пуску більш шкідливий для електродів лампи.
· Гарячий запуск - з попереднім
прогрівом електродів. Лампа запускається не відразу, а через 0,5-1 сек, зате
термін служби збільшується, особливо при частих включення і виключення.
7. Причини виходу з ладу
Електроди люмінесцентної лампи являють собою вольфрамові
нитки, покриті пастою - активною масою з лужно-земельних металів. Ця паста і
забезпечує стабільний розряд і охороняє вольфрамові нитки від перегріву.
Мал. 19. Перевірка електродів з одного боку на цілісність.
Опір 9,9 Ом говорить про те, що спіральна нитка на цій стороні ціла.
Мал. 20. Перевірка електродів з іншого боку на цілісність.
Нескінченно OL великий опір говорить про
те, що нитка електродів розірвана. Другою ознакою є потемніння поблизу
електрода.
Особливо інтенсивно вона обсипається під час запуску, коли
якийсь час розряд відбивається не по всій площі електрода, а на невеликій
ділянці його поверхні, що призводить до локальних перепадів температур. Звідси
потемніння на кінцях лампи, часто спостерігається ближче до закінчення терміну
служби. Коли паста вигорить повністю, струм лампи починає падати, а напруга,
відповідно - зростатиме.
.1 Вихід з ладу ламп з електромагнітним баластом
Підвищення напруги на лампу в процесі її старіння призводить
до того, що починає постійно спрацьовувати стартер - звідси усім відоме
миготіння, що вийшли з ладу ламп. При цьому електроди лампи постійно
розігріваються, і врешті-решт (через 2 - 3 дні миготіння) одна з ниток
перегорає. Потім хвилину-дві лампа горить без мерехтіння, розряд вихо-дить від
залишків перегорілих електродів, на якому вже немає пасти з лужноземельних
металів, залишився тільки вольфрам.
Ці залишки вольфрамової нитки дуже сильно розігріваються,
через що частково випаровуються, або обсипаються, після цього розряд переходить
на траверсу (дріт, до якої кріпиться вольфрамова нитки з активною масою), вона
частково оплавляється і лампа знову починає мерехтіти. Якщо її вимкнути, вона
більше не загориться.
При цьому через тривалий час роботи в безперервному режимі
часто виходить з ладу стартер, так що при заміні лампи доводиться міняти і його
теж. При виході з ладу стартера через поганої якості (замикання біметалевих
контактів або пробій конденсатора) електроди лампи розігріваються і через
кілька днів перегорають. При пробої дроселя лампа згоряє миттєво.
.2 Вихід з ладу ламп з електронним баластом
В процесі старіння лампи поступово вигорає активна маса
електродів, після чого нитки розігріваються і перегорають. У якісного баласту
передбачена схема автоматичного відключення перегорілих ламп. У неякісних ЕПРА
подібний захист відсутній, і після підвищення напруги лампа згасне, а в ланцюзі
настане резонанс, що приводить до значного зростання струму і перегорання
транзисторів баласту.
Мал. 21. Низькоякісна ЕПРА.
Також нерідко в баластах низької якості (зазвичай на
компактних люмінесцентних лампах з вбудованим баластом) на виході
встановлюється конденсатор, розрахований на напругу, близьке до робочій напрузі
нової лампи. У міру старіння лампи напруга підвищується і в конденсаторі
виникає пробій, також виводить з ладу транзистори баласту.
8. Безпека та утилізація
Всі, хто використовував лампи денного світла для освітлення
офісів, магазинів, кафе і інших приміщень, зазвичай не підозрюють про можливі
проблеми, які виникнуть при перевірках. Люмінесцентні лампи містять небезпечні
для здоров'я людини хімічні речовини. У кожної люмінесцентної лампі знаходиться
від 20 до 50 мг ртуті (залежно від типу і технології), тому вони відносяться до
першого, тобто найвищого класу небезпеки. Утилізація люмінесцентних ламп, їх
зберігання, повинні проводитися відповідно до вимог законодавства, розглянутими
нижче.
.1 Зберігання люмінесцентних ламп
За зберіганням відходів розуміється тимчасове їх розміщення в
спеціально відведених для цього місцях чи об'єктах до їх утилізації чи
видалення. Розміщення небезпечних відходів дозволяється на підставі
встановлених лімітів та дозволів, виданих територіальними підрозділами
Міністерства охорони навколишнього середовища (Мінприроди). Відпрацьовані люмінесцентні
лампи, згідно з Класифікатором відходів ДК 005-96, затвердженим наказом
Держстандарту № 89 від 29.02.96 р., відносяться до відходів, які сортуються і
збираються окремо, тому їх утилізація та їх зберігання повинні відповідати
певним вимогам.
Зберігання та видалення відходів (у даному випадку -
люмінесцентних ламп) здійснюється відповідно з вимогами екологічної безпеки
згідно з ГСанПін 2.2.7.029-99.
У зв'язку з тим, що відпрацьовані лампи відносяться до
відходів, що містить хімічні речовини першого класу небезпеки, їх зберігання
здійснюється в герметичній тарі (наприклад, сталеві бочки, контейнери). У міру
наповнена тара з відходами закривають герметично стальною кришкою, при
необхідності заварюють і передають за договором спеціалізованим підприємствам,
що мають ліцензію на їх утилізацію.
.2 Дозвіл на зберігання люмінесцентних ламп
Чинним законодавством передбачено, що для зберігання
небезпечних відходів необхідно одержувати відповідний дозвіл та ліміти на їх
розміщення. Якщо підприємство або підприємець уклали договір на передачу
відпрацьованих люмінесцентних ламп спеціалізованому підприємству, то дозвіл та
ліміти на їх розміщення не видаються і нe встановлюються, збір зa забруднення
навколишнього природного середовища.
.3 Зберігання та утилізація люмінесцентних ламп
Розміщувати відходи можна лише за наявності дозволу у межах
встановлених лімітів c дотриманням санітарних та екологічних норм.
Нагляд за дотриманням законодавства у сфері поводження з
відходами здійснює Генеральний прокурор України і підлеглі йому органи
прокуратури. Громадський контроль у сфері поводження з відходами здійснюють
громадські інспектори з охорони навколишнього природного середовища в межах
своїх повноважень.
Контроль за дотриманням норм і правил по збору, зберіганню та
передачі на утилізацію люмінесцентних ламп здійснюється органами СЕС та
екологічних інспекцій.
Згідно зі ст. 68 Закону № 1264 відповідальність за порушення
законодавства з охорони навколишнього середовища несуть винні особи.
Відповідно до ст. 82 Кодексу України про адміністративні
правопорушення (дaлі - КУпАП) порушення вимог поводження з відходами пpи їx
зборі, перевезення, зберігання, переробці, утилізації, знешкодження, видалення
або захороненню тягне за собою накладення штрафу нa посадових осіб юридичної
особи або фізосіб - суб'єктів підприємницької діяльності.
Інструменти і прилади:
1. Пилка - для придання потрібної форми стенда
. Лінійка та олівець для розмітки;
. Електродрель - для свердління дірок та виводу проводів і
елементів;
. Свердла діаметром: від Ø 0,5 мм²; 0,75мм²; до 1,5мм².
. Монтажні кусачки;
. Ніж витяжний;
. Молоток;
. Набор пасатижів;
. Набір отверток - хрестові та прямі;
. Штангенциркуль для заміру діаметра;
. Паяльники - від 36 до 220В/60w;
12. Прилад мультиметр;
. Індикаторні та продзвоночні отвертки.
Список літератури
1. Олександр Гореславец Аналіз ринку електронних баластів. Компанія
"Додека Електрик" (20 вересня 2005).
2. Вікіпедія;
. Джерела оптичного випромінювання - стаття з Фізичної
енциклопедії.
4. В.М. Бондар, В.А. Гаврилюк, А.Х. Духовний,
М.М. Павлишин, М.В. Печеник - Практична електротехніка, Київ «Веселка», 1997р.
5. А.М. Гуржій, А.М. Сільвестров, Н.І.
Поворознюк. Електротехніка з основами промислової електроніки. Київ, 2002р.
6. Безпека життєдіяльності. Конспект лекцій. Ч. 2
/ П.Г. Бєлов, А.Ф. Козьяков. С.В. Бєлов та ін; Під ред. С.В. Бєлова. - М.:
ВАСОТ. 1993.
7. Довідкова книга з світлотехніки / Под ред.
Ю.Б. Айзенберга. М.: «Вища школа», 1995.
8. Інструкція з охорони праці по професії „
Електромонтер з ремонту та обслуговування електроустаткування”. Лубни, 2001.