Организация связи по оптическому кабелю магистрали Коченево-Мамонтово

  • Вид работы:
    Дипломная (ВКР)
  • Предмет:
    Информатика, ВТ, телекоммуникации
  • Язык:
    Русский
    ,
    Формат файла:
    MS Word
    1,06 Мб
  • Опубликовано:
    2013-10-08
Вы можете узнать стоимость помощи в написании студенческой работы.
Помощь в написании работы, которую точно примут!

Организация связи по оптическому кабелю магистрали Коченево-Мамонтово

1. Введение

Телекоммуникации являются основой развития общества. Постоянно растущий спрос, как на обычные телефонные, так и на новые виды услуг связи, включая услуги Интернет, предъявляет новые требования к современным сетям связи и качеству предоставляемых услуг. С другой стороны, совершенствование телекоммуникационного оборудования и развитие на его основе современных сетей связи приводит к усложнению процесса построения и значительным затратам на создание таких сетей. В связи с этим вопросы планирования и построения современных сетей связи разного масштаба приобретают актуальность и особую значимость.

Развитие телекоммуникационных технологий привело в последние годы к серьезным изменениям в понимании сущности, методов построения и путей развития современных цифровых сетей связи (ЦСС), включая ведомственные и корпоративные. Важнейшими тенденциями развития становятся процессы конвергенции и интеграции современных компьютерных и традиционных сетей, начиная от корпоративных и заканчивая сетями национального и глобального масштабов.

Планирование сетей подразумевает определенную последовательность и этапность принятия организационно-технических решений по выбору архитектуры, топологии, структуры, базовых технологий и аппаратуры на основе некоторых принципов и технических требований к цифровой сети. Раскрытие сущности и содержания понятия планирования сети, а так же рекомендации по оптимизации указанных решений являются основным предметом рассмотрения и обсуждения данного проекта.

Роль и важность планирования сетей в современном телекоммуникационном бизнесе не могут быть переоценены, и это понимают ведущие операторы связи во всем мире.

Планирование позволяет обеспечить непрерывное развитие сетей связи и на основе следующих факторов :

·   анализа характеристик существующей сети;

·   разработки планов развития и модернизации существующей сети;

·   прогноза будущих потребностей в услугах связи, предоставляемых сетью;

·   реализации намеченных планов.

Ключевые понятия в планировании сетей являются гибкость и непрерывность. Под гибкостью подразумевается и гибкость в принятии решений на стадиях планирования, так и реализации планов построения сети. Процесс планирования сети включает решение ряда взаимосвязанных задач. К наиболее значимым и важным относятся следующие:

·   постановка задачи;

·   изучение и анализ исходных данных и путей решения;

·   расчет базовой стоимости сети;

·   оптимизация сети;

·   выбор необходимого оборудования для сети.

Решение постановленной задачи планирования конкретной сети сводится в конечном итоге к получению спецификаций на необходимое оборудование, предложений по архитектуре и топологии сети и будущим инвестициям для ее построения.

В настоящие время все большее значение на территории России принимает SDH (Synchronous Digital Hierarchy), что обусловлено многими ее преимуществами. Основные из них следующие:

·   упрощение сети, вызванные использованием мультиплексоров, которые позволяют непосредственно вводить и выводить потоки низшего порядка без необходимости последовательной процедуры, как это делается в PDH, что позволяет экономить на стоимости оборудования, на площади его размещения и затратах на электроэнергию;

·   надежность обусловлена в использовании, во-первых, оптического кабеля, что сводит на нет влияние электромагнитных помех, во-вторых, защищенного режима работы, допускающих два альтернативных пути распространения сигнала с почти мгновенным переключением на резерв;

·   простота наращивания мощности позволяет сделать переход на более высокую скорость передачи путем простой замены блоков;

·   выделение полосы по требованию может быть предоставлено в считанные секунды путем переключения на другой (широкополосный) канал;

·   синхронная передача и мультиплексирование устраняет изменения тактовой частоты, что, естественно, сказывается на качестве '' понимания'' различных узлов сети.

2. Особенности построения сети SDH

.1 Элементы сети

Сеть SDH, как и любая сеть состоит из различных элементов . Некоторые из них рассмотрим поподробнее.

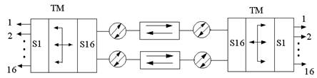
Терминальный (оконечный) мультиплексор - (terminal multiplexer - TM).

Оконечное устройство сети с некоторым числом каналов доступа (электрических и оптических). Терминальные мультиплексоры имеют один или два оптических входа/выхода, называемых агрегатными. Два входа/выхода используются для повышения надежности, которая обеспечивается схемой резервирования 1 + 1. Кроме того, возможно резервирование частичное и стопроцентное отдельных и групповых трактов, представляемых для каналов доступа. Условное обозначение терминального мультиплексора приведено на рисунке 2.1.

Рисунок 2.1. Терминальный мультиплексор.

Мультиплексор ввода-вывода - (Add/Droup Multiplexer - ADM)/

Отличается от ТМ наличием 2-х или 4-х оптических входов/выходов при том же числе каналов доступа, что и ТМ. При этом у ADM различают западный и восточный агрегатные порты (интерфейсы). Мультиплексор ADM может выполнять функции кроссового коммутатора для цифровых потоков определенных ступеней мультиплексирования (VC12, VC3, VC4). Коммутация может осуществляться путем проключения цифровых трактов или перестановками временных позиций. Условное обозначение мультиплексора ввода/вывода приведено на рисунке 2.2.

Рисунок 2.2. Мультиплексор ввода-вывода.

Регенератор - мультиплексор, в котором применяются два или четыре агрегатных входа/выхода и специальные каналы доступа, которые предназначены для обслуживания. Регенератор применяется для увеличения расстояния между узлами сети . Условное обозначение мультиплексора в режиме регенератора приведено на рисунке 2.3.

Рисунок 2.3. Условное обозначение регенератора.

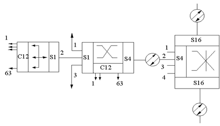
Кроссовый коммутатор - (Digital Cross Connects - DXC).

Устройство, позволяющее связывать различные каналы, закрепленные за пользователями, путем организации постоянных или временных (полупостоянных) перекрестных соединений между ними .

В некоторых случаях мультиплексоры могут использоваться для объединения однотипных потоков нескольких удаленных узлов сети в одном распределительном узле, связанном с главной транспортной магистралью. Такое устройство называют концентратором . Он дает возможность удаленным узлам обмениваться информацией между собой, не загружая основной тракт транспортной сети. Условное обозначение DXS приведено на рисунке 2.4.

Рисунок 2.4. Условное обозначение кроссового коммутатора.

.2 Конфигурация сетей

Рассмотрим несколько примеров конфигурации сети.

Точка-точка - это соединение двух узлов с помощью терминальных мультиплексоров. "Точка -точка" пример наиболее простой организации сети, однако он может быть предложен для участков магистральной сети с большой протяженностью и напряженной нагрузкой (уровни STM-16, STM-64) при 100% резервировании линии и группового оборудования аппаратуры (мультиплексоров и регенераторов).

Рисунок 2.5. Пример соединения "точка-точка".

Следует отметить, что для уменьшения числа регенераторов на протяженных участках сети и более гибкого их размещения, например в узлах связи населенных пунктов, в конфигурации "точка - точка" могут применяться оптические усилители в качестве усилителей мощности для передающих оптических устройств и в качестве предусилителей для приемных оптических устройств на всех уровнях синхронной цифровой иерархии кроме STM-1. В конфигурации "точка-точка" может быть применена передача на нескольких оптических несущих частотах а одном окне прозрачности оптического волокна. При этом возможна организация 4, 8, 16, 32 и более спектральных каналов на коротких и протяженных участках сети.

Линейная цепь - эта конфигурация применяется, если интенсивность нагрузки в сети невелика, и в ряде точек линии необходимо сделать ответвления для ввода и вывода каналов доступа. Она реализуется использованием как терминальных (ТМ), так и мультиплексоров ввода-вывода (ADM). Эта топология напоминает линейную цепь, состоящую из отдельных звеньев мультиплексоров ввода-вывода. Для нее возможно соединение без резервирования и с резервированием типа 1 + 1.

 

Рисунок 2.6. Соединение "линейная цепь".

 

Звезда - это архитектурное решение применяется для подключения удаленных узлов сети к главной транспортной магистрали. При этом один из мультиплексоров выполняет функции концентратора, у которого часть трафика выведена, например, к терминалам пользователей, а оставшиеся каналы доступа распределены по другим удаленным узлам. В этом случае мультиплексор должен обладать свойствами мультиплексора ввода-вывода с развитыми возможностями кроссового коммутатора.

Рисунок 2.7. Пример соединения типа "звезда".

 

Кольцо - эта топология широко используется для построения транспортных сетей местного и регионального масштаба. В синхронной цифровой иерархии это распространенный вид сети для уровней STM-1, STM-4, STM-16 и при построении фотонных сетей с оптическими каналами вывода/ввода (доступа). Главное преимущество кольцевой архитектуры - простота организации защиты типа 1 + 1 благодаря наличию в мультиплексоре двух отдельных (запад и восток) оптических агрегатных входов/выходов. При этом может быть организована защита трафика путем дублирования передачи информационных потоков по встречным направлениям в разных кольцах (см. рис.2.8) или организована защита отдельных секций передачи путем переключения всего трафика на резервное кольцо (рис.2.9.)

Рисунок 2.8. Соединение "кольцо" с защитой трафика.

Переключения в кольце позволяют локализовать поврежденные участки линии или мультиплексоры. Кольцевая топология может быть реализована в двух вариантах: двухволоконное кольцо и четырехволоконное кольцо. Второй вариант может быть рекомендован для организации связи на уровне STM-16. Он оправдан защитой больших информационных потоков от сбоев и простоев.

Рисунок 2.9. Переключение трафика на резервное кольцо.

Рисунок 2.10. Одноволоконное "кольцо".

Рисунок 2.11. Двухволоконное "кольцо".

.3 Виды резервирования

Резервирование сети SDH обеспечивается наличием избыточности аппаратуры и применением коммутационной логики , которая, в случае повреждения или снижения качества, производит замену канала на резервный.

В сети SDH можно осуществлять защиту секций мультиплексирования (оконечного оборудования секции мультиплексирования - Multiplex Section Termination, MST), путем использования блока защиты секции мультиплексирования (Multiplex Section Protection, MSP).

·   защита n + 1

·   защита 1 + 1.

·   Остановимся поподробнее на них.

·   В архитектуре n + 1 одна секция защиты обслуживает большую часть трактов, число которых n заключено в пределах между 1 и 14 (n= 1…14). В случае повреждения в одной из рабочих секций тестирования, сигнал приема и передачи STM-N направляется по резервному тракту. Если в процессе тестирования не наблюдается никаких проблем в функционировании сети, то по резервному тракту может быть передан незащищаемый дополнительный сигнал; очевидно, что в случае , когда секция защиты запрашивается одним из n рабочих трактов, дополнительный сигнал удаляется из резервного тракта.

Рисунок 2.12. Архитектура линейной защиты n + 1.

·   В конфигурации 1 + 1 сигнал STM-N при передаче посылается и по тестируемому пути, и по резервному пути. При приеме функция MSP выбирает наилучший сигнал на основе информации, исходящей от байтов К1 и К2 заголовка MSOH или по командам, полученным системой управления. Из-за постоянной передачи сигнала по резервному пути, архитектура 1 + 1 не позволяет увеличивать трафик за счет организации дополнительного канала.

Рисунок 2.13. Архитектура линейной защиты 1 + 1.

·   Режимы защиты могут быть двух типов:

·   однонаправленная, когда переключение на резервный тракт осуществляется только в случае аварии;

·   двунаправленная, когда в случае повреждения цифровой сигнал коммутируется на резервные тракты обоих направлений. Кроме того возможны обратимая и необратимая защиты. В обратимом режиме при ликвидации повреждения информационный сигнал, направленный по резервному тракту, возвращается в первоначальный рабочий тракт. В необратимом режиме трафик остается в резервном тракте и после устранения повреждения в рабочем тракте. В архитектуре n + 1 предусмотрен только обратимый режим, в то время, как при архитектуре

·   1 + 1 могут быть использованы оба режима функционирования.

3. Разработка схемы организации связи

.1 Назначение проектируемой сети

Данная проектируемая магистраль имеет стратегическое значение, как для ОАО "Ростелеком", так и для России в целом. Основное ее предназначение - это резервирование участка магистрали Москва-Хабаровск, а скорейшее введение ее в строй позволит существенно снизить риск простоя связей.

Необходимость трафика емкостью STM-16, а также условия ввода-вывода двадцати одного первичных каналов в поселке городского типа Ордынское и городе Камень-на-Оби накладывает ограничение на минимальное число используемых мультиплексоров. Четырех. По той же причине невозможна топология ''точка-точка'', реализованная с использованием терминальных мультиплексоров. Задачи в организации обходного маршрута (резервирование одного из участков) трассы Москва-Хабаровск, проходящей через Коченево и строящейся через Мамонтово, а также ввода-вывода в Ордынском и в Камне-на-Оби, могут решить топологии ''линейная цепь'', ''линейная цепь типа уплощенное кольцо'' и ''кольцевая''. С точки зрения использования количества мультиплексоров наиболее выгодной оказывается первое решение, поскольку не требует установки дополнительных мультиплексоров. А компенсация затухания производится установкой дополнительной усилительной платы на передаче. По опыту можно сказать, что регенерационные участки в этом случае достигают ста шестидесяти километров. Топологии ''линейная цепь типа уплощенное кольцо'' и ''кольцевая'' изначально требуют увеличения вдвое используемых волокон, а также установки дополнительно либо регенераторов, либо мультиплексоров. Кроме того, использовать основную и резервную систему по одному кабелю (при увеличении числа мультиплексоров) не целесообразно, так как в полной мере не увеличивает надежность. Поскольку основным назначением линии Коченево-Мамонтово является резервирование одного из участков трассы Москва-Хабаровск, выход которых из строя не столь вероятен, а одновременное повреждение линии Коченево - Мамонтово (трех маршрутов) тем более, следует склониться к использованию топологии ''линейная цепь'' с использованием одного кабеля. Возможное увеличение емкости до уровня STM-64 увеличивает требуемое число волокон (в проекте возьмем восемь).Условная схема ВОЛС ОАО "Ростелеком" представлена на рисунке 3.1., ситуационная схема прохождения магистрали представлена на рисунке 3.2.

Рисунок 3.1. Условная схема ВОЛС ОАО "Ростелеком".

Рисунок 3.2.Ситуационная схема прохождения магистрали Коченево-Мамонтово.

.2 Емкость линейного тракта

Емкость трафика уровня STM-16 на трассе Москва-Хабаровск предполагает необходимость такого же трафика на линии Коченево-Мамонтово с условием выделения по двадцати одному первичному потоку в населенных пунктах Ордынское и Камень-на-Оби. Такая емкость отражена в задании на дипломный проект.

В поселке Ордынское находится наземная спутниковая станция.

В городе Камень-на-Оби такое количество каналов необходимо для удовлетворения потребности в телефонной связи близлежащих районов: Тюменцевский, Крутихинский, Панкрушихинский, Павловский.

.3 Выбор типа ОК

Число волокон в кабеле должно быть не менее четырех. Общее число волокон определяется исходя из емкости цифровых линейных трактов, необходимых их резервирования, а также иными соображениями, (ответвления для зоновой и местной связи, аренда, технические нужды, и т.д.).

Тип кабеля определяется заданной длиной волны, допустимыми потерями и дисперсией, а также условиями прокладки (категориями грунта, наличием переходов через водные преграды и т.д.). Учитывая, что оптическое волокно чувствительно к сильным э/м полям, рекомендуется ОК прокладывать в некотором отдалении от ЛЭП. Если условия позволяют, желательно выбирать кабель не содержащий металлических элементов (медных проводов для дистанционного питания, центрального силового элемента, выполненного из стали, брони, из стальных проволок и т.д.).

В нашем случае следует выбирать рабочую длину волны l = 1,55 мкм; потери в оптическом волокне при этом малы (aк » 0,22 дБ/км), что позволяет организовать связь на значительные расстояния (порядка 100 км и выше). Применяя оптические усилители, можно увеличить дальность связи до 150 км и более; однако, при этом уже сказывается (особенно при скоростях передачи 2,5 Гбит/с и более) дисперсионные искажения. Последние особенно нежелательны при спектральном уплотнении оптического волокна. В перечисленных случаях все чаще применяют оптический кабель со смещенной дисперсией. Оптическое волокно этого кабеля характеризуется потерями (0,22 ÷ 0,3) дБ/км и дисперсией порядка (1 ÷ 3) пс/нм.км при l = 1,55 мкм.

При выборе ОК следует, разумеется, учитывать его стоимость, так как примерно 80% всех кап.затрат на организацию сети связи необходимы для приобретения кабеля и строительство кабельных магистралей. Тем не менее, чем дороже кабель, тем он надежнее при прокладке и эксплуатации. Многие фирмы (например, "Siemens", "Alcatel" и др.) выпускают кабели, согласованные с изготавливаемой этими фирмами аппаратурой ВОСП-SDH, что позволяет, в частности минимизировать потери при вводе излучения лазера в ОВ.

В настоящий момент на рынке кабельной продукции работает множество фирм, занимающихся изготовлением и реализацией различных видов и марок ОК. В проекте рассмотрим две фирмы, предлагающие свои кабели. Это ЗАО "МКФ" и ООО "СЕВКАВКАБЕЛЬ".

ЗАО "МКФ" специализируется на производстве оптических кабелей для прокладки в грунте, городской кабельной канализации и подвесных. Компания располагает современным технологическим оборудованием швейцарской фирмы "Swisscab".

Таблица 3.1.

Технические данные кабеля ЗАО "МКФ".

Назначение

Для прокладки в грунтах всех групп, кроме подверженных мерзлотным деформациям, в кабельных канализациях, трубах, коллекторах, через неглубокие болота и несудоходные реки.

Тип оптических волокон:

Одномодовое стандартное. Одномодовое с ненулевой смещенной дисперсией. Многомодовое.

Количество оптических волокон

4…30

Наружный диаметр

16,7 мм

Масса

480 кг/км

Допустимое растягивающее усилие

Не менее 20,0 кН

Допустимое раздавливающее усилие

Не менее 0,9 кН/см

Минимальный радиус изгиба

335 мм

Температура эксплуатации

-40…+60 градусов Цельсия

Строительная длина

До 5000 м

Срок службы

Не менее 25 лет


Параметры одномодовых оптических волокон, выпускаемых ЗАО "МКФ".

Таблица 3.2.

Параметры

Единицы измерения

Значение для ОВ типа



Е

С

Коэффициент затухания На волне 1310 нм На волне 1550 нм

dB/км

 0,35 0,22

 0,20

Длина волны нулевой дисперсии

нм

1301 - 1325

ПС/нм×км

 3,5 18

(1530-1565 нм) 1,0 - 6,0

Наклон кривой дисперсии в нулевой точке

ПС/км×нм2

0,092

Длина волны отсечки

нм

1100 - 1330

Поляризационная модовая дисперсия

ПС/км1/2

0,5


По требованию заказчика кабели могут изготавливаться в защитном шланге из самозатухающего материала, не распространяющего горения.

В производстве используются материалы ведущих зарубежных фирм, в том числе оптическое волокно японской фирмы "Fujikura Ltd". Все оптические кабели сертифицированы Министерством РФ по связи и информатизации. Имеется сертификат соответствия системы качества требованиям ИСО - 9002.

На рисунке 3.3. показана конструкция кабеля ОМЗКГМ-10-01-0.22-4…30.

Рисунок 3.3. Разрез оптического кабеля ОМЗКГМ-10-01-0.22-4…30.

ООО "СЕВКАВКАБЕЛЬ" предлагает оптический кабель со следующими данными:

Таблица 3.3.

Назначение

Для прокладки в грунтах всех групп, кроме подверженных мерзлотным деформациям, в кабельных канализациях, трубах, коллекторах, через неглубокие болота и несудоходные реки.

Тип оптических волокон:

Одномодовое стандартное. Одномодовое с ненулевой смещенной дисперсией. Многомодовое.

Количество оптических волокон

2…72

Наружный диаметр

15,8 мм

Масса

550 кг/км

Допустимое растягивающее усилие

Не менее 7,0 кН

Допустимое раздавливающее усилие

Не менее 0,5 кН/см

Минимальный радиус изгиба

20 × Dкаб

Температура эксплуатации

-40…+50 градусов Цельсия

Строительная длина

До 4000 м

Срок службы

Не менее 25 лет


Таблица 3. 4. Параметры одномодовых оптических волокон.

Параметры

Единицы измерения

Значение для ОВ типа



Е

С

Коэффициент затухания На волне 1310 нм На волне 1550 нм

дБ/км

 0,35 0,22

 0,20

Длина волны нулевой дисперсии

нм

1301 - 1325

Хроматическая дисперсия На волне 1285-1330 нм На волне 1550 нм

пс/нм×км

 3,5 18

(1530-1565 нм) 1,0 - 6,0

Наклон кривой дисперсии в нулевой точке

пс/км×нм2

0,092

Длина волны отсечки

нм

1100 - 1330

Поляризационная модовая дисперсия

пс/км1/2

0,5


Конструкция ОК производства ООО "СЕВКАВКАБЕЛЬ" приведена на рисунке 3.4.

Рисунок 3.4. Конструкция ОК ОКБ-0,22-4…36 производства ООО "СЕВКАВКАБЕЛЬ".

Кабель ЗАО "МКФ" стоит 1000 у.е.

Кабель ООО "СЕВКАВКАБЕЛЬ" стоит 998 у.е.

.4 Выбор оборудования

С учетом уже имеющейся в Коченево оборудования японской фирмы NEC и немецкой "Siemens" мультиплексоров SMS-2500A и SLT-16 соответственно, показавшим себя достаточно надежно в эксплуатации, возможна экономия на запасном комплекте и отсутствия сложности в стыковке. Кросс-коммутация мультиплексора SMS-2500A производится на уровне виртуального контейнера четвертого порядка. Поэтому, чтобы выделить предусмотренные проектом двухмегабитные потоки, необходимы дополнительные мультиплексоры уровня STM-1. Для чего могут использоваться SMS-150V. В целом необходимо установить следующие мультиплексоры.

В Коченево: один SMS-2500A и пять SMS-150V

В Камне-на-Оби: один SMS-2500A и один SMS-150V

В Ордынском: один SMS2500A и один SMS-150V

В Мамонтово: один SMS-2500A и четыре SMS-150V

Таким образом потребуется четыре SMS-2500A и одиннадцать SMS-150V. Более гибкие возможности предоставляет версия SMS-2500C, позволяющая непосредственно выделять двухмегабитные потоки. В этом случае отпадает необходимость использовать SMS-150V в Ордынском и в Камне-на-Оби, а также одного SMS-150V в Коченево. Оставшиеся четыре SMS-150V в Коченево и в Мамонтово нужны для удовлетворения требований Алтайского края. Последнее решение оставляет минимально-возможное число мультиплексоров.

Поскольку некоторые платы SMS-2500C стоят больше, чем у SMS-2500A, имеет смысл произвести технико-экономическое сравнение этих вариантов.

.5 Схема организации связи

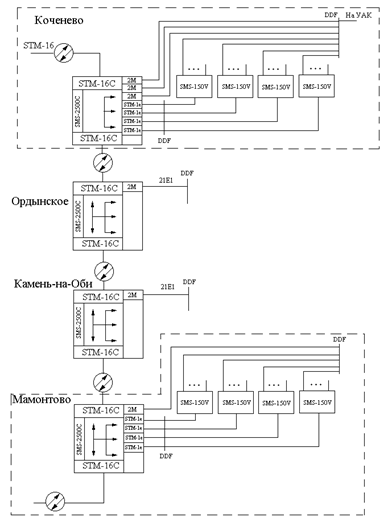
На основе назначения трассы как резервная и в соответствии с выбранной топологией "линейная цепь" построим схему организации связи между населенными пунктами Коченево и Мамонтово.

В Коченево мультиплексор SMS-2500C укомплектован тремя картами 2М, которые необходимы для удовлетворения потребностей поселка Ордынское и города Камня-на-Оби, а так же четыремя картами STM-1e, подключенными к мультиплексорам SMS-150V уровня STM-1.

В поселке Ордынское мультиплексор SMS-2500С укомплектован картой 2М, необходимой для выделения 21 первичного потока, предусмотренного проектом и двумя картами STM-16C.

В городе Камне-на-Оби установлено оборудование аналогичное оборудованию на станции поселка Ордынское ввиду сходности решения задач обеих станций.

В Мамонтово установлен мультиплексор SMS-2500C, который укомплектован одной картой 2М, четыремя картами STM-1e и двумя STM-16C.

Полученная схема организации связи представлена на рисунке 3.1.

Рисунок 3.5.1 Схема организации связи на участке Коченево - Мамонтово.

4. Выбор типа оборудования, комплектация, описания

Как уже было сказано выше, выбираем оборудование японской фирмы NEC. Используем мультиплексоры SMS-2500C и SMS-150V.

Технические характеристики SMS-2500C.

Каналы доступа трибных интерфейсных карт. Для трибов PDH предусмотрен набор каналов 2, 34, 45, 140 Мбит/с. SDH трибы могут быть электрические STM- 1e и оптические STM- 1, STM- 4.

Число портов на трибной интерфейсной карте доступа. Для трибов 2 Мбит/с имеется 21 порт, что дает возможность использовать только 3 карты. Число портов для других трибов: 3- для 34 или 45 Мбит/с и 1- для 140 или 155 Мбит/с.

Число трибных интерфейсных карт и тип защищенного режима по входу . Для каждой интерфейсной группы (одной из двух): 3 × 2 M (1:3) на 3 карты 33 % резервирование, 4 × 34 M (1:4) или 4 × 45 M (1:4) на 4 карты 25 % резервирование, 4 × STM 1e (1:4) или 4 × 140 M (1:4) на 4 карты 25 % резервирование, 2 × STM 1 (1+1) на 1 карту 100% резервирование, 2-х STM 4 (1+1) на 1 карту 100% резервирование.

Типы локальной коммутации каналов доступа. Три возможных варианта: триб-линия (т-л), триб- триб(т-т), линия-линия (л-л).

Возможности неблокируемой кросс-коммутации.VC-12 = 1512 × ×1512, VC-3 = 72 × 72, VC-4 = 24 × 24.

Варианты использования оборудования. Может быть сконфигурирован для использования в различных вариантах. В терминальном (ТМ), регенераторном (R) ввода- вывода (АDМ), исползуемом в свою, в свою очередь, в линейных трактах и топологии "кольцо".

Тип используемой синхронизации.

Внешний вход: сигнал 2,048 МГц, сигнал 2,048 Мбит/с.

Импенданс: 120 Ом, симметричный.

Код: HDB (2,048 Мбит/с).

Форма импульса: ITU-T, G 703.

Внешний выход: 2,048 МГц или 2,048 Мбит/с.

Выход линии: любой сигнал линии STM 16.

Трибутарный вход: любой STM- N сигнал (N = 1 или 4), любые 2 Мбит/с трибутария.

Тип полки. 1С 498 х 270 х 498 (высота х широта х глубина).

Номенклатура системных блоков:

·   STM- 16С линейный блок приема, передачи для оптического сигнала STM- 16С (2488,320 Мбит/с);

·   TSI блок обмена временными интервалами;

·   2M блок интерфейса двадцати одного сигнала 2,048 Мбит/с;

·   STM 1е блок интерфейса приема/передачи для сигнала 155, 520 Мбит/с;

·   OHP блок обработки заголовка;

·   AGENT блок управления;

·   SC блок системного контроллера;

·   CLK блок синхронизации;

·   SW блок переключения для блокв 2 M.

Температурный диапазон. От минус пяти до плюс сорока градусов Цельсия.

Питание.

·   минус 48 В ( допуски от минус 38 до минус 60);

·   минус 60 В ( допуски от минус 48 до минус 72).

Использование оптических усилителей. Позволяет увеличить длину оптической регенераторной секции до 110-160 км. Тип усилителя может быть различен.

Технические характеристики SMS-150V.

Каналы доступа трибных интерфейсных карт. 2Мбит/с триб.

Число карт на трибной интерфейсной карте. На карте 2М имеется 21 карта.

Число трибных интерфейсных карт и тип защищенного режима по входу.На 3 карты 2M приходится одна резервная 3 × 2M (1:3).

Типы локальной коммутации каналов доступа. Предусмотрен полный набор вариантов: триб-линия (т-л), триб- триб(т-т), линия-линия (л-л).

Возможности неблокируемой кросс-коммутации..126 (2×63) каналов.

Варианты использования оборудования. Предусмотрен режим работы: терминальный, ввода- вывода , кольцевой.

Тип используемой синхронизации.

Внешний вход: сигнал 2,048 МГц, сигнал 2,048 Мбит/с.

Импенданс: 120 Ом, симметричный.

Код: HDB (2,048 Мбит/с).

Форма импульса: ITU-T, G 703.

Внешний выход: 2,048 МГц или 2,048 Мбит/с.

Выход линии: любой сигнал линии STM -1.

Трибутарный вход: любой STM-1( только кольцевая типология ), любые 2 Мбит/с трибутария.

Тип полки.. 473 × 450 × 280 (высота х широта х глубина).

Номенклатура системных блоков

·   2M интерфейс двадцати одного сигнала 2 Мбит/с;

·   STM 1о интерфейс приема, передачи для одного оптического сигнала STM-1;

·   TSI 1 блок обмена временными интервалами на уровне VC-12;

·   SC блок системного контроллера;

·   AGENT блок управления;

·   OHP блок обработки заголовка;

·   OI блок офисного интерфейса;

·   PWR блок питания;

·   2 M SW блок переключения для 2 M;

·   STM 1 блок переключения для STM-1 (только кольцевая топология). Внешние условия.

·   Температура от минус пяти до плюс сорока пяти градусов Цельсия;

·   Оптималльная влажность до 95 % при 35%

Питание.

·   минус 48 В постаянного тока;

·   минус 60 В постаянного тока.

Интерфейс STM-1 (электрический ).

Скорость передачи 155,520 Мбит/с.

Импенданс: 75 Ом, несимметричный.

Код: CMI.

Форма импульсов: ITU-T, G .703.

Интерфейс 2Мбит/с.

Скорость передачи 2,048 Мбит/с.

Импенданс: 120 Ом, симметричный и 75 Ом, несимметричный (дополнительный).

Код: HDB 3.

Форма импульсов: ITU-T, G .703.

Опишем работу функциональных блоков мкльтиплексоров SMS -150 V, SMS -2500С, SMS- 2500А.

Описание блоков SMS - 150 V.

Блок 2М.

Блок 2М обеспечивает интерфейс двадцати одного сигнала 2,048Мбит/с; в соответствии с рекомендацией G.703 с кодом HDB3. В число выполняемых блоков функции входят:

·   кодирование/ декодирование HDB3;

·   маршрутизация сигналов на/от контейнеров VC-12;

·   обработка заголовка пути VC-12;

·   обработка указателя TU-12;

·   мультиплексирование для TUG-3.

Блок STM-1е.

Блок STM-1е обеспечивает интерфейсы приема/ передачи для одного сигнала STM-1 (155,520 Мбит/с); в соответствии с рекомендацией G.703 используется CMI. В число выполняемых блоков функций входят:

·   кодирование/ декодирование CMI;

·   завершение и вставка заголовка секций;

·   обработка указателя АU-4;

·   обработка заголовка пути VC-4;

·   обработка указателя ТU-12;

Блок TSI1.

Блок обмена временными интервалами (TSI1) осуществляет кроссконнект на уровнях VC-12 и VC-3. Кроме того, блок управляет резервированием линий и путей. Данный блок используется во всех конфигурациях SМS-150V при наличии линий передачи агрегатного сигнала уровня STМ-1. Пропускная способность блока TSI1 соответствует сигналам STМ-1 (VC-12). Возможности кроссконнекта по повышению пропускной способности совместно используются линейными и составляющими блоками.

Блок SС.

Блок системного контроллера (SС) обеспечивает функции управления оборудованием, включая:

·   мониторинг аварийных данных состояния, а также данных о производительности системы между переключаемыми блоками и системным контроллером. Собранные данные редактируются и анализируются. Аварийные сигналы активизируются или сбрасываются и передаются на LCT (местный терминал), в систему управления сетью и аварийную систему станции;

·   загрузка каждого подключаемого модуля;

·   управление переключением блока на резерв;

·   поддержка интерфейса управления F (LCT);

·   сбор аварийных сигналов состояния перемещения и передача их данных состояния в зависимоти от необходимости на терминал LCT или в систему управления сетью;

·   обработка некоторых байтов заголовков.

Блок AGENT.

Блок AGENT обеспечивает следующие функции связи:

·   поддержка интерфейса управления Q (система управления сетью);

·   завершение верхних уровней протокола связи DCCr и протокола управления коммуникациями сети.

Блок OHP.

Блок обработки заголовка (OHP) завершает определенные секции и байты заголовка пути, а также обеспечивает интерфейс служебных линий связи. Ниже перечислены байты заголовка, которые завершают блок OHP. Необходимо отметить, что остальные байты заголовка завершаются в других блоках.

Завершение байта заголовка секции OHP линий агрегатных сигналов Восток и Запад, а также линий составляющих сигналов для рабочих, так и для резервных линий (независимо).

Байты E1, NU (байты национальных атрибутов) и F1.

Завершение байта заголовка секции OHP линиях агрегатных сигналов Восток и Запад, а также линий составляющих сигналов только для рабочих линий:

Байты Z1, Z2, E2 и D4-D12.

Завершение заголовка пути контейнера VC-3 блоком OHP.

Блок OHP поддерживает два независимых четырех проводных интерфейса звуковой частоты. Интерфейс этого типа можно, используя программное управление, подключить к каналу Е1 и Е2. Это обеспечит селективный и общий вызов станций по линиям служебной связи. В число функций служебной связи входят :

·   разветвление цифровой связи;

·   аналого-цифровое и цифро-аналоговое преобразованние;

·   четырех проводный интерфейс головного телефона для общего вызова станции;

·   двух проводный интерфейс телефонного аппарата для тонального избирательного вызова;

·   двух портовые (Е1 и Е2) внешние служебные интерфейсы.

Блок OI.

Блок офисного интерфейса (OI) обеспечивает сигналы синхронизации для других блоков. Сигналы синхронизации поступают со встроенных генераторов, которые синхронизируются источником синхронизации. Блок OI может использовать следующие источники:

·   любой составляющщий сигнал или сигнал линии STМ-1;

·   два внешних синхронизирующих сигнала 2048 кГц в соответствии с G.703;

·   два сигнала 2,048 Мбит/с с внешним структурированным сигналом (дополнительные );

·   встроенный генератор (наличие режима запоминания).

Кроме того, данный блок используется для получения опорных сигналов синхронизации внешнего оборудования. Форматы сигналов:

сигнал 2048 кГц в соответствии с G.703;

сигнала 2,048 Мбит/с структурированный (дополнительный).

Используемый блоком OI источник синхронизации управляется блоком системного контроллера. При загрузке программного обеспечения устанавливаются приоритеты имеющихся источников синхронизации.

Блок PWR.

Блок питания (PWR) выдает регулируемое плюс 5В и регулируемое плюс 3,3В напряжение, причем входное напряжение каждого блока составляет минус 48В или минус 60В. Оба напряжения на станции поступают на входы двух блоков PWR, которые работают параллельно и тем самым обеспечивают резервирование.

Описание блоков SMS - 2500С.

Ввиду типичности задач, решаемуми блоками семейства SMS, остановимся на их отличительных чертах.

Блок STM-16С обеспечивает интерфейсы приема/ передачи для одного сигнала STM-16, производится обработка указателя ТU-12 (отличие от возможности линейной платы STM-16А, где такой возможности не предусмотрено).

Блок обмена временными интервалами TSI позволяет коммутировать не только VC-12 (SМS-150V), но и VС-4 (что используется мультиплексором SМS- 2500 А).

Блок тактового генератора СLК с резервированием 100% использует сигналы линии STM-16.

Описание блоков SMS - 2500А.

АСМ НS - блок административного управления оборудованием и интерфейс локального терминала (высокоскоростная кассета).

АСМ МS - блок административного управления оборудованием и интерфейс локального терминала (среднескоростная кассета).

МСIА - обеспечивает Q интерфейс для системы управления сетью.

INF MS - для связи кассет МS и НS. При помощи АDХ 16(1) К INF МS (1) и АDХ 16(2) К INF МS (2) переключение АDХ 16(n) К INF МS (n) осуществляется параллельно.

DCP - блок для предварительной обработки сигнала в канале DCCv для интерфейсов потока STM 1. Блок DCP соединяется с блоком АСМ НS высокоскоростной кассеты НS по внутренней локальной сети LAN и обеспечивает передачу данных между МСIА и байтами D1-D3 сигнала STM -N.

АDХ 16 - блок кросс-коммутации с уровнем коммутации VС-4.

Функции остальных блоков идентичны уже рассмотренным.

На рисунках 4.1,4.2, 4.3, 4.4 представлено графическое расположение блоков на полках соответствующих мультиплексоров. На рисунке 4.1 представлено размещение блоков SМS-150V, режим терминального мультиплексора (составляющие сигналы: интерфейс 2М, агрегатный сигнал: электрический интерфейс SТМ-1). На рисунке 4.2 представлено размещение блоков SМS-2500С, режим ввода- вывода (составляющие сигналы: интерфейс 2М, агрегатный сигнал: оптический интерфейс SТМ-16). В области терминальной панели расположены блоки 2М SW. На рисунке 4.3 представлено размещение блоков SМS-2500А высокоскоростной кассеты НS, на рисунке 4.4 - среднескоростной кассеты МS.

Рисунок 4.1.

Похожие работы на - Организация связи по оптическому кабелю магистрали Коченево-Мамонтово

 

Не нашли материал для своей работы?
Поможем написать уникальную работу
Без плагиата!
Без нейросетей!