|
Выводы
|
Назначение Вывода
|
|
RA0-RA3
|
Считывание состояния
матрицы
|
|
RC0-RC7
|
Управление вертикалями
матрицы
|
|
RB5
|
Прием синхроимпульсов для
подготовки передачи данных
|
|
RB6
|
Передача данных
|
|
RB7
|
Управление индикацией
|
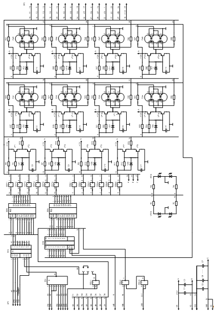
.4 Устройство
сопряжения Ц-32
Устройство сопряжения Ц32 предназначено для работы в составе комплекса
линейной аппаратуры и служит для сопряжения персонального компьютера с
устройствами сбора информации и управления.
Основные параметры и характеристики:
- устройство сопряжения Ц32 обеспечивает возможность как
круглосуточной, так и сменной работы с учетом проведения технического
обслуживания.
- устройство сопряжения Ц32 обеспечивает возможность коммутации
до 32 блоков телесигнализации и телеуправления.
- устройство сопряжения Ц32 имеет скорость обмена данными не
менее 2000 Бод.
Входные параметры устройства сопряжения Ц32 по цепям X:
- ток регистрации логической «1» не менее 5 mА.
- ток регистрации логического «0» не более 0,2 mА. Выходные
параметры устройства сопряжения Ц32:
- по Y-выходам входящий и выходящий ток при сопротивлении
нагрузки 80 Ом не менее 100 mА.
- по Х-выходам входящий и выходящий ток при сопротивлении
нагрузки 0 Ом не менее 10 mА.
- скорость изменения напряжения по выходам X и Y не должна быть
более 1В/мкс.
- средняя наработка на отказ должна быть не менее 96 000 ч.
- средний срок службы должен быть не менее 10 лет.
Конструктивно устройство Ц32 представляет собой плату, которую вставляют
в разъем шины расширения ПЭВМ.
Устройство Ц32 состоит из следующих функциональных узлов:
1. Входное устройство, содержащее:
а) разъем на 25 контактов, через который подаются питание 12 и
5В, адрес, информационные и управляющие сигналы;
б) дешифратор адреса;
2. Устройство преобразования и усиления сигнала, включающее
а) регистры записи;
б) инвертор;
3. Выходное устройство, содержащее:
а) разъем на 15 контактов;
б) четыре однонаправленных усилительных передающих каскада с
возможностью выдачи логического сигнала в виде 0В и 12В;
в) восемь двунаправленных усилительных приемопередающих каскадов
с возможностью выдачи логического сигнала в виде 0В и 12В и возможностью
считывания сигнала с внешних устройств. На контакты разъема подается питание
12,5 и 0В.
4. Буфер считывания;
5. Средства диагностики.
Дешифратор адреса состоит из: дешифратора DD3, элементов 8И-НЕ DD1,
элементов 2ИЛИ-НЕ. Дешифратор адреса в зависимости от выставленного, адреса на
адресную шину разрешает работу регистрам записи и регистру считывания.
Регистры записи DD5(KR1533IR27) и DD6(KR1533IR27) предназначены для
усиления управляющего сигнала и выборки выходных каскадов. Если по шине данных
передается управляющий сигнал (разрешение на запись), то в зависимости от
адреса, выставленного на шину адреса, управляющий сигнал передается или на
регистр DD5 и далее на двунаправленные приемопередающие усилительные каскады
для шин Х1-Х8, или на регистр DD6 и далее на однонаправленные усилительные
выходные каскады шин Y1-Y4.
Инверторы DD7(K155LN3) и DD8(K155LN3) служат для усиления сигнала.
Однонаправленный усилительный выходной каскад состоит из двухтактного
транзисторного усилителя. Он полностью идентичен двухтактному усилительному
каскаду в двунаправленном усилительном приемопередающем каскаде.
Двунаправленный усилительный приемопередающий каскад предназначен для
усиления, приема и передачи информации и состоит из двухтактного транзисторного
усилителя и оптрона. Рассмотрим один из восьми каскадов.
Двухтактный транзисторный усилитель состоит из 2-х биполярных
транзисторов различной полярности VT9 и VT10 КТ972 и КТ973, диода KD522,
конденсатора С12 и двух резисторов R16 и R17 (5.1 кОм). При подаче на вход
каскада логического нуля (приблизительно 0В) открывается транзистор VT10 и
закрывается транзистор VT9. На выходе каскада устанавливается уровень
логического нуля. При подаче на вход каскада уровня логической единицы
(приблизительно 5 В) закрывается транзистор VT10, открывается транзистор VT9 и
на выходе каскада устанавливается уровень логической единицы (приблизительно 12
В). Конденсатор С12 в каскаде служит для сглаживания фронтов импульсов с целью
уменьшения создаваемых радиопомех. Оптрон DA1 является элементом приема
(передачи) данных и служит для согласования схемы с внешней шиной.
Буфер считывания DD4(KR1533AP14) принимает данные (через оптрон) с
устройств сбора информации и выставляет их на внутреннюю шину Е1-Е8.
Средства диагностики предназначены для выполнения диагностических функций
и включают в себя два светодиода VD1 и VD2.
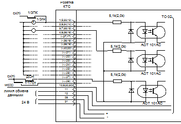
Рисунок
7 - Схема подключения блоков ТУ, ТС к колодке КТП
Устройство сопряжения Ц32 является цифровым устройством. Вся информация
представляется в виде логических «0» и «1». Плата Ц32 вставляется в разъем шины
расширения ПЭВМ и реагирует на адреса 03АЕ и 03AF. Устройство сопряжения Ц32
может обслуживать до 32 абонентов (модулей сбора информации и управления), с
которыми соединяется посредством кабеля и колодки переходной (КТП)
ДКТБ808-35.00.00. Колодка переходная КТП предназначена для перекроссировки
сигналов, поступающих из ЭВМ с 25-контактного разъема на 14-контактный разъем.
Архитектура организации связи устройства Ц32 с абонентами представлена на
рисунке 7.
В таблице 8 приведено назначение контактов кроссировочной колодки КТП.
Таблица 7- Назначение контактов кроссировочной колодки КТП
|
кон
|
Назначение цепи
|
кон
|
Назначение цепи
|
|
1
|
Шина обмена данными В1Х
|
2
|
Шина обмена данными В2Х
|
|
3
|
Шина обмена данными ВЗХ
|
4
|
Шина обмена данными В4Х
|
|
5
|
Шина обмена данными ВХ1
|
6
|
Шина обмена данными ВХ2
|
|
7
|
Шина обмена данными ВХЗ
|
8
|
Шина обмена данными ВХ4
|
|
9
|
Шина обмена данными ВХ5
|
10
|
Шина обмена данными ВХ6
|
|
11
|
Шина обмена данными ВХ7
|
12
|
Шина обмена данными ВХ8
|
|
13
|
Шина диагностики ВТ1
|
14
|
Шина диагностики ВТ2
|
Из рисунка 6 видно, что абоненты располагаются в виде матрицы 4x8. Доступ
возможен одновременно к 8-ми абонентам. Эти абоненты составляют строку. Чтобы
выбрать нужную строку, необходимо подать на один из четырех однонаправленных
усилительных выходных каскадов (Y1,Y2,Y3,Y4 соответственно) синхропакет,
состоящий из 10-ти импульсов. Работа происходит на синхронизирующей частоте.
Это удобно с той точки зрения, что скоростью работы можно управлять программно.
Если на Y подается синхропакет. то соответствующая строка активизируется
и за время прохождения этого пакета происходит считывание или передача
информации.
Синхропакет состоит из последовательности импульсов на выходе Y.
Формирование импульсов происходит подачей логической «1» на Y и логического «0»
на X.
Затем следует переполюсовка. на Y подается «0», а на X - «1». В это время
происходит считывание состояния абонента. Если нужно передать какую-либо
информацию, то в момент когда на Y подается «0», на X можно подавать «0» или
«1» в зависимости от того, что нужно передать.
Выбор строки происходит следующим образом:
На шину адреса подается адрес 03AF, на шину данных выставляется код,
выбирающий нужную строку элементов по Y, и на контакт W подается управляющий
сигнал «Запись». В этом случае дешифратор адреса DD3 выбирает регистр записи
DD6, и данные с регистра DD6 через инвертор поступают на выходные усиливающие
передающие каскады Y1,Y2,Y3,Y4, где, усиливаясь, передаются на внешнюю шину.
Таким образом, на выбранном Y устанавливается единица.
Затем происходит переполюсовка. На входную адресную шину подается адрес
ОЗАЕ, на вход W подается сигнал «Запись», а на шину данных подаются необходимые
данные. Дешифратор адреса DD3 выбирает регистр записи DD5. Этот регистр (через
инвертор) передает данные на 8 усилительных приемопередающих каскадов (XI-Х8).
На этих каскадах сигнал усиливается и через оптроны выдается на внешнюю шину.
Таким образом, происходит формирование одного синхротакта. При повторении
этой процедуры десять раз, формируется синхропакет.
Если обслуживаемый абонент - блок телесигнализации (ТС), то при состоянии
Y = «0», а Х= «1» осуществляется считывание состояния этой платы.
Считывание происходит следующим образом:
На входную адресную шину подается адрес ОЗАЕ. На вход R подается сигнал
«Чтение». По этим сигналам активизируется буфер считывания DD4. На оптронах
происходит считывание информации с внешней шины, затем через буфер DD4 эта
информация по состоянию сигнала R передается на шину D1-D8.
Если обслуживаемый абонент - блок телеуправления (телесигнализации), то
при состоянии Y=«0» , в зависимости от того, что нужно передать, на X подается
«0» или «1».
Электрическая принципиальная схема устройства сопряжения Ц32 представлена
в приложении Е.
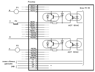
3.5 Розетки коммутационные КТУ и КТС
Колодка коммутационная КТУ предназначена для обеспечения связи блоков
ТУ-16 с линией телеуправления.
Колодка коммутационная КТС предназначена для установки блоков ТС-32 на
стативе, табло и т.д. и обеспечения электрического соединения с цепями
сигнализации.
Колодки коммутационные КТУ и КТС представляют собой металлическую
пластину с укрепленными на ней двумя 30-тиштырьковыми вилками. Колодки
коммутационные устанавливается на месте стандартной клеммной колодки ЭЦ.
Рисунок
8 - Вид колодок а) КТУ и б) КТС с монтажной стороны
3.6 Модем
Модем (modem) - устройство для преобразования цифрового информационного
сигнала в аналоговый (модуляция) для передачи по аналоговым линиям связи и
обратного преобразования принятого аналогового сигнала снова в цифровой
(демодуляция). По своему определению модемы всегда связывают два цифровых
терминала, например, компьютеры.
Аппаратно модемы выполнены либо как отдельная плата, вставляемая в слот
на материнской плате компьютера, либо в виде отдельного корпуса с блоком
питания, который подключается к последовательному асинхронному порту
компьютера. Первый из них называется внутренним модемом, а второй - внешним.
Строгой классификации модемов не существует и, вероятно, не может
существовать по причине большого разнообразия, как самих модемов, так и сфер
применения и режимов их работы. Тем не менее, можно выделить ряд признаков, по
которым и привести условную классификацию. К таким признакам или критериям
классификации можно отнести следующие: область применения; функциональное
назначение; тип используемого канала; конструктивное исполнение; поддержка
протоколов модуляции, исправления ошибок и сжатия данных.
Чтобы модемы могли обмениваться друг с другом информацией, необходимо,
чтобы, они использовали одинаковые способы передачи данных по каналам связи.
Для этого существует классификация модемов в соответствии с реализованными в
них протоколами. Все протоколы, регламентирующие те или иные аспекты
функционирования модемов, могут быть отнесены к двум большим группам:
международные и фирменные.
Протоколы международного уровня разрабатываются под эгидой ITU - T и
принимаются им в качестве рекомендаций (ранее ITU - T назывался Международным
консультативным комитетом по телефонии и телеграфии-МККТТ, международная
аббревиатура - CCITT). Все рекомендации ITU - T относительно модемов относятся
к серии V. Фирменные протоколы разрабатываются отдельными компаниями -
производителями модемов, с целью преуспеть в конкурентной борьбе. Часто
фирменные протоколы становятся стандартными протоколами де-факто и принимаются
частично либо полностью в качестве рекомендаций ITU - T, как это случилось с
рядом протоколов фирмы Microcom. Наиболее активно разработкой новых протоколов
и стандартов занимаются такие известные фирмы, как AT&T, Motorolla, U.S.
Robotics, ZyXEL и другие.
С функциональной точки зрения модемные протоколы могут быть разделены на
следующие группы:
- протоколы, определяющие нормы взаимодействия модема с каналом
связи (V.2, V.25);
- протоколы, регламентирующие соединение и алгоритмы
взаимодействия модема и DTE (V.10, V.11, V.24, V.25, V.25bis, V.28);
- протоколы модуляции, определяющие основные характеристики
модемов, предназначенных для коммутируемых и выделенных телефонных каналов. К
ним относятся такие протоколы, как V.17, V.22, V.32, V.34, HST, ZyX и большое
количество других;
- протоколы защиты от ошибок (V.41, V.42, MNP1 - MNP4);
- протоколы сжатия передаваемых данных, такие как MNP5, MNP7,
V.42bis;
- протоколы, определяющие процедуры диагностики модемов,
испытания и измерения параметров каналов связи (V.51, V.52, V.53, V.54, V.56).
- протоколы согласования параметров связи на этапе ее
установления (Hand Sharing), например V.8.
- приставки «bis» и «ter» в названиях протоколов обозначают,
соответственно, вторую и третью модификацию существующих протоколов или
протокол, связанный с исходным протоколом. При этом исходный протокол, как
правило, остается поддерживаемым.
В качестве устройства связи КЛ с центральным постом используются
промышленные модемы МТ2834BLI фирмы MultiTech.
Модем МТ2834BLI разработан фирмой MultiTech специально для решения
отраслевых задач связи и представляет собой профессиональный модем,
поддерживающий все стандарты передачи данных ITU - T включая V.34 для скорости
28800 бит/с. При соединении с другим модемом выбирает максимально возможную
скорость передачи данных. В процессе работы может автоматически повышать или
понижать скорость, в зависимости от состояния линии связи. Так как большинство
функций модема реализованы программно, есть возможность их модернизации (чтобы
лучше приспособить для собственных нужд), а также реализации новых функций.
Обновление микропрограммы осуществляется при помощи терминала. Модем МТ2834BLI
может обмениваться факсимильными сообщениями с любым факсимильным
оборудованием, включая бумажные аппараты и компьютерные факс-платы на скоростях
от 300 до 14400 бит/с. На лицевой панели модема находятся четырнадцать
светодиодных индикаторов состояния:- Send Data - индикация передаваемых данных-
Receive Data - индикация принимаемых данных- Carrier Detect - наличие несущей
(связи)
.8 24.0 19.2 14.4 9.6 2.4 - текущая скорость обмена данными в канале- Off
Hook - трубка снята (для коммутируемой линии)- Terminal Ready - готовность ЭВМ
к работе с модемом- Error Correction - индикация включения корректора ошибок-
Fax - индикация соединения в Fax-режиме- Error - индикатор ошибки при работе
модема
Технические характеристики:
- асинхронный или синхронный режим передачи данных.
- работа на 2-проводной коммутируемой и 2/4-проводной
выделенной линии.
- резервирование связи при возникновении неисправности на
выделенной линии через коммутируемую телефонную сеть.
- регулировка уровня передачи на коммутируемой и выделенной
линиях от -27 дБ до 0 дБ.
- уверенное распознавание станционных сигналов: вызывной тон,
занято, вызов, звонок.
- коррекция ошибок: MNP4 и V.42 + Selective Reject (Выборочный
повтор).
- сжатие данных: MNP5 и V.42bis
- контроль потока данных: программный XON/XOFF или аппаратный
CTS/RTS.
- дистанционное конфигурирование.
Набор команд: расширенный АТ и V.25bis.
Набор номера: импульсный или тоновый.
Программное управление громкостью динамика.
Линейный интерфейс: Разъем RJ11 для коммутационной линии; Разъем RJ45 для
2/4-проводной выделенной линии.
Интерфейс с оборудованием приема данных RS - 232.
4.
Программное обеспечение ДЦ «Неман»
Комплекс программ диспетчерской централизации системы «Неман»
предназначен для дистанционного контроля и управления железнодорожными
станциями. Программы работают в режиме реального времени и позволяют
осуществлять визуальный контроль поездной обстановки на станциях, находящихся в
сети, контроль состояния оборудования станций и дистанционное управление этим
оборудованием. Команды могут подаваться либо путем набора на клавиатуре, либо с
помощью мыши.
Диспетчер может наблюдать станции, как на дисплее, так и на индикационном
табло. На дисплее может быть изображена как отдельная станция в укрупненном
масштабе, так и все станции, находящиеся на контроле с их взаимным путевым развитием.
Программное обеспечение ДЦ «Неман» состоит из следующих компонентов:
- модель данных ТУ-ТС по станциям
- динамическая модель станций
- система связи
- интерфейс пользователя (отображение данных в заданном виде и
приём команд для системы от пользователя)
- обеспечение работы выносного табло
- увязка с другими системами ДЦ и работа с блоками сбора данных
и блоками управления
- программное обеспечение блоков сбора данных и блоков
управления
- распределение ресурсов
- служебные сервисные средства
- поддержка проектирования
- инструментальные средства разработки
На конкретном рабочем месте в зависимости от его назначения
устанавливаются соответствующие компоненты программного обеспечения.
Система поддержки связи обеспечивает обмен данными по всем используемым
СОМ-портам со скоростью 19200 Бод. Программа связи является многозадачной и
скорость обмена данными в рамках конкретной задачи определяется приоритетом
этой задачи. Для подключения новой задачи необходимо наличие программы
связевого приложения, осуществляющей стыковку между этой задачей и системой
связи. Для обеспечения работы системы используются приложения для копирования
данных контроля и управления.
Система моделирования поддерживает следующие модели станции:
- базовую;
- контрольную;
- командную;
- графическую.
Система моделирования поддерживает логику работы станции на основании
контрольной информации, поступающей со станции, и действий диспетчера. Система
определяет состояние объектов станции и предоставляет полученную информацию для
дальнейшей обработки, например, для подачи простых или сложных команд на
станцию (переключение стрелок, прокладка маршрутов, открытие светофоров,
управление оборудованием станции), или для отображения объектов на экране
дисплея или индикационном табло.
Система отображения работает в 256-ти цветном режиме с разрешением 800´600 точек и пользуется интерфейсом
VESA, версии 1, 2 и выше. Для отображения станций система пользуется их
графическими моделями и состояниями объектов. Система имеет поле текстового
задания команд управления. Команду диспетчер может задать с клавиатуры или с
помощью мыши, предварительно указав на интересующий его объект. При этом
система сносит в командную строку текст рекомендуемой команды по указанному
объекту, а диспетчер может согласиться, подкорректировать или отказаться от
выполнения данной команды. Система может работать с несколькими графическими
моделями одной и той же станции и осуществлять их оперативную перегрузку, таким
образом обеспечивается возможность просмотра станций с различных точек зрения
(например в разных масштабах). Система имеет возможность отображения большого
количества графических объектов, что позволяет разнообразить изображение
станции.
Табло подключается к компьютеру через СОМ - порт(ы), скорость обмена
данными 19200. Система поддержки табло функционирует в целом аналогично системе
поддержки станций, за исключением того, что в буфере данных табло строится
образ изображения, который затем копируется в буфер самого табло. Оборудование
табло лишь поддерживает копию информации в его памяти на подключенных
двухцветных светодиодах. В случае подключения табло к компьютеру не напрямую, а
через модем, табло может функционировать на значительном удалении.
Программы подготовки данных предназначены для адаптации рабочих мест
пользователей к конкретным условиям эксплуатации. Исходные данные представляют
собой текстовые таблицы различного формата, а система подготовки данных
представляет собой набор программ-компиляторов, которые преобразуют таблицы в
бинарные или исполняемые файлы, которые затем включаются в систему. Таблицы
подготавливаются для:
- системы контроля и управления станционным оборудованием;
- системы связи;
- системы моделирования станции;
- системы отображения;
- системы обслуживания индикационных табло.
Таблицы могут быть подготовлены в любом текстовом редакторе.
Поскольку индикационное табло для упрощения монтажных работ
сконструировано таким образом, что не требует монтажной схемы для светодиодов,
для ввода в эксплуатацию оно проходит процедуру инсталляции (настройки).
Система оперативной корректировки данных функционирует аналогично системе
отображения и осуществляет оперативную корректировку и сохранение координат и
внешнего вида графических объектов. Для корректировки может использоваться как
клавиатура, так и мышь.
5. Модели
станций, используемые в микропроцессорной ДЦ «Неман»
.1 Описание
моделей станций ДЦ «Неман»
При установке программного обеспечения микропроцессорной ДЦ «Неман» для
конкретного участка необходимо создать модели всех станций данного участка.
Создание моделей станций нужно для введения в автоматизированную систему ДЦ
«Неман» необходимой информации для описания отражаемого в системе участка и
станций, находящихся на этом участке.
Модели станций представляют собой файлы с исходными кодами на языке Ассемблер.
В этих файлах описываются все объекты станции, их расположение относительно
друг друга и логическая взаимосвязь между собой, способы управления и способы
контроля объектов станции, таблицы импульсов ТУ и ТС, графическое представление
объектов станции. Затем модели станций с помощью специальных компиляторов
преобразуются в исполняемые файлы, которые становятся составной частью
программного обеспечения ДЦ «Неман».
Вся информация о станции описывается с помощью семи моделей.
.1.1 Базовая
модель станции
Базовая модель станции представляется файлом sbxxxxxx.asm, где хххххх -
шестизначный номер станции по сетевой разметке, используемой в АСОУП.
Данная модель является декларативной. В файле базовой модели определенным
образом указываются все объекты станции, их взаимное расположение и логические
взаимосвязи между объектами станции. Каждому объекту присваивается уникальное
имя.
К объектам станции относятся:
- пути;
- блок-участки;
- бесстрелочные секции;
- стрелки;
- сигналы всех типов;
- переезды;
- объекты станционного контроля;
- районы оповещения монтеров пути и т.п. [11].
.1.2
Контрольная модель станции
Контрольная модель станции представляется файлом scxxxxxx.asm, где хххххх
- шестизначный номер станции по сетевой разметке, используемой в АСОУП.
Объекты контрольной модели описывают способ вычисления состояния объектов
базовой модели по импульсам ТС и связывают управляющие поля объектов базовой
модели с импульсами ТУ. Таким образом, контрольная модель является привязкой
базовой модели к таблице ТУ-ТС с элементами дополнительного пересчета.
Например, состояние выходного сигнала может вычисляться исходя из группового
импульса контроля открытия выходных сигналов и положения стрелок в горловине
[11].
.1.3
Маршрутная модель станции
Маршрутная модель станции представляется файлом smxxxxxx.asm, где хххххх
- шестизначный номер станции по сетевой разметке, используемой в АСОУП.
Объектами маршрутной модели являются аббревиатуры команд (при наборе с
клавиатуры) с привязкой каждой команды к объекту базовой модели и инструкцией о
необходимых действиях. Диспетчер может воспользоваться только тем набором
команд, которые описаны в маршрутной модели для соответствующей станции. На
различных машинах для одной и той же станции командные модели могут быть
различными или совсем отсутствовать. Это позволяет каждому пользователю иметь
свое подмножество команд [11].
.1.4
Графические модели станции
Графическая модель станции представляется файлом sgxxxxxx.asm, где хххххх
- шестизначный номер станции по сетевой разметке, используемой в АСОУП.
Объекты графической модели описывают внешний вид объектов станции с
привязкой их к объектам базовой модели. Программа пользовательского интерфейса
выводит объекты станции на экран в соответствии с этим описанием и на основании
текущего состояния объектов базовой модели [6]. Диспетчер может выводить на
экран либо весь диспетчерский участок в обобщенном виде, либо детализировано
любую из станций участка. Объекты графической модели динамически изменяют свое
состояние в зависимости от поездной ситуации.
Графическая модель станции для поездного диспетчера представляется файлом
ugxxxxxx.asm, где хххххх - шестизначный номер станции по сетевой разметке,
используемой в АСОУП.
В данном файле определенным образом описывается отображаемые на экране
дисплея станции, перегоны, станционный контроль, адаптированные для работы
поездного диспетчера. Элементы и принципы построения такие же, как и
графической модели станции [11].
Графическая модель станции для энергодиспетчера представляется файлом
egxxxxxx.asm, где хххххх - шестизначный номер станции по сетевой разметке,
используемой в АСОУП.
В данном файле определенным образом описывается отображаемые на экране
дисплея станции, перегоны, станционный контроль, адаптированные для работы
энергодиспетчера. Элементы и принципы построения такие же, как и графической
модели станции [11].
.1.5 Файл
описания импульсов ТУ и ТС
Модель блоков ТУ и ТС представляется файлом ioxxxxxx.tab, где хххххх -
шестизначный номер станции по сетевой разметке, используемой в АСОУП.
Данный файл содержит следующую информацию:
- распределение блоков ТУ и ТС по станции;
- привязку импульсов телесигнализации и телеуправления к их
физическому подключению на станции;
- способ интерпретации импульсов телесигнализации
- регламент подачи команд телеуправления по каждому импульсу
телеуправления.
В результате обработки этого файла специальными компиляторами должны быть
получены следующие файлы, используемые в рабочей системе:.BIN - распределение
блоков и импульсов ТУ и ТС,
метод инерпретации ТС и регламент подачи команд ТУ..BIN - таблица
импульсов ТУ и ТС.
Для ДЦ «Неман» в таблице распределения блоков ТУ и ТС указывается номер
блока, тип блока (ТУ или ТС), адрес нулевки табло, где расположен блок [6].
В случае использовании на линейных станциях аппаратуры ДЦ ‘Нева’ файл
IOXXXXXX.TAB представляет таблицу импульсов ТС с указанием номеров подканалов,
групп, импульсов.
В результате обработки этих файла специальными компиляторами должны быть
получены следующие файлы, используемые в рабочей системе:.BIN - распределение
импульсов ТС и ТУ..BIN - таблица импульсов ТУ и ТС.
5.2 Структура
моделей станции ДЦ «Неман»
Все модели, используемые для описания станций в ДЦ «Неман» имеют
одинаковую структуру. Можно выделить следующие элементы структуры модели
станции:
- неизменяемая часть файла или заголовок;
- идентификатор начала тела файла;
- тело файла;
- идентификатор конца тела файла;
В неизменяемой части файла (заголовке) содержатся директивы языка
Ассемблер, осуществляющие подключение дополнительных файлов с константами,
структурами и макросредствами.
Идентификатор начала тела файла представляет собой директиву языка
Ассемблер, вызывающую макросредство @Begin. Данное макросредство имеет в
качестве параметра строку, содержащую название описываемой станции.
Тело файла является совокупностью директив языка Ассемблер, вызывающих
макросредства нескольких типов. Макросредства разных типов отличаются друг от
друга именем, количеством и типами аргументов. Каждый тип макросредств имеет
фиксированное число аргументов и строго определенные их типы.
Идентификатор конца файла является последней непустой и
незакомментированной строкой в файле и представляет собой директиву языка
Ассемблер @end.
В файле SBXXXXXX.ASM (описание путевого развития станции) приводится
перечень всех объектов, которые будут отображены на картинке станции, участка,
каждому объекту присваивается уникальное имя. К объектам станции относятся:
стрелки, пути, блок-участки, бесстрелочные секции, светофоры всех типов,
стрелочные секции, станционный контроль (фидеров, перегорание предохранителей,
батареи, ДГА, ДСН и т.д.).
В файле SCXXXXXX.ASM определенным образом описывается способ контроля
объектов станции и способ управления объектами станции в соответствии с
названиями импульсов ТС, ТУ.
В файле SMXXXXXX.ASM определенным образом описана аббревиатура всех
команд телеуправления по станции в соответствии с их функциональным
назначением.
В файле SGXXXXXX.ASM определенным образом описываются все отображаемые на
экране дисплея объекты станции.
Для описания объектов станции применены следующие элементы: текст
(_text), линия (_line), пиктограмма (_pict), фон(_brush).
В файле UGXXXXXX.ASM (графическая модель участка для поездного
диспетчера) определенным образом описываются отображаемые на экране дисплея
станция, перегоны, станционный контроль. Элементы и принципы построения такие
же, как и графической модели станции.
Файл IOXXXXXX.TAB представляет набор таблиц и содержит следующие данные:
- распределение блоков ТУ и ТС по станции;
- привязку импульсов телесигнализации и телеуправления к их
физическому подключению на станции;
- способ интерпретации импульсов телесигнализации
- регламент подачи команд телеуправления по каждому импульсу
телеуправления.
По окончании заполнения таблицы загружаем макрос ‘sb’ и запускаем макрос
‘T10’ в результате получаем файл ‘ioxxxxxx.asm’ , затем из этого файла делаем
файл ‘tixxxxxx.asm’..ASM - представляет перечень импульсов ТС, ТУ.
Названия импульсов в контрольной модели, в ioxxxxxx.tab, в ioxxxxxx.asm,
в tixxxxxx.asm, должны быть одинаковыми и не должны повторяться.
В файле IO.tab для ДЦ ‘Неман’ на основании схемы увязки с ДЦ
заполняются следующие таблицы. Таблица распределения блоков ТУ и ТС с указанием
№ блока, тип блока (ТУ или ТС), адрес нулевки табло, где расположен блок.
Таблица, повторяющая розетку блока ТУ, ТС, с указанием типа блока, адреса
блока, номера клемм, названия проводов (название провода и название импульса
должны быть одинаковы), питания, подаваемого на блок.
Таблица команд с ограничением времени - это перечень команд, при которых ключ
замкнут промежуток времени, указанный в таблице.
Таблица прямых команд - это перечень команд, при которых ключ замкнут до
подачи команд на отмену. После заполнения таблиц запускаем макрос ‘sb_io’
получаем файл ‘ioXXXXXX.asm’.
Файл CUXXXXXX.TAB представляет набор таблиц
и содержит следующие данные:
- управление и контроль стрелок;
- управление и контроль сигналов светофоров;
- задание поездных маршрутов.
По окончании заполнения таблицы загружаем макрос ‘sb’ и запускаем макрос
‘T10’ в результате получаем файл ‘cuxxxxxx.asm’.
Все программы-модели создаются на основании таблиц импульсов
телеуправления и телесигнализации которые в свою очередь создаются при
использовании монтажных схем табло и пульта-манипулятора , схемы внешнего вида
табло и инструкции о порядке пользования устройствами СЦБ на данной станции.
Таблицы импульсов представлены в приложениях Ж и З, а листинг программ-моделей
представлен в приложении К.
6.
Электропитание
аппаратуры ДЦ «Неман»
.1 Требования
к электропитающим установкам ДЦ
Для четкой работы устройств железнодорожного транспорта необходимо
надежное и непрерывное электроснабжение. Устройства СЦБ железнодорожного
транспорта и входящие в их комплекс другие потребители относятся к различным
группам электроприемников.
Устройства центральных постов диспетчерской централизации относятся к
потребителям особой группы первой категории.
К потребителям первой категории относятся электроприемники, нарушение
электроснабжения которых может привести к опасности для жизни людей,
повреждению оборудования, расстройству сложного технологического процесса.
Поэтому указанные потребители должны получать питание от надежных, постоянно
действующих энергосистем, электростанций, подстанций или линий электропередачи,
располагающих достаточной мощностью и имеющих стабильную частоту и напряжение
на своих шинах.
Приемники первой категории должны обеспечиваться электроэнергией от двух
независимых источников питания и перерыв их электроснабжения может быть допущен
только на время автоматического ввода резервного питания. Это время должно быть
минимальным, но не более 1,3 с.
Для особой группы приемников первой категории необходимо предусматривать
дополнительное электроснабжение от третьего независимого источника. В качестве
такого источника используют автоматизированные дизель - генераторы или
аккумуляторные батареи.
Для электроснабжения потребителей первой категории источниками энергии
должны быть подстанции или линии электропередачи, входящие в энергосистему, или
электростанции, которые должны иметь не менее двух агрегатов, каждый из которых
по мощности может обеспечить все электрические активные и реактивные нагрузки
от устройств СЦБ и других приемников, работающих с ними в комплексе.
При отсутствии для питания устройств СЦБ двух независимых источников, от
которых осуществляется питание приемников первой категории, бесперебойность
питания устройств обеспечивается дизель - генераторной установкой, а при
сравнительно небольших мощностях - непосредственно от аккумуляторных батарей
или через преобразователи.
Для резервирования питания переменным током устанавливают
автоматизированные дизель - генераторы второй степени автоматизации мощностью
16, 24, и 48 кВт или электростанции мощностью 8 кВт.
Все нагрузки устройств СЦБ должны подсоединяться к источникам питания
раздельными питающими линиями. Для устройств диспетчерской централизации на
входных зажимах кабельных ящиков сигнальных установок и шинах вводных панелей
постов ДЦ норма фазового напряжения должна быть 230 В при частоте 50 Гц ± 2%. Отклонение от установленных норм напряжения допускается в
сторону уменьшения не более 10%, а в сторону увеличения не более 5%.
Релейная защита и автоматика питающих пунктов высоковольтных линий СЦБ
должны обеспечивать восстановление напряжения на линии не более чем за 1,3 с
после возникновения короткого замыкания.
6.2
Структурная схема электропитающей установки ДЦ «Неман»
При безбатарейной системе питания устройств централизации щитовая
установка состоит из: вводной панели типа ПВ - 60, панели выпрямителей 2 ´ 24 В/30 А типа ПВ - 24; панели
выпрямителей безбатарейной системы 24В, 30 А и 220 В, 30А типа ПВ - 24/220 ББ;
релейной панели безбатарейной системы типа ПРББ; панели конденсаторов типа ПК -
1 и статива преобразователей типа СП -1 50/25; щита выключения питания типа
ЩВП- 73.
Структурная схема питающей установки центрального поста ДЦ “Неман”
приведена на рисунке 9. Она состоит из вводной панели, дизель - генератора,
который приводится в действие автоматически при отсутствии питания на обоих
фидерах питания, источника бесперебойного питания (ИБП), а также комплекта
шнуров и розеток. Источник бесперебойного питания позволяет обеспечить
достаточное время работы ПЭВМ центрального поста ДЦ «Неман» в случае выхода из
строя одного из источников питания. Это время составляет порядка 20 минут. Кроме
того он позволяет обеспечить запас времени дежурному персоналу на сохранение
данных во время отключения основного питания.
Рисунок
9 - Структурная схема электропитающей установки ЦП
В случае необходимости организации розетки для дополнительных
потребителей, один из фидеров заводят через разделительные трансформаторы, что
исключает возможность выхода из строя источников питания оборудования от
искажений в сети. Рассмотрим отдельные узлы данной схемы.
Вводная панель типа ПВ-60 предназначена для питания устройств
электрической централизации, постов диспетчерской и горочной автоматической
централизации переменным током частотой 50 Гц напряжением 380/220 В. Панель
позволяет подключать два фидера от внешних источников электроснабжения и
питание от резервной электростанции.
На панели имеются выводы для подключения основного и резервного
источников внешнего электроснабжения и резервной электростанции ДГА. Как
правило, от всех этих источников поступает напряжение 380 В. Если напряжение
одного из источников 220 В, то следует установить трансформатор для повышения
этого напряжения до 380 В. В случае если на основной и резервный вводы подано
напряжение 220В, третью фазу следует соединить с нулевыми выводами панели. В
этом случае резервную электростанцию подключают через понижающий трансформатор
В каждую фазу главного и резервного вводов включены измерительные
трансформаторы тока IT - 6Т для включения счетчиков электроэнергии и
амперметров.
С вводной панели напряжение подается на стойку связи, а также на щиток
освещения и электросилового оборудования мастерских и при необходимости на
маневровые посты. Эти потребители защищены предохранителями, установленными на
вводной панели, устраняющими влияние повреждений в таких вспомогательных сетях
на работу централизации.
Вводную панель соединяют с другими панелями питающей установки через
выводы на боковых сторонах панелей.
На вводной панели имеются лампочки, сигнализирующие о работе главного и
резервного вводов. Белые лампочки включены через соответствующие фронтовые
контакты контакторов и указывают, какой фидер работает на нагрузку. Красные
лампочки включены через тыловые контакты общих реле контроля напряжения на
фазах и во включенном состоянии сигнализируют об отсутствии на вводе
напряжения.
Аналогичные лампочки есть на пульте дежурного по станции, где эта
индикация дополнена звонковой сигнализацией.
Автоматический запуск дизель-генераторной электростанции осуществляется,
когда на главном и резервном вводах отсутствует напряжение.
После того как начинает работать генератор, через тыловые контакты
контакторов вводной панели включится контактор электростанции, которая примет
на себя нагрузку. На вводной панели и на пульте ДСП загораются зеленые
лампочки.
Предохранители вводной панели (за исключением фидерных), силовой нагрузки
и освещения имеют контакты для включения в схему сигнализации их перегорания.
На вводной панели установлены красная лампочка и звонок, которые включаются при
перегорании на ней предохранителей. Одновременно через общую схему сигнализации
перегорания предохранителей загораются красные лампочки извещения ДСП.
6.3
Электропитание аппаратуры линейного комплекта
Структурная схема аппаратуры линейного комплекта ДЦ «Неман» приведена на
рисунке 10.
Рисунок
10 - Структурная схема электропитания аппаратуры ЛК
Блоки ТУ и ТС запитываются от контрольной батареи ЭЦ напряжением 24 В
через защитный предохранитель. Рабочий диапазон питания блоков - от 16 В до 40
В.
ЭВМ запитывается от цепей гарантированного питания 220 В через защитный
предохранитель и блок бесперебойного питания.ъ
6.4 Основные
характеристики источника бесперебойного питания Back-UPS Pro 650
ИБП представляет собой интерактивный источник бесперебойного питания,
использующий новейшие технологии и имеющий мощные функции. Интерактивный
источник бесперебойного питания с функцией Automatic Voltage Regulation (автоматическая регулировка
напряжения) исправляет искажения входного питания от 75% до 125%. Включая скачки и резкие падения напряжения. Данный
ИБП является идеальной защитой для подключенного к нему оборудования.
Управление устройством осуществляется при помощи микропроцессора. При
подключенном входном питании происходит зарядка батареи и нет необходимости
включать ИБП. В режиме резервного питания, с целью сохранения заряда батареи,
ИБП автоматически отключается, если ни одно из подключенных устройств не включено.
Светящийся индикатор сигнализирует о необходимости замены батареи. Устройство
имеет циклическую функцию самотестирования, проверяющую работу ИБП и состояние
батареи, рассчитанной на работу в течении 3-5 лет без замены. Данный источник,
также, обеспечивает подавление скачков на одной телефонной линии или модеме,
подключенном через разъемы на задней панели устройства.
Источник бесперебойного питания имеет 3 режима работы:
. Режим “Линия в норме” (индикатор зеленого цвета). Индикатор горит когда
входное напряжение в основной сети в норме.
. Режим “Резервное питание” (индикатор желтого цвета). Индикатор горит
когда напряжение в основной сети недостаточно и подключенное к ИБП оборудование
работает от батареи.
. Режим “Замена батареи” (индикатор красного цвета). Индикатор горит
когда батарея источника бесперебойного питания вышла из строя и ее необходимо
заменить.
Функция самотестирования используется как для проверки работы ИБП, так и
для проверки состояния батареи. Если ИБП успешно проходит тест, то возвращается
в режим нормальной работы от входного питания. Если ИБП не проходит тест, то он
немедленно возвращается в режим работы от входного питания и индикатор замены
батареи начинает гореть. Это не влияет на работу подключенного оборудования, но
необходима подзарядка или замена батареи.
Источник бесперебойного питания обеспечивается программным обеспечением.
Программа UPSMON управляет работой ИБП через стандартный интерфейс RS-232, а
также осущесвляет отключение компьютера при падении напряженя. Также данная программа
позволяет выводить на монитор текущие параметры, такие как напряжение, частоту,
уровень заряда батареи.
7. Увязка
диспетчерской централизации «Неман» с устройствами электрической централизации
.1 Схема
передачи с автономного управления на диспетчерское и обратно
Для передачи станции на диспетчерское управление дежурный по станции
нажимает кнопку «Отмена сезонного управления» - ОСУ (см. Приложение Л). Реле
восприятия сезонного управления (ВСУ) выключается с проверкой наличия
ключей-жезлов отправления хозяйственных поездов (включены реле НКЖ, ЧКЖ),
отсутствия искусственного замыкания стрелок (реле НРЗ, ЧРЗ), отсутствия
закрытых кнопкой переездов и поданного кнопкой оповещения монтеров пути
(соответственно, реле ЗП и ВО), отсутствия искусственной разделки (контакт реле
ГРИ), отсутствия включения схемы макета стрелок (контакт реле КМ),
законченности действий по заданию местного управления (контакт реле 1РМК) и
т.д. переключающие реле РУ отпустят свой якорь.
В результате во всех схемах произойдет отключение органов управления
станцией от пульта ДСП и подключение электронных ключей ДЦ «Неман».
Реле контроля включения резервного управления (КВРУ) обеспечивает горение
на станции белой лампочки сезонного управления (СУ) в случае невыполнения
условий передачи станции на диспетчерское управление. Это же реле выключает
лампочку СУ при повороте ключа РУЗ (контакт 1-2) при переходе станции на
резервное управление.
Переход станции на резервное управление осуществляется при повреждении
линии связи или при отказе устройств диспетчерской централизации. Контакты 3-4
ключа РУЗ обеспечивают цепь возбуждения реле РУ. В результате станция переходит
на автономное управление с пульта ДСП. Никакие команды диспетчера в этом случае
восприниматься не будут.
Для производства большого объема маневровой работы и в случае отдельных
отказов электрической централизации при отсутствии ответственных команд
(неперевод стрелки, необходимость открытия пригласительного сигнала для
подвижных единиц с неисправной или отсутствующей радиосвязью и т. д.) станция
передается на сезонное управление с пульта ДСП.
Для этого диспетчер посылает команду разрешения сезонного управления.
Реле СУ на станции притягивает свой якорь. На пульте ДСП мигающим светом
загорается лампочка СУ сезонного управления. В результате притягивает свой
якорь и встает на самоблокировку реле восприятия ВСУ. Лампочка СУ загорается
ровным светом. Контакт реле ВСУ в цепи реле КВРУ исключает горение лампочки СУ
через контакт КВРУ.
7.2 Контроль
поездной ситуации на станции
Контроль поездной ситуации на станции поездным диспетчером осуществляется
посредством блоков телесигнализации. Блоки телесигнализации последовательно
включаются в цепи лампочек табло дежурного по станции и таким образом
информация о состоянии объектов ЭЦ на станции передается по линиям связи на
центральный пост поездному диспетчеру. Точки подключения блоков
телесигнализации определяются при помощи монтажной схемы табло и монтажной
схемы клемных панелей. Увязка блоков телесигнализации с системой ЭЦ
представлена в приложении М.
7.3 Установка
и замыкание маршрутов
Установка и замыкание маршрутов производится с использованием
соответствующих схем ЭЦ, которые становятся доступными через переключающие реле
РУ и СУ. Установка маршрута происходит после срабатывания схем маршрутного
набора и перевода стрелок. После проверки условий безопасности движения
включаются маршрутные (1М и 2М) и замыкающие реле, т.е. замыкается маршрут.
Затем включается сигнальное реле С и открывается светофор. При невыполнении
требований безопасности задание маршрута и открытие светофора невозможны, а
если условия безопасности нарушаются при открытом светофоре, то это приводит к
его закрытию. Точки подключения блоков телеуправления определяются из монтажной
схемы пульта-манипулятора, а схемы увязки блоков телеуправления с реле и
блоками ЭЦ разрабатываются при использовании документа «Технические решения по
увязке ДЦ «НЕМАН» с устройствами ЭЦ»[18]. Увязка блоков телеуправления с
системой ЭЦ представлена в приложении М.
7.4
Управление сигналами
К кнопочным реле всех светофоров управляющие ключи подключаются через
переключающие реле РУ. Время замкнутого положения ключа ограничено для станций
без маршрутного набора получением ТС открытия сигнала и программно не превышает
1,6с.
Включение пригласительного сигнала входного светофора осуществляется
включением реле ЧПСД по схеме ответственных приказов. Противоповторное реле
ЧППС нормально находится под током. При подаче команды на открытие
пригласительного сигнала или при нажатии дежурным по станции кнопки ЧПС становится
под ток реле ЧПС, которое своими контактами обрывает цепь питания
противоповторного реле. Через фронтовые контакты реле ЧПС и тыловые реле ЧППС
включается лампа лунно-белого огня. Для исключения возможности многократного
приема поездов по пригласительному сигналу повторное включение лампы светофора
возможно только при условии полного отжатия кнопки ЧПС и включения реле ЧППС.
Реле ЧКМГ контролирует мигающий режим горения лампы лунно-белого огня. Точки
подключения блоков телеуправления определяются из монтажной схемы
пульта-манипулятора, а схемы увязки блоков телеуправления с реле и блоками ЭЦ
разрабатываются при использовании документа «Технические решения по увязке ДЦ
«НЕМАН» с устройствами ЭЦ»[18]. Увязка блоков телеуправления с системой ЭЦ представлена
в приложении М.
7.5 Отмена
маршрутов
Отмена набора и маршрутов производится с использованием соответствующих
схем ЭЦ. Время замкнутого положения ключа сигнала при отмене ограничено
приходом импульса ТС, контролирующего открытое положение сигнала и не превышает
10с. Увеличение времени связано с необходимостью более длительного замыкания
ключа сигнала при отмене маршрута, чем при его установке. Точки подключения
блоков телеуправления определяются из монтажной схемы пульта-манипулятора, а
схемы увязки блоков телеуправления с реле и блоками ЭЦ разрабатываются при
использовании документа «Технические решения по увязке ДЦ «НЕМАН» с
устройствами ЭЦ»[18]. Увязка блоков телеуправления с системой ЭЦ представлена в
приложении М.
7.6
Искусственное размыкание маршрутных секций
Схемы искусственного размыкания маршрутов предусмотрены для размыкания
секций маршрутов, которые остались замкнутыми после использования маршрута в
случае повреждений в системе.
На каждую изолированную секцию имеется опломбированная кнопка ИР, а в
блоках СП и УП установлено реле РИ. Кроме того имеется комплект групповых реле
ГРИ, ГРИ1, ГРИПП, групповая кнопка ГИР.
Нажатием кнопки ИР неразомкнутых секций маршрута либо подачей команды ТУ
на замыкание соответствующего ключа блока включают реле РИ этих секций.
Включение хотя бы одного реле РИ вызывает выключение реле ГРИ, которое
подготавливает цепь включения реле ГРИ1. После того, как кнопки всех
неразомкнутых секций будут нажаты и реле РИ включены, нажимается кнопка ГИР
либо при диспетчерском управлении включается реле ГИРД по схеме ответственных
приказов. Контактами кнопки ГИР либо реле ГИРД включается реле ГРИ1. Далее
работа схемы происходит автоматически. Точки подключения блоков телеуправления
определяются из монтажной схемы пульта-манипулятора, а схемы увязки блоков
телеуправления с реле и блоками ЭЦ разрабатываются при использовании документа
«Технические решения по увязке ДЦ «НЕМАН» с устройствами ЭЦ»[18]. Увязка блоков
телеуправления с системой ЭЦ представлена в приложении М.
8. Расчет
надежности блока ТУ-16 телеуправления
Надежность - свойство элементов сохранять свою работоспособность в
течение всего срока эксплуатации. Надежность системы определяется надежностью
входящих в них элементов.
Системы железнодорожной автоматики, телемеханики и связи призваны в
первую очередь обеспечивать безопасность движения поездов. Это обуславливает
повышенные требования к показателям надёжности таких систем. Надёжность
устройств железнодорожной автоматики, телемеханики и связи есть свойство
обеспечивать во времени бесперебойное и безопасное управление движением поездов
в заданных режимах и условиях применения, технического обслуживания и ремонта.
Надежность работы различных систем и элементов зависит от весьма
многочисленного и разнообразного комплекса факторов, определяемых как
внутренними свойствами того или иного устройства, так и воздействием внешних
условий объективного и субъективного характера. Это приводит к тому, что
процесс возникновения отказов носит случайный характер. Поэтому при изучении вопросов
надежности используется аппарат теории вероятности и математической статистики.
Различают два основных состояния объекта - работоспособное и
неработоспособное. Состояние объекта, при котором он способен выполнить
заданные функции, сохраняя значения заданных параметров в пределах,
установленных нормативно-технической документацией, называют работоспособным.
В случае нарушения работоспособности наступает отказ.
Все существующие объекты с точки зрения надёжности обычно разделяют на
две большие группы - невосстанавливаемые и восстанавливаемые.
К восстанавливаемым объектам относятся такие, для которых в
рассматриваемой ситуации восстановление работоспособного состояния
предусмотрено в нормативно-технической и (или) в конструкторской документации.
К невосстанавливаемым объектам относятся такие, для которых в
рассматриваемой ситуации не предусмотрено восстановление работоспособного
состояния (интегральные блоки устройств автоматики и телемеханики, усилители,
двигатели в ряде систем управления и т.п.).
При оценке надежности необходимо учитывать способы соединения
составляющих его элементов. Различают следующие способы соединения элементов с
точки зрения надежности: последовательное, параллельное, смешанное. Соединение
элементов называют последовательным, если отказ хотя бы одного элемента системы
приводит к отказу всей системы. Соединение элементов называют параллельным,
если отказ системы происходит тогда и только тогда, когда откажут все элементы
системы. Смешанным (последовательно-параллельным) соединением называют
сочетание последовательного и параллельного соединений элементов.
Рассчитаем надежность заданного блока ТУ-16 телеуправления. Данный блок
не будем разбивать на части, а рассчитаем надежность всего блока в целом.
Вероятность безотказной работы системы (надежность) при последовательном
соединении для случая простейшего потока отказов и их независимости равна
произведению вероятностей безотказной работы входящих в нее элементов.
Рисунок
12 - Последовательное и параллельное соединение элементов системы
(1)
где
- вероятность безотказной работы i-го элемента;-
количество последовательно соединенных элементов.
При
последовательном соединении надежность системы быстро убывает при увеличении
числа последовательно соединенных элементов. При этом надежность системы не
превышает надежности самого ненадежного элемента.
Для
параллельного соединения элементов, при условии независимости отказов и
стационарности их потока, отказ всей системы произойдет лишь после отказа всех
ее элементов. В этом случае вероятность отказа всей системы будет равна
произведению вероятностей отказов входящих в нее элементов.
(2)
где
- вероятность отказа i-го элемента;
n - количество
параллельно соединенных элементов.
Тогда
вероятность безотказной работы всей системы
(3)
При увеличении числа параллельно включенных элементов вероятность
безотказной работы системы растет, однако абсолютный прирост при этом
уменьшается.
Определим вероятности безопасной работы блока ТУ16-1 телеуправления.
При этом введем ряд допущений:
- все элементы в блоке соединены последовательно, т.е. при
выходе хотя бы одного элемента блок считается не работоспособным;
- время безотказной работы элементов распределено по
экспоненциальному закону, т.е. интенсивность отказов - величина постоянная;
- надежность однотипных элементов считается одинаковой.
Для последовательного соединения элементов вероятность безотказной работы
при экспоненциальном законе распределения, буден равна:
(4)
Тогда,
(5)
где
- количество однотипных элементов;
-
интенсивность отказов данного элемента.
Вероятность
безотказной работы всего устройства будет равна:
(6)
где k1 - поправочный коэффициент, учитывающий вибрацию;- поправочный
коэффициент, учитывающий ударные нагрузки;- поправочный коэффициент,
учитывающий температуру и влажность.
Среднее время наработки на отказ
(7)
Так
как условия работы оборудования линейного комплекта ДЦ приравнивается к
лабораторным условиям, то
Исходные
данные для расчета надежности сведем в таблицу 8.
Таблица 8 - Исходные данные для расчета надежности бока ТУ16-1 телеуправления
|
Элементы
|
Количество элементов ni
|
Интенсивность отказа
элемента λ·10-6,
1/ч
|
|
Конденсаторы
|
КМ-5б
|
4
|
0.15
|
|
К53-30
|
1
|
0.5
|
|
Оптроны
|
KP249KH2A
|
10
|
1
|
PIC16C57
|
1
|
0.7
|
|
Резисторы
|
С2-23
|
45
|
0.5
|
|
Диоды
|
КД522Б
|
4
|
0.05
|
|
АЛ307
|
1
|
0.1
|
|
Стабилитроны
|
BZX55
|
21
|
0.5
|
|
Транзисторы
|
КТ815Г
|
2
|
0.6
|
|
КТ660А
|
17
|
0.4
|
|
КТ973А
|
16
|
0.5
|
|
КТ3107Б
|
2
|
0.5
|
|
КТ816Г
|
1
|
0.45
|
|
Вилка
|
PH-101-40-2
|
1
|
0.6
|
|
Резонатор кварцевый
|
РК-169
|
1
|
0.02
|
Вычислим
среднее время наработки на отказ блока телеуправления ТУ-16 по формуле 7:
ч.
тогда
вероятность безотказной работы блока телеуправления ТУ-16 за один год составит:
Построим
график вероятности безотказной работы блока телеуправления ТУ-16 в зависимости
от времени (за 10 лет).
Рисунок
13- График вероятности работы блока ТУ-16 в зависимости от времени
Из графика видно, что надежность блока телеуправления ТУ-16 с каждым
годом падает. Причем основное падение надежности блока наблюдается за первых
три года.
9.
Экономическая часть
.1 Расчет
экономического эффекта от создания программного обеспечения вычислительной
техники
.1.1 Общие
положения
Для управления и контроля устройств ЭЦ на станции Круговец были
разработаны программные модели станции. В данной главе произведен расчет
экономического эффекта от данной разработки.
Программное обеспечение (ПО) вычислительной техники (ВТ) является
материальным объектом специфической интеллектуальной деятельности специалистов,
состоящим из программно- документально оформленного проекта, реализующего свои
потребительские свойства и качества в составе функционирующих вычислительных
систем или систем обработки данных. По стоимости и срокам службы ПО относится к
основным производственным фондам предприятия.
Каждое ПО как реальная продукция имеет определенный жизненный цикл, т.е.
период от начала разработки и до снятия с эксплуатации, включающей три стадии:
разработку (проектирование), производство (создание) и использование.
Программное обеспечение ВТ как товарная продукция могут быть двух видов:
научно-техническая продукция;
продукция производственно-технического назначения.
В современных рыночных экономических условиях ПО выступает
преимущественно в виде продукции научно-технических организаций, представляющей
собой функционально завершенные и имеющие товарный вид программного обеспечения
ВТ, реализуемые покупателям по рыночным отпускным ценам. Все завершенные
разработки программного обеспечения ВТ являются научно-технической продукцией.
Широкое применение ВТ требует постоянного обновления и совершенствования
ПО. Выбор эффективных проектов ПО связан с их экономической оценкой и расчетом
экономического эффекта.
Расчет экономического эффекта ПО основан на принципах “Комплексной оценки
эффективности мероприятий, направленных на ускорение научно-технического
прогресса”. Экономический эффект может определяться как у разработчика, так и у
пользователя.
У разработчика экономический эффект выступает в виде чистой прибыли,
остающейся в распоряжении предприятия от реализации ПО, а у пользователя - в
виде экономии трудовых, материальных и финансовых ресурсов, получаемой от:
снижения трудоемкости расчетов, алгоритмизации программирования и отладки
программ (задач) за счет использования ПО в процессе разработки
автоматизированных систем и систем обработки данных;
сокращения расходов на оплату машинного времени и других ресурсов на
отладку задач;
снижения расходов на материалы (магнитные, лазерные диски и прочие
материалы);
ускорения ввода в эксплуатацию новых систем;
улучшения показателей основной деятельности предприятий в результате
использования ПО.
Стоимостная оценка ПО у разработчиков предполагает составление сметы
затрат, которая включает следующие статьи:
затраты на материалы;
спецоборудование;
заработная плата исполнителей основная и дополнительная;
отчисления в фонд социальной защиты населения;
налоги, входящие в себестоимость ПО;
машинное время;
расходы на научные командировки;
прочие расходы;
накладные расходы.
На основании сметы затрат рассчитывается себестоимость и отпускная цена
ПО. Сумма основной заработной платы рассчитывается на основе численности
специалистов, соответствующих тарифных ставок и фонда рабочего времени. Причем
численность специалистов, календарные сроки разработки программы и фонда рабочего
времени определяются по укрупненным нормам времени на разработку, сопровождение
и адаптацию программного обеспечения или экспертным путем. Расчет трудоемкости
ПО с использованием укрупненных норм времени осуществляется в основном в
крупных научно-технических организациях для решения сложных задач программного
обеспечения ВТ. В мелких и средних научно-технических организациях
трудоемкость, численность исполнителей и сроки разработки ПО определяются
экспертным путем с использованием данных по базовым моделям. При определении
трудоемкости ПО учитываются объем ПО (в тыс. условных машинных команд или
исходных команд), объем документации (тыс. строк), новизна и сложность ПО, язык
программирования, степень использования типовых (стандартных) программ.
.1.2 Исходные
данные
Разработка программного обеспечения (ПО) предусматривает проведение всех
стадий проектирования (техническое задание, эскизный проект, технический
проект, рабочий проект, внедрение) и относится к 3-й группе сложности. По
степени новизны ПО относится к группе «А» с коэффициентом 1,0.
Расчет производится на основе исходных данных, представленных в таблице 5.1.
В выполнении работ задействованы:
· руководитель дипломного проекта;
· студент-дипломник.
Приравняем руководителя дипломного проекта к должности начальник отдела.
Присвоим ему 13 разряд, установим продолжительность участия в разработке - 20
дней. Тарифный коэффициент - 3,98;
Таблица 9- Исходные данные для расчета
|
Наименование показателя
|
Буквенное обозначение
|
Единицы измерения
|
Количество
|
|
Коэффициент новизны
|
Кн
|
-
|
1,0
|
|
Группа сложности
|
|
Единиц
|
3
|
|
Дополнительный коэффициент
сложности
|
Ксл
|
Единиц
|
0,18
|
|
Поправочный коэффициент,
учитывающий использование типовых программ
|
Кт
|
Единиц
|
0,9
|
|
Установленная плановая
продолжительность разработки
|
Тр
|
Лет
|
0,25
|
|
Годовой эффективный фонд
времени
|
Фэф
|
Дней
|
255
|
|
Продолжительность рабочего
дня
|
Тч
|
Ч
|
8
|
|
Оклад 1-го разряда
|
Тм1
|
тыс. руб.
|
38000
|
|
Коэффициент премирования
|
Кп
|
-
|
1,4
|
|
Норматив дополнительной
заработной платы
|
Нзд
|
%
|
10
|
|
Ставка отчислении в фонд
социальной защиты населения
|
Нзсз
|
%
|
35
|
|
Ставка чрезвычайного налога
|
Ннч
|
%
|
5
|
|
Норматив прочих затрат
|
Нпз
|
%
|
3
|
|
Норматив на сопровождение и
адаптацию НС
|
Нрса
|
%
|
10
|
|
Ставка налога на
добавленную стоимость
|
Нед
|
%
|
20
|
|
Норматив амортизации ВТ
|
На
|
%
|
12,5
|
Приравняем студента-дипломника к должности инженера-программиста без
категории. Присвоим ему 9 разряд, установим продолжительность участия в
разработке 64 дня. Тарифный коэффициент - 2,48.
.1.3
Определение объема ПО
Объем ПС определяется путем подбора аналогов на основании классификации
типов ПО, каталога функций ПО и каталога аналогов ПО в разрезе функций, которые
постоянно обновляются и утверждаются в установленном порядке. На основании
информации о функциях разрабатываемого ПО, по каталогу функций определяется
объем функции. Общий объем ПО рассчитаем по формуле
(8)
где
Vo - общий объем ПО;
Vi - объем
функций ПО;
n - общее число
функций.
Таблица 10- Объем программного обеспечения
|
Номер функции
|
Содержание функций
|
Объем (условных машинных
команд)
|
|
203
|
Модуль @BASA(Формирование
базы данных)
|
626
|
|
203
|
Модуль @CON(Формирование
базы данных)
|
626
|
|
503
|
Модуль @CONTROL (Управление внешними устройствами и объектами)
|
1456
|
|
203
|
Модуль @ROUTE(Формирование
базы данных)
|
626
|
|
203
|
Модуль @WAY(Формирование
базы данных)
|
626
|
|
203
|
Модуль @REFER(Формирование
базы данных)
|
626
|
|
203
|
Модуль @TI(Формирование
базы данных)
|
626
|
|
203
|
Модуль SG(Формирование
базы данных)
|
626
|
|
203
|
Модуль UG(Формирование
базы данных)
|
626
|
|
403
|
Модуль CU
(Формирование служебных таблиц)
|
369
|
|
403
|
Модуль IO
(Формирование служебных таблиц)
|
369
|
условных
машинных команд.
.1.4 Расчет
трудоемкости ПО
На основании общего объема ПО определяется нормативная трудоемкость (Тн).
Нормативная трудоемкость устанавливается с учетом сложности ПО,
Выделяется три группы сложности, в которых учтены следующие составляющие ПО:
языковой интерфейс, ввод-вывод, организация данных, режимы работы, операционная
система и техническая среда. Кроме того, устанавливаются дополнительные
коэффициенты сложности ПО. С учетом дополнительного коэффициента сложности Ксл
рассчитывается общая трудоемкость ПО по формуле:
T0= Тн
+Тн∙Ксл ( 9 )
где Т0 - общая трудоемкость ПО;
Тн - нормативная трудоемкость ПО;
Ксл - дополнительный коэффициент сложности ПО.
То=105+105×0,18=123,9 человеко-дней
При решении сложных задач с длительным периодом разработки ПО
трудоемкость определяется по стадиям разработки (техническое задание - ТЗ,
эскизный проект - ЭП, технический проект - ТП. рабочий проект - РП и внедрение
- ВН) с учетом новизны, степени использования типовых программ и удельного веса
трудоемкости стадий разработки ПО. При этом на основании общей трудоемкости
рассчитывается уточненная трудоемкость с учетом распределения по стадиям по
формуле:
(10)
где
Ту - уточненная трудоемкость;
Ti -
трудоемкость разработки ПО на i-й стадии (человеко-дней);
m - количество
стадий разработки.
Трудоемкость
ПО по стадиям определяется с учетом новизны и степени использования в
разработке типовых программ и ПО. Трудоемкость по стадиям определяется по
формуле:
Тстi=dстi∙Кн∙Кт∙То
(11)
где
Тстi - трудоемкость разработки ПО на i-й
стадии (технического задания, эскизного проекта, технического проекта, рабочего
проекта и внедрения);
Кн
- поправочный коэффициент, учитывающий степень новизны ПО;
Кт
- поправочный коэффициент, учитывающий степень использования в разработке
типовых программ и ПО;
dстi -
удельный вес трудоемкости i-й стадии разработки ПО в общей трудоемкости
разработки ПО.
Удельный
вес трудоемкости каждой стадии в общей трудоемкости определяется в соответствии
с данными таблицы 11. При этом сумма удельных весов всех стадий в общей
трудоемкости равна единице. Результаты расчетов уточненной трудоемкости по
стадиям разработки ПО приведены в таблице 11. Уточненная трудоемкость
разработки ПО по всем стадиям составит 117 человеко-дней.
Таблица 11- Объем программного обеспечения
|
Расчетные коэффициенты
|
Стадии разработки
|
Итого
|
|
ТЗ
|
ЭП
|
ТП
|
РП
|
ВН
|
|
|
Коэффициенты удельных весов
трудоемкости стадий, dстi
|
0,11
|
0,09
|
0,11
|
0,55
|
0,14
|
1,0
|
|
Коэффициенты, учитывающие
использование типовых программ, kт
|
-
|
-
|
-
|
0,9
|
-
|
-
|
|
Коэффициенты новизны, kн
|
1,0
|
1,0
|
1,0
|
1,0
|
1,0
|
-
|
|
Уточняющая трудоемкость Tу
стадий, человеко-дней
|
14
|
11
|
14
|
61
|
17
|
117
|
|
Численность Чр
исполнителей, чел.
|
1,8
|
1,7
|
1,8
|
1,9
|
2
|
1,8
|
|
Срок Tр
разработки, лет
|
0,03
|
0,025
|
0,03
|
0,13
|
0,035
|
0,25
|
При установленной плановой продолжительности разработки (ТР=0,2 года)
численность исполнителей (Чр) определяется по формуле:
(12)
где
Чр - плановая численность разработчиков (чел);
Фэф
- годовой эффективный фонд времени одного рабочего в течение года (дней в год);
Трд
- плановая продолжительность разработки (лет).
.1.5 Расчет
заработной платы исполнителей разработки ПО
Уточненная трудоемкость и общая плановая численность разработчиков служат
базой для расчёта основной заработной платы. По данным о спецификации и
сложности выполняемых функций составляется штатное расписание исполнителей,
участвующих в разработке ПО.
В соответствии с "Рекомендациями по применению "Единой тарифной
сетки" рабочих и служащих народного хозяйства" и тарифным разрядам и
коэффициентам должностей каждому исполнителю устанавливают разряд и тарифный
коэффициент.
Месячная оклад каждого исполнителя (Тм) определяется путем умножения
действующей месячной тарифной ставки 1-го разряда (Tм1) на тарифный коэффициент
(Тк), соответствующий установленному разряду.
Тм=Тм1∙Тк (13)
Часовая оклад рассчитывается путем деления месячной тарифной ставки на
установленный при восьмичасовом рабочем дне месячный фонд рабочего времени -
171,5 часов
(14)
где
ТЧ - часовая оклад (ден. ед.);
Тм
- месячная оклад (ден. ед.).
Подставив
числовые значения в формулы (13) и (14) рассчитаем месячную и часовую тарифную
ставку для руководителя
Тм
= 38∙3,98 = 151,24 тыс. руб.
Тч
=
= 0,882 тыс. руб.
для
дипломника
Тм
= 38∙2,48 = 94,24 тыс. руб.
Тч
=
= 0,55 тыс. руб.
Основная
заработная плата исполнителей на конкретное ПС рассчитывается по формуле:
(15)
где
n - количество исполнителей, занятых разработкой
конкретного ПС;
ТЧi -
часовая оклад i-гo исполнителя (ден. ед.);
ФЭi -
эффективный фонд рабочего времени i-гo исполнителя (дней);
ТЧ
- Количество часов работы в день (ч);
К
- коэффициент премирования.
ЗО1
=(0,882∙4∙20∙1,4)+(0,55∙8∙64∙1,4)=493,024
тыс.руб
Дополнительная
заработная плата на конкретное ПО (Зд) включает выплаты, предусмотренные
законодательством о труде (оплата, отпусков, льготных часов, времени выполнения
государственных обязанностей и других выплат, не связанных с основной
деятельностью исполнителей), и определяется по нормативу в процентах к основной
заработной плате и рассчитывается по формуле:
,тыс.руб.
(16)
где
ЗД1 - дополнительная заработная плата исполнителей на конкретное ПО (ден.ед.);
НД
- норматив дополнительной заработной платы в целом по научной организации
(10%).
= 49,3
тыс. руб.
9.1.6 Расчет
отчислений, налогов и затрат
Отчисления в фонд социальной защиты населения (3С31) определяются в
соответствии с действующим законодательными актами по нормативу в процентном
отношении к фонду основной и дополнительной заработной платы исполнителей, а
так же заработной платы (основной и дополнительной) прочих категории работников
(ЗПК1), определенной по нормативу, установленному в целом по организации по
формуле:
, тыс.руб
(17)
где
Нэсэ - норматив отчислений в фонд социальной защиты населения и фонд содействия
занятости (%).
= 189,81
тыс.руб
Чрезвычайный
налог для ликвидации последствий катастрофы на Чернобыльской АЭС рассчитывается
по формуле (при нормативе налога Ннч=5%)
, тыс.руб
(18)
= 27,13
тыс.руб
Расходы
на материалы (на бумагу, документацию и дискеты) (Mi) определяются
по формуле:
,тыс.руб.
(19)
=20
тыс.руб.
В
небольших научных организациях и на малых предприятиях, где ОПФ являются лишь
средства ВТ, амортизационные отчисления на ПО Аoi можно
определить прямым счетом, используя нормы амортизационных отчислений(см. табл.
9) .
тыс. руб.
(20)
где
На - норма амортизационных отчислений;
Тф
- фактический срок использования основной ВТ;
Сi -
первоначальная стоимость ВТ.
15,625
тыс. руб.
Прочие
затраты (П31) определяются по формуле (при нормативе прочих затрат Нпз=3%)
,
тыс.руб. (21)
= 14,79
тыс.руб
Общая
сумма расходов по всем статьям сметы (Cр1) на все ПО рассчитывается по формуле:
Срi = ЗОi+ЗДi+ЗСЗi+ННЧ+Мi+Аоi+ПЗi, тыс.руб. (22)
Срi = 493,024+49,3+189,81 +27,13
+20+15,625 +14,79 = 809,68 тыс.руб.
Расходы на сопровождение и адаптацию определяются по формуле (при
нормативе 10% процентов от общей суммы расходов по смете).
,
тыс.руб.; (23)
= 80,9
тыс.руб.
9.1.7 Расчет
себестоимости, отпускной цены и прибыли
Полная себестоимость ПО (с расходом на сопровождение и адаптацию)
определяется по формуле:
Спi= Срi + Сасi ,
тыс.руб. (24)
Сп1=809,68 +80,9 = 890,58 тыс.руб.
Прибыль от реализации создаваемого ПО (Пр1) рассчитывается по формуле
(при уровне рентабельности ПО равном Урпг=30%)
,
тыс.руб. (25)
=267,174
тыс.руб.
Добавленная
стоимость (ДС) определяется по формуле:
ДСi=ЗОi+ЗДi+ЗСЗi+Hч1+Aoi +
Прi, тыс.руб (26)
ДСi=493,024+49,3+189,81
+27,13+15,625 +267,174 =1042,063 тыс.руб.
Налог
на добавленную стоимость (Ндс1) рассчитывается по формуле (при ставке налога
Ндс1=18%):
,
тыс.руб. (27)
=187,57
тыс.руб.
Прогнозируемая
отпускная цена ПО (ЦОi) рассчитывается по формуле:
ЦOi =
Спi+НДСi + Прi, тыс. руб.; (28)
ЦOi =
+187,57+267,174 = 1345,324 тыс. руб.
Прибыль
от реализации ПО за вычетом налога (Нш) с прибыли остается
организации-разработчику и представляет собой эффект от создания нового
программного средства ВТ.
Таким
образом экономический эффект от создания нового программного обеспечения
составляет 267,174 тыс. руб.
10.
Обеспечение электробезопасности при обслуживании ДЦ «НЕМАН»
.1 Анализ
условий труда
Изучение проблем, здоровых и безопасных условий, в которых протекает труд
человека - одна из наиболее важных задач в разработке новых технологий и систем
производства. Изучение и выявление возможных причин производственных несчастных
случаев, профессиональных заболеваний, аварий, взрывов, пожаров, и разработка
мероприятий и требований, направленных на устранение этих причин позволяют
создать безопасные и благоприятные условия труда человека.
Анализ условий труда при проведении работ по монтажу, наладке и
обслуживанию оборудования ДЦ системы “Неман” приведен в таблице 12.
Как видно из таблицы 12, по указанным видам работ возникают следующие
опасные и вредные производственные факторы:
повышенное значение электрического тока, под который может попасть
человек;
отклонение от нормы значений освещённости;
расположение рабочего места на высоте;
нервно-психические перегрузки
пожароопасность.
В результате проведенного анализа условий труда разработан ряд
технических мероприятий необходимых для обеспечения безопасности и улучшения
условий труда.
10.2
Разработка мероприятий по обеспечению безопасности и улучшению условий труда
Источником электроопасности и пожароопасности может являться неисправный
электроинструмент (паяльники) и применение его с отступлениями от требований
электробезопасности на напряжения выше 42 вольт. При работе с паяльником нельзя
стряхивать с жала остатки расплавленного припоя: его брызги могут попасть в
глаза или на тело и вызвать травму. Осторожность необходима и при вытаскивании
выводов элементов при отпайке. Паяльник должен иметь подставку, которая
исключает случайное касание горячих частей руками, а также скатывания его на
стол. При длительной работе с паяльником воздух в помещении насыщается вредными
для организма парами свинца и олова. Поэтому помещение следует регулярно
проветривать.
Перед включением электропитания аппаратуры центрального поста или
исполнительного модуля необходимо убедится, что:
оборудование имеет надежное заземление, при этом максимальное значение
переходного сопротивления между заземляющим болтом оборудования и шиной
заземления в релейном помещении должно быть не более 200 мкОм;
все кабели, подключаемые к электрооборудованию, и соединители должны быть
исправны;
все плавкие вставки исправны и соответствуют указанному номинальному
значению по току.
После выключения питания конденсаторы в устройстве могут еще некоторое
время сохранять заряд, который можно получить при случайном касании цепей. Для
исключения такой возможности выводы высоковольтных конденсаторов закорачиваются
через резистор примерно 100 Ом.
При проведении работ, связанных с измерением электрических параметров
устройств ДЦ необходимо проверить исправность и правильность подключения
измерительных приборов (целостность питающих и измерительных шнуров,
удлинителе, розеток).
Перед проведением замены приборов связанных с использованием стремянки
нужно проверить правильность ее установки, прочность крепления и ступенек.
При проведении монтажных работ на стативах, табло, манипуляторах нужно
проверить исправность используемого инструмента, приборов, стремянки, отключить
статив сигнализаторов заземления.
При прокладке кабеля внутри помещений через проемы в стенах работники
должны находится по обе стороны стены и перемещать кабель по команде
руководителя работ. Для вертикального подъема кабеля на высоту свыше 2 м
необходимо пользоваться блоками. Перед прокладкой кабеля в желобах,
расположенных поверху конструкций, надо проверить надежность крепления желобов,
а также конструкций над которыми они проходят. Укладка кабелей, увязка их в
пакеты, разделка и пайка муфт в стенных нишах и желобах, расположенных поверху,
должны проводится с подмостей или с лестниц стремянок.
Необходимо помнить, что после исчезновения напряжения с электроустановки
оно может быть подано вновь без предупреждения.
Установка и снятие предохранителя, как правило, производятся при снятом
напряжении. Под напряжением, но без нагрузки допускается снимать и
устанавливать предохранители на присоединениях, в схеме которых отсутствуют
коммутационные аппараты. Под напряжением и нагрузкой допускается снимать и
устанавливать предохранители трансформаторов напряжения и предохранители
закрытого типа в электроустановках напряжением до 1000 В. При снятии и установке
предохранителей под напряжением необходимо пользоваться:
в электроустановках напряжением выше 1000 В изолирующими клещами,
диэлектрическими перчатками и защитными очками (маской);
в электроустановках напряжением до 1000 В изолирующими клещами или
диэлектрическими перчатками, а при наличии открытых плавких вставок и защитными
очками (маской).
Наладочные и профилактические работы, а также все виды обслуживания ЭВМ
должны производится не менее, чем двумя лицами. Запрещается :
производить ремонтные работы при включенной ЭВМ, ПЭВМ;
присоединять и отсоединять разъемы при включенном питании;
устанавливать и вынимать платы при включенном питании;
включать устройства при неисправной вентиляции;
пользоваться неисправной контрольно-измерительной аппаратурой и инструментом;
производить пайку и накрутку под напряжением;
производить пайку паяльником с напряжением сети выше 42 В.
Все виды механических работ на ЭВМ и ПЭВМ, замену блоков питания, замену
плат, адаптеров и ТЭЗ, смену предохранителей, наладочные работы на панелях
питания, очистку от пыли следует производить только после полного отключения
ЭВМ, ПЭВМ от питающей сети и проверки отсутствия напряжения.
При обслуживании дизельгенератора следует руководствоваться Инструкцией
по охране труда при обслуживании дизельгенератора (ДГА) № ШЧ9-029.
Осматривать и ремонтировать автономные дизель-генераторы следует после
перевода ключа (рубильника), находящегося на щите автоматики, из режима
«Работа» в режим «Ремонт» или отключении устройств электропитания устройств
автоматики. Перед пуском двигателя внутреннего сгорания необходимо убедится в
исправном его состоянии, закрыть люки картера и поставить на место все
ограждения. Запрещается:
пускать в ход двигатель, вращая маховик непосредственно весом тела;
подогревать масло- и топливопроводную системы паяльными лампами, факелами
и т.п. (для этой цели следует использовать горячую воду);
чистить, обтирать и смазывать вручную части двигателя во время его
работы;
заменять на работающем двигателе приводные ремни и подсыпать под них
канифоль;
заходить и просовывать руки за ограждение.
При остановки двигателя для осмотра, чистки и ремонта должны быть приняты
меры против ошибочного пуска в ход или произвольного его движения. Запрещается
заливать горючее в бак работающего двигателя. Обтирочные материалы должны
хранится в закрытых металлических ящиках, установленных вдали от двигателей,
генераторов, щитов и отопительных приборов. Запрещается курить в помещениях,
где установлены двигатели внутреннего сгорания. Запрещается производить работы
в цепях вращающихся электрических машин и их аппаратуре.
При обслуживании аккумуляторных батарей следует руководствоваться
Инструкцией по охране труда при обслуживании аккумуляторов № ШЧ9-043 и Памяткой
по обслуживанию аккумуляторных установок в хозяйстве сигнализации и связи
№19-04-13/12047.
Для осмотра аккумуляторов необходимо использовать переносную
герметическую лампу напряжением не выше 12 В с предохранительной сеткой.
Необходимо включать вентиляцию аккумуляторной перед началом заряда
аккумуляторов и выключать не ранее чем через 1,5 часа после окончания заряда.
При эксплуатации батарей по способу непрерывного подзаряда вентиляция помещения
должна производится при каждом «закипании» электролита в аккумуляторах.
Работать с кислотой, щелочью или электролитом нужно только в резиновых
перчатках и сапогах, в прорезиненном фартуке и хлопчатобумажном костюме с
кислотостойкой пропиткой для защиты от растворов с массовой долей кислот до 20%
или в костюме из шинельного сукна (полушерстяной или полиэфирной ткани) для защиты
от растворов с массовой долей кислот более 20%. Вблизи помещения с кислотными
аккумуляторами должны находится умывальник, мыло, вата в упаковке, полотенце и
закрытый сосуд с 5-10%-ным нейтрализующим раствором питьевой соды. Бутыли с
серной кислотой переносятся вдвоем на специальных носилках, имеющих посередине
отверстия, с обрешетиной, в которую бутыль должна входить вместе с корзиной
(или ящиком) на две трети своей высоты. При монтаже или обслуживании
аккумуляторных батарей необходимо соблюдать следующие меры предосторожности:
все работы по передвижению и выравниванию стеллажей и установленных на
них аккумуляторных банок должны быть выполнены до заливки в аккумуляторы
электролита;
перед включением смонтированной батареи на заряд необходимо проверить
правильность и надежность соединений между отдельными аккумуляторами и
батарейными шинами.
Пайка пластин в аккумуляторном помещении разрешается не ранее чем через 2
часа после окончания заряда. Батареи работающие по методу постоянного
подзаряда, должны быть за два часа до начала работ переведены в режим разряда,
до обеспечения полного удаления всех газов из помещения.
В проходах между стеллажами с аккумуляторами запрещается класть, хотя бы
и временно, какие бы то ни было предметы и материалы.
При работах в аккумуляторном помещении, когда происходит заряд или
формовка, батареи, необходимо пользоваться респераторами.
При выполнении пуско - наладочных работ руки должны быть чистыми и
сухими, так как величина тока, проходящего через человека, зависит от состояния
кожи, а также площади соприкосновения с токоведущими частями. Нельзя лезть в
блок сразу двумя руками или одной рукой при этом касаться токопроводящей
поверхности, так как степень поражения электрическим током зависит от пути его
прохождения. Наиболее опасным является путь тока от руки к руке - через область
сердца и легких.
Поражения, вызванные действием электрического тока на организм человека,
можно условно разделить на два вида: электрические травмы и электрические
удары. Оба вида поражения часто сопутствуют друг другу.
При электрической травме в результате воздействия электрического тока или
электрической дуги (искры) на тело человека возникает местное повреждение
организма. При этом нарушаются анатомические соотношения и функции тканей и
органов человека, возникают поражения кожи, мягких тканей, а также связок и
костей.
Электрический ожог происходит вследствие теплового действия тока,
проходящего через организм, а также электрической дуги. Ожог является наиболее
распространенным видом электротравмы.
Дуговой ожог является результатом воздействия на тело электрической дуги,
возникшей между токоведущими частями, но без протекания тока через человека.
Человек оказавшийся в зоне дуги, получает ожоги той или иной тяжести, которые
равнозначны обычным термическим ожогам.
При электрическом ударе происходит возбуждение живых тканей человека,
вызванное протекающим через него электрическим током и сопровождающееся
непроизвольными судорожными сокращениями мышц. Электрический удар может
привести к гибели организма или может вызвать серьезные заболевания организма,
которые могут проявиться спустя несколько часов, дней и даже месяцев.
При поражении электрическим током необходимо как можно скорее освободить
пострадавшего от действия тока. Первым действием должно быть немедленное
отключение той части электроустановки, которой касается пострадавший.
Отключение производится с помощью выключателей, рубильника. После освобождения
пострадавшего от действия электрического тока необходимо оценить его состояние.
Затем оказать ему первую медицинскую помощь:
определить характер и тяжесть травмы, наибольшую угрозу для жизни
пострадавшего и последовательность мероприятий по его спасению;
выполнить необходимые мероприятия по спасению пострадавшего в порядке
срочности (восстановить проходимость дыхательных путей, провести искусственное
дыхание, наружный массаж сердца; остановить кровотечение и т.п.);
поддержать основные жизненные функции пострадавшего до прибытия
медицинского работника; вызвать скорую помощь или врача, либо принять меры для
транспортировки пострадавшего в ближайшее лечебное учреждение;
доложить старшему электромеханику, диспетчеру дистанции.
В случае возникновения пожара следует:
вызвать пожарную команду;
отключить электроэнергию на загоревшемся объекте ;
сообщить о случившемся руководству дистанции, вызвать старшего
электромеханика;
приступить к ликвидации очага возгорания имеющимися первичными средствами
пожаротушения (огнетушителями, песком, водой и др.). Если ликвидировать пожар
своими силами не удалось или невозможно и надо ждать пожарную команду,
необходимо закрыть все окна и двери в загоревшемся здании с тем, чтобы
ограничить доступ воздуха к очагу горения. Организовать эвакуацию работников,
вынос оборудования, аппаратуры и охрану их, вывоз транспортных средств,
документов и другого имущества. Выходить из очага пожара следует согнувшись или
ползком, закрыв нос и рот платком, смоченным водой. Если зона горения небольшая
ее закрывают брезентом или засыпают песком. Следует помнить что нельзя тушить
водой электрооборудование, находящееся под напряжением, карбид кальция, горючие
жидкости так как в этом случае очаг горения резко увеличивается.
При возникновении пожара необходимо:
при загорании электрических проводов и электрооборудования прежде всего
выключить рубильник подачи электроэнергии, снять предохранители и тушить пожар
углекислотными огнетушителями типа ОУ .
Необходимо помнить, что после исчезновения напряжения с электроустановки
оно может быть подано вновь без предупреждения.
Перед началом работы следует тщательно проверить внешним осмотром
электроинструмент, понижающие трансформаторы, переносные электрические
светильники. При осмотре необходимо обращать внимание на исправность заземления
и состояние изоляции проводов, наличие оголенных токоведущих частей и
соответствие инструмента условиям работы. Пользоваться электроинструментом и
переносными электрическими светильниками имеющими дефект запрещается.
Для присоединения к сети электроинструмента и переносных электрических
светильников должен применятся шланговый провод двойной изоляции.
При пользовании электроинструментом и переносными электрическими
светильниками их провода или кабели должны по возможности подвешиваться ,
непосредственное соприкосновение проводов и кабелей с металлическими горячими,
влажными и масляными поверхностями или предметами не допускается.
При прекращении подачи тока при работе с электроинструментом или при
перерыве в работе электроинструмент должен быть выключен и отсоединен от сети.
Все электроинструменты и приборы имеют закрытые и изолированные вводы
питающих проводов, ручки электроинструментов и приборов изолированные.
Запрещается исправлять и регулировать электроинструмент при его включенном
состоянии.
К защитным средствам относятся: ограждения, барьеры, изоляционные
решётки, резиновые коврики, заземления, блокировка, сигнализация, инструмент с
изолированными ручками, резиновые перчатки, боты,.
При работах используют предупредительные и отличительные обозначения. К
ним относятся плакаты и надписи, указывающие на наличие напряжений, маркировка
и окраска токоведущих частей.
Все работы во вводно-распределительных шкафах выполняются в комбинезоне с
рукавами, застёгнутыми у кистей рук, и в головном уборе. Во время грозы и при
её приближении запрещается производить работы на светофорах, в кабельных
ящиках, шкафах, на вводных щитках и стойках.
Заключение
В ходе выполнения дипломного проекта были рассмотрены вопросы
оборудования станции Круговец линейным комплектом диспетчерской централизации
системы «Неман» такие как разработка программ-моделей станции для управления и
контроля объектами ЭЦ и увязка диспетчерской централизации с электрической
централизацией.
В пояснительной записке дипломного проекта рассмотрена структура
линейного комплекта диспетчерской централизации «Неман», приведено техническое
описание линейного комплекта. Рассмотрены электрические схемы блоков
телеуправления, телесигнализации, устройства сопряжения. Приведено описание
сигналов телеуправления и телесигнализации, схемы коммутации блоков к объектам
контроля и управления. Уделено внимание вопросам по электропитанию аппаратуры
диспетчерской централизации «Неман».
В дипломном проекте приведены схемы увязки диспетчерской централизации
«Неман» с устройствами электрической централизации и проведен анализ работы
этих схем.
В заключительной части дипломного проекта приведен расчет надежности
блока телеуправления по λ характеристикам.
В экономической части был произведен расчет экономического эффекта от
создания программного обеспечения для управления и контроля объектов ЭЦ на
станции Круговец посредством ДЦ «Неман».
В рамках охраны труда был рассмотрен вопрос по обеспечению безопасности
при обслуживании устройств диспетчерской централизации системы «Неман».
Список
используемых источников
1. Пенкин
Н. Ф., Диспетчерская централизация М.: «Транспорт», 1963. 328 с.
2. Пенкин
Н.Ф., Диспетчерская централизация системы «ЛУЧ» М.: «Транспорт» 1982. 300 с.
. Правила
технической эксплуатации Белорусской железной дороги М: «Транспорт»,1994,160 с.
. Саенко
Н.Н., Гавзов Д.В., Никитин А.Б. Автоматизация диспетчерского управления
перевозочным процессом // Автоматика, телемеханика и связь. 1995 №6-с.9-11.
. Системы
железнодорожной автоматики и телемеханики / Ю.А.Кравцов, В.Л.Нестеров,
Г.Ф.Лекута и др.; Под ред. Ю.А.Кравцова. М.: Транспорт, 1996- 440с.
. Модернизация
устройств ДЦ в автоматизированных центрах диспетчерского управления //
Автоматика, телемеханика и связь. 2000. М2-С.12-20.
. Инструкция
по движению поездов и маневровой работе на Бел. ж.д.. М: «Транспорт»,
1994.-288с
. Диспетчерская
централизация на базе комплекса технических средств «Неман». Техническое
описание. Мн.: КТБ Бел. ж.д., 1998.
. Система
диспетчерской централизации и управления движением поездов ДЦ «Неман».
Технические условия. ТУ РБ 00047792.014-99. Мн.: КТБ Бел. ж.д., 1999
. Комплект
линейный. Техническое описание и инструкция по эксплуатации. ТО РБ БЧ
6102.808.01-98. Мн.: КТБ Бел. ж.д., 1998.
. Система
диспетчерской централизации и управления движением поездов ДЦ «Неман».
Инструкция по проектированию станций и участков. Мн.: КТБ Бел. ж.д., 1999.
. Блок
ТУ16-1 телеуправления. Технические условия ТУ РБ 00047792.004-99. Мн.:КТБ Бел.
Ж.ж., 1999
. Блок
ТУ16-1 телеуправления. Руководство по эксплуатации РЭ РБ БЧ 47.808.60-99.
Мн.:КТБ Бел. Ж.ж., 1999
. Блок
ТС32-1 телесигнализации. Технические условия ТУ РБ 00047792.003-99. Мн.:КТБ
Бел. Ж.ж., 1999
. Блок
ТС32-1 телесигнализации. Руководство по эксплуатации РЭ РБ БЧ 47.808.50-99.
Мн.:КТБ Бел. Ж.ж., 1999
. Устройство
сопряжения Ц32. Технические условия ТУ РБ 00047792.005-99. Мн.:КТБ Бел. Ж.ж.,
1999
. Устройство
сопряжения Ц32. Руководство по эксплуатации. РЭ РБ БЧ 47.808.30-99 Мн.: КТБ
Бел. ж.д., 1999.
. Технические
решения по увязке диспетчерской централизации «Неман» с устройствами ЭЦ. Увязка
с типовыми решениями альбомов ЭЦ-9, ЭЦ-12, ЭЦ-К, МРЦ-13, ЭЦИ, БМРЦ. Мн.: КТБ
Бел. ж.д., 1999.
. О.И.Лагутенко.
Модемы. Справочник пользователя. Санкт-Петербург, 1997
. А.Ф.
Михайлов, Л.А. Частоедов Электропитающие устройства и линейные сооружения
автоматики, телемеханики и связи железнодорожного транспорта М: «Транспорт»,1987.-382с
. Архитектура
программного обеспечения ДЦ «Неман» и описание компонентов систем. Мн.: КТБ
Бел. ж.д., 1998
. Методы
построения безопасных микроэлектронных систем железнодорожной автоматики. В.В.
Сапожников, Вл.В. Сапожников, Х.А. Христов, Д.В. Гавзов; Под ред. Вл. В.
Сапожникова. - М.: Транспорт. 1995
. ОСТ
32.112-98 «Системы железнодорожной автоматики и телемеханики.
Эксплуатационно-технические требования к системам ДЦ»
. Охрана
труда на железнодорожном транспорте: Учебник для вузов ж.-д. транспорта / Ю.Г.
Сибаров, В.О. Дегтярев и др.; Под ред. Ю.Г. Сибарова.-М.: «Транспорт» , 1981
-287с
. А.Ф.
Михайлов, Г.К. Ефимов Охрана труда в хозяйстве сигнализации и связи.- М.:
«Транспорт», 1979.-151с
. С.Н.
Шатило, А.М. Рудницкий, М.И. Грунтова Проектирование искусственного освещения
производственных помещений: Методические указания к дипломному проектированию и
самостоятльной работе по охране труда.- Гомель:БелИИЖТ,1990 - 65с
. Определение
экономической эффективности устройств автоматики и телемеханики на
железнодорожных участках: Методические указания по курсовому и дипломному
проектированию для студентов специальности «Автоматика, телемеханика и связь на
железнодорожном транспорте».-3-е изд., перераб./Разраб.: Н.Д. Малькевич, В.Г.
Гизатулина, Л.А. Богомолов, А.Ф. Сыцко.- Гомель: БелИИЖТ, 1987-39 с
. Экономика
железнодорожного транспорта: Учебник для вузов ж.-д. транспорта / М.Н.
Беленький, В.А. Дмитриев, А.И. Журавель и др.;Под ред. В.А. Дмитриева и Ф.П.
Мулюкина.-3-е изд., перераб. и доп. - М.: Транспорт, 1985, - 438
. К.А.Бочков,
Ю.Ф.Березняцкий. Надежность устройств железнодорожной автоматики, телемеханики
и связи.: Гомель БелГУТ, 1998.
. Сороко
В.И., Милюков В.А. Аппаратура железнодорожной автоматики и телемеханики:
Справочник: в 2 кн. - з-е изд. - М.: НПФ “Планета”, 2000.
. РТМ
32 ЦШ 115842.01-94. Руководящий технический материал. Безопасность
железнодорожной автоматики и телемеханики. Методы и принципы обеспечения
безопасности микроэлектронных СЖАТ. Санкт-Петербург, 1994..
. Автоматика,
телемеханика и связь на транспорте: Пособие по оформлению дипломных проектов /
Бочков К.А., Серенков А.Г., Кондрачук В.Ф., Харлап С.Н. - Гомель: БелГУТ, 2002.
диспетчерская
централизация станция
Приложение А. ФУНКЦИИ, ВЫПОЛНЯЕМЫЕ ДЦ «НЕМАН»
Приложение Б.
БЛОК ТУ-16
Приложение В.
Резистивная матрица блока ТУ16
Приложение Г.
БЛОК ТС-32
Приложение Д.
Резистивная матрица блока ТС32
Приложение Е. УСТРОЙСТВО СОПРЯЖЕНИЯ Ц32

Приложение Ж.
ТАБЛИЦА ИМПУЛЬСОВ ТС
Приложение З.
ТАБЛИЦА ИМПУЛЬСОВ ТУ
Приложение И.
Пояснения к ТАБЛИЦЕ ИМПУЛЬСОВ
ИЗВЕСТИТЕЛЬНЫЕ КОДЫ
…ПК - «Плюсовой » контроль стрелок;
…МК - «Минусовой » контроль стрелок;
…ВЗ -Контроль взреза стрелок;
…П -Занятие путей;
…СП -Занятие стрелочных секций;
…Пз -Замыкание путей;
…СПз -Замыкание стрелочных секций;
…Я -Ячейка подсветки светофора;
…С -Открытие поездных сигналов;
…ПС -Открытие пригласительных сигналов;
…КО - Перегорание ламы красного света станционных светофоров;
…А -Неисправность входного светофора;
…СО -Авария входного светофора;
…О -Перегорание ламп станционных светофоров;
…МС -Открытие маневровых светофоров;
ЧКПБ -Контроль свободности перегона четного;
ЧКПК -Контроль занятости перегона четного;
ЧПП -Контроль получения отправления и прибытия;
НПО -Контроль путевого отправления;
ЧДС -Контроль дачи согласия на отправления с соседней станции;
УНПС -Контроль получения согласия на отправление;
НКЖ -Изъятие ключа-жезла (по отправлению соответствующего подхода);
НМ -Контроль нечетного маневрового маршрута;
Ч -Контроль четного поездного маршрута;
ЧМ -Контроль четного маневрового маршрута;
ВГ -Включение групповой отмены;
ОГ -Начало групповой отмены;
ОС -Отмена со свободного пути
ОП -Отмена поездного маршрута с занятого пути;
ОМ -Отмена маневрового маршрута с занятого пути;
РИ -Искусственное размыкание;
ВУ -Вспомогательное управление;
КМ -Контроль переключения на макет;
РКМП -Положение рукоятки макета «+»
РКММ --Положение рукоятки макета «+»
СО -Контроль очистки стрелок;
С -Контроль синхронизации;
КРБ -Контроль батареи;
КВСЗ -Контроль включения сигнализатора заземления;
КСЗ -Контроль сигнализатора заземления;
ДН -Режим питания светофоров «День»;
НН -Режим питания светофоров «Ночь»;
ДСН -Режим двойного снижения напряжения;
КПП -Контроль перегорания предохранителей;
КПА -Неисправность схемы питания КПП;
ДГА -Пуск ДГА;
АДГА -Авария ДГА;
Ф1Б,Ф2Б -Контроль рабочего фидера;
Ф1К,Ф2К -Контроль пропадания фидеров;
НЗС -Контроль размыкания стрелок нечетных;
НЗСМ -Контроль замыкания стрелок нечетных;
ЧЗС -Контроль размыкания стрелок четных;
ЧЗСМ -Контроль замыкания стрелок нечетных;
КЩБ -Контроль питания в ЩВПУ;
КЩК -Контроль пропадания питания в ЩВПУ;
УПРАВЛЯЮЩИЕ КОДЫ
…ПК -Перевод стрелки в плюсовое положение;
…МК -Перевод стрелки в минусовое положение;
…К -Управление поездным сигналом;
ДН -Режим «День»;
НН -Режим «День»;
ДСН -Включение режима «двойное снижение напряжения»;
ВСН -Отмена режима «двойное снижение напряжения»;
ВУ -Вспомогательное управление;
НДС -Дача согласия на отправление;
ОНДС -Отмена согласия на отправление;
ОГ -Отмена маршрута;
СУ -Передача на сезонное управление;
ВТ -Вызов к телефону ДСП;
ПИР -Групповая искусственная разделка;
…ИР -Искусственная разделка секций;
ПЗСН -Предварительное замыкание стрелок нечетных;
ЗСН -Замыкание стрелок нечетных;
ПОЗСН -Отмена предварительного замыкания стрелок нечетных;
ОЗСН -Отмена замыкания стрелок нечетных;
ПЗСЧ -Предварительное замыкание стрелок четных;
ЗСЧ -Замыкание стрелок четных;
ПОЗСЧ -Отмена предварительного замыкания стрелок четных;
ОЗСЧ -Отмена замыкания стрелок четных;
Приложение К. ЛИСТИНГ ПРОГРАММ-МОДЕЛЕЙ СТАНЦИИ
@BASA стрелка 2
@BASA стрелка 4
@BASA стрелка 6
@BASA стрелка 8
@BASA стрелка 31
@BASA стрелка 33
@BASA стрелка 35
@BASA стрелка 37
@BASA стрелка 39
@BASA стрСекция 2-4
@BASA стрСекция 6
@BASA стрСекция 8
@BASA стрСекция 31
@BASA стрСекция 33
@BASA стрСекция 35
@BASA стрСекция 37
@BASA бесстрСекция ЧП
@BASA стрСекция 39
@BASA блокУчасток 1Ч
@BASA путь 1
@BASA путь 2А
@BASA путь 2Б
@BASA путь 3
@BASA путь 4
@BASA путь 5
@BASA входной Ч
@BASA повторСигнал ПЧ
@BASA выхМаневровыйН1
@BASA выхМаневровыйН2
@BASA выхМаневровыйН3
@BASA выхМаневровыйН4
@BASA выхМаневровыйН5
@BASA маневровый М2
@BASA маневровый М19
@BASA маневровый М21
@BASA маневровый М27
@BASA маневровый М29
@BASA маневровый М31
@BASA маневровый М33
@BASA маневровый М35
@BASA маневровый М37
@BASA маневровый М39
@BASA маневровый М41
@BASA маневровый М43
@BASA блокНаправленЧ
@BASA кнопка ДН
@BASA кнопка НН
@BASA блокСвязи СВЯЗЬ
@BASA кнопка ДСН
@BASA кнопка ВСН
@BASA кнопка ВУ
@BASA кнопка НДС
@BASA кнопка ОГ
@BASA кнопка СУ
@BASA кнопка ВТ
@BASA кнопка ЗСН
@BASA кнопка ЗСЧ
@BASA объект Ч ЧМ
@BASA объект Н НМ
@BASA объект ОТМЕНА
@BASA объект СВОБОДН
@BASA объект ПОЕЗДН
@BASA объект МАНЕВР
@BASA объект ИСКУССТ
@BASA объект ВУ
@BASA объект МАКЕТ
@BASA объект РКМП
@BASA объект РКММ
@BASA объект ОЧИСТКА
@BASA объект СИНХРОН
@BASA объект БАТАРЕЯ
@BASA объект ЗЕМЛЯ
@BASA объект ДЕНЬ
@BASA объект НОЧЬ
@BASA объект ДСН
@BASA объект ПРЕДОХР
@BASA объект ДГА
@BASA объект АДГА
@BASA объект ФИДЕР1
@BASA объект ФИДЕР2
@BASA объект ВЗРЕЗ
@BASA объект НЗС
@BASA объект ЧЗС
@BASA объект ЩВПУ
@BASA станция ПЗ
@BASA станция название
@BASA станция номер
@BASA станция подходы
@CON блокУчасток 2Ч 2 блокУчасток 1Ч 1
@CON блокУчасток 1Ч 2 бесстрСекция ЧП 1
@CON бесстрСекция ЧП 2 стрелка 2 0
@CON стрелка 2 1 стрелка 4 0
@CON стрелка 4 1 стрелка 6 0
@CON стрелка 6 1 путь 3 1
@CON путь 3 2 стрелка 31 1
@CON стрелка 6 2 путь 2А 1
@CON путь 2А 2 стрелка 39 1
@CON стрелка 39 0 путь 2Б 1
@CON путь 2Б 2 стрелка 33 0
@CON стрелка 33 2 стрелка 31 2
@CON стрелка 2 2 путь 1 1
@CON путь 1 2 стрелка 39 2
@CON стрелка 4 2 стрелка 8 0
@CON стрелка 8 1 путь 4 1
@CON путь 4 2 стрелка 35 1
@CON стрелка 8 2 путь 5 1
@CON путь 5 2 стрелка 37 0
@CON стрелка 37 2 стрелка 35 2
@CON стрелка 33 1 бесстрСекция М29 1
@CON стрелка 31 0 бесстрСекция М19 1
@CON стрелка 35 0 бесстрСекция М21 1
@CON стрелка 37 1 бесстрСекция М27 1
@CON входной Ч 1 блокУчасток 1Ч 2
@CON входной Ч 2 бесстрСекция ЧП 1
@CON повторСигнал ПЧ 1 блокУчасток 2Ч 2
@CON повторСигнал ПЧ 2 блокУчасток 1Ч 1
@CON выхМаневровыйН1 1 путь 1 1
@CON выхМаневровыйН1 2 стрелка 2 2
@CON выхМаневровыйН2 1 путь 2А 1
@CON выхМаневровыйН2 2 стрелка 6 2
@CON выхМаневровыйН3 1 путь 3 1
@CON выхМаневровыйН3 2 стрелка 6 1
@CON выхМаневровыйН4 1 путь 4 1
@CON выхМаневровыйН4 2 стрелка 8 1
@CON выхМаневровыйН5 1 путь 5 1
@CON выхМаневровыйН5 2 стрелка 8 2
@CON маневровый М2 1 бесстрСекция ЧП 2
@CON маневровый М2 2 стрелка 2 0
@CON маневровый М19 1 бесстрСекция М19 1
@CON маневровый М19 2 стрелка 31 0
@CON маневровый М21 1 бесстрСекция М21 1
@CON маневровый М21 2 стрелка 35 0
@CON маневровый М27 1 бесстрСекция М27 1
@CON маневровый М27 2 стрелка 37 1
@CON маневровый М29 1 бесстрСекция М29 1
@CON маневровый М29 2 стрелка 33 1
@CON маневровый М31 1 путь 3 2
@CON маневровый М31 2 стрелка 31 1
@CON маневровый М33 1 путь 4 2
@CON маневровый М33 2 стрелка 35 1
@CON маневровый М35 1 путь 2Б 2
@CON маневровый М35 2 стрелка 33 0
@CON маневровый М37 1 путь 5 2
@CON маневровый М37 2 стрелка 37 0
@CON маневровый М39 1 путь 2Б 1
@CON маневровый М39 2 стрелка 39 0
@CON маневровый М41 1 путь 1 2
@CON маневровый М41 2 стрелка 39 2
@CON маневровый М43 1 путь 2А 2
@CON маневровый М43 2 стрелка 39 1
@CONTROL Прямой стрелка 2 плюс 2ПК
@CONTROL Прямой стрелка 4 плюс 4ПК
@CONTROL Прямой стрелка 6 плюс 6ПК
@CONTROL Прямой стрелка 8 плюс 8ПК
@CONTROL Прямой стрелка 31 плюс 31\33ПК
@CONTROL Прямой стрелка 33 плюс 31\33ПК
@CONTROL Прямой стрелка 35 плюс 35\37ПК
@CONTROL Прямой стрелка 37 плюс 35\37ПК
@CONTROL Прямой стрелка 39 плюс 39ПК
@CONTROL Прямой стрелка 2 минус 2МК
@CONTROL Прямой стрелка 4 минус 4МК
@CONTROL Прямой стрелка 8 минус 8МК
@CONTROL Прямой стрелка 31 минус 31\33МК
@CONTROL Прямой стрелка 33 минус 31\33МК
@CONTROL Прямой стрелка 35 минус 35\37МК
@CONTROL Прямой стрелка 37 минус 35\37МК
@CONTROL Прямой стрелка 39 минус 39МК
@CONTROL Прямой объект ВЗРЕЗ контрМигДанных 2ВЗ
@CONTROL Прямой объект ВЗРЕЗ контрМигДанных 4ВЗ
@CONTROL Прямой объект ВЗРЕЗ контрМигДанных 6ВЗ
@CONTROL Прямой объект ВЗРЕЗ контрМигДанных 8ВЗ
@CONTROL Прямой объект ВЗРЕЗ контрМигДанных 31\33ВЗ
@CONTROL Прямой объект ВЗРЕЗ контрМигДанных 35\37ВЗ
@CONTROL Прямой объект ВЗРЕЗ контрМигДанных 39ВЗ
@CONTROL Прямой бесстрСекция ЧП занятие ЧП
@CONTROL Прямой стрСекция 2-4 занятие 2-4СП
@CONTROL Прямой стрСекция 6 занятие 6СП
@CONTROL Прямой стрСекция 8 занятие 8СП
@CONTROL Прямой стрСекция 31 занятие 31СП
@CONTROL Прямой стрСекция 33 занятие 33СП
@CONTROL Прямой стрСекция 35 занятие 35СП
@CONTROL Прямой стрСекция 37 занятие 37СП
@CONTROL Прямой стрСекция 39 занятие 39СП
@CONTROL Прямой путь 1 занятие 1П
@CONTROL Прямой путь 2А занятие 2АП
@CONTROL Прямой путь 2Б занятие 2БП
@CONTROL Прямой путь 3 занятие 3П
@CONTROL Прямой путь 4 занятие 4П
@CONTROL Прямой путь 5 занятие 5П
@CONTROL Прямой бесстрСекция ЧП замыкание ЧПЗ
@CONTROL Прямой стрСекция 2-4 замыкание 2-4СПЗ
@CONTROL Прямой стрСекция 6 замыкание 6СПЗ
@CONTROL Прямой стрСекция 8 замыкание 8СПЗ
@CONTROL Прямой стрСекция 31 замыкание 31СП3
@CONTROL Прямой стрСекция 33 замыкание 33СПЗ
@CONTROL Прямой стрСекция 35 замыкание 35СПЗ
@CONTROL Прямой стрСекция 37 замыкание 37СПЗ
@CONTROL Прямой стрСекция 39 замыкание 39СПЗ
@CONTROL Прямой путь 1 замыкание 1ПЗ
@CONTROL Прямой путь 2А замыкание 2АПЗ
@CONTROL Прямой путь 2Б замыкание 2БПЗ
@CONTROL Прямой путь 3 замыкание 3ПЗ
@CONTROL Прямой путь 4 замыкание 4ПЗ
@CONTROL Прямой путь 5 замыкание 5ПЗ
@CONTROL Прямой входной Ч зеленаяЯчейка ЧЯ
@CONTROL Прямой входной Ч поездной ЧС
@CONTROL Прямой входной Ч пригласительный ЧПС
@CONTROL ПрямойИ входной Ч огневоеРеле ЧКО
@CONTROL Прямой входной Ч контрНеиспрСигнаЧА
@CONTROL Прямой входной Ч контрАварияСигнаЧСО
@CONTROL Прямой повторСигнал ПЧ поездной ПЧС
@CONTROL Прямой повторСигнал ПЧ неисправность ПЧО
@CONTROL Прямой выхМаневровый Н1 поездной Н1С
@CONTROL Прямой выхМаневровый Н1 зеленаяЯчейка Н1Я
@CONTROL Прямой выхМаневровый Н2 поездной Н2С
@CONTROL Прямой выхМаневровый Н2 зеленаяЯчейка Н2Я
@CONTROL Прямой выхМаневровый Н3 поездной Н3С
@CONTROL Прямой выхМаневровый Н3 зеленаяЯчейка Н3Я
@CONTROL Прямой выхМаневровый Н4 поездной Н4С
@CONTROL Прямой выхМаневровый Н4 зеленаяЯчейка Н4Я
@CONTROL Прямой выхМаневровый Н5 поездной Н5С
@CONTROL Прямой выхМаневровый Н5 зеленаяЯчейка Н5Я
@CONTROL Прямой выхМаневровый Н1 маневровый Н1МС
@CONTROL Прямой выхМаневровый Н1 неисправность Н1О
@CONTROL Прямой выхМаневровый Н2 маневровый Н2МС
@CONTROL Прямой выхМаневровый Н2 неисправность Н2О
@CONTROL Прямой выхМаневровый Н3 маневровый Н3МС
@CONTROL Прямой выхМаневровый Н3 неисправность Н3О
@CONTROL Прямой выхМаневровый Н4 маневровый Н4МС
@CONTROL Прямой выхМаневровый Н4 неисправность Н4О
@CONTROL Прямой выхМаневровый Н5 маневровый Н5МС
@CONTROL Прямой выхМаневровый Н5 неисправность Н5О
@CONTROL Прямой маневровый М19 маневровый М19С
@CONTROL Прямой маневровый М19 зеленаяЯчейка М19Я
@CONTROL Прямой маневровый М19 неисправность М19О
@CONTROL Прямой маневровый М21 маневровый М21С
@CONTROL Прямой маневровый М21 зеленаяЯчейка М21Я
@CONTROL Прямой маневровый М21 неисправность М21О
@CONTROL Прямой маневровый М27 маневровый М27С
@CONTROL Прямой маневровый М27 зеленаяЯчейка М27Я
@CONTROL Прямой маневровый М27 неисправность М27О
@CONTROL Прямой маневровый М29 маневровый М29С
@CONTROL Прямой маневровый М29 зеленаяЯчейка М29Я
@CONTROL Прямой маневровый М29 неисправность М29О
@CONTROL Прямой маневровый М31 маневровый М31С
@CONTROL Прямой маневровый М31 зеленаяЯчейка М31Я
@CONTROL Прямой маневровый М31 неисправность М31О
@CONTROL Прямой маневровый М33 маневровый М33С
@CONTROL Прямой маневровый М33 зеленаяЯчейка М33Я
@CONTROL Прямой маневровый М33 неисправность М33О
@CONTROL Прямой маневровый М35 маневровый М35С
@CONTROL Прямой маневровый М35 зеленаяЯчейка М35Я
@CONTROL Прямой маневровый М35 неисправность М35О
@CONTROL Прямой маневровый М37 маневровый М37С
@CONTROL Прямой маневровый М37 зеленаяЯчейка М37Я
@CONTROL Прямой маневровый М37 неисправность М37О
@CONTROL Прямой маневровый М39 маневровый М39С
@CONTROL Прямой маневровый М39 зеленаяЯчейка М39Я
@CONTROL Прямой маневровый М39 неисправность М39О
@CONTROL Прямой маневровый М41 маневровый М41С
@CONTROL Прямой маневровый М41 зеленаяЯчейка М41Я
@CONTROL Прямой маневровый М41 неисправность М41О
@CONTROL Прямой маневровый М43 маневровый М43С
@CONTROL Прямой маневровый М43 зеленаяЯчейка М43Я
@CONTROL Прямой маневровый М43 неисправность М43О
@CONTROL Прямой маневровый М2 маневровый М2С
@CONTROL Прямой маневровый М2 зеленаяЯчейка М2Я
@CONTROL Прямой маневровый М2 неисправность М2О
@CONTROL Прямой блокУчасток 1Ч xtb_fr 1ЧКПБ
@CONTROL Прямой блокУчасток 1Ч занятие 1ЧКПК
@CONTROL Прямой блокУчасток 2Ч xtb_fr 2ЧКПБ
@CONTROL Прямой блокУчасток 2Ч занятие 2ЧКПК
@CONTROL Прямой блокНаправленияЧ контрПрием ЧПП
@CONTROL Прямой блокНаправленияЧ контрЗанятОтпр НПО
@CONTROL Прямой блокНаправленияЧ xdir_ts_dri ЧДС
@CONTROL Прямой блокНаправленияЧ контрОтправлениеУНПС
@CONTROL Прямой блокНаправленияЧ контрКлючЖезл НКЖ
@CONTROL Прямой кнопка ДН контрКнЖелт ДН
@CONTROL Прямой кнопка НН контрКнЖелт НН
@CONTROL Управление кнопка ДН комКн1 ДН
@CONTROL Управление кнопка НН комКн1 НН
@CONTROL Прямой кнопка ДСН контрКнКрасн ДСН
@CONTROL Прямой кнопка ДСН контрКнКраснЧернДСНМ
@CONTROL Управление кнопка ДСН комКн1 ДСН
@CONTROL Управление кнопка ДСН комКн2 ВСН
@CONTROL Прямой кнопка ВУ контрКнКрасн ВУ
@CONTROL Управление кнопка ВУ комКн1 ВУ
@CONTROL Управление кнопка НДС комКн1 НДС
@CONTROL Управление кнопка НДС комКн2 ОНДС
@CONTROL Прямой кнопка ОГ контрКнКрасн ВГ
@CONTROL Прямой кнопка ОГ контрКнКраснЧернОГ
@CONTROL Управление кнопка ОГ комКн1 ОГ
@CONTROL Прямой маршУправление 1 контрСезонУпрМигСУ
@CONTROL Управление блокСвязи СВЯЗЬ вызовТелефон ВТ
@CONTROL Управление кнопка ЗСН комКн1 ПЗСН
@CONTROL Управление кнопка ЗСН комКн2 ЗСН
@CONTROL Управление кнопка ОЗСН комКн1 ПОЗСН
@CONTROL Управление кнопка ОЗСН комКн2 ОЗСН
@CONTROL Управление кнопка ЗСЧ комКн1 ПЗСЧ
@CONTROL Управление кнопка ЗСЧ комКн2 ЗСЧ
@CONTROL Управление кнопка ОЗСЧ комКн1 ПОЗСЧ
@CONTROL Управление кнопка ОЗСЧ комКн2 ОЗСЧ
@CONTROL Прямой объект Н НМ контрМигДанных НМ
@CONTROL Прямой объект Ч ЧМ контрНепрерДанныЧ
@CONTROL Прямой объект Ч ЧМ контрМигДанных ЧМ
@CONTROL Прямой объект ОТМЕНА контрНепрерДанныВГ
@CONTROL Прямой объект ОТМЕНА контрМигДанных ОГ
@CONTROL Прямой объект СВОБОДН контрНепрерДанныОС
@CONTROL Прямой объект СВОБОДН контрМигДанных ОСМ
@CONTROL Прямой объект ПОЕЗДН контрНепрерДанныОП
@CONTROL Прямой объект ПОЕЗДН контрМигДанных ОПМ
@CONTROL Прямой объект МАНЕВР контрНепрерДанныОМ
@CONTROL Прямой объект МАНЕВР контрМигДанных ОММ
@CONTROL Прямой объект ИСКУССТ контрНепрерДанныРИ
@CONTROL Прямой объект ВУ контрМигДанных ВУ
@CONTROL Прямой объект МАКЕТ контрМигДанных КМ
@CONTROL Прямой объект РКМП контрНепрерДанныРКМП
@CONTROL Прямой объект РКММ контрНепрерДанныРКММ
@CONTROL Прямой объект ОЧИСТКА контрНепрерДанныСО
@CONTROL Прямой объект СИНХРОН контрНепрерДанныС
@CONTROL Прямой объект БАТАРЕЯ контрНепрерДанныКРБ
@CONTROL Прямой объект ЗЕМЛЯ контрНепрерДанныКВСЗ
@CONTROL Прямой объект ЗЕМЛЯ контрМигДанных КСЗ
@CONTROL Прямой объект ДЕНЬ контрНепрерДанныДН
@CONTROL Прямой объект НОЧЬ контрНепрерДанныНН
@CONTROL Прямой объект ДСН контрНепрерДанныДСН
@CONTROL Прямой объект ДСН контрМигДанных ДСНМ
@CONTROL Прямой объект ПРЕДОХР контрНепрерДанныКПП
@CONTROL Прямой объект ПРЕДОХР контрМигДанных КПА
@CONTROL Прямой объект ДГА контрНепрерДанныДГА
@CONTROL Прямой объект АДГА контрНепрерДанныАДГА
@CONTROL Прямой объект ФИДЕР1 контрНепрерДанныФ1Б
@CONTROL Прямой объект ФИДЕР1 контрНепрерДанныФ1К
@CONTROL Прямой объект ФИДЕР2 контрНепрерДанныФ2Б
@CONTROL Прямой объект ФИДЕР2 контрНепрерДанныФ2К
@CONTROL Прямой объект НЗС контрНепрерДанныНЗС
@CONTROL Прямой объект НЗС контрМигДанных НЗСМ
@CONTROL Прямой объект ЧЗС контрНепрерДанныЧЗС
@CONTROL Прямой объект ЧЗС контрМигДанных ЧЗСМ
@CONTROL Прямой объект ЩВПУ контрНепрерДанныКЩБ
@CONTROL Прямой объект ЩВПУ контрНепрерДанныКЩК
@CONTROL Прямой объект А контрМигДанных ЧА
@CONTROL Прямой объект А контрМигДанных ЧСО
@CONTROL Прямой объект А контрМигДанных ПЧО
@CONTROL Прямой объект А контрМигДанных Н1О
@CONTROL Прямой объект А контрМигДанных Н2О
@CONTROL Прямой объект А контрМигДанных Н3О
@CONTROL Прямой объект А контрМигДанных Н4О
@CONTROL Прямой объект А контрМигДанных Н5О
@CONTROL Прямой объект А контрМигДанных М19О
@CONTROL Прямой объект А контрМигДанных М21О
@CONTROL Прямой объект А контрМигДанных М27О
@CONTROL Прямой объект А контрМигДанных М29О
@CONTROL Прямой объект А контрМигДанных М31О
@CONTROL Прямой объект А контрМигДанных М33О
@CONTROL Прямой объект А контрМигДанных М35О
@CONTROL Прямой объект А контрМигДанных М37О
@CONTROL Прямой объект А контрМигДанных М39О
@CONTROL Прямой объект А контрМигДанных М41О
@CONTROL Прямой объект А контрМигДанных М43О
@CONTROL Прямой объект А контрМигДанных М2О
@CONTROL Прямой объект А контрМигДанных КРБ
@CONTROL Прямой объект А контрМигДанных КВСЗ
@CONTROL Прямой объект А контрМигДанных КСЗ
@CONTROL Прямой объект А контрМигДанных КПП
@CONTROL Прямой объект А контрМигДанных КПА
@CONTROL Прямой объект А контрМигДанных АДГА
@CONTROL Прямой объект А контрМигДанных Ф1К
@CONTROL Прямой объект А контрМигДанных Ф2К
@CONTROL Прямой объект А контрМигДанных КЩК
@CONTROL Управление стрелка 2 переводПлюс 2ПК
@CONTROL Управление стрелка 2 переводМинус 2МК
@CONTROL Управление стрелка 4 переводПлюс 4ПК
@CONTROL Управление стрелка 4 переводМинус 4МК
@CONTROL Управление стрелка 6 переводПлюс 6ПК
@CONTROL Управление стрелка 6 переводМинус 6МК
@CONTROL Управление стрелка 8 переводПлюс 8ПК
@CONTROL Управление стрелка 8 переводМинус 8МК
@CONTROL Управление стрелка 31 переводПлюс 31\33ПК
@CONTROL Управление стрелка 31 переводМинус 31\33МК
@CONTROL Управление стрелка 33 переводПлюс 31\33ПК
@CONTROL Управление стрелка 33 переводМинус 31\33МК
@CONTROL Управление стрелка 35 переводПлюс 35\37ПК
@CONTROL Управление стрелка 35 переводМинус 35\37МК
@CONTROL Управление стрелка 37 переводПлюс 35\37ПК
@CONTROL Управление стрелка 37 переводМинус 35\37МК
@CONTROL Управление стрелка 39 переводПлюс 39ПК
@CONTROL Управление стрелка 39 переводМинус 39МК
@CONTROL Управление входной Ч открПоездной ЧК
@CONTROL Управление входной ПЧ открПоездной ПЧК
@CONTROL Управление выхМаневровый Н1 открПоездной Н1К
@CONTROL Управление выхМаневровый Н2 открПоездной Н2К
@CONTROL Управление выхМаневровый Н3 открПоездной Н3К
@CONTROL Управление выхМаневровый Н4 открПоездной Н4К
@CONTROL Управление выхМаневровый Н5 открПоездной Н5К
@CONTROL Управление входной Ч закрПоездной ЧК О
@CONTROL Управление входной ПЧ закрПоездной ПЧК О
@CONTROL Управление выхМаневровый Н1 закрПоездной Н1К О
@CONTROL Управление выхМаневровый Н2 закрПоездной Н2К О
@CONTROL Управление выхМаневровый Н3 закрПоездной Н3К О
@CONTROL Управление выхМаневровый Н4 закрПоездной Н4К О
@CONTROL Управление выхМаневровый Н5 закрПоездной Н5К О
@ROUTE стрелка 2 плюсСтрел2+
@ROUTE стрелка 2 минусСтре2-
@ROUTE стрелка 4 плюсСтрел4+
@ROUTE стрелка 4 минусСтре4-
@ROUTE стрелка 6 плюсСтрел6+
@ROUTE стрелка 6 минусСтре6-
@ROUTE стрелка 8 плюсСтрел8+
@ROUTE стрелка 8 минусСтре8-
@ROUTE стрелка 31 плюсСтрел31+
@ROUTE стрелка 31 минусСтре31-
@ROUTE стрелка 33 плюсСтрел33+
@ROUTE стрелка 33 минусСтре33-
@ROUTE стрелка 35 плюсСтрел35+
@ROUTE стрелка 35 минусСтре35-
@ROUTE стрелка 37 плюсСтрел37+
@ROUTE стрелка 37 минусСтре37-
@ROUTE стрелка 39 плюсСтрел39+
@ROUTE стрелка 39 минусСтре39-
@ROUTE светофор Ч устПоезднЧ`Н1
@ROUTE светофор Ч отмПоезднЧ`Н1-
@ROUTE светофор Ч устПоезднЧ`Н2
@ROUTE светофор Ч отмПоезднЧ`Н2-
@ROUTE светофор Ч устПоезднЧ`Н3
@ROUTE светофор Ч отмПоезднЧ`Н3-
@ROUTE светофор Ч устПоезднЧ`Н4
@ROUTE светофор Ч отмПоезднЧ`Н4-
@ROUTE светофор Ч устПоезднЧ`Н5
@ROUTE светофор Ч отмПоезднЧ`Н5-
@ROUTE светофор Н1 устПоезднН1`Ч
@ROUTE светофор Н1 отмПоезднН1`Ч-
@ROUTE светофор Н2 устПоезднН2`Ч
@ROUTE светофор Н2 отмПоезднН2`Ч-
@ROUTE светофор Н3 устПоезднН3`Ч
@ROUTE светофор Н3 отмПоезднН3`Ч-
@ROUTE светофор Н4 устПоезднН4`Ч
@ROUTE светофор Н4 отмПоезднН4`Ч-
@ROUTE светофор Н5 устПоезднН5`Ч
@ROUTE светофор Н5 отмПоезднН5`Ч-
@ROUTE прямаяКомандаЧ`Н1 включить Ч Н1
@ROUTE прямаяКомандаЧ`Н2 включить Ч Н2
@ROUTE прямаяКомандаЧ`Н3 включить Ч Н3
@ROUTE прямаяКомандаЧ`Н4 включить Ч Н4
@ROUTE прямаяКомандаЧ`Н5 включить Ч Н5
@ROUTE прямаяКомандаН1`Ч включить Н1 Ч
@ROUTE прямаяКомандаН2`Ч включить Н2 Ч
@ROUTE прямаяКомандаН3`Ч включить Н3 Ч
@ROUTE прямаяКомандаН4`Ч включить Н4 Ч
@ROUTE прямаяКомандаН5`Ч включить Н5 Ч
@ROUTE прямаяКомандаГИР включить ГИР
@ROUTE прямаяКоманда31ИР включить 31ИР
@ROUTE прямаяКоманда33ИР включить 33ИР
@ROUTE прямаяКоманда35ИР включить 35ИР
@ROUTE прямаяКоманда37ИР включить 37ИР
@ROUTE прямаяКоманда39ИР включить 39ИР
@ROUTE прямаяКомандаЧГИР включить ЧГИР
@ROUTE прямаяКоманда2-4ИР включить 2-4ИР
@ROUTE прямаяКоманда6ИР включить 6ИР
@ROUTE прямаяКоманда8ИР включить 8ИР
@ROUTE кнопка ДЕНЬ кнопка1 НН
@ROUTE кнопка ДЕНЬ кнопка2 ДН
@ROUTE кнопка ДСН кнопка1 ДСН
@ROUTE кнопка ДСН кнопка2 ДСН-
@ROUTE кнопка ВУ кнопка1 ВУ
@ROUTE кнопка ВУ кнопка2 ВУ-
@ROUTE кнопка НДС кнопка1 НДС
@ROUTE кнопка НДС кнопка2 ОНДС
@ROUTE кнопка ОГ кнопка1 ОГ
@ROUTE кнопка ОГ кнопка2 ОГ-
@ROUTE маршУправлени1 сезонУпраСУ
@ROUTE маршУправлени1 отмСезонУСУ-
@ROUTE блокСвязи СВЯЗЬ вызовТелеВТ
@ROUTE блокСвязи СВЯЗЬ отмВызовТВТ-
@ROUTE маршУправлени1 сезонУпраОСУ
@ROUTE маршУправлени1 отмСезонУОСУ-
@ROUTE кнопка ОГ кнопка1 ОГ
@ROUTE кнопка ОГ кнопка2 ОГ-
@ROUTE кнопка СА кнопка1 ПСА
@ROUTE кнопка СА кнопка2 СА
@ROUTE кнопка ГРИ кнопка1 ПГРИ
@ROUTE кнопка ГРИ кнопка2 ГРИ
@ROUTE кнопка ВСН кнопка1 ВСН
@ROUTE кнопка ВСН кнопка2 ВСН-
@ROUTE блокСвязи СВЯЗЬ вызовТелеВТ
@ROUTE блокСвязи СВЯЗЬ отмВызовТВТ-
@ROUTE кнопка ЗСН кнопка1 ПЗСН
@ROUTE кнопка ЗСН кнопка2 ЗСН
@ROUTE кнопка ЗСЧ кнопка1 ПЗСЧ
@ROUTE кнопка ЗСЧ кнопка2 ЗСЧ
@ROUTE кнопка ОЗСН кнопка1 ПОЗСН
@ROUTE кнопка ОЗСН кнопка2 ОЗСН
@ROUTE кнопка ОЗСЧ кнопка1 ПОЗСЧ
@ROUTE кнопка ОЗСЧ кнопка2 ОЗСЧ
@WAY Подход Ч
@WAY 1 1 Г
@WAY 2А 2А Г
@WAY 2Б 2Б
@WAY 3 3
@WAY 4 4
@WAY 5 5
@REFER стрелка 2 стрСекция2-4
@REFER стрелка 4 стрСекция2-4
@REFER стрелка 6 стрСекция6
@REFER стрелка 8 стрСекция8
@REFER стрелка 31 стрСекция31
@REFER стрелка 33 стрСекция33
@REFER стрелка 35 стрСекция35
@REFER стрелка 37 стрСекция37
@REFER стрелка 39 стрСекция39
@TI 150903 2ПК 1 ТС
@TI 150903 6ПК 3 ТС
@TI 150903 8ПК 4 ТС
@TI 150903 31\33ПК 5 ТС
@TI 150903 35\37ПК 6 ТС
@TI 150903 39ПК 7 ТС
@TI 150903 2МК 8 ТС
@TI 150903 4МК 9 ТС
@TI 150903 6МК 10 ТС
@TI 150903 8МК 11 ТС
@TI 150903 31\33МК 12 ТС
@TI 150903 35\37МК 13 ТС
@TI 150903 39МК 14 ТС
@TI 150903 2ВЗ 15 ТС
@TI 150903 4ВЗ 16 ТС
@TI 150903 6ВЗ 17 ТС
@TI 150903 8ВЗ 18 ТС
@TI 150903 31\33ВЗ 19 ТС
@TI 150903 35\37ВЗ 20 ТС
@TI 150903 39ВЗ 21 ТС
@TI 150903 ЧП 22 ТС
@TI 150903 2-4СП 23 ТС
@TI 150903 6СП 24 ТС
@TI 150903 8СП 25 ТС
@TI 150903 31СП 26 ТС
@TI 150903 33СП 27 ТС
@TI 150903 35СП 28 ТС
@TI 150903 37СП 29 ТС
@TI 150903 39СП 30 ТС
@TI 150903 1П 31 ТС
@TI 150903 2АП 32 ТС
@TI 150903 2БП 33 ТС
@TI 150903 3П 34 ТС
@TI 150903 4П 35 ТС
@TI 150903 5П 36 ТС
@TI 150903 ЧПЗ 37 ТС
@TI 150903 2-4СПЗ 38 ТС
@TI 150903 6СПЗ 39 ТС
@TI 150903 8СПЗ 40 ТС
@TI 150903 31СП3 41 ТС
@TI 150903 33СПЗ 42 ТС
@TI 150903 35СПЗ 43 ТС
@TI 150903 37СПЗ 44 ТС
@TI 150903 39СПЗ 45 ТС
@TI 150903 1ПЗ 46 ТС
@TI 150903 2АПЗ 47 ТС
@TI 150903 2БПЗ 48 ТС
@TI 150903 3ПЗ 49 ТС
@TI 150903 4ПЗ 50 ТС
@TI 150903 5ПЗ 51 ТС
@TI 150903 ЧЯ 52 ТС
@TI 150903 ЧС 53 ТС
@TI 150903 ЧПС 54 ТС
@TI 150903 ЧКО 55 ТС
@TI 150903 ЧА 56 ТС
@TI 150903 ЧСО 57 ТС
@TI 150903 ПЧС 58 ТС
@TI 150903 ПЧО 59 ТС
@TI 150903 Н1С 60 ТС
@TI 150903 Н1Я 61 ТС
@TI 150903 Н2С 62 ТС
@TI 150903 Н2Я 63 ТС
@TI 150903 Н3С 64 ТС
@TI 150903 Н3Я 65 ТС
@TI 150903 Н4С 66 ТС
@TI 150903 Н4Я 67 ТС
@TI 150903 Н5С 68 ТС
@TI 150903 Н5Я 69 ТС
@TI 150903 Н1МС 70 ТС
@TI 150903 Н1О 71 ТС
@TI 150903 Н2МС 72 ТС
@TI 150903 Н2О 73 ТС
@TI 150903 Н3МС 74 ТС
@TI 150903 Н3О 75 ТС
@TI 150903 Н4КС 76 ТС
@TI 150903 Н4О 77 ТС
@TI 150903 Н5МС 78 ТС
@TI 150903 Н5О 79 ТС
@TI 150903 М19С 80 ТС
@TI 150903 М19Я 81 ТС
@TI 150903 М19О 82 ТС
@TI 150903 М21С 83 ТС
@TI 150903 М21Я 84 ТС
@TI 150903 М21О 85 ТС
@TI 150903 М27С 86 ТС
@TI 150903 М27Я 87 ТС
@TI 150903 М27О 88 ТС
@TI 150903 М29С 89 ТС
@TI 150903 М29Я 90 ТС
@TI 150903 М29О 91 ТС
@TI 150903 М31С 92 ТС
@TI 150903 М31Я 93 ТС
@TI 150903 М31О 94 ТС
@TI 150903 М33С 95 ТС
@TI 150903 М33Я 96 ТС
@TI 150903 М33О 97 ТС
@TI 150903 М35С 98 ТС
@TI 150903 М35Я 99 ТС
@TI 150903 М35О 100 ТС
@TI 150903 М37С 101 ТС
@TI 150903 М37Я 102 ТС
@TI 150903 М37О 103 ТС
@TI 150903 М39С 104 ТС
@TI 150903 М39Я 105 ТС
@TI 150903 М39О 106 ТС
@TI 150903 М41С 107 ТС
@TI 150903 М41Я 108 ТС
@TI 150903 М41О 109 ТС
@TI 150903 М43С 110 ТС
@TI 150903 М43Я 111 ТС
@TI 150903 М43О 112 ТС
@TI 150903 М2С 113 ТС
@TI 150903 М2Я 114 ТС
@TI 150903 М2О 115 ТС
@TI 150903 1ЧКПБ 116 ТС
@TI 150903 1ЧКПК 117 ТС
@TI 150903 2ЧКПБ 118 ТС
@TI 150903 2ЧКПК 119 ТС
@TI 150903 ЧПП 120 ТС
@TI 150903 НПО 121 ТС
@TI 150903 ЧДС 122 ТС
@TI 150903 УНПС 123 ТС
@TI 150903 НКЖ 124 ТС
@TI 150903 НМ 125 ТС
@TI 150903 Ч 126 ТС
@TI 150903 ЧМ 127 ТС
@TI 150903 ВГ 128 ТС
@TI 150903 ОГ 129 ТС
@TI 150903 ОС 130 ТС
@TI 150903 ОСМ 131 ТС
@TI 150903 ОП 132 ТС
@TI 150903 ОПМ 133 ТС
@TI 150903 ОМ 134 ТС
@TI 150903 ОММ 135 ТС
@TI 150903 РИ 136 ТС
@TI 150903 ВУ 137 ТС
@TI 150903 КМ 138 ТС
@TI 150903 РКМП 139 ТС
@TI 150903 РКММ 140 ТС
@TI 150903 СО 141 ТС
@TI 150903 С 142 ТС
@TI 150903 КРБ 143 ТС
@TI 150903 КВСЗ 144 ТС
@TI 150903 КСЗ 145 ТС
@TI 150903 ДН 146 ТС
@TI 150903 НН 147 ТС
@TI 150903 ДСН 148 ТС
@TI 150903 ДСНМ 149 ТС
@TI 150903 КПП 150 ТС
@TI 150903 КПА 151 ТС
@TI 150903 ДГА 152 ТС
@TI 150903 АДГА 153 ТС
@TI 150903 Ф1Б 154 ТС
@TI 150903 Ф1К 155 ТС
@TI 150903 Ф2Б 156 ТС
@TI 150903 Ф2К 157 ТС
@TI 150903 НЗС 158 ТС
@TI 150903 НЗСМ 159 ТС
@TI 150903 ЧЗС 160 ТС
@TI 150903 ЧЗСМ 161 ТС
@TI 150903 КЩБ 162 ТС
@TI 150903 КЩК 163 ТС
@TI 150903 31\33ПК 164 ТУ
@TI 150903 31\33МК 165 ТУ
@TI 150903 35\37ПК 166 ТУ
@TI 150903 35\37МК 167 ТУ
@TI 150903 39ПК 168 ТУ
@TI 150903 39МК 169 ТУ
@TI 150903 2ПК 170 ТУ
@TI 150903 2МК 171 ТУ
@TI 150903 4ПК 172 ТУ
@TI 150903 4МК 173 ТУ
@TI 150903 6ПК 174 ТУ
@TI 150903 6МК 175 ТУ
@TI 150903 8ПК 176 ТУ
@TI 150903 8МК 177 ТУ
@TI 150903 ЧК 178 ТУ
@TI 150903 ПЧК 179 ТУ
@TI 150903 Н1К 180 ТУ
@TI 150903 Н2К 181 ТУ
@TI 150903 Н3К 182 ТУ
@TI 150903 Н4К 183 ТУ
@TI 150903 Н5К 184 ТУ
@TI 150903 ДН 185 ТУ
@TI 150903 НН 186 ТУ
@TI 150903 ДСН 187 ТУ
@TI 150903 ВСН 188 ТУ
@TI 150903 ВУ 189 ТУ
@TI 150903 НДС 190 ТУ
@TI 150903 ОНДС 191 ТУ
@TI 150903 ОГ 192 ТУ
@TI 150903 СУ 193 ТУ
@TI 150903 ВТ 194 ТУ
@TI 150903 ГИР 195 ТУ
@TI 150903 31ИР 196 ТУ
@TI 150903 33ИР 197 ТУ
@TI 150903 35ИР 198 ТУ
@TI 150903 37ИР 199 ТУ
@TI 150903 39ИР 200 ТУ
@TI 150903 ЧПИР 201 ТУ
@TI 150903 2-4ИР 202 ТУ
@TI 150903 6ИР 203 ТУ
@TI 150903 8ИР 204 ТУ
@TI 150903 ПЗСН 205 ТУ
@TI 150903 ЗСН 206 ТУ
@TI 150903 ПОЗСН 207 ТУ
@TI 150903 ОЗСН 208 ТУ
@TI 150903 ПЗСЧ 209 ТУ
@TI 150903 ЗСЧ 210 ТУ
@TI 150903 ПОЗСЧ 211 ТУ
@TI 150903 ОЗСЧ 212 ТУ
Приложение Л.
SG и UG МОДЕЛИ СТАНЦИИ
Приложение Л.
передачА с автономного управления на диспетчерское и обратно
Приложение М.
УВЯЗКА БЛОКОВ ТС И ТУ