Назначение, устройство теплосчетчика, автоматизация его работы

  • Вид работы:
    Отчет по практике
  • Предмет:
    Информатика, ВТ, телекоммуникации
  • Язык:
    Русский
    ,
    Формат файла:
    MS Word
    1001,08 Кб
  • Опубликовано:
    2013-08-08
Вы можете узнать стоимость помощи в написании студенческой работы.
Помощь в написании работы, которую точно примут!

Назначение, устройство теплосчетчика, автоматизация его работы

Министерство образования и науки Российской Федерации

Государственное образовательное учреждение

Высшего профессионального образования

Владимирский государственный университет

Отчет по производственной практике

Выполнил: ст. гр. ПМИ-107

Богданов И.Д.

Руководитель практики:

доцент Бухаров Н.Н.





Владимир 2011

Содержание

 

Краткое описание приборов, входящих в состав теплосчетчика "Логика 8941"

Методика расчет гидравлических потерь на узле учета тепловой энергии теплоносителя

Схема электрическая подключения внешних устройств

Листинг программы для автоматизации выполнения расчетов и создания чертежей

Краткое описание приборов, входящих в состав теплосчетчика "Логика 8941"

Место работы: ООО "Энергоучет"

Должность: Стажер

ПО, использованное в процессе работы: Autodesk Autocad 2011, LibreOffice.org Draw, Paint.net, Компас 3D, Microsoft Visual Studio 2008 SP1, Microsoft Office Interop Library, MSDN Library

Назначение и состав теплосчетчика


Тепловычислитель предназначен для измерения и учета тепловой энергии и количества теплоносителя в закрытых и открытых водяных системах теплоснабжения.

Тепловычислитель рассчитан для работы в составе теплосчетчиков, обслуживающих один теплообменный контур в котором могут быть установлены три датчика объема и два датчика температуры. Совместно с тепловычислителем применяются: преобразователи объема, имеющие числоимпульсный выходной сигнал с частотой следования импульсов 0-18 или 0-1000 Гц; преобразователи температуры ТСП или ТСМ с R0 = 100 Ом и W100 = {1,3850, 1,3910, 1,4280}.

Электропитание тепловычислителя осуществляется от литиевой батареи или от внешнего источника постоянного тока. Датчики объема, работающие при напряжении питания 3,2-3,6 В, могут получать его непосредственно от тепловычислителя. Тепловычислитель снабжен дискретным входом для фиксации внешнего события.

Эксплуатационные характеристики тепловычислителя СПТ 941


Условия эксплуатации:

температура окружающего воздуха - от минус 10 до 50°С;

относительная влажность-до 95 % при 35°С;

атмосферное давление - от 84 до 106,7 кПа;

вибрация - амплитуда 0,35 мм, частота 5-35 Гц.

Механические параметры:

габаритные размеры - 180x194x64 мм;

масса - не более 0,76 кг;

степень защиты от пыли и воды - IP54.

Параметры электропитания:

литиевая батарея 3,6 В;

внешний источник постоянного тока Uhom = 12 В, Iпот<15 мА.

Показатели надежности:

средняя наработка на отказ - 75000 ч;

средний срок службы - 12 лет.

Основные функциональные возможности


При работе в составе теплосчетчика тепловычислитель обеспечивает обслуживание одного теплового ввода, обеспечивая при этом:

измерение объема, объемного расхода, температуры;

вычисление количества тепловой энергии, массы и средних значений температуры;

ввод настроечных параметров и показания текущих, архивных и настроечных параметров;

ведение календаря, времени суток и учет времени работы;

защиту данных от несанкционированного изменения.

теплосчетчик тепловая энергия теплоноситель

Устройство и работа теплосчетчика


Принцип работы теплосчетчика основан на непосредственном преобразовании вычислителем сигналов от первичных преобразователей расхода, температуры в значения измеряемых параметров теплоносителя и последующим вычислением, по соответствующим измерительной схеме, уравнениям тепловой энергии и других параметров теплоносителя.

Принцип работы преобразователя основан на явлении индуцирования ЭДС в проводнике (измеряемой жидкости), движущейся в магнитном поле.

При движении электропроводящей жидкости в поперечном магнитном поле в ней, как в проводнике, наводится ЭДС. Величина ЭДС, согласно закону Фарадея, пропорциональна диаметру внутреннего сечения трубопровода, магнитной индукции и скорости потока. При постоянном значении индукции магнитного поля значение ЭДС зависит только от скорости потока жидкости и, следовательно, от объемного расхода.

ЭДС снимается с помощью электродов, усиливается и подается на АЦП, где преобразуется в код, пропорциональный скорости измеряемой жидкости.

Питание преобразователя осуществляется от источника стабилизированного постоянного напряжения со следующими параметрами:

выходное напряжение (11,5 - 15) В, при напряжении питающей сети 220В;

ток нагрузки не менее 500мА.

Структурная схема преобразователя приведена на рис.1.

Рис.1

Импульсный выход Vp выполнен по схеме "открытый коллектор" и гальванически изолирован от шин питания преобразователя. На импульсном выходе Vp сигнал формируется микроконтроллером при обработке частоты вихреобразования в соответствии с индивидуальной градировочной характеристикой преобразователя.

Подключение к вычислителю преобразователей расхода следует вести проводом сечением не менее 0,3 мм2 в ПХВ оболочке (например - типа МГШВ). Длина линии связи между преобразователем и вычислителем не должна превышать 100 м.

Подключение к вычислителю термопреобразователей необходимо вести по четырехпроводной схеме проводом сечением не менее 0,2 мм2. Длина линии связи между термопреобразователем и вычислителем не должно превышать 100 м.

Методика расчет гидравлических потерь на узле учета тепловой энергии теплоносителя


(см. Башта Т.М. и др. Гидравлика, гидромашины и гидроприводы.М. Машиностроение, 1982г.)

Гидравлические потери разделяются на местные потери и потери на трение и определяются по формуле:

hп = hм + hтр (2-8)

Потери прямолинейного участка трубопровода определяются потерями на трение

тр =lт ´ L/d ´ v2/2g (2-9)

где:

lт - коэффициент потерь на трение;- длина трубопровода, м;- диаметр трубопровода, м;- скорость теплоносителя, м/сек;- 9,8 м/сек2.

Коэффициент потерь зависит от характера движения воды и определяется безразмерным числом Рейнольдса, которое для труб круглого сечения равно:

e = v ´ d/w (2-10)

где:- кинематическая вязкость жидкости, которая для воды при 700 равна:

= 0,415 ´ 10-6, м2

Предельное число Рейнольдса, разграничивающее переходный и установившийся турбулентный режим


где: Kэ - абсолютная шероховатость, которая для стальных труб равна 0,1..0,5мм.

Если число Re меньше Reпер, то коэффициент потерь определяется по

lт = 0,316/ (Re) 1/4 (2-12)

а если Re больше или равно Reпер то

lт = 0,11 (Kэ/ d) 1/4 (2-13)

Скорость движения теплоносителя (G) и площадь сечения трубопровода (S) связаны соотношением:

= G/ S = G/ (3,14d2/4) (2-14)

Местные потери на участках расширения и сужения зависят от угла конусности, который при измерении расходов выбирается равным или менее 300, и степени расширения (сужения), которые характеризуются параметром - n

= (d2/ d1) 2 < 1 (2-15)

Тогда потери при расширении определяются по формулам:

диф= (0,46 ´ lт ´ (1-1/n2) + 0,5 ´ (1-1/n2) ´ v2/2g (2-16)конф= 0,46 ´ lт ´ (1-1/n2) ´ v2/2g (2-17)

где:- степень расширения (сужения),- скорость теплоносителя в трубе меньшего диаметра

Узел учета, в первом приближении, можно разделить на два участка: с большим и малым диаметром. Потерями на участках с большим диаметром трубы пренебрегаем из-за их малой величины по сравнению с потерями на трубе малого диаметра.

Схема электрическая подключения внешних устройств


Подключение датчиков и прочего внешнего оборудования к тепловычислителю выполняют многожильными кабелями. После разделки концов кабелей под монтаж их пропускают через установленные на крышке монтажного отсека кабельные вводы, после чего заворачивают накидные гайки настолько, чтобы обеспечить механическую прочность закрепления кабелей и обжим сальниковых уплотнителей. Концы жил закрепляют в штекерах, снабженных винтовыми зажимами. Максимальное сечение каждой жилы составляет 1,5 ммІ. Диапазон диаметров используемых кабелей ограничивается конструкцией кабельных вводов и составляет 5-10 мм.

Рис. 2

На рис. 2 отображено размещение гнезд для подключения внешних цепей.

В таблице указано подключение датчиков.

Штекер прибора

Внешние цепи

X4-X6

1

Датчик объема с питанием от тепловычислителя. Подключение для модели 941.10


2#



3


X7, X8

1

Датчик температуры


2



3



4*


X2

1

Подключение компьютера или телефонного модема


2



3



4



Подключение к вычислителю преобразователей расхода следует вести проводом сечением не менее 0,3 мм2 в ПХВ оболочке (например - типа МГШВ). Длина линии связи между преобразователем и вычислителем не должна превышать 100 м.

Подключение к вычислителю термопреобразователей необходимо вести по четырехпроводной схеме проводом сечением не менее 0,2 мм2. Длина линии связи между термопреобразователем и вычислителем не должно превышать 100 м.

Схема электрическая подключения внешних устройств к тепловычислителю


Пример базы настроечных параметров тепловычислителя "Логика СПТ941"

№ п/п

Наименование настроечного параметра

Условное обозначение

1

Единицы измерений

ЕИ

2

Номер схемы потребления

СП

3

Расчетные сутки

СР

4

Расчетный час

ЧР

5

Тип подключаемых датчиков температуры

ТС

6

Контроль расхода

КG

7

Цена импульса датчика объема

С1 С2 С3

8

Верхний предел диапазона измерений расхода соответствующего датчика объема

Gв1 Gв2 Gв3

9

Gн1 Gн2 Gн3

10

Константа расхода по трубопроводу

Gк1 Gк2 Gк3

11

Константа температуры по трубопроводу

tк1 tк2

12

Константа избыточного давления по трубопроводу

Рк1 Рк2

13

Алгоритм использования константы часового тепла

АQ

14

Константа часового тепла

Qk

15

Контроль сигнала на дискретном входе

КД

16

Контроль значения одного из текущих параметров

КУ

17

Номер параметра, значение которого контролируется

НУ

18

Верхняя уставка

УВ

19

Нижняя уставка

УН


Карта компьютерной сети ООО "Энергоучет"

Выполнения расчетной части и создание чертежей на примере проекта №200 для установки УУТЭ в здание по адресу г. Владимир, ул. Юбилейная, д.50

1.      Согласно техническим условиям, заносим необзодимые данные в таблицу

№ п/п

Характеристика

Величина

1

Температурный график теплоснабжения, 0С.

130/70

2

Давление теплоносителя на входе, кгс/см2

7,4


Давление теплоносителя на выходе, кгс/см2

3,8

3

Договорные максимальные нагрузки:

-


 - на отопление Qomax, Гкал/ч

0,136


 - на горячее водоснабжение Qhmax, Гкал/ч

-


 - на вентиляцию QV max, Гкал/ч (час/сут)

-

4

Источник теплоснабжения

ТЭЦ ОАО "ТГК-6"


.        Выполняем расчет расхода теплоносителя и выбор счетчика

Для закрытых систем теплоснабжения при качественном регулировании отпуска тепла суммарный расход теплоносителя определяется по формуле (см. СНиП 2.04.07-86 "Тепловые сети”).

d = Gomax + Gvmax+ К3 ´ Ghm, т/ч (2-1)

где:d - суммарный расход теплоносителя;omax - расчетный расход теплоносителя на отопление, т/ч;vmax - расчетный расход теплоносителя на вентиляцию, т/ч;3 =1,2 к-т, учитывающий долю среднего расхода воды на горячее водоснабжение при регулировании по нагрузке отопления;hm - средний расход теплоносителя на горячее водоснабжение.

Расчет производится исходя из максимальных тепловых нагрузок согласно оговору на теплопотребление между потребителем и энергоснабжающей организацией.

 т/ч (2-2)

где:omax - расчетная максимальная тепловая нагрузка на, Гкал/ч;

- переводной коэффициент;- разность температур отопительного графика, 0 С;- теплоемкость воды; с=1 Мкал/ т*град.

Отсюда:

G0 max =

0,136 * 1000

= 2,267 т/ч



3.      Выполняем расчет гидравлических потерь на узле учета тепловой энергии теплоносителя

Исходные данные:

Расход теплоносителя на отопление Gо = 2,267 т/ч = 0,00063 т/сек

Диаметр трубопровода - d1 = 40 мм, d2 = 80 мм

Длина трубопровода - L = 0,8 м

Коэффициент шероховатости - Кэ = 0,0002

Результаты расчетов в соответствии с методикой п.2.4.1= 0,65 м/сек

lт = 0,02= 2тр = 0,01 мдиф = 0,007 мконф = 0,0 мпреобр = 0,1 м

В результате суммарные потери давления, вносимые измерительным участком узла учета тепловой энергии и теплоносителя, составляют:

п = hконф + hтр + hдиф + hпреобр, м (2-18)

Трубопровод

Потери давления, м



hпреобр

hконф

hтр

hдиф

hп

Прямой


0,1

0,0

0,01

0,007

0,117

Обратный


0,1

0,0

0,01

0,007

0,117





ВСЕГО:

0,234


.        Заполняем базу настроечных параметров тепловычислителя согласно инструкции

№ п/п

Наименование настроечного параметра

Условное обозначение

Числовое значение параметра

1

Единицы измерений

ЕИ

= [0]

2

Номер схемы потребления

СП

= [3]

3

Расчетные сутки

СР

= [01]

4

Расчетный час

ЧР

= [00]

5

Тип подключаемых датчиков температуры

ТС

= [1]

6

Контроль расхода

КG

= [0]

7

Цена импульса датчика объема

С1 С2 С3

= [0,01] = [0,01] = [0]

8

Верхний предел диапазона измерений расхода соответствующего датчика объема

Gв1 Gв2 Gв3

= [45,0] = [45,0] = [0]

9

Нижний предел диапазона измерений расхода соответствующего датчика объема

= [0,18] = [0,18] = [0]

10

Константа расхода по трубопроводу

Gк1 Gк2 Gк3

= [45,0] = [45,0] = [0]

11

Константа температуры по трубопроводу

tk1 tk2

= [130] = [70]

12

Константа избыточного давления по трубопроводу

Рк1 Рк2

= [7,4] = [3,8]

13

Алгоритм использования константы часового тепла

АQ

= [0]

14

Константа часового тепла

Qk

= [0,136]

15

Контроль сигнала на дискретном входе

КД

= [2], активация НС02 при отсутствии питания расходомера

16

Контроль значения одного из текущих параметров

КУ

= [1]

17

Номер параметра, значение которого контролируется

НУ

= [0], Контролируемый параметр G1

18

Верхняя уставка

УВ

= [45,0]

19

Нижняя уставка

УН

= [0,01]


.        Программируем тепловычислитель согласно базе настроечных параметров

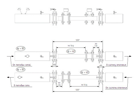
6.      При помощи программ Autodesk AutoCAD 2011 и OpenOffice.org Draw создаём чертежи и наносим разметку

Примеры готовых чертежей:



Листинг программы для автоматизации выполнения расчетов и создания чертежей


CalculateFunctions. cs

using System;System. Collections. Generic;System.componentModel;System. Data;System. Drawing;System. Linq;System. Text;System. Windows. Forms;ProjectCreator

{partial class MainForm: Form

{[] calculateRashod (int what, object nagruzka, object T1, object T2)

{(what)

{0: // отопление

{[] rezult = { "", "" };[0] = Convert. ToString (Math. Round (Convert. ToDouble (nagruzka) * 1000/ (Convert. ToDouble (T1) - Convert. ToDouble (T2)),

));[1] = Convert. ToString (Math. Round (Convert. ToDouble (rezult [0]) / 3600,6));rezult;

}1: // ГВС циркуляционная

{[] rezult = { "", "", "", "", "", "", "" };

/* Qг. в. max */[0] = Convert. ToString (Math. Round (Convert. ToDouble (nagruzka) * 2.4f,

));

/* Qг. в. цирк*/[1] = Convert. ToString (Math. Round (Convert. ToDouble (nagruzka) * 0.25f / (1 + 0.25f),

));

/* Gг. в. max */[2] = Convert. ToString (Math. Round (Convert. ToDouble (rezult [0]) * 1000/ (Convert. ToDouble (T1) - Convert. ToDouble (T2)),

));

/* Gг. в. min */[3] = Convert. ToString (Math. Round (Convert. ToDouble (rezult [1]) * 0.8f * 100,3));

/* Gцирк. max*/[4] = Convert. ToString (Math. Round (Convert. ToDouble (rezult [3]) * 1.5f,

));

/* Gцирк. min*/[5] = Convert. ToString (Math. Round (Convert. ToDouble (rezult [3]) * 0.4f,

));

/* Gг. в. лет */[6] = Convert. ToString (Math. Round (Convert. ToDouble (rezult [2]) * 0.8f,

));rezult;

}2: // ГВС тупиковая

/* Qг. в. max */[0] = Convert. ToString (Math. Round (Convert. ToDouble (nagruzka) * 2.4f,

));

/* Gг. в. max */[1] = Convert. ToString (Math. Round (Convert. ToDouble (rezult [0]) * 1000/ (Convert. ToDouble (T1) - Convert. ToDouble (T2)),

));[2] = Convert. ToString (Math. Round (Convert. ToDouble (rezult [1]) / 3600,6));rezult;

}:

{[] rezult = { "" };rezult;

}

}

}[] calculatePoteri (object dyprib, object dytrub, object inputrashod)

{rashod = Convert. ToDouble (inputrashod);dypribora = Convert. ToDouble (dyprib) / 1000;dytruboprovoda = Convert. ToDouble (dytrub) / 1000;L = Math. Round (getTrubaLength (dypribora), 1);v = rashod / ( (3.14f * dytruboprovoda * dytruboprovoda) / 4.0f);Re = v * dytruboprovoda / (0.415f * Math. Pow (10, - 6.0f));Rep = 560.0f * dytruboprovoda / 0.0002f;lt;(Re < Rep) { lt = 0.316f / Math. Pow (Re, 0.25f); }{ lt = 0.11f * Math. Pow ( (0.0002f / dytruboprovoda), 0.25f); }htr = lt * (L / dytruboprovoda) * (v * v / (2.0f * 9.81f));n = Math. Round (dytruboprovoda / dypribora,

);hdif = ( (0.46f * lt * (1 - 1/ (n * n))) + (0.5f * (1 - 1/ (n * n)) * v * v) / (2.0f * 9.81f));hkonf = ( (0.46f * lt * (1 - 1/ (n * n))) * (v * v / (2.0f * 9.81f)));hp = htr + hdif + hkonf + 0.1f;[] rezult = { L, Math. Round (v,3), Math. Round (lt,3), n,. Round (htr,3), Math. Round (hdif,3), Math. Round (hkonf,3),. Round (hp,3) };rezult;

}

}

}

getFunctions. cs

using System;System. Collections. Generic;System.componentModel;System. Data;System. Drawing;System. Linq;System. Text;System. Windows. Forms;ProjectCreator

{partial class MainForm: Form

{getTrubaLength (object dypribora)

{dy = Convert. ToInt32 (dypribora);(dy >= 50) { return 1.2f; }if (dy == 40) { return 1.0f; }{ return 0.8f; }

}

/*[] checkPriborType (object dyforcheck, int amount)

{dy = Convert. ToString (dyforcheck),;(radioPREM. Checked)

{(amount == 2) { SPTConnectionFile = "\\images\\spt941premX2. png"; }{ SPTConnectionFile = "\\images\\spt941premX1. png"; }R1 = "-", R2 = "-";(dy)

{"15": { R1 = "0,02"; R2 = "6,7"; string [] rezult = { "ПРЭМ", R1, R2, "0,001", SPTConnectionFile }; return rezult; }"20": { R1 = "0,03"; R2 = "12,0"; string [] rezult = { "ПРЭМ", R1, R2, "0,001", SPTConnectionFile }; return rezult; }"32": { R1 = "0,08"; R2 = "30,0"; string [] rezult = { "ПРЭМ", R1, R2, "0,001", SPTConnectionFile }; return rezult; }"50": { R1 = "0,2"; R2 = "72,0"; string [] rezult = { "ПРЭМ", R1, R2, "0,0025", SPTConnectionFile }; return rezult; }"80": { R1 = "0,48"; R2 = "180,0"; string [] rezult = { "ПРЭМ", R1, R2, "0,0025", SPTConnectionFile }; return rezult; }"100": { R1 = "0,72"; R2 = "288,0"; string [] rezult = { "ПРЭМ", R1, R2, "0,0025", SPTConnectionFile }; return rezult; }"150": { R1 = "1,9"; R2 = "630,0"; string [] rezult = { "ПРЭМ", R1, R2, "0,0025", SPTConnectionFile }; return rezult; }: { R1 = "0"; R2 = "0"; string [] rezult = { "ПРЭМ", R1, R2, "0,0025", SPTConnectionFile }; return rezult; }

}

}

{(amount == 2) { SPTConnectionFile = "\\images\\spt941mfX2. png"; }{ SPTConnectionFile = "\\images\\spt941mfX1. png"; }R1 = "-", R2 = "-";(dy)

{"15": { R1 = "0,013"; R2 = "6,5"; string [] rezult = { "МФ", R1, R2, "0,01", SPTConnectionFile }; return rezult; }"20": { R1 = "0,025"; R2 = "12,5"; string [] rezult = { "МФ", R1, R2, "0,01", SPTConnectionFile }; return rezult; }"25": { R1 = "0,04"; R2 = "20,0"; string [] rezult = { "МФ", R1, R2, "0,01", SPTConnectionFile }; return rezult; }"40": { R1 = "0,18"; R2 = "45,0"; string [] rezult = { "МФ", R1, R2, "0,01", SPTConnectionFile }; return rezult; }"50": { R1 = "0,30"; R2 = "75,0"; string [] rezult = { "МФ", R1, R2, "0,01", SPTConnectionFile }; return rezult; }"80": { R1 = "0,72"; R2 = "180,0"; string [] rezult = { "МФ", R1, R2, "0,01", SPTConnectionFile }; return rezult; }"100": { R1 = "1, 20"; R2 = "300,0"; string [] rezult = { "МФ", R1, R2, "0,01", SPTConnectionFile }; return rezult; }"150": { R1 = "2,28"; R2 = "570,0"; string [] rezult = { "МФ", R1, R2, "0,01", SPTConnectionFile }; return rezult; }: { R1 = "0"; R2 = "0"; string [] rezult = { "МФ", R1, R2, "0,01", SPTConnectionFile }; return rezult; }

}

}

}

*/[] checkPriborType (object dyforcheck, int amount, int type)

{dy = Convert. ToString (dyforcheck),;(type == 941)

{(radioPREM. Checked)

{(amount == 2) { SPTConnectionFile = "\\images\\spt941premX2. png"; }{ SPTConnectionFile = "\\images\\spt941premX1. png"; }R1 = "-", R2 = "-";(dy)

{"15": { R1 = "0,02"; R2 = "6,7"; string [] rezult = { "ПРЭМ", R1, R2, "0,001", SPTConnectionFile }; return rezult; }"20": { R1 = "0,03"; R2 = "12,0"; string [] rezult = { "ПРЭМ", R1, R2, "0,001", SPTConnectionFile }; return rezult; }"32": { R1 = "0,08"; R2 = "30,0"; string [] rezult = { "ПРЭМ", R1, R2, "0,001", SPTConnectionFile }; return rezult; }"50": { R1 = "0,2"; R2 = "72,0"; string [] rezult = { "ПРЭМ", R1, R2, "0,0025", SPTConnectionFile }; return rezult; }"80": { R1 = "0,48"; R2 = "180,0"; string [] rezult = { "ПРЭМ", R1, R2, "0,0025", SPTConnectionFile }; return rezult; }"100": { R1 = "0,72"; R2 = "288,0"; string [] rezult = { "ПРЭМ", R1, R2, "0,0025", SPTConnectionFile }; return rezult; }"150": { R1 = "1,9"; R2 = "630,0"; string [] rezult = { "ПРЭМ", R1, R2, "0,0025", SPTConnectionFile }; return rezult; }: { R1 = "0"; R2 = "0"; string [] rezult = { "ПРЭМ", R1, R2, "0,0025", SPTConnectionFile }; return rezult; }

}

}

{(amount == 2) { SPTConnectionFile = "\\images\\spt941mfX2. png"; }{ SPTConnectionFile = "\\images\\spt941mfX1. png"; }R1 = "-", R2 = "-";(dy)

{"15": { R1 = "0,013"; R2 = "6,5"; string [] rezult = { "МФ", R1, R2, "0,01", SPTConnectionFile }; return rezult; }"20": { R1 = "0,025"; R2 = "12,5"; string [] rezult = { "МФ", R1, R2, "0,01", SPTConnectionFile }; return rezult; }"25": { R1 = "0,04"; R2 = "20,0"; string [] rezult = { "МФ", R1, R2, "0,01", SPTConnectionFile }; return rezult; }"40": { R1 = "0,18"; R2 = "45,0"; string [] rezult = { "МФ", R1, R2, "0,01", SPTConnectionFile }; return rezult; }"50": { R1 = "0,30"; R2 = "75,0"; string [] rezult = { "МФ", R1, R2, "0,01", SPTConnectionFile }; return rezult; }"80": { R1 = "0,72"; R2 = "180,0"; string [] rezult = { "МФ", R1, R2, "0,01", SPTConnectionFile }; return rezult; }"100": { R1 = "1, 20"; R2 = "300,0"; string [] rezult = { "МФ", R1, R2, "0,01", SPTConnectionFile }; return rezult; }"150": { R1 = "2,28"; R2 = "570,0"; string [] rezult = { "МФ", R1, R2, "0,01", SPTConnectionFile }; return rezult; }: { R1 = "0"; R2 = "0"; string [] rezult = { "МФ", R1, R2, "0,01", SPTConnectionFile }; return rezult; }

}

}

}

{(radioPREM. Checked)

{(amount == 2) { SPTConnectionFile = "\\images\\spt943premX2. png"; }{ SPTConnectionFile = "\\images\\spt943premX1. png"; }R1 = "-", R2 = "-";(dy)

{"15": { R1 = "0,02"; R2 = "6,7"; string [] rezult = { "ПРЭМ", R1, R2, "0,001", SPTConnectionFile }; return rezult; }"20": { R1 = "0,03"; R2 = "12,0"; string [] rezult = { "ПРЭМ", R1, R2, "0,001", SPTConnectionFile }; return rezult; }"32": { R1 = "0,08"; R2 = "30,0"; string [] rezult = { "ПРЭМ", R1, R2, "0,001", SPTConnectionFile }; return rezult; }"50": { R1 = "0,2"; R2 = "72,0"; string [] rezult = { "ПРЭМ", R1, R2, "0,0025", SPTConnectionFile }; return rezult; }"80": { R1 = "0,48"; R2 = "180,0"; string [] rezult = { "ПРЭМ", R1, R2, "0,0025", SPTConnectionFile }; return rezult; }"100": { R1 = "0,72"; R2 = "288,0"; string [] rezult = { "ПРЭМ", R1, R2, "0,0025", SPTConnectionFile }; return rezult; }"150": { R1 = "1,9"; R2 = "630,0"; string [] rezult = { "ПРЭМ", R1, R2, "0,0025", SPTConnectionFile }; return rezult; }: { R1 = "0"; R2 = "0"; string [] rezult = { "ПРЭМ", R1, R2, "0,0025", SPTConnectionFile }; return rezult; }

}

}

{(amount == 2) { SPTConnectionFile = "\\images\\spt943mfX2. png"; }{ SPTConnectionFile = "\\images\\spt943mfX1. png"; }R1 = "-", R2 = "-";(dy)

{"15": { R1 = "0,013"; R2 = "6,5"; string [] rezult = { "МФ", R1, R2, "0,01", SPTConnectionFile }; return rezult; }"20": { R1 = "0,025"; R2 = "12,5"; string [] rezult = { "МФ", R1, R2, "0,01", SPTConnectionFile }; return rezult; }"25": { R1 = "0,04"; R2 = "20,0"; string [] rezult = { "МФ", R1, R2, "0,01", SPTConnectionFile }; return rezult; }"40": { R1 = "0,18"; R2 = "45,0"; string [] rezult = { "МФ", R1, R2, "0,01", SPTConnectionFile }; return rezult; }"50": { R1 = "0,30"; R2 = "75,0"; string [] rezult = { "МФ", R1, R2, "0,01", SPTConnectionFile }; return rezult; }"80": { R1 = "0,72"; R2 = "180,0"; string [] rezult = { "МФ", R1, R2, "0,01", SPTConnectionFile }; return rezult; }"100": { R1 = "1, 20"; R2 = "300,0"; string [] rezult = { "МФ", R1, R2, "0,01", SPTConnectionFile }; return rezult; }"150": { R1 = "2,28"; R2 = "570,0"; string [] rezult = { "МФ", R1, R2, "0,01", SPTConnectionFile }; return rezult; }: { R1 = "0"; R2 = "0"; string [] rezult = { "МФ", R1, R2, "0,01", SPTConnectionFile }; return rezult; }

}

}

}

}getOuterDiameter (object dy)

{(Convert. ToString (dy))

{"20": { return "25"; }"25": { return "32"; }"32": { return "38"; }"40": { return "45"; }"50": { return "57"; }"65": { return "76"; }"80": { return "89"; }"100": { return "108"; }: { return "0"; }

}

}getTolstota (object dy)

{(Convert. ToString (dy))

{"20": { return "2,0"; }"25": { return "2,0"; }"32": { return "2,0"; }"40": { return "2,5"; }"50": { return "3,0"; }"65": { return "3,0"; }"80": { return "3,0"; }"100": { return "3,5"; }: { return "0"; }

}

}[] perehodCreate (object dyprib, object dytrub)

{dypribora = Convert. ToInt32 (dyprib), dytruboprovoda = Convert. ToInt32 (dytrub);[] rezult = { "", "" };( (dypribora == 50) && (dytruboprovoda > 50))

{[0] = "Переход конический К 57х" + getOuterDiameter (dytrub);[1] = "4";rezult;

}if ( ( (dypribora < 50) && (dytruboprovoda > 50)) || ( (dypribora < 50) && (dytruboprovoda < 50)))

{[0] = "Переход конический К 57х" + getOuterDiameter (dytrub) +

"^pПереход конический К " + getOuterDiameter (dyprib) + "x57";[1] = "4^p4";rezult;

}{ rezult [0] = "-"; rezult [1] = "-"; return rezult; }

}[] perehodCreate (object dyprib, object dytrub, int amount)

{dypribora = Convert. ToInt32 (dyprib), dytruboprovoda = Convert. ToInt32 (dytrub);[] rezult = { "", "" };( (dypribora == 50) && (dytruboprovoda > 50))

}if ( ( (dypribora < 50) && (dytruboprovoda > 50)) || ( (dypribora < 50) && (dytruboprovoda < 50)))

{[0] = "Переход конический К 57х" + getOuterDiameter (dytrub) +

"^pПереход конический К " + getOuterDiameter (dyprib) + "x57";[1] = amount. ToString () + "^p" + amount. ToString ();rezult;

}{ rezult [0] = "-"; rezult [1] = "-"; return rezult; }

}

}

}

Вывод: в результате производственной практики я научился использовать программный пакет Autodesk AutoCAD, а так же создал программу для автоматизации всех вышеописанных операций на языке программирования C# в среде Microsoft Visual Studio 2008 SP1.

Похожие работы на - Назначение, устройство теплосчетчика, автоматизация его работы

 

Не нашли материал для своей работы?
Поможем написать уникальную работу
Без плагиата!
Без нейросетей!