Монтаж и регулировка шестиканальной цветомузыкальной приставки

  • Вид работы:
    Курсовая работа (т)
  • Предмет:
    Информатика, ВТ, телекоммуникации
  • Язык:
    Русский
    ,
    Формат файла:
    MS Word
    937,25 Кб
  • Опубликовано:
    2013-10-13
Вы можете узнать стоимость помощи в написании студенческой работы.
Помощь в написании работы, которую точно примут!

Монтаж и регулировка шестиканальной цветомузыкальной приставки



Монтаж и регулировка шести канальной цветомузыкальной приставки

Введение

Основным направлением развития радиоэлектронной промышленности является создание высокотехнологической радиоэлектронной аппаратуры на основе четкой организации производства, использования прогрессивной технологии, обеспечения взаимозаменяемости деталей, узлов, блоков и назначения оптимальных допусков посадок.

Радиоэлектроника за сравнительно короткий срок прошла огромный путь от первого приемника А.С. Попова до сложнейших электронно-вычислительных машин, телевидения и радиолокации. В настоящее время наша страна покрыта густой сетью радиовещательных и телевизионных станций. Радиоприемники, телевизоры, магнитофоны, видеомагнитофоны и радиотелефоны стали предметами первой необходимости. Зачастую радио, телевидение и радиотелефоны являются единственными средствами связи.

Все виды воздушных, морских и речных кораблей, а также научные экспедиции оснащены средствами радиосвязи.

Днем и ночью, в будни и праздники, в любую погоду поддерживается радио- и телесвязь между городами и поселками нашей страны.

Радиоэлектроника сегодня - это телевидение и телемеханика, радиолокация, радионавигация, радиоастрономия, звук и видеозапись.

Радиоэлектронная аппаратура (РЭА), устанавливаемая на искусственных спутниках Земли, автоматических межпланетных станциях и космических кораблях, позволяет изучать земной магнетизм, космические излучения, исследовать планеты Солнечной системы.

Развитие радиоэлектроники и электроники способствует автоматизации многих производственных процессов, обеспечивает управление промышленными роботами на расстоянии, проведения тончайших измерений, а также сложных математических расчетов с огромной скоростью.

Радиоэлектронные приборы применяются для лечения тяжелых заболеваний и наблюдения за работой органов человека. для плавки и обработки высококачественных сортов стали, в прибор и машиностроении, автоматике и вычислительной технике, геологии и метеорологии.

1. Работа устройства по принципиальной схеме

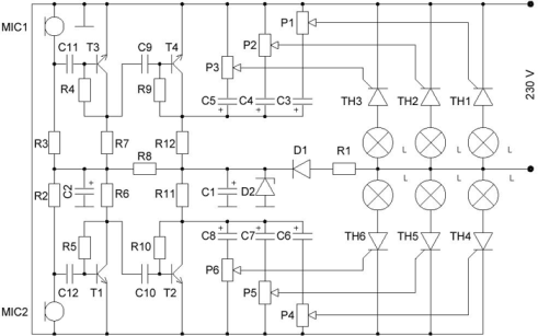
Рис. 1

Цветомузыкальная приставка оборудована микрофонами, что позволяет без подключения к выходу УНЧ дополнить музыкальное воспроизведение ярким цветовым сопровождением. Наибольший цветовой эффект достигается при подключении к каждому из шести каналов разноцветных ламп накаливания, общей мощностью не более 500 Вт. Каждый канал имеет автономную регулировку. Как показала практика, эстетическое восприятие цветового сопровождения музыкальных произведений при такой работе приставки повышается. (Принципиальная схема приставки приведена на рис. 1) В ней представлены две по парно усилители и три по парно простых фильтра: низких (НЧ), средних (СЧ) и высоких (ВЧ) частот. Для увеличения входного сигнала приставки, в ней стоит двухкаскадный усилитель выполненный на биполярных транзисторах VT1, VT2 и VT3, VT4 по схеме с общим эмиттером. После каждого фильтра следует шесть ламп накаливания.

Ток от сети 220В поступает на мощные резисторы R30 и R31. Далее ток проходя через диод VD2 выпрямляется и протекает через фильтр напряжения состоящего из трёх электролитических конденсаторов C11, C12 а также C5 и одного керамического конденсатора C15. Стабилитрон VD1 предназначен для стабилизации напряжения (удержание заданного напряжения для приставки). Отфильтрованный и стабилизированный ток течёт к разделительным резисторам R21, R22 через R13, к R10, R11 R1, R2. Которые от тех в свою очередь ток протекает на каждый важный элемент необходимый для работы этой приставки. Разберёмся что и куда протекают токи по отдельности: ток течёт от резисторов R21, R22 течёт к транзисторам VT3 и VT4, далее ток протекает через резистор R13 к резисторам R10, R11 а от них к транзисторам VT1 и VT2 и наконец ток течёт от резисторов R1, R2 к микрофонам MIC1 и MIC2.

Теперь осталось разобраться как протекает сигнал в этой приставке:

В начале сигнал выходящий из любого музыкального устройства поступает на микрофоны MIC1, MIC2 а после через разделительные конденсаторы C1 и С2 попадает на вход базы транзисторов VT1 и VT2 первого каскада. Далее сигнал снимается с коллекторов транзисторов VT1 и VT2 и попадает через разделительный конденсатор C6 и C7 на вход базы транзисторов VT3 и VT4 второго каскада. Он обладает сравнительно большим входным сигналом, что необходимо для лучшего согласования входного каскада с каналами разделения сигналов по частоте. резисторы R3, R4, и R5, R6 являются смесителями сигнала. Резисторы R9, R12 и R20, R23 и конденсаторы C3, C4 и C8, C9 являются температурной цепочкой для стабилизации температуры транзисторов VT1, VT2 и VT3, VT4.

С коллекторов транзисторов VT3 и VT4 снимается усиленный сигнал и поступает на входы фильтров состоящих из электролитических конденсаторов C10, C13, C14 и С16, C17, C18 а также подстрочных резисторов R24, R25, R26 и R27, R28, R29. Это обстоятельство позволяет получить достаточно хороший этап усиления фильтров вне полосы пропускания. Далее сигналы уже отфильтрованные на фильтры низких (НЧ), средних (СЧ) и высоких (ВЧ) частот попадают на тиристоры VS1, VS2, VS3 и VS4, VS5, VS6. Сигналы снятые с тиристоров поступают на лампы XP1, XP2, XP3 и XP4, XP5, XP6.

. Технология монтажа и регулировки устройства

Собственно, весь процесс изготовления печатной платы можно условно разделить на пять основных этапов:

предварительная подготовка заготовки (очистка поверхности, обезжиривание);

нанесение тем или иным способом защитного покрытия;

удаление лишней меди с поверхности платы (травление);

очистка заготовки от защитного покрытия;

сверловка отверстий, покрытие платы флюсом, лужение.

Мы рассматриваем только наиболее распространенную «классическую» технологию, при которой лишние участки меди с поверхности платы удаляются путем химического травления. Помимо этого, возможно, например, удаление меди путем фрезерования или с использованием электроискровой установки. Однако эти способы не получили широкого распространения ни в радиолюбительской среде, ни в промышленности (хотя изготовление плат фрезерованием иногда применяется в тех случаях, когда необходимо очень быстро изготовить несложные печатные платы в единичных количествах).

Особенно хотелось бы отметить, что при изготовлении печатных плат в домашних условиях следует стремиться при разработке схемы использовать как можно больше компонентов для поверхностного монтажа, что в некоторых случаях позволяет развести практически всю схему на одной стороне платы. Связано это с тем, что до сих пор не изобретено никакой реально осуществимой в домашних условиях технологии металлизации переходных отверстий. Поэтому в случае, если разводку платы не удается выполнить на одной стороне, следует выполнять разводку на второй стороне с использованием в качестве межслойных переходов выводов различных компонентов, установленных на плате, которые в этом случае придется пропаивать с двух сторон платы. Конечно, существуют различные способы замены металлизации отверстий (использование тонкого проводника, вставленного в отверстие и припаянного к дорожкам с обеих сторон платы; использование специальных пистонов), однако все они имеют существенные недостатки и неудобны в использовании. В идеальном случае плата должна разводиться только на одной стороне с использованием минимального количества перемычек.

Остановимся теперь подробнее на каждом из этапов изготовления печатной платы.

Предварительная подготовка заготовки

Данный этап является начальным и заключается в подготовке поверхности будущей печатной платы к нанесению на нее защитного покрытия. В целом за продолжительный промежуток времени технология очистки поверхности не претерпела сколько-нибудь значительных изменений. Весь процесс сводится к удалению окислов и загрязнений с поверхности платы с использованием различных абразивных средств и последующему обезжириванию.

Для удаления сильных загрязнений можно использовать мелкозернистую наждачную бумагу («нулевку»), мелкодисперсный абразивный порошок или любое другое средство, не оставляющее на поверхности платы глубоких царапин. Иногда можно просто вымыть поверхность печатной платы жесткой мочалкой для мытья посуды с моющим средством или порошком (для этих целей удобно использовать абразивную мочалку для мытья посуды, которая похожа на войлок с мелкими вкраплениями какого-то вещества; часто такая мочалка бывает наклеена на кусок поролона). Кроме того, при достаточно чистой поверхности печатной платы можно вообще пропустить этап абразивной обработки и сразу перейти к обезжириванию.

В случае наличия на печатной плате только толстой оксидной пленки ее можно легко удалить путем обработки печатной платы в течение 3-5 секунд раствором хлорного железа с последующим промыванием в холодной проточной воде. Следует, однако, отметить, что желательно либо производить данную операцию непосредственно перед нанесением защитного покрытия, либо после ее проведения хранить заготовку в темном месте, поскольку на свету медь быстро окисляется.

Заключительный этап подготовки поверхности заключается в обезжиривании. Для этого можно использовать кусочек мягкой ткани, не оставляющей волокон, смоченный спиртом, бензином или ацетоном. Здесь следует обратить внимание на чистоту поверхности платы после обезжиривания, поскольку в последнее время стали попадаться ацетон и спирт со значительным количеством примесей, которые оставляют на плате после высыхания беловатые разводы. Если это так, то стоит поискать другой обезжиривающий состав. После обезжиривания плату следует промыть в проточной холодной воде. Качество очистки можно контролировать, наблюдая за степенью смачивания водой поверхности меди. Полностью смоченная водой поверхность, без образования на ней капель и разрывов пленки воды, является показателем нормального уровня очистки. Нарушения в этой пленке воды указывают, что поверхность очищена недостаточно.

Нанесение защитного покрытия

Нанесение защитного покрытия является самым важным этапом в процессе изготовления печатных плат, и именно им на 90% определяется качество изготовленной платы. В настоящее время в радиолюбительской среде наиболее популярными являются три способа нанесения защитного покрытия. Мы их рассмотрим в порядке возрастания качества получаемых при их использовании плат.

. Ручное нанесение защитного покрытия. При этом способе чертеж печатной платы переносится на стеклотекстолит вручную при помощи какого-либо пишущего приспособления. В последнее время в продаже появилось множество маркеров, краситель которых не смывается водой и дает достаточно прочный защитный слой. Кроме того, для ручного рисования можно использовать рейсфедер или какое-либо другое приспособление, заправленное красителем. Так, например, удобно использовать для рисования шприц с тонкой иглой (лучше всего для этих целей подходят инсулиновые шприцы с диаметром иглы 0,3-0,6 мм), обрезанной до длины 5-8 мм. При этом шток в шприц вставлять не следует - краситель должен поступать свободно под действием капиллярного эффекта. Также вместо шприца можно использовать тонкую стеклянную или пластмассовую трубку, вытянутую над огнем для достижения нужного диаметра. Особое внимание следует обратить на качество обработки края трубки или иглы: при рисовании они не должны царапать плату, в противном случае можно повредить уже закрашенные участки. В качестве красителя при работе с такими приспособлениями можно использовать разбавленный растворителем битумный или какой-либо другой лак, цапонлак или даже раствор канифоли в спирте. При этом необходимо подобрать консистенцию красителя таким образом, чтобы он свободно поступал при рисовании, но в то же время не вытекал и не образовывал капель на конце иглы или трубки. Стоит отметить, что ручной процесс нанесения защитного покрытия достаточно трудоемок и годится только в тех случаях, когда необходимо очень быстро изготовить небольшую плату. Минимальная ширина дорожки, которой можно добиться при рисовании вручную, составляет порядка 0,5 мм.

. Использование «технологии лазерного принтера и утюга». Данная технология появилась сравнительно недавно, однако сразу получила широчайшее распространение в силу своей простоты и высокого качества получаемых плат. Основу технологии составляет перенос тонера (порошка, используемого при печати в лазерных принтерах) с какой-либо подложки на печатную плату. При этом возможны два варианта: либо используемая подложка отделяется от платы перед травлением, либо, если в качестве подложки используется алюминиевая фольга, она стравливается вместе с медью.

Первый этап использования данной технологии заключается в печати зеркального изображения рисунка печатной платы на подложке. Параметры печати принтера при этом должны быть установлены на максимальное качество печати (поскольку в этом случае происходит нанесение слоя тонера наибольшей толщины). В качестве подложки можно использовать тонкую мелованную бумагу (обложки от различных журналов), бумагу для факсов, алюминиевую фольгу, пленку для лазерных принтеров, основу от самоклеящейся пленки Oracal или какие-нибудь другие материалы. При использовании слишком тонкой бумаги или фольги может потребоваться приклеить их по периметру на лист плотной бумаги. В идеальном случае принтер должен иметь тракт для прохождения бумаги без перегибов, что предотвращает смятие подобного бутерброда внутри принтера. Большое значение это имеет и при печати на фольге или основе от пленки Oracal, поскольку тонер на них держится очень слабо, и в случае перегиба бумаги внутри принтера существует большая вероятность, что придется потратить несколько неприятных минут на очистку печки принтера от налипших остатков тонера. Лучше всего, если принтер может пропускать бумагу через себя горизонтально, печатая при этом на верхней стороне (как, например, HP LJ2100 - один из лучших принтеров для применения при изготовлении печатных плат). Хочется сразу предупредить владельцев принтеров типа HP LJ 5L, 6L, 1100, чтобы они не пытались печатать на фольге или основе от Oracal - обычно подобные эксперименты заканчиваются плачевно. Также помимо принтера можно использовать и копировальный аппарат, применение которого иногда дает даже лучшие по сравнению с принтерами результаты за счет нанесения толстого слоя тонера. Основное требование, которое предъявляется к подложке, - легкость ее отделения от тонера. Кроме того, в случае использования бумаги она не должна оставлять в тонере ворсинок. При этом возможны два варианта: либо подложка после перенесения тонера на плату просто снимается (в случае пленки для лазерных принтеров или основы от Oracal), либо предварительно размачивается в воде и потом постепенно отделяется (мелованная бумага).

Перенос тонера на плату заключается в прикладывании подложки с тонером к предварительно очищенной плате с последующим нагревом до температуры, немного превышающей температуру плавления тонера. Возможно огромное количество вариантов как это сделать, однако наиболее простым является прижим подложки к плате горячим утюгом. При этом для равномерного распределения давления утюга на подложку рекомендуется проложить между ними несколько слоев плотной бумаги. Очень важным вопросом является температура утюга и время выдержки. Эти параметры варьируются в каждом конкретном случае, поэтому, возможно, придется поставить не один эксперимент, прежде чем вы получите качественные результаты. Критерий тут один: тонер должен успеть достаточно расплавиться, чтобы прилипнуть к поверхности платы, и в то же время должен не успеть дойти до полужидкого состояния, чтобы края дорожек не расплющились. После «приварки» тонера к плате необходимо отделить подложку (кроме случая использования в качестве подложки алюминиевой фольги: ее отделять не следует, поскольку она растворяется практически во всех травильных растворах). Пленка для лазерных принтеров и основа от Oracal просто аккуратно снимаются, в то время как обычная бумага требует предварительного размачивания в горячей воде.

Стоит отметить, что в силу особенностей печати лазерных принтеров слой тонера в середине больших сплошных полигонов достаточно мал, поэтому следует по мере возможности избегать использования таких областей на плате, либо после снятия подложки придется подретушировать плату вручную. В целом использование данной технологии после некоторой тренировки позволяет добиться ширины дорожек и зазоров между ними вплоть до 0,3 мм.

. Применение фоторезистов. Фоторезистом называется чувствительное к свету вещество, которое под воздействием освещения изменяет свои свойства. В последнее время на российском рынке появилось несколько видов импортных фоторезистов в аэрозольной упаковке, которые особенно удобны для использования в домашних условиях. Сущность применения фоторезиста заключается в следующем: на плату с нанесенным на нее слоем фоторезиста накладывается фотошаблон и производится ее засветка, после чего засвеченные (или не засвеченные) участки фоторезиста смываются специальным растворителем, в качестве которого обычно выступает едкий натр (NaOH). Все фоторезисты делятся на две категории: позитивные и негативные. Для позитивных фоторезистов дорожке на плате соответствует черный участок на фотошаблоне, а для негативных, соответственно, прозрачный. Наибольшее распространение получили позитивные фоторезисты как наиболее удобные в применении. Остановимся более подробно на использовании позитивных фоторезистов в аэрозольной упаковке. Первым этапом является подготовка фотошаблона. В домашних условиях его можно получить, напечатав рисунок платы на лазерном принтере на пленке. При этом необходимо особое внимание уделить плотности черного цвета на фотошаблоне, для чего необходимо отключить в настройках принтера все режимы экономии тонера и улучшения качества печати. Кроме того, некоторые фирмы предлагают вывод фотошаблона на фотоплоттере - при этом вам гарантирован качественный результат.

На втором этапе на предварительно подготовленную и очищенную поверхность платы наносится тонкая пленка фоторезиста. Делается это путем распыления его с расстояния порядка 20 см. При этом следует стремиться к максимальной равномерности получаемого покрытия. Кроме того, очень важно обеспечить отсутствие пыли в процессе распыления - каждая попавшая в фоторезист пылинка неминуемо оставит свой след на плате.

После нанесения слоя фоторезиста необходимо высушить получившуюся пленку. Делать это рекомендуется при температуре 70-80 градусов, причем сначала нужно подсушить поверхность при небольшой температуре и лишь затем постепенно довести температуру до нужного значения. Время сушки при указанной температуре составляет порядка 20-30 мин. В крайнем случае допускается сушка платы при комнатной температуре в течение 24 часов. Платы с нанесенным фоторезистом должны храниться в темном прохладном месте.

Следующим после нанесения фоторезиста этапом является экспонирование. При этом на плату накладывается фотошаблон (желательно стороной печати к плате: это способствует увеличению четкости при экспонировании), который прижимается тонким стеклом или куском плексигласа. При достаточно небольших размерах плат для прижима можно использовать крышку от коробки компакт-диска либо отмытую от эмульсии фотопластинку. Поскольку область максимума спектральной чувствительности большинства современных фоторезистов приходится на ультрафиолетовый диапазон, для засветки желательно использовать лампу с большой долей УФ-излучения в спектре (ДРШ, ДРТ и др.). В крайнем случае, можно использовать мощную ксеноновую лампу. Время экспонирования зависит от многих причин (тип и мощность лампы, расстояние от лампы до платы, толщина слоя фоторезиста, материал прижимного покрытия и др.) и подбирается экспериментально. Однако в целом время экспонирования составляет обычно не более 10 минут даже при экспонировании под прямыми солнечными лучами.

Проявление большинства фоторезистов осуществляется раствором едкого натра (NaOH) - 7 граммов на литр воды. Лучше всего использовать свежеприготовленный раствор, имеющий температуру 20-25 градусов. Время проявления зависит от толщины пленки фоторезиста и находится в пределах от 30 секунд до 2 минут. После проявления плату можно подвергать травлению в обычных растворах, поскольку фоторезист устойчив к воздействию кислот. При использовании качественных фотошаблонов применение фоторезиста позволяет получить дорожки шириной вплоть до 0,15-0,2 мм.

Травление

Известно много составов для химического стравливания меди. Все они отличаются скоростью протекания реакции, составом выделяющихся в результате реакции веществ, а также доступностью необходимых для приготовления раствора химических реактивов. Ниже приведена информация о наиболее популярных растворах для травления.

. Хлорное железо (FeCl) - пожалуй, самый известный и популярный реактив. Сухое хлорное железо растворяется в воде до тех пор, пока не будет получен насыщенный раствор золотисто-желтого цвета (для этого потребуется порядка двух столовых ложек на стакан воды). Процесс травления в этом растворе может занять от 10 до 60 минут. Время зависит от концентрации раствора, температуры и перемешивания. Перемешивание значительно ускоряет протекание реакции. В этих целях удобно использовать компрессор для аквариумов, который обеспечивает перемешивание раствора пузырьками воздуха. Также реакция ускоряется при подогревании раствора. По окончании травления плату необходимо промыть большим количеством воды, желательно с мылом (для нейтрализации остатков кислоты). К недостаткам данного раствора следует отнести образование в процессе реакции отходов, которые оседают на плате и препятствуют нормальному протеканию процесса травления, а также сравнительно низкую скорость реакции.

. Персульфат аммония - светлое кристаллическое вещество, растворяется в воде исходя из соотношения 35 г. вещества на 65 г. воды. Процесс травления в этом растворе занимает порядка 10 минут и зависит от площади медного покрытия, подвергающегося травлению. Для обеспечения оптимальных условий протекания реакции раствор должен иметь температуру порядка 40 градусов и постоянно перемешиваться. По окончании травления плату необходимо промыть в проточной воде. К недостаткам этого раствора относится необходимость поддержания требуемого температурного режима и перемешивания.

. Раствор соляной кислоты (HCl) и перекиси водорода (H 2 O 2). Для приготовления этого раствора необходимо к 770 мл воды добавить 200 мл 35% соляной кислоты и 30 мл 30% перекиси водорода. Готовый раствор

должен храниться в темной бутылке, не закрытой герметически, так как при разложении перекиси водорода выделяется газ. Внимание: при использовании данного раствора необходимо соблюдать все меры предосторожности при работе с едкими химическими веществами. Все работы необходимо производить только на свежем воздухе или под вытяжкой. При попадании раствора на кожу ее необходимо немедленно промыть большим количеством воды. Время травления сильно зависит от перемешивания и температуры раствора и составляет порядка 5-10 минут для хорошо перемешиваемого свежего раствора при комнатной температуре. Не следует нагревать раствор выше 50 градусов. После травления плату необходимо промыть проточной водой.

Данный раствор после травления можно восстанавливать добавлением H 2 O 2. Оценка требуемого количества перекиси водорода осуществляется визуально: погруженная в раствор медная плата должна перекрашиваться из красного в темно-коричневый цвет. Образование пузырей в растворе свидетельствует об избытке перекиси водорода, что ведет к замедлению реакции травления. Недостатком данного раствора является необходимость строгого соблюдения при работе с ним всех мер предосторожности.

Очистка заготовки, сверловка, нанесение флюса, лужение

После завершения травления и промывки платы необходимо очистить ее поверхность от защитного покрытия. Сделать это можно каким-либо органическим растворителем, например, ацетоном.

Далее необходимо просверлить все отверстия. Делать это нужно остро заточенным сверлом при максимальных оборотах электродвигателя. В случае, если при нанесении защитного покрытия в центрах контактных площадок не было оставлено пустого места, необходимо предварительно наметить отверстия (сделать это можно, например, шилом). Прижимное усилие в процессе сверления не должно быть слишком большим, чтобы на обратной стороне платы не образовывались бугорки вокруг отверстий. Обычные электродрели практически не подходят для сверления плат, поскольку, во-первых, имеют низкие обороты, а во-вторых, обладают достаточно большой массой, что затрудняет регулирование прижимного усилия. Удобнее всего для сверления плат использовать электродвигатели типа ДПМ-35Н и им подобные с насаженным на их вал небольшим цанговым патроном. После сверловки нужно обработать отверстия: удалить все зазубрины и заусенцы. Сделать это можно наждачной бумагой.

Следующим этапом является покрытие платы флюсом с последующим лужением. Можно использовать специальные флюсы промышленного изготовления (лучше всего смываемые водой или вообще не требующие смывания) либо просто покрыть плату слабым раствором канифоли в спирте. Лужение можно производить двумя способами: погружением в расплав припоя либо при помощи паяльника и металлической оплетки, пропитанной припоем. В первом случае необходимо изготовить железную ванночку и заполнить ее небольшим количеством сплава Розе или Вуда. Расплав должен быть полностью покрыт сверху слоем глицерина во избежание окисления припоя. Для нагревания ванночки можно использовать перевернутый утюг или электроплитку. Плата погружается в расплав, а затем вынимается с одновременным удалением излишков припоя ракелем из твердой резины.

Перечень элементов

позиция

номинал

примечание

Кол-во

R1 R2

22кОм

Красный, красный, оранж.

2

R3 R6 R14 R17

15кОм

Коричневый, зеленый, оранжевый


R4 R5 R15 R16

91кОм


R9 R12 R20 R23

360кОм

Оранжевый, голубой, коричневый


R10 R11 R21 R22

2.2кОм

Красный, красный, красный


R13

100Ом

Коричневый, черный, коричневый


R24…..R29

10кОм

Подстроечный резистор


R30 R31

22кОм

Красный, красный, оранжевый


C1…C4 C6…C9 C15

0,22 мкф



C5

47 мкф *16в



C10 C13

4,7 мкф*16в



C11 C12

470 мкф*16в



C14 C16

2,2 мкф*16в



C17 C18

1,0 мкф*16в



VD1

ZENER 12V

стабилитрон


VD2

1N4004



VS1…VS6

C106D1

тиристор


VT1…VT4

BC547

транзистор


MIC1 MIC2


микрофон



306-021-12

Клеммный зажим



BOX M-54P

Корпус пластиковый



A294

Печатная плата


Вид со стороны радиоэлементов

Вид со стороны печатных проводников

Конструкция

Конструктивно приставка выполнена на печатной плате из фольгированного стеклотекстолита с размером 94х70 мм. Конструкция предусматривает установку платы на корпус, для этого по краям платы имеются монтажные отверстия под винты диаметром 3 мм.

Формовка выводов

Формовка выводов радиокомпонентов производится для того чтобы установить их на печатную плату, формовка выводов производится радиомонтажника: пинцет, пассатижи.

Общие требования к монтажу и сборке набора

Все входящие в набор компоненты монтируются на печатной плате методом пайки.

нельзя использовать паяльник мощностью 25 Вт.

запрещается использовать активный флюс!!!

рекомендуется применять припой марки ПОС-61М или аналогичный, а также жидкий неактивный флюс для радиомонтажных работ (например, 30% раствор канифоли в этиловом спирте, ЛТИ-120 и т.д.).

для предотвращения отслаивания токопроводящих дорожек (контактных площадок) и перегрева элементов, время пайки одного компонента не должно превышать 2-3 с.

Порядок сборки

Проверяем комплектованность набора согласно перечню элементов в I таблице.

От формировать выводы радиоэлементов.

Устанавливаем все детали согласно принципиальной схеме в следующей последовательности: сначала малогаборитные, а потом все остальные элементы.

Промываем плату от остатков флюса этиловым или изопропиловым спиртом.

Порядок регулировки

Правильно собранное устройство не требует настройки. Однако перед его использованием необходимо проделать несколько операций:

Проверить правильность монтажа. Особенно внимательно проверяем правильность установки транзисторов, тиристоров и электролитических конденсаторов.

Проверить правильность подключения источника питания 220В

Подключаем лампы накаливания как показано на монтажной схеме, при этом общая максимальная мощность, подключаемых к лампам не должна превышать более 500 Вт!

Устанавливаем подстроенными резисторами с R24 по R29 предпочтительную чувствительность по каждому каналу.

Лампы канала НЧ рекомендуется выкрасить в красный цвет. канала СЧ желтый и канала ВЧ в синий цвет.

3. Организация рабочего места радиомонтажника

В современных условиях высокоразвитого производства, оснащенного сложной техникой, необходим научный подход к организации труда на рабочих местах. Рационально организованное рабочее место обеспечивает условия труда, правильное построение трудового процесса, избавляет от лишних и неудобных движений, позволяет сократить затраты времени, улучшить использование оборудования, повысить качество выполняемой работы, обеспечить сохранность оборудования.

В целях обеспечения этого, организация труда предполагает осуществление комплекса мероприятий:

разработка перечня работ и операций основного производства и установление последовательности их выполнения;

подбор, профессиональная подготовка и расстановка кадров, четкое определение обязанностей каждого работника;

организация и оснащение рабочих мест, обеспечивающие эффективное выполнение каждым работником, производственных заданий;

внедрение наиболее рациональных приемов и методов выполнения работ;

создание необходимых санитарных и производственно-бытовых условий, обеспечивающих гигиену и безопасность труда, регламентация режимов труда и отдыха работников;

установление норм труда и его оплаты, выбор форм морального и материального стимулирования роста производительности труда.

Именно здесь происходит соединение трех основных элементов этого процесса и достигается его главная цель - производства предметов труда, оказание услуг либо технико-экономическое обеспечение и управление этими процессами. От того, как организованы рабочие места, во многом зависит эффективность использования самого труда, орудий и средств производства и, соответственно, производительность труда, себестоимость выпускаемой продукции, ее качество и многие другие экономические показатели функционирования предприятия. Рабочее место состоит из следующих элементов:

производственной площади;

основного оборудования;

устройств для хранения материалов, заготовок, готовой продукции, отходов и брака;

устройства для хранения инструментов, оснастки и приспособлений;

подъемно-транспортных устройств;

Рабочее место представляет собой закрепленную, за отдельным рабочим или группой рабочих, часть производственной площади, оснащенную необходимыми технологическим, вспомогательным, подъемно-транспортным оборудованием, технологической и организационной оснасткой, предназначенными для выполнения определенной части производственного процесса.

Каждое рабочее место имеет свои специфические особенности, связанные с особенностями организации производственного процесса, многообразием форм конкретного труда. Состояние рабочих мест, их организация напрямую определяют уровень организации труда на предприятии. Кроме этого организация рабочего места непосредственно формирует обстановку, в которой постоянно находится работник на производстве, что влияет на его самочувствие, настроение, работоспособность и, в конечном итоге, на производительность труда.

Организация рабочего места представляет собой материальную основу, обеспечивающую эффективное использование оборудования и рабочей силы. Главной ее целью является обеспечение высококачественного и эффективного выполнения работы в установленные сроки на основе полного использования оборудования, рабочего времени, применения рациональных приемов и методов труда, создания комфортных условий труда, обеспечивающих длительное сохранение работоспособности работников. Для достижения этой цели к рабочему месту предъявляются технические, организационные, экономические и эргономические требования.

С технической стороны рабочее место должно быть оснащено прогрессивным оборудованием, необходимой технологической и организационной оснасткой, инструментом, контрольно-измерительными приборами, предусмотренными технологией, подъемно-транспортными средствами.

Для выполнения всех выше перечисленных монтажных и регулировочных работ необходимы определенные условия, в том числе рабочее место регулировщика. Рабочим местом называется место, отведенное для постоянного или временного пребывания работника в процессе трудовой деятельности.

Оно должно быть организовано таким образом, чтобы обеспечивались максимальные удобства для работающего, позволяющие выполнять технологические процессы.

Рабочее место регулировщика - радиомонтажника радиоэлектронной аппаратуры и приборов (Рис. 6) должно быть оборудовано необходимой аппаратурой, приборами и приспособлениями. В состав него входят:

нож для выкусывания проводов;

вакуумный и ручной отсосы припоя;

приспособление для устранения деформации печатных плат;

термовоздушное оборудование для демонтажа микросхем и SMD элементов;

приспособление для размещения печатного узла, предназначенного для регулировки РЭА и приборов;

приспособление для захвата корпусов микросхем, подлежащих демонтажу,

теплоотвод для демонтажа микросхем,

специальная игла для очистки печатных плат от припоя;

приспособление для демонтажа проводов;

специальные насадки для паяльника;

приспособление для отсоса припоя при демонтаже многовыводных ЭРЭ ИС;

комплект инструмента для регулировки и ремонта печатных плат;

монтажный инструмент.



4. Охрана труда и требования промышленной санитарии

Электробезопасность относится к безопасной эксплуатации электроустановок. К которым могут относится измерительные приборы, двигатели, машины, аппараты и т.д. С точки зрения электробезопасности оборудования делится на электроустановки до 1000 вольт и свыше 1000 вольт.

В целях безопасности шины питания электроустановок имеют вполне определенное обозначение, так для 3-х фазной сети - шина А - желтый провод, шина В-зеленым цветом, шина С - красным, шина нулевая, рабочая - голубым, шина нулевая, защитная - желто - зеленая. При однофазной сети: входящая шина А - желтым цветом, шина выходящая В-красным. При постоянном токе: положительная шина (+) - красным, отрицательная (-) - синим и нулевая - голубым.

Безопасность обслуживающего персонала обеспечивается:

применением изоляции на проводах;

надежностью блокировок;

быстродействующими устройствами автоматического отключения;

заземлением или занулением корпусов электрооборудования;

применением разделительных трансформаторов;

применением напряжений 42 вольта и ниже переменного тока и 110 вольт постоянного тока.

Действие электрического тока на человека возникает при:

прикосновении к токоведущим частям;

нахождении в зоне шагового напряжения;

прикосновении к нетоковедущим частям, оказавшимся под напряжением;

электрической дуге;

нахождении в зоне сильного электромагнитного поля.

Протекание тока через организм человека вызывает воздействия:

термическое;

химическое (электролитическое);

механическое (взрывоподобное парообразование);

электродинамический эффект;

биологическое.

Последствия воздействия электрического тока:

Местные:

ожоги (токовые, дуговые);

металлизация кожи;

электрические знаки;

механические повреждения (разрывы, вывихи);

электроофтальмия.

Общие (электрические удары)

1 степень - судорожное, едва заметное сокращение мышц;

3 степень - судорожное сокращение мышц с потерей сознания при сохранении дыхания и сердечной деятельности. Коматозное состояние - отсутствие сознания;

4, 5 степени - остановка дыхания и нарушение деятельности сердца. Клиническая смерть - отсутствие дыхания и / или сердечной деятельности. Обменные процессы сохраняются 4-6 минут.

биологическая смерть.

Способы освобождения пострадавшего от действия электрического тока:

отключение электроустановки или ее части;

отделение пострадавшего от электроустановки;

отделение токоведущих частей от пострадавшего;

механическое воздействие на токоведущие части;

отделение пострадавшего от земли;

вызов искусственного короткого замыкания с целью отключения электроустановки;

Факторы, влияющие на исход поражения человека электрическим током:

- длительность протекания тока (ожоги тканей тела, нагрев внутренних органов, изменение состава крови, нарушение функций центральной нервной системы, вероятность совпадения времени протекания электрического тока с фазой Т кардиоцикла);

путь протекания тока;

величина тока;

род и частота тока (максимум по болевым ощущениям: 22 В переменного тока и 100 В постоянного);

индивидуальные свойства человека (психологическая готовность, физическое состояние, возраст и пол).

 

Пороговые значения тока

I, мА

Переменный (50Гц)

Постоянный

до 1

Не ощущается

Не ощущается

1-8

Легкое дрожание рук, болевые ощущения

Легкий зуд

8-15

Можно с трудом разжать руки и отделиться от электрода

Ощущение тепла

15-20

Паралич рук, невозможно оторваться от электрода

Сокращение мышц

50-100

Паралич дыхания, фибрилляция сердца

Паралич дыхания

 

Средства защиты, используемые в электроустановках

Электрозащитные средства делятся на:

изолирующие, которые делятся в свою очередь на:

ü основные

ü  дополнительные

Неизолирующие (плакаты и знаки безопасности, переносные заземления, защитные ограждения, сигнализаторы наличия напряжения и т.д. к основным изолирующим ЭЗС до 1 кВ относятся:

ü    изолирующие штанги

ü  изолирующие клещи

ü  указатели напряжения

ü  электроизмерительные клещи

ü  диэлектрические перчатки

ü  ручной изолирующий инструмент к дополнительным изолирующим ЭЗС до 1 кВ относятся:

ü  диэлектрические галоши

ü  диэлектрические ковры и изолирующие подставки

ü  изолирующие колпаки, покрытия и накладки

ü  лестницы приставные и стремянки изолирующие стеклопластиковые.

В соответствие с требованиями правил устройства электроустановок имеют место следующие плакаты и знаки безопасности:

v    запрещающие (не включать работают люди, не включать работа на линии, не открывать работают люди, работа под напряжением повторно не включать)

v  предупреждающие («молния», испытание опасно для жизни, не влезай убьет, стой напряжение, опасное электрическое поле без средств защиты проход запрещен)

v  предписывающие (работать здесь, влезать здесь)

v  указательные (заземлено)

Общие правила пользования средствами защиты

à   Руководитель потребителя и ответственный за электрохозяйство должны контролировать соответствие условий труда на рабочих местах требованиям безопасности и производственной санитарии, и при невозможности устранить воздействие на персонал вредных и опасных факторов руководящие должностные работники обязаны обеспечить персонал средствами индивидуальной защиты.

à При работе следует использовать только средства защиты, имеющие маркировку с указанием завода-изготовителя, наименования типа изделия и года выпуска, а также штампа об испытании.

à При обнаружении непригодности средств защиты они подлежат изъятию. Об изъятии непригодных средств защиты должна быть сделана запись в журнале учета и содержания средств защиты или в оперативной документации.

à Перед каждым применением средства защиты персонал обязан проверить его исправность, отсутствие внешних повреждений и загрязнений, а также проверить по штампу срок годности. Не допускается использование средств защиты с истекшим сроком годности.

à При использовании основных изолирующих средств достаточно применения одного дополнительного.

При необходимости защитить работающего от шагового напряжения

à   диэлектрические боты или галоши могут использоваться без основных средств защиты.

Дополнительные средства и правила работы с ними:

перчатки диэлектрические;

галоши - до 1 кВ, боты - при всех напряжениях;

ковры диэлектрические и подставки изолирующие.

Первая помощь пострадавшему от электрического тока

Если пострадавший соприкасается с токоведущими частями, то прежде всего необходимо немедленно отключить ток. И чтобы освободить от тока пострадавшего на электровозах и моторовагонных секциях, нужно потребовать от машиниста быстро опустить пантограф или освободить пораженного электрическим током с помощью сухой изолированной штанги. При этом рекомендуется надеть резиновые перчатки и боты или стать на сухую доску.

Меры первой помощи зависят от того состояния, в котором будет находиться человек после освобождения его от электрического тока:

а) если он находится в сознании, но до этого был продолжительное время под током или в состоянии обморока, ему до прибытия врача необходимо обеспечить полный покой;

в) при отсутствии признаков жизни нужно немедленно начать делать искусственное дыхание.

Нельзя считать пострадавшего мертвым, так как смерть часто бывает лишь кажущейся. При оживлении мнимо умершего дорога каждая секунда, поэтому первую помощь нужно оказать срочно, по возможности тут же на месте происшествия.

Переносить пострадавшего в другое место можно только в случае, когда оказывать помощь на месте невозможно.

Существует несколько способов искусственного дыхания, одним из которых является искусственное дыхание «изо рта в рот:».

Пострадавшего укладывают на спину лицом кверху, нос зажимают, а лицо покрывают марлей или платком. Производящий искусственное дыхание становится у головы пострадавшего и делает глубокий вдох, после чего сильно через марлю или платок вдувает воздух в рот пострадавшего (можно пользоваться так называемым воздуховодом - толстой изогнутой резиновой трубкой с круглым передвигающимся на ней щитком).

После того как грудная клетка пострадавшего достаточно расширилась, следует прекратить вдувание - грудная клетка пострадавшего будет спадать (выдох).

При сжатых челюстях проводится искусственное дыхание путем вдувания воздуха «изо рта в нос». После глубокого вдоха производящий искусственное дыхание плотно через марлю или платок обхватывает губами нос пострадавшего и вдувает воздух в легкие (можно применять резиновую трубку, один конец которой взять в рот, а второй - в носовой проход на глубину 10-12 см).

Если у пострадавшего начинает восстанавливаться дыхание, то искусственное дыхание следует продолжать до тех пор, пока оно не станет глубоким и регулярным.

Если искусственное дыхание делает один человек, то можно применять следующий способ. Пострадавшего нужно положить спиной вверх, головой на одну руку и лицом в сторону, подстелив что-либо под лицо, другую руку-вытянуть вдоль головы.

Вытянуть (если можно) язык, но не держать его, встать на колени над пострадавшим (как бы верхом) лицом к его голове так, чтобы бедра пострадавшего были между коленями и положить ладони на спину, обхватив их с боков сложенными пальцами. На счет «раз», «два», «три» постоянно наклонять свое тело вперед так, чтобы весом его наваливаться на свои вытянутые руки и таким образом нажимать на нижние ребра пострадавшего (выдох). За тем, не отнимая рук от спины пострадавшего, быстро откинуться назад (вдох). На счет «четырем», «пять», «шесть» вновь постепенно наваливаться на вытянутые руки и т.д.

Искусственное дыхание могут делать два человека, для чего пострадавшего надо положить на спину. Положив под лопатки сверток: одежды так, чтобы голова запрокинулась назад, необходимо очистить полость рта от слизи, вытянуть язык и удерживать его, слегка оттягивая вниз, к подбородку. Встав на колени над головой пострадавшего, следует захватить его руку у локтя и прижать их без особого усилия к боковым сторонам его груди (выдох). Считая «раз», «два», «три», поднять руки пострадавшего кверху и закинуть их за голову (вдох). По счету «четыре», «пять», «шесть» вновь прижать руки к груди и т.д. При правильно проводимом искусственном дыхании получается звук (как бы стон) от прохождения воздуха через дыхательное горло пострадавшего, когда грудная клетка сдавливается и опускается. Отсутствие такого звука обычно указывает, что язык запал и мешает прохождению воздуха. Если травмирована рука или ключица, такой способ искусственного дыхания неприемлем. Нельзя допускать охлаждения пострадавшего, оставлять его на сырой земле, на каменном или бетонном полу; следует укрыть его, подстелить что-нибудь теплое, ноги по возможности утеплить.

приставка цветомузыкальный радиомонтажник промышленный

Список литературы

1. А.Т. Белевцев «Монтаж радиоаппаратуры и приборов», М. Высшая школа, 1982.

. Г.В. Ярочкина «Радиоэлектронная аппаратура и приборы: монтаж и регулировка», М. Academa, 2004.

. Л.Н. Гуляева, «Высококвалифицированный монтажник радиоэлектронной аппаратуры», М. Academa, 2007.

. Л.В. Журавлева, «Электрорадиоизмерения», М. Academa, 2004.

. Ю.Л. Хотунцев, А.С. Лобарев, «Основы радиоэлектроники», М. Агар

Похожие работы на - Монтаж и регулировка шестиканальной цветомузыкальной приставки

 

Не нашли материал для своей работы?
Поможем написать уникальную работу
Без плагиата!
Без нейросетей!