Модуль шестнадцатиразрядного двоичного реверсивного счетчика с параллельно-последовательным переносом, с предустановкой и выводом информации по два разряда, начиная с младшего

  • Вид работы:
    Курсовая работа (т)
  • Предмет:
    Информатика, ВТ, телекоммуникации
  • Язык:
    Русский
    ,
    Формат файла:
    MS Word
    66,26 Кб
  • Опубликовано:
    2013-11-25
Вы можете узнать стоимость помощи в написании студенческой работы.
Помощь в написании работы, которую точно примут!

Модуль шестнадцатиразрядного двоичного реверсивного счетчика с параллельно-последовательным переносом, с предустановкой и выводом информации по два разряда, начиная с младшего

Саратовский колледж радиоэлектроники (СКРЭ) имени П.Н. Яблочкова

СГУ имени Н.Г. Чернышевского







КУРСОВАЯ РАБОТА

По предмету: Цифровая схемотехника

Тема:

Модуль шестнадцатиразрядного двоичного реверсивного счетчика с параллельно-последовательным переносом, с предустановкой и выводом информации по два разряда, начиная с младшего



Студента группы ВТ-31

Урядникова А.А.

Руководитель Шляховская Г.А.




Саратов 2005 г.

Содержание


1. Основные понятия о счетчиках

.1 Назначение и типы счетчиков

.2 Двоичные счетчики

.3 Счетчики с последовательным переносом

.4 Работа счетчика типа КР1533ИЕ5

1.5 Работа счетчика типа КР1533ИЕ7

2. Описание работы модуля

.1 Описание принципиальной схемы модуля

.2 Расчет динамических параметров

.3 Расчет потребляемой мощности

.4 Расчет надежности модуля

.5 Конструкция модуля

Заключение

Список используемых источников

Приложения

Приложение A. Схема электрическая принципиальная

Приложение B. Спецификация к принципиальной схеме

Приложение C. Временные диаграммы работы модуля

Приложение D. Расположение элементов

Приложение E. Таблица соединения элементов

 

Введение

В настоящее время происходит компьютеризация практически во всех областях науки, техники, производства…Предпочтение отдается цифровым технологиям, которые считаются более продвинутыми и перспективными. Учитывая этот немаловажный факт, мы понимаем необходимость в изучении предмета “Цифровая схемотехника”. Изучение этого предмета знакомит нас с принципом работы и устройством интегральных схем (ИС) в целом, а также их составных частей.

Чем больше мы изучаем и, по возможности, понимаем этот предмет, тем больше нам хочется материализовать свои навыки и умения в жизнь, то есть создать, пусть скромную, но свою небольшую ИС. Такую возможность предоставляет нам курсовой проект разработки счетчика. Может быть, счетчик это не генератор символов и не память, но это также полезное устройство.

При выполнении курсовой мы неизбежно столкнемся с трудностями, различными сложностями, но чем сложнее процесс выполнения какой-либо работы, тем приятнее осознавать удовлетворение результатом проделанной работы. Ну что же, удачи нам!

Темой курсовой работы является модуль шестнадцатиразрядного реверсивного счетчика с предустановкой, с параллельно-последовательным переносом и выводом информации по два разряда, начиная с младшего.

Определить основные параметры:

1. Входное напряжение низкого уровня UIL.

2.      Входное напряжение высокого уровня UIH.

.        Выходное напряжение низкого уровня UОL.

.        Выходное напряжение высокого уровня UОH.

.        Максимальное количество просчитанных импульсов в десятичной системе, в двоично-десятичной системе.

.        Потребляемая мощность модуля.

.        Средняя наработка на отказ.

1. Основные понятия о счетчиках

.1 Назначение и типы счетчиков

Счетчик - цифровое устройство, предназначенное для подсчета входных импульсов, в интервале между которыми счетчик должен хранить информацию об их количестве. Счетчик состоит из триггеров. Между собой триггеры соединяются таким образом, что каждому числу импульсов соответствует единичное состояние определенного триггера. При этом совокупность нулей и единиц на выходах n-ячеек счетчика представляет собой n-разрядное число, которое определяет количество прошедших на входе импульсов. Поэтому ячейки счетчика называют его разрядами. Каждый разряд счетчика может находиться в двух состояниях. Число устойчивых состояний, которое может принимать данный счетчик, называют емкостью счетчика, модулем счета или коэффициентом пересчета.

Если с каждым входным импульсом зарегистрированное в счетчике число увеличивается, то такой счетчик является суммирующим, если же это число уменьшается, то вычитающим. Счетчик, работающий как на сложение, так и на вычитание, называется реверсивным счетчиком.

Счетчик, у которого под воздействием входного импульса состояния переключающихся разрядов изменяются последовательно друг за другом, называется счетчиком с последовательным переносом. Если же переключение происходит одновременно (или почти одновременно) - счетчиком с параллельным переносом.

Счетчики имеют внутреннюю память и представляют собой более высокий уровень сложности цифровых микросхем, чем, например, регистры. Хотя в основе любого счетчика лежат те же самые триггеры, которые образуют и регистры, но в счетчиках триггеры соединены более сложными связями, в результате чего их функции сложнее, и на их основе можно строить более сложные устройства, чем на регистрах.

Как следует из самого названия, счетчики предназначены для счета входных импульсов. С приходом каждого нового входного импульса двоичный код на выходе увеличивается или уменьшается на единицу. Срабатывать счетчик может по спаду входного тактового сигнала. Режим счета обеспечивается использованием внутренних триггеров. Каждый выход счетчика представляет собой разряд двоичного кода, причем разряд, переключающийся чаще других (по каждому входному импульсу), будет младшим, а разряд, переключающийся реже других - старшим.

Счетчик работает на увеличение входного кода по каждому входному импульсу, это основной режим, имеющийся во всех счетчиках, он называется режимом прямого счета. Счетчик может также работать на уменьшение выходного кода по каждому входному импульсу, это режим обратного или инверсного счета, предусмотренный в инверсных счетчиках. Инверсный счет бывает довольно удобен в схемах, где необходимо отсчитывать заданное количество входных импульсов.

По быстродействию все счетчики делятся на три большие группы:

1. Асинхронные или последовательные счетчики

2.      Синхронные счетчики с последовательным переносом

.        Синхронные или параллельные счетчики

Принципиальные различия между этими группами проявляются только на втором уровне представления, на уровне модели с временными задержками. Больше всего различия эти проявляются при каскадировании счетчиков. Наибольшим быстродействием обладают синхронные счетчики, наименьшим - асинхронные счетчики, наиболее просто управляемые среди других. Каждая группа счетчиков имеет свои области применения.

1.2    Двоичные счетчики

Большинство счетчиков работают в обычном двоичном коде, то есть считают от 0 до (K-1), где K - коэффициент счета счетчика. Например, 4-разрядный счетчик в режиме прямого счета будет считать от 0 (код 0000) до 15 (код 1111), а 8-разрядный - от 0 (код 00000000) до 255 (код 11111111). После максимального значения кода счетчик по следующему входному импульсу возвращается в 0, работая по кругу. Если же счет инверсный, то счетчик считает до нуля, а дальше переходит к максимальному коду.

1.3 Счетчик с последовательным переносом

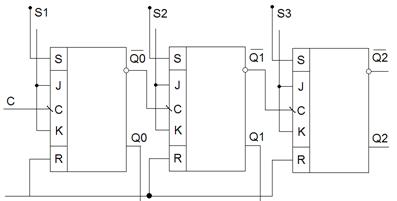
В счетчиках с последовательным переносом счетные импульсы подаются на вход триггера первого младшего разряда. Между собой триггеры соединены так, чтобы обеспечить переключение последующего, когда уровень напряжения предыдущего триггера переходит из высокого в низкий. Все триггеры должны работать в счетном режиме, чтобы изменять свое состояние под действием перепада каждого переключающего импульса. Перечисленным требованиям удовлетворяет схема последовательного счетчика на JK триггерах, изображенных на рисунке 1.

Рисунок 1. Схема последовательного счетчика на JK триггерах

Если в счетчике используются триггеры, переключающиеся перепадом 0/1, то вход следующего триггера нужно соединить с инверсным выходом предыдущего, на котором формируется этот перепад, когда по прямому выходу триггер переключается из единицы в ноль.

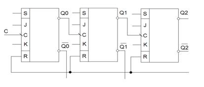
Если счетчик вычитающий, это означает, что счетные импульсы следует подавать на вход триггера младшего разряда, а между собой триггеры должны быть соединены так, чтобы обеспечить переключение последующего, когда уровень напряжения предыдущего по прямому входу переходит из низкого в высокий.

Для выполнения последнего условия счетный вход последующего триггера следует соединить с инверсным выходом предыдущего, если переключается перепадом 1/0, или с прямым, если триггеры переключаются 0/1 как показано на рисунке 2.

Рисунок 2. Схема параллельного счетчика на JK триггерах

Счетчики с последовательным переносом имеют простую структуру и обладают рядом недостатков. Один из них состоит в сравнительно низком быстродействии: к К-тому разряду переключающий сигнал проходит через (К-1) предыдущих, поэтому интервал между соседними входными импульсами должен превышать tn (n-1), где tn - время переключения триггера; n - число разрядов счетчика. Другим недостатком счетчика является то, что в ходе переключения младшие разряды счетчика принимают уже новые состояния, в то время как старшие еще находятся в прежнем, т. е. при смене одного числа другим, счетчик проходит ряд промежуточных состояний, каждое из которых может быть принято за двоичный код числа, прошедших на входе импульсов.

Когда для устройства, содержащего счетчик, указанные недостатки являются существенными, используют счетчик с параллельным переносом.

1.4 Работа счетчика типа КР1533ИЕ5

Микросхема КР1533ИЕ5 представляет собой четырехразрядный двоичный счетчик и содержит четыре счетных триггера, срабатывающих по спаду положительного импульса, а также имеющие дополнительные связи, реализующие в микросхеме две секции: счетчик-делитель на два и трехразрядный счетчик-делитель на восемь. Каждая секция может использоваться отдельно, а для получения 4-х разрядного счетчика используется внешняя связь выхода счетчика на два со входом трехразрядного счетчика. В каждой микросхеме один из триггеров имеет отдельный вход С и один прямой выход, три оставшихся триггера соединены между собой так, что образуют делитель на 8 в микросхеме КР1533ИЕ5. При соединении выхода первого триггера с входом С2 цепочки из трех триггеров образуют соответственно делители на 16, 12, 10.

Микросхема имеет входы сброса счетчика в «ноль» (0000). Сброс или установка в 0 триггеров производится при подаче лог. 1 на оба входа R.

В таблице 1 приведены номера выводов микросхем, которые нужно соединить между собой для получения различных К. Все делители, полученные соединением выводов по таблице1, работают по одному принципу - при достижении состояния, соответствующего необходимому коэффициенту пересчета, происходит установка счетчика в 0. Делители на микросхемах КР1533ИЕ5 работают в весовом коде 1-2-4-8.

Таблица 1

Таблица соединения выводов

К

КР1533ИЕ5


Вход

Выход

Соединить выводы

2

14

12

-

3

1

8

9-2, 8-3

4

1

8

-

5

1

11

9-2, 11-3

6

1

11

8-2, 11-3

7

-

-

-

8

1

11

-

9

14

11

12-1-2, 11-3

10

14

11

12-1, 9-2, 11-3

12

14

11

12-1, 8-2, 11-3

16

14

11

12-1


1.5 Работа счетчика типа КР1533ИЕ7

Представляет из себя реверсивный счетчик, работающий в коде 1-2-4-8. Счетчик считает до шестнадцати.

Рассмотрим работу микросхемы ИЕ7. Входы +1 и -1 служат для подачи тактовых импульсов, +1 - при прямом счете, -1 - при обратном. Вход R служит для установки счетчика в 0, вход L - для предварительной записи в счетчик информации, поступающей по входам D1-D8.

Установка триггеров счетчика в 0 происходит при подаче логической 1 на вход R, при этом на входе L должна также быть логическая 1. Для предварительной записи в счетчик любого числа от 0 до 15 его код следует подать на входы D1-D8 (D1- младший разряд, D8- старший), при этом на входе R должен быть логический 0, и на вход L подать импульс отрицательной полярности.

Прямой счет осуществляется при подаче импульсов отрицательной полярности на вход +1, при этом на входах -1 и L должна быть логическая 1, на входе R - логический 0. Переключение триггеров счетчика происходит по спадам входных импульсов, одновременно с каждым пятнадцатым входным импульсом на выходе >=15 формируется отрицательный выходной импульс переполнения, который может подаваться на вход +1 следующей микросхемы многоразрядного счетчика. Уровни на выходах 1-2-4-8 соответствуют состоянию счетчика в данный момент (в двоичном коде).

При обратном счете входные импульсы подаются на вход -1, выходные импульсы снимаются с выхода <=0. Пример временной диаграммы работы счетчика приведены на рисунке 3.

Рисунок 3. Временная диаграмма работы ИЕ7

Первый импульс установки устанавливает все триггеры счетчика в 0. Три следующих импульса, поступающих на вход +1, переводят счетчик в состояние 3, которому соответствуют логические 1 на выходах 1 и 2 и логические 0 - на 4 и 8. Если на входах D1-D4 логический 0, на входе D8 логическая 1, импульс на входе L устанавливает счетчик в состояние 8. Следующие двенадцать импульсов переводят счетчик в состояния 15, 0, 1, 2, 3, 4. Одновременно с импульсом, переводящим счетчик в 0, на выходе >=15 появляется выходной импульс прямого счета. Следующие импульсы, поступающие на вход -1, изменяют состояние счетчика в обратном порядке: 3, 2, 1, 0, 15, 14 и так далее. Импульс на выходе >=15 появляется одновременно с импульсом на входе +1 при переходе счетчика из состояния 15 в состояние 0, а на выходе <=0 - при переходе счетчика из 0 в 15 одновременно с импульсом на входе -1.

интегральный микросхема реверсивный счетчик

2. Описание работы модуля

.1 Описание принципиальной схемы

Модуль счетчика двоичного шестнадцатиразрядного реверсивного с параллельно-последовательным переносом. Входы предустановки предусмотрены для уменьшения коэффициента счета. Принципиальная схема изображена в Приложении A, перечень элементов - в Приложении B, динамические параметры - в Приложении C. Вывод информации производится по два разряда, начиная с младшего. Модуль счетчика предназначен для подсчета входных импульсов и вывода результата в последовательном коде.

Счетчик представляет собой шестнадцатиразрядный счетчик, выполненный на четырех схемах D5…D8 типа КР1533ИЕ7. Счетчик работает с параллельно-последовательным переносом. Входы предустановки DI0…DI15 поступают на контакты 5а…20а разъема X1 и далее через триггеры Шмитта D1…D4 на входы D0…D3 счётчиков D5..D8. Входы С+1, С-1 соответственно для суммирования - вычитания поступают на контакты 3а,4а на входы счетчика D5 , а далее выходы переноса предыдущего счетчика поступают на входы +1,-1 последующего счётчика до D8. Каждый счетчик работает параллельно, а при наращивании - последовательном. В модуле счетчика имеется вход управления предустановкой (L). Для организации предустановки на вход L подаётся лог. ”1” , а на входы С+1,С-1 - лог.”0”. На контактах 3а,4а при лог.”0” на входе L происходит счёт при соответствующих входах С+1,С-1.

Триггеры Шмитта применяются для увеличения помехоустойчивости входов модуля, что приводит к более устойчивой работе всего модуля. При необходимости сохранить фазу входа неизменной используется два последовательно соединённых триггера Шмитта.

Для вывода информации по два разряда, начиная с младшего, используются мультиплексоры D9,D10 типа КР1533КП7. Мультиплексор имеет восемь информационных входов D0…D7, три адресных входа (1,2,4) и вход разрешения Е. Если на входе разрешения лог.”1”, то на прямом выходе “0”, независимо от сигналов на других входах, а на инверсном выходе - уровень лог.”1”. Если на входе разрешения E лог. “0”, то сигнал на прямом выходе повторяет сигнал на том входе, номер которого совпадает с десятичным эквивалентом кода на входах 1,2,4 мультиплексора.

Шинный усилитель (ШУ) типа КР1533АП4 используется для усиления выходных сигналов, поступающих с мультиплексора, а также для возможности работы модуля на большие емкостные и омные нагрузки.

Для коммутации D9,D10 используется счетчик типа КР1533ИЕ5 D12 , у которого по контакту 24а осуществляется вход сброса R2 , а на контакт 23а - поступает вход синхроимпульса C, который и коммутирует D9,D10. На контакт 2а поступает вход разрешения выхода ШУ E. При уровне лог.“0” на этом входе информация выводится на магистральную шину, а при уровне лог.“1” на выходе ШУ - высокоимпеданстное состояние.

2.2 Расчет динамических параметров

Таблица 3

Тип ИС

tp,не более,нC

tu,не менее, нС

tpd-c,не менее, нС

tpc-d,не менее,нС

КР1533ТЛ2

22

-

-

-

КР1533ИЕ7

30

10

15

5

КР1533ИЕ5

51

15

-

-

КР1533КП7

24

-

-

-

КР1533АП4

11

-

-

-


Значение tp выбрано больше из двух: tplh и tphl.

tpd - время удержания установки информации действующего перепада по выходам относительно управляющего сигнала записи.

tpc-d - время удержания информации по выходам относительно действующего перепада сигнала записи.

tu min - время минимального импульса на входе тактовой частоты.

Используя эпюры 1…16 Приложения С, находим задержку выходного сигнала относительно входа.

При работе модуля образуются задержки выходов относительно входов ИС, используемых в модуле:

tp1 - задержка на триггере Шмитта типа КР1533ТЛ2;

tp2 - задержка выхода переноса относительно тактового импульса;

tp3 - задержка выходов относительно спада синхроимпульса C на счётчике типа КР1533ИЕ5;

tp4 - задержка при изменении адреса на мультиплексоре типа КР1533КП7;

tp5 - задержка выходов на шинном усилителе типа КР1533АП4;

tv1 - длительность входных импульсов C1+ и C1-;

tv2 - длительность входных импульсов C2+ и C2-;

Динамические параметры модуля определяются используя Приложение С, в котором 16 эпюр, и таблицу 3.

Используя эпюры 1…9, определяем динамические параметры выходов D5…D8 в режиме счета:

tpS1= tv1+tp1+4*tp2= tv1+22+4*30= tv1+144 (нС)

Используя эпюры 10…16, определяем динамические параметры модуля при выводе информации:

tpS2= tv2+tp1+tp3+tp4+tp5= tv2 +22+51+24+11= tv2 +108 (нС)

2.3 Расчет потребляемой мощности

Расчет потребляемой мощности сводится к определению суммы потребляемых мощностей каждой ИС.

Общая потребляемая мощность рассчитывается по формуле:

PccS=n1Pcc1+n2Pcc2…nkPcck,

где Pcck - мощность, потребляемая k-того типа ИС

nk - количество ИС k-того типа

PccS - потребляемая мощность модуля

Потребляемая мощность каждого типа ИС определяется по формуле:

Pcc=UccIcc,

где Ucc - максимальное напряжение питания модуля

Icc - ток потребления данного типа ИС.

По техническим требованиям на ИС типа КР1533 Ucc=5 (В)±10 %

 

Таблица 4

Таблица мощности используемых ИС

Тип ИС

Icc, mAне болеепри Ucc=5,5 В

Pcc,Вт

Количество микросхем, n

Pcc*n,Вт

1. КР1533ТЛ2

17

0.0935

4

0.374

22

0.121

4

0.484

3. КР1533КП7

12

0.66

2

0.132

4. КР1533ИЕ5

13

0.71

1

0.71

5. КР1533АП4

30

0.165

1

0.165

Итого:




1.865


1. Pcc=17*5.5*4=0.374 (Вт)

2.      Pcc=22*5.5*4=0.484 (Вт)

3.      Pcc=12*5.5*2=0.132 (Вт)

4.      Pcc=13*5.5*1=0.71 (Вт)

5.      Pcc=30*5.5*1=0.165 (Вт)

PccS=0.374+0.484+0.132+0.71+0.165=1.865 (Вт)

Можно считать, что потребляемая мощность модуля не более 2 Вт.

.4 Расчет надежности модуля

Надежность - свойство объекта выполнять заданные функции, сохраняя во времени значение установленных эксплуатационных показателей в допустимых пределах соответствующих режимах и условиях эксплуатации.

К основным показателям надежности относятся:

-  Вероятность безотказной работы;

-       Интенсивность отказов;

-       Средняя наработка на отказ.

Вероятность безотказной работы - это вероятность того, что в заданный интервал времени не произойдет отказа. Вероятность безотказной работы определяется по формуле:

P (t)=e-Lt,

где e - основание натурального логарифма,

L - интенсивность отказов,

t - время работы системы.

Величина P(t) показывает, какая часть элементов по отношению к общему количеству исправно работающих элементов в среднем выходит из строя за единицу времени. Интенсивность отказов определяется по формуле:

L=1/Top,

где Top - средняя наработка на отказ.

При нормальной работе, когда закончена проработка изделия интенсивность отказов можно принять за константу. Окончательный расчет надежности производится с учетом эксплуатационных коэффициентов, показывающих каким образом изменяется интенсивность отказов при изменении каждого из воздействующих факторов: температурного коэффициента, влажности, давления, вибрации, ударных нагрузок. В этом случае суммарная интенсивность отказов рассчитывается по формуле:

L=L0*a1*a2*a3,

где L0 - начальная интенсивность отказов элемента при нормальных условиях,

a1, a2, a3 - коэффициенты воздействующих факторов.

Обычно при расчете надежности ограничиваются тремя коэффициентами:

a1 - коэффициент условия эксплуатации, для стационарных условий - 10;

a2 - температурный коэффициент, определяется по графическим зависимостям;

a3 - коэффициент нагрузки, который характеризуется для каждого элемента электрическим режимам в схеме, рассчитывается по формулам:

1) Для резисторов:

a3=Pраб/Pном,

где Рраб - мощность, потребляемая в рабочем режиме,

Рном - номинальная потребляемая мощность.

2) Для конденсаторов:

a3=Uраб/Uном,

где Uраб - рабочее напряжение конденсатора,

Uном - номинальное напряжение конденсатора.

3) Для ИМС:

a3раз. рабраз. ном,

где Краз. раб - рабочий коэффициент разветвления,

Краз. ном - номинальный коэффициент разветвления.

Вычисленные данные занесены в таблицу 5

Таблица 5

Расчет надежности модуля

Наименование и тип элемента

Начальная интенсивность отказов *10-6

Температурный коэффициент а2

Коэффициент нагрузки а3

Кол-во элементов, n

КР1533ТЛ2

0,02

0,1

0,1

21

0,0042

КР1533ТЛ2

0,02

0,1

0,2

1

0,0004

КР1533ТЛ2

0,02

0,1

0,4

2

0,0016

КР1533ИЕ5

0,02

0,1




КР1533ИЕ7

0,02

0,1




КР1533ИЕ7

0,02

0,1




КР1533ИЕ7

0,02

0,1




КР1533ИЕ7

0,02

0,1




КР1533КП7

0,02

0,1




КР1533КП7

0,02

0,1




КР1533АП4

0,02

0,1



0,1504

Конденсатор КМ-5А

0,015

0,036

0,15

12

0,000972

Плата

0,085

1

1

1

0,0850

Пайка

0,0001

1

1

366

0,0366

Разъем

0,01

1

1

1

0,01

Итого:







С учетом воздействия внешних условий (а1=10) суммарная интенсивность отказов составляет:

L0= 0,1504*10-5


Тор= 664893 ч.

.5 Конструкция модуля

При разработке конструкции модуля (устройства) необходимо обеспечить высокие эксплуатационные характеристики. Согласно заданию на курсовое проектирование, устройство должно использоваться в стационарных условиях.

В настоящее время при проектировании электронной аппаратуры на элементах жесткой логики для соединения элементов друг с другом используется метод холодной сварки или метод так называемой раскрутки.

Двухсторонняя печатная плата представляет собой типовой элемент замены (ТЭЗ) с размерами 200 мм * 125 мм, толщина печатной платы 1,5 мм, шаг координатной сетки 2,5 мм. Длина выводов элементов не должна превышать 1,5 мм. В качестве материала, из которого изготовлена печатная плата, используется фальгированный стеклотекстолит марки СФГ-50-3, обладающий высокой механической прочностью, а также высоким удельным сопротивлением.

Элементы на печатной плате располагаются линейно многоразрядно. Для установки ИМС и навесных элементов имеются металлизированные отверстия. Диаметр отверстий должен быть больше диаметра выводов на 0,15-0,5 и радиоэлементы устанавливаются с одной стороны платы на расстоянии между поверхностью платы и ИМС - 0,5 мм, между платой и радиоэлементами на более 0,3 мм.

Пайка радиоэлементов и ИМС осуществляется низкотемпературным припоем ПОС-61(ГОСТ 21.931-76).

Поверхности деталей подлежащие пайке должны быть зачищены и покрыты флюсом. После пайки для удаления остатков флюса и других загрязнений, плату промывают в бензиново-спиртовой смеси.

Достоинством данной конструкции является простота монтажа и сборки, а так же свободный доступ к электро-радиоэлементам.

Связь ИМС в схеме отображена в таблице соединений элементов в Приложении Е.

Заключение

В результате работы над курсовым проектом разработан модуль, удовлетворяющий требованиям задания.

Высокая надежность и экономичность модуля достигнута путем применения микросхем современных серий (современной серии) КР1533 и использование современного способа соединения элементов в лабораторных условиях.

Технические параметры модуля:

1. Входное напряжение низкого уровня UIL,не более, В - 0,8

2.      Входное напряжение высокого уровня UIH,не менее, В - 2

.        Выходное напряжение низкого уровня UОL, не более, В - 0,4

.        Выходное напряжение высокого уровня UОH, не менее, В - 2,4

.        Максимальное количество просчитанных импульсовв десятичной системе - 65535

в двоичной системе - 1111111111111111

в двоично-десятичной - 1100101010100110101

в шестнадцатиричной - FFFFh

.   Потребляемая мощность модуля, не более, Вт - 2

7.      Средняя наработка на отказ, не менее, ч - 664893

Список использованной литературы

1. Е. Угрюмов “Цифровая схемотехника”, издание “БВХ-Петербург”, 2002.

2.      Ю.В. Новиков “Основы цифровой схемотехники”, издание “БВХ-Петербург”, 2002.

.        С.А. Бирюков “Применение цифровых микросхем серии ТТЛ и КМОП”, Москва, издание “ДМК”, 2000.

.        Ю.А Браммер, И.Н. Пащук “Импульсные и цифровые устройства”, Москва, издание “Высшая школа”, 1999.

.        Л.А. Мальцева, Э.М. Фромберг, В.С. Ямпольский “Основы цифровой техники”, Москва, издание “Радио и связь”, 1986.

.        А.С. Партин, В.Г. Борисов “Введение в цифровую технику”, Москва, издание “Радио и связь”, 1987.

.        В.Л. Шило “Популярные цифровые микросхемы: Справочник”, Москва, издание “Радио и связь”, 1987.

Похожие работы на - Модуль шестнадцатиразрядного двоичного реверсивного счетчика с параллельно-последовательным переносом, с предустановкой и выводом информации по два разряда, начиная с младшего

 

Не нашли материал для своей работы?
Поможем написать уникальную работу
Без плагиата!
Без нейросетей!