Имитатор взрывных источников излучения на основе четырехканального капиллярного разряда
МИНИСТЕРСТВО
ОБРАЗОВАНИЯ И НАУКИ РОССИЙСКОЙ ФЕДЕРАЦИИ
Московский
государственный технический университет
им. Н.Э.
Баумана
Кафедра
“Плазменные энергетические установки” (Э-8)
Дипломная
работа
«Имитатор
взрывных источников излучения на основе четырехканального капиллярного разряда»
Студента
группы Э8-Д1 Кисарова А.П.
Преподаватель:
Доцент Камруков А.С.
Москва, 2011
РЕФЕРАТ
В работе 105 страниц,71 рисунок, 12 таблиц.
ИМИТАТОР АКТИВНЫХ ОПТИЧЕСКИХ ПОМЕХ, ВЗРЫВНОЙ ИСТОЧНИК ИЗЛУЧЕНИЯ,
ИМПУЛЬСНЫЙ ГЕНЕРАТОР ПЛАЗМЫ, КАПИЛЛЯРНЫЙ РАЗРЯД, ПЛАЗМЕННО-ВИХРЕВОЕ ОБРАЗОВАНИЕ
Объектом исследований являются физические процессы, протекающие в
импульсном генераторе плазмы, предназначенном для имитации взрывных источников
активных импульсных оптических помех.
Цель работы - разработка конструкции стенда на основе четырехканального
импульсного генератора плазмы для имитации взрывного источника излучения,
экспериментальное исследование и теоретический расчет термодинамических,
электротехнических и газодинамических характеристик капиллярного разряда,
термодинамических и газодинамических параметров истекающей плазменной струи.
СОДЕРЖАНИЕ
1. Введение 5
. Разработка конструкции
имитатора и составных элементов 7
.1 Конструкция
многоканального капиллярного генератора плазмы 7
.2 Управляемый разрядник 10
.3 Конструкция
многоканального имитатора взрывного источника излучения 11
.4 Электрическая схема
питания и управления имитатором 13
.5 Математическая модель
имитатора 17
. Разработка
экспериментального стенда 25
.1 Оборудование для
определения электротехнических характеристик имитатора 25
.2
Спектрально-диагностическое оборудование 28
.3 Высокоскоростная
видеокамера 30
.4 Оборудование для
СВЧ-диагностики имитатора 32
.5 Цифровой осциллограф 32
.6 Скоростная фото/видеокамера 33
.7 Схема экспериментального
стенда 34
. Методика обработки
экспериментальных данных 36
.1 Измерение
электротехнических параметров 36
.2 Съемка скоростной
видеокамерой 38
.3 Спектральные
характеристики излучения 42
.4 СВЧ-свойства плазменного
образования 47
.5 Расчет погрешностей 49
. Результаты
экспериментального исследования имитатора 52
.1 Электротехнические
характеристики имитатора 52
.2 Газодинамические
характеристики одноканального имитатора 58
.3 Спектрально-энергетические
характеристики одноканального имитатора 68
.4 СВЧ-свойства
одноканального имитатора 73
.5 Газодинамические
характеристики многоканального имитатора 74
.6 Спектрально-энергетические
характеристики 80
многоканального имитатора 80
. Заключение 88
. Список использованной
литературы 90
1.
ВВЕДЕНИЕ
имитатор
одноканальный электротехнический газодинамический
Современное развитие вооружения и военной техники характеризуется
интенсивным применением оптико-электронных элементов, имеющих высокую
уязвимость к действию электромагнитного излучения. В качестве перспективных
средств оптико-электронного противодействия исследуются боеприпасы оптического
действия (БОД), являющиеся источником сверхмощного некогерентного оптического
излучения. В качестве первичной энергии БОД используется химическая энергия
конденсированных взрывчатых веществ, источником излучения является
высокотемпературная плотная плазма.
Для детального исследования работы БОД целесообразно применять
многоразовые имитаторы, позволяющие значительно снизить стоимость НИОКР по
созданию оптимальных типов БОД. Для имитации работы взрывного источника
излучения необходимо создать импульсный поток высокоэнтальпийной плазмы,
имеющий схожие газодинамические и спектрально-яркостные характеристики. Одним
из источников, удовлетворяющего данным требованиям, является капиллярный
генератор плазмы, использующий капиллярные разряды на основе электровзрыва
металлического проводника.
Экспериментальное исследование капиллярного имитатора показало схожесть
газодинамических и спектрально-яркостных характеристик со взрывными источниками
излучения [1]. В имитаторе, как и в БОД, в результате взрыва образуется поток
высокотемпературной плазмы, формирующий тороидальное плазменно-вихревое
образование. Сравнение динамики сил излучения представлено на рисунке 1.1.
Для решения вопросов масштабирования энергетических характеристик
одноканальных взрывных источников излучения предлагается разработать и
экспериментально исследовать четырехканальную конструкцию стендового имитатора.
Детальная отработка процессов взаимодействия плазменных струй каждого из
каналов, поиск оптимальных масс рабочего тела, и оптимальной конфигурации
генератора, позволят эффективно масштабировать взрывные источники излучения.
Рис.1.1 Сравнение регистрируемой спектральной силы излучения 1000 нм
взрывного источника (пунктирная) и имитатора (сплошная)
Исходные данные
Тип источника плазмы: капиллярный разряд с электровзрывом проводника
Режим работы: импульсный
Количество каналов: 4
Расстояние между каналами: 20 мм
Диаметр капилляра: 10 мм
Длина капилляра: 55 мм
Рабочее вещество: алюминий
Напряжение: 5 кВ
Полная запасаемая энергия: 10 кДж
Запасаемая энергия на один канал: 2,5 кДж
2. РАЗРАБОТКА КОНСТРУКЦИИ ИМИТАТОРА И СОСТАВНЫХ ЭЛЕМЕНТОВ
Разрабатываемый имитатор должен моделировать крупнокалиберный взрывной
источник с большим количеством одновременно срабатывающих кумулятивных
снарядов. Данный стенд должен иметь возможность регулировки энергии,
вкладываемой в каждый из каналов.
.1
Конструкция многоканального капиллярного генератора плазмы
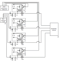
Рис.2.1. Имитатор взрывных источников излучения
Конструкция:
Конструкция многоканального имитатора основана на одноканальном имитаторе
[9] и представляет четыре капиллярных канала, объединенных в единый корпус.
Имитатор
состоит из корпуса (6), диэлектрического основания (5) и вставки (2), которые в
сборе с четырьмя металлическими втулками (3) и диэлектрическими вставками (4)
образуют капиллярные каналы, по краям которых расположены электроды -
анод-стержень (1) и катод-крышка (7). Между диэлектрическим основанием (5) и
вставкой (2) располагается прокладка (8), предназначенная для амортизации
ударных нагрузок в канале. Разряд формируется между стальным анодом-стержнем
(1) и стальным катодом-крышкой (7) внутри сменной диэлектрической вставки (4) в
парах взорвавшейся от протекающего тока алюминиевой фольги (9). Размеры канала
мм. Первоначально фольга сворачивается в виде
цилиндра и устанавливается внутри вставки, гальванически связывая электроды
разрядной системы. Таким образом, при данном способе организации разряда
химический состав истекающей плазменной струи определяется главным образом
материалом фольги. Диэлектрическая мягкая вставка (4) обеспечивает электроизоляцию
стенки, а металлическая втулка (3) - механическую прочность.
Согласно
проведенным расчетам в [9] и экспериментальным исследованиям одноканального
имитатора, применяемая конструкция хорошо выдерживает давление и температуру в
канале. Замена диэлектрической вставки (4) происходит через 30-50 запусков
имитатора.
Принцип
действия:
В
процессе ударно-волнового торможения сверхзвуковой струи плотной
высокотемпературной плазмы, истекающей из канала имитатора в окружающее
пространство, формируется самоорганизованная плазменно-вихревая структура,
являющаяся источником некогерентного излучения (рис. 2.2).В отличие от взрывных
источников, формирование плотной высокотемпературной плазмы в канале
реализуется не активацией взрывчатого вещества, а электрическим взрывом
металлического проводника (алюминиевой фольги) и последующим вводом энергии,
запасенной в конденсаторной батарее, в образованную металлическую плазму.
Рис.2.2
Процесс образования плазменно-вихревой структуры
Порядок
сборки:
Четыре
анода (1) вставляются в отверстия диэлектрическое основание (5) и фиксируются
шайбой (13) и гайкой (11). На анод (1) надеваются прокладка (8), вставка (2) и
корпус (6). Далее в отверстия корпуса (6) вставляются металлические втулки (3)
и диэлектрические вставки (4). Собранная конструкция зажимается крышкой (7) и
фиксируется тремя болтами (10,12,14).
Имитатор
крышкой (7) с помощью 4 винтов (крепится к стальной плите, являющейся общим
катодом для всех четырёх генераторов плазмы.
Питание:
Минус
подводится к стальной плите, к которой крепится крышка (7). Стальная плита
заземлена. Плюс подводится через воздушный управляемый разрядник к
аноду-стержню при помощи хомутов.
2.2
Управляемый разрядник
Рис. 2.3. Воздушный управляемый разрядник
Спроектированный разрядник является воздушным тригатроном.
При
подаче на поджигающий электрод импульса напряжения (
кВ, энергия
Дж)
промежуток между полусферическими электродами (8) и (9) пробивается, и
разрядник срабатывает. Разрядный промежуток регулируется с помощью паза в
уголках (3). Рейка перемещается в крепежных рейках (5).
Порядок
сборки:
Электрод
(8) продевается в отверстие уголка (3), на него надевается наконечник кабеля,
идущего к плазмотрону (1), шайбы, а затем всё это затягивается гайкой.
Аналогично соединяются электрод (9), уголок (3) и шина (4), идущая к батарее
конденсаторов. При этом к шине припаивается один из контактов от поджигающего
устройства. Другой контакт подводится внутри электрода (9): на провод
надевается гайка и резиновое кольцо,затем провод пропускается внутрь электрода
(9) до тех пор, пока его оголённый конец не дойдёт до края отверстия в
электроде, после этого гайка затягивается и кольцо фиксирует провод.
Для
защиты соседних разрядников от влияния друг на друга, каждый из них помещается
в кожух (2), который прижимается двумя арками (6), прикрепляемых к столу
четырьмя винтами.
.3
Конструкция многоканального имитатора взрывного источника излучения
Рис. 2.4. Установка для имитации, вид сверху
Общий вид разработанного имитатора показан на рис. 2.5 (вид спереди) и
рис. 2.4 (вид сверху). Габаритные размеры имитатора: 950х780х432 мм. Для
удобства транспортировки имитатор имеет колёса и ручки.
Импульсный генератор плазмы (1) закреплен в плите (10), являющейся общим
катодом. Плита крепится к несущей раме (6) (рис. 2.3) тремя уголками (16).
Управляемые воздушные разрядники (2), катушки поджига (3) и платы (10)
закреплены на текстолитовой столешнице, закреплённой на сварной раме (6).
Конденсаторные батареи (5) помещены в сварную раму (6). Каналы
импульсного генератора плазмы подсоединены к разрядникам кабелями (17).
Подключение разрядников и плиты к батареям конденсаторов осуществляется медными
шинами. Поджигающий импульс передаётся проводами (18). Зарядка конденсаторов
идёт по кабелям от внешнего источника питания.
Рис. 2.5. Установка для имитации, вид спереди
.4
Электрическая схема питания и управления имитатором
Электрическая схема состоит из четырёх одинаковых контуров питания и
управления каждым каналом имитатора (рис. 2.6).
Рис.2.6 Принципиальная электрическая схема
На рисунке 2.7. представлена детальная электрическая схема.
Конденсаторная батарея К1 состоит из 2 параллельно соединённых конденсаторов К
41И-7, имеющих ёмкость 100 мкФ и максимальное рабочее напряжение 5 кВ. Зарядка
батарей всех плазмотронов осуществляется от одного блока питания.
Диод Д1 предотвращает обратную разрядку батареи, а диод Д2 отсекает
отрицательную полуволну тока, чтобы при смене полярности ток не проходил через
блок питания. Генерация управляющих импульсов, позволяющих задавать частоту
срабатывания разрядников и ширину импульсов, осуществляется блоком управления
поджигом (ЦАП). Управляющие импульсы имеют стандартную величину 5 В.
Рис.2.7 Электрическая схема питания имитатора
На переднем фронте управляющего импульса тиристор Т1 открывается, и по
первичной обмотке импульсного трансформатора ИТр1 начинает течь большой ток,
т.к. сопротивление контура мало. Питание осуществляется от источника постоянного
напряжения 12 В. На заднем фронте импульса происходит закрытие тиристора. В
результате размыкания цепи в первичной обмотке ИТр1 возникает большая ЭДС
самоиндукции, а во вторичной - мощный высоковольтный поджигающий импульс,
пробивающий разрядник РУ1. Изменяя длительность управляющего импульса, можно
варьировать напряжение поджига (до 25 кВ). Для того, чтобы ЭДС самоиндукции не
вызвало пробой тиристора, параллельно ему включён стабилитрон Ст1, шунтирующий
тиристор при подъёме напряжения выше 300 В.
Отношение
числа витков вторичной и первичной обмоток составляет
.
Зарядка
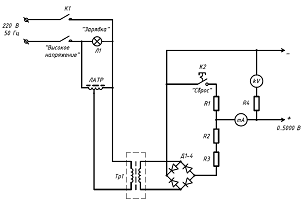
всех конденсаторных батарей осуществляется от одного блока питания (рис.2.8).
Рис.
2.8 Схема блока питания
Блок
питается от внешней сети 220 В, 50Гц. После замыкания ключа К1 «Высокое
напряжение» загорается лампочка Л1 «Зарядка». Ток течёт через ЛАТР
(лабораторный трансформатор), с помощью него можно варьировать выходное
напряжение от 0 до 250 В. Затем ток проходит через первичную обмотку
трансформатора Тр1. С его вторичной обмотки ток идёт на диодный мост,
образованный диодами
. Через шунты
(15
кОм),
(2 кОм) ток поступает на конденсаторную батарею.
Напряжение снимается с помощью киловольтметра, последовательно с ним
установлено сопротивление
(1,6 кОм). При замыкании ключа К2 «Сброс», происходит
разряд конденсаторной батареи на шунт
(380
Ом).
Блок
позволяет заряжать конденсаторы до 5000 В.
Коэффициент
трансформации Тр1
.
Характеристики
зарядного устройства.
При
напряжении зарядки
В и ёмкости конденсаторной батареи
Ф:
Запасаемая
энергия
Дж
Заряд
батареи
Кл
Ограничение
по току определяется максимальным током высоковольтных диодов (
мА).
Тогда
минимальное время зарядки одной конденсаторной батареи:
с.
А
время зарядки всех четырёх батарей имитатора:
с.
Мощность
зарядного блока:
Вт.
Из-за
потерь на сопротивлении электрический КПД зарядных устройств составляет
%,поэтому потребляемая из сети мощность:
Вт.
Контроль
процесса ведётся по встроенным в блок питания киловольтметру и миллиамперметру.
Регулирование тока зарядки осуществляется регулятором ЛАТРа.
2.5
Математическая модель имитатора
Математическая модель, описывающая основные энергетические, термо- и
газодинамические свойства капиллярного источника плазменных вихрей разобраны в
[9]. В данной курсовой работе рассмотрены лишь основные положения
математической модели и приведены результаты рассчитанных данных.
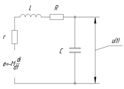
В основе расчета электротехнического расчета капилляра лежит решение
уравнения контура эквивалентной схемы (рис 2.8.)
Рис.2.9. Электротехнический (б)) контур
Считая
капилляр некоторым эффективным постоянным сопротивлением, которое определяет
электрическую энергию, вложенную в плазменную нагрузку
.
Тогда
электрическая мощность, вкладываемая в плазму
Далее
считается энергетический баланс в канале капилляра по модели капилляра с
испаряющимися стенками [4] с рядом допущений:
1) канал разряда излучает как абсолютно чёрное тело с температурой
плазмы, т.е. значение интегрального по спектру коэффициента черноты близко к
единице;
2) температура плазмы по сечению канала разряда постоянна;
) вводимая в канал разряда электрическая мощность уносится в
основном струями горячей плазмы при температуре канала. Унос мощности
теплопроводностью в стенки и излучением с торца пренебрежимо мал;
) атомный состав плазмы соответствует химическому составу
металлической фольги на стенках;
) рассмотрение ведётся с позиций газовой динамики без учёта
влияния магнитных сил.
Тогда энергетический баланс в разряде:
,
из
которого рассчитывается температура в канале:
.
Считая,
что течение плазмы адиабатическое и на выходе из капилляра скорость истечения
равна местной скорости звука, аппроксимируя термодинамические функции в канале
[3], в результате преобразования адиабатических
газодинамических формул получим функцию плотности
от вкладываемой мощности в канал
:
В результате нескольких итераций определяются значения плотности,
давления, температуры и скорости звука в критическом сечении канала капилляра
(таблица 2.1-2.2).
Таблица 2.1
|
Длина канала
|
Диаметр канала
|
Канал
плазмотрона
|
Критическое
сечение
|
|
, мм , мм , кг/м , кК , МПа , кг/м , кК , МПа , км/с
|
|
|
|
|
|
|
|
|
|
55
|
10,0
|
5,59
|
29,6
|
87,1
|
3,50
|
25,9
|
47,8
|
4,18
|
Таблица 2.2
|
Диаметр канала,
мм
|
10,0
|
|
Средний заряд
|
0,97
|
|
Максимальный ток
, кА51,5
|
|
|
Время максимума
тока , мкс18,3
|
|
|
Максимальная
мощность , МВт81,8
|
|
|
Эффективное
время энерговклада, , мкс25,5
|
|
|
Эффективное сопротивление
плазменного шнура, , мОм30,8
|
|
|
КПД плазмотрона 0,83
|
|
|
Вынос массы , мг29,4
|
|
|
Секундный массовый расход , кг/с1,15
|
|
|
Энтальпия
торможения , МДж/кг71,1
|
|
Рис.2.10. Зависимость электрического тока в контуре от времени
Рис.2.11. Зависимость мощности на нагрузке от времени
Рис.2.12. Структура истекающего потока
Первичная
стадия расширения плазмы капиллярного разряда соответствует модели истечения от
внезапно включенного источника [10] с решением для типичного случая
,
. Схема
распределения потоков в данной модели представлена на рисунке 2.11.
Рис. 2.13. Схема течения в модели внезапно включённого источника.
е - ударная волна в окружающем газе; i - контактная поверхность; s -
ударная волна в газе источника.
Движение
контактной поверхности определяется из закона сохранения импульса. Согласно
теории тонкого сжатого слоя [3] считается, что на начальном этапе расширения
масса газа, сосредоточенного в сжатом слое
,
движется в среднем со скоростью
.
Поскольку течение сверхзвуковое (
) и
толщина сжатого слоя мала, воздействием давления за счёт уширения трубок тока
на движение газа можно пренебречь. Кроме того, можно пренебречь и
противодавлением
, т.к. при
торможение
истекающего газа будет происходить в основном за счёт вовлечения в движение
вытесненного окружающего газа. С учётом этого уравнение сохранения импульса
запишется в виде
,
где
` - обозначает размерную переменную,
и
соответственно масса плазмы и газа в областях
и
.
Из
закона сохранения импульса находятся законы движения контактных границ. Внутри
каждой из областей распределение термодинамических функций можно приближённо
описать изоэнтропическими формулами [5]
;
;
.
Результаты
решения данных уравнений представлены в таблице 2.3.
Таблица 2.3.
|
Параметр
|
Время, мкс
|
|
5
|
10
|
15
|
20
|
25
|
|
Координата ударной волны в
плазме , см1,071,632,022,332,58
|
|
|
|
|
|
|
Координата
контактной границы , см1,252,052,693,243,73
|
|
|
|
|
|
|
Координата ударной волны в
воздухе , см1,532,463,223,894,49
|
|
|
|
|
|
|
Скорость ударной волны в
плазме , км/с 1,410,9140,6890,5590,474
|
|
|
|
|
|
|
Скорость контактной границы
, км/с1,881,421,181,040,933
|
|
|
|
|
|
|
Скорость ударной волны в
воздухе , км/с2,301,701,421,241,12
|
|
|
|
|
|
|
Параметры плазмы до ударной
волны
|
|
Плотность , кг/м 0,3010,1170,0740,0540,043
|
|
|
|
|
|
|
Давление , МПа2,030,6060,3300,2200,169
|
|
|
|
|
|
|
Температура , кК12,9
9,918,697,987,49
|
|
|
|
|
|
|
Скорость течения плазмы , км/с7,498,408,748,939,06
|
|
|
|
|
|
|
Параметры плазмы за ударной
волной
|
|
Плотность , кг/м 0,9180,5160,3620,2840,236
|
|
|
|
|
|
|
Давление , МПа9,535,674,123,292,77
|
|
|
|
|
|
|
Температура , кК19,821,021,722,122,4
|
|
|
|
|
|
|
Скорость течения плазмы , км/с3,78 2,852,492,292,16
|
|
|
|
|
|
|
Параметры плазмы на
контактной границе
|
|
Плотность , кг/м 1,360,6530,4290,3240,263
|
|
|
|
|
|
|
Температура , кК22,122,522,722,923,1
|
|
|
|
|
|
|
Параметры воздуха на
контактной границе
|
|
Плотность , кг/м 11,811,110,49,739,11
|
|
|
|
|
|
|
Температура , кК4,462,391,711,391,22
|
|
|
|
|
|
|
Параметры воздуха за
ударной волной
|
|
Плотность , кг/м 6,596,676,37
6,005,63
|
|
|
|
|
|
|
Давление , МПа6,813,712,571,971,61
|
|
|
|
|
|
|
Температура , кК3,611,951,411,151,00
|
|
|
|
|
|
|
Скорость течения воздуха , км/с2,261,641,351,161,04
|
|
|
|
|
|
Рис.
2.14. Временная развёртка движения ударной волны в плазме (
), контактной границы (
),
ударной волны в воздухе (
) на оси струи.
При
истечении осесимметричных импульсных струй из многоканального блока между ними
происходит "боковое" взаимодействие, приводящее к образованию сложной
пространственной структуры течения. Наряду с возникновением ударно-волновой
структуры течения на начальном участке имеет место взаимодействие головных
частей импульсных струй, приводящее к образованию составной импульсной струи.
Определяющую роль в процессе взаимодействия головных частей играют вихревые
структуры.
Как
отмечено в [6], на начальном участке струй, истекающих из четырехканального
блока, возникает две области течения - область взаимодействия и область
суммарной струи. Течение газа в области взаимодействия имеет трехмерный
характер, и возникают значительные уширения струи в плоскости взаимодействия.
Сравнение границы струй для четырехканального блока и одиночной эквивалентной
струи показывает заметное отличие их размеров в плоскости взаимодействия.
В
разрабатываемом генераторе оптических помех расстояние между осями каналов
составляло 40 мм. Сложность процесса взаимодействия сверхзвуковых струй не
позволяет аналитически описать его, поэтому расчет параметров истечения плазмы
принимался верным до момента взаимодействия ударных волн в воздухе:
мм
3. РАЗРАБОТКА ЭКСПЕРИМЕНТАЛЬНОГО СТЕНДА
Экспериментальный стенд включает в себя многоканальный имитатор и набор
диагностической аппаратуры. Стенд разработан на основе имеющегося оборудования
и предназначен для экспериментального определения характеристик имитатора.
.1
Оборудование для определения электротехнических характеристик имитатора
В качестве оборудования для определения электротехнических характеристик
имитатора применяются пояс Роговского и частотно-компенсированный делитель
напряжения.
3.1.1 Пояс Роговского
Пояс Роговского представляет собой длинный замкнутый соленоид
произвольной формы с равномерной намоткой. Так как пояс Роговского регистрирует
производную тока, то для ее интегрирования была применена RC цепочка (рис. 3.1).
Рисунок 3.1. Пояс Роговского. с интегрирующей RC-цепочкой
По
сравнению с шунтами пояс Роговского не увеличивает затухание в разрядном
контуре и индуктивность контура. Недостатком пояса является погрешность
измерения, обусловленная погрешностью интегрирования э.д.с.
(М - величина взаимной индуктивности пояса и
разрядного контура, i(t) - разрядный ток), индуцированной в обмотке пояса и RC-цепочкой.
Пояс
Роговского может исказить реальную картину и привести к значительным ошибкам,
если большое отверстие тора, по площади значительно превышающее площади
отдельных витков, пронизывают токи, создаваемые не тем током, который подлежит
измерению. Чтобы избежать этого, один конец провода, образующего пояс
Роговского, пропускают под витками к началу пояса. При такой конфигурации пояса
магнитный поток, пересекающий отверстие тора пояса Роговского, оказывается не
охваченным измерительной цепью.
Характерное
время импульса тока, составляющее
с, должно
быть на порядок меньше чем постоянная времени интегрирующего контура:
с.
при
этом должны выполняться условия:
Тогда
параметры интегрирующей цепочки:
кОм
мФ
Для
защиты пояса от помех используется тороидальный экран со сплошным кольцевым
разрезом, параллельным его главной плоскости и обеспечивающим проникновение
поля внутрь него. Для уменьшения эффектов возмущения поля сделан ещё один
сплошной разрез экрана параллельный полю B.
3.1.2 Частотно-компенсированный делитель напряжения
Делитель напряжения - устройство для пропорционального уменьшения
постоянного или переменного напряжения. Для снижения влияния паразитных
емкостей (на низких частотах) и входных емкостей низковольтного оборудования
(которое обычно подключается с помощью экранированного кабеля) применяют
емкостно-омический делитель напряжения (рис 3.2.)
Рис 3.2. Частотно-компенсированный делитель напряжения
Чтобы
коэффициент деления не зависел от частоты, требуется выполнение условия
. Тогда коэффициент деления составит:
Для
измерений используется щуп-делитель ДНВ (производитель НИИКИ ОЭП) с
параметрами:
кВ
МОм
пФ
.2
Спектрально-диагностическое оборудование
Для регистрация спектрально-яркостных характеристик имитатора преняется
автоматизированный измерительно-диагностический комплекс «СПЕКТР-01К». [7]. Он
содержит один канал оптической синхронизации и 5 независимых измерительных
каналов, 4 из которых обладают узкими спектральными характеристиками в
диапазоне от ультрафиолетового (УФ) до ближнего инфракрасного (ИК) участков
спектра, а 5-й измерительный канал обладает равномерной спектральной
характеристикой чувствительности в диапазоне от УФ до среднего ИК диапазона и
регистрирует интегральную энергию излучения.
Приемник УФ излучения сделан на базе вакуумного фотоэлемента Ф-29 со
светофильтром УФС-1(3 мм) и регистрирует излучение в области 250…290 нм (на
полувысоте) с центром на длине волны 270 нм.
Приемник видимого излучения в синей области спектра сделан на основе
кремниевого фотодиода ФД-263 со светофильтрами СС15 (2,2 мм) и СЗС22 (3 мм) и
регистрирует излучение в области 380…480 нм (на полувысоте) с центром на длине
волны 430 нм.
Приемник видимого излучения в зеленой области спектра (области
максимальной чувствительности глаза) сделан на основе кремниевого фотодиода
ФД-263 со светофильтрами ЖС-18 (3,2 мм) и СЗС-21 (2 мм) и регистрирует
излучение в области 505…605 нм (на полувысоте) с центром на длине волны 555 нм.
Приемник ближнего ИК излучения сделан на основе кремниевого фотодиода
ФД-263 со светофильтром ИКС-6 (3,2 мм) и регистрирует излучение в области
940…1080 нм (на полувысоте) с центром на длине волны 1000 нм.
Приемник интегрального спектра сделан на основе пироэлектрической
керамики ЦТС-19 со специальным покрытием и регистрирует излучение в полосе
прозрачности атмосферного воздуха (λ>186 нм) (спектральный аналог
абсолютно черного тела).
Измерительные каналы УФ, видимой (синей и зеленой) и ближней ИК
спектральных областей снабжены трехкаскадными усилителями, обеспечивающими
коэффициент усиления 10 и 500 при временном разрешении менее 0,1 мкс и
максимальном уровне шумов не более 0,05 В. Диапазон линейности регистрируемых
сигналов - до 12 В. Таким образом, суммарный коэффициент усиления входного
сигнала может составлять 5000. При этом разрешающая способность приемников
ухудшается не более чем до 0,3 мкс.
Синхронизация с дополнительной регистрирующей аппаратурой (например,
осциллографами) осуществляется по сигналу с 6-го (синхронизирующего)
оптического канала, собранного на базе кремниевого фотодиода ФД-263 без
фильтров с аналогичным трехкаскадным усилителем.
Абсолютная калибровка измерительных каналов УФ и видимой спектральных
областей осуществлялась по эталону ЭВ-45 (абсолютно черное тело в спектральном
диапазоне 200…550 нм с температурой 41000 К), канала в ближней ИК спектральной
области по светоизмерительной лампе СИС 107-1500 (цветовая температура 2860 К,
сила света 1468 кд, свидетельство Госстандарта России о поверке № 448/06742 от
18.01.2002 г.). Калибровка канала интегрального спектра проводилась по
стандартизованному измерителю энергии импульсного излучения -калориметру ИМО-2.
Результатом калибровки являлся коэффициент пропорциональности между
напряжением с фотоприемника (в В) и спектральной облученностью в плоскости
входного зрачка фотоприемника Еλ (в Вт/см2нм для
спектральных приемников и в Дж/см2 для интегрального приемника).
Таблица 3.1. Основные технические характеристики комплекса.
|
Характеристика
|
Ед. измер.
|
Значение
|
|
Спектральные характеристики
измерительных каналов: ультрафиолетовый
видимый видимый в области чувствительности глаза инфракрасный интегральный в диапазоне прозрачности атмосферы
|
нм
|
lmax=270 нм, Dl0,5=±20 нм lmax=430 нм, Dl0,5=±50 нм lmax=555 нм, Dl0,5=±50 нм lmax=1000 нм, Dl0,5=±70 нм l>186 нм
|
|
Пороговая
энергетическая облученность
|
Вт/см2×нм
|
10-7
|
|
Динамический диапазон
измерений энергетической облученности
|
|
104
|
|
Разрешающая
способность по времени
|
мкс
|
0,3…0,5
|
|
Питание
|
В
|
220
|
|
Потребляемая
электрическая мощность
|
Вт
|
не более 50
|
|
Габариты
(ВхШхД): приемо-преобразовательного блока блока обработки и сопряжения
|
мм
|
350х250х120
300х230х60
|
|
Масса:
приемо-преобразовательного блока блока обработки и сопряжения
|
кг
|
не более 3 не
более 2
|
.3 Высокоскоростная
видеокамера
Камера высокоскоростной съемки "ВидеоСпринт" научно
производственной компании Видеоскан предназначена для регистрации
быстропротекающих процессов с частотой от 500 до 50000 кадров/сек (и больше)
(рисунок 3.5). Дополнительный затвор «NanoStage» к камере обеспечивает возможность съемки с наносекундными
выдержками. Встроенный в затвор ФЭУ позволяет снимать с низкой яркостью.
Технические характеристики камеры:
- монохромное или цветное исполнение
камеры;
- время записи - до 8,04 сек записи на максимальной частоте (при объеме
памяти 6 Гбайт);
- время записи - до 8,04 сек записи на максимальной частоте (при объеме
памяти 6 Гбайт);
- доступен волоконно-оптический
интерфейс от камеры к компьютеру, длина кабеля - от 10 метров до 15 км;
- экспозиция - от 2 мкс до 33 мс;
- размер светочувствительной области
- 15,3x12,3мм, диагональ 19,7мм;
- размер пикселя - 12x12мкм;
- максимальное разрешение от 1280x1024 (при частоте кадров 488) до 1280x1 при частоте кадров 250000
- разрядность АЦП - 10 бит;
- разрядность видеофайлов,
записываемых стандартным ПО - 8 бит;
- возможно оснащение камеры
электронно-оптическим модулем (только в монохромном исполнении), для реализации
экспозиций от 10 нс до 10 мкс;
- доступные схемы съёмки и синхронизации:
продолжительность видеозаписи - непрерывная или ограниченная по времени
(количеству кадров);
событие начала съемки: непрерывный ввод, программное (с клавиатуры),
аппаратное (импульс внешней синхронизации);
- событие остановки съемки:
программное (с клавиатуры), аппаратное (импульс внешней синхронизации), по
окончанию заданного времени записи.
.4
Оборудование для СВЧ-диагностики имитатора
Для
СВЧ-диагностики применяется приемник-передатчик с коническими антеннами (угол
раскрытия антенны 10°), рассчитанный на работу на длине волны
мм (100 ГГц). К передатчику подключается СВЧ-генератор
с возможностью варьирования длительности и амплитуды импульсов.
.5
Цифровой осциллограф
Для регистрации сигналов применяются цифровые осциллографы Testek TDS-1002B.
Таблица 3.2. Технические характеристики осциллографа Testek TDS-1002B
|
Экран (1/4
жидкокристаллический VGA)
|
Монохромный
|
|
Полоса
пропускания*
|
60МГц
|
|
Число каналов
|
2
|
|
Вход
внешнейсинхронизации
|
Имеется
|
|
Частота дискретизации в
каждом канале
|
1,0 Гвыб/с
|
|
Длина записи
|
2,5 тыс. отсчетов при всех
режимах временной развертки
|
|
Разрешение по
вертикали
|
8-бит
|
|
Чувствительность
по вертикали
|
2 мВ - 5 В/дел на всех
моделях с калиброванной точной настройкой
|
|
Погрешность по постоянному
току по вертикали
|
+3%
|
|
Максимальное
входное напряжение
|
300 Вэфф, категория II;
снижается на 20 дБ/декаду на частоте свыше 100 кГц до 13 ;размах переменного
тока при 3 МГц
|
|
Диапазон
положений
|
2 мВ/дел - 200 мВ/дел +2 В;
>200 мВ/дел - 5 В/дел +50 В
|
|
Ограничение
полосы пропускания
|
20 МГц
|
|
Тип входа
|
Постоянный ток (DC),
переменный ток (AC) и заземление входа (GND) во всех
моделях
|
|
Входной импеданс
|
1Мом параллельно с емкостью
20 пФ
|
|
Диапазон
горизонтальной развертки
|
5 нс/дел -50
с/дел
|
|
Интерфейсы
ввода/вывода
|
Во всех моделях: 2 порты USB
2.0 Основной порт USB на передней панели поддерживает запоминающие
устройства USB Порт устройств USB,
расположенный на задней панели прибора, обеспечивает подключение к
персональному компьютеру и любому принтеру, совместимому с PictBridge.
|
|
GPIB
|
Приобретается
дополнительно
|
|
Энергонезависимое
запоминающее устройство
|
|
|
Отображение
опорной осциллограммы
|
(2) 2,5 тыс.
точек опорной осциллограммы
|
|
Хранение осциллограммыбез
запоминающего устройства USB
|
(2) 2,5 тыс.
точек
|
|
Хранение осциллограммы в
запоминающем устройстве USB
|
96 и более опорных
осциллограмм по 8 МБ
|
|
Настройки с запоминающим
устройством USB
|
4 000 и более настроек для
передней панели по 8 МБ
|
|
Сохранение всей информациив
запоминающем устройстве USB
|
12 и более операций
«Сохранить все» по 8 МБ При одной операции «Сохранить все» создается от 3 до
9 файлов (настройка, снимок экрана и по одному файлу для каждой отображаемой
осциллограммы)
|
.6
Скоростная фото/видеокамера
Для скоростной съемки истечения плазмы дополнительно применяется скоростная
фото/видеокамера CASIO EXILIM EX-F1 (рис 3.6.). В
отличие от «Видеоспринт», данная камера позволяет проводить съемку цветных
видео. Съемка проводилась в режиме 600 кадров/сек.
Параметры камеры:
Датчик изображения - CMOS
1/1.8 дюйма
Число эффективных пикселей - 6.0 миллионов
Объектив - 12-кратный 36-432мм/2.7-4.6 (в 35мм эквиваленте)
Размер фотоизображения - до 2816x2112
Размер видео - 1920x1080
(60 кадров/с), 1280x720 / 640x480 (30 кадров/с), 512x384 (300 кадров/с), 432x192 (600 кадров/с), 336x96 (1200 кадров/с)
Вспышка - встроенная (10.4 метров), внешняя (X-контакт)
Светочувствительность - ISO
100 - 1600
Выдержка - 60-1/40000с, ручная
Вес - 671 г
Размеры - 127.7x79.6x130.1мм
.7 Схема
экспериментального стенда
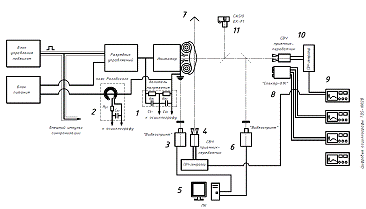
Экспериментальный
стенд состоит из имитатора, подключенного к блоку питания через управляемый
разрядник. Блок питания состоит из источника питания и блока конденсаторных
батарей. Разрядник управляется от блока поджига. Для регистрации падения
напряжения на имитаторе устанавливается делитель напряжения (1), тока в контуре
- пояс Роговского (2). Данные с делителя напряжения (1) и пояса Роговского (2)
записываются на цифровые осциллографы (9). Для видеорегистрации процесса
используются скоростные камеры (3) и (6), снимающие процесс соответственно с
боковой и с фронтальной плоскости. Управление и запись данных со скоростных
видеокамер осуществляется на ПК (5). Для регистрации спектрально-яркостных
характеристик применяется диагностический комплекс «СПЕКТР-01К» (8), записывающий
информацию на цифровые осциллографы (9). Для СВЧ-диагностики применяются
боковой СВЧ-источник-приемник (4) с уголковым отражателем (7) и фронтальный
СВЧ-источник-приемник (10). Имитатор и диагностическая аппаратура
синхронизованы по внешнему TTL импульсу. Для цветной съемки процесса истечения
плазмы применяется скоростная фото/видеокамера (11). Запуск экспериментального
стенда осуществляется включением генератора импульса, генерирующим единичный TTL
импульс с параметрами
мкс,
В.
Рис.3.7. Схема экспериментального стенда
4.
МЕТОДИКА ОБРАБОТКИ ЭКСПЕРИМЕНТАЛЬНЫХ ДАННЫХ
В данном разделе приведена методика обработки полученных в результате экспериментов
данных и получение дополнительных характеристик имитатора на их основе.
.1
Измерение электротехнических параметров
Частотно-компенсированный
делитель подключается к двум точкам в электрической схеме имитатора, измеряя
падение напряжения между ними. Для измеряемого контура (частота тока в контуре
<10 кГц) коэффициент деления принимается постоянным
, тогда:
где
- измеряемое падение напряжения, В;
-
напряжение, отображаемое на осциллографе, В;
Рис.4.1. Пример осциллограммы тока и напряжения на короткозамкнутом
контуре
Для
измерения тока в цепи применяется предварительно откалиброванный пояс
Роговского с интегрирующей цепочкой, поскольку коэффициент преобразования в
поясе сильно зависит от характеристик контура. Пояс Роговского измеряет
величину ЭДС, возникающую в его контуре, а пересчетный коэффициет
измеряется в [А/В].
Калибровка
пояса Роговского осуществляется на короткозамкнутом контуре. Зная энергию,
запасаемую в конденсаторной батарее, Дж:
,
где
- емкость конденсаторных батарей, мкФ;
-
начальный заряд конденсаторной батареи (дополнительно контролируется делителем
напряжения), кВ;
Тогда
измерив ЭДС пояса Роговского от тока в цепи
и
напряжение на конденсаторной батарее
(рис.4.1),можно
записать:
,
откуда
найдем пересчетный коэффициент пояса Роговского, [А/В]:
Зная
пересчетный коэффициент, определяем реальное значение тока в контуре:
.
Мощность
на измеряемом участке цепи:
Электрическая
энергия, вложенная в измеряемый участок цепи:
.2 Съемка
скоростной видеокамерой
Съемка скоростной видеокамерой предназначена для измерения скорости
истечения плазмы из канала капилляра, скорости расширения плазмы, линейных
размеров плазменного образования, а также для оценки яркостной температуры
плазмы. Съемка осуществляется без дополнительного затвора с наносекундной
выдержкой. Управление параметрами скоростной видеокамеры осуществляется при
помощи ПК.
Вследствие широкого яркостного диапазона плазмы (яркостная температура от
2 до 20 кК), ограниченного динамическим диапазоном матрицы камеры, съемка
проводится в трех временных интервалах истечения плазмы, имеющих характерные
яркостные диапазоны, в заданных скоростных режимах:
. 0-100 мкс (10 000 кадров/сек).
. 0-2 мс (10 000 кадров/сек).
. 0-10 мс (500 кадров/сек).
Для выделения узкого спектрального диапазона съемки, а также защиты
объектива от капель расплавленного алюминия, перед объективом устанавливается
светофильтр ЗС-2. Яркость снимков уменьшается настройкой лепестковой диафрагмы
объектива, увеличивающей глубину резкости объектива. Для дополнительного
уменьшения яркости снимка изменяется время экспозиции кадра.
Полученные видеоданные (формат AVI), обрабатываются и кадрируются в ПО
VirtualDub. В полученных фотографиях (формат JPEG) при помощи ПО Adobe
Photoshop настраивается уровень контрастности и проводятся измерения в
относительной величине - пиксель. При помощи калибровочного коэффициента
результаты измерений переводятся в физическую величину - миллиметр.
Методика измерения:
а) фронтальная съемка
Рис.4.2. Измерение геометрических размеров плазменного образования при
фронтальной съемке 500-10 000 кадров/сек.
Средний размер образования:
, пикс.
Реальный
средний размер образования, мм:
где
коэффициент масштабирования, учитывающий приближение
вихря к камере, мм/пикс;
-реальный
линейный размер объекта, мм;
-
линейный размер объекта на изображении, пикс.
-
начальное расстояние до объекта, мм;
-
текущее расстояние до объекта, определяемое по торцевой видеосъемке, мм;
При
съемке 100 000 кадров/сек. вследствие малой ширины развертки, измерение
геометрических размеров проводилась по измененной методике:
Тогда
реальный средний размер образования, мм:
Измерение
скорости движения границы плазмы в заданном направлении:
,
где
- скорость движения границы плазмы в заданном
направлении в заданный момент времени, мм/мкс;
-
изменение положения границы плазмы между двумя соседними кадрами в заданном
направлении, пикс;
-
кадровый период, мкс.
б)
боковая съемка
Реальное
расстояние от плазмотрона до переднего фронта образования, мм:
Рис.4.4.
Измерение расстояния до переднего фронта плазменного образования при торцевой
съемке
Для
определения яркостной температуры плазмы в определенной точке (пикселе) перед
камерой устанавливается набор светофильтров, вырезающих узкий пучок света с
длиной волны λ±∆λ. С помощью специального ПО рассчитывается относительная яркость
пикселя:
,
где
H - яркость пикселя, бит.
Для
калибровки зависимости яркости объекта от относительной яркости пикселя
используется специальная калибровочная лампа с известными параметрами. Данная
характеристика КМОП-матрицы аппроксимируется линейной зависимостью:
где
- соответственно яркость калибровочной лампы на длине
волны λ и относительная яркость лампы,
- яркость плазменного образования.
По
соотношению относительных яркостей, полученному из уравнения Планка находится
яркостная температура Tλ на данной длине волны:
.3
Спектральные характеристики излучения
Сигнал
с фотоприемника спектрального комлекса «Спектр-01К» записывается на цифровой
осциллограф в виде напряжения
. По
амплитудному значению сигнала с фотоприемника Uλ,В определяется спектральная облученность в плоскости
входного зрачка приемника
, Вт/нм см2:

где
,Вт/нм см2 В- калибровочный
коэффициент для фотодатчика;
Таблица
4.1 - Калибровочные коэффициенты «Спектра -01K»
|
№ канала
|
Длина волны максимума
спектральной чувствительности, нм
|
Ширина полосы спектральной
чувствительности по уровню половинной интенсивности, нм
|
Калибровочный
коэффициент, Аλ
|
Размерность
|
|
1
|
270
|
40
|
3,26.10-4
|
Вт·см-2·нм·В
|
|
2
|
430
|
100
|
1.10-3
|
Вт·см-2·нм·В
|
|
3
|
555
|
100
|
2,6.10-4
|
Вт·см-2·нм·В
|
|
4
|
1000
|
140
|
7,68.10-5
|
Вт·см-2·нм·В
|
Измеряемое
излучение условно делится на 2 стадии: «быстрая» (t < 200
мкс) и «медленная» (t > 200 мкс ). Такое деление связано с различными
механизмами излучения плазмы, более подробно описанными в экспериментальной
части. Вследствие низкой температуры плазменного образования в «медленной»
стадии процесса, регистрация «медленной» стадии проводится только на двух
длинах волн:
нм,
нм.
Осциллограммы излучения представлены на рисунках 4.5-4.6.
Рис.4.5. Спектральная облученность в «быстрой» стадии на длинах волн: а)
270, 430 нм; б) 555, 1000 нм
Рис.4.5. Спектральная облученность в «медленной» стадии на длинах волн
555 и 1000 нм
По
полученному значению спектральной облученности
, Вт/нм см2 и известному расстоянию до
источника излучения
,
определяемому по данным торцевой видеосъемки, рассчитывается спектральная сила
излучения
,
Вт/нм ср:
По
известной площади источника излучения в проекции, перпендикулярной направлению
регистрации излучения
, см2, определяется спектральная яркость Bλ, Вт/(нм ср см2):

По
спектральной яркости источника рассчитывается его яркостная температура 
,°К:
Цветовая
температура плазмы Тcol определялась по
отношению измеренных значений спектральных сил излучения на двух длинах волн λ1 и λ2
.
Для
абсолютно черного тела и для «серых» тел, у которых степень черноты не зависит
от длины волны, цветовая температура совпадает с истинной. Для плазменных
объектов цветовые температуры, как правило, превышают эффективные (радиационные)
температуры.
В
быстрой стадии процесса t < 200 мкс мгновенная мощность рассчитывается как
линейно интерполированный интеграл силы света в регистрируемом диапазоне длин
волн Δλ ≈
200…1100 нм, Вт/ср:
В
медленной стадии процесса к моменту времени t > 200 μs, «СПЕКТР-01К» улавливает излучение только двух длин
волн:
нм,
нм, при
этом яркостная и эффективная температура плазменного вихря практически
сравниваются.
Это
позволяет рассчитывать мгновенную мощность излучения по измерениям цветовой
температуры
и эффективного размера тела свечения
, определяемого из спектральных измерений в видимой и
ближней ИК областях спектра:
;
.
Здесь
- постоянная Стефана-Больцмана;
- спектральная сила излучения плазмы на длине волны
;
-
спектральная яркость абсолютно черного тела с температурой
на длине волны
;
- текущая площадь проекции тела свечения.
Тогда
радиационная энергия, излучаемая плазменным образованием в регистрируемом
диапазоне длин волн, в единичном телесном угле Дж/ср:
,
Оценочный
телесный угол, в который излучает плазменный вихрь, составляет
. Тогда полная энергия излучения составит, Дж:
4.4 СВЧ-свойства плазменного образования
СВЧ-источник-приемник подключается к генератору импульсов для модуляции
исходящего сигнала и к цифровому осциллографу для записи принимаемого антенной
сигнала.
Для измерения собственного излучения генератор импульсов выключается, а
излучающая антенна заглушается для уменьшения количества шумов. В результате на
осциллограф записывается значение СВЧ-излучения.
Рис.4.6. Собственное СВЧ-излучение плазменного вихря
У изучаемого в данной курсовой работе плазменного образования
собственного СВЧ-излучения не обнаружена (рис 4.2.), поэтому методика обработки
полученного сигнала не приводится.
Для анализа отражающих свойств плазмы, антеной СВЧ-источника излучается
модулируемый сигнал (рис 4.3.).
Рис.4.7. Модулируемый сигнал
В
результате двойного прохождения модулируемого сигнала через плазму, по
полученным осциллограммам анализируется время и эффективность отражения
сигнала. На приведенной осциллограмме (рис 4.4.) сигнал полностью рассеивается
на плазме на время
.
Рис.4.8.
Принимаемый СВЧ-сигнал после двойного прохождения плазменного образования
Подскок
луча на осциллографе объясняется воздействием ударной волны на приемную
антенну. Для оценки эффективности прямого отражения СВЧ-сигнала:
,
где
- амплитуда модулируемого сигнала, В;
-
амплитуда принимаемого сигнала, В.
.5 Расчет
погрешностей
Приведены результаты расчета прямых и косвенных погрешностей измеряемых
параметров, описанных в предыдущих частях. Процесс расчета погрешностей не
приводится, поскольку он основан на стандартизированной методике расчета
зависимых и независимых математических ожиданий. Начальные погрешности взяты из
технического описания диагностической аппаратуры. Погрешность временной
развертки осциллографа не учитывается, так как составляет ~0,1 %.
Необходимо учитывать, что приведенные погрешности являются максимальными.
Так расчетная погрешность энергии излучения составляет 61%, однако максимальный
разброс экспериментальных данных по энергии излучения составил не более 15%.
4.5.1 Погрешности измерения электротехнических характеристик
Таблица 4.2
|
Параметр
|
Относительная погрешность,
±%
|
|
Ёмкость конденсаторной
батареи 2
|
|
|
Начальное напряжение 0,5
|
|
|
Измеряемое напряжение 1,5
|
|
Измеряемый ток
|
(с учетом интегрирующей
цепочки)2
|
|
|
Цифровой осциллограф
|
3
|
|
Энергия, запасаемая
батареей 2,2
|
|
|
Коэффициент калибровки
|
4,5
|
|
Значение измеряемого тока 5,4
|
|
|
Значение измеряемого
напряжения 3,4
|
|
|
Мощность 6,4
|
|
|
Электрическая энергия 6,4
|
|
.5.2 Погрешности измерения скоростной видеокамерой
Таблица 4.3.
|
Параметр
|
Погрешность
|
|
Время процесса при съемке
500 кадр/с
|
±50 мкс
|
|
Время процесса при съемке
10 000 кадр/с
|
±50 мкс
|
|
Время процесса при съемке
100 000 кадр/с
|
±5 мкс
|
|
Калибровка яркостной кривой
|
±20%
|
|
Разброс квантовой
эффективности в полосе пропускания при λ=750±50 нм
|
±16%
|
|
Яркостная температуры ±25,6%
|
|
.5.3 Погрешности измерения спектрально-яркостных
характеристик
Таблица 4.4.
|
Параметр
|
Относительная погрешность,
±%
|
|
Спектральная облученность 10
|
|
|
Цифровой осциллограф
|
3
|
|
Спектральная сила излучения
10,5
|
|
|
Площадь проекции 2
|
|
|
Спектральная яркость 10,7
|
|
|
Яркостная температура  10,7
|
|
|
Цветовая температура  14,8
|
|
|
Текущая площадь проекции
тела свечения 15
|
|
|
Эффективный размер тела
свечения 7,5
|
|
|
Мгновенная мощность
излучения 61
|
|
|
Энергия излучения 61
|
|
5.
РЕЗУЛЬТАТЫ ЭКСПЕРИМЕНТАЛЬНОГО ИССЛЕДОВАНИЯ ИМИТАТОРА
Для оценки полученных экспериментальных данных многоканального имитатора
проводится их сравнение с многоканальным взрывным источником излучения [10] и
одноканальным имитатором, конструкция которого описана в [9]. Поскольку
экспериментальные данные по одноканальному имитатору ранее не были
опубликованы, то они приводятся в данной дипломной работе. Исследования
проводятся по спектарльно-энергетическим и газодинамическим параметрам
формируемого плазменно-вихревого образования.
Следует отметить что результаты разделов 5.1-5.3 приведены без подробного
описания, поскольку рассмотрение и структурирование основных зависимостей не
являлось целью данной дипломной работы. Подробный анализ будет приведен в
дипломной работе моего коллеги Степанчикова П.А.. В данной же дипломной работе
произведена попытка сравнения и интерпертации результатов, полученных для
многоканального имитатора.
.1
Электротехнические характеристики имитатора
Поскольку питание каждого из каналов четырехканального имитатора
осуществляется раздельно, то данные для одноканального имитатора справедливы и
для многоканального. Последующие данные приведены для одноканального имитатора.
Электрический контур одного канала имитатора имеет следующие характеристики:
ёмкость батареи конденсаторов, мкФ200
собственное сопротивление, мОм5,0 - 6,0
(определяется током, т.к. в контуре присутствует тригатрон)
собственная индуктивность, мкГн0,73
напряжение зарядки, кВ5
запасаемая энергия, кДж2,5
полупериод тока в режиме короткого замыкания, мкс 38
Исследования были проведены для широкого диапазона масс фольги: от 10 до
400 мг с шагом 10 мг. Таким образом, удельная запасаемая энергия на единицу
массы изменялась от 8 до 320 Дж/мг.
Характерная осциллограмма производной тока и напряжения, полученная для
канала имитатора, показана на рис. 5.1 а. Результат её обработки - на рис. 5.1
б. Масса фольги 150 мг. Видно, что момент взрыва фольги явно отражается резким
скачком напряжения и изломом производной тока. Причём по мере увеличения массы
взрыв наступает позднее, а реакция напряжения и производной тока на него
ослабевает.
Далее
представлены результаты исследований, проведённых на лабораторном стенде. Cделанные
выводы в полной мере справедливы и для имитатора если на упомянутые значения
масс сделать поправку, равную
.
а)
б)
Рис.
5.1 а - осциллограмма производной тока (1) и напряжения (2); б - зависимость
тока (черная) и напряжения (серая) от времени. Масса фольги 150 мг. Напряжение
зарядки 5 кВ, запасаемая энергия 2,5 кДж.
Рис.
5.2 Зависимость тока (черная) и напряжения (серая) на плазмотроне от времени
для масс 50 (а), 200 (б) и 350 мг (в). Напряжение зарядки 4 кВ, запасаемая
энергия 3,2 кДж.
Соотношение
начальных скачков напряжения и производной тока даёт исходную индуктивность
плазмотрона:
мкГн.
Это
значительно меньше, чем собственная индуктивность контура (0,65 мкГн). В то же
время активное сопротивление нагрузки на первой стадии составляет не менее 50%
(5 мОм) от общего, а на второй - более 80% (>30 мОм). Следовательно,
полезную нагрузку можно считать практически чисто омической.
Фольга,
установленная в канал плазмотрона имеет вид коаксиального провода, совпадающего
по размерам с капилляром. Поэтому и после взрыва внешний размер области
протекания тока не изменяется, а следовательно, индуктивность нагрузки в
течение обеих стадий остаётся приблизительно равной
нГн.
Зависимости
выделяющейся в плазмотроне мощности и энергии для трёх масс 50, 200 и 350 мг,
представлены на рис. 5.2 а и б, соответственно. Пунктиром отмечен уровень
энергии, пошедшей на взрыв фольги (энергия взрыва).
Видно,
что мощность в момент взрыва превышает 100 МВт, а в среднем по первому
полупериоду - более 50 МВт, сокращаясь по мере увеличения массы алюминия. Во
втором полупериоде она, напротив, возрастает до 10-15 МВт с увеличением массы.
Более
явно изменения в характере энерговклада проявляются на зависимостях поглощаемой
энергии от времени (рис. 5.2,б) Видно, что эффективность энерговклада
максимальна при средних массах, а при малых и больших - ниже.
Энергия,
затрачиваемая на нагрев и взрыв, растёт по мере увеличения массы, превышая при
350 мг 50 % от вкладываемой. При этом при больших массах основная часть энергии
в разряд поступает уже во втором полупериоде тока (ступенька на графиках
соответствует нулю тока).
Результат
подробного исследования зависимости энергий, вкладываемых на первой и второй
стадиях, а также их суммы, от массы фольги показан на рис. 5.3. Правая шкала
показывает энергию в процентах по отношению к запасаемой в батарее (3,2 кДж).
Видно,
что эффективность передачи энергии возрастает с 70 до 85 % при увеличении массы
от 10 до 100 мг. Затем до 200 мг держится на уровне 80 - 90%. Дальнейший спад
приостанавливается в районе 300 - 350 мг около 75%, после чего продолжается.
При массах около 400 мг эффективность энерговклада становится менее 70%.
Энергия,
вкладываемая до взрыва, непрерывно возрастает вплоть до масс 250 - 300 мг,
достигая 40% от запасаемой (почти 60% от полной вкладываемой). В дальнейшем,
несмотря на рост массы, эта энергия не увеличивается, а даже несколько
сокращается.
Эффективность
вклада энергии в разряд за счёт увеличения его сопротивления при малых массах
столь резко возрастает, что поглощённая энергия увеличивается даже несмотря на
параллельный рост затрат на стадию нагрева и взрыва. Как следствие растёт общая
эффективность энерговклада. В диапазоне масс от 100 до 300 мг происходит
практически линейное сокращение энергии, подводимой к разряду (а удельной -
пропорционально квадрату массы). В результате, при массах более 250 мг основная
часть энергии уже идёт не в разряд, а на нагрев и взрыв фольги. В диапазоне 300
- 400 мг энергия временно стабилизируется на уровне 35% от запасаемой. Однако
удельная энергия, вкладываемая в разряд, непрерывно сокращается при всех
массах.

Рис.
5.3 Зависимость выделяющейся мощности (а) и вкладываемой энергии (б) от времени
для масс 50, 200 и 350 мг. Пунктиром показана энергия, пошедшая на взрыв
(энергия взрыва). Напряжение зарядки 4 кВ, запасаемая энергия 3,2 кДж.
Из
анализа зависимости вкладываемой энергии и её составляющих от массы фольги,
можно сделать следующие выводы (с поправкой массы для имитатора):
)
Наиболее эффективно процесс передачи энергии идёт на массах 80 - 200 мг,
достигая 80 - 90 %.
)
При массах менее 60 мг (
более 200 МВт/г) процесс разрушения фольги
сопровождается образованием достаточно мелких неоднородностей, а следовательно,
и капель малого размера. Дальнейшее увеличение массы приводит к появлению и
росту доли крупных капель, которые сложнее вовлечь в вихревое движение. При
массах более 280 мг (
менее 80 МВт/г) имеются в основном только крупные
капли, а следовательно, эффективность вихревого перемешивания мала.
)
С ростом массы идёт непрерывное снижение удельной энергии, вкладываемой в
разряд, а следовательно, идущей на нагрев и ускорение плазмы. Так, при массах
более 200 мг, в разряд идёт менее половины вкладываемой энергии (<5 Дж/мг).
Поэтому при больших массах процесс вихреобразования должен ослабевать.
5.2 Газодинамические характеристики одноканального имитатора
.2.1 Калибровка камеры
Для калибровки масштаба камеры в фокусной плоскости камеры проводится
съемка на низкой скорости, поскольку настройки камеры не влияют на масштаб.
Измеряемая длина составляет 780 мм. Измеренное значение составило 703 пикс.
Коэффициент масштабирования:
мм/пикс.
Рис.5.4.
Калибровка масштаба изображения скоростной видеосъемки
.2.2 Съемка 600 кадров/сек (CASIO EX-F1)
Данная съемка применялась исключительно для наглядной демонстрации
динамики течения плазменного вихря, поэтому данные по настройкам камеры не
приводятся. Временной промежуток между кадрами составляет 1,67 мс. Для
исключения засветки и наглядности тороидальной структуры вихря применялась
серия дополнительных светофильтров.
Рис.5.5. Фронтальная съемка 600 кадров/сек.
5.2.3 Съемка 500 кадров/сек (Видеоспринт)
Параметры съемки:
Расстояние: 5 м
Масса: 30,150,250 мг
Напряжение: 5 кВ.
Емкость: 400 мкФ
Кадровый период: 2000 мкс
Диафрагма: f/11
Светофильтр: ЗС-2
Экспозиция: 10 мкс
Фон: [ ]
Окно: 1280x1000
Прореживание: 1
Усиление: 55
Уровень черного: 0
Цифровое усиление: 0
Гамма-коррекция: [ ]
Цифр.коррекция черный: 0
Цифр.коррекция белый: 255
Затвор напряжение: 1011 вольт
Затвор кол-во эксп.: 1
Затвор период зксп.: 0 мкс
Ниже представлены кадры скоростной видеосъемки работы одноканального
имитатора. Для наглядности структуры истекающего плазменного потока, кадры
видеосъемки дополнительно обработаны. С помощью ПО Adobe Photoshop проведено кадрирование, инверсия и
нормализация по уровню яркости. В результате на изображениях черным
отображается поток плазмы. Такое отображение сходно с кадрами, получаемыми в
результате теневой съемки процесса.
Следует отметить, что дополнительная обработка искажает относительную
яркость кадров. Приведенные выводы о яркости основываются на анализе
необработанных изображений
Рис.5.6. Боковая съемка 500 кадров/сек.
Рис.5.7. Фронтальная съемка 500 кадров/сек.
5.2.4 Съемка 10 000 кадров/сек
Параметры съемки:
Расстояние: 5 м
Масса: 30,150,250 мг
Напряжение: 5 кВ.
Емкость: 400 мкФ
Диафрагма: f/8-f/16
Светофильтр: ЗС-2
Кадровый период: 100 мкс
Экспозиция: 94 мкс
Фон: [ ]
Окно: 1280x50
Прореживание: 10
Усиление: 0
Уровень черного: 0
Цифровое усиление: 0
Гамма-коррекция: [ ]
Цифр. коррекция черный: 0
Цифр. коррекция белый: 255
Рис.5.8. Боковая съемка 10 000 кадров/сек.
Рис.5.9. Фронтальная съемка 10 000 кадров/сек.
5.2.5 Съемка 100 000 кадров/сек
Параметры съемки:
Расстояние: 5 м
Масса: 30,150,250 мг
Напряжение: 5 кВ.
Емкость: 400 мкФ
Диафрагма: f/8
Светофильтр: ЗС-2
Кадровый период: 10 мкс
Экспозиция: 4 мкс
Фон: [ ]
Окно: 1280x5
Прореживание: 10
Усиление: 0
Уровень черного: 0
Цифровое усиление: 0
Гамма-коррекция: [ ]
Цифр. коррекция черный: 0
Рис.5.11. Фронтальная съемка 100 000 кадров/сек.
5.2.6 Результаты
Аналогично процессу съемки, рассмотрим результаты обработки кадров
истечения плазмы из капилляра в 3-х стадиях. Результаты первой стадии (0-100
мкс) представлены на рисунках 5.12-5.15.
Рис.5.12. Зависимость расстояния от капилляра до фронта плазмы от времени
истечения
Рис.5.13. Зависимость диаметра плазменного образования от времени
истечения
Рис.5.14. Зависимость скорости переднего фронта плазмы от времени
истечения
Рис.5.15. Зависимость скорости расширения плазменного образования от
времени истечения
Полученные данные хорошо согласуются с теоретическими предположениями. С
уменьшением массы фольги, увеличивается ее сопротивление, а следовательно и
эффективность энерговклада в контуре. Также увеличивается доля энергии,
вкладываемая в алюминиевую плазму, вследствие уменьшения энергии, необходимой
для инициации электровзрыва. Из этого следует что энтальпия плазмы с
уменьшением массы увеличивается, а значит и увеличивается его скорость
истечения.
Для удобства, проведена аппроксимация динамики потока. Положение переднего
фронта истекающей плазмы описывается зависимостью:

В
начальный момент времени скорость радиального расширения плазмы выше осевой,
для 150 мг их значения становятся близки с ~50 мкс. Однако с увеличением массы
плазмообразующего вещества, скорость радиального расширения значительно
превышает осевое. Как видно из результатов аппроксимаций, начальная масса
сильнее влияет на формируемый диаметр плазменного образования, чем на осевое
истечение. Это важный фактор, который необходимо учитывать при разработке
многоканального имитатора.
Динамика
истечения в интервале от 0 до 2 мс представлена на рисунках 5.16-5.19.
Для
каждой из масс характерна своя динамика течения плазменного образования в
медленной стадии. Так, вследствие высокой скорости потока, при массе 30 мг
вихрь обладает высокой скоростью расширение, а следовательно и высокой степенью
неустойчивости. Вследствие этого уже на 10 мс вихрь не имеет выраженной
тороидальной формы. Масса 150 мг характеризуется высокой степенью устойчивости,
образуемых вихрей. Среднее время жизни такого вихря более 50 мс, при этом
образование имеет ярко выраженную тороидальную структуру. При подрыве 300 мг
энергии недостаточно но полную сублимацию алюминиевой фольги, поэтому в потоке
плазмы присутствует капельная фаза, имеющая скорость, превышающую скорость
потока, образующего вихрь. Вокруг плазменно-вихревого образования образуется
пелена, которая закрывает формируемый вихрь.
Рис.5.16. Зависимость расстояния от капилляра до фронта плазмы от времени
истечения
Рис.5.17. Зависимость диаметра плазменного образования от времени
истечения
Рис.5.18. Зависимость скорости переднего фронта плазмы от времени
истечения
Рис.5.19. Зависимость скорости расширения плазменного образования от
времени истечения
Аппроксимируя динамике истечения для медленной стадии получим:
В
медленной стадии динамика истечения сильно изменяются по сравнению с быстрой
стадией. В данной стадии наибольший диаметр имеет плазма, образованная из
фольги 250 мг. Это согласуется с представлениями о влиянии внутренней энергии
алюминия на формирование медленной стадии. Приблизительно к 0,5 мс формирование
плазменного вихря завершается и диаметр образования практически не изменяется.
Скорость истечения при этом также выходит на уровень ~50 м/с.
Дальнейшее течение плазменно-вихревого образования зависит от диссипации
его энергии. Диссипация энергия минимальна при формировании устойчивой вихревой
структуры, что хорошо согласуется с наблюдаемыми экспериментальными
исследованиями. Поскольку процесс вихреобразования имеет вероятностный
характер, то результаты обработки стадии 0-10 мс приводиться не будут, так как
они нуждаются в значительном увеличении статистики по данному вопросу.
5.3
Спектрально-энергетические характеристики одноканального имитатора
Как было показано в разделе 5.1, мощность энерговклада в разряд достигает
50-80 МВт. Благодаря этому наблюдается высокоинтенсивное излучение, как
непосредственно плазмы в разряде, так и ударно-сжатого слоя в истекающей струе.
После прекращения разряда интенсивность излучения спадает (спустя
пролётное время). Однако, как показывают эксперименты, начиная приблизительно с
200 мкс происходит новый рост интенсивности, связанный с образование
плазменного вихря. Таким образом, имеются две характерные стадии излучения -
начальная, имеющая длительность порядка времени энерговклада (50 - 100 мкс) и
последующая, связанная с излучением вихря, продолжительностью 1 - 10 мс. Первую
стадию принято называть быстрой, а вторую медленной [1]. За границу между ними
примем момент минимума излучения, т.е. 200 мкс процесса.
Существующие системы обнаружения и наведения реагируют либо на
поглощенную дозу, либо на мгновенную мощность излучения. Поэтому является
важным определить, какой уровень мощности излучения может быть получен при
импульсной истечении плазменной струи.
Исследование
характеристик излучения капиллярного плазмотрона в быстрой стадии
осуществлялось с помощью фото-электрических приёмников
спектрально-диагностического комплекса «Спектр-01К» в четырёх спектральных
диапазонах:
,
,
и
нм.
Спектральные
облучённости фиксировались по направлению истечения плазменной струи с
расстояния 500 см от плоскости анода.
Характерные
осциллограммы сигналов, регистрируемых датчиками 270, 430, 555 и 1000 нм для
масс 30 и 150 мг, представлены на рис. 5.20, а результаты их обработки - на
рис. 5.21-5.22.
Видно,
что по мере увеличения массы интенсивности излучения снижаются, максимум
наступает раньше, длительность импульсов сокращается. Это является вполне
предсказуемым: уменьшение вкладываемой в разряд энергии (как полной, так и
удельной) должно приводить к меньшей температуре плазмы в разряде и скорости
истечения, а следовательно, более слабому излучению ударно-сжатой плазмы.
Согласно
рис. 5.21 в, при массе 250 мг излучение фиксируется ещё задолго до взрыва.
Причём после взрыва оно спадает. Это можно объяснить тем, что наблюдаемое здесь
излучение - искрение между краями фольги и электродами. Проведённые
дополнительно эксперименты подтвердили наличие при всех массах излучения,
связанного с искрением, если намеренно обеспечить плохой контакт. Полностью
устранить искрение не удаётся, однако, из-за малой величины оно заметно лишь
при больших массах, когда ток через разряд мал, и выделяющейся мощности
недостаточно для разогрева плазмы до высоких температур, необходимых для
интенсивного излучения.
Максимальная
мощность излучения в быстрой стадии для массы 150 мг составила 0,1 МВт/ср, а
сила света - 6,2 Дж/ср.

Рис.
5.20 Осциллограммы с датчиков 270 и 430 нм (а, в), 555 и 1000 нм (б, г) для
масс 30 (а, б) и 150 мг (в, г). Напряжение зарядки 5 кВ, запасаемая энергия 2,5
кДж, расстояние 5 м. Ослабляющих элементов нет.
Рис.5.21
Зависимость спектральной силы излучения на длине волны 270, 430, 555 и 1000 нм
от времени для масс 30 (а) и 150 мг (б). Напряжение зарядки 5 кВ, запасаемая
энергия 2,5 кДж.
Рис.
5.22 Зависимость мощности излучения (толстая) и тока (тонкая) в быстрой стадии
от времени для масс 30 (а) и 150 мг (б). Напряжение зарядки 5 кВ, запасаемая
энергия 2,5 кДж.
Торможение
истекающей из канала плазмотрона струи плазмы в воздухе сопровождается
возникновением сложных вихревых течений, приводящих к образованию интенсивно
излучающего плазменного тороидального вихря. Как было сказано ранее, это
излучение называют медленной стадией.
Характерные
осциллограммы сигналов, регистрируемых датчиками 555 и 1000 нм для трёх масс
30, 150 и 240 мг, представлены на рис. 5.23, а результаты их обработки (с
учётом смещения плазменного вихря по направлению регистрации) - на рис. 5.24.
Энергия
излучения для массы 150 мг составила 150 Дж/ср.
Рис.
5.23 Осциллограммы с датчиков 555 (1) и 1000 нм (2) для масс 30 (а), 150 (б) и
240 мг (в). Напряжение зарядки 5 кВ, запасаемая энергия 2,5 кДж, расстояние 5
м.
Рис.5.24 Зависимость спектральной силы излучения на длине волны 555
(сплошная) и 1000 нм (пунктир) от времени для масс 30 (а), 150 (б) и 240 мг
(в). Напряжение зарядки 5 кВ, запасаемая энергия 2,5 кДж.
.4
СВЧ-свойства одноканального имитатора
Экспериментальные факты прерывания модулированного СВЧ сигнала в период
нахождения плазменно-вихревого образования в СВЧ луче по линии визирования «СВЧ
генератор-приемник» (рис 5.25.) свидетельствуют об отсечке СВЧ излучения плазмой.
Такая отсечка имеет место при концентрации электронов в плазме, выше
критического значения neкр, при котором показатель преломления плазмы для данной частоты
электромагнитных колебаний становится равным нулю, а коэффициент отражения
резко возрастает:
см3.
Здесь
и
- заряд
и масса электрона,
- скорость света;
- длина
волны зондирующего излучения.
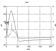
Рис.
5.25. СВЧ сигнал, регистрируемый приемным каналом ППУ.
см;
мг. Развертка - 1 мс/дел.
Время
прерывания сигнала
мс
Полученное
значение ne является нижней оценкой концентрации электронов в
плазме вихря и может указывать на то, что формируемое плазменно-вихревое
образование будет также непрозрачно и для более длинноволнового СВЧ излучения.
Максимальная
длина волны электромагнитного излучения, экранируемая плазменным шаром, будет,
по-видимому, ограничиваться дифракционными эффектами и для данного варианта
имитатора составляет ~ 30 см (1 ГГц).
Время
прерывания сигнала плазменным шаром сравнимо с временем его излучения,
регистрируемого комплексом «Спектр-01К». Следовательно, экранирование
пространства при помощи БОД происходит в широком диапазоне длин волн - от УФ до
СВЧ.
.5
Газодинамические характеристики многоканального имитатора
Скоростная
съемка многоканального имитатора представляет определенные трудности. Так,
согласно экспериментальным данным для одноканального имитатора (рис. 5.13),
взаимодействие потоков плазмы происходит при
мкс
(соответствует
мм). Данный процесс возможно зарегистрировать только в
режиме съемки не менее 100 000 кадров/сек., однако при таком режиме ширина
кадра, регистрируемого видеокамерой «Видеоспринт», составляет 5 пикселей, что
не позволяет зафиксировать несколько каналов одновременно. Поэтому съемка
производилась только в режимах 10 000 и 500 кадров/сек.
Исследования
проводились при массе плазмообразующего вещества 150 мг. Выбор данной массы
определялся из условия наиболее устойчивого вихреобразования, поскольку именно
взаимодействие вихрей представляло наибольший интерес.
Сравнение
газодинамических характеристик многоканального имитатора проведено только с
одноканальным имитатором, поскольку многоканальный взрывной источник излучения
имел большее число каналов и меньшее расстояние между каналами.
На
рисунке 5.26 представлены кадры съемки цветной видеокамерой. Первые 15 мс не
показаны из-за засветки. Съемка производилась под углом к имитатора для
получения максимально наглядных кадров динамики движения вихря.
Рис.
5.26. Работа многоканального имитатора, 600 кадров/сек.
На
рисунках 5.27-5.30 представлены кадры работы одноканального имитатора. Режимы
съемки аналогичны режимам, указанным в разделе 4.2.
Рис.5.27.
Боковая съемка 500 кадров/сек, m=150 мг.
В
результате взаимодействия потоков образуется единое облако плазмы
тороидально-вихревой конфигурации. Тороидальная структура потока менее выражена
по сравнению с потоком одноканального имитатора, что связано с повышением
количества дополнительных факторов, влияющих на устойчивость вихреобразования.
Яркость многоканального имитатора значительно превосходит одноканальный
имитатор, что связано с высокой удельной энергией плазменного образования и
меньшей удельной площадью излучения.
Рис.5.28.
Фронтальная съемка 500 кадров/сек, m=150 мг.
На
кадре 0,1 мс фронтальной съемки видна неоднородность формы плазменного
образования, по форме соответствующая расположению каналов, которая уже к 0,5
мс практически исчезает. При этом к 0,3 мс отчетливо видна светлая область, по
форме соответствующая положению капиллярных каналов. Следовательно, до 0,5 мс
происходит интенсивное взаимодействие плазменных потоков с ударно-тормозным
излучением на границах взаимодействия. При t<2 мс
происходит полное перемешивание потоков и выравнивание давления, что
характеризуется формированием сфероидного плазменного образования.
Рис.5.29.
Боковая съемка 10 000 кадров/сек, m=150 мг.
Рис.5.30.
Фронтальная съемка 10 000 кадров/сек, m=150 мг.
Результаты
обработки кадров съемки представлены на рисунках 5.31-5.32. Осевая скорость
потока многоканального имитатора выше на ~ 15 % по сравнению со скоростью
потока одноканального имитатора. Диаметр плазменного образования у
многоканального имитатора к 2 мс больше на 80 %. Если учесть расстояние между
крайними каналами, равное 60 мм, то разница в диаметре вихря уменьшится до 40%.
Повышение скорости радиального и осевого расширения плазменного образования при
переходе от одноканальной к многоканальной конфигурации имитатора связано с
повышением давления в области взаимодействия потоков.
Рис.5.31. Зависимость расстояния от капилляра до фронта плазмы от времени
истечения
Рис.5.32. Зависимость диаметра плазменного образования от времени
истечения
При работе многоканального имитатора размеры плазменного вихря
превосходят суперпозицию четырех одноканальных имитаторов расположенных
идентично каналам многоканального имитатора при отсутствии взаимодействия
потоков. Динамика формирования вихря в целом сходна. Вихрь обладает повышенной
яркостью, а его стабильность достаточна для эффективного свечения (30-50 мс).
Данный результат полностью удовлетворяет газодинамическим требованиям,
предъявляемым к многоканальному БОД.
.6
Спектрально-энергетические характеристики многоканального имитатора
Ниже представлены характерные осциллограммы 5.32 и результаты обработки
5.33-5.35 спектрально-энергетических характеристик быстрой стадии
многоканального имитатора.
Рис.5.32. Спектральная облученность на длинах волн 270,430 нм (а) и
555,1000 нм (б,в) в быстрой (а,б) и медленной (в) стадии
Рис.5.33. Спектральная сила излучения многоканального имитатора на длинах
волн 270, 430, 555 и 1000 нм
Рис.5.34. Мгновенная мощность излучения многоканального имитатора
Рис.5.35. Сила света многоканального имитатора
Основным поражающим фактором быстрой стадии является мощность излучения.
Для многоканального имитатора максимальная мощность излучения составила 0,34
МВт/ср и в 3,3 раза превосходит мощность одноканального имитатора. При этом
энергия, выделяемая в быстрой стадии, составляет 15,2 Дж/ср, что в 2,1 раза
больше энергии, излучаемой одноканальным имитатором в быстрой стадии.
Сравнение быстрой стадии многоканального имитатора и взрывного источника
излучения приведено на рисунке 5.36. Сила излучения отнесена к удельному
энерговкладу (Дж/г) в алюминиевую фольгу. Как видно из рисунка, сила излучения
БОД превосходит в 2-3 раза. Это связано с тем что испытываемый взрывной
источник имел семь каналов с геометрией, отличающейся от геометрии имитатора. К
тому же, запасаемая энергия ВВ превышала в 100 раз энергию, запасаемую в
батареях имитатора. Удельная мощность излучения БОД выше в 4 раза, что
интерпретируется значительным превосходством скорости детонации над скоростью
электровзрыва.
Рис.5.36. Сравнение силы света отнесенной к удельному энерговкладу в
алюминиевую фольгу многоканального имитатора и БОД
Сравнение
силы излучения многоканального и одноканального имитатора указывает на
доминирование разных механизмов излучения. Рассмотрим силу излучения на длине
волны 270 нм
. У одноканального имитатора первый пик излучения (~15
мкс) связан с искрением в канале, которое удалось устранить в многоканальном
имитаторе. Второй пик излучения (~30 мкс) связан с ударно-волновым торможением
истекающей плазмы. Третий, малый пик (~65 мкс) связан с превалированием
расширения площади излучения над процессами охлаждения потока. В многоканальном
имитаторе первый пик излучения (~30 мкс) связан с ударно-волновым торможением
потока, а второй пик (~45 мкс), вероятно, связан с процессами торможения потока
в результате взаимодействия. Важно отметить, что во втором пике излучения
многоканального имитатора температура потока значительно выше. Далее
проявляется незначительный третий пик излучения (~120 мкс), связанный с
превалированием расширения потока. Максимум силы излучения
многоканального имитатора превысила максимум
для одноканального имитатора в 4,2 раза. Согласно
результатам скоростной видеосъемки, на данной стадии площадь излучения плазмы
многоканального имитатора превышает площадь плазмы одноканального в ~3 раза.
Следовательно, температура плазмы многоканального имитатора превышает
температуру плазмы одноканального имитатора. Данный вывод хорошо согласуется с
предположением об излучении в результате взаимного торможения потоков плазмы.
На
рисунках 5.37-5.40. представлены результаты обработки медленной стадии
излучения.
Рис.5.37.
Спектральная сила излучения многоканального имитатора на длинах волн 555 и 1000
нм
Рис.5.38.
Яркостная температура излучения многоканального имитатора на длинах волн 270,
430, 555 и 1000 нм
Рис.5.39.
Мгновенная мощность излучения многоканального имитатора
Рис.5.40.
Эффективный диаметр тела свечения при излучении многоканального имитатора
Основным
поражающим фактором медленной стадии работы БОД является энергия излучения. Для
многоканального имитатора она составила 8300Дж, что в 4,6 раз больше энергии,
излучаемой одноканальным имитатором. При этом максимальная мощность излучения
составила 1,8 МВт при 0,6 МВт у одноканального имитатора. Максимальный
эффективный диаметр тела свечения составил у многоканального имитатора 34 см, у
одноканального - 16 см. Цветовые температуры плазмы многоканального и
одноканального различаются незначительно (∆T<5%).
Следовательно, механизм излучения в медленной стадии одинаков - это горение
паров алюминия в воздухе.
Рассмотрим
динамику излучения вихревого плазменного образования. В отличие от
одноканального, у многоканального фронт излучения более пологий. Максимум силы
излучения достигается к 3 мс (у одноканального - 1 мс). При этом в 1 мс
наблюдается локальный максимум излучения. Вероятно, это связано с процессами
перераспределение плотности взаимодействующих потоков. Также наблюдается
значительное увеличение времени излучения плазмы многоканального имитатора,
прибор регистрирует ~9 мс. Возможной причиной столь значительного увеличения
времени излучения (в 2 раза) является, согласно результатам скоростной
видеосъемки, уменьшенная удельная поверхность плазменного образования.
Сравнение
силы излучения многоканального имитатора со взрывным источником представлено на
рисунке 5.41.
Рис.5.41.
Сравнение силы излучения многоканального БОД и имитатора.
Пиковая
сила излучения БОД на длине волны 1000 нм превосходит имитатор в 2,5 раза в
медленной стадии, при этом по длине волны 555 нм сила излучения меньше в 2
раза. Время регистрации излучения для имитатора меньше в 6-7 раз, что
объясняется значительной разницей в инициируемой массе алюминия - в БОД
инициируемая масса алюминия составила 46 гр., что в 76 раз больше массы фольги
в имитаторе. Динамика излучения БОД схожа с имитатором, хотя и сильно затянута
по времени.
В
результате сравнения четырехканального имитатора с семиканальным взрывным
источником излучения еще раз подтверждена схожесть динамики процесса излучения,
однако значительная количественная расходимость результатов объясняется
различиями в конструкции устройств и инициируемой энергии. Для более детального
сравнения имитатора со взрывным источником рекомендуется изготовить
четырехканальный БОД с идентичными размерами и взаимным расположением каналов,
а также близкими значениями инициируемой энергии и массы плазмообразующего
вещества.
Ниже
представлена итоговая сводная таблица параметров многоканального имитатора с
массой фольги 150 мг.
Таблица
5.1.
|
Параметр
|
1 канал
|
4 канала
|
|
Размеры капилляра, мм
|
Ø10х55
|
-//-
|
|
Вкладываемая энергия, кДж
|
2,5
|
10
|
|
Напряжение зарядки, кВ
|
5
|
-//-
|
|
Сопротивление контура, мОм
|
5-6
|
-//-
|
|
Индуктивность контура, мкГн
|
0,73
|
-//-
|
|
Максимальный ток, кА
|
61
|
-//-
|
|
Максимальная электрическая
мощность, МВт
|
100
|
-//-
|
|
Полупериод тока, мкс
|
40
|
-//-
|
|
КПД энерговклада, %
|
76
|
-//-
|
|
Инициируемая масса фольги,
мг
|
150
|
600
|
|
Диаметр плазменного шара к
2 мс, см
|
15,5
|
27
|
|
Максимальная мощность
излучения, МВт/ср
|
0,1
|
0,34
|
|
Энергия излучения, Дж/ср
|
150
|
680
|
|
Эффективный диаметр тела
свечения, см
|
16
|
33
|
|
Максимальная сила света, МКд
|
6,2
|
25
|
|
Габариты, мм
|
-
|
780х950х430
|
|
Масса, кг
|
-
|
~120
|
6.
ЗАКЛЮЧЕНИЕ
В ходе выполнения данной дипломной работы получены следующие основные
результаты:
1. Разработан и изготовлен четырёхканальный имитатор взрывных источников
излучения на основе капиллярного разряда, позволяющий моделировать импульсы
различной длительности и энергетики. Основные параметры одного канала:
плазмообразующее вещество - алюминий, диаметр капилляра 10 мм, длина 55 мм,
вкладываемая за импульс энергия 2,5 кДж, начальное напряжение на батарее
конденсаторов 5 кВ, максимальный ток 61 кА достигается при 19 мкс, максимальная
электрическая мощность составила 100 МВт. Энергия, запасаемая во всей
установке, составила 10 кДж. Для массы фольги 150 мг КПД энерговклада составил
76 %.
2. Разработан и собран экспериментальный стенд имитатора,
обеспечивающий измерение электротехнических, термо- и газодинамических,
спектрально-яркостных характеристик плазменно-вихревого образования. Приведено
полное техническое описание диагностического оборудования. Описана методика
обработки экспериментальных данных, проанализированы погрешности проводимых
измерений.
. Проведено экспериментальное исследование одного канала
имитатора. Подробно представлены результаты для масс взрываемой фольги: 30, 150
и 250 мг. Приведены электротехнические параметры разряда. Представлены кадры
видеоизображения работы одноканального имитатора, графики газодинамических и
спектрально-яркостных характеристик имитатора. Для массы 150 мг максимальная
мощность излучения составила 0,1 МВт/ср, энергия излучения составила 150 Дж/ср.
Видимый диаметр плазменного образования, фиксируемый скоростной видеокамерой, к
2 мс составил 155 мм.
. Проведено экспериментальное исследование многоканального
имитатора при массе взрываемой фольги в канале 150 мг. Представлены
газодинамические и спектрально-яркостные характеристики имитатора. Разобран
процесс взаимодействия потоков и формирования единого вихревого кольца. Энергия
излучения плазменного вихря составила 680 Дж/ср, максимальная мощность
излучения - 0,34 МВт/ср. Эффективность преобразования энергии, вкладываемой в
нагрузку, в энергию излучения составила 112%. Видимый диаметр плазменного
образования, фиксируемый скоростной видеокамерой, к 2 мс составил 270 мм.
. Проведено сравнение характеристик многоканального имитатора с
одноканальным имитатором и многоканальным взрывным источником излучения.
Показано качественное соответствие динамики излучения, разобраны причины
количественного расхождения.
. На основе сравнения характеристик многоканального имитатора с
одноканальным имитатором и взрывным источником излучения, разработан ряд
рекомендаций по дальнейшему исследованию:
- исследовать влияние массы плазмообразующего вещества на характеристики
имитатора;
изготовить четырехканальный взрывной источник с размерами и положением
каналов, а также инициируемой энергией и массой плазмообразующего вещества
идентичными имитатору, для установления количественной связи между
характеристиками имитатора и взрывного источника.
7. СПИСОК
ИСПОЛЬЗОВАННОЙ ЛИТЕРАТУРЫ
1. Жарников М.Н., Камруков А.С., Кожевников И.В., Козлов
Н.П., Росляков И.А. Генерация крупномасштабных излучающих вихревых структур при
торможении импульсных плазменных струй в воздухе// ЖТФ - 2008. - том 78 - №5 -
С. 38-46.
2. Буланов С.С., Есиев Р.У., Жарников М.Н., Камруков
А.С., Кожевников И.В., Козлов Н.П., Морозов М.И., Росляков И.А., Степанов Ю.А.
Взрывной плазменно-вихревой источник оптического излучения // Письма в ЖТФ -
2008. - том 34 - №1 - С. 74-84.
. Зельдович Я.Б., Райзер Ю.П. Физика ударных волн и
высокотемпературных гидродинамических явлений/ - 2-е изд., доп. - М.: Энергия,
1966. - 688 с, ил.
. Огурцова Н.Н., Подмошенский И.В., Роговцев П.Н.
Расчёт параметров оптически плотной плазмы разряда с испаряющейся стенкой// ТВТ
- 1971.- том 9 - №3 - С. 468-474.
. Абрамович Г.Н.: Прикладная газовая динамика. В 2 ч.
Ч. 1: Учеб. руководство: Для втузов. - 3-е изд., перераб. и доп. - М.: Наука. Гл. ред. физ-мат. лит,
1991. - 600 с.
6. Голуб В.В., Баженова Т.В. Импульсные сверхзвуковые
струйные течения/ отв. ред. В.Е. Фортов; Объед. ин-т высоких температур РАН. -
М.: Наука, 2008. - 279 с.
. Архипов В.П., Жарников М.Н., Камруков А.С. и
др.//Сб. науч. тр. VI Межгос. симп.
по радиационной плазмодинамике («РПД-2003»). М.:НИЦ «Инженер», 2003. С.202-203
. Чекмарёв С.Ф. Неустановившееся радиальное расширение
газа в затопленное пространство от внезапно включённого стационарного
источника// ПМТФ - 1975. - №2 - С. 70-79.
. Кисаров А.П. Стендовый имитатор активных импульсных
оптических помех//Кисаров Антон Павлович/науч. рук. Камруков А.С.;МГТУ-М.,2010
- 59 с.
. Козлов Н.П., Камруков А.С. и др. Исследование
физических механизмов формирования и радиационно-газодинамических свойств
крупномасштабных плазменно-вихревых структур в атмосферном воздухе//Отчет НИИ
ЭМ - 2010. - ч.2 - 50 с.
. Буланов С.С., Есиев Р.У., Камруков А.С., Козлов
Н.П., Морозов М.И., Росляков И.А. Взрывные плазменно-вихревые источники
излучения// ЖТФ - 2010. - том 80 - №11 - С. 87-94.