Изучение способа измерения расхода воды по показаниям счетчика количества воды
Пермский
национальный исследовательский политехнический университет
Кафедра
АТ
Лабораторная
работа
Изучение
способа измерения расхода воды по показаниям счетчика количества воды
Выполнил: студент
гр. АТ-10
Таразов А.Ф.
Проверил: доцент
кафедры АТ
Волковой М.С.
Пермь
2013
Цель работы: Изучение способа измерения расхода
воды по показаниям счетчика количества воды, сравнение с объемным способом
измерения. Определение погрешностей измерения.
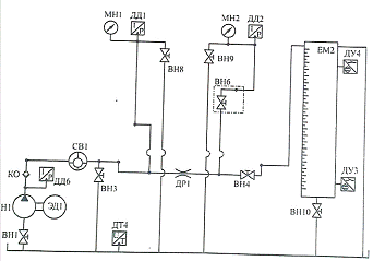
Рис. 1: Схема стенда.
Последовательность выполнения работы.
1. Закрыть краны ВН2, ВН5, ВН7, открыть краны
ВН3, ВН4, ВН6, ВН10.
2. Включить насос.
. Закрыть кран BH3.
. Перевести секундомер в ручной режим
управления, обнулить его показания.
. Закрыть кран BH10,
запустить секундомер, начнется наполнение мерной емкости.
. Включить секундомер.
. Дождаться изменения количества в мерной
емкости примерно на 1 литр. При достижении уровнем жидкости какой-либо метки на
шкале мерной емкости выключить секундомер, записать значение объема по шкале на
мерной емкости, записать значение объема по счетчику воды в таблицу.
. Открыть кран ВН10.
. Повторить измерения пп. 5-8 для разных
значений объема 3-4 раза.
. Частично закрыть кран ВН4 для
уменьшения подачи насоса.
. Повторить пункты 5-10 для различных
закрытий BH4.
. Переключить секундомер в
автоматический режим.
. Закрыть ВН10.
. Отмерить по счетчику воды объем воды,
поступившей в емкость за время между включением и выключением секундомера.
. Вычислить погрешности измерения,
сравнить с классом точности счетчика воды. Сделать выводы.
. Выключить насос тумблером "Подача
воды".
Теоретическая часть.
Расход - физическая величина, определяемая
количеством жидкости или газа, проходящих через трубу или русло в единицу
времени.
Принцип работы и конструкция
лопастного(пластинчатого) ротационного счетчика количества воды.
лопастный счетчик вода
погрешность
Рисунок 1. Счетчик с пластинчатыми лопастями
Измеряемая жидкость движется в пространстве,
ограниченном цилиндрическими поверхностями корпуса 6 и ротора 8. Внутри ротора
расположен неподвижный кулачок 7, на который опираются четыре ролика 9 с
закрепленными на них лопатками 1, 2, 4 и 5. Давление жидкости, поступающей
через входной патрубок на лопасть 5, приводит ротор во вращение, которое
передается на счетный указатель. Ролики катятся по кулачку, лопасти при этом
поочередно занимают место снаружи и внутри ротора. Таким образом, за полный
оборот ротора через счетчик проходит количество жидкости, равное разности
объемов цилиндра и ротора. Перетеканию жидкости из входного отверстия в
выходное препятствует вставка 3.
|
|
Мерная
емкость
|
Счетчик
воды
|
|
№
|
|
|
|
|
|
|
|
|
|
|
|
|
|
|
1.1
|
19,78
|
0
|
2
|
2
|
6,07
|
0,32
|
5
|
580
|
582
|
2
|
6,07
|
1,95
|
24,31
|
|
1.2
|
27,9
|
0
|
3
|
6,45
|
0,06
|
0,94
|
580
|
584,2
|
4,2
|
9,03
|
1,01
|
12,59
|
|
1.3
|
36,12
|
0
|
4
|
4
|
6,64
|
0,25
|
3,91
|
580
|
585,4
|
5,4
|
8,97
|
0,95
|
11,85
|
|
|
6,39
|
|
8,02
|
|
2.1
|
21,7
|
0
|
2
|
2
|
5,53
|
0,22
|
3,83
|
620
|
622,7
|
2,7
|
7,47
|
0,5
|
7,17
|
|
2.2
|
30,98
|
0
|
3
|
3
|
5,81
|
0,06
|
1,04
|
620
|
623,5
|
3,5
|
6,78
|
0,19
|
2,73
|
|
2.3
|
40,52
|
0
|
4
|
4
|
5,92
|
0,17
|
2,96
|
620
|
624,5
|
4,5
|
6,66
|
0,31
|
4,45
|
|

|
|
6,97
|
|
3.1
|
42,68
|
0
|
2
|
2
|
2,81
|
0,1
|
3,44
|
640
|
642,6
|
2,6
|
3,66
|
0,09
|
2,52
|
|
3.2
|
61,68
|
0
|
3
|
3
|
2,92
|
0,01
|
0,34
|
640
|
643,6
|
3,6
|
3,5
|
0,07
|
1,96
|
|
3.3
|
79,61
|
0
|
4
|
4
|
3,01
|
0,1
|
3,44
|
640
|
644,7
|
4,7
|
3,54
|
0,03
|
0,84
|
|
|
2,91
|
|
3,57
|
Ход работы
Таблица результатов измерений и вычислений
Расчетные формулы:

Результат автоматического измерения: 0,5..4,5 л:
Относительная погрешность измерений счетчика
СГВ-20(по паспорту):
.
Вывод
Из значений относительной погрешности, видно,
что в большинстве случаев способ измерения по мерной емкости оказался точнее,
однако, относительная погрешность счетчика падает с уменьшением скорости
истечения жидкости и ростом промежутка времени измерения. Различия в
показаниях, а также попадание всего одного измерения счетчика в допустимые
значения могут быть обусловлены инерционностью счетчика, неравномерной работой
насоса, а также погрешностью его измерений, не синхронностью включения
секундомера и начала измерений.