Защита тяговой сети переменного тока. Селективная защита с взаимными связями. Неселективная защита межподстанционной зоны. Методы выбора уставок
Лекция
№15
Защита
тяговой сети переменного тока. Селективная защита с
взаимными
связями. Неселективная защита межподстанционной зоны. Методы выбора уставок
Тяговая сеть (контактная сеть) - чувствительный
к перегрузкам элемент системы электроснабжения железнодорожного транспорта.
Во избежание пережога контактного провода нельзя
допустить длительного протекания по нему больших токов и токов короткого
замыкания.
Согласно «Правилам устройства систем тягового
электроснабжения» (ПУСТЭ) время отключения повреждённого участка без выдержки
времени (первыми ступенями дистанционных защит) не должно превышать 140мс или 7
периодов промышленной частоты. Ступень её селективности, т.е. шаг временных
уставок (∆t) электронных защит, следует принимать 0,3сек.
Общее время срабатывания второй ступени
получается 0,44сек. Если учитывать предварительный (перед КЗ) нагрев
контактного провода, также неблагоприятные сезонные условия, то указанная выше
величина времени срабатывания довольно большая. При таких временах контактная
сеть может находиться на грани пережога. Поэтому необходимо уменьшать время
отключения КЗ, учитывая и собственное время разрыва силовой цепи выключателем.
Основные требования к защитам тяговой сети (ТС)
переменного тока
Основные требования к защитам заключаются в
следующем:
уставки защит должны выбираться с соблюдением
требований селективности и устойчивости функционирования;
выбранные уставки должны обеспечить надёжное
отключение выключателя при КЗ в наиболее удалённой точке для нормальной и
вынужденной схемах питания КС;
при условиях гололедообразования
предусматривается защита в режимах плавки гололёда и подогрева проводов;
выключатели на элементах КС должны иметь
основную и резервную защиты.
для ускорения отключения близких КЗ в начале
линии может устанавливаться токовая отсечка (ТО) или специальная ступень
защиты;
зона действия основной защиты должна быть в
пределах всей зоны защиты (время срабатывания меньше, чем у других защит на
данном
выключателе);
основная защита - это 2-я ступень дистанционной
защиты (ДЗ2);
дополнительные защиты - это ТО и 1-я ступень
дистанционной защиты (ДЗ1);
резервная защита ближнего (для данного
выключателя) и дальнего (для смежного выключателя) резервирования должна
резервировать (дублировать) основную защиту;
защита фидера КС должна быть оснащена
аппаратурой контроля нагревания КС;
для предотвращения пережога КС допустимо
применение неселективной защиты (все ступени без выдержки времени), но при этом
неверные действия защиты должны исправляться с помощью АПВ.
Защиты с взаимными связями, рассматриваемые
ниже, позволяют уменьшить общее время отключения КЗ. Существуют две
разновидности
взаимных связей: продольная и поперечная.
К продольной связи относится телеблокировка, а к
поперечной несколько видов:
защита со сравнением абсолютных значений токов в
контактных подвесках смежных путей;
защита с контролем состояния измерительных
органов;
защита со сравнением направлений токов.
Защита с телеблокировкой
Суть телеблокировки заключается в следующем:
При КЗ в конце зоны (в зоне защиты второй
ступени) срабатывает мгновенная защита второго комплекта защит фидера, для
которой данное КЗ является близким и посылает сигнал по каналам телемеханики на
отключение выключателя на другом конце фидера. Если бы этого сигнала не было,
то защита на другом конце фидера срабатывала бы со временем второй ступени
(около 0,5сек.). Процедура посылки сигнала происходит примерно за 50мс, что
ускоряет отключение фидера с обеих сторон. Таким образом, если без
телеблокировки общее время срабатывания составляет около 0,4 сек., то с
телеблокировкой около 0,16÷0,23с,
т.е. примерно в два раза ускоряется отключение зоны КЗ.
На рис. 15.1 показаны продольные связи защит
фидеров при телеблокировке для узловой схемы питания контактной сети.
Рис.15.1.
На рис. 15.1 стрелками показаны
направления передачи сигналов телемеханики (телеблокировки). Сплошные
(короткие) стрелки обозначают работу телеблокировки при узловой схеме питания,
длинные (сплошные) - при переводе узловой схемы в раздельную.
Комплектами защиты оснащены все 8
выключателей, а каждый комплект защиты имеет свой приёмопередатчик. Участки
между выключателями имеют телемеханическую связь, по которой передаются сигналы
с одного конца линии на другой.
На рис.15.2 показана структурная
схема защиты с телеблокировкой.
Рис.15.2. Структурная защита с
телеблокировкой.
Здесь:
БПТ- блок преобразования тока;
БПН- блок преобразования напряжения;
ИЛБ- блок измерительных и логических
элементов;
ВО- выходной орган защиты;
С1,С2,С3,С4- конденсаторы связи
приёмопередатчика.
Защита с телеблокировкой - это
эффективный и перспективный метод ускорения защиты, хотя традиционные линии
связи являются слабым звеном устройств телемеханики и требуют дальнейшего усовершенствования
в отношении надёжности.
Защита со сравнением абсолютных
значений токов в контактных подвесках смежных путей
Данная защита относится к категории
защит с поперечными связями. Схема защиты представлена на рис.15.3.
Цель выполнения такой защиты та же,
что и защиты с телеблокировкой - уменьшить время срабатывания. Достигается это
за счёт того, что вторая ступень дистанционной защиты выполняется без выдержки
времени. Это стало возможным за счёт использования поперечных связей с
применением максиселектора.
Рис.15.3. Схема защиты со сравнением
абсолютных значений токов.
Как видно из приведённой схемы,
такую защиту можно использовать
на многопутных участках. В нашем
случае рассматривается трёхпутный участок. Фидер контактной сети каждого из
путей оснащается теме же защитами, что и одиночный фидер: ускоренной токовой
отсечкой и двух-
ступенчатой дистанционной защитой.
Токовая отсечка (КА) и первая ступень дистанционной защиты без выдержки времени
(KZ1) поперечных связей не имеют. Они действуют традиционным способом - через
логический элемент «ИЛИ» на выходной орган (ВО). Эти защиты имеют собственное
время срабатывания до 60 м.сек.( три периода промышленной частоты). Зоны
действия этих защит и ступеней те же: для токовой отсечки - ближайший участок
фидера, а для первой ступени ДЗ - 85% длины участка от ТП до ПС. Вторая ступень
ДЗ (KZ2) также выдержки не имеет.
Рассмотрим работу того комплекта на
подстанции, который защищает фидер на выключателе Q1.
При КЗ, которое находится вне
пределов зон токовой отсечки и первой ступени (точки К1и К2), то срабатывает
вторая ступень КZ2 и посылает свой сигнал на логический элемент «И», куда
должен поступить еще один сигнал от схемы сравнения. Схема сравнения, в свою
очередь, сравнивает от максиселектора SL, выбирающего (селектирующего)
наибольший ток остальных фидеров (второго и третьего). Схема сравнения (СС)
выдаёт сигнал на логический элемент в том случае, если первый фидер имеет бóльший ток по
отношению к наибольшему току остальных двух фидеров. Дальше замыкается цепь
отключения.
Если КЗ произошло слишком близко к
шинам ПС, то все три тока (в трёх фидерах) примерно одинаковы и СС не выдаёт
сигнала и KZ2 не срабатывает. В этом случае срабатывает защита ПС и отключит
свой выключатель. По второму и третьему фидеру прекращается подпитка точки КЗ,
ток 1-го фидера становится намного больше и СС выдаёт свой сигнал. В этом
случае отключение будет каскадным с малым промежутком времени между
отключениями двух выключателей.
Опыт показывает, что в зоне
каскадного действия (около 5% от длины фидера) отключение повреждений
производится значительно
быстрее, чем защитой, селективность
которой обеспечивается выдержками времени. Однако, этот способ по
быстродействию несколько уступает телеблокировке.
Но следует учесть, что защита с
поперечной связью по надёжности является более предпочтительной.
Неселективная защита
межподстанционной зоны
Применение неселективной защиты
преследует ту же цель - сократить время протекания токов КЗ и избежать пережогов
контактной сети. Существует два варианта схем контактной сети, где можно
применить неселективную защиту:
схема с разъединителями на посту
секционирования;
обычная узловая схема с
выключателями на посту секционирования.
Наличие выключателей на ПС при
применении неселективной защиты даёт существенные преимущества по многим
показателям. Поэтому первый вариант (с разъединителями на ПС) здесь не
рассматривается.
За исходную схему возьмём обычную
узловую схему без ППС (рис.15.4).
Рис.15.4 Узловая схема
Примечание: неселективная защита
работает только при наличии АПВ на всех подстанционных выключателях.
Схема работы защиты
(последовательность операций):
при КЗ в точке К отключаются
выключатели Q1,Q2,Q7,Q8;
производится АПВ выключателей
Q1,Q2,Q7,Q8;
выключатель Q1, включившись на КЗ,
вновь отключается и остаётся в отключенном состоянии.
Защиты на выключателях тяговых
подстанций и постов секционирования выполняются такими же, как и селективные,
но без выдержки времени.
Методы выбора защит
Расчёты релейной защиты тягового
электроснабжения производятся в соответствии с нормативным документом «
Руководящие указания по релейной защите систем тягового электроснабжения
(РУСТЭ)», М., 2005г.
Новые РУ распространяются на все
виды защит электромеханические, электронные, микропроцессорные и др.
Состав защит и их технические
характеристики должны соответствовать требованиям нормативного документа
«Правила устройства системы тягового электроснабжения (ПУСТЭ) железных дорог
Российской Федерации», М., 1997г.:
фидеры контактной сети 1 × 27,5кВ
оборудуются (как правило) 3-х ступенчатой дистанционной направленной защитой,
дополненной токовой защитой;
защита должна обеспечить отключение
всех возможных токов КЗ при любых режимах при всех схемах питания без т.н.
«мёртвых зон»;
обеспечивать отключение резервными
защитами при отказе как минимум одной ступени защиты;
время отключения без выдержки
времени должно быть ≤ 140мс;
фидеры системы 2× 25кВ должны
быть оборудованы двумя комплектами защит (на питающем проводе и проводах КС);
для режимов плавки гололёда и
профилактического подогрева проводов КС необходимо предусмотреть защиты с
изменяемой уставкой срабатывания или специальные защиты, вводимые по команде
диспетчера или по каналам телеуправления;
1-я ступень должна обеспечить
отстройку от токов нагрузки в зоне от тяговой подстанции (ТП) до поста
секционирования (ПС);
2-я и 3-я ступени должны обеспечить
чувствительность защиты от тока нагрузки и токов КЗ в межподстанционной зоне;
шаг временных уставок принимается
равным 0,3с.;
предусматривается устройства
резервирования отказов выключателей
(УРОВ);
аппаратура защиты фидера и шин
распределительных устройств должна
обеспечивать взаимное резервирование
отдельных ступеней защиты и согласована с аппаратурой телемеханики.
Рассмотрим расчёт защиты тяговой
сети переменного тока 1×
27,5кВ.
Расчёт защит тягового
электроснабжения производится в следующем порядке:
для участка электроснабжения определяются
расчётные схемы питания;
для рассматриваемого выключателя
выбирают основную, резервную и дополнительную защиты;
вычисляют электрические параметры
защиты в нормальном режиме работы фидера при наибольшей расчётной нагрузке
согласно ПУСТЭ;
устанавливают нормативную расчётную
схему для вычисления параметров КЗ;
для каждой ступени вычисляют
электрические параметры:
выбирают уставки срабатывания
ступеней защиты с учётом условий устойчивости функционирования (коэффициенты:
отстройки, чувствительности, запаса, возврата и адаптации);
проверяют выбранные уставки на
нечувствительность к нерасчётным условиям и для нормальной нагрузке.
Если выбранная защита не
удовлетворяет требованиям устойчивости функционирования (чувствительности к
внутренним КЗ, нечувствительности к нерасчётным внешних КЗ, нечувствительности
к нерасчётным внешним КЗ, отстроенности от ненормальных режимов), то необходимо
применение мер, предусмотренных ПУЭТС:
применение защит, реагирующих на
другие или дополнительные
КЗ;
применение защит с пониженной
чувствительностью к
нормальному режиму;
применение телеблокировки;
увеличение сечения провода КС, троса
группового заземления;
применение дополнительных ПС;
другие меры.
Расчёт параметров тяговой сети (ТС)
а) Расчётные параметры нормального режима
К расчётным параметрам нормального
режима можно отнести параметры, измеряемые защитами: максимальный ток,
минимальное напряжение, минимальное сопротивление.
Максимальный ток фидера на ТП, ПС и
ППС вычисляют на основании данных о значениях пускового тока поезда
максимальной массы
и средних токах за время хода по
межподстанционной зоне поездов по методике РУСТЭ.
Пусковой ток (ток трогания)
определяется из условия:
Iтр= (1,2÷ 1,4)∙Iч ;
, (15.1)
где Iч - ток часового режима
электровоза; Pч - мощность часового режима электровоза; Uэ - номинальное
напряжение электровоза; Кп - коэффициент полезного действия; Км - коэффициент
мощности.
Средний по длине межподстанционной
зоны эффективный ток Iг определяется по выражению:
,(15.2)
где г - удельный расход
электроэнергии на движение грузового поезда массой; Qг - масса грузового
поезда; V - средняя скорость движения грузового поезда; Uэ - номинальное
напряжение электровоза; Kэ -коэффициент эффективности тока поезда; Kз -
коэффицинт увеличения электропотребления в зимний период; Kd - коэффициент
соотношения среднего значения выпрямленного тока и действующего переменного
тока;- коэффициент отношения действующего значения напряжения первичной обмотки
электровоза к среднему значению выпрямленного напряжения.
Удельные расходы электроэнергии Wг = 15÷18 (вт∙ч ∕
т∙км) для различных типов профилей.
Расчётная величина максимального
тока фидера подстанции Iн. max. вычисляют для схем раздельного, узлового и
параллельного питания:
,(15.3)
гдегр - средний ток грузового поезда
расчётной массы;гм.тр - ток трогания грузового поезда максимальной массы;гм -
средний ток грузового поезда максимальной массы;э - расчётное число поездов в
расчётной зоне на одном пути (Nэ=4 для однопутных участков, а Nэ для двухпутных
участков вычисляется по выражению 14.2. (лекция №14);э.гм.- расчётное число
поездов максимальной массы (Nэ.гм.=2, если число поездов за сутки равно 5-25% и
Nэ.гм.=1, если число поездов за сутки до 5%);
К- коффициент (К=1 - при
одностороннем питании; К=2 - при двухстороннем питании).
Аналогично производятся расчёты для
ПС, с учётом расстояния между смежными подстанциями и длины расчётной зоны.
При отсутствии или невозможности
произвести расчёты пускового тока можно принять его значения по РУСТЭ
(табл.3.2.).
б) Параметры схемы замещения,
эквивалентная схема замещения межподстанционной зоны.
Вычисление параметров КЗ
производятся на основе эквивалентной схемы замещения с индуктивно развязанными
сопротивлениями. В случае выбора уставок релейной защиты допускается выполнять
расчёты с использованием модулей параметров (без учёта фазового угла), а
погрешность компенсируется коэффициентами запаса и чувствительности.
На рис. 15.5. представлены схема
питания и замещения тяговой сети (для параллельной схемы питания на рис.14.1,б,
Лекция №14) при КЗ на участке L3.
Рис.15.5. Схемы питания (а) и
замещения (б, в) тяговой сети,
д) сопротивление участков тяговой
сети.
Здесь:
Uа.рас и Uб.рас - расчётные
напряжения тяговых подстанций А и В;
Zа, Zаб, Zв- сопротивления
результирующей схемы замещения рис.15.5в), вычисляемые по выражениям:
Zа= Zпа + Zтса ;(15.4)в= Zпв+ Zтсв;
ав= Rд+ Zтсав+ Zтг3,;
где тса, Zтсв, Zтсав- эквивалентные
сопротивления тяговой сети,
вычисляемые по выражениям таблицы
5.1. РУСТЭ;
Место КЗ представлено: тгз-
сопротивление троса группового заземления;д- сопротивление дуги;
На схеме замещения, представленной
на рис.15.5 (б), контактная сеть замещена:
на повреждённом участке (L3)
сопротивлениями Z'3 (L'3) и Z''3 (L''3);
на неповреждённом участке (на длине
L'3) сопротивлением Z'g3;
на неповреждённом участке (на длине
L''3) сопротивлением Z''g3.
Рельсовая цепь замещена:
на участке L'3 сопротивлением Z'p3;
на участке L''3 сопротивлением
Z''p3.
Преобразуя указанные сопротивления
из треугольника в звезду и сложив последовательно включённые сопротивления
можно получить упрощенную эквивалентную схему (рис.15.5,в).
в) Параметры тяговых подстанций.
Расчётное значение напряжения Uрас
тяговых подстанций (ТП) принимается равным 27,5 ± 5% кВ., в зависимости от
расчёта максимальных или минимальных токов КЗ.
Сопротивление тяговой подстанции при
2-х фазном КЗ определяется по выражению:
, (15.5)
где Хп- индуктивное сопротивление
ТП;
Uп- напряжение на тяговой обмотке
тансформатора;
Sс- мощность КЗ на ТП;
St- номинальная мощность
трансформатора;
пt - число включений в работу;
Uк - напряжение КЗ
трансформатора(%);
αз - заводской допуск на
величину напряжения КЗ.
Мощность КЗ определяется по
выражению:
,(15.6)
где
Uб - базовое напряжение;
- Хс- сопротивление энергосистемы.
Необходимые данные для вычислений
можно взять в табл.4.1. РУСТЭ.
При выборе уставок некоторых защит
расчётные значения КЗ необходимо вычислять с учётом параметров места
повреждения, которое характеризуется параметрами согласно выражению (15.4):
Zтгз - сопротивление троса
группового заземления;
Rд- сопротивление дуги;
Rз- переходное сопротивление «сеть-
земля» (при падении провода КС на землю);
ток выключателя;
сопротивление, измеряемое защитой
выключателя;
напряжение на шинах.
Сопротивление Z тгз вычисляется по
данным погонных сопротивлений (табл.42. РУСТЭ) по выражению:тгз=zтгз•Lтгз.
Сопротивление дуги определяется по
выражению:
(15.7)
где
Lу - длина пути утечки; b -
коэффициент, учитывающий возможность развития дуги по наикратчайшему пути;
Iк- ток КЗ дуги, nиз- число
изоляторов в гирлянде.
г) Параметры места КЗ.
Для уставок токовых защит и
дистанционных защит 1-ой и 2-ой ступеней (для 3х -ступенчатых защит)
допускается принимать сопротивления Rд =0, Rз =0, Z тгз = 0. Возникающую
погрешность компенсируют коэффициентом чувствительности.
Для дистанционных защит 3-ей ступени
и потенциальных защит учёт параметров места повреждения обязателен.
Сопротивление тяговой сети (ТС)
зависит от марки и числа проводов КС, их взаимного расположения, расстояния до
проводов соседних путей и до рельсов, числа путей. В РУСТЭ приведены данные для
некоторых видов КС:
ТП - несущий трос- контактный
провод- рельсовый путь;
ТПУ - то же с усиливающим проводом;
ТПУЭ - то же с экранирующим (обратным)
проводом.
Для каждого из видов КС в РУСТЭ,
табл.4.3. даны значения сопротивлений, необходимых для расчётов
Общие правила вычисления параметров
КЗ
а) Расчётные схемы питания.
Варианты расчётных схем приведены в
РУСТЭ, табл.5.1., в которых указаны:
место КЗ;
выключатель (шифр выключателя);
ток выключателя;
назначение защиты ( О- основная; Р-
резервная; Д- дополнительная);
формулы для вычисления параметров
схемы замещения;
количество путей, на которых КС
включена в работу
б) Расчётные формулы.
Токи подстанций и ток вместе КЗ
определяются по выражениям:
(15.8)
Iк = Iа +Iв.
Если напряжения тяговых подстанций
приняты одинаковыми, то используются выражения:
(15.8')
Т.е при равенстве напряжений
выражение упрощается : в числителе только Uрас, т.к. Uа.рас = Uв.рас = Uрас.
Если Zтсав = 0 и Zав= 0 (для
некоторых расчётных схем не учитываются параметры места КЗ, то токи можно вычислить
по выражениям:

и
,(15.9)
где а.вх, Zв.вх - входные
сопротивления тяговой сети со стороны тяговых подстанций А и В формулы для
вычисленийкоторых даны в РУСТЭ, табл.5.2.
Токи выключателейопределяются на
основе токов тяговых подстанций с учётом числа путей и схемы питания
межподстанционной зоны. Далее определяются токи КЗ контактной сети на
повреждённом участке, напряжение на шинах подстанции и сопротивление на защитах
выключателей по методике РУСТЭ.
Выбор уставок защит
защита сеть ток уставка
Предлагается следующий порядок
вычислений уставок защит КС:
рассчитываются параметры нормального
режима;
рассчитываются параметры КЗ (для
максимального и минимального режима);
определяются параметры схемы
замещения (Zпа, Zпв, Rд, Zтгз);
вычисляются уставки для различных
защит (ТО - токовая отсечка, БТ- блокировка по току, МТЗ- максимальная токовая
защита, ДЗ- дистанционная защита, ПЗ- потенциальная защита), используя
расчётные формулы РУСТЭ, табл.6.1-6.4;
уставки, выбранные по параметрам КЗ
проверяются по условиям нормального режима.
Более подробно расчёт уставок дан в
РУСТЭ, М., «Трансиздат»,2005г. и в Учебном пособии к курсовому и дипломному
проектированию: «Релейная защита ФКС однофазного переменного тока, изд. РГУПС».
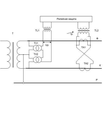
Особенности защиты тяговой сети 2 × 25кВ с
автотрансформаторами
Контактная сеть (КС) по системе 2×25кВ с
автотрансформаторами состоит из контактной подвески (КП) и питающего фидера
(ПФ), присоединённых к вторичной обмотке тяговых трансформаторов А и В.,
средняя точка которых присоединяется к рельсам (Р). Напряжение ПФ и КП
относительно Р равно 25кВ, а напряжение между ПФ и КП равно 50кВ.
Между смежными тяговыми подстанциями
(ТП) устанавливаются автотрансформаторы (АТТ), подключаемые одним концом к ПФ,
а другим - к КП, а нулевая точка АТТ присоединяется к Р. В межподстанционной
зоне устанавливаются, как правило, четыре АТТ. Между двумя средними АТТ
устанавливается ПС (рис.15.6.).
На рис.15.6. средняя точка
автотрансформатора присоединяется в рельсам. Поскольку сопротивление тяговой
сети данной системы в 2 раза меньше однофазной системы 1х25кВ, то увеличивается
межподстанционное расстояние и тем самым в целом уменьшаются эксплутационные
расходы.
В тяговой сети 2×25кВ обычно
рассматривается следующие виды КЗ между: ПФ и Р; КП и Р; ПФ и КП.
Для надёжности тяговая сеть
рассматриваемой системы оборудуется двумя комплектами защит: на ПФ и КП (как на
ТП, так и на ПС).
Поэтому схема подключения защиты
имеет свои особенности (рис.15.7.).
Рис.15.6. Схема питания
межподстанционной зоны 2×25кВ.
Здесь напряжение Uр пропорционально
геометрической сумме напряжений ПФ и КП (относительно Р), а ток Iр
геометрической разности токов ПФ и КП. Напряжения ПФ и КП совпадают по фазе, а
токи находятся в противофазе. Селективность и устойчивость работы защиты 2×25кВ
обеспечивается так же, как и в защите1х25кВ.
Рис.15.7. Схема подключения релейной
защиты системы 2×25кВ