Дистанционные защиты сетей. Односистемные и многосистемные защиты. Многосистемные защиты с макси- и миниселекторами

  • Вид работы:
    Лекция
  • Предмет:
    Физика
  • Язык:
    Русский
    ,
    Формат файла:
    MS Word
    258,3 Кб
  • Опубликовано:
    2013-07-27
Вы можете узнать стоимость помощи в написании студенческой работы.
Помощь в написании работы, которую точно примут!

Дистанционные защиты сетей. Односистемные и многосистемные защиты. Многосистемные защиты с макси- и миниселекторами














Лекция №8

Дистанционные защиты сетей. Односистемные и многосистемные защиты. Многосистемные защиты с макси - и миниселекторами

Назначение и принцип действия дистанционной защиты

Дистанционной защитой (ДЗ) называется защита, работающая на принципе измерения (как правило) полного сопротивления при помощи реле сопротивления, рассмотренных выше.

Время срабатывания (выдержка времени) дистанционной защиты зависит от сопротивления на зажимах реле Zp, т.е. t = f (Zp).

Поэтому можно сформулировать:

ДЗ - это такая защита, выдержка времени которой «автоматически» изменяется в зависимости от удалённости (сопротивления линии) до места КЗ до места установки защиты.

Дистанционная защита является более быстродействующей по сравнению с МТЗ и более чувствительной, чем ТО, но и более сложной и дорогой, поэтому её применяют тогда, когда МТЗ и ТО не удовлетворяют необходимым требованиям (как правило, для линий 35 - 220кВ сложной конфигурации).

Характеристики выдержек времени дистанционных защит делятся на три группы (см. рис. 8.1.):

а) - плавно-зависимые (наклонные);

б) -ступенчатые;

в) -комбинированные.

В общем случае ДЗ имеет три органа: пусковой, дистанционный и выдержки времени. Для сетей с многосторонним питанием добавляется и орган направления мощности. В качестве пускового органа применяют электромагнитное токовое реле (как правило) или реле сопротивления.

В качестве дистанционного органа используются реле сопротивления. В качестве органа выдержки времени обычно применяют электромагнитное реле времени.

Ступенчатая характеристика является наиболее распространённой (рис.8.1,б). Число ступеней выдержек времени одной защиты равно трём.

Выдержка времени первой ступени равна собственному времени срабатывания (0,1-0,2 сек.). Выдержка времени второй и третьей ступеней рассчитываются и отличаются примерно на 0,7-1,0 сек. Реле с наклонными и комбинированными характеристиками конструктивно очень сложны и не имеют существенных преимуществ перед ступенчатой.

Рис.8.1. Характеристики дистанционных защит (зависимость времени срабатывания от сопротивления (расстояния):

а) плавно-зависимая (наклонная); б) ступенчатая; в) комбинированная.

Защищаемый участок линии (в соответствии с выдержками времени) делится (как правило) на три зоны:

первая зона - это такое расстояние, в пределах которой защита действует с выдержкой времени первой ступени (в данном случае равной собственному времени срабатывания) и покрывает, как правило, расстояние 70-80% от всей длины защищаемой линии;

вторая зона - это расстояние, в пределах которого защита действует с выдержкой времени второй ступени и охватывает 30-40% длины смежного участка;

третья зона - резервная и охватывает остальную часть линии.

На рис. 8.2. Представлен принцип действия и характеристики ДЗ. Характеристика времени срабатывания дистанционной защиты показана на рис.8.2(б). Число ступеней выдержек времени одной времени одной защиты здесь также равно трём.

Рис.8.2. Принцип действия (а) и характеристика (б) дистанционной защиты.

Из рис.8.3. видно, что все зоны ДЗ здесь являются направленными (характеристика проходит через начало координат) и, следовательно, не

приходят в действие при КЗ на линии, смежной с Л1, но расположенной влево от подстанции А (в третьем квадранте).

На рис. 8.3.приведены характеристики реле полного сопротивления трёхступенчатой дистанционной защиты.

Рис.8.3. Характеристика дистанционной трёхступенчатой защиты.

Здесь обозначены (аналогично рис.8.2.):

А, Б, В- шины подстанций;

Л1, Л2- защищаемые линии:

аб, бв, вг- зоны действия защит;

Z1, Z2, Z3- уставки срабатывания реле;

φ- угол срабатывания защиты;

δ(φмч)- угол максимальной чувствительности реле.

Необходимо отметить особенность работы ДЗ. Известно, что реле сопротивления по своему принципу действия срабатывает тогда, когда измеренное им сопротивление меньше настроенной на нём уставки, то есть реле сопротивления второй зоны с уставкой Z2 срабатывает

(вернее, должно срабатывать при отсутствии реле времени) при КЗ в 1 и 2 зонах, а реле сопротивления 3 зоны с уставкой Z3 - при КЗ в 1,2 и 3 зонах.

Однако, поскольку выдержка времени второй ступени больше первой, а третьей больше, чем первой и второй, то всегда сперва срабатывает ступень, имеющая меньшую выдержку времени, чем и обеспечивается ступенчатая характеристика селективности защиты.

Виды характеристик срабатывания защит

Напомним, что характеристика срабатывания реле сопротивления на комплексной плоскости представляет собой пограничную линию, которая отделяет область срабатывания от области несрабатывания реле.

В практике релейной защиты встречаются несколько видов характеристик:

круговая с центром в начале координат;

круговая, проходящая через начало координат;

круговая с центром координат внутри окружности («смешанная» или промежуточная между первой и второй);

эллиптическая;

в виде многоугольника;

в виде треугольника и т. д.

На рис.8.3. представлена круговая характеристика, проходящая через начало координат, являющаяся характеристикой направленного реле полного сопротивления.

На рис.8.4.представлены другие характеристики различных защит.

Рис.8.4. Виды характеристик различных защит: а) круговая с центром в начале координат; б) круговая с центром координат внутри окружности; в) эллиптическая; г,е) треугольные; д,ж) в виде многоугольника;

д) трёхступенчатая характеристика для тяговой подстанции (защита УЭЗФМК).

Реле с круговой характеристикой (рис.8.4,а) является ненаправленным, т.к. его сопротивление равно радиусу окружности Zcp. и не зависит от от угла сдвига φp между Up и Ip. Реле с такой характеристикой применяется в тех случаях, когда не требуется различной чувствительности к реактивной и активной составляющей полного сопротивления, например, в защитах шин 6 -10кВ, а при применении такого реле для 35-110кВ необходимо дополнительно устанавливать реле направления мощности.

Реле с круговой характеристикой (рис.8.4,б) является «смешанной». Окружность этой характеристики смещена вниз по линии наибольшей чувствительности в квадрант III на величину сопротивления смещения Zсм. Реле с такой характеристикой работает надёжно как при КЗ в первом квадранте, так при КЗ за «спиной» реле в III квадранте. Поэтому это реле не является направленным и используется для защиты шин подстанций.

На рис 8.4(в) изображена характеристика направленного реле, имеющая вид эллипса. Полное сопротивление такого реле равно большой оси эллипса. По сравнению с круговой эллиптическая характеристика имеет меньшую рабочую область, что даёт возможность лучше отстроить реле от перегрузок и качаний.

На рис.8.4(г) приведена характеристика, обладающая той особенностью, что чем ближе к месту установки защиты находится точка КЗ, тем большая величина переходного сопротивления требуется для её срабатывания. Например, при КЗ у поста секционирования реле с такой характеристикой, установленное на ТП, сработает при сопротивлении более 45-50 Ом.

Характеристика на рис.8.4(ж) аналогична 8.4(г), но обладает лучшими характеристиками.

Характеристика на рис.8.4 (е), имеющая вид треугольника, применяется обычно для третьей (резервной) зоны ДЗ. Она позволяет отстроиться от Zp при больших значениях тока нагрузки, чему соответствует минимальное значении вектора сопротивления при нагрузке  и допускает срабатывание реле при значительном переходном сопротивлении.

Характеристика на рис.8.4(д) в виде четырёхугольника отличается от круговых тем, что в большей степени совпадает с контуром области расположения векторов Zp при КЗ и является наиболее рациональной.

Характеристики в виде многоугольников или образованные из сочетания дуг окружностей с отрезками прямых принято называть сложными и позволяют повысить чувствительность РС к повреждениям через переходное сопротивление и увеличить зону действия на протяжённых ЛЭП и т.д. Такие виды характеристик реализуются на электронных реле сопротивления.

Примеры выполнения ДЗ

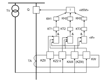
Функциональная упрощенная схема (в однолинейном исполнении, комплект реле показан в одной фазе) дистанционной направленной трёхступенчатой ДЗ показана на рис.8.5.

Рис.8.5. Дистанционная направленная трёхступенчатая защита.

Здесь:

-KZII, KZ2II- дистанционные органы первой и второй ступеней;

KA III, (KZIII) -пусковой орган;

КТ1, КТ2, КТ3 - органы выдержек времени;

КН1, КН12, КН3 - указательные реле.

Рассмотрим действие защиты на примере рис.8.2(б,в).

Прежде всего, необходимо подчеркнуть, что пусковой орган КАIII (токовый) или КZIII (реле сопротивления) срабатывает при замыканиях в любой зоне.

Орган KW позволяет действовать защите только при направлении мощности от шин подстанции в линию при КЗ в каждой из зон. При замыкании в первой зоне срабатывают дистанционные органы KZ II и KZ2 II. При этом приходят в действие все реле времени, однако раньше других срабатывает реле времени КТ1 (как имеющее меньшую выдержку времени). Защита отключает выключатель с выдержкой времени первой ступени. При КЗ во второй зоне дистанционный орган не сработает, поэтому приходит в действие только реле времени КТ2 и КТ3. Раньше срабатывает реле времени КТ2 с выдержкой второй ступени. При КЗ в третьей зоне оба дистанционных органа не срабатывают, а срабатывает реле времени КТ3, действует третья ступень защиты, осуществляя дальнее резервирование.

Отдельное реле времени КТ1 для первой ступени, как правило, не применяется и время действия её определяется только собственным временем срабатывания пускового и измерительного органов. Иногда функции нескольких органов выполняют сложные измерительные реле.

Например, направленное реле сопротивления может выполнять функции органа направления мощности, дистанционного или пускового.

Токовые пусковые органы применяются для сетей ≤ 35кВ, выше - на реле сопротивления.

Схемы включения ДЗ

Для того, чтобы замеряемые сопротивления при всех видах КЗ на защищаемой линии были пропорциональны расстоянию до места повреждения и иметь одинаковые значения (по модулю и углу) в одной точке применяются различные схемы включения реле сопротивления.

При этом для обеспечения этого требования к реле необходимо подводить напряжение в месте установки ДЗ, равному падению напряжения на сопротивлении Zpk до точки КЗ, т.е. Up=Ik • Zpk. При этом для обеспечения одинакового Zpk при всех видах КЗ ток Ip, подводимый к РС, должен равняться току Ik, определяющему падение напряжения на сопротивлении Zpk:

                                       (8.1.)

Таким образом, РС, реализующего функции дистанционного органа (ДО) включаются на напряжение и ток петли КЗ, причём схемы включения РС, реагирующие на разные виды КЗ (например, при междуфазных и двухфазных), должны быть разными.

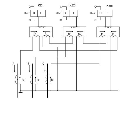
Схемы включения ДЗ, реагирущих на междуфазные КЗ.

При междуфазных КЗ ДО включается на междуфазные напряжения и разность фазных токов согласно таблицы 8.1.

Таблица 8.1       

Реле фаз

Up

Ip

АВ

Uab

Ia-Ib

ВС

Ubc

Ib-Ic

СА

Uca

Ic-IA


При трёхфазных КЗ все три ДО находятся в одинаковых условиях (к каждому из них подводится междуфазное напряжение).

При двухфазных КЗ (например, между фазами В и С), только один ДО, включённый на напряжение повреждённых фаз, получает напряжение, пропорциональное от подстанции до точки КЗ.

Реле сопротивления, выполняющие функции пускового органа, включаются на междуфазные напряжения и фазный ток (таблица 8.2)

Таблица 8.2.

Реле фазUpIp



АВ

Uав

Ia

ВС

Uвс

СА

Uса


Схемы включения на междуфазные напряжения и фазный ток не применяются для включения реле сопротивления в качестве ДО первой и второй зон, т.к. при трёхфазном и двухфазном КЗ не выполняется условие одинаковости сопротивлений линий до точки повреждения.

Для реализации включения РС согласно таблицы 8.1. используются промежуточные трансформаторы тока или трансреакторы (датчики тока) в которых имеется две первичные и одна вторичная обмотки.

Рис.8.6. Схема включения трёхсистемной ДЗ с применением трансреакторов.

В этом случае трансформаторы тока включаются в звезду. При включении трансформаторов тока в треугольник применяется схема без трансреакторов т. к. в этом случае через реле протекает ток, равный разности токов двух фаз.

На рис. 8.5 и 8.6. ДЗ имеют трёхсистемное исполнение (комплекты реле во всех трёх фазах), однако, они требуют большого количества реле.

Имеются также ДЗ двух и односистемного исполнения, в которых количество реле меньше, но необходимо осуществлять переключение цепей тока и напряжения в зависимости от вида повреждения.

Известны односистемные защиты, построенные на использовании элементов дискретной логики (дистанционная защита ДЗ-10 для линий 6-10кВ и др.), принцип действия которых изображён на рис.8.7.

Рис. 8.7. Структурная схема односистемного реле сопротивления

Здесь:ЕА-нуль-орган; Д1-максиселектор; Д2-миниселектор.

Схема работает следующим образом. На вход Д1 подаются сигналы, пропорциональные разности фазных токов, а на вход ячейки Д2 - сигналы, пропорциональные междуфазным напряжениям. На выходе Д1 формируется постоянное напряжение, пропорциональное наибольшему из входных сигналов, на выходе Д2 - наименьшему из входных сигналов.

Таким образом, нуль-орган ЕА сравнивает наибольшую из разностей фазных токов Imax с наименьшим из междуфазных напряжений Umin.

При этом условие срабатывания имеет вид:

кн •Umin. ≤ кт • Imax.                                                 (8.1.)

Отсюда:

или   Zp. ≤ Zcp                                                 (8.2.)

Причём, сопротивление Zp при трёхфазных и двухфазных имеет одинаковое значение и пропорционально расстоянию до места КЗ.

Схемы ДЗ, реагирующие на однофазные КЗ

Этот вид ДЗ включаются по схеме с токовой компенсацией. Схема предусматривает три реле сопротивления, каждое из которых включается согласно таблицы 8.3.

Таблица 8.3.

Реле фаз

Напряжение

Ток

А

Ua

Ia+к3Io

В

Ib+к3Io

С

Uc

Ic+к3Io

 

Здесь к3Io - ток, пропорциональный току нулевой последовательности (НП). При однофазном КЗ правильно срабатывают только одно реле сопротивления (комплект реле), включённое на напряжение и ток повреждённой фазы. Два других реле, включённое на ток и напряжение неповреждённых фаз, не срабатывают, т.к. Zp > Z1, где:сопротивление на зажимах реле;- сопротивление нулевой последовательности.

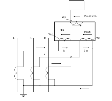
Схема включения ДЗ при однофазных КЗ фаз В и С и для КЗ на землю любых двух фаз аналогична представленной на рис.8.6, но имеет отличия. Вторая первичная обмотка Wo включена на ток к3Iо (НП), а

число обмоток фазы Wф подбирается так, чтобы    (рис.8.8.)

Результирующий поток первичных обмоток Фрез.= Фф+ кФо= Iф+к3Io.

Поэтому вторичный ток трансреактора будет пропорционален току Iф+к3Io (схема и предназначена для получения этого тока).

Рис.8.8 Схема включения реле сопротивления.

дистанционная защита реле сопротивление

Реле сопротивления при этом реагирует на однофазные КЗ с токовой компенсацией в виде Iф+к3Io.

Похожие работы на - Дистанционные защиты сетей. Односистемные и многосистемные защиты. Многосистемные защиты с макси- и миниселекторами

 

Не нашли материал для своей работы?
Поможем написать уникальную работу
Без плагиата!
Без нейросетей!