Исследование и разработка конструкции широкополосного симметрирующего устройства
Содержание
Введение
. Обзор литературы по методам расчета широкополосных
симметрирующих устройств СВЧ диапазона
.1 Устройства согласования
1.2
Симметрирующие устройства
1.3 Модели широкополосных симметрирующих трансформаторов
. Схемотехнический раздел
.1 Выбор и обоснование схемной реализации широкополосного
симметрирующего устройства
.2 Разработка схемы электрической принципиальной
симметрирующего устройства с использованием современных программных продуктов
.3 Разработка схемы электрической принципиальной
симметрирующего трансформатора на двух секциях связных линий
. Конструкторский раздел
3.1 Обоснование и разработка конструкции широкополосного
симметрирующего устройства
3.2 Моделирование широкополосного симметрирующего
трансформатора на связных линиях
.3 Моделирование широкополосного симметрирующего
трансформатора на двух секциях связных линий
. Технологический раздел
.1 Тонкопленочная технология изготовления микрополосковых
линий
. Организационно-экономический раздел
.1 Введение
.2 Расчет затрат на проектирование в НИР
.3 Затраты на изготовление опытного образца
. Охрана труда
.1 Введение
.2 Медико-биологический аспект влияния СВЧ на здоровье
человека
.3 Защита от воздействия излучения СВЧ
.4 Измерения параметров электромагнитного поля СВЧ на
разработанном устройстве. Применяемые приборы
Заключение
Список использованных источников
широкополосный симметрирующий трансформатор
микрополосковый
Аннотация
Перечень ключевых слов: устройства согласования, широкополосные
симметрирующие устройства, трансформирующие свойства.
Для создания электронных приборов и возможности проектирования в
гибридно-интегральном и полупроводниковом исполнении, часто возникает проблема
широкополосного согласования импедансов источников сигнала и нагрузки.
Целью данной работы является разработка конструкции и моделирование
широкополосных симметрирующих устройств на связных линиях передачи и
исследование их трансформирующих свойств.
В данной работе были проанализированы современные подходы к решению
проблемы согласования источников сигнала и нагрузки. Произведены расчёты двух
наиболее перспективных моделей симметрирующих трансформаторов на связных линиях
передачи. Показаны их трансформирующие и симетрирующие свойства, с учетом
четного и нечетного способов возбуждения в широкой полосе частот 2-18 ГГц. В
результате расчётов подтверждены теоретические выводы. Также произведено
моделирование этих устройств с использованием встроенных базовых элементов
программного продукта MWO - Microwave Office.
Полученные в результате моделирования симметрирующие трансформаторы могут
получить широкое применение в различных устройствах, где нужно согласовать
импедансы источников сигнала и нагрузки.
Симметрирующие трансформаторы работают в широкой полосе частот и
обеспечивают удобную в практическом отношении реализацию в интегральном и
полупроводниковом исполнении.
Введение
На сегодняшний день развитие НТП (научно технический прогресс) в области
электроники все чаще приводит к созданию новых типов электронных приборов и к
возможности проектирования на их основе устройств в гибридно-интегральном и
полупроводниковом исполнении. В связи с этим, часто возникает проблема
широкополосного согласования импедансов источников сигнала и нагрузки. Огромный
интерес к задачам синтеза широкополосных симметрирующих согласующих устройств
подтверждает тот факт, что не решены некоторые вопросы в рамках данной
проблемы. Появившиеся в последнее время программные продукты для моделирования
согласующих устройств не решают проблему в полной мере. Все вышесказанное
характеризует необходимость дальнейших исследований в данной области и
актуальность выбранной темы.
Целью данной работы является разработка конструкции и моделирование
широкополосных симметрирующих устройств на связных линиях передачи и
исследование их трансформирующих свойств.
Для достижения поставленной цели необходимо решить следующие задачи:
проанализировать современные подходы к решению проблемы согласования источников
сигнала и нагрузки, рассмотреть согласующие и симметрирующие устройства.
Провести анализ существующих моделей широкополосных симметрирующих устройств.
Выбрать структуры симметрирующих трансформаторов, обеспечивающих выполнение
требований ТЗ, а также конструктивную и технологическую реализуемость, провести
расчет геометрических параметров. Далее промоделировать с помощью программного
продукта Mathcad и встроенных базовых элементов
программы MWO - Microwave Office.
1. Обзор
литературы по методам расчета широкополосных симметрирующих устройств СВЧ
диапазона
.1 Устройства согласования
Устройства согласования предназначены для соединения приборов, которые по
каким-либо причинам нельзя соединять напрямую при помощи кабелей и
переходников. Причинами невозможности прямого соединения приборов могут быть
несовпадение номинальных уровней, неподходящие входные и выходные
сопротивления, неодинаковый способ передачи сигнала или несовпадение
характеристических импедансов. Все устройства согласования можно разделить на
четыре группы: устройства согласования уровней, устройства согласования
импедансов, устройства развязки.
Кроме того, существуют устройства, в которых используется одновременно
несколько способов согласования. Многие из таких устройств обеспечивают
электрическую развязку с одновременным выполнением, например, преобразования
импедансов или согласования уровней.
Для передачи сигнала, особенно в СВЧ-технике, важно согласование
импедансов (входного и выходного сопротивлений). При увеличении выходного
сопротивления возрастает завал верхних частот в сигнале. Кроме того, при
уменьшении разницы между выходным и входным сопротивлениями двух приборов
происходят потери уровня сигнала. Однако при уменьшении входного сопротивления
увеличивается ток в коммутационной цепи, что повышает помехозащищенность такого
канала. Следовательно, необходимо найти некоторое оптимальное отношение между
входным и выходным сопротивлениями приборов, чтобы с одной стороны потери
уровня сигнала не были значительными, а с другой стороны была бы обеспечена
хорошая помехозащищенность коммутационной линии. Либо воспользоваться
преобразователем импеданса.
Согласование линии передачи с нагрузкой. В технике антенно-фидерных
устройств большую роль играет согласование антенны с линией передачи, т. е.
меры, принимаемые для устранения волн, отраженных от нагрузки, в результате
чего в линии устанавливается бегущая волна.
Режим бегущей волны обладает рядом преимуществ. Можно доказать, что при
одной и той же мощности, передаваемой по линии без потерь (или практически с
малыми потерями), отношение максимального напряжения Uмакс в рассогласованной линии к напряжению
U в согласованной линии определяется
формулой
Uмакс/U=1/sqrt(Кбв)
(1.1)
При достаточно высоком Кбв в линии ее входное
сопротивление, являющееся нагрузкой для генератора, имеет значительную активную
составляющую и мало зависит от длины линии. Это обеспечивает нормальную работу
генератора.
Кроме того, КПД в линии с потерями получается максимальным в случае
бегущей волны, что делает возможным передачу максимальной мощности в нагрузку.
На рисунке 1.1 показана принципиальная схема получения бегущей волны в линии,
нагруженной на конце сопротивлением Za, не равным волновому сопротивлению линии Zвх[1].
Рис 1.1. Принципиальная схема получения бегущей волны в линии
Между нагрузкой и линией включается переходное устройство, которое может
обеспечивать согласование по одному из следующих методов: согласование по
методу В. В. Татаринова с помощью реактивного сопротивления; методу ступенчатых
и плавных переходов; методу поглощения отраженной волны.
Наиболее простой и удобный метод согласования на одной частоте (или в
узкой полосе частот) разработал в 1931 г. проф. В. В. Татаринов. По этому
методу на некотором определенном расстоянии от конца линии (от нагрузки), где
активная составляющая проводимости линии равна волновой, включается параллельно
линии, реактивное сопротивление, компенсирующее реактивную составляющую
проводимости линии.
Нетрудно убедиться, что в линии между генератором и точками подключения
реактивного сопротивления при этом установится бегущая волна. В качестве реактивного
сопротивления используется отрезок вспомогательной линии (реактивный шлейф,
индуктивный мостик), длина которой изменяется с помощью короткозамыкающей
перемычки. Для коаксиальных экранированных линий и волноводов, когда трудно
подбирать место подключения реактивного шлейфа, применяются два или три
настраиваемых шлейфа, включаемые недалеко от нагрузки на расстоянии четверти
волны друг от друга.
Когда нагрузка линии (антенна) имеет чисто активное сопротивление Ra, не равное волновому сопротивлению линии Zв, согласование на фиксированной волне можно
осуществить с помощью, так называемого четвертьволнового трансформатора. В этом
случае переходное устройство представляет собой отрезок линии длиной в четверть
волны, включаемый между нагрузкой и основной линией передачи, имеющей волновое
сопротивление Zт а сопротивление со стороны входных зажимов
переходного устройства будет равно Zв и в линии установится бегущая
волна.
Zт = sqrt(Ra Zв) (1.2)
Таким же образом можно осуществить согласование двух фидерных линий с
разными волновыми сопротивлениями (на одной частоте).Для широкополосного
согласования линий с разными волновыми сопротивлениями можно применять отрезок
линии с плавно изменяющимся волновым сопротивлением, включаемый между
согласуемыми линиями. Эскиз такого плавного перехода для коаксиальных линий с
воздушным диэлектриком и наружным экраном неизмененного диаметра показан на
рис. 1.2. [1].
Рис. 1.2. Эскиз плавного перехода для согласования двух коаксиальных
линий с разными волновыми сопротивлениями
Внутренний проводник перехода имеет форму усеченного конуса. Длина
перехода должна быть не меньше половины длины максимальной волны диапазона, в
котором осуществляется согласование.
Плавный переход при согласовании линий можно заменить многоступенчатым, с
постепенным изменением волнового сопротивления от ступени к ступени.
1.2 Симметрирующие
устройства
Симметрирующие устройства бывают узкополосными и широкополосными, а также
могут совмещать в себе функции симметрирования и согласования.
Применение симметрирующих устройств необходимо как в простых, так и в
сложных антеннах. При питании симметричных вибраторов коаксиальным кабелем,
кроме согласования его входного сопротивления с волновым сопротивлением фидера,
необходимо выполнить симметрирование. Непосредственное подключение коаксиальной
линии к симметричному вибратору без симметрирующего устройства вызовет
появление различий между амплитудами токов в плечах вибратора и приведет к
возникновению токов на поверхности внешнего проводника коаксиальной линии.
Асимметрия токов в плечах вибратора вызывается тем, что между плечом,
подключенным к центральному проводнику коаксиальной линии, и внешним ее
проводником образуются токи смещения. Второе плечо вибратора имеет потенциал
внешнего проводника коаксиальной линии, разности потенциалов нет и токов
смещения здесь не образуется. Асимметрия токов в вибраторе искажает диаграмму
направленности, приводит к росту уровней бокового излучения. Более существенное
влияние оказывают токи смещения на внешнем проводнике коаксиальной линии.
Результатом их действия является антенный эффект фидера. Эти токи при работе
горизонтального вибратора на передачу создают паразитное поле излучения с
вертикальной поляризацией. В случае горизонтальных приемных антенн асимметрия
также вызывает антенный эффект фидера, за счет которого происходит паразитный
прием вертикально поляризованного поля. Это сказывается в крупных
индустриальных центрах, где уровень помех особенно велик. При настройке антенны
асимметрия вызывает погрешности в измерениях. При передаче отраженная волна
создает напряжение на корпусе передатчика, даже в том случае, если он заземлен.
Большинство любительских радиостанций эксплуатируется в многоэтажных зданиях,
где проблема заземления заключается в том, что длина заземляющего провода
бывает больше четверти или больше длины волны, на которой работает
радиостанция. На проводе заземления образуются стоячие волны. При этом не
только радиостанция, но и все совместное с ней оборудование: модемы, компьютеры
и т.п. подвержены воздействию высокочастотного сигнала, что может привести к
сбою в их работе. В любительской аппаратуре недостаточное экранирование и
развязка между каскадами может даже вызывать искажение сигнала при передаче и
резко ухудшить качество приема.
Любительские диапазоны очень узкие, поэтому оправдано применение, именно,
узкополосных резонансных симметрирующих устройств, которые позволяют не только
симметрировать антенну, но и произвести дополнительную селекцию сигнала,
заградив приемник от низкочастотных индустриальных помех, работая как фильтр
верхних частот. К тому же, резонансным симметрирующим устройством мы можем
скомпенсировать входное реактивное сопротивление вибратора, расширив при этом
диапазонные свойства самой антенны. В диапазоне коротких и в начале
ультракоротких волн лучшим симметрирующим устройством для любительских
диапазонов является симметрирующая приставка или, как ее еще называют,
симметрирующий мостик.
Он выполняется в виде двухпроводной симметричной линии из коаксиального кабеля
в KB диапазоне или из металлических трубок в УКВ диапазоне длиной 0,25
λ. С одного конца
линия замкнута накоротко, а с другого нагружается симметричной антенной,
например, полуволновым симметричным вибратором. В точках подключения антенны
сопротивление приставки на резонансной частоте очень велико и ее шунтирующим
действием можно пренебречь. В приставке устанавливается режим стоячей волны с
узлом напряжения и пучностью тока в месте короткого замыкания. Если не нужна
трансформация сопротивлений, то симметрирующий мостик делается из коаксиального
кабеля, волновое сопротивление которого равно сопротивлению вибратора.
Например, полуволновой симметричный вибратор, имеющий волновое сопротивление 73
Ома, возбуждается коаксиальным кабелем с волновым сопротивлением 75 Ом.
Симметрирующий мостик изготавливается из коаксиального кабеля 75 Ом (см. поз.5)
на рис.3.1. [2] Причем, в одной из половинок четвертьволнового мостика
центральная жила коаксиального кабеля не используется, что позволяет
использовать коаксиальный кабель с любым волновым сопротивлением. Единственное
требование которое необходимо выполнить - это соответствие диаметров основного
питающего кабеля и дополнительного кабеля, в котором не используется
центральная жила.
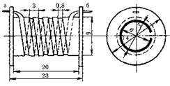
.1.3. Симметрирующий мостик
При изготовлении симметрирующего мостика важно сохранять постоянство
расстояния между обоими кабелями по всей длине. Образуется двухпроводная линия
с каким-то волновым сопротивлением. Чем меньше будет зазор между кабелями, тем
выше эффективность симметрирования. Если кабели расположены близко друг к
другу, то неизбежны потери в диэлектрике, если же расстояние между кабелями
большое, то потери связаны с излучением самой двухпроводной линии. Оптимальное
расстояние между центрами двух кабелей - три диаметра используемого кабеля.
Коэффициент укорочения кабеля в этом случае 0,92. В симметрирующем мостике ток
течет по внешней стороне экранирующей оплетки кабеля (в основном питающем
кабеле и по внутренней стороне экрана), поэтому в защитной полиэтиленовой
оболочке кабеля неизбежны потери в диэлектрике. Сопротивление потерь
определяется свойствами материала, из которого сделана защитная оболочка.
Потери в полиэтилене незначительны, но, если в него в качестве красителя
добавлена сажа газовая, то потери резко возрастают. В диапазоне коротких волн
этим можно пренебречь, но в УКВ диапазоне от 30 МГц и выше для симметрирующего
мостика следует применять кабель со светлой оболочкой - белый, серый или
светло-коричневый. Особое внимание следует уделять материалу, из которого
делаются диэлектрические распорки. Лучшим материалом является фторопласт. Он
обладает хорошими диэлектрическими свойствами, легко обрабатывается и позволяет
закрепить распорку (поз.1 на рис. 1.3.) за счет своей эластичности. Отверстие
под кабель сверлится чуть меньше диаметра кабеля, который в свою очередь с
натягом входит в это отверстие и перемычки могут хорошо держаться без
дополнительного крепления.
. 1.4. Симметрирующий мостик
Для удобства работы и настройки антенны с симметрирующим мостиком,
питающий кабель делается из четырех отрезков. Два отрезка идут на изготовление
симметрирующего мостика, третий отрезок, с учетом укорочения, дополняет длину
мостика до полуволны. Четвертый - может быть любой длины, но кратной полуволне.
Здесь следует понимать, что длина кабеля выбрана кратной полуволне не для того,
чтобы запитать антенну резонансным способом, а для проведения ее измерений и
настройки.
Суммируя рассуждения, увидим, что применение четвертьволнового
узкополосного симметрирующего устройства типа мостик, предоставляет
возможность[4]:
· провести симметрирование антенны;
· улучшить КСВн в рабочем диапазоне частот и расширить полосу
пропускания антенны;
· улучшить помехозащищенность
· устранить погрешность при измерении основных параметров.
В диапазоне УКВ симметрирующий четвертьволновый мостик изготавливают из
медных или алюминиевых трубок, в одну из которых пропускается кабель питания
антенны. Перемычка внизу мостика делается подвижной. Если необходимо
трансформировать сопротивление, то одна из трубок используется как внешняя
оболочка коаксиального тракта. Центральная жила выбирается и изготавливается
диаметром, необходимым для получения заданного волнового сопротивления, и
рассчитывается так же, как обычный четвертьволновый трансформатор. Таким
узкополосным симметрирующим устройством, как рассматриваемый мостик, наряду с
простыми антеннами, типа полуволновой симметричный диполь, можно симметрировать
многоэлементные квадраты и волновые каналы. Например, в многоэлементных
"волновых каналах" симметрирующий мостик, при достаточном количестве
изоляционных распорок, можно свернуть в рулон или провести вдоль бума поверх
трубы к рефлектору и петлей вернуться к мачте по нижней стороне трубы.
Расположение и крепление симметрирующего мостика разнообразно и зависит от
конструкции антенны. Единственное условие, которое следует выдерживать в данном
случае: мостик должен располагаться симметрично проводящим поверхностям и на
одинаковом расстоянии от них по всей своей длине.
В диапазоне выше 300 МГц лучше всего работает симметрирующее устройство
щелевого возбуждения, рис. 1.5. [5].
. 1.5. Cимметрирующее
устройство щелевого возбуждения
Широкополосные апериодические симметрирующие устройства, а также
широкополосные на ферритах, не позволяют компенсировать реактивную составляющую
антенны и не улучшают основных параметров антенны. Несколько конструкций таких
широкополосных симметрирующих устройств описаны в популярных справочниках для
радиолюбителей. Если внимательно приглядеться к широкополосному трансформатору,
то обнаруживается некоторое сходство с симметрирующим мостиком (см. рис. 1.6)
[6].
. 1.6.Симметрирующие устройства на ферритовых кольцах
Отличие в том, что они нерезонансные, и, имея большую индуктивность,
работают как дроссель. В домашних условиях трудно изготовить однородную
двухпроводную линию с постоянным по длине волновым сопротивлением. Для
изготовления широкополосного симметрирующего устройства на ферритовых кольцах
необходимо иметь широкий парк измерительных приборов, т.к. формулы для расчета
такой двухпроводной линии дают только приблизительные значения, и многое
зависит от конструктивного выполнения. Если антенна имеет входное сопротивление
50 или 75 Ом, вместо двухпроводной линии лучше применять коаксиальный кабель,
см. рис. 1.6.
Количество витков зависит от магнитной проницаемости применяемого
феррита. Индуктивность должна быть примерно 0,1 мкГн на метр диапазона.
Например, при полосе пропускания от 1 до 10 МГц, расчет производится для
частоты 1 МГц. 1 МГц соответствует длине волны 300 метров, индуктивность
оболочки должна быть 300 х 0,1 = 30 мкГн (не менее). Рассмотрим интересное
решение. При симметрировании антенны "двойной квадрат" в качестве
полотна антенны можно использовать коаксиальный кабель, что позволит
реализовать симметрирующее устройство в раскрыве антенны (см. рис. 1.7.) [6].
.1.7. Устройство типа "двойной-квадрат"
Квадрат выполнен из кабеля с волновым сопротивлением 75 Ом. По левой
стороне происходит запитка квадрата, с правой стороны используется только его
оплетка. Из левой половины квадрата центральная жила запаивается на оплетку
кабеля, правой половины квадрата. Внизу квадрата оплетки спаиваются вместе.
Внимательно приглядевшись, обнаруживается, что квадрат напоминает раздвинутый
симметрирующий мостик. При таком питании получается хорошая симметрия, но в
антенне присутствует большая реактивность 18... 20 Ом и входное сопротивление в
точке А составляет 63 Ома. Сам квадрат имеет сопротивление 110 Ом.
Трансформация происходит в кабеле в левой стороне квадрата. Но волновое
сопротивление кабеля отличается от волнового сопротивления квадрата и, если бы
мы запитали его кабелем 110 Ом, то в точке А сопротивление было бы 110 Oм. Если
к квадрату, имеющему входное сопротивление 63 Ома, поднести экран или
настроенный рефлектор, то входное сопротивление увеличится до 75 Ом. Точное
значение подбирается за счет расстояния между квадратами, как у обычного
"двойного квадрата". При использовании фидера из коаксиального кабеля
50 Ом, полотно антенны также делается из 50-омного кабеля. Компенсация
реактивности во входном сопротивлении делается в правой половине рамки
квадрата. Для этого изменяется ее запитка (см. рис. 1.8.) .
Puc. 1.8. Устройство типа "двойной-квадрат"
Отпаиваем центральную жилу кабеля с экрана правой стороны рамки и
спаиваем между собой центральные проводники левой и правой половинок рамки. На
расстоянии 0,24 с учетом укорочения в кабеле 0,66 обрываем центральную жилу в
правом кабеле. Создаем режим холостого хода (XX). Такая запитка позволит убрать
реактивность рамки, но при этом может сдвинуться резонансная частота самой
рамки. Если необходимо, чтобы центральная жила в антенне была закорочена, то
правую половину рамки подключают с режимом короткого замыкания (КЗ). Для этого
в правой стороне рамки центральную жилу замыкают на оплетку через расстояние
равное полуволне с учетом укорочения кабеля. Как в первом, так и во втором
случае, таким способом мы компенсируем реактивную составляющую во входном
сопротивлении антенны. Внизу, в точке нулевого потенциала, удобно поставить
коаксиальный тройник СР-75-193Ф. Правая сторона рамки, выполненная из двух
отрезков коаксиального кабеля, также собрана на коаксиальных соединителях -
двух СР-75-154Ф и одном СР-75-155П. В правой стороне рамки, в месте соединения
с тройником, у коаксиального соединителя не ставится центральный штырь для
того, чтобы центральный проводник кабеля не имел контакта с центральным
проводником коаксиального тройника - подключена только одна оплетка. В тех
местах кабеля, в зависимости от возбуждения запитки, где нужно сделать КЗ или
XX, короткое замыкание или обрыв делаются в коаксиальных соединителях.
Рассмотренное симметрирование удобно применять в антеннах: одиночный квадрат,
при работе на НЧ диапазонах, так как симметрирующий мостик будет иметь большую
длину. Входное сопротивление одиночной рамки при таком способе запитки
находится в пределах 46 ... 63 Ом, в зависимости от высоты подвеса рамки над
землей. Изменяя высоту подвеса рамки над землей можно согласовать антенну с
50-омным трактом. Рамка может быть любой симметричной формы в виде квадрата,
ромба, многоугольника, круга или треугольника. Единственное условие - точка
нулевого потенциала, иначе, точка подключения фидера питания должна быть
симметрична сторонам рамки.
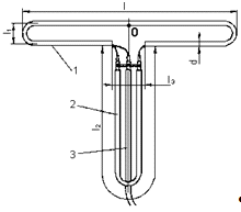
Синхронизирующе-согласующее устройство типа волновое U-колено.
Рис. 1.9. Синхронизирующе-согласующее устройство типа волновое U-колено 1
и 4-вибраторы; 2-перемычка; 3-кабель снижения; 5-отрезок трубы.
Широко распространено также ССУ типа волновое U-колено (рис. 1.9.). В
этом устройстве в качестве согласующего трансформатора применен
четвертьволновый отрезок коаксиального кабеля, а удлинение одной ветви на
отрезок равный полуволне, изменяет фазу тока, питающего вторую половину
вибратора антенны. Размеры U-колена определяются по формулам [7]:
(1.3)
где h -средняя длина волны; п - коэффициент укорочения,
который для кабелей типа РК-75-4 равен 1,52. Для петлевого вибратора чаще всего
используется ССУ типа полуволновое U-колено из коаксиального кабеля с волновым
сопротивлением 75 Ом, которое может быть использовано для приема как метровых,
так и дециметровых волн. Как видно из рисунка, зажимы петлевого вибратора
соединены между собой полуволновым отрезком коаксиального кабеля 2, а
несимметричный кабель 3 присоединен к одному из зажимов вибратора. Вследствие
того, что электрическая длина петли 2 равна полуволне, ток правой половины
вибратора изменит свое направление на противоположное и, следовательно, токи
обеих половин вибратора в точке присоединения центральной жилы кабеля имеют
одинаковую фазу и складываются.
Рис. 1.10. Симметрирующе-согласующее устройство типа полуволновое
U-колено
Симметрия токов в каждом плече вибратора сохранится. Для метровых каналов
l1= 50...80 мм, l3 =50...80 мм, a d = 10...20 мм.
Длина U-колена определяется соотношением:
(1.4)
где: h - средняя длина волны,
п -
коэффициент укорочения, который для кабелей типа РК-75-4 равен 1,52.
Рабочая полоса ССУ типа полуволновое U-колено составляет +20% от средней
частоты. Размеры U-колена для метровых каналов, изготовленного из кабеля со
сплошной полиэтиленовой изоляцией (РК-75) приведены в таблице 1.1.
Таблица 1.1. Длина кабеля ССУ типа полуволновое U-колено [7].
|
Номер канала
|
1
|
2
|
3
|
4
|
5
|
6
|
7
|
8
|
9
|
10
|
11
|
12
|
|
Длина, мм
|
1880
|
1600
|
1240
|
1120
|
1030
|
560
|
530
|
510
|
490
|
470
|
455
|
440
|
Симметрирующее устройство в виде трансформатора представлено на рисунке
1.11.
Рис. 1.11. Симметрирующее устройство в виде трансформатора
Первичная обмотка трансформатора одним концом соединена с оболочкой
(экраном) коаксиального кабеля, а вторым - с центральным проводом коаксиала;
середина вторичной обмотки соединяется с экраном, а концы ее - с проводами
симметричной системы (линии). Между обмотками устанавливается
электростатический экран.
Схемы малогабаритных широкодиапазонных ССУ метрового диапазона волн
показаны на рис. 1.12. и 1.13. Это наиболее эффективные устройства, которые
применяются в широкополосных антеннах всех типов, включая и комнатные.
|
|
Рис. 1.12. ССУ на основе
высокочастотных трансформаторов на ферритовых кольцах
|
Устройство на рис. 1.12. состоит из двух высокочастотных трансформаторов.
Катушки трансформаторов наматываются на кольца из термостабильных
никель-цинковых ферритов марки м50 ВН-14 К7х4х2. Намотка согласная рядовая в
два провода ПЭТВ-2 диаметром 0, 21 мм. Каждая катушка содержит по восемь
витков. Начала обмоток обозначены на рисунке точками.
|
|
Рис. 1.13. ССУ на основе
воздушных трансформаторов
|
В устройстве на рис. 1.13. катушки трансформаторов наматываются согласно
в два провода на диэлектрических каркасах проводом ПЭТВ-2 диаметром 0, 33 мм.
Число витков каждой катушки 10х2, диаметр намотки 6 мм.
В дециметровом диапазоне волн в основном используется ССУ типа
полуволновое U-колено (рис. 1.9.), а также ССУ, показанное на рис. 1.14.
Рис. 1.14. Подключение ССУ на основе полосковой линии
Это устройство представляет собой свернутую в спираль полуволновую
полосковую линию, центральным проводником которой служит лента, намотанная на
каркас из полистирола или органического стекла, а земляным проводником -
латунная трубка с узкой продольной щелью. Конструкция его показана на рис.
1.15. Устройство может быть использовано в полутора двукратной полосе частот.

Рис. 1.16. Дроссельное симметрирующее устройство (типа
"четвертьволновой стакан")
Симметрирующее устройство дроссельного типа показано на рис. 1.16. Его
называют также "четвертьволновый стакан". Здесь металлический цилиндр
("стакан") длиной в четверть волны охватывает внешнюю оболочку
коаксиального кабеля и припаян к ней с нижней стороны. Внешняя часть цилиндра
соединяется с экраном двухпроводной экранированной линии.
Сопротивление нагрузки для коаксиальной линии при точной настройке
"стакана" остается примерно равным входному сопротивлению
симметричной линии в точках присоединения к коаксиальной линии.
.3 Модели широкополосных симметрирующих трансформаторов
Эффективная техника анализа позволяет создать лучшие симметрирующие
трансформаторы [8]. Это приводит не только к улучшенным симметрирующим
трансформаторам, но также обеспечивает простой метод анализа эффектов влияния
земли.
Этот подход к анализу симметрирующих трансформаторов на связных линиях
привел к проектированию широкополосного симметрирующего трансформатора, с
развязкой больее чем 10 децибелов на частотах от 2 до 18 ГГц, и относительно
легкому методу анализа эффекта влияния земли на симметрирующий трансформатор.
Используя обычный подход к проектированию симметрирующего трансформатора,
невозможно проанализировать действие, вызванное емкостями на землю.
Реализация данного подхода базируется на обычной структуре связных линий.
Заканчивая один из зажимов связных линий и, устремляя импеданс четного способа
возбуждения Zoe в бесконечность, получаем
широкополосный симметрирующий трансформатор, проектирование которого теперь
зависит только от импеданса нечетного способа возбуждения связных линий, Zoo. Далее будет показано, что оптимальное
решение находится, когда
(1.5)
Сравнение методов
Используя обычный подход, проектирования микроволнового симметрии-рующего
трансформатора состоит из мокрополосковых линий (рис. 1.17.a) подобно
проектированию коаксиального симметрирующего трансформатора (рис. 1.17.b), в
котором характеристический импеданс коаксиального кабеля равен
(1.6)
Рис. 1.17. Конструкция микроволнового трансформатора
Рис. 1.18. Конструкция микрополоскового трансформатора
Для 50-Ом на выходных зажимах, Zc =70,7 Ом; для 25 Ом, Zc =
50 Ом.
Симметрирующие трансформаторы такого типа могут обеспечить разделение
сигнала и преобразование импеданса, что делает их полезными в усилителях
напряжения. Они также используются в модуляторах, и датчиках фазы, где входной
сигнал делится на два сигнала, разность фаз между которыми составляет 180
градусов.
Анализ обеих конфигураций предполагает, что нет никакого влияния земли,
на участке в четверть длинны волны на центральной частоте. В практическом
применении, однако, на данную конструкцию часто оказывает влияние земля, этот
эффект иногда не может быть проигнорирован. Действие, вызванное, влиянием земли
следует предугадывать интуитивно.
Предложенный подход к проектированию симметрирующего трансформатора
начинается с пары связных линий равной ширины, w, и длины четверти волны на
центральной частоте, (рис. 1.18.). Связные линии могут быть характеризованы
импедансами четного и нечетного способов возбуждения:
(1.7)
(1.8)
= характеристический импеданс связных линий,
= коэффициент связи по напряжению.
Двойные линии равной ширины также могут быть описаны матрицей
проводимости:
(1.9)

,(1.10)

,(1.11)

,(1.12)

.(1.13)
И Yoe = 1/Zoe и Yoo =
1/Zoo - проводимости четного и нечетного
возбуждения, соответственно, и θ = 90 градусов на центральной частоте.
При θ =90 градусов, матрица проводимости может быть далее упрощена.
,(1.14)
,(1.15)

, (1.16)

.(1.17)
Первый шаг в процедуре предполагает, при закорачивании зажима 2 на
землю(то есть, v2=0) определяет выражения для преобразования напряжения от
входа 1 к выходу 3, и от входа 1 к выходу 4. В этом случае, i4
=-Yov4, со знаком минус, показывающим, что ток,
проходящий, через выходной зажим является положительным. Параметр
определяющий преобразование
напряжения от входа 1 к выходу 3 двух портов может быть получен на основе
матрицы Y.
(1.18)
S41 определяющий преобразование
напряжения, от входа 1 к выходу 4 с зажимом 2 закороченным на землю, получен
аналогично.
(1.19)
Интересно отметить, что при электрической длине связных линий передачи
θ = 90 градусов
(1.20)
это означает, что разность фаз между
и
составляет 180 градусов.
Необходимые условия
Устройство будет являться симметрирующим трансформатором если
и
. Эти условия могут быть выполнены,
если Yoe =0 , что означает отсутствие влияния
земли на связные линии передачи. Это можно увидеть, обратясь к четному и
нечетному способу возбуждения связных линий.
Рис. 1.19. Четный и нечетный способ возбуждения связных линий
С учетом Yoe=0, условие для идеального симметрирующего устройства
выглядит следующим образом:
(1.21)
(1.22)
Для симметрирующего трансформатора, состоящего из связных линий, это
условие означает, что ширина связных линий должна быть такой, что W/(H/2) соответствовало Zo/√2 или 35.35 Ом, так как
середина связных линий - мнимая земля (рис. 1.20.).
Рис. 1.20. Мнимая земля на связных линиях
Потеря возвращения симметрирующего трансформатора, разработанного
предложенным методом, были рассчитаны Zoe=10.000 Ом (то есть, Yoe = 0,0001) и для семи значений Zoo между 20 и 50 ОМ. Полоса пропускания
была 2 - 18 ГГц с центральной частотой 10 ГГц. Оптимальное решение было
получено при Zoe = 35 Ом, где потеря возвращения
больше чем 10дБ для всей пропускной полосы (рис. 1.21.).
Рис. 1.21. Потеря возращения симметрирующего трансформатора при разных
значениях Zoo
Изменение коэффициента усиления на 0.5 децибелов и изменение фазовой
характеристики на 3 градуса на полосе пропускания более чем 2-18 ГГц. (рис.
1.22.).
Рис.1.22. График зависимости изменение коэффициента усиления и изменение
фазовой характеристики от частоты
Используя новый подход, эффекты влияния земли на работе симметрирующего
трансформатора можно легко учесть включением в анализ конечного импеданса
четного способа возбуждения. Для рассматриваемого симметрирующего
трансформатора Zoe изменялось от
10 000 до 500 Ом. Разность фаз (в отличие от идеальных 180 градусов) и
амплитуды входных сигналов видны из рисунка (рис. 1.23. и 1.24.).
Рис. 1.23. Разность фаз в зависимости от частоты
Рис.1.24. Амплитуды входных сигналов при разных значениях Zoe
Очевидно, существенное отличие амплитуд может наблюдаться, если эффект
влияния земли не принят во внимание.
Достижение оптимального импеданса.
При оптимальном проектировании симметрирующего трансформатора необходимо
использовать тонкий материал основания с высокой диэлектрической постоянной.
Оптимальный импеданс нечетного возбуждения Zoe =35 Ом тогда может быть достигнут с наименьшей
шириной линий передачи, w.