|
Навантажувальне
коло
|
Допустимий
коефіцієнт пульсації, %
|
|
Мікрофон
|
10-5
|
|
Вхідні
кола магнітофонів
|
10-5…
10-3
|
|
Генератори
стирання та підмагнічування
|
0,1…0,5
|
|
Генератори
задавальні ультразвукові
|
10-4…3∙10-3
|
|
Підсилювачі
звукової частоти
|
5∙10-2…
10-1
|
|
Радіо
та телевізійні приймачі
|
0,1….1
|
|
Потужні
каскади двотактних підсилювачів
|
0,5…3
|
|
Транзисторний
стабілізатор напруги (на вході)
|
2…10
|
|
Ксенонові
лампи
|
3…25
|
Згладжувальні фільтри призначені для послаблення
змінного складника випрямленої напруги, тобто забезпечення заданого коефіцієнта
пульсації.
Коефіцієнт пульсації характеризує напругу - на
вході та виході фільтра. Його можна визначити окремо для кожної гармоніки:
, (4.1)
де q - номер гармоніки; зазвичай для першої гармоніки; в
подальшому змінний складник напруги означаємо -
, або
, (4.1а)
де
- подвійне значення змінного складника
випрямленної напруги (peak-to-peak), наприклад для пилоподібної напруги на
конденсаторі після випрямляча.
Характеристики ЗФ:
. Коефіцієнт згладжування пульсацій характеризує фільтр, тобто
передавання фільтром як змінного, так і сталого складників напруги:
. (4.2)
. Коефіцієнт фільтрації характеризує степінь ослаблення фільтром
змінного складника напруги:
. (4.3)
. Коефіцієнт ослаблення номінального значення сталої напруги (див.
розд. 1):
. (4.4)
Тобто,
. (4.2а)
Згладжувальний фільтр виконуватиме функцію послаблення змінного
складника випрямленої напруги, якщо виконані співвідношення: kф
>> 1, λном → 1.
Узагальнено згладжувальний фільтр - це дільник напруги з різними
коефіцієнтами передачі для сталого та змінного складників напруги зі входу на
вихід (рис. 4.1).
Рисунок 4.1 - Узагальнена схема згладжувального фільтра: а -
еквівалентна схема; б - часові діаграми напруг на вході та на виході фільтра
Для узагальненого фільтра коефіцієнт фільтрації можна визначити
таким чином (за умови нехтування активним складником імпедансу
):
, (4.5)
(4.5а)
Із урахуванням нерівності
, для імпедансів Z1 та Z2 можемо записати
співвідношення:
|Z1| >> |Z2 | (4.6)
Фільтри розрізняють за елементною базою, яку застосовують у
фільтрі, типом з’єднання елементів та кількістю ланок. Фільтри, що складають з
R, L та C елементів, називають пасивними, а якщо до їх складу входять
електронні лампи або транзистори - називають активними. Активні фільтри є трьох
типів:
– ФЕ - навантажувальне коло в колі емітера;
– ФК - навантажувальне коло в колі
колектора;
– ФШ - транзистор підключено паралельно до
навантажувального кола.
Фільтри можуть бути одно - та багатоланковими,
але зазвичай більше трьох ланок не застосовують. Складники багатоланкового
фільтру можуть бути різними: одна з ланок може бути активною, інша - пасивною.
Детальнішу класифікацію фільтрів наведено на рис. 4.2.
Рисунок 4.2 - Класифікація згладжувальних фільтрів
Для багатоланкових фільтрів за однакових компонентів
коефіціент фільтрації дорівнює:
(4.7)
Одноланкові фільтри застосовують якщо
, дволанкові - за
, а триланкові за
.
2. Пасивні згладжувальні фільтри
2.1 Однокаскадні згладжувальні фільтри з R, L та C елементами
Ємнісний фільтр
Фільтр, що зображено на рис. 4.3, називають ємнісним, проте його
можна вважати RC-фільтром із урахуванням, що реальний випрямляч характеризує
опір фази:
, (4.8)
. (4.8а)
де r в - опір вентилів,трII - опір вторинної обмотки
трансформатора,трI - опір первинної обмотки трансформатора,М
- опір мережі,´тр1 - опір первинної обмотки трансформатора,
зведений до вторинної,II - кількість витків вторинної обмотки
трансформатора,I - кількість витків первинної обмотки
трансформатора.
Цей фільтр завжди розраховують разом з випрямлячем за ємнісного
характеру навантаження.
Специфіка обумовлена тим фактом, що заряджений конденсатор зміщує
вольт-амперну характеристику струму на значення напруги Uн, що
призводить до обмеження часу замкненого стану випрямного діода до, так званого,
відсікання фазового струму (див. розділ 3).
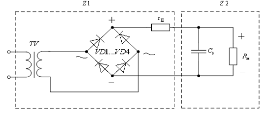
Рисунок 4.3 - Схема електрична принципова ємнісного фільтра з
мостовим однофазним випрямлячем
Коефіцієнт пульсацій на вході будь-якого фільтра за наявності
ємісного елемента C0 залежить від значення C, rII, Rн,
і дорівнює орієнтовно 3..12%. Рекомендовано застосовувати ємнісний фільтр або
більш складний фільтр, у якого першим після випрямляча елементом є конденсатор,
за умови орієнтовно
.
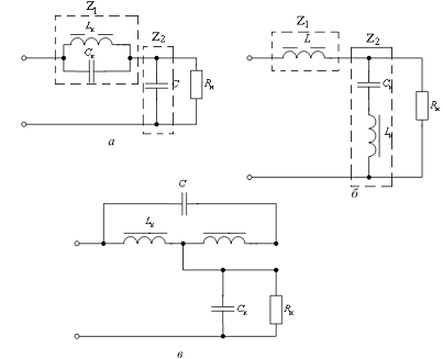
Електричну принципову схему RC-фільтра наведено на рис. 4.4
Рисунок 4.4 - Схема електрична принципова RC-фільтра
Визначають значення ємності Сф із урахуванням умову xc<<Rн.
Тоді коефіцієнти kф та λном для цього фільтра:
; (4.9)
де
;
. (4.10)
Такі фільтри ефективно використовувати, якщо сила струма
навантаження мала (міліампери, десятки міліампер), а напруги великі. Вважають
прийнятним, якщо падіння напруги на RФ не перевищує 20% від значення
напруги навантажувального кола, тобто
ф ≤
0.2Rн. (4.11)
Індуктивний (L) фільтр, індуктивно-ємнісний (LC) фільтр
Ці фільтри застосовують за умови малих значень опорів (одиниці ом)
навантажувального кола (рис. 4.5).
Рисунок 4.5 - Схеми електричні принципові індуктивних фільтрів
типу: а - L; б - LC
Коефіцієнти
та
для індуктивного фільтра визначають за формулами:
; (4.12)
, (4.13)
де
- активний опір обмотки дроселя.
аналогічно (4.13).
Для LC-фільтра, якщо xc << Rн, тоді
коефіцієнти kф та λном визначають за формулами:
; (4.14)
Нагадаємо, що LC-фільтр для випрямляча формує змішаний характер
навантаження. Він - індуктивний, що є важливим для визначення
, якщо значення індуктивності дроселя
перевищує мінімально допустиме (в сенсі визначення характеру навантаження
випрямляча див. розділ 3).
. (4.15)
П-подібний CLC-фільтр
Одним із фільтрів, що найчастіше застосовують у радіоелектронній
апаратурі, є LC-фільтр з конденсатором С0 - тобто CLC-фільтр, або
П-подібний фільтр, який зображено на рис. 4.6 (за означенням в закордонній
літературі - фільтр типу
).
Рисунок 4.6 - Схема СLC-фільтра (П-подібного фільтра)
Нагадаємо, що для П-подібного фільтра конденсатор
розраховують водночас із випрямлячем; LC
ланку, як означено вище - (4.13); (4.14); (4.15).
Співвідношення між параметрами Rн та
визначає формула:
,
де n=5…10.
Більш детально стосовно визначення
див. розділ 3.
2.2 Особливості роботи дроселя фільтра
Немагнітний проміжок
Оскільки дросель застосовують як елемент
в згладжувальних фільтрах, з'ясуємо
особливості його функціонування.
Основна особливість роботи дроселя ЗФ у колі випрямленого струму
полягає в тому, що магнітопровід дроселя намагнічує одночасно як постійний, так
і змінний складники струму. Якщо не передбачити спеціальні заходи під час
проектування дроселя, то підмагнічування постійним струмом (внаслідок зміщення
робочої точки
в наближену або безпосередньо - зону
насичення магнітопроводу - із
в
) призведе до зменшення дифференційної
(динамічної) магнітної проникності
та як наслідки - індуктивності дроселя й коефіцієнта фільтрації
ЗФ.
Щоб запобігти цьому, магнітопровід дроселя виготовляють з
немагнітним проміжком (немагнітним зазором) певної ширини.
Рисунок 4.7 − До ілюстрації процесів в магнітопроводі
дроселя ЗФ
Режим роботи магнітного кола дроселя без немагнітного зазору в
магнітопроводі показано на рис. 4.7, де
- напруженості магнітного поля, створюваного постійним складником
випрямленого струму;
- змінні складники напруженості
магнітного поля;
- змінні складники магнітної індукції.
Якщо рівні сталої напруженості магнітного поля (H0)
малі, то робоча точка дроселя розташована на ділянці петлі гістерезису, далекій
від насичення, де значення динамічної магнітної проникності магнітопроводу
велике, отже, й велика індуктивність
дроселя
(4.16)
де w, Sмп, lмп - кількість витків, переріз
магнетопроводу та довжина середньої лінії осердя.
Змінення
від Н за різних значень немагнітного
проміжку (рис. 4.8б).
Однак оскільки дросель фільтра працює звичайно за умови H0>>H~,
динамічна проникність магнітопроводу знижується:
та
. Саме тому на ділянці петлі гістерезису,
близькій до області насичення магнітопроводу, дросель має малу індуктивність і
не може забезпечити високих значень коефіцієнта фільтрації ЗФ.
Зауважимо, що збільшення площі перемагнічування свідчить також про
зростання втрат на гістерезіис. Якщо ввести в магнітопровід немагнітний
проміжок шириною δ, крива
намагнічування зміщується в напрямі підвищення напруженості магнітного поля. Зі
збільшенням проміжку δ крутизна
ділянки ненасиченої частини кривої намагнічування зменшується, а значення
напруженості магнітного поля, за якої настає насичення, зростає (див. рис. 4.8
а).
Для заданого значення напруженості магнітного поля Н0
найбільшу крутизну кривої намагнічування спостерігають за певного
(оптимального) проміжку:
, (4.17)
де
- сила струму підмагнічування, тобто навантажувального кола;
- значення
індукції, що спричинена дією електромагнітної сили
Рисунок 4.8 - До ілюстрації впливу немагнітного проміжку на
характеристики магнітопроводу
Проаналізуємо принцип формування фільтрів із урахуванням
властивостей резонансних контурів.
Дросель з компенсаційною обмоткою
Доволі ефективним є застосування у згладжувальних фільтрах
компенсаційної обмотки (дросель типу Д), рис. 4.9, обмотка
- основна,
- компенсаційна.
Рисунок 4.9 - Застосування дроселя з компенсаційною обмоткою у
згладжувальних фільтрах
Обмотки
та
необхідно вмикати так, щоб складники змінної напруги на них були
у протифазі та компенсували одна одну. Тоді за ідеальних умов можна досягти,
щоб напруга пульсації в навантажувальному колі
. В реальних умовах застосування компенсаційної обмотки призводить
до зменшення коефіцієнта пульсації в 2..3 рази. Під час застосування
уніфікованих дроселів компенсаційну обмотку слід вмикати лише в останній ланці
фільтра. За такого ввімкнення першими ланками відфільтровано більшість вищих
гармонік, і на вхід дроселя з компенсаційною обмоткою прикладена майже
синусоїдна напруга змінного складника. За таких умов компенсувальний вплив
обмотки
буде вельми ефективним.
Кількість витків компенсаційної обмотки визначають за формулою:
. (4.16)
Компенсаційна обмотка має декілька виводів, щоб налаштувати кращу
компенсацію.
2.3 Резонансні фільтри
Для зменшення коефіцієнта пульсацій на певних (резонансних)
частотах у згладжувальних фільтрах застосовують резонансні контури (рис. 4.10).
Параметри резонансних контурів обирають так, щоб резонансна частота співпадала
з частотою, на якій необхідно зменшити коефіцієнт пульсацій (частотою пульсації).
Рисунок 4.10 - Схеми резонансних контурів та характеристики
імпедансів, відповідно
Наведемо приклади згладжувальних фільтрів, сформовані на основі
резонансних контурів.
На частоті резонансу опір контура (рис. 4.10а) досягає
максимального значення (рис. 4.10в):
, (4.19)
де rк - власний активний опір контуру.
Коефіцієнт фільтрації фільтра з паралельним контуром, який
застосовано як елемент Z1 (рис. 4.11а) на резонансній частоті дорівнює:
. (4.20)
Послідовний контур (рис. 4.10б) на резонансній частоті має дуже
малий опір (рис. 4.10 г.), що дорівнює rк. Вважатимемо, що провідність 1/Rн
настільки мала, що у порівнянні з 1/rк нею можна знехтувати.
Рисунок 4.11 - Схеми електричні пинципові фільтрів: а - з
паралельним контуром; б - з послідовним контуром (режекторний фільтр); в-з
паралельним контуром та автотрансформаторним увімкненням конденсатора
Тоді коефіцієнт фільтрації фільтра з послідовним контуром (рис.
4.11б) на частоті резонансу визначають як:
. (4.21)
Цей фільтр доцільно застосовувати, якщо значення
мале, тобто за великих значень сили
струму та низьких напруг.
Порівняємо значення індуктивностей резонансного (рис. 4.11а) та
індуктивно-ємнісного (рис. 4.6) фільтрів. Якщо ємності конденсаторів фільтра
однакові, вони забезпечують однаковий коефіцієнт фільтрації, за значенням:
. (4.22)
Оскільки значення rк зазвичай близько декілька десятих
або одиниць ом, а mплωм - декілька сотень (якщо fм=50 (60) Гц) або тисяч (якщо
fм=400 Гц) рад/с, то з щойно записаного рівняння випливає, що
індуктивність резонансного фільтра має бути менше, ніж індуктивно-ємнісного в
десятки разів.
Зазвичай значення змінного складника напруги на дроселі
паралельного контури значно менше допустимого для конденсаторів Cк.
Тому доцільно їх вмикати за автотранформаторною схемою (рис. 4.11в), де
індуктивність дроселя визначають за (4.19), а еквівалентну ємність -
співвідношенням:
. (4.23)
За таких умов ємність конденсатора (й відповідно його розміри)
може бути суттєво зменшена, а збільшення кількості витків дросселя на його
розміри практично не впливає, бо струм навантажувального кола через w2 не
протікає.
Суттєві переваги резонансних фільтрів можуть бути реалізовані лише
за умови стабільності частоти мережі та незмінному значенні сили
навантажувального струму, інакше частота першої гармоніки випрямленої напруги
буде відрізнятися від резонансної, що призведе до погіршення фільтрації.
Недоліки LC-фільтрів:
– із зростанням сили струму у навантажувальному колі,
внаслідок того, що енергоємність дроселя пропорційна квадрату сили струму
, габарити дроселя стрімко зростають;
– внаслідок наявності немагнітного проміжку в
магнітопроводі дроселя (див. 4.2.2), виникає потік розсіювання, що є причиною
електромагнітних завад;
– коло утворено реактивними елементами, тому
перехідні процеси можуть спричинити явища перенапруги та перенавантаження за
струмом;
– внаслідок необхідності застосовувати в
магнітопроводі дроселя немагнітного проміжку значення магнітної проникності
зменшено, що спричинює зменшення індуктивності;
– резонансні фільтри не доцільно застосовувати за
умов, якщо можливі змінення навантажувального струму або частоти електромережі.
Деякі недоліки фльтрів з реактивними компонентами
відсутні в активних згладжувальних фільтрах.
3. Активні згладжувальні
фільтри
.1 Засади застосування
транзисторів у згладжувальних фільтрах
Замість послідовного елемента в колі згладжувального
фільтра можна застосовувати транзистор за умови, що робоча точка визначена на
нелінійній ділянці вихідної характеристики, де диференційний опір
набагато більший за статичний
в будь якій точці на робочій ділянці (рис.
4.12).
Рисунок 4.12 - Вихідна характеристика біполярного транзистора
Для подальшого аналізу застосуємо Т-подібну еквівалентну схему,
заміщення біполярного транзистора, оскільки вона є придатною для аналізу
процесів на низьких та середніх частот.
Еквівалентну Т-подібну схему біполярного транзистора для змінного
складника струму наведено на рис. 4.13
Рисунок 4.13 - Еквівалентна Т-подібна схема біполярного
транзистора для змінного складника струму
Параметри цієї еквівалентної схеми відповідають фізичним
параметрам транзистора:
- опір колекторного переходу,
- об'ємний опір бази,
- опір емітерного переходу,
- залежне джерело напруги в колі колектора
(кероване струмом). Чисельні значення цих опорів задовольняють нерівність:




. (4.24)
Опір
обчислюють за формулою:
, (4.25)
або для (температури навколишнього середовища=17 °С):
(4.25а)
де k - стала Больцмана,
Дж/К- абсолютна температура 290К (17оС);- заряд
електрона
Кл.
Залежність між опорами
та
визначає співвідношення:
(4.26)
Із зростанням сили струму через колекторний перехід опір
колекторного переходу зменшується. Орієнтовні дані цієї залежності наведено в
таблиці 4.2.
Таблиця 4.2 - Орієнтовні дані значення опору колекторного
переходу.
|
ік,
мА
|
1
|
10
|
100
|
1000
|
|
, кОм10310010…202…5
|
|
|
|
|
Залежно від місця ввімкнення навантажувального кола, транзисторні
фільтри поділяють на: ФК (навантага у колі колектора), ФЕ (навантага у колі
емітера) та можливе також ввімкнення транзистора паралельно навантажувальному
колу - ФШ. Принциповою властивістю всіх транзисторних фільтрів є необхідність
виконання умови, що амплітуда змінного складника вхідної напруги суттєво менша
за середнє значення вхідної напруги
. Це пояснює рисунок 4.12.
У згладжувальних фільтрах й далі в стабілізаторах та інверторах
застосовують транзистори за різними схемами ввімкнення: із спільними
колектором, - базою, - емітером та - інверсну із спільною базою - рис. 4.14.
Нагадаємо основні властивості таких сполучень (слово спільний стосується кіл
сигналу та навантаги).
Рисунок 4.14 - Пояснення до понять «схема ввімкнення транзистора»
із: а - спільним колектором, б - спільною базою, в - спільним емітером, г -
інверсна із спільною базою
Коефіцієнт підсилення за напругою
, малий вихідний опір:
, великий вихідний опір:
.
спільна база (рис. 4.14, б):
Коефіцієнт підсилення - декілька десятків, вхідний опір - малий,
вихідний великий.
спільний емітер (рис. 4.14, в):
Коефіцієнт підсилення - декілька десятків, вхідний опір середній.
спільна база - інверсна (рис. 4.14, г):
Поняття «коефіцієнт підсилення» є недоречним, бо сигнал на виході
значно менший ніж на вході (
), вихідний опір - малий, тому така схема ввімкнення транзисторів
є характерна для лінійних транзисторних стабілізаторів напруги (див. розділ 5).
Почнемо вивчення активних згладжувальних фільтрів із фільтра типу
ФЕ.
3.2 Фільтри типу ФЕ
Базова схема ФЕ
Схему згладжувального фільтра типу ФЕ наведено на рис. 4.15.
Рисунок 4.15 - Електрична принципова схема фільтра типу ФЕ
Фільтри типу ФЕ сформовано на основі емітерного повторювача (схема
ввімкнення транзистора із спільним колектором). Емітерний повторювач у фільтрі
має дві важливі переваги: його вхідний опір менший, ніж для інших схем
ввімкнення транзистора, орієнтовно від десятих до одиниць ом. Окрім того, за
автоматичного зміщення на базу вплив змінення температури навколишнього
середовища та зміни транзисторів на режим роботи фільтра менший.
Транзисторний фільтр типу ФЕ можна вважати RС-фільтром (коло Rб
- Сб), в якому фільтрацію з навантажувального кола (з великою силою
струму) перенесено у коло бази (з малою силою струму), тому значення Rб більше
порівняно із звичайним RС-фільтром в
раз.
(4.27)
Конденсатор СН з міркувань щодо забезпечення фільтрації
не потрібен, але ці конденсатори застосовують для:
– усунення кола
зворотного зв'язку, тобто − усунення самозбудження фільтра;
– забезпечення
залежності змінення вихідного опору від частоти навантажувального струму (див.
розділ 5).
Коефіцієнт фільтрації
такого фільтра:
Коефіцієнт ослаблення сталої напруги:
(4.29)
Значення напруги
визначають за характеристикою ік = f(ике)
- рис. 4.12
Робочу точку обирають за умовою мінімальної напруги на
транзисторі:
(4.30)
, (4.30а)
де Uке.нас - напруга насичення транзистораm.пл
- амплітуда напруги пульсацій на виході фільтра (див. рис. 4.12).
Список літератури
1. Основи теорії скритності: навчальний посібник для
студентів спеціальності 200700 «Радіотехніка» денної форми навчання /
Черкаський національний технічний університет; Сост.З.М. Канівський, В.П.
Литвиненко, Г.В. Макаров, Д.А. Максимов; під редакцією З.М. Канівського.
Воронеж, 2006. 202 с.
. Методичні вказівки до лабораторних робіт «Дослідження
алгоритмів пошуку» з дисципліни «Основи теорії скритності» для студентів
спеціальності 200700 «Радіотехніка» денної форм7 навчання / Воронезький
державний технічний університет; сост. З.М. Канівський, В.П. Литвиненко.
Воронеж, 2007.54 с.
. СТП ВДТУ 005-2007. Курсове проектування. Організація,
порядок, оформлення розрахунково-пояснювальної записки та графічної частини.
. Габидулин Э.М., Афанасьев В.Б. Кодирование в
радиоэлектронике. - М.: Радио и связь, 1986. - 176 с
. Блох Э.Л., Зяблов В.В. Обобщенные каскадные коды - М.:
Связь, 1976. ~ 237 с.
. Помехоустойчивость и эффективность систем передачи
информации / Зюко А.Г., Фалько А.И., Панфилов И.П. и др.; под ред. Зюко А.Г. -
М.: Радио и связь, 1985. - 272 с.
. Зяблов В.В. и др. Высокоскоростная передача сообщений в
реальных каналах / Зяблов В.В., 9. 8. Коробков Д.Л., Портной СЛ. - М.: Радио и
связь, 1991. - 228 с
. Овчинников А.М., Воробьев СВ., Сергеев СИ. Открытые
стандарты цифровой транкинговой связи. - М.: МЦНТИ - Международный центр
научной и технической информации, ООО «Мобильные коммуникации», 2000. - 166 с.
. Защищенные радиосистемы цифровой передачи информации.
Сердюков П.Н., Бельчиков А.В., Дронов А.Е., Волков С. С, Григорьев А.С. - М.:
ООО «Издательство АСТ-Москва», 2005. - 500 с.
. Сердюков П.Н., Зорин В.И., Бельчиков А.В, Лаврентьев А.И. Современные
радиомодемы передачи данных. Краткий обзор // Специальная техника. - 2003. №5.
- с. 34-39.
. Бабков В.Ю., Вознюк М.А., Петраков В.А., Рыжков
А.Е., Сивере М.А. Передача информации в системах подвижной связи. -
Санкт-Петербург: СПбГУТ, 1999. 280 с.
. Волобуев СВ. Безопасность социотехнических
систем. Обнинск: «Викинг», 2000. - 340 с.