Генератор гармонических колебаний RC-типа с мощным выходным каскадом
Реферат
Курсовой проект содержит страниц, рисунков, таблиц, источников,
приложений, л. графического материала.
Разработан избирательный усилитель с мощным выходным каскадом с полосой
частот 3
, выходной мощностью
сопротивлением нагрузки
Проведено испытание избирательного
усилителя (протокол испытаний прилагается).
Курсовой проект выполнен с использованием текстового редактора Microsoft Office Word 2010, схемы электрические sPlan 4.0. Исследование характеристик RC-генератора проводилось с помощью MicroCap 7.1.0.
Содержание
1. Обзор литературы по теме
1.1 Основные технические показатели и схемные решения
.2 Классификация выходных усилителей мощности
1.3 Схемотехнические решения мощных усилительных каскадов
. Выбор электрической схемы электронного устройства и её
описание
. Расчёт и выбор элементов схемы электронного устройства
.1 Расчет усилителя мощности
3.2 Расчёт избирательного усилителя
.3 Расчет мощностей резисторов
4. Описание методики испытания электронного устройства
Заключение
Список литературы
Приложение
Введение
Значительный прогресс в развитии многих областей науки и техники
обусловлен развитием электроники. В настоящее время невозможно найти какую-либо
отрасль промышленности, в которой не использовались бы электронные приборы или
электронные устройства измерительной техники, автоматики и вычислительной
техники. Причем тенденция развития такова, что доля электронных информационных
устройств и устройств автоматики непрерывно увеличивается. Это является
результатом развития интегральной технологии, внедрение которой позволило
наладить массовый выпуск дешевых, высококачественных микроэлектронных
функциональных узлов различного назначения.
В настоящее время промышленность выпускает все электронные функциональные
узлы, необходимые для создания устройств измерительной и вычислительной
техники: интегральные усилители, коммутаторы, логические элементы, цифровые
устройства и так далее. Типовые электронные узлы позволяют собрать нужный
электронный блок без детального расчета отдельных каскадов.
Настоящая работа посвящена проектированию избирательного RC усилителя на
базе операционного усилителя (ОУ). Использование интегральных ОУ позволяет
значительно упростить схемотехнику усилителей переменного тока. Современный ОУ представляет собой усилитель напряжения
постоянного тока, имеющий в частотном диапазоне от нуля до нескольких сотен
килогерц коэффициент усиления несколько десятков тысяч, с непосредственной
связью между каскадами (без разделительных конденсаторов), высоким входным
(несколько мегаом) и малым выходным (несколько десятков ом) сопротивлениями, с
низким уровнем шума при хорошей температурной стабильности, способный устойчиво
работать при замкнутой цепи обратной связи.
. Обзор литературы по теме
Избирательными (или селективными) называются
усилители, полоса пропускания которых сужена для отделения сигналов в нужной
полосе частот от сигналов, помех или шумов других частот.
По принципу действия и схемному выполнению
избирательные усилители можно разделить на: резонансные, полосовые, усилители с
обратной связью. Наиболее часто избирательные усилители применяются для
усиления сигналов высокой частоты и являются одними из важнейших каскадов
радиопередающих и радиоприемных устройств. Однако во многих случаях
избирательные усилители применяются и для усиления низкочастотных сигналов.
1.1 Основные
технические показатели и схемные решения
Избирательные усилители характеризуются следующими
основными техническими показателями: коэффициентом усиления К; избирательностью
d - величины ослабления усиливаемого
сигнала при заданной настройке; полосой пропускания 2∆f; величиной искажений сигнала; диапазоном
частот fmin...fmax-в случаях диапазонного усилителя или
средней частоты f0; полосой пропускания - для
усилителей с фиксированной настройкой.
Требования к избирательным усилителям зависят от их конкретного
назначения, но в основном сводятся к тому, что: коэффициент усиления должен
быть достаточно большим, а усилитель обеспечивать необходимую избирательность
при достаточной ширине полосы пропускания; искажения сигналов не должны
превышать допустимой величины; усилитель должен работать устойчиво, т. е. не
самовозбуждаться и иметь параметры, мало меняющиеся в процессе эксплуатации;
диапазонные усилители должны обеспечивать настройку на любую частоту в пределах
заданного диапазона. При этом их качественные показатели во всем диапазоне
должны удовлетворять предъявляемым к ним требованиям.
Различают избирательность по соседнему каналу
характеризующую способность усилителя ослаблять сигналы соседнего по частоте
мешающих радиостанции и избирательность по зеркальному каналу d, характеризующую способность усилителя
ослаблять сигнал зеркальной станции. Частота зеркальной радиостанции отличается
от частоты принимаемой радиостанции на величину, равную рассеянной
промежуточной частоте. Обычно избирательность выражают в децибелах
[дБ]=20 lg (K0 / K) ,
где К0-коэффициент
усиления на резонансной частоте;
К - коэффициент усиления при
заданной настройке.
Полосой пропускания
избирательного усилителя 2∆f называют область частот, в пределах которой
ослабление спектра усиливаемых колебаний не превышает заданной величины. Обычно
считается допустимым ослабление уровня сигнала на 3дБ (в
раз по сравнению с максимальным значением на
резонансной частоте.
Об избирательных свойствах усилителя и его полосе
пропускания удобно судить по резонансной характеристике усилителя(рисунок 1).
Основным требованием, предъявляемым к избирательным усилителям, является
получение высокой избирательности, которая определяется крутизной склонов его
амплитудно-частотной характеристики. Чем круче спады частотной характеристики и
чем меньше коэффициент усиления усилителя за пределами полосы пропускания, тем
выше его избирательность. Избирательность таких усилителей оценивают величиной
коэффициента прямоугольности АЧХ, который равен отношению ширины полосы
пропускания на уровне 0,7 к ширине полосы на уровне 0,1 (или к ширине полосы на
уровне 0,01):
Избирательные усилители применяются в основном для усиления сигналов
высокой частоты и разделяются на два вида: резонансные усилители и полосовые
усилители. В резонансных усилителях нагрузкой обычно является одиночный
параллельный колебательный контур. Перестраивая контур, можно изменять
резонансную частоту в некоторых пределах.
Полосовые усилители обеспечивают амплитудно-частотную характеристику по
форме близкую к прямоугольной. Полосовые усилители не перестраиваются и
работают на фиксированных частотах. В качестве нагрузки они имеют один или два
колебательных контура в каждом каскаде. В усилителях промежуточной частоты
радиоприемников применяются также фильтры сосредоточенной селекции, состоящие
из трех-четырех связанных колебательных контуров. В качестве фильтров
сосредоточенной селекции также широко применяются пьезоэлектрические фильтры. В
них благодаря прямому и обратному пьезоэлектрическому эффекту
амплитудно-частотная характеристика формируется в системе из нескольких механических
резонаторов.
Однокаскадный резонансный усилитель состоит из активного элемента,
нагрузкой которого является одиночный параллельный колебательный контур. В
качестве активного элемента можно использовать биполярные или полевые
транзисторы, включаемые, чаще всего, по схеме с общим эмиттером или общим
истоком. При этом колебательный контур оказывается зашунтированным выходным
сопротивлением собственного каскада и входным сопротивлением следующего каскада
в многокаскадном усилителе, за счет чего избирательность ухудшается. В каскадах
с полевым транзистором колебательный контур шунтируется слабо, так как входное
и выходное сопротивление полевого транзистора достаточно большое. В таких
каскадах возможно полное включение контура в нагрузочную цепь. Биполярные
транзисторы имеют относительно малые значения входных и выходных сопротивлений.
Поэтому при непосредственном включении колебательного контура в нагрузочную
цепь контур шунтируется значительно сильнее и его избирательные свойства
заметно ухудшаются. Поэтому в резонансных каскадах на биполярных транзисторах
принимают специальные меры для уменьшения шунтирующего действия входного и
выходного сопротивления транзистора. С этой целью ослабляют связь транзистора с
колебательным контуром, используя частичное включение контура в нагрузочную
цепь. В связи с тем, что резонансные избирательные усилители работают на
высокой частоте, существенное влияние на их работу может оказывать внутренняя
обратная связь, имеющаяся между входом и выходом в любом активном элементе. Эта
внутренняя обратная связь на одной из высоких частот может оказаться
положительной, что приведет к нарушению устойчивой работы усилителя и его
самовозбуждению. Для повышения устойчивости работы каскада необходимо ослаблять
связь его активного элемента с колебательным контуром. С этой целью частичное
включение контура используют и в резонансных каскадах на полевых транзисторах.
На рисунке 2 показана схема резонансного усилителя на полевом транзисторе с
полным включением контура и его АЧХ.
Модуль коэффициента усиления каскада на полевом транзисторе при полном
включении контура примерно равен
,
где
- сопротивление параллельного контура на резонансной
частоте.
Рисунок 2. Избирательный усилитель на полевом транзисторе и его АЧХ
усилительный каскад мощность электронный
На рисунке 3 показана схема избирательного усилителя на биполярном
транзисторе с неполным включением контура. Для каскада
На биполярном транзисторе при неполном включении контура в цепь нагрузки
необходимо учитывать коэффициенты подключения контура и модуль коэффициента
усиления будет определяться следующим выражением:
,
где: 
и 
- коэффициенты включения контура;
- полная индуктивность катушки;
Индуктивность части катушки, к
которой подключен коллектор транзистора;
- индуктивность части катушки, с
которой усиленный сигнал снимается на вход следующего каскада.
Рисунок 3. Избирательный усилитель на биполярном транзисторе
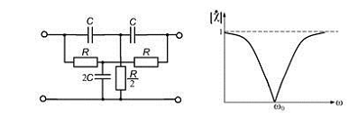
При необходимости избирательного усиления низких частот емкости и
индуктивности колебательного контура должны быть большими и добротность контура
оказывается низкой при значительном увеличении габаритов катушки и
конденсатора. Поэтому в качестве низкочастотных избирательных усилителей
используют усилители с частотно-зависимой отрицательной обратной связью. В
качестве частотно-зависимой цепи используют двойной Т-образный мост (2Т-мост).
Электрическая схема 2Т-моста и его АЧХ показаны на рисунке 4.
Рисунке 4.Электрическая схема 2Т-моста и его АЧХ
Коэффициент передачи моста зависит от частоты и равен:
=.
На частоте
коэффициент передачи равен нулю.
Из выражения выше следует:
при
,
при
,
при
Если включить 2Т-мост в цепь отрицательной обратной связи в
-усилитель, то поскольку на частоте
коэффициент передачи моста равен
нулю, отрицательная обратная связь будет отсутствовать, и коэффициент усиления
усилителя будет максимальным. На всех остальных частотах коэффициент усиления
избирательно уменьшается из-за наличия отрицательной обратной связи. В
результате амплитудно-частотная характеристика усилителя с 2Т-мостом в цепи
отрицательной обратной связи будет иметь ярко выраженный максимум на частоте
. Схема избирательного усилителя с 2Т-мостом
и соответствующие амплитудно-частотные характеристики показаны на рисунке 5.
Рисунок 5. Избирательный усилитель с 2Т-мостом и АЧХ моста, усилителя и
усилителя с 2Т-мостом
Схема избирательного усилителя с 2Т-мостом эквивалентна резонансному
каскаду, имеющему добротность
, где К- коэффициент усиления усилителя без обратной связи.
Для увеличения эквивалентной добротности избирательной системы можно цепью
отрицательной обратной связи через 2Т-мост охватывать несколько каскадов
усиления.
.2 Классификация выходных усилителей мощности
Классификация усилителей по режиму работы, т. е. по величине тока, протекающего
через транзисторы усилителя в отсутствие сигнала.
|
Класс усилителя
|
КПД
|
Потребл. мощность
|
Термоста-бильность
|
|
A
|
менее 50%
|
маленькие
|
постоянная
|
низкая
|
|
B
|
менее 78%
|
высокие
|
зависит от выходной
|
высокая
|
|
AB
|
60...75%
|
средние
|
зависит от выходной
|
средняя
|
Класс А
В режиме A рабочая точка находится на середине
линейного участка вольт-амперной характеристики транзисторов, поэтому
нелинейные искажения сигнала минимальны. В отсутствие сигнала через выходной
каскад протекает значительный ток покоя, транзисторы в течение рабочего периода
никогда не закрываются, т.е. каждый транзистор участвует в усилении обеих
полуволн сигнала - и положительной, и отрицательной. Потребляемая мощность
постоянна, а мощность рассеяния максимальна при малых сигналах. Термостабильность
в этом режиме наихудшая.
Класс В
В режиме B рабочая точка выходного каскада смещена до
критического значения коллекторного тока и каждую половину периода происходит
переключение транзисторов - каждый из них усиливает свою "половинку"
сигнала. В отсутствие сигнала транзисторы закрыты, ток покоя не протекает.
Потребляемая мощность пропорциональна выходной, а мощность рассеяния
приблизительно постоянна (максимально 22% от выходной). Термостабильность
исключительно высокая. Самый главный недостаток, перечеркивающий все
достоинства - при возбуждающих сигналах, близких к отсечке коллекторного тока
транзисторов, возникают значительные переключательные искажения, с которыми не
справляется никакая отрицательная обратная связь.
Класс АВ
Режим AВ. Рабочая точка выбрана в начале линейного участка вольт-амперной
характеристики транзисторов, поэтому при малых сигналах каскад работает
фактически работает в режиме A, а в режим B переходит при достаточно сильном
возбуждении. В отсутствие сигнала через выходной каскад протекает некоторый ток
покоя, иногда весьма значительный. КПД при этом снижается и появляется проблема
стабилизации тока покоя. Термостабильность - удовлетворительная.
1.3 Схемотехнические решения мощных усилительных каскадов
Усилители мощности на транзисторах одной проводимости.
При питании каскада от двух источников
, и
, имеющих общую точку, нагрузка
включается между точкой соединения эмиттера и коллектора транзисторов
,
и общей точкой источников питания.
Режим работы транзисторов обеспечивается делителями
,
,
и
. Управление транзисторами
осуществляется противофазными входными сигналами
и
, для получения которых предыдущий
каскад должен быть фазоинверсным.
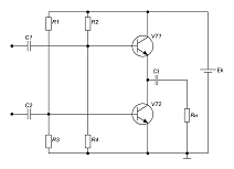
Принцип работы каскада по схеме (рисунок 6) состоит в поочередном
усилении полуволн входного сигнала. Если в первом такте отрицательную полуволну
усиливает транзистор
, при этом транзистор
заперт положительной полуволной, то
во втором такте вторая полуволна сигнала усиливается транзистором
при закрытом транзисторе
.
При питании каскада от одного источника
, (рисунок 7) нагрузка подключается
через разделительный электролитический конденсатор
достаточно большой емкости, а в
остальном схема аналогична предыдущей.
Рисунок 6. Выходной каскад усилителя мощности на транзисторах одной
проводимости
Принцип работы схемы заключается в следующем. При отсутствии
и
конденсатор
заряжен до напряжения
. Именно при таком напряжении на
конденсаторе наступает режим покоя. В такте работы (открытого состояния)
, по нагрузке
течет ток
, который дозаряжает конденсатор
. В такте работы
, конденсатор разряжается, и по
нагрузке
течет ток
. Таким образом, на нагрузке
реализуется биполярный сигнал.
В рассмотренных схемах транзисторы
, и
имеют разное включение:
- по схеме OK, а
- по схеме ОЭ. Поскольку при этих
двух схемах включения транзисторы имеют различные коэффициенты усиления по
напряжению, то без принятия дополнительных мер получается асимметрия выходного
сигнала. Уменьшения асимметрии сигнала, в частности, можно достичь
соответствующим выбором коэффициентов усиления по двум выходам предыдущего
фазоинверсного каскада. Можно уменьшить асимметрию и применением отрицательной
обратной связи, охватывающей выходной и предвыходной каскады.
Рисунок 7. Выходной каскад усилителя мощности на транзисторах одной проводимости
c однополярным питанием
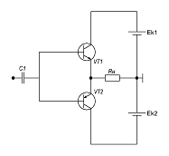
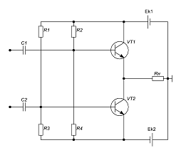
Усилители мощности на транзисторах разной проводимости, включенных по
схеме с ОК.
Рисунок 8. Выходной каскад усилителя мощности на транзисторах разной
проводимости
На рисунке 8 изображена схема каскада с питанием от двух источников
(возможна реализация схемы с однополярным питанием). При использовании в этой
схеме комплементарных пар транзисторов типов n-p-n и p-n-p отпадает
необходимость в подаче двух противофазных входных сигналов. При положительной
полуволне сигнала открыт транзистор
и закрыт
, при отрицательной полуволне,
наоборот, открыт
и закрыт
. В остальном работа схемы рис. 8 аналогична работе
соответствующих схем (рисунок 7 и рисунок 6). Отличительной особенностью
рассмотренных схем является то, что коэффициент усиления каскада по напряжению
всегда меньше 1, а выходной сигнал имеет меньшую асимметрию, так как оба
транзистора включены по одинаковой схеме с ОК.
Для того что бы усилитель мощности перевести в режим АВ для снижения
нелинейных искажения, базы разделяют между собой парой диодов, которые
обеспечивают смещение для транзисторов, при котором в них течёт ток в режиме
покоя (рисунок 9).
Рисунок 9. Выходной каскад усилителя мощности в режиме А (эмиттерный
повторитель)
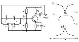
2. Выбор электрической схемы
электронного устройства и её описание
Схема состоит их двух каскадов: первый каскад Избирательный усилитель с
многопетлевой ОС(неинвертирующее включение ОУ), второй каскад - усилитель
мощности класса А.
Избирательный усилитель с многопетлевой ОС так же называется Активный
полосовой фильтр
Многопетлевая ОС подключена к неинвертирующему входу ОУ.
В том случае, если C1
≈ C2 = C, имеем
, K = 2πf0C.
Достоинства Активных полосовых фильтров:
· используются только сопротивления и конденсаторы, т.е.
компоненты, свойства которых ближе к идеальным;
· они могут обеспечивать усиление в полосе пропускания и редко
вносят существенные потери;
· использование в активных фильтрах операционных усилителей
обеспечивает развязку входа от выхода (поэтому активные фильтры легко делать многокаскадными
и тем самым улучшать их показатели);
· активные фильтры невелики по размерам и массе.
· активные фильтры относительно легко настраивать;
· относительно дешевы;
· фильтр для очень низких частот могут быть построены из
компонентов, имеющих умеренные значения параметров;
Недостатки Активных полосовых фильтров:
· нуждаются в источнике питания;
· рабочий диапазон частот ограничен сверху максимальной рабочей
частотой операционного усилителя;
· дополнительные нелинейные искажения сигнала.
Второй каскад представляет собой усилитель мощности на биполярных
транзисторах с однополярным питанием.
Резисторы R4, R7, R10, R11
служат для задания усиления на ОУ.
Выбранный усилитель мощности имеет ряд преимуществ:
Большое входное сопротивление;
Малое выходное сопротивление;
К недостаткам следует отнести:
малый коэффициент усиления по напряжению схемы с ОС (<1). Это приводит
к необходимости установки в схеме дополнительного высоковольтного каскада
усиления напряжения до необходимого уровня;
Рисунок 10. Схема спроектированного избирательного усилителя.
3.
Расчёт и выбор элементов схемы электронного устройства
3.1 Расчет усилителя мощности
где
- амплитудное значение напряжения на сопротивлении нагрузки
;
- амплитудное значение тока на сопротивлении нагрузки
;
- мощность на нагрузке.
Напряжение источника питания одной половины выходного каскада при
однополярном питании определяется исходя из амплитуды выходного сигнала, при
этом величина напряжение
выбирается минимум на (2..2,5) В больше
на каждую комплементарную пару и
зависит от количества пар (n)
используемых составных транзисторов, поскольку нужно учитывать остаточное
напряжение, а у биполярных транзисторов оно не превышает 2,5 В:
Максимальная мощность, рассеиваемая одним транзистором определяется:
На основании рассчитанных выше значений подберём из справочной литературы
транзисторы выходного каскада:
Таблица 3.1 Параметры транзисторов
|
Транзистор
|
|
|
|
|
|
|
|
KT3102Е(n-p-n)
|
20
|
5
|
2
|
1
|
250
|
460
|
Предельное значение коллекторного тока транзисторов при напряжении
питания
:
Выбранное значение
удовлетворяет нашим выбранным транзисторам. Максимальная величина базового тока транзисторов выходного
каскада, необходима для обеспечения заданной мощности в нагрузке, определяется
соотношением:
где
- величина статического коэффициента передачи по току в
схеме с общим эмиттером (определили из выходных ВАХ транзистора).
По рассчитанному значению
, при помощи входной характеристики транзистора определяем
максимальное значение напряжения перехода база-эмиттер
.
Расчет элементов каскада:
Т.к.
Для нормальной работы выходного каскады были выбраны резисторы с большим сопротивлением
R9=20кОм, R8=10кОм.
3.2 Расчёт избирательного усилителя
Исходя из заданного значения резонансной частоты рассчитаем значения
резисторов и ёмкости конденсаторов.
, K = 2πf0C
Отсюда ясно что для получения больших значений добротности значения R1, R2, R3 должны быть по возможности
разнесены. Порядок расчета фильтра с заданной добротностью таков. Выбираем
величину C1, определяем коэффициент K=2πf0C и находим остальные элементы схемы по формулам:
Рассчитаем добротность по формуле:
Q =
= 3000 / (2*0.05*3000) = 8,3
Выберем ёмкость C1= 10 нФ
K = 2πf0C =2*3.14*3000*10*10^-9 = 1.884*10^-4
R1 =
= 2 / 1.884*10^-4 ≈ 10620 кОм
(с учетом ряда Е24)
R2 =
= 2 / 3* 1.884*10^-4 ≈ 3600 кОм
(с учетом ряда Е24)
R3 =
= 4 / 1.884*10^-4 ≈ 21200 кОм
(с учетом ряда Е24)
С2= 0,5* С1 = 5 нФ
Подберём операционный усилитель, удовлетворяющий нашим параметрам.
Источник питания у ОУ выбираем
. Операционный усилитель LT1058C. Параметры:
· коэффициент усиления по напряжению -
,
· входное сопротивление -
,
· выходное сопротивление -
· выходное напряжение смещения -
,
· входной ток -
,
· выходной ток максимальный - IВЫХ.MAX = 1А,
· потребляемый ток -
,
· разность входных токов -
· ослабления синфазного сигнала (дБ) -
,
· максимальная амплитуда выходного сигнала -
,
· частота единичного усиления -
,
· Диапазон напряжений питания
.
4. Описание
методики испытания электронного устройства
Испытание устройства проведём в программном пакете MicroCap 7.
Испытание электронного устройства проведём в следующем порядке:
· соберём электронное устройство в MicroCap.
· измерим выходной ток,
· определим частоту сигнала,
· определим мощность на нагрузке,
· сравним с условиями технического задания,
· сделаем вывод.
Схема подключения осциллографа:
Рисунок 11. Схема испытаний избирательного усилителя мощности
Заключение
В ходе выполнения курсовой работы была рассмотрена методика разработки
электронного устройства на примере избирательного усилителя мощности с
многопетлевой ОС и мощным выходным каскадом. Полученное устройство удовлетворяет
всем условиям технического задания.
Данное устройство может быть использовано как, избирательный усилитель с
мощным выходным каскадом, частотой усиления
мощность выходного каскада
, сопротивление нагрузки 10
.
Список используемой литературы
1. Забродин Ю.С. Промышленная электроника: Учебник для вузов.
- М.: Высш. школа, 1982.- 496с.
. Изъюрова Г.И., Королев В.А. Расчет электронных схем.
Примеры и задачи: Учеб. Пособие для вузов. - М.: Высш. школа, 1987.- 179 с.
. Галкин В.И., Булычёв А.Л. Полупроводниковые приборы. - Мн.:
Вышэйшая школа, 1989. - 285с.
. Бородин. Б.А., Ломакин В.Н. Мощные полупроводниковые
приборы. Транзисторы: Справочник. - М.: Радио и связь, 1985.- 560с.
. Бочаров Л.Н.-Расчет электронных устройств на транзисторах
(1978), 44с.
. Хоровиц П., Хилл У. Искусство схемотехники. 1 том - Москва
"Мир" 1986 г., 127с.
. Титце У.,Шенк К. Полупроводниковая схемотехника. Москва
"Мир" 1982 г., - 293с.