Анализ прохождения периодического сигнала через LC-фильтр с потерями
Минобрнауки России
ФГБОУ ВПО "Тульский государственный университет"
Институт высокоточных систем им.В.П. Грязева
Кафедра радиоэлектроники
Анализ прохождения периодического
сигнала через LC-фильтр с потерями
Курсовая работа по основам теории
цепей
Студент Ф.С. Артёмов
Руководитель - доцент В.В.
Давыдов
Тула − 2012
Аннотация
Курсовая работа содержит в себе результаты анализа
прохождения периодического сигнала через LC-фильтр с потерями. В
качестве анализируемого четырехполюсника выступает Т-образный реактивный
полосовой фильтр, основные параметры которого рассчитываются в одной из частей
данной записки. Также здесь представлено разложение функции особого входного
сигнала в ряд Фурье и последующее использование полученных результатов. Расчеты
произведены с использованием программы Mathcad.
В качестве дополнительного материала к текстовой информации
данной пояснительной записки здесь приведены 20 иллюстраций. Помимо этого
составлена графическая часть на листе формата А1, включающая наиболее важные
схемы и характеристики.
Объем пояснительной записки - _____ листа.
Содержание
Аннотация
Введение
Анализ технического задания на курсовую работу
Обзор литературных источников
Анализ заданной ЭДС
Анализ схемы
Расчет А-параметров схемы фильтра
Входное сопротивление нагруженного четырехполюсника
Нахождение спектра выходного напряжения
Расчет коэффициентов передачи фильтра
Расчет формы сигнала на выходе
Изменение сопротивления нагрузки при неизменных параметрах схемы
Заключение
Список использованной литературы
Введение
Дисциплина "Основы теории цепей" является важнейшей
дисциплиной в подготовке специалиста направления "Радиотехника".
Данный курс лекций помогает студентам приобретать навыки разработки методов
анализа и синтеза радиотехнических устройств различного назначения на уровне
схемотехнических решений. В соответствии с этим курс "ОТЦ" также
является теоретической базой для изучения специальных дисциплин с одной
стороны, и основой расчета и исследования разнообразных устройств и систем передачи/обработки
информации с другой стороны.
Четырехполюсники являются неотъемлемой частью подавляющего
большинства современных технических устройств, они - электрические цепи,
рассматриваемые относительно двух пар выводов. Т-образный реактивный полосовой
фильтр является устройством, схема которого реализуется с четырьмя выводами (в
данной курсовой работе).
Задачи курсовой работы:
закрепление знаний о физических процессах в электрических
цепях,
закрепление и расширение знаний о математических моделях,
описывающих характеристики и свойства электрических цепей,
отработка навыков:
а) всестороннего анализа поставленной задачи в области
радиотехники,
б) самостоятельной работы с учебной, научной и нормативной
литературой, в) практического применения полученных знаний для решения
расчётной задачи по основам теории цепей.
закрепление навыков работы с прикладными программами как,
например, с интегрированной средой для решения математических задач Mathcad и текстовым процессором
(редактором) Word.
Анализ
технического задания на курсовую работу
Для курсовой работы "57" предоставлены следующие
начальные данные для анализа и расчета:
Рис. 1 Т-образный реактивный полосовой фильтр
Рис. 2 Вид входной ЭДС (П3-6)
Таблица №1 (параметры схемы):
|
№
вар
|
Номер
схемы
|
Параметры
схемы
|
|
|
k Ом
|
|
|
|
|
Q
|
|
|
57
|
П2-5
|
4500
|
0,5F
|
|
2  250,005
|
|
|
|
Таблица №2 (параметры ЭДС):
|
№
варианта
|
Номер рисунка ЭДС
|
Параметры
ЭДС
|
|
|
кГц
|
|
|
|
|
57
|
П3-6
|
15
|
0,2
|
-
|
Примечание: форма ЭДС на рисунке в ПЗ должна быть выполнена в
масштабе по времени и амплитуде.
Внутренне сопротивление генератора сигнала принимаем равным 1 Ом: 
Ом.
В результате выполнения курсовой работы должен быть получен
готовый анализ прохождения периодической последовательности импульсов через
электрический фильтр с заданными параметрами реальных элементов. Ниже
представлены несколько этапов на пути получения результата:
) получение спектра входного сигнала;
) расчет параметров заданного фильтра;
) получение формы выходного сигнала;
Для того чтобы рассчитать форму выходного напряжения я должен
найти спектр на входном сопротивлении схемы и учесть столько гармоник, начиная
с нулевой, чтобы их суммарная мощность составляла величину не менее 95% полной
мощности ЭДС.
Расчёт следует вести как минимум для
точек за период повторения наивысшей
гармоники с целью получения достаточно хорошей формы напряжения.
Обзор
литературных источников
В методическом указании к выполнению курсовой работе был
приведен список рекомендуемой литературы. Расчет курсовой работы проведен с
использованием лекционного материала, теоретических знаний, полученных на
занятиях и лабораторных, а также некоторых изданий из списка рекомендуемых.
Самым важным считаю данное издание: Основы теории цепей: Учебник для вузов ⁄
Г.В. Зевеке, П.А. Ионкин, А.В. Нетушил, С.В. Страхов. - 5-е изд., перераб. -
М.: Энергоатомиздат, 1989. - 528 с.: ил. В данной книге изложены все
особенности курса "ОТЦ", в ней особенно подробно рассмотрены основные
законы и методы расчета электрических цепей при постоянных токах и напряжениях
Вторым используемым изданием был справочник по математике,
наиболее обширный и наиболее подробный, доступный из всех находящихся в
библиотеке: Бронштейн И.Н. и Семендяев К.А. Справочник по математике для
инженеров и учащихся втузов. Изд-е 13-е, исправ. - М.: Наука, 1986. - 544 с.
Также использовался самоучитель по работе в математической
среде MathCAD. Справочник Кудрявцева, из списка рекомендованной литературы, написан
сложным языком и вызывал трудности в понимании и использовании изложенной там
информации. Однако следует отметить хороший самоучитель "Работа в среде MathCad" Методические
рекомендации студентам физико - математических специальностей / Сост.е.В. Паршикова.
- Тула: Изд - во гос. Пед. Университета им.Л.Н. Толстого, 2005. - 74 с.
Анализ
заданной ЭДС
В качестве входного сигнала была задана функция:
Рис. 3 Вид входной эдс (П3-6)
ЭДС имеет 3 участка:
. Возрастающий от 0 до Е за время t1
2. Убывающий от E до 0 в
интервале времени от t1 до 
. Участок постоянного нулевого значения от 
до T
Поэтому уравнение ЭДС можно записать в виде:

где 
, 
, m = 0,1,2,3…
Среднюю за период активную мощность сигнала можно найти по
формуле:
Возьмем интегралы, используя справочник. После преобразований
получаем:
Любую периодическую функцию 
, удовлетворяющую условиям Дирихле, т.е. имеющую на всяком
конечном интервале конечное число разрывов первого рода и конечное число
экстремумов, можно представить в виде ряда Фурье.
Разложение исходной функции в ряд Фурье представляется в виде:
четырехполюсник фильтр сопротивление сигнал
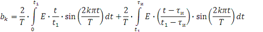
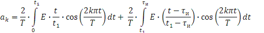
Коэффициенты разложения можно найти следующим образом:
где
- номер гармоники.
Возьмём интегралы, используя математическую программу Mathcad. После этого получаем выражения:
Где 
- амплитуды косинусоидальных и синусоидальных составляющих
спектра.


- амплитуда
k-ой гармоники спектра входного сигнала, 

Замечание: формулы
амплитуды k-ой гармоники спектра и фаза оказались
громоздкими, поэтому здесь представлены лишь формулы, которыми я пользовался.
Определение ширины спектра ЭДС
Средняя за период активная мощность сигнала равна:
Амплитуда n-ой гармоники
вычисляется по формуле:
Мощность ЭДС, переносимая первыми n гармониками:
Таблица №3 Амплитуды гармоник и относительная мощность:
|
|
|
|
 
|
|
|
|
0
|
0,2
|
0
|
0,2
|
0
|
0,729
|
|
1
|
0,167
|
0,096
|
0,
193
|
29,92
|
0,429
|
|
2
|
0,088
|
0,173
|
59,35
|
0,654
|
|
3
|
|
0,143
|
0,144
|
87,6
|
0,809
|
|
4
|
-0,044
|
0,1
|
0,11
|
-66,45
|
0,898
|
|
5
|
-0,054
|
0,054
|
0,076
|
-45
|
0,942
|
|
6
|
-0,043
|
0,027
|
0,05
|
-32,11
|
0,961
|
|
7
|
-0,031
|
0,018
|
0,036
|
-30,24
|
0,971
|
|
8
|
-0,029
|
0,016
|
0,033
|
-28,44
|
0,979
|
|
9
|
-0,029
|
|
0,031
|
-17,09
|
0,986
|
|
10
|
-0,027
|
0
|
0,027
|
0
|
0,991
|
Спектр ЭДС в относительном масштабе 
приведен на рис.4.
Рис. 4 Спектр входной ЭДС
Из таблицы следует, что постоянная составляющая и 7 первых
гармоник переносят более 95% полной мощности сигнала. Поэтому
и ширину спектра сигнала нужно принять
равной
.
Используя возможности Mathcad и
Paint, построим графики ЭДС, образованными:
) постоянной составляющей и семью гармониками (рис. 5 кривая 2).
) постоянной составляющей и двадцатью гармониками (рис. 5 кривая
1).
Рис. 5 - вид ЭДС, образованной 7 и 20 гармониками.
Использование 20 гармоник улучшает форму синтезированного сигнала
(рис. 5 кривая 1). Следует отметить, что графики, полученные в результате
построения, отличаются от заданного входного сигнала. Это обуславливается тем,
что в курсовой работе расчеты ведутся при переносе 95% энергии сигнала, то есть
существуют потери.
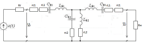
Анализ схемы
Расчет параметров схемы
По заданию курсовой работы я должен был анализировать прохождение
сигнала через Т-образный реактивный полосовой фильтр. По теории у такого
фильтра в горизонтальных ветвях включены индуктивности 
, и емкости 
а в вертикальной - емкость 
и индуктивность 
. Отсюда имеем соотношения

Из исходных данных к курсовой работе получаем частоты среза:

Для расчета я буду использовать формулы из методических указаний:

Значения емкостей должны выбираться из стандартного ряда
номинальных величин. Ближайшим значением к величине 2,19 является 2,2, а к
величине 0,7259 является 0,75. Поэтому получаем, что 
.
По полученным параметрам нашего фильтра уточним резонансную
частоту контура, характеристическое сопротивление, а так же верхнюю и нижнюю
граничные частоты фильтра:
,
,
,
На частоте резонанса паразитные сопротивления потерь составляют 
у катушек.
Для конденсаторов 
в последовательной схеме замещения конденсатора.
Расчет
А-параметров схемы фильтра
А-параметры удобно применять в случае каскадного соединения
четырёхполюсников, когда выход одного из них соединяется с входом другого, а
также при расчёте коэффициентов передачи. А-параметры следует находить сначала
в общем виде и только потом подставлять конкретные значения.
Соотношения между токами и напряжениями на входе и выходе
четырёхполюсника в форме А-параметров (рис.3) записывают в виде:
В качестве основных звеньев электрических фильтров широкое
применение находят симметричные Т - и П-образные фильтры:
Рис. 6 - четырёхполюсник - общее обозначение.
Для симметричного Т-образного четырёхполюсника имеют место
выражения
Рис. 7 - Т-образные симметричные четырёхполюсники - общий
вид.
Рассмотрим реальную схему Т-образного реактивного полосового
фильтра:
Рис. 8 - Т-образный реактивный ПФ. Схема принципиальная
электрическая.
Чтобы рассчитать входное сопротивление и коэффициент передачи
схемы (фильтра), следует подставить в формулы
конкретные выражения А-параметров.
Сопротивление 
при этом следует заменить на выражение:
а сопротивление 
на выражение:

Заметка: в
данных заменах мы применяем стандартные формулы подсчета сопротивления при
последовательном (первый случай) и параллельном соединении (второй случай)
элементов схемы. Формулы комплексных сопротивлений ветвей оказались довольно
громоздкими, тем не менее, без них не обойтись. Здесь приведены уже
преобразованные формулы. Особенности Т-образного полосового фильтра учтены при
замене наименований катушек индуктивности и конденсаторов. После преобразований
всех формул мы можем рассчитать значения А-параметров.
Заметка: при
расчете величин в курсовой работе удобно нормировать некоторые искомые
величины. При подсчете А-параметров (выражение формул 
) мы использовали нормирование относительно частоты резонанса 
При замене индексов индуктивности и емкости в данной формуле мы
получаем примерно такое же значение 
поэтому данным отклонением можно пренебречь. При нормировании мы
получили слишком громоздкие формулы комплексных сопротивлений и А-параметров,
поэтому здесь укажем лишь значения в следующем виде:
В данных выражениях параметр

Формулы параметров при этом приведены с ограниченной точностью.
При проверке в среде MathCAD с
заданной там точностью мы получаем нужный результат:
Параметры посчитаны, верно.
Входное
сопротивление нагруженного четырехполюсника
Находим выражение входного сопротивления нагруженного
четырёхполюсника по формуле

По полученной формуле, используя среду MathCAD, я построил графики зависимости модуля и фазы входного
сопротивления 
от частоты. Результат представлен ниже:
Рис. 9 - зависимость модуля входного сопротивления схемы от
частоты.
Рис. 10 - зависимость фазы входного сопротивления схемы от
частоты.
Сначала входное сопротивление уменьшается до минимума вблизи
частоты среза и в среднем растёт, а потом снова уменьшается с увеличением
частоты. Уменьшение входного сопротивления до минимума объясняется наличием
емкости в последовательной ветви, рост входного сопротивления объясняется
наличием индуктивности в параллельной ветви, а уменьшение входного
сопротивления наличием емкости в последовательной ветви Т-образного полосового
фильтра.
Нахождение
спектра выходного напряжения
Найдём спектр входного напряжения
, который может отличаться от спектра ЭДС из-за деления сигнала
ЭДС между 
Коэффициент передачи спектральных составляющих на входе схемы
определяется формулой
Здесь 
гармоника входного напряжения 
.
Используя математическую среду MathCAD, я рассчитываю значения модуля входного коэффициента передачи,
амплитуд и фаз гармоник входного напряжения. Результаты расчета приведены в
таблице:
Таблица №4 (амплитуды гармоник входного напряжения).
|
|
|
|
|
|
|
|
0
|
-
|
-
|
-
|
-
|
-
|
|
1
|
0,999
|
0,171
|
0,171
|
0,999
|
6,844
|
|
2
|
0,099
|
0,099
|
0,999
|
-66,961
|
|
3
|
0,999
|
0,014
|
0,014
|
0,999
|
-123,
208
|
|
4
|
0,999
|
0,047
|
0,047
|
0,999
|
29,526
|
|
5
|
0,999
|
0,067
|
0,067
|
0,999
|
37,961
|
|
6
|
0,999
|
0,048
|
0,048
|
0,999
|
83,415
|
|
7
|
0,999
|
0,012
|
0,012
|
0,999
|
103,447
|
|
8
|
0,999
|
0,02
|
0,02
|
0,999
|
108,758
|
|
9
|
0,999
|
0,031
|
0,031
|
0,999
|
100,46
|
|
10
|
0,999
|
0,023
|
0,023
|
0,999
|
84,92
|
|
11
|
0,999
|
|
|
0,999
|
68,71
|
|
12
|
0,999
|
|
|
0,999
|
57,903
|
|
13
|
0,999
|
0,01
|
0,01
|
0,999
|
56,445
|
0,999
|
|
|
0,999
|
54,808
|
|
15
|
0,999
|
|
|
0,999
|
42,093
|
|
16
|
0,999
|
|
|
0,999
|
20,766
|
|
17
|
0,999
|
|
|
0,999
|
174,716
|
|
18
|
0,999
|
|
|
0,999
|
146,716
|
|
19
|
0,999
|
|
|
0,999
|
117,344
|
|
20
|
0,999
|
0
|
0
|
0,999
|
156,112
|
Для сравнения спектров входного напряжения 
необходимо привести их к нормированному виду. Для ЭДС
нормированные значения определяются формулой 
, для входного напряжения - формулой 
. Отношения нормированных величин приведены в 5 столбце таблицы
№4.
Так как коэффициент передачи по входу практически постоянен и
близок к 1, то и отношения нормированных величин почти постоянны и близки к 1.
Следовательно, спектр входного напряжения мало отличается от спектра ЭДС и
поэтому не имеет смысла его строить.
Разность фаз между гармониками входного напряжения и ЭДС
(последний столбец таблицы №4) также невелика и не превышает 10 градусов.
Расчет
коэффициентов передачи фильтра
Зависимость коэффициента передачи 
от частоты определяется формулой:
В математической среде MathCAD я рассчитываю зависимости модуля и фазы K от частоты. В дополнение к расчету привожу графические
иллюстрации.
Таблица №5 (зависимость модуля и фазы коэффициента передачи
по напряжению от частоты)
Рис. 11 - зависимость модуля коэффициента передачи схемы по
напряжению от частоты.
Рис. 12 - зависимость фазы коэффициента передачи схемы по
напряжению от частоты.
Из таблицы и рисунка следует, что модуль коэффициента передачи
характеризуется достаточно большой неравномерностью в пределах полосы
пропускания. Это объясняется тем, что в цепи имеет место последовательный
резонанс. Он возникает в части контура, образованного входной последовательной
(индуктивность) и параллельной (ёмкость) ветвями. Так как нагрузкой фильтра
является постоянное сопротивление, то резонанс проявляет себя явно.
Теоретические зависимости, обеспечивающие постоянство АЧХ коэффициента передачи
в пределах полосы пропускания, рассчитывают из условия 
. В этом случае сопротивление нагрузки изменяется как входное
сопротивление и весьма сильно зависит от частоты.
Расчет формы
сигнала на выходе
Форма напряжения на выходе схемы определяю по формуле:
Таблица №6 (спектр выходного напряжения):
Рис.13 - модуль полного коэффициента передачи схемы.
Рис. 14 - выходное напряжение, образованное 7 гармониками
Изменение
сопротивления нагрузки при неизменных параметрах схемы
Уменьшим сопротивление нагрузки в 1,5 раза, т.е. до 2250 Ом
согласно заданию.
Из формулы следует, что при изменении 
изменятся входное сопротивление
, коэффициенты передачи
, 
и, как следствие, формы входного и выходного напряжений.
Ниже показаны зависимости модуля и фазы входного сопротивления
схемы от частоты, при уменьшенном сопротивлении нагрузки 
в 1,5 раза, относительно исходной величины 
. Из рисунка видно, что модуль 
резко изменяется в пределах полосы пропускания (увеличивается от
1000 до 2000 Ом, потом уменьшается от 9000 Ом до 5000 Ом, а затем уменьшается).
Рис. 15 - зависимость модуля входного сопротивления схемы от
частоты при 
.
Рис. 16 - зависимость фазы входного сопротивления схемы от частоты
при 
.
Коэффициент передачи по напряжению в пределах полосы пропускания
изменяется сильнее, чем при большей величине
, и имеет глубокий провал. Причина та же: резкое изменение
величины 
из-за проявления резонансных явлений.
Рис. 17 - зависимость модуля коэффициента передачи схемы от
частоты при 
.
Рис. 18 - зависимость фазы коэффициента передачи схемы от частоты
при 
.
Полный коэффициент передачи по форме практически повторяет
коэффициент передачи по напряжению.
Рис. 19 - модуль полного коэффициента передачи схемы при 
.
Форма выходного напряжения при уменьшенном сопротивлении нагрузки
приведена на рисунке ниже:
Рис. 20 - выходное напряжение, образованное 7 гармониками при 
.
Заключение
В данной курсовой работе были рассмотрены характеристики T-образного реактивного
полосового фильтра и приведены все необходимые формулы вычисления его
параметров с таблицами значений и рисунками. Результаты расчёта были получены с
помощью интегральной среды Mathcad. Система Mathcad называется самой
современной, универсальной и массовой математической системой. Она позволяет
выполнить как численные, так и аналитические (символьные) вычисления, имеет
удобный математическо-ориентированный интерфейс и прекрасные средства графики.
По итогам работы можно сделать следующие выводы:
) написано введение;
2) выполнен анализ задания на курсовую работу;
) выведены формулы расчёта спектральных составляющих
ЭДС;
) найдена ширина спектра ЭДС по заданному уровню
передаваемой мощности и соответствующий ширине номер высшей гармоники;
5) построен график входной ЭДС, синтезированной
гармониками;
) рассчитаны номинальные величины элементов схемы;
) рассчитана амплитудно-частотная и фазочастотная
характеристика (АЧХ и ФЧХ) коэффициента передачи схемы по напряжению, построены
графики АЧХ и ФЧХ;
) рассчитаны и построены графики зависимостей модуля и фазы
входного сопротивления от частоты;
) построен график выходного напряжения, синтезированного
гармониками полученного спектра.
Список
использованной литературы
1. Основы
теории цепей: Учебник для вузов ⁄ Г.В. Зевеке, П.А. Ионкин, А.В. Нетушил,
С.В. Страхов. - 5-е изд., перераб. - М.: Энергоатомиздат, 1989. - 528 с.: ил.
2. Бронштейн
И.Н. и Семендяев К.А. Справочник по математике для инженеров и учащихся втузов.
Изд-е 13-е, исправ. - М.: Наука, 1986. - 544 с.
. ГОСТ
2.004-88 ЕСКД. Общие требования к выполнению конструкторских и технологических
документов на печатающих и графических устройствах вывода ЭВМ.
. "Работа
в среде MathCad" Методические рекомендации
студентам физико-математических специальностей / Сост. Е.В. Паршикова. - Тула:
Изд-во гос. пед. Университета им.Л.Н. Толстого, 2005. - 74 с.