Амперметр цифровий

  • Вид работы:
    Курсовая работа (т)
  • Предмет:
    Информатика, ВТ, телекоммуникации
  • Язык:
    Украинский
    ,
    Формат файла:
    MS Word
    1,09 Мб
  • Опубликовано:
    2013-08-07
Вы можете узнать стоимость помощи в написании студенческой работы.
Помощь в написании работы, которую точно примут!

Амперметр цифровий

МІНІСТЕРСТВО ОСВІТИ І НАУКИ, МОЛОДІ ТА СПОРТУ УКРАЇНИ

ЧЕРНІВЕЦЬКИЙ НАЦІОНАЛЬНИЙ УНІВЕРСИТЕТ

ІМЕНІ ЮРІЯ ФЕДЬКОВИЧА

Кафедра радіотехніки та інформаційної безпеки







Курсовий проект

Амперметр цифровий

з предмету "Цифрові пристрої та мікропроцесори"



Керівник асист. Еліяшів О.М.

Студент 308 групи Насальський О.П.





Чернівці 2012 р

Зміст

 

Вступ

1. Теоретична частина

1.1 Постановка завдання

1.2 Теоретичні відомості

1.2.1 ADS1100 Самокалібрующийся, 16-бітний аналогово-цифровий перетворювач

2. Практична частина

2.1 Принципова схема пристрою

2.2 Алгоритми роботи програми

2.3 Результати тестування пристрою

2.4 Аналіз отриманих результатів

Висновок

Список використаних джерел

Вступ

У сучасному світі мікроконтролери оточують нас з усіх сторін. Науково-технічний прогрес невтомно йде вперед, в результаті не тільки в промисловій, але і в побутовій техніці все ширше використовуються вбудовані комп'ютерні системи на основі мікроконтролерів. Вони широко застосовуються в персональних комп'ютерах і їх периферійних пристроях, пральних машинах, музичних центрах і т.д. Мікроконтролери є серцем багатьох сучасних пристроїв і приладів, у тому числі і побутових. Найголовнішою особливістю мікроконтролерів, з точки зору конструкторів-проектувальників, є те, що з їх допомогою легше і часто набагато дешевше реалізувати різні схеми.

Мікроконтролер може управляти різними особистими пристроями і приймати від них дані при мінімумі додаткових вузлів, так як велика кількість периферійних схем вже є безпосередньо на кристалі мікроконтролера. Це дозволяє зменшити розміри конструкції і знизити споживання енергії від джерела живлення.

Внаслідок наявності великої кількості конкурентів на ринку мікроконтролерів їх ціна поступово знижується при збільшенні периферії на чіпі. На даний момент найбільш відомими фірмами по виробництву мікроконтролерів є Omron, Microchip, Motorola, Atmel AVR, Texas Instruments та інші.

Метою курсової роботи є розробка програми "Цифровий амперметр з висновком результатів на алфавітно-цифровому індикаторі" за допомогою мікропроцесора ADS1100. Текст програми написаний на мові С за допомогою компілятора Code Vision AVR З Compiler.

1. Теоретична частина


1.1 Постановка завдання


Необхідно розробити проект, що демонструє цифровий амперметр, що виводить результати на алфавітно-цифровий індикатор, реалізований за допомогою мікроконтролера ADS1100 фірми Burr-Brown Corporation. Даний проект має бути написаний на мові С в середовищі Code Vision AVR C Compiler, а також проведені налагодження та аналіз отриманих результатів за допомогою симулятора.

1.2 Теоретичні відомості


Мікроконтролер - мікросхема, призначена для керування електронними пристроями. Типовий мікроконтролер поєднує в собі функції процесора і периферійних пристроїв, може містити ОЗУ і ПЗУ. По суті, це однокристальний комп'ютер, здатний виконувати прості завдання. Використання однієї мікросхеми замість цілого набору, як у випадку звичайних процесорів, які застосовуються в персональних комп'ютерах, значно знижує розміри, енергоспоживання і вартість пристроїв, побудованих на базі мікроконтролерів

Термін "мікроконтролер" (МК) витіснив з ужитку раніше використовувався термін "однокристальна мікро-ЕОМ". Популярністю у розробників користуються 8-бітові мікроконтролери PIC фірми Microchip Technology і AVR фірми Atmel, 16-бітні MSP430 фірми TI, а також ARM, архітектуру яких розробляє фірма ARM і продає ліцензії іншим фірмам для їх виробництва.

Алфавітно-цифрові РКІ є найбільш ефективним засобом відображення інформації серед найбільш поширених. Найширше розповсюдження отримали індикатори побудовані на основі контролера HD44780 і ​​його аналогів. Такі індикатори дозволяють відображати символьно-цифрову інформацію та має можливість по відображенню 8 символів в одному рядку, 8 символів в 2-х рядках, 16 в 1,16 в 2-х рядках,20 в 1,20 в 2,20 в 4 - х;

Найбільш зручні індикатори, що дозволяють відображати російські букви, які мають світлодіодну, а не електролюмінесцентне підсвічування, що має однорідне харчування. До складу РКІ крім контролера входить безпосередньо сам індикатор, побудований на рідких кристалах. Включення індикатора здійснюється драйвером, керуючим спеціальним контролером.

1.2.1 ADS1100 Самокалібрующийся, 16-бітний аналогово-цифровий перетворювач

ОПИС ADS1100 є точним, постійно самокалібруючі аналого-цифрові (A / D) перетворювач з диференціальними входами і до 16 розрядів в мініатюрному корпусі SOT23-6 пакетів. Перетворення виконуються ratiometrically, використовуючи харчування в якості опорної напруги. ADS1100 використовує I2C-сумісний послідовний інтерфейс і працює від одного джерела живлення в діапазоні від 2,7 до 5,5.може виконати перетворення на швидкості 8, 16, 32, або 128 вибірок в секунду. Бортовий підсилювач з програмованим коефіцієнтом підсилення (PGA), яка пропонує приріст продуктивності до 8, дозволяє менше сигнали вимірюються з високою роздільною здатністю. В одній режиму перетворення, ADS1100 автоматично вимикається після перетворення, що значно знижує споживання струму під час простою.призначені для додатків, що вимагають високого дозволу вимір, де простір і споживаної потужності є основними міркуваннями. Типові області застосування включають портативні прилади, управління виробничими процесами, а також інтелектуальні датчики.

ОСОБЛИВОСТІ:

Повна система збору даних в крихітній SOT23-6 ПАКЕТ 16-біт без пропуску кодів INL: 0,0125% від повної шкали MAX Безперервний самокалібрування один цикл валюту програмованим коефіцієнтом підсилення підсилювача GAIN = 1, 2, 4 або 8 Низький рівень шуму: 4  Vр-р Програмовані швидкість передачі даних: 8SPS в 128SPS внутрішні системні годинник I2CTM ІНТЕРФЕЙС Джерело живлення: від 2,7 до 5,5 низький струм споживання: 90 µ A доступна у восьми різних адрес

ЗАСТОСУВАННЯ:

портативних приладів управління виробничими процесами інтелектуальні датчики ТОВАРИ НАРОДНОГО СПОЖИВАННЯ автоматизація виробництва Вимірювання температури

Абсолютний максимум

РЕЙТИНГИ.3В до +6 V

Вхідний струм 100mA, Momentary

Вхідний струм 10 мА, безперервної

Напруга на GND, VIN +, VIN- 0.3В до VDD + 0.3

Напруга на GND, SDA, SCL - 0.5В до 6В

Максимальна температура переходу +150 C

Робоча температура - 40 С до +85 C

Температура зберігання - 60 С до +150 C

Ведучий температури (пайка, 10с)............ +300 C Примітка: (1) за вказані в розділі "Абсолютні максимальні" може призвести до необоротного пошкодження пристрою. Вплив абсолютний максимум умовах протягом тривалого часу може вплинути на надійність пристрою.

ПРИНЦИП РОБОТИє повністю диференціальним, 16-біт, самокалібруючі, сігма-дельта аналого-цифровий перетворювач. Дуже легко проектувати з і налаштувати, ADS1100 дозволяє отримати точні вимірювання з мінімальними зусиллями.

амперметр цифровий мікропроцесор індикатор

ADS1100 складається з дельта-сигма A / D конвертер ядро з регулюванням посилення, тактовий генератор і інтерфейс I2C. Кожен з цих блоків докладно описані в наступних розділах.

Аналого-цифровий перетворювачA / D конвертер ядро складається з диференціального включення конденсатора сігма-дельта модулятор наступної цифрової фільтр. Модулятор вимірює різницю потенціалів між позитивним і негативним аналогових входів і порівнює його з опорною напругою, яке, в ADS1100, є харчування. Цифровий фільтр отримує високу швидкість бітового потоку від модулятора і виводить код, який представляє собою число, пропорційне вхідній напрузі.

Розрахунок вихідного коду Вихідний код скалярний значення, яке (за винятком відсікання) пропорційна різниці напруг між двома аналоговими входами. Вихідний код приурочена до кінцевого діапазоні чисел; цей діапазон залежить від кількості бітів, необхідних для представлення коду. Число бітів, необхідних для представлення вихідний код для ADS1100 залежить від швидкості передачі даних, як показано нижче


Самокалібрування

У попередньому вирази для вихідного коду ADS1100 в не враховує посилення і зміщення помилки в модулятор. Щоб компенсувати це, ADS1100 включає в себе самостійною калібрування ланцюгів.

Самокалібрування система працює безперервно, а вимагає втручання користувача. Немає поправки можуть бути внесені в самокалібрування системи, і ніхто повинні бути зроблені. Самокалібрування системи не може бути відключена.

Характеристики включають вплив калібрування.

Тактовий генератормає бортовий тактового генератора, який керує роботою модулятора і цифрового фільтру. Типові характеристики показують сортів у швидкості передачі даних понад напруги живлення і температури. А це не можливо працювати з ADS1100 із зовнішніми годинами модулятора.

Вхідний опірвикористовує комутації конденсаторів вхідного каскаду. Для зовнішніх схем, це виглядає приблизно як опір. Величина опору залежить від конденсатора цінностей і швидкість, з якою вони включаються. Частота перемикання так само, як частота модулятора; конденсатор значення залежать від настройки PGA. Перемиканні годин породжується бортовий генератор годин, тому його частота, номінально 275kHz, залежить від напруги живлення та температури.

Синфазних і диференціальних опорів вхідних різні. Для посилення налаштування PGA, імпеданс диференціальний вхід, як правило: 2.4MΩ / PGA

Синфазний опір, як правило, 8MΩ.

Типове значення вхідного опору не знехтувати. Якщо джерело вхідного сигналу має низький опір, вхідний опір ADS1100 може вплинути на точність вимірювання точності. Для джерел з високим вихідним опором, буферизація може бути необхідним. Майте на увазі, однак, що активні буфери ввести шуму, а також ввести зміщення і посилення помилок. Всі ці фактори слід враховувати при високоточних застосувань.

Оскільки частота тактового генератора дрейфує трохи з температурою, вхідний імпеданс буде дрейфувати. Для багатьох додатків, цей дрейф вхідного опору можна знехтувати, і типові значення опору вище, можуть бути використані.

Накладання спектрів Якщо частоти вводяться в ADS1100, що перевищує половину швидкості передачі даних, згладжування буде відбуватися. Для запобігання накладення спектрів, вхідний сигнал повинен бути спектр, який займає частку. Деякі сигнали по своїй суті спектр, який займає частку. Наприклад, вихід термопари, який має обмежену швидкість змін, тим не менше можуть містити шуми і перешкоди компонентів. Вони можуть відкинути у вибірку групи так само, як будь-який інший сигнал може.в цифровий фільтр забезпечує деяке ослаблення високочастотних шумів, але sinc1 частоти фільтру відгуку не може повністю замінити фільтра згладжування, деякі зовнішні фільтрації можуть як і раніше необхідні. Для багатьох застосувань, простий RC фільтр буде достатньо.

При проектуванні вхідний фільтр ланцюга, не забудьте взяти до уваги взаємодію між мережевий фільтр і вхідний імпеданс ADS1100.

ВИКОРИСТАННЯ ADS1100

РЕЖИМИ:працює в одному з двох режимів: безперервного перетворення і одне перетворення.

-          У режимі безперервного перетворення, ADS1100 безперервно виконує перетворення. Після перетворення була завершена, ADS1100 поміщає результат у вихідний регістр, і відразу ж починається інша перетворення. Коли ADS1100 знаходиться в режимі постійного перетворення, ST / BSY біта в регістрі конфігурації завжди читає 1.

Скидання і POWER-UP

Коли ADS1100 включається автоматично виконується скид. В рамках скидання, ADS1100 встановлює всі біти в регістрі конфігурації їх за замовчуванням.реагує на команди I2C Генеральний скидання виклику. Коли ADS1100 отримує загальний скидання виклику, він виконує внутрішній скидання, точно так, як ніби він тільки що був включений.

Інтерфейс I2Cспілкується через I2C (Inter-інтегрованих ланцюгів) інтерфейс. I2C інтерфейс 2-дротового з відкритим стоком інтерфейс, що підтримує кілька пристроїв і магістрів по одній шині. Пристрої на шині I2C тільки їздити автобуси LOW, шляхом підключення їх до землі, вони ніколи не їздити автобуси HIGH. Замість цього, автобусом дроти тягнуться високо підтягують резистори, тому автобус дроти високо, коли пристрій не заганяючи їх LOW. Таким чином, два пристрої не можуть суперечити, якщо два пристрої їздити автобусом одночасно, немає драйверів розбрату.

Зв'язок по шині I2C завжди відбувається між двома пристроями, один виступає в якості ведучого та інші дії в якості раба. Обидва панів і рабів вміють читати і писати, але раби можуть робити це тільки під керівництвом майстра. Деякі I2C пристроїв можуть виступати в якості майстра або рабів, але ADS1100 може діяти тільки в якості веденого пристрою.

Шині I2C складається з двох ліній, SDA і SCL. SDA перенесення даних; SCL забезпечує годинник. Всі дані передаються по шині I2C в групах з восьми біт. Для передачі біта на шині I2C, лінії SDA наводиться до рівня трохи, в той час SCL низький (LOW на SDA вказує на біт нульовий, високий вказує на біт є однією). Як тільки лінія SDA вляглася, лінія SCL наводиться високий, то низький. Цей імпульс на SCL синхронізує біт SDA в регістр зсуву приймача.

Шині I2C є двонаправленим: лінії SDA використовується як для передачі і прийому даних. Коли ведучий читає з рабом, рабом призводить до лінії передачі даних, коли господар посилає раба, майстер призводить до лінії передачі даних. Майстер завжди призводить у години лінії. ADS1100 ніколи диски SCL, тому що він не може виступати в якості господаря. На ADS1100, SCL тільки на вході.

Велику частину часу перебуває в режимі очікування автобуса, ніякого зв'язку не відбувається, і обидві лінії є високими. Коли спілкування відбувається, автобус активно. Тільки пристрої, майстер може почати спілкування. Вони роблять це, викликаючи умова запуску на автобусі. Як правило, лінії передачі даних допускається тільки змінити свій стан, поки годинник лінії LOW. Якщо дані зміни стану лінії, а лінія синхронізації висока, то це або умови початку або його аналог, зупинка стані. Початок умова, коли годинник лінії високий і дані лінії йде від високого до низького. Зупинка умови, коли годинник лінії високий і дані лінії йде від низької до високої.

Після того, як майстер питань умова запуску, він посилає байт, який показує, які веденого пристрою вона хоче спілкуватися. Цей байт називається байта адреси. Кожен пристрій на шині I2C має унікальний 7-бітний адреса, на яку він відповідає. (Раби можуть також мати 10-бітові адреси, див. I2C деталі в специфікації.) Майстер передає адресу в байт, разом з біт, який вказує, чи бажає він, щоб прочитати або записати на підлеглі пристрої.

Кожен байт передається по шині I2C, будь то адреси або даних, визнається з бітом підтвердження. Коли майстер закінчить відправку байта, вісім біт даних, щоб раб, він зупиняється водіння ПДД і чекає раб визнають, байта. Раб визнає байт, потягнувши SDA LOW. Майстер посилає тактових імпульсів для синхронізації біт підтвердження. Аналогічним чином, коли майстер закінчить читання байта, вона тягне SDA LOW визнати, що це раб. Потім він відправляє тактових імпульсів для синхронізації біт. (Пам'ятайте, що майстер завжди призводить у години лінії).

Не-визнаємо здійснюється просто залишити SDA протягом ВИСОКОГО визнати циклу. Якщо пристрій не присутній на автобусі, і майстер намагається вирішити її, він буде отримувати не-визнаємо, тому що ні один пристрій не присутній за цією адресою тягнути лінію LOW.

Коли майстер закінчить спілкування з рабом, він може видати зупинки стані. При зупинці умови виданий, автобус переходить в режим очікування знову. Майстер може також видавати іншу стартова умова. Якщо умова запуску видається в той час як шина активна, вона називається повторне умова початку.I2C АДРЕСИI2C адресу 1001aaa, де "ААА" біти встановлені на заводі. ADS1100 доступна у восьми різних verisons, кожен з яких має різні I2C адресу. Наприклад, ADS1100A0 має адреси 1001000, а ADS1100A3 має адресу 1001011. См. Упаковка / Замовлення Informa-ня таблиці для отримання повного списку.C адресу тією лише різницею між вісьмома варіантами. У всіх інших repsects, вони працюють однаково.

Кожен варіант ADS1100 відзначений "ADX", де X визначає адресу варіант. Наприклад, ADS1100A0 з позначкою "AD0", і ADS1100A3 з позначкою "AD3". См. Упаковка / Інформація для замовлення таблиця з повним переліком.

Коли ADS1100 був вперше представлений, він був відправлений тільки одна адреса, 1001000, і був відзначений "Baai." Це пристрій є ідентичним даний час судноплавство ADS1100A0 варіанті з поміткою "AD0".

C загальний викликреагує на загальний скидання виклику, який є адресою байта 00H слідують дані байт 06H. ADS1100 визнає обидва байта.

При отриманні загального скидання виклику, ADS1100 виконує повний внутрішній скидання, як ніби він був вимкнений і знову увімкніть. Якщо перетворення в процесі, вона переривається; вихідний регістр встановлюється в нуль, і регістр конфігурації встановлений в значення за замовчуванням.завжди визнає загальний виклик ад-плаття байт 00H, але вона не визнає будь спільний виклик байт даних, крім 04H або 06H.C швидкості передачі даних

Шині I2C працює в одному з трьох режимів швидкості: стандарту, який дозволяє тактовою частотою до 100 кГц, швидка, що дозволяє тактовою частотою до 400 кГц і високошвидкісний режим (також званий Hs режимі), який дозволяє тактовою частотою до 3.4MHz. ADS1100 повністю сумісний з усіма трьома режимами.

Ніяких спеціальних дій має бути прийнято використовувати ADS1100 в стандартному або швидкого режиму, але Швидкісний режим повинен бути активований. Для активації Високошвидкісний режим, відправити спеціальний байт адреси 00001XXX після початку умови, де XXX біти є унікальними для Hs-здатного майстра. Цей байт називається кодом Hs майстра. (Зауважимо, що це відрізняється від нормального байт адреса: молодший біт не вказує на читання / запис стану). ADS1100 не буде визнають, цей байт; I2C специфікація забороняє ПОДЯКИ-ного коду ГС майстра. Отримавши майстер-код, ADS1100 перейде на високій швидкості фільтрів режимі, і буде спілкуватися зі швидкістю до 3.4MHz. ADS1100 перемикається з режиму Hs з наступним умовою зупинки.

Більш докладну інформацію про Високошвидкісний режим, зверніться до специфікації I2C.

РЕГІСТРИмає два регістри, які доступні через свій порт I2C. Вихідний регістр містить результат останньої конверсії; регістрі конфігурації дозволяє змінювати режим роботи ADS1100 і запит стану пристрою.

Вихідний регістр

-бітний вихідний регістр містить результат останнього перетворення в двійковий в додатковому форматі. Після скидання або включення живлення, вихідний регістр скидається до нуля, вона залишається нульової до першої завершення перетворення. Там Тому, якщо ви читали ADS1100 тільки після перезавантаження або включення живлення, ви будете читати нуля з виходу зареєструйтеся.

Формат вихідного регістра показано нижче:


Регістр конфігурації

Ви можете використовувати 8-бітний регістр конфігурації для керування ADS1100 в режим роботи, швидкість передачі даних і PGA налаштування. Формат регістра конфігурації показаний в таблиці V. За замовчуванням 8CH.

Біт 7: ST / BSY

Сенс ST / BSY трохи залежить від того, пишеться чи читати.

У режимі одиночної перетворення, запис від 1 до ST / BSY біта приведе перетворення, щоб почати, і писати 0 не має ефекту. У режимі безперервного перетворення, ADS1100 ігнорує значення, записане в ST / BSY.

Коли прочитав в одному режимі перетворення, ST / BSY вказує, чи є A / D конвертер зайнятий приймаючи перетворення. Якщо ST / BSY читається як 1, A / D конвертер зайнятий, і перетворення відбувається, якщо 0, то перетворення не відбувається, і результат останнього перетворення доступні у вихідний регістр. У безперервному режимі, ST / BSY завжди читається як 1.

Біти 6-5: Зарезервовані

Біти 6 і 5, повинні бути встановлені в нуль.

Біт 4: SCвизначає, чи буде ADS1100 знаходиться в постійному конверсії або одного режиму перетворення. Коли SC 1, ADS1100 працює в режимі одного перетворення, коли SC 0, ADS1100 знаходиться в режимі постійного перетворення. За умовчанням встановлено значення 0.

Біти 3-2: DR

DR1

DR0

DATA RATE




0

0

128SPS

0

1

32SPS

1

0

16SPS

1 (1)

1 (1)

8SPS (1)


Біти 3 і 2 контролю швидкості передачі даних ADS1100, як показано в таблиці:

Біти 1-0: PGA

Біти 1 і 0 регулювання посилення налаштування ADS1100, як показано в табл.

PGA1

PGA0

GAIN




0 (1)

0 (1)

1 (1)

0

1

2

1

0

4

1

1

8


Читання з ADS1100. Ви можете прочитати вихідний регістр і зміст регістра конфігурації з ADS1100. Для цього рішення ADS1100 для читання, і читати три байти з пристрою. Перші два байти вмісту вихідного регістра, третій байт вміст конфігурації регістра. Ви не завжди повинні прочитати три байти з ADS1100. Якщо ви хочете тільки вміст вихідного регістра-тер, читав тільки два байти. Читання більш ніж в три байти з ADS1100 має ніякого ефекту. Всі байтів, починаючи з четвертого буде FFH. Див. нижче. На мал.1 Тимчасова діаграма ADS1100 операції читання. Запис в ADS1100. Ви можете написати новий зміст в регістрі конфігурації (Ви не можете змінити вміст вихідного регістра). Для цього рішення ADS1100 для запису, і запис одного байта до нього. Цей байт записується в регістр конфігурації. Дати більше одного байта в ADS1100 має ніякого ефекту. ADS1100 буде ігнорувати будь байт, відправлених до нього після першого, і це буде тільки визнати, перший байт.

Див. Мал. 2 для тимчасової діаграми ADS1100 операції запису.

Мал. 1.

Мал. 2

Застосування інформаційних даних

У наступних розділах дати приклад схеми та рекомендацій по використанню ADS1100 в різних ситуаціях.

Оціночна плата, ADS1100EVM, доступно. Ця невелика, проста дошка підключається до RS-232 послідовний порт практично на будь-якому комп'ютері. Програмне забезпечення імітує цифровий вольтметр, а також відображає сировини кодів виходу в шістнадцятковій і десяткового. Всі функції ADS1100 можна управляти з головного вікна. Для отримання додаткової інформації звертайтеся TI або у місцевого представника TI, або відвідайте веб-сайт компанії Texas Instruments в <#"668522.files/image005.gif">

Мал. 3

Повністю диференціальних вхідних напруг ADS1100 ідеально підходить для підключення до диференціальних джерел з помірно низьким імпедансом, такі як міст датчиків і термістори. Аль-хоча і ADS1100 можете читати сигнали біполярні диференційні, він не може приймати негативне напруга будь вході. Це може бути корисно думати про ADS1100 позитивного вхідного напруги, як неінвертуючий, а негативний вхід у зверненні.

Коли ADS1100 є перетворення, яке береться в короткі шипи. 0,1 F необхідний конденсатор забезпечує миттєві сплески від надструмів необхідно від джерела живлення.інтерфейси безпосередньо в стандартний режим, режим швидкої та швидкісний режим I2C контролерів. I2C мікроконтролера Будь периферійний, в тому числі майстер-тільки й не-multiiple-майстер I2C периферійних пристроїв, буде працювати з ADS1100. ADS1100 не виконує годин розтягування (тобто, він ніколи не тягне лінія синхронізації низький), так що це не необхідно забезпечити це, якщо інші пристрої знаходяться на одній шині I2C.

Підтягаючі резистори необхідні як на SDA і SCL ліній I2C, тому що водії автобусів з відкритим стоком. Розмір цих резисторів залежить від швидкості автобуса експлуатації та ємності автобусних ліній. Вища значення резисторів споживають менше енергії, але і збільшити час переходу на автобусі, обмеження швидкості передачі даних. Нижні значення резисторів дозволяє більш високу швидкість за рахунок більш високе енергоспоживання.

Довгі автобусні лінії мають більш високу ємність і вимагають менших підтягують резистори для компенсації. Резисторів не повинно бути занадто мало, якщо вони є, водії автобусів не може бути в змозі здійснити автобусні лінії низький.

Підключення кількох пристроїв

Підключення декількох ADS1100s до однієї шині майже тривіальної. ADS1100 доступна у восьми різних версіях, кожна з яких має різні I2C адресу. Приклад, показує три ADS1100s підключені до однієї шині показано на малюнку 4. До восьми ADS1100s (за умови їх адреси різні) можуть бути підключені до однієї шині.

Мал.4

Зверніть увагу, що тільки один набір підтягаючих резисторів необхідно в автобусі. Ви можете виявити, що вам потрібно зменшити підтягаючий резистор декілька значень для компенсації додаткових автобусів ем-відстань представлена кількома пристроями та збільшення довжини лінії.

ВИКОРИСТАННЯ GPIO порти для I2C

Більшість мікроконтролерів мають програмований введення / виведення контакти, які можуть бути встановлені в програмне забезпечення, щоб діяти як входи або виходи. Якщо I2C контролер не доступний, ADS1100 може бути підключений до GPIO шпильки, і шина I2C протокол моделюється, або біт-вдарився в програмному забезпеченні. Прикладом цього для одного ADS1100 показано на малюнку 5.

Мал.5

стук I2C з висновками GPIO може бути зроблено шляхом установки лінії GPIO до нуля, і це переключення між вхідними та вихідними режимів для застосування правильного стану автобуса. Для керування лінією низький, контактний налаштований на вивід нуля, щоб лінія переходу високі, контактний встановлений на вході. Коли контакт встановлено на вході, стану висновку можна прочитати, якщо інший пристрій, потягнувши за лінію низького, це буде читатися як нуль в регістр вхідних порту.

Зверніть увагу, що ніякої резистор показаний на лінії SCL. У цьому простому випадку, резистор не потрібний; мікроконтролер може просто залишити лінія на вихід, і встановити його на один або нуль у разі потреби. Він може зробити це, тому що ніколи не ADS1100 диски його тактова лінія низьким. Цей метод також може бути використаний з декількома пристроями, і має ту перевагу, низький струм споживання в зв'язку з відсутністю резистивний підтягаючий.

Якщо є які-небудь пристрою на шині, які можуть вести їх ліній годинник низький, даний метод не слід використовувати, лінія SCL повинна бути високою-Z або нульовою і резистор за умови, як зазвичай. Відзначимо також, що це не може бути зроблено на лінії SDA в будь-якому випадку, тому що ADS1100 чи їздити лінії SDA низький, час від часу, як і всі пристрої I2C робити.

Деякі мікроконтролери вибирається сильним підтягуючим схеми побудовані в їх GPIO порти. У деяких випадках, вони можуть бути включені і використовувати замість зовнішнього навантажувального резистора. Слабкі підтягувань також надаються на деяких мікроконтролерах, але зазвичай вони занадто слабкі для I2C зв'язку. Якщо є які-небудь сумніви з цього приводу, перевірити ланцюг, перш ніж здійснювати його у виробництво.

Несиметричні входи

Незважаючи на те, ADS1100 має повністю диференціальний вхід, він може легко вимірювати несиметричних сигналів. Прості несиметричні схеми підключення показаний на малюнку 7. ADS1100 налаштований для несиметричних вимірювань при заземленні EI-термо його входами, як правило, VIN-й застосування вхідного сигналу VIN +. Несиметричний сигнал може варіюватися від-0.2В до VDD + 0.3. ADS1100 не втрачає лінійність в будь-якій точці своєї вхідний діапазон. Негативна напруга не може бути застосована до цієї схеми, тому що ADS1100 входи можуть приймати тільки позитивні напруги.діапазон вхідної біполярного диференціал по посиланню, тобто Й VDD. Несиметричні схеми, показаної на малюнку 6 покриває тільки половину ADS1100 масштабі вхід, тому що вона не виробляє диференційно негативний входи, тому один біт дозволу втратив. Burr-Brown DRV134 збалансовані лінії драйверів від Texas Instruments можуть бути використані, щоб відновити цей біт для несиметричних сигналів.

Негативне вхідна напруга має бути на одному рівні зсув. Хороший кандидатом на цю функцію Texas Instruments THS4130 диференційний підсилювач, який може виводити повністю диференціальні сигнали. Цей пристрій також може допомогти відновити втрачені трохи зазначалося раніше в однополярному позитивні сигнали. Зсуву рівня може також бути виконана з використанням DRV134.

Мал.6

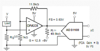
SIDE поточного монітора

На малюнку 7 показана схема низькій стороні шунта тип поточного монітора. Схема зчитує напруга шунта, який є розміром якомога менше той же час даючи читається вихідної напруги. Ця напруга посилюється OPA335 низьким дрейфом ОУ, і в результаті читається ADS1100.

Він припустив, що ADS1100 працювати при коефіцієнті підсилення 8. Посилення OPA335 може бути встановлена нижче. Для посилення 8, ОУ повинні бути створені, щоб дати максимальну вихідну напругу не більше 0.75V. Якщо шунт має розміри, щоб забезпечити максимальне падіння напруги 50 мВ при повному масштабі струму, повномасштабний введення в ADS1100 є 0.63V.

Мал.7

Міст Уїтстона SENSORмає повністю диференціальний високий опір вхідного каскаду і внутрішня схема посилення, що робить його гарним кандидатом для мостових датчиків вимірювання. Приклад показаний на малюнку 8.

Датчик моста Уітстона підключається безпосередньо до ADS1100 без проміжних підсилювачів приладів; однієї, невеликий конденсатор вхід забезпечує відмову від високій частоті завади. Напруги збудження моста харчування, який також є ADS1100 опорного напруги. Вимірювання, таким чином, логометріческіе. У цій схемі, ADS1100, як правило, працюють при завоюванні 8. Вхідний діапазон в цьому випадку 0,75 вольта.

 

Мал.8

Багато резистивних датчиків мостів, таких як датчики деформації, мають дуже маленькі повномасштабної діапазонах виводу. Для цих датчиків, вимірювання дозвіл отримати без додаткових підсилювачів-сифікацію може бути низьким. Наприклад, якщо вихідний міст датчик 20 мВ, ADS1100 виходу коди приблизно від - 873 до +873, в результаті чого кращому випадку дозвіл близько 11 біт. Якщо більш високий дозвіл вимагається, то краще поставити зовнішній підсилювач приладів довести сигнал до повної шкали.

ПОРАДИвиготовлений в невеликому геометрії низьковольтних процесу. Аналогові входи мають захисні діоди на постачання рейок. Проте в даний час обробки здатності цих діодів обмежений, і ADS1100 можуть бути пошкоджені аналогових вхідних напруг, які залишаються більш ніж приблизно 300 мВ за межі рейок протягом тривалого періоду. Один із способів захисту від перенапруг є розміщення струмообмежуючі резистори на вході лінії. ADS1100 аналогові входи можуть витримати короткочасний струм такого розміру, як 10 мА.

Попередній пункт не застосовується до I2C порту, які можуть як бути доведені до 6В, незалежно від харчування.

Алфавітно-цифрові РКІ є найбільш ефективним засобом відображення інформації серед найбільш поширених. Найширше розповсюдження отримали індикатори побудовані на основі контролера HD44780 і його аналогів. Такі індикатори дозволяють відображати символьно-цифрову інформацію та має можливість по відображенню 8 символів в одному рядку, 8 символів в 2-х рядках, 16 в 1,16 в 2-х рядках,20 в 1,20 в 2,20 в 4 - х;

Найбільш зручні індикатори, що дозволяють відображати російські букви, які мають світлодіодну, а не електролюмінесцентне підсвічування, що має однорідне харчування. До складу РКІ крім контролера входить безпосередньо сам індикатор, побудований на рідких кристалах. Включення індикатора здійснюється драйвером, керуючим спеціальним контролером.

2. Практична частина


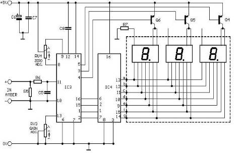
2.1 Принципова схема пристрою


Малюнок 2.1.1 - Принципова схема пристрою

2.2 Алгоритми роботи програми


Процес написання програм для мікроконтролерів складається з декількох етапів:

. підготовка вихідного тексту програми на якомусь із мов програмування;

. компіляція програми;

. налагодження і тестування програми;

. остаточне програмування та підготовка до серійного виробництва.

На кожному з етапів необхідне застосування спеціальних програмних і апаратних засобів.

Малюнок 2.2.1 - Блок - схема роботи програми

2.3 Результати тестування пристрою


Пересуваючи слайдер 1 вгору / вниз, відбувається зміна вхідної напруги і, відповідно, змінюється результат на РКІ.

Малюнок 2.3.1 - Висновок результату

Рисунок 2.3.2 - Висновок результату

Малюнок 2.3.3 - Висновок результату

2.4 Аналіз отриманих результатів


Основна частина проекту програми була написана в на мові С в середовищі Code Vision AVR C Compiler, а для отримання результатів роботи була проведена симуляція в симуляторі VMLab.

В результаті тестування проекту в симуляторі VMLab, програма видає свідчення сили струму за допомогою цифрового амперметра.

Висновок


В даному курсовому проекті розроблена програма цифрового амперметра, який повинен відображати силу струму на алфавітно-цифровому індикаторі з використанням мікроконтролера ATmega8.

Проект реалізує роботу цифрового амперметра і включає в себе тексти програм на мові високого рівня С в середовищі Code Vision AVR C Compiler і в симуляторі VMLab, який використовувався безпосередньо для перегляду отриманих результатів проекту.

Список використаних джерел


1.       В результаті роботи проекту було виконано всі цілі і вирішена головна задача - підготували вихідний текст програми на мові програмування високого рівня.

2.      Голубцов М. С, "Микроконтроллеры AVR: от простого к сложному", Москва, "СОЛОН - Пресс", 2003. - 290с.

.        Естифеев А. В, "Микроконтроллеры AVR семейства Mega", Москва, Издательский дом "Додэка-ХХI", 2007. - 578с.

4.      Гребнев В. В, "Микроконтроллеры семейства AVR фирмы Atmel. Москва, ИП РадиоСофт, 2002. - 234с.

4. Электронный ресурс, http://radiospec.ru

5. Естифеев, А.В. "Микроконтроллеры AVR семейства Mega", Москва, Издательский дом "Додэка-ХХI", 2007. - 598с.

Похожие работы на - Амперметр цифровий

 

Не нашли материал для своей работы?
Поможем написать уникальную работу
Без плагиата!
Без нейросетей!