Високовольтні вимикачі

  • Вид работы:
    Реферат
  • Предмет:
    Физика
  • Язык:
    Украинский
    ,
    Формат файла:
    MS Word
    21,18 Кб
  • Опубликовано:
    2013-10-06
Вы можете узнать стоимость помощи в написании студенческой работы.
Помощь в написании работы, которую точно примут!

Високовольтні вимикачі













Високовольтні вимикачі

Високовольтні вимикачі являються важливими комутаційними апаратами високовольтних установок. Високовольтні вимикачі призначені для оперативних комутацій кіл високої напруги при нормальних режимах роботи та автоматичного вимикання цих кіл при аварійних режимах (перевантаження, к.з.). Тому вимикачі повинні мати високу надійність в роботі, достатню електромеханічну стійкість, відносно велику швидкість відключення, а також мати просту конструкцію, невеликі розміри та масу.

Високовольтні вимикачі класифікують по:

         Конструкції - маслянні та безмасляні;

         Роду установки - для внутрішніх та наружних установок;

         Часу дії - швидкодіючі (час спрацювання менше 0,1с) та нешвидко діючі (час спрацювання більше 0,1с).

Основний фактор, який визначає конструкцію вимикача - спосіб гасіння дуги. Виходячи з цього вимикачі бувають: масляні - дуга гаситься в маслі; повітряні - дуга гаситься потоком стисненого повітря, що отримують від спеціального джерела; автогазові - дуга гаситься газами, що виділяються зі стінок камер під дією високої температури дуги; електромагнітні та вакуумні.

Електромагнітний вимикач - вимикач високої напруги, у якому електрична дуга гаситься магнітним дуттям у дугогасильному пристрої. Дуга затягується в камеру дугогасильного пристрою (де вона охолоджується і гасне) потужним магнітним полем, що створюється електромагнітами, в обмотках яких протікає струм.

Масляний вимикач - вимикач змінного струму високої напруги, головні контакти якого розміщуються в ємності, що заповнена трансформаторним маслом та виконує функції дугогасильного середовища. Масляні вимикачі ділять на бакові (багатооб’ємні) та горшкові (маломасляні). В бакових вимикачах комутуючий пристрій усіх трьох фаз розміщено в загальному баці з маслом. При цьому трансформаторне масло використовується для гасіння дуги та для ізоляції струмовідних частин.

В горшкових масляних вимикачах дугогасильний пристрій кожної фази розміщують в окремому бачку (горшку) із ізоляційного матеріалу або в окремому металевому бачку. Тут масло застосовується в основному для гасіння дуги, а ізоляція струмовідних частин здійснюється фарфоровими ізоляторами.

Масляний вимикач типу ВМП складається з трьох ізольованих полюсів (горшків), закріплених за допомогою підтримуючих ізоляторів на металевій рамі. На цій же рамі закріплений головний вал приводного механізму, з’єднаний ізоляційними тягами з полюсами вимикача. Для пом’ягчення динамічних ударів при відключенні передбачені масляні та пружинні демпфери.

В кожному горшку розміщена дугогасильна камера з поперечним масляним дуттям (мал.1).

Мал.1 Схема процесу гасіння дуги в камері горшкового  вимикача з поперечним дуттям

Основний елемент камери - диск 1 з ізоляційного матеріалу з конусоподібним придатком 2, в центрі якого проходить рухомий контактний стрижень 4. В диску є поперечний канал 3 та в центрі - рухомі латунні заслінки 5. У ввімкненому положенні (мал.1а) заслінки віджаті рухомим контактним стрижнем вниз. В процесі вимикання заслінки під дією пружин закривають отвір, через який пройшов контактний стрижень, та розривають дугу на дві частини. Енергія дуги в нижній частині циліндра створює великий тиск, під дією якого масло переміщується по поперечному каналі та гасить дугу. У вимкненому положенні вимикача кінці рухомих контактів знаходяться вище рівня масла, завдяки чому розрив контактів проходить в повітрі, а не в маслі.

Широке застосування на підстанціях знаходять вакуумні вимикачі. Їх основні переваги: висока швидкість дії; великий (до 25 років) строк служби; нескладне обслуговування та незначні витрати на експлуатацію; широкий діапазон температур довкілля; висока механічна та електрична зносостійкість; безшумність в роботі; незначні вага та габарити; відсутність масляного господарства та компресорних установок; швидкість відновлення електричної міцності (10 - 15) 103 В/мкс; стійкість до ударних та вібраційних навантажень.

Недоліки вакуумних вимикачів: складність розробки та виготовлення; великі капітальні вкладення; комутаційні перенапруги.

Основним елементом вакуумного вимикача є вакуумна дугогасильна камера (ВДК), в якій проходить гасіння дуги.

Мал.2 Вакуумна дугогасильна камера КДВ-21: 1 - нерухомий контакт; 2, 4, 6 - електростатичні екрани; 3 - керамічний ізоляційний корпус; 5 - контактні наконечники, облицьовані вольфрамом; 7 - сильфон; 8 - нерухомий контакт.


Мал.3 Вакуумний вимикач ВНВ-10/320

високовольтний вимикач привод масляний

Вмикають та вимикають високовольтні вимикачі вручну, дистанційно чи автоматично; механізм для вмикання та розмикання вимикача називають приводом. Вал привода з’єднують з валом вимикача за допомогою системи важелів та тяг. Привод вимикача повинен забезпечувати необхідну надійність та швидкість дії, а при електричному керуванні - найменше споживання електроенергії.

Приводи вимикачів діляться на ручні прямої дії, електромагнітні соленоїдні, пружинні, пружинно-навантаженні, електродвигунові, пневматичні та ін.

Всі приводи мають механізм вільного розчеплення, який забезпечує вимикання навіть у випадках, коли рукоятка привода утримується у ввімкненому положенні. Останнє можливо при увімкненні вимикача на існуюче коротке замкнення. Відомі типи приводів: ручні прямої дії (ПРБА, ПРА); електромагнітні (ПЭ, ШПЭ); пружинні (ППМ-10, ППВ, ПП-74); пневматичні (ПВ, ШПВ). Схема електричних з’єднань масляного вимикача з приводом типу ПРБА з двома максимальними реле струму КА миттєвої дії та одним мінімальним реле напруги КV приведена на мал.5.

 

Мал.4 Схема електричних з’єднань масляного вимикача з приводом  ПРБА

Основні частини електромагнітного соленоїдного приводу: котушка головного електромагніту, котушка малого вимираючого електромагніту, система важелів та защіпка. При протіканні струму через котушку головного електромагніту осердя втягується і за допомогою системи важелів та валу вмикає вимикач. При протіканні струму через котушку вимикаючого електромагніту защіпка звільняє осердя головної котушки та під дією пружин, вмонтованих в вимикач, здійснюється вимикання вимикача.

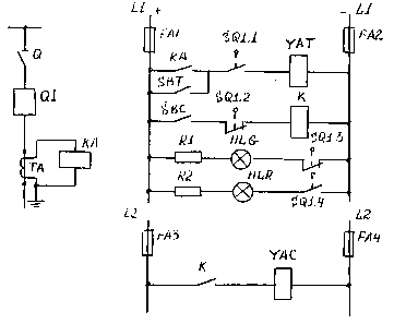
Дистанційне вмикання та вимикання вимикача здійснюється з пульту оператора ключем керування (мал.5)

Мал.5 Спрощена схема дистанційного керування  електромагнітним приводом

Положення вимикача визначається сигнальними лампами: при увімкненому положенні горить червона лампа HLR , при вимкненому - зелена HLG. Автоматичне вимикання вимикача при недопустимих струмах перевантаження здійснюється реле струму КА, контакти якого увімкнені в коло вимикаючої котушки YAT. Коло головної (вмикаючої) котушки YAC керується допоміжним контактором К.

Похожие работы на - Високовольтні вимикачі

 

Не нашли материал для своей работы?
Поможем написать уникальную работу
Без плагиата!
Без нейросетей!