4-канальный логический анализатор на PIC микроконтроллере
Оглавление
Введение
Глава
1. Структурная схема устройства, компоненты и описание
Глава
2. Устройства индикации, интерфейсы обмена, датчики
2.1
Жидкокристаллический дисплей
2.2
Микросхема 74HC04N/D
.3
Стабилизатор напряжения LM7805
Глава
3. Описание микросхем
Глава
4. Алгоритм работы устройства
Глава
5. Принципиальная схема
Литература
анализатор микроконтроллер микросхема стабилизатор
Введение
Микроконтроллер - компьютер на одной микросхеме.
Предназначен для управления различными электронными устройствами и
осуществления взаимодействия между ними в соответствии с заложенной в
микроконтроллер программой. В отличие от микропроцессоров, используемых в
персональных компьютерах, микроконтроллеры содержат встроенные дополнительные
устройства. Эти устройства выполняют свои задачи под управлением
микропроцессорного ядра микроконтроллера.
К наиболее распространенным встроенным
устройствам относятся устройства памяти и порты ввода/вывода (I/O), интерфейсы
связи, таймеры, системные часы. Устройства памяти включают оперативную память
(RAM), постоянные запоминающие устройства (ROM), перепрограммируемую ROM
(EPROM), электрически перепрограммируемую ROM (EEPROM). Таймеры включают и часы
реального времени, и таймеры прерываний. Средства I/O включают последовательные
порты связи, параллельные порты (I/O линии), аналого-цифровые преобразователи
(A/D), цифроаналоговые преобразователи (D/A), драйверы жидкокристаллического
дисплея (LCD) или драйверы вакуумного флуоресцентного дисплея (VFD). Встроенные
устройства обладают повышенной надежностью, поскольку они не требуют никаких
внешних электрических цепей.
В отличие от микроконтроллера контроллером
обычно называют плату, построенную на основе микроконтроллера, но достаточно
часто при использовании понятия "микроконтроллер" применяют
сокращенное название этого устройства, отбрасывая приставку "микро"
для простоты. Также при упоминании микроконтроллеров можно встретить слова
"чип" или "микрочип", "кристалл" (большинство
микроконтроллеров изготавливают на едином кристалле кремния), сокращения МК или
от английского microcontroller - MC.
Микроконтроллеры можно встретить в огромном
количестве современных промышленных и бытовых приборов: станках, автомобилях,
телефонах, телевизорах, холодильниках, стиральных машинах... и даже кофеварках.
Среди производителей микроконтроллеров можно назвать Intel, Motorola, Hitachi,
Microchip, Atmel, Philips, Texas Instruments, Infineon Technologies (бывшая
Siemens Semiconductor Group) и многих других.
Основным классификационным признаком
микроконтроллеров является разрядность данных, обрабатываемых
арифметико-логическим устройством (АЛУ). По этому признаку они делятся на 4-,
8-, 16-, 32- и 64-разрядные. Сегодня наибольшая доля мирового рынка
микроконтроллеров принадлежит восьмиразрядным устройствам (около 50 % в
стоимостном выражении). За ними следуют 16-разрядные и DSP-микроконтроллеры
(DSP - Digital Signal Processor - цифровой сигнальный процессор),
ориентированные на использование в системах обработки сигналов (каждая из групп
занимает примерно по 20 % рынка). Внутри каждой группы микроконтроллеры делятся
на CISC- и RISC-устройства. Наиболее многочисленной группой являются
CISC-микроконтроллеры, но в последние годы среди новых чипов наметилась явная
тенденция роста доли RISC-архитектуры
Тактовая частота, или, более точно, скорость
шины, определяет, сколько вычислений может быть выполнено за единицу времени. В
основном производительность микроконтроллера и потребляемая им мощность
увеличиваются с повышением тактовой частоты. Производительность микроконтроллера
измеряют в MIPS (Million Instruсtions per Second - миллион инструкций в
секунду)
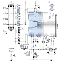
Глава 1. Структурная схема устройства,
компоненты и описание
Основные параметры устройства:
Базовый компонент: PIC18F4580
Частота дискретизации: 200 Гц - 2 МГц
Количество каналов: 4
Память: 1024 отсчета на каждый канал
Матричный LCD дисплей: 64×128
точек
Напряжение питания: 9 В аккумулятор
Основой устройства является
микроконтроллер PIC18F4580, который производит выборки и управляет LCD дисплеем
(например, DEM128064A), управление возможно при помощи клавиатуры из 5 кнопок
(S1- S5). Кварцевый резонатор (X1, 10 МГц) определяет максимальную частоту
выборок. Интегрированный в микроконтроллер модуль PLL используется для
получения внутренней частоты 40 МГц, которая является максимальной по
заявлениям производителя компании Microchip
<#"668425.files/image002.gif">
Блок схема DEM128064A-FGH-PW
Основные параметры
|
Разрешение:
Гор.,пиксел
|
128
|
|
Разрешение:
Верт.,пиксел
|
64
|
|
Размеры:
Ш,мм
|
93
|
|
Размеры:
В,мм
|
70
|
|
TypDisplay
|
FSTN
|
|
Контроллер
|
S6B0107
|
|
TA,°C
|
от
-20 до 70
|
|
TS,°C
|
от
-30 до 80
|
|
VCC,В
|
от
4.5 до 5.5
|
|
ICC,мА
|
3
|
.2 Микросхема 74HC04N/D
Микросхема 74HC04N/D содержит шесть стандартных
инверторов структуры ТТЛШ. Микросхема 74HC04 по входным и выходным уровням
сигналов совместима с другими ИС стандартной КМОП логики.
Интегральное исполнение микросхемы 74HC04N/D
Внутренняя структура схемы 74HC04N/D
Основные параметры устройства:
Напряжение питания (Vcc)+2..6В
Входной ток (0/1), не более 1мкА
Ток потребления (статический), max 20мкА
Выходной ток лог. "0/1", мах. 25мА
Выходной уровень "0" < 0,1В
Выходной уровень "1" >Uпит-0,1В
Диапазон температур*-40..+85oC
HC04N(AN)КорпусDIP-14
HC04D(M) SO-14
* - зависит от производителя.
.3 Стабилизатор напряжения LM7805

Так же стоит отметить, что для нормальной работы
на вход обоим стабилизаторам необходимо подавать напряжение около 10 вольт.
Интегральная схема LM7805
|
Корпус
|
TO-220-3
|
|
Корпус
(размер)
|
TO-220-3
|
|
Тип
монтажа
|
Выводной
|
|
Рабочая
температура
|
-40°C
~ 125°C
|
|
Ток
выходной
|
1A
|
|
Число
регулятоов
|
1
|
|
Напряжение
- падение (Typ.)
|
2V
@ 1A
|
|
Напряжение
входное
|
Up
to 35V
|
|
Напряжение
выходное
|
5V
|
|
Топология
регулятора
|
Positive
Fixed
|
|
Lead Free Status / RoHS Status
|
Lead
free / RoHS Compliant
|
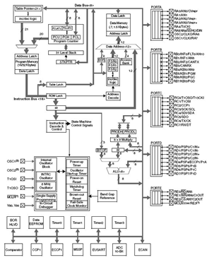
Глава 3. Описание микросхем
Структурная схема PIC18F4580
Интегральная схема PIC18F4580
Назначение выводов PIC18F4580
|
Обозначение
|
PDIP
|
QFN
|
PIN
TYPE
|
Описание
|
|
|
TQFN
|
|
|
|
MCLR/Vpp/RE3
|
1
|
26
|
I/O
|
Мастер
очистки (Master Clear (Сброс) вход. Этот pin - низкий активный уровень Сброса
устройства. Вход напряжения программирования. Цифровой вход
|
|
RA0/AN0/CVref
|
2
|
19
|
I/O
|
Аналоговый
Вход 0. Аналоговый компаратор опорный выходной сигнал.
|
|
RA1/AN1
|
3
|
20
|
I/O
|
Цифровые
I/O. Аналоговый Вход 1.
|
|
RA2/AN2/Vref-
|
4
|
21
|
I/O
|
Аналоговый
Вход 2. A/D опорного напряжения (низкое) вход.
|
|
RA3/AN3/Vref+
|
5
|
22
|
I/O
|
Аналоговый
Вход 3. A/D опорное напряжение (высокое) вход.
|
|
RA4/T0CKI
|
6
|
23
|
I/O
|
TMR0
внешний тактовый сигнал.
|
|
RA5/AN4/SS/
HLVDIN
|
7
|
24
|
I/O
|
|
RE0/RD/AN5
|
8
|
25
|
I/O
|
Читать
контроля за Параллельный Порт подчиненного устройства. Аналоговый Вход 5
|
|
RE1/WR
/AN6/C1OUT
|
9
|
26
|
I/O
|
Написать
контроля за Параллельный Порт подчиненного устройства. Аналоговый Вход 6.
Компаратора 1 выход
|
|
RE2/CS
/AN7/C2OUT
|
10
|
27
|
I/O
|
Выбор
микросхемы для управления Параллельный Порт подчиненного Аналоговый Вход 7.
Компаратор 2 выходных.
|
|
Vdd
|
11,
32
|
7,
8, 28, 29
|
P
|
Положительные
питания логики и ввода/вывода
|
|
Vss
|
12,
31
|
6,
30, 31
|
P
|
Заземлением
(Ground reference) для логики и ввода/Вывода.
|
|
OSC1/CLKI/RA7
|
13
|
32,
30
|
I/O
|
Осциллятор
кристалл или внешний тактовый сигнал.
|
|
OSC2/CLKO/RA6
|
5
|
44
|
I/O
|
Осциллятор
кристалл или выход часов.
|
|
RC0/T1OSO/T13CKI
|
15
|
34,
32
|
I/O
|
двунаправленный
порт ввода/вывода. Timer1 выход генератора. Timer1/Timer3 внешний тактовый
сигнал.
|
|
RC1/T1OSI
|
16
|
35
|
I/O
|
Timer1
входа генератора.
|
|
RC2/CCP1
|
17
|
36
|
I/O
|
Съемки
1 вход/ Сравнить 1 выход/PWM1 выход.
|
|
RC3/SCK/SCL
|
18
|
37
|
I/O
|
Синхронный
последовательный тактовый вход/выход
|
|
RD0/PSP0/C1IN+
|
19
|
38
|
I/O
|
Параллельный
Порт подчиненного устройства данных. Компаратора 1 вход (+)
|
|
RD1/PSP1/C1IN-
|
20
|
39
|
I/O
|
Параллельный
Порт подчиненного устройства данных. Компаратора 1 вход (-)
|
|
RD2/PSP2/C2IN+
|
21
|
40
|
I/O
|
Параллельный
Порт подчиненного устройства данных. Компаратор 2 входа (+)
|
22
|
41
|
I/O
|
Параллельный
Порт подчиненного устройства данных. Компаратора 2 вход (-)
|
|
RC4/SDI/SDA
|
23
|
42
|
I/O
|
SPI
данных ввода
|
|
RC5/SDO
|
24
|
43
|
I/O
|
SPI
данных выхода
|
|
RC6/TX/CK
|
25
|
44
|
I/O
|
EUSART
асинхронной передачи. EUSART синхронизирующих (см. RX/DT)
|
|
RC7/RX/DT
|
26
|
1
|
I/O
|
EUSART
асинхронного получения. EUSART синхронную передачу данных (см. TX/CK)
|
|
RD4/PSP4/ECCP1/P1A
|
27
|
2
|
I/O
|
Параллельный
Порт подчиненного устройства данных. Захват 2 входа/Сравнить 2 выходных/PWM2
выход. ECCP1 Выход ШИМ.
|
|
RD5/PSP5/P1B
|
28
|
3
|
I/O
|
Параллельный
Порт подчиненного устройства данных. ECCP1 Выход ШИМ B
|
|
RD6/PSP6/P1C
|
29
|
4
|
I/O
|
Параллельный
Порт подчиненного устройства данных. ECCP1 Выход ШИМ C
|
|
RD7/PSP7/P1D
|
30
|
5
|
I/O
|
Параллельный
Порт подчиненного устройства данных. ECCP1 Выход ШИМ D
|
|
Vss
|
12,
32
|
6,
30, 31
|
P
|
Заземлением
(Ground reference) для логики и ввода/Вывода.
|
|
Vdd
|
11,
32
|
7,
8, 28, 29
|
P
|
Положительные
питания логики и ввода/вывода
|
|
RB0/INT0/FLT0/AN10
|
33
|
9,
8
|
I/O
|
Внешние
Прерывания 0. Расширенные ШИМ Ошибки ввода (ECCP1 модуль). Аналоговый вход 10
|
|
RB1/INT1/AN8
|
34
|
10,
9
|
I/O
|
Внешние
Прерывания 1. Аналоговый вход 8
|
|
RB2/INT2/CANTX
|
35
|
11,
10
|
I/O
|
Внешние
Прерывания 2. CAN bus TX.
|
|
RB3/CANRX
|
12,
11
|
I/O
|
CAN
bus RX.
|
|
RB4/KBI0/AN9
|
37
|
14
|
I/O
|
Прерывание
по изменению ПИН-кода. Аналоговый Вход 9.
|
|
RB5/KBI1/PGM
|
38
|
15
|
I/O
|
Прерывание
по Изменению ПИН-кода. Низковольтные ИМТП™ Программирования включить pin-код.
|
|
RB6/KBI2/PGC
|
39
|
16
|
I/O
|
Прерывание
по изменению ПИН-кода. Внутрисхемный Отладчик и ICSP программирования часы
pin-код
|
|
RB7/KBI3/PGD
|
40
|
17
|
I/O
|
Прерывание
по изменению ПИН-кода. Внутрисхемный Отладчик и ICSP программирования вывод
данных.
|
Стабилизатор напряжения LM7805
Структурная - схема LM7805
ЭЛЕКТРИЧЕСКИЕ ХАРАКТЕРИСТИКИ
|
Параметры
|
Символы
|
Условия
испытания
|
MIN
|
TYP
|
MAX
|
UNIT
|
|
напряжение
тока выхода
|
Vo
|
Tj=25°C,
IO =5mA - 1.0A
|
4.80
|
5.0
|
5.20
|
V
|
|
|
VI=7.5V to 20V, IO =5mA - 1.0A,PD<15W
|
4.75
|
|
5.25
|
V
|
|
Регулировка
нагрузки
|
∆Vo
|
Tj=25°C,
IO =5mA - 1.5A
|
|
|
50
|
mV
|
|
|
Tj=25°C,IO
=0.25A - 0.75A
|
|
|
25
|
mV
|
|
Линии
регулирования
|
∆Vo
|
VI=7V
to 25V,Tj=25°C
|
|
|
50
|
mV
|
|
|
VI=7.5V to 20V,Tj=25°C, Io=1A
|
|
|
50
|
mV
|
|
Ток
покоя
|
Iq
|
Tj=25°C,
IO=<1A
|
|
|
8.0
|
mA
|
|
Изменяемый
ток покоя
|
∆Iq
|
VI=7.5V
to 20V
|
|
|
1.0
|
|
∆Iq
|
IO=5mA
- 1.0A
|
|
|
0.5
|
mA
|
|
Выходное
напряжение, помехи
|
Vn
|
10Hz<=f<=100kHz
|
|
40
|
|
μV
|
|
Коэффициент
температуры для Vo
|
∆Vo/∆T
|
IO=5mA
|
|
-0.6
|
|
mV/°C
|
|
Пульсация,
отказ
|
RR
|
VI=8V-18V,f =120Hz, Tj=25°C
|
62
|
80
|
|
dB
|
|
Пиковый
выходной ток
|
IPK
|
Tj=25°C
|
|
1.8
|
|
A
|
|
Ток
короткого замыкания
|
ISC
|
VI=35V,
Tj=25°C
|
|
250
|
|
mA
|
|
Маскирование
напряжения
|
Vd
|
Tj=25°C
|
|
2.0
|
|
V
|
Глава 4. Алгоритм работы устройства
При кратковременном нажатии клавиши S4 -
микроконтроллер переходит в режим работы с памятью и ожидает выполнения условия
запуска/синхронизации, на дисплее в это время в правом углу отображается символ
«R». После выполнения синхронизации, считанные 1024 сохраняются в ОЗУ, значок
«R» сменяется на «S» и дисплей отображает первые 128 выборок каждого канала.
При помощи клавиш S1 и S2 пользователь может прокручивать данные в пределах
памяти, курсор внизу дисплея показывает - данные из какой области памяти в
данный момент отображаются.
Следующее короткое нажатие на клавишу S4 -
устройство снова делает выборки и сохраняет их в памяти, но на дисплее будут
отображаться данные из той области памяти, которую пользователь просматривал до
нажатия кнопки S4, что в некоторых случаях является полезной функцией.
При удержании клавиши S4 длительное время
(услышите один звуковой сигнал) - будут произведены выборки, но дисплей будет
отображать данные из начальной (первые 128 выборок) области памяти.
При удержании клавиши S4 более длительное время
(два звуковых сигнала) - устройство переходит в режим отображения в реальном
времени первых 128 выборок на дисплее.
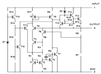
Глава 5. Принципиальная схема
Принципиальная схема 4-канального логического
анализатора на PIC микроконтроллере
Список основных использованных компонентов
|
Компонент
в схеме
|
Значение
|
Количество
|
|
R1
|
680
Ом
|
1
|
|
R2,
R11-R16
|
10
кОм
|
7
|
|
R3
- R6
|
330
Ом
|
4
|
|
R7
- R10
|
100
кОм
|
4
|
|
R17
|
56
Ом
|
1
|
|
R19
|
1
кОм
|
1
|
|
R20
|
47
Ом
|
1
|
|
R21
|
1
|
|
P1
|
20
кОм
|
1
|
|
C1,
C2
|
22
пФ
|
2
|
|
C3-
C6
|
100
нФ
|
4
|
|
D1
- D10
|
1N4148
<http://www.datasheet.ru/search.html?cx=005338834574777012439%3Aqye0jsmt8tw&cof=FORID%3A11&q=1N4148&ie=windows-1251&oe=windows-1251&sa=+%CF%EE%E8%F1%EA+>10
|
|
|
D11
|
1N4001
<http://www.datasheet.ru/search.html?cx=005338834574777012439%3Aqye0jsmt8tw&cof=FORID%3A11&q=1N4001&ie=windows-1251&oe=windows-1251&sa=+%CF%EE%E8%F1%EA+>1
|
|
|
D12
|
светодиод
|
1
|
|
T1,
T2
|
BC337
<http://www.datasheet.ru/search.html?cx=005338834574777012439%3Aqye0jsmt8tw&cof=FORID%3A11&q=BC337&ie=windows-1251&oe=windows-1251&sa=+%CF%EE%E8%F1%EA+>2
|
|
|
IC1
|
74HC04
|
1
|
|
IC2
|
PIC18F4580-I/P
|
1
|
|
IC3
|
LM7805
|
1
|
|
X1
|
10
МГц
|
1
|
|
K2
|
коннектор
для подключения LCDдисплея
|
1
|
Литература
1.
http://www.myrobot.ru
.
http://www.rlocman.ru
.
http://catalog.gaw.ru/
.
http://tec.org.ru
.
http://pdf1.alldatasheet.com
6.
<http://www.kontest.ru>